消防箱检查表
- 格式:xls
- 大小:28.00 KB
- 文档页数:1
消防栓检查表模板
以下是一个简单的消防栓检查表模板,您可以根据需要进行修改和扩展。
消防栓检查表
检查日期:__________
检查人员:__________
消防栓位置:__________
1. 消防栓外观
是否有锈蚀或损坏?
是否有清晰的标识?
消防栓门是否易于打开?
2. 消防水带和喷嘴
是否有破损或老化?
喷嘴是否堵塞或松动?
3. 水压和水量
打开消防栓,检查水压是否足够?
关闭消防栓,检查是否有泄漏?
4. 消防栓周围环境
消防栓周围是否有障碍物?
消防栓是否易于接近?
是否有明显的标识指引如何使用消防栓?
5. 其他注意事项
______________________________________________________________ ______________________________________________________________
检查结论:__________(正常/需要维修/其他)
请在相应位置填写实际检查结果,并在最后给出结论。
如果需要维修,请提供具体建议和措施。
消防设施月度检查表一、概述本月度检查表适用于对消防设施的定期检查,以确保其正常运行和有效性。
以下是对各类消防设施的常见检查要点和步骤。
二、灭火器检查1. 检查灭火器的位置是否清晰明确,是否与标识一致。
2. 检查灭火器的有效期限,是否过期。
3. 检查灭火器的外观是否完好无损,压力指示是否正常。
4. 检查灭火器的保质期是否过期,如过期需要进行相应的更换。
三、消防栓检查1. 检查消防栓的位置是否清晰明确,是否与标识一致。
2. 检查消防栓的阀门是否正常关闭,密封是否良好。
3. 检查消防栓的外观是否完好无损。
4. 检查消防栓箱内的配件是否齐全,如有损坏或丢失需要进行更换或补充。
四、喷淋系统检查1. 检查喷淋系统的管道、喷头等是否存在渗漏或损坏情况。
2. 检查喷淋系统的阀门是否正常开启和关闭,密封是否良好。
3. 检查喷淋系统的水源是否畅通,水压是否正常。
4. 检查喷淋系统的控制设备是否正常工作,如有异常需要进行修理或更换。
五、疏散通道检查1. 检查疏散通道是否畅通无阻,是否有杂物堆积。
2. 检查疏散通道的照明设施是否正常工作,是否需要更换电池或灯管。
3. 检查疏散通道的标识是否清晰可见,是否与实际情况相符。
六、其他设施检查1. 检查安全出口的标识是否清晰可见,是否容易辨认。
2. 检查报警器的正常工作情况,是否能够及时发出警报。
3. 检查应急照明设施的正常工作情况,是否需要更换电池或灯管。
七、总结通过对消防设施的月度检查,可以及时发现问题并进行相应的维修和更换,确保消防设施的正常运行和有效性。
请按照上述检查要点和步骤进行月度检查,并记录检查结果和处理情况,以备后续参考。
---以上是对消防设施月度检查表的简要介绍和说明,具体内容可能会根据实际情况进行相应调整和添加。
检查时间12检查人检查时间12检查人检查内容:
1、物资是否齐全(1张灭火毯、20只浓烟逃生袋、1根指挥棒、1只LED手电筒、1只扩音机、1只哨子)
2、物资是否完好、可使用
消防应急箱月度检查登记表检查内容:1、物资是否齐全(1张灭火毯、20只浓烟逃生袋、1根指挥棒、1只LED手电筒、1只扩音机、1只哨子)2、物资是否完好、可使用备注:1、检查列表中的1—2点分别对应检查内容中的1—2项;2、表框内相应项打“ ”表示该项正常或完好;3、如发现存在问题,直接在相应表项内简要写明;消防应急箱月度检查登记表
备注:
1、检查列表中的1—2点分别对应检查内容中的1—2项;
2、表框内相应项打“ ”表示该项正常或完好;
3、如发现存在问题,直接在相应表项内简要写明;。
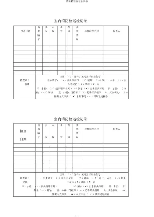
消防箱巡检记录表格
1 / 1
室内消防栓巡检记录
出 水 水 水 外 其
检查日期
水 带
栓
管
观
他 异样状况办理
检查人
瞄 情
子
况
正常:“√”异样:填写异样原由代号
检查项目
一.
出水瞄子:( 1)接头不灵巧 (2)破坏 ( 3)缺 二、水带:( 4)接
说明
头不灵巧( 5)破坏( 6)缺
三、水栓:( 7)接头铜环卡死( 8)漏水( 9)出水接头坏死
四、水管: (11)
漏水( 12)锈蚀 五、外观:门破坏( 14)把手开关损坏
六、其余状况: (15)
储藏方式不妥( 16)水压不足( 17)四周通道拥塞
室内消防栓巡检记录
检查
日期
出 水
水
水
外 其
水 他 异样状况办理
检查人
瞄
情
子
带 栓 管 观 况
正常:“√”异样:填写异样原由代号
检查项目
一 、出水瞄子:(1)接头不灵巧
(2)破坏 ( 3)缺 二、水带:( 4)接头
说明
不灵巧( 5)破坏( 6)缺
三、水栓:( 7)接头铜环卡死(
8)漏水( 9)出水接头坏死
四、水管: (11)
漏水( 12)锈蚀
五、外观:门破坏( 14)把手开关损坏
六、其余状况: (15)
储藏方式不妥( 16)水压不足( 17)四周通道拥塞。
消防箱日常检查记录表
日期:2023年3月15日
一、检查消防箱位置及标识
•消防箱位于公司大厅右侧墙角,明显可见。
•消防箱标识清晰,易于识别。
二、检查消防箱封条
•检查消防箱封条完好,无破损或被人为拆开的痕迹。
三、检查消防箱内部物品
•打开消防箱检查内部物品情况如下:
–灭火器1个,压力正常,压力表在绿区。
–灭火器使用说明书1本,未受潮损坏。
–灭火器保质期标签清晰可见,未过期。
–疏散通道示意图1份,完整无缺。
四、检查消防箱玻璃门
•检查消防箱玻璃门完整无破损,易于打开,未被卡住或生锈。
五、检查消防箱开启工具
•检查消防箱开启工具存放位置正确,未发现遗失或损坏情况。
六、检查记录
•检查人员:李明
•处理情况:无异常
•签字:_________(检查人员签字)
结论及建议
消防箱日常检查记录表显示,当前消防箱内物品齐全,玻璃门完好,封条未被破坏,位置明显易寻。
建议定期对消防箱进行检查,确保消防设备完好,以确保火灾发生时及时有效地处置。
附件
无
备注:请存档并在下次日常检查时参考此记录表。
如有问题或异常情况,请立即报告消防部门或相关负责人。
消防安全定期检查表一、基本信息检查日期:[填写日期]检查人员:[填写检查人员姓名]检查地点:[填写检查地点]二、消防设施检查序号 | 消防设施。
| 是否正常运行。
| 备注。
|1.| 灭火器。
| 是/否。
| [填写灭火器情况]。
|2.| 消防水源。
| 是/否。
| [填写消防水源情况]。
|3.| 自动喷水系统 | 是/否。
| [填写自动喷水系统情况]。
|4.| 火灾报警器。
| 是/否。
| [填写火灾报警器情况]。
|5.| 疏散指示灯。
| 是/否。
| [填写疏散指示灯情况]。
|6.| 应急照明灯。
| 是/否。
| [填写应急照明灯情况]。
|三、消防通道检查序号 | 消防通道。
| 是否畅通。
| 备注。
|1.| 消防门。
| 是/否。
| [填写消防门情况]。
|2.| 疏散通道。
| 是/否。
| [填写疏散通道情况]。
|3.| 消防通道标识。
| 是/否。
| [填写消防通道标识情况]。
|4.| 防火楼梯和扶手梯。
| 是/否。
| [填写防火楼梯和扶手梯情况]。
|四、电气安全检查序号 | 电气设备。
| 是否符合安全要求 | 备注。
|1.| 插座和电线。
| 是/否。
| [填写插座和电线情况]。
|2.| 电器设备线路。
| 是/否。
| [填写电器设备线路情况]。
|3.| 保险箱和配电箱。
| 是/否。
| [填写保险箱和配电箱情况]。
|4.| 照明设备。
| 是/否。
| [填写照明设备情况]。
|5.| 消防电源系统。
| 是/否。
| [填写消防电源系统情况]。
|五、其他检查事项填写其他需要检查的事项]六、问题整理及处理意见序号 | 问题描述。
| 处理意见。
|1.| [填写问题描述]。
| [填写处理意见]。
|2.| [填写问题描述]。
| [填写处理意见]。
|3.| [填写问题描述]。
| [填写处理意见]。
|七、检查人员签字检查人员1:[填写检查人员1签字]检查人员2:[填写检查人员2签字]注意:检查表中的是/否请适当勾选,并在备注栏中填写相应情况,并根据实际情况调整表格内容和项目。