灭火器日常检查记录表格
- 格式:doc
- 大小:22.00 KB
- 文档页数:1
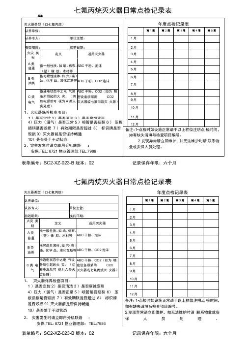
七氟丙烷灭火器日常点检记录表
表单编号:SC2-XZ-023-B 版本:02 记录保存年限:六个月
七氟丙烷灭火器日常点检记录表
1、 灭火器保养检查项目:
1 )是否定位2)是否清洁3 )是否腐蚀变形
4)压力(漏气)是否正常5 )喷管是否断裂 6) 压板插销是否毁损 7 )有效期限是否超过 8) 标识牌是否毁损9)灭火器前是否保持畅通 10)是否处于手动状态
2、 灾害发生时请立即用分机联络 :
安保,TEL: 8721 物业管理部:TEL:7986
年度点检记录表
备注:1•点检时如设施正常请于以上栏位注明点 检时间,如有缺失请填写检查项目编号。
2.发现异常请立即维护,如无法维护时请 联系物业或安保
人
员
处
理。
表单编号:SC2-XZ-023-B 版本:02 记录保存年限:六个月。
灭火器日常检查记录表
1. 检查日期:[填写日期]
2. 灭火器基本信息
•灭火器编号:[填写编号]
•灭火器类型:[填写类型]
•灭火器容量:[填写容量]
•灭火器厂商:[填写厂商]
•灭火器生产日期:[填写生产日期]
•灭火器安装位置:[填写安装位置]
3. 检查人员信息
•检查人员姓名:[填写姓名]
•检查人员职务:[填写职务]
•检查人员联系方式:[填写联系方式]
4. 检查内容
4.1 灭火器外观检查
•[ ] 灭火器表面无明显损坏、变形、锈蚀等情况
•[ ] 灭火器外壳无渗漏现象
•[ ] 灭火器喷嘴、喷管无堵塞情况
•[ ] 灭火器拉销及安全销无损坏
4.2 压力指示器检查
•[ ] 压力指示器显示正常(在绿色区域)
•[ ] 压力指示器玻璃无损坏、污垢等情况
4.3 标牌检查
•[ ] 灭火器上的使用说明标牌清晰可见
•[ ] 标牌内容包括:灭火器使用方法、注意事项等
4.4 检查记录
•[ ] 检查日期、检查人员信息正确填写
5. 检查结论
•[ ] 灭火器外观、压力指示器、标牌等检查内容全部合格
•[ ] 存在以下问题:
–[ ] [填写问题描述]
6. 备注
[填写备注信息]
以上是本次灭火器的日常检查记录表,检查人员应严格按照检查内容进行检查,并及时记录所发现的问题。
对于发现的问题,应及时进行修理或更换,确保灭火器的正常运行和使用安全。
月份检查时间
瓶体把手喷嘴压力保险
销
检查人
备注
月份检查时间
瓶体把手喷嘴压力保险
销
检查人
备注
月份检查时间
瓶体把手喷嘴压力保险
销
检查人
备注
11122233344455566677788899910101011111112
12
12
1、灭火器责任部门应保证灭火器的清洁卫生,发生灭火器损坏应及时通知院办,每月对灭火器进行专项检查,确保灭火器完好备用。
2、“√”表示合格,“×”表示不合格(并在备注上说明)。
1、灭火器责任部门应保证灭火器的清洁卫生,发生灭火器损坏应及时通知院办,每月对灭火器进行专项检查,确保灭火器完好备用。
2、“√”表示合格,“×”表示不合格(并在备注上说明)。
1、灭火器责任部门应保证灭火器的清洁卫生,发生灭火器损坏应及时通知院办,每月对灭火器进行专项检查,确保灭火器完好备用。
2、“√”表示合格,“×”表示不合格(并在备注上说明)。
履行消防安全职责
履行消防安全职责
履行消防安全职责
规范消防安全规范消防安全规范消防安全
检查日期:2021年 购买日期:2020年8月购买检查日期:2021年 购买日期:2020年8月购买检查日期:2021年 购买日期:2020年8月购买主任部门:院办安全生产科
主任部门:院办安全生产科
主任部门:院办安全生产科
灭火器检查表
灭火器检查表
灭火器检查表
灭火器型号:MFZ/ABC4型 灭火级别:2A55B 灭火器型号:MFZ/ABC4型 灭火级别:2A55B 灭火器型号:MFZ/ABC4型 灭火级别:2A55B。
灭火器日常检查记录表一、基本信息检查日期:____________________检查地点:____________________检查人:____________________二、灭火器检查明细1. 灭火器编号:____________________类型:____________________压力表指针状态:□正常□偏低□过高安全栓状态:□完好□损坏瓶体外观:□完好□损坏最近充装日期:____________________下次充装日期:____________________备注:____________________2. 灭火器编号:____________________类型:____________________压力表指针状态:□正常□偏低□过高安全栓状态:□完好□损坏瓶体外观:□完好□损坏最近充装日期:____________________ 下次充装日期:____________________ 备注:____________________3. 灭火器编号:____________________类型:____________________压力表指针状态:□正常□偏低□过高安全栓状态:□完好□损坏瓶体外观:□完好□损坏最近充装日期:____________________ 下次充装日期:____________________ 备注:____________________三、总体检查情况1. 是否所有灭火器均在有效期内:□是□否2. 是否有损坏灭火器:□是□否3. 处理措施:____________________检查人(签名):____________________ 审核人(签名):____________________ 检查日期:____________________。
灭火器检查记录表FIRE EXTINGUISHER INSPECTION RECORD年度:编号:负责人:备注:灭火器每月检查一次;灭火器检查项目中,正常打“√”,异常打“×”;如发现异常,需及时跟进处理。
灭火器检查登记表记录表(标准版)使用说明在日常安全维护工作中,灭火器作为关键的初期火灾扑救设备,其性能与状态的定期检查至关重要。
为确保灭火器能在紧急情况下正常使用,我们特制定了灭火器检查登记表记录表(标准版),以下为该表格的详细使用说明。
一、表格构成灭火器检查登记表记录表主要分为两大部分:表头信息和检查记录区。
1. 表头信息年度:填写当前检查年度,以便于跨年度的跟踪与管理。
编号:对灭火器进行唯一编号,以便于识别和记录每个灭火器的具体情况。
负责人:指定每次检查的负责人,确保责任到人,增强责任心。
2. 检查记录区检查记录区是表格的核心部分,包括多个关键检查项目,具体如下:日期:详细记录每次检查的年月日,确保检查周期的规范性。
压力:检查灭火器内压力是否正常,正常则打“√”,异常则打“×”。
压力不足会影响灭火效果,需及时补充。
喷管:检查喷管是否完好无损,无裂痕、老化现象。
喷管是输送灭火剂的关键部件,任何损坏都可能导致使用失败。
插销:确认插销是否牢固在位,防止意外脱落。
插销是防止灭火器误用的重要安全措施。
压把:检查压把操作是否灵活,无卡顿现象。
压把是激活灭火器的关键,其灵活性直接关系到紧急情况下的操作速度。
瓶体:观察瓶体是否完好,无锈蚀、变形或明显撞击痕迹。
瓶体是储存灭火剂的主要容器,其完好性直接影响灭火器的整体性能。
有效期:记录灭火器的有效期,超过有效期的灭火器需及时更换。
有效期的设定基于灭火剂的稳定性和灭火效能的考虑。
签名:每次检查结束后,由检查人签字确认,确保检查结果的真实性和可追溯性。
二、检查频率与要求检查频率:根据消防安全要求,灭火器应每月检查一次。
这一频率确保了灭火器能够始终处于良好的备用状态,应对可能的火灾风险。