废水处理设施运行台账
- 格式:doc
- 大小:15.50 KB
- 文档页数:4
污水处理运行记录台账引言概述:污水处理是一项重要的环保工作,为了确保污水处理设施的正常运行和监测,污水处理运行记录台账是必不可少的工具。
本文将从设备运行情况、处理效果、维护保养、异常情况和改进措施等五个方面,详细阐述污水处理运行记录台账的内容。
一、设备运行情况1.1 设备启停记录:记录污水处理设备的启停时间,包括开机时间、停机时间和运行时长。
1.2 设备运行参数:记录污水处理设备的运行参数,如进水流量、出水流量、温度、PH值等,以便后续分析和评估设备运行情况。
1.3 设备故障记录:记录污水处理设备的故障情况,包括故障时间、故障原因和处理措施,以便及时排除故障并进行维修。
二、处理效果2.1 水质监测数据:记录污水处理先后的水质监测数据,包括COD、BOD、悬浮物等指标,以评估处理效果。
2.2 水质达标情况:记录处理后水质是否符合国家和地方的排放标准,以确保污水处理的合规性。
2.3 处理效率评估:记录处理效果的评估结果,如去除率、处理效率等,以便进行改进和优化。
三、维护保养3.1 设备巡检记录:记录对污水处理设备的巡检情况,包括巡检时间、巡检内容和发现的问题,以确保设备正常运行。
3.2 设备维护记录:记录对设备进行的维护工作,包括清洗、更换零部件等,以延长设备使用寿命。
3.3 设备保养计划:制定设备的保养计划,包括定期保养和预防性维护,以确保设备的可靠性和稳定性。
四、异常情况4.1 天气异常记录:记录天气异常情况对污水处理设备运行的影响,如大雨、洪水等,以便进行相应的应对措施。
4.2 运行异常记录:记录污水处理设备运行过程中的异常情况,如设备故障、处理效果下降等,以及时发现问题并采取措施。
4.3 污水质量异常记录:记录污水质量异常情况,如进水水质突变、超标等,以便进行调整和改进处理工艺。
五、改进措施5.1 设备优化改进:根据污水处理运行记录台账的分析结果,提出设备优化改进的方案,如更换设备、调整运行参数等,以提高处理效果。
污水处理设备运行台账引言概述:污水处理设备是保护环境、维护人类健康的重要设施,对于监测和管理其运行情况至关重要。
运行台账作为一种记录和管理污水处理设备运行情况的工具,能够帮助企业或机构及时发现问题并采取相应措施。
本文将从设备运行情况、维护保养、异常处理、设备更新以及数据分析等五个方面,详细阐述污水处理设备运行台账的重要性和使用方法。
一、设备运行情况1.1 记录设备运行时间:准确记录设备的开机时间、停机时间以及运行时长,用于分析设备的运行稳定性和效率。
1.2 记录处理量和出水质量:记录每日处理的污水量和出水的水质指标,以便判断设备的处理效果和运行状态。
1.3 记录设备故障和维修情况:详细记录设备的故障情况、维修时间和维修措施,为设备的维护保养提供依据。
二、维护保养2.1 记录设备维护计划:制定设备的维护计划,包括定期检查、保养和更换零部件等,记录计划执行情况。
2.2 记录维护保养内容:详细记录每次维护保养的具体内容,包括清洗设备、更换滤网、校准传感器等,以确保设备的正常运行。
2.3 记录维护保养人员:记录维护保养人员的姓名和工作内容,方便追溯责任和交流经验。
三、异常处理3.1 记录设备异常情况:及时记录设备的异常情况,如温度异常、压力异常等,以便及时采取措施避免设备进一步损坏。
3.2 记录异常处理措施:记录针对设备异常情况所采取的处理措施,包括调整操作参数、更换设备部件等,以便后续参考。
3.3 记录异常处理结果:记录异常处理后设备的运行情况和效果,以便评估处理措施的有效性。
四、设备更新4.1 记录设备更换计划:制定设备更换计划,根据设备寿命和技术更新等因素,及时更新设备以保持其运行效率和处理效果。
4.2 记录设备更换过程:记录设备更换的具体过程,包括拆卸、安装、调试等,以确保更换过程的顺利进行。
4.3 记录设备更换效果:记录设备更换后的运行情况和效果,以便评估更换的必要性和效果。
五、数据分析5.1 分析设备运行数据:根据运行台账中的数据,进行设备运行情况的分析,包括运行时间、处理量、水质指标等,以便评估设备的运行状况。
污水处理运行记录台账引言概述:污水处理是城市环境保护的重要环节,而污水处理运行记录台账是对污水处理设施运行情况进行记录和管理的重要工具。
通过记录台账,可以及时发现设备故障、运行异常等问题,保障污水处理设施的正常运行。
一、记录内容1.1 记录设备运行情况:包括进水流量、出水水质、设备运行时间等;1.2 记录设备维护情况:包括设备维护时间、维护内容、维护人员等;1.3 记录设备故障情况:包括故障发生时间、故障原因、故障处理情况等。
二、记录方式2.1 手工记录:通过填写纸质记录表格进行记录,便于实时记录和查阅;2.2 电子记录:通过污水处理设施的监控系统进行记录,方便数据整理和分析;2.3 智能记录:利用智能设备进行记录,实现自动化记录和数据传输。
三、记录频率3.1 日常记录:每日对污水处理设施的运行情况进行记录,包括设备运行情况、维护情况等;3.2 定期记录:每周或每月对设备进行一次全面检查和记录,确保设备正常运行;3.3 特殊记录:对于重要事件或异常情况,及时记录并进行处理,保障设备安全运行。
四、记录管理4.1 数据存储:对记录的数据进行分类存储,确保数据的完整性和安全性;4.2 数据分析:通过对记录数据的分析,及时发现问题并进行处理,提高污水处理设施的运行效率;4.3 数据报告:定期生成运行报告,对设备运行情况进行总结和分析,为设备管理提供依据。
五、记录效用5.1 设备管理:通过记录台账,可以及时发现设备故障、维护需求等问题,保障设备的正常运行;5.2 运行优化:通过对记录数据的分析,可以发现设备运行中存在的问题,并进行优化改进;5.3 安全保障:记录台账可以帮助管理人员及时掌握设备运行情况,确保设备运行安全。
结语:污水处理运行记录台账是污水处理设施管理的重要工具,通过规范记录和管理,可以提高设备运行效率,保障设备安全运行,实现污水处理工作的良性循环。
希望相关管理人员能够重视记录台账的建立和管理,确保污水处理设施的正常运行和环境保护工作的顺利进行。
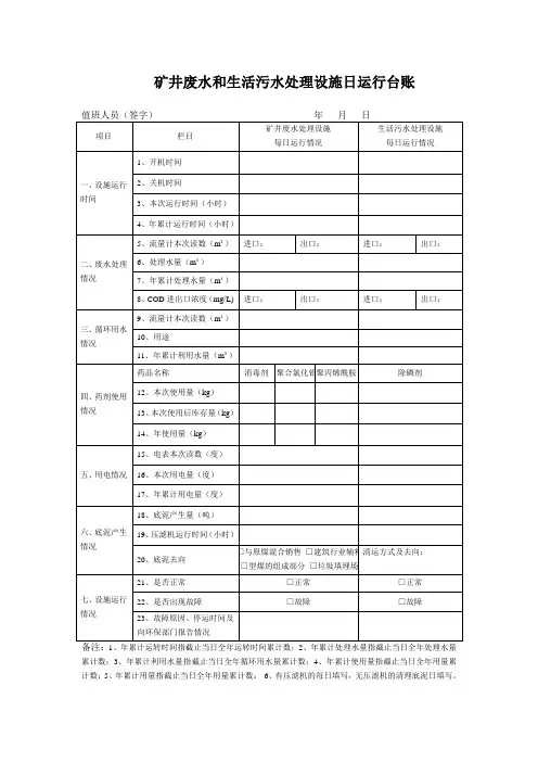
矿井废水和生活污水处理设施日运行台账值班人员(签字)年月日
项目栏目矿井废水处理设施
每日运行情况
生活污水处理设施
每日运行情况
一、设施运行时间1、开机时间
2、关机时间
3、本次运行时间(小时)
4、年累计运行时间(小时)
二、废水处理情况5、流量计本次读数(m³)进口:出口:进口:出口:
6、处理水量(m³)
7、年累计处理水量(m³)
8、COD进出口浓度(mg/L) 进口:出口:进口:出口:
三、循环用水情况9、流量计本次读数(m³)
10、用途
11、年累计利用水量(m³)
四、药剂使用情况药品名称消毒剂聚合氯化铝聚丙烯酰胺除磷剂
12、本次使用量(kg)
13、本次使用后库存量(kg)
14、年使用量(kg)
五、用电情况15、电表本次读数(度)
16、本次用电量(度)
17、年累计用电量(度)
六、底泥产生情况18、底泥产生量(吨)
19、压滤机运行时间(小时)
20、底泥去向
□与原煤混合销售□建筑行业辅料
□型煤的组成部分□垃圾填埋场
清运方式及去向:
七、设施运行情况21、是否正常□正常□正常
22、是否出现故障□故障□故障
23、故障原因、停运时间及
向环保部门报告情况
备注:1、年累计运转时间指截止当日全年运转时间累计数;2、年累计处理水量指截止当日全年处理水量累计数;3、年累计利用水量指截止当日全年循环用水量累计数;4、年累计使用量指截止当日全年用量累计数;5、年累计用量指截止当日全年用量累计数;6、有压滤机的每日填写,无压滤机的清理底泥日填写。
污水处理设备运行台账引言概述:污水处理设备运行台账是记录和管理污水处理设备运行情况的重要工具。
通过建立和维护污水处理设备运行台账,可以及时了解设备运行状态,发现问题并进行及时维修和处理,确保污水处理设备的正常运行。
本文将从四个方面详细阐述污水处理设备运行台账的重要性和建立方法。
一、设备运行情况记录1.1 设备运行时间记录污水处理设备的运行时间记录是指记录设备的开机时间和停机时间。
通过记录设备的运行时间,可以了解设备的运行情况,判断设备是否正常运行,是否需要进行维修或更换。
1.2 设备运行参数记录污水处理设备的运行参数记录是指记录设备的各项运行参数,如进水量、出水量、水质指标等。
通过记录设备的运行参数,可以及时发现设备的异常情况,判断设备的运行效果,并进行相应的调整和优化。
1.3 设备故障记录污水处理设备的故障记录是指记录设备发生故障的时间、原因和处理情况。
通过记录设备的故障情况,可以及时发现设备存在的问题,并采取相应的措施进行维修和处理,以保证设备的正常运行。
二、维护保养记录2.1 设备维护记录污水处理设备的维护记录是指记录设备的维护情况,包括定期保养、检修和更换部件等。
通过记录设备的维护情况,可以及时了解设备的维护状况,判断设备是否需要进行维修或更换部件,以保证设备的正常运行。
2.2 设备保养记录污水处理设备的保养记录是指记录设备的保养情况,包括设备的清洁、润滑和调整等。
通过记录设备的保养情况,可以及时了解设备的保养状况,判断设备是否需要进行清洗、润滑或调整,以保证设备的正常运行。
2.3 设备维修记录污水处理设备的维修记录是指记录设备的维修情况,包括维修的时间、维修的内容和维修的结果等。
通过记录设备的维修情况,可以及时了解设备的维修状况,判断设备是否需要进行进一步的维修或更换,以保证设备的正常运行。
三、设备运行效果评估3.1 出水水质监测记录污水处理设备的出水水质监测记录是指记录设备出水的水质指标,如悬浮物浓度、COD浓度、氨氮浓度等。
污水处理设施运行记录台账台账编号:WS-2024-001设施名称:XX市污水处理厂日期:2024年XX月XX日1.设施运行情况记录:-设施运行开始时间:XX:XX-设施运行结束时间:XX:XX-运行状态:正常/异常-故障类型:-故障处理情况:2.污水处理情况记录:-进水量:-出水量:-水质检测结果:-COD浓度:-BOD浓度:-SS浓度:-NH3-N浓度:-TP浓度:-TN浓度:-处理效果评价:良好/一般/差3.设施设备运行记录:-设备名称:-运行开始时间:XX:XX-运行结束时间:XX:XX-运行状态:正常/异常-故障类型:-故障处理情况:4.设施维护保养记录:-维护保养项目:-维护保养开始时间:XX:XX-维护保养结束时间:XX:XX-维护保养人员:-维护保养内容:-维护保养结果:良好/一般/差5.设施清洁记录:-清洁项目:-清洁开始时间:XX:XX-清洁结束时间:XX:XX-清洁人员:-清洁内容:6.废物处理记录:-废物种类:-废物处理方式:-废物处理结果:7.设施消防安全记录:-检查时间:-检查内容:-发现问题:-处理情况:-处理结果:8.其他备注:-相关情况记录:-其他值得注意的事项:以上所述为XX市污水处理厂污水处理设施运行记录台账的基本内容。
请负责人按照实际情况填写,并及时归档保存。
如有需要,可以酌情增加相关记录项目。
台账的填写旨在对污水处理设施的运行情况、处理效果、设备维护保养、消防安全等方面进行记录,以备日后查阅、分析和管理参考。
对于设施运行异常、设备故障以及其他问题,应及时记录并进行处理,同时需要在台账中详细记录处理情况和结果。
污水处理设施运行记录台账简版修正设施名称:xxx污水处理厂台账编号:xxxxxx填写日期:xxxx年xx月xx日日志记录人:_________一、设施运行概况1.设施维护情况:日期维护内容是否正常运行备注xxxx年x月x日清洁设施设备是/否xxxx年x月x日更换滤网材料是/否xxxx年x月x日清理沉淀池是/否xxxx年x月x日检查管道漏水情况是/否2.处理设施运行情况:日期运行情况备注xxxx年x月x日进水处理情况:正常/异常xxxx年x月x日污泥处理情况:正常/异常xxxx年x月x日气体排放情况:正常/异常xxxx年x月x日除臭设施运行情况:正常/异常3.水质监测情况:日期监测指标处理要求(标准)监测结果备注xxxx年x月x日 pH值 6-9 xx 正常/异常xxxx年x月x日悬浮物≤20mg/Lxx 正常/异常xxxx年x月x日溶解氧≥2mg/Lxx 正常/异常xxxx年x月x日硝酸盐氮≤20mg/Lxx 正常/异常xxxx年x月x日总磷≤1mg/L xx 正常/异常二、问题记录与处理1.运行异常情况:日期异常情况描述处理措施结果xxxx年x月x日进水处理异常清理滤网xxxxxx年x月x日污泥处理异常增加氧气投加量 xxxxxx年x月x日气体排放异常检修排气系统 xxxxxx年x月x日除臭设施运行异常更换除臭材料xx2.问题处理情况:日期问题描述处理措施结果xxxx年x月x日漏水问题阀门更换xxxxxx年x月x日清洁设备问题设备更换xxxxxx年x月x日沉淀池清理问题清理沉淀池xx三、备注xxxx年x月x日至 xxxx年x月x日期间,设施运行平稳,未发生重大异常情况。
记录人签名:_____________。
污水处理设施运行台账模板
一、基本信息
1. 设施名称:
2. 设施编号:
3. 运行时间:
4. 运行单位:
5. 联系方式:
二、设施情况
1. 设施数量:
2. 设施类型:
3. 设施规模:
4. 设施位置:
5. 设施投入使用日期:
三、设备运行情况
1. 运行时间:
a) 开始日期:
b) 结束日期:
2. 总进水量:
a) 当日进水量:
b) 累计进水量:
3. 总出水量:
a) 当日出水量:
b) 累计出水量:
4. 处理效果:
a) COD(化学需氧量)去除率:
b) BOD(生化需氧量)去除率:
c) SS(悬浮物)去除率:
d) NH3-N(氨氮)去除率:
四、设备运行情况记录
日期运行时间进水量出水量处理效果(小时)(m³)(m³)
五、设备维护情况
1. 定期维护计划:
a) 维护日期:
b) 维护内容:
c) 维护人员:
2. 异常情况处理:
a) 异常发生日期:
b) 异常描述:
c) 处理措施:
d) 负责人:
六、备注
请在此处记录任何其他需要补充的信息或备注。
以上是污水处理设施运行台账的模板,您可以根据实际情况自行填写具体内容并进行记录。
台账的准确填写和维护对于设施运行的有效管理和监控非常重要,希望您能认真对待并定期更新台账内容,以确保设施的正常运行。
污水处理设施运行记录台账
污水处理设施运行记录台账
一、台账基本信息(填写日期、台账编号等)
(在此处填写台账基本信息)
二、设施运行情况记录
2.1 设施运行基本情况
(在此处记录设施的基本情况,包括设施名称、位置、建设单位等)
2.2 设施运行参数记录
(在此处记录设施的运行参数,如进水量、出水质量、处理效率等)
2.3设施运行事件记录
(在此处记录设施运行中的事件,如故障、维护工作等)
2.4 设施维护情况记录
(在此处记录设施的维护情况,包括维护内容、维护人员等)
三、设施运行监测数据记录
3.1 进水监测数据记录
(在此处记录进水监测数据)
3.2处理过程监测数据记录
(在此处记录处理过程监测数据)
3.3 出水监测数据记录
(在此处记录出水监测数据)
四、台账审核及纠正措施
4.1 台账审核
(在此处记录台账的审核情况,包括审核人员、审核日期等)
4.2 问题纠正措施
(在此处记录出现的问题,并提出纠正措施)
五、附件
(在此处本文档所涉及的附件,如监测报告、维护记录等)
六、法律名词及注释
(在此处本文所涉及的法律名词,并进行注释解释)
以上为污水处理设施运行记录台账的详细内容,请填写完整、准确。
本文档涉及附件:
(在此处本文档所涉及的附件)
本文所涉及的法律名词及注释:
(在此处本文所涉及的法律名词,并进行注释解释)。
污水处理设施运行台账
1. 引言
本文档旨在记录和管理污水处理设施的运行情况和相关数据。
通过建立台账,可以更好地监控和评估设施的性能,及时发现问题并采取相应的措施。
2. 台账内容
2.1 设施基本信息
- 设施名称:
- 设施编号:
- 设施类型:
- 设施位置:
- 设施管理单位:
2.2 运行数据记录
- 运行日期:
- 运行时间:
- 污水处理量:
- 污水入水温度:
- 污水出水温度:
- 污水入水浊度:
- 污水出水浊度:
- 污水入水COD浓度:- 污水出水COD浓度:- 污水处理效率:
2.3 设备运维记录
- 设备故障描述:
- 故障发生日期:
- 维修开始日期:
- 维修结束日期:
- 维修人员:
- 维修费用:
- 设备是否正常运行:
2.4 日常维护记录
- 维护日期:
- 维护内容:
- 维护人员:
3. 使用说明
- 每次运行结束后,及时记录运行数据,并填写到台账中。
- 对于设备故障或维修情况,应及时记录,并在维修结束后填写维修情况。
- 日常维护工作完成后,记录维护内容和维护人员。
- 台账应由设施管理单位负责保管和更新。
通过建立污水处理设施运行台账,可以有效地管理和监控设施的运行情况,为及时处理故障和提高处理效率提供参考依据。
请按照以上的格式进行记录和更新,以确保台账的准确性和可操作性。
污水处理运行记录台账
标题:污水处理运行记录台账
引言概述:污水处理是城市环境保护的重要环节,而污水处理运行记录台账则是对污水处理设施运行情况进行记录和管理的重要工具。
本文将详细介绍污水处理运行记录台账的内容和重要性。
一、记录污水处理设施基本信息
1.1 记录设施名称、位置和规模
1.2 记录设施建设时间和投入使用时间
1.3 记录设施设计处理能力和日处理水量
二、记录运行情况和处理效果
2.1 记录每日进水量、出水量和处理效率
2.2 记录处理过程中的异常情况和处理措施
2.3 记录设施维护保养情况和维修记录
三、记录设备运行状态和参数
3.1 记录设备运行时间和运行状态
3.2 记录关键设备的运行参数和指标
3.3 记录设备的维护保养情况和维修记录
四、记录运行人员操作和值班情况
4.1 记录运行人员的值班情况和操作记录
4.2 记录运行人员的操作规程和操作培训情况
4.3 记录运行人员的安全意识和应急处理能力
五、总结分析运行记录并改进管理措施
5.1 对运行记录进行定期总结和分析
5.2 根据分析结果制定改进管理措施
5.3 定期评估改进效果并不断优化运行记录台账
结论:污水处理运行记录台账是污水处理设施运行管理的重要工具,通过记录和分析运行情况可以及时发现问题并改进管理措施,提高污水处理效率和环境保护水平。
建议各污水处理厂加强运行记录台账管理,确保设施安全稳定运行。
污水处理设备运行台账引言概述:污水处理设备是保障环境卫生和水资源可持续利用的重要设施。
为了确保污水处理设备的正常运行和维护管理,建立和完善污水处理设备运行台账是非常必要的。
本文将从设备运行情况、维护保养、故障处理、设备更新和改进等五个方面,详细阐述污水处理设备运行台账的内容和重要性。
一、设备运行情况1.1 设备运行时间和周期:记录设备的运行时间和周期,包括每日、每周、每月的运行情况,以便及时发现设备的异常情况。
1.2 运行参数监测:记录设备的运行参数,如进水流量、出水水质等,以便分析设备的运行状况和效果。
1.3 运行记录和事件:记录设备的运行记录和发生的事件,如设备启停时间、设备故障、维修记录等,以便了解设备的运行历史和问题处理情况。
二、维护保养2.1 定期巡检和保养:记录设备的定期巡检和保养情况,包括巡检时间、巡检内容、保养措施等,以便保证设备的正常运行和延长设备寿命。
2.2 备品备件管理:记录备品备件的采购和使用情况,包括备品备件名称、规格、数量、采购时间、使用时间等,以便及时补充和更换设备所需的备品备件。
2.3 维修记录和维修计划:记录设备的维修记录和维修计划,包括维修时间、维修内容、维修人员等,以便及时排除设备故障和制定维修计划。
三、故障处理3.1 故障发现和报修:记录设备故障的发现和报修情况,包括故障发现时间、故障现象、报修人员等,以便及时处理设备故障。
3.2 故障排除和修复:记录设备故障的排除和修复情况,包括故障排除时间、排除方法、修复效果等,以便总结经验教训和提高设备维修效率。
3.3 故障分析和改进措施:记录设备故障的分析和改进措施,包括故障原因分析、改进措施制定和实施情况等,以便预防类似故障的再次发生。
四、设备更新4.1 技术更新和设备升级:记录设备的技术更新和设备升级情况,包括更新时间、更新内容、更新效果等,以便提高设备的处理效率和运行稳定性。
4.2 设备更换和报废:记录设备的更换和报废情况,包括更换时间、更换原因、报废处理等,以便合理安排设备的生命周期和资源利用。
环保基础管理生产设施运行记录台账2013 年单位:内蒙古武兰水泥有限公司生产设施运行记录表生产设施名
称开始运行时间生产原料运行结束时间二次废物值班人备注名称来源地是否为危险废物处理量名称
产生量危险属性处理方式环保基础管理废水处理设施
运行记录台账2013 年单位:内蒙古武兰水泥有限公司废水处理设施运行记录表废水处理设施名称运行开始时
间设备功率(KW)运行处理水量(m 3 /h)进口水pH 值出口水pH 值处理药剂名称处理药剂添加量运行结束时间污泥处理方式值班人备注环保基础管理废气处理设施运行记录台账2013 年单位:内蒙古武兰水泥有限公司废气处理设施运行记录表废气处理设施名称运行开始时间设备功率(KW)运行风量(m 3 /h)洗涤水初始pH 值补充水量加碱量正常运行时洗涤水pH 值运行结束时间污泥处理方式值班人备注。
污水处理设施运行台账范本本文为污水处理设施运行台账范本,以便确保台账内容的准确、完整、可追溯,并提供整洁美观的排版,使阅读体验更加舒适。
以下是范本内容:-----------------------------------------污水处理设施运行台账运行日期:___________台账编号:___________处理设施概况:处理设施名称:____________设施容量:____________运行周期:____________设备清单(包括管道、泵、阀门、集沉池、曝气池等):1. ____________ 数量:________ (设备编号:________ 制造商:________)2. ____________ 数量:________ (设备编号:________ 制造商:________)3. ____________ 数量:________ (设备编号:________ 制造商:________)...n. ____________ 数量:________ (设备编号:________ 制造商:________)-----------------------------------------运行记录日期操作员运行情况备注-----------------------------------------日期1 操作员1 运行情况1 备注1日期2 操作员2 运行情况2 备注2日期3 操作员3 运行情况3 备注3...日期n 操作员n 运行情况n 备注n-----------------------------------------备注:(请在此处填写额外的备注信息,如设备维护情况、运行异常情况等)-----------------------------------------设施运行检查记录日期检查项目检查结果检查人员备注-----------------------------------------日期1 检查项目1 检查结果1 检查人员1 备注1日期2 检查项目2 检查结果2 检查人员2 备注2日期3 检查项目3 检查结果3 检查人员3 备注3...日期n 检查项目n 检查结果n 检查人员n 备注n-----------------------------------------备注:(请在此处填写额外的备注信息,如设备维护情况、运行异常情况等)-----------------------------------------维护记录日期维护项目维护人员备注-----------------------------------------日期1 维护项目1 维护人员1 备注1日期2 维护项目2 维护人员2 备注2日期3 维护项目3 维护人员3 备注3...日期n 维护项目n 维护人员n 备注n-----------------------------------------备注:(请在此处填写额外的备注信息,如设备维修情况、设施更新等)-----------------------------------------签名:______________日期:______________-----------------------------------------以上为污水处理设施运行台账范本,提供了设施运行记录、设施运行检查记录以及维护记录,以确保污水处理设施能够安全高效地运行。
污水处理设备运行台账标题:污水处理设备运行台账引言概述:污水处理设备是保障环境卫生和人类健康的重要设备,对其运行情况进行及时记录和监测是非常重要的。
运行台账是记录设备运行情况的重要工具,能够帮助管理人员及时发现问题并进行有效的维护和管理。
一、运行情况记录1.1 记录设备每日运行时间:准确记录设备每日的运行时间,包括启动时间、停止时间以及运行中的异常情况。
1.2 记录设备运行参数:记录设备的运行参数,如进水流量、出水水质、污泥浓度等重要参数,以便分析设备运行情况。
1.3 记录设备维护情况:记录设备的维护情况,包括定期维护、紧急维修以及更换零部件的情况,确保设备正常运行。
二、异常情况处理2.1 及时记录异常情况:一旦发现设备出现异常情况,如泄漏、噪音异常等,应及时记录并通知相关人员进行处理。
2.2 分析异常原因:对设备出现的异常情况进行分析,找出根本原因,避免类似问题再次发生。
2.3 制定应急预案:针对常见异常情况,制定相应的应急预案,确保设备在出现问题时能够及时得到处理。
三、设备维护管理3.1 定期维护保养:设备需要定期进行保养和维护,如清洗滤网、更换滤芯等,确保设备正常运行。
3.2 设备检修计划:制定设备检修计划,包括定期检修和大修计划,确保设备长期稳定运行。
3.3 配备专业人员:保证设备维护保养工作由专业人员进行,提高设备运行效率和寿命。
四、数据分析和优化4.1 分析运行数据:对运行台账中的数据进行分析,找出设备运行中存在的问题和改进的空间。
4.2 优化设备运行参数:根据数据分析结果,对设备运行参数进行调整优化,提高设备运行效率。
4.3 定期评估设备性能:定期对设备性能进行评估,发现问题并及时进行调整和改进。
五、信息共享和管理5.1 定期汇总报告:定期对设备运行台账进行汇总报告,向相关管理人员和决策者进行汇报,确保设备运行情况得到关注。
5.2 建立信息共享平台:建立设备运行信息共享平台,方便不同部门之间的信息交流和共享,提高管理效率。
污水处理设施运行记录台账目录1. 污水处理设施概况2. 运行记录操作人员信息设备运行情况记录处理效果记录3. 维护记录设备维护情况记录故障处理记录4. 与建议1. 污水处理设施概况污水处理设施位于市区街道,总占地面积X平方米。
设施主要包括进水管道、格栅、沉砂池、曝气池、沉淀池、尾水池等。
经过运行试验,该设施设计处理能力为每天处理吨废水,并能达到级排放标准。
2. 运行记录2.1 操作人员信息操作人员:姓名、工号2.2 设备运行情况记录进水管道:进水量:每小时X吨进水水质:COD为Xmg/L,BOD为Xmg/L,SS为Xmg/L 格栅:运行状态:正常/异常清理时间:每X小时/日清理一次沉砂池:沉砂效果:良好/一般/较差清理时间:每X天/周清理一次曝气池:曝气效果:良好/一般/较差清理时间:每X天/周清理一次沉淀池:沉淀效果:良好/一般/较差出水水质:COD为Xmg/L,BOD为Xmg/L,SS为Xmg/L尾水池:尾水排放情况:达标/不达标排放量:每天X吨2.3 处理效果记录每天对处理后的水样进行COD、BOD、SS等指标的测试,并记录结果。
3. 维护记录3.1 设备维护情况记录每次维护都要记录维护的日期、维护人员信息、维护情况以及存在的问题。
3.2 故障处理记录如果设备出现故障,需要记录故障发生的日期、故障类型、处理方法以及修复结果。
4. 与建议根据运行记录和处理效果分析,对污水处理设施运行情况进行,并提出改进建议。
根据设备维护记录和故障处理记录,设备的维护情况和存在的问题,并提出解决方案。
以上为污水处理设施运行记录台账,供参考使用。
废水处理设施运行台账
污水处理设施运行台账
日期:二一年月
工段名称:收集池、芬顿氧化、中和沉淀、调节池、水解、酸化、接触氧化、二沉池、排放池
设备名称:各工段设备
运行情况:开机时间、关机时间、操作人员
药剂名称:各工段使用药剂
投加情况:投放时间、投放量、药剂名称、操作人员
监测指标:各工段pH、盐分、色度、COD、氨氮、总磷、特征污染因子1、特征污染因子2
水质情况:各工段水质情况
取样人:化验员
备注:水量(m3)
污水站污泥清运台账
日期:二一年月
固废名称:固体、液体、半固体
产生量:固态、液半固
储存量:公斤
收集方式:袋装、桶装或散装
转移时间:转移量、转移方式、转移单位、联单及转移凭证、接收人或转移人签字
备注:各项备注信息。
废水处理设施运行台账
灌云县临港产业园区企业
企业名称,
使用日期: 二 0 0 年月
灌云县环境保护局临港产业区分局制
环境污染防治设施操作人员岗位责任制度
为明确污染防治设施操作人员岗位责任~加强企业污染防治设施的运行管理~充分发挥其效益~保护环境~控制污染~特制定污染防治设施操作人员岗位责任制度。
一、积极参加培训、持证上岗。
污染防治设施操作人员应积极参加各级环境保护行政主管部门和劳动部门组织的相关业务培训~持证上岗。
二、了解污染防治设施管理规定。
污染防治设施操作人员应认真学习国家和地方有关环境保护法律、法规、规章、标准及规定~特别是必须了解有关污染防治设施管理的规定。
三、熟悉污染防治设施操作技能。
污染防治设施操作人员必须熟悉自己操作的污染防治设施运行的处理原理、工艺流程和涉及的药剂、动力、配件~掌握药剂的投放工段、投放时间、投放种类、投放数量以及与动力的配合和滞留时间~掌握易损配件的购买地点、更换方法并根据更换频次提出库存量的建议。
四、遵守污染防治设施操作规程。
污染防治设施操作人员应严格遵守污染防治设施操作规程~按照规程在规定的工段、规定的时间、投放规定种类和数量的药剂~并按照规程开启规定的动力和保证足够的滞留时间~不得偷工减料~确保污染防治设施操作运行取得预期的效果。
五、及时发现污染防治运行隐患。
污染防治设施操作人员应该及时向药剂、配件供应部门提出库存量的建议和向动力管理部门提出的动力维修的建议~及时向药剂、配件供应部门了解库存量和向动力管理部门了解动力维修安排~发现不能保障污染防治设施正常运行的隐患~应该及时按照企业规定向分管领导或者法定代表人报告
六、加强污染防治设施运行效果监控。
污染防治设施运行过程中要加强运行效果检查~发现异常情况~应及时查找原因~及时解决~自身解决不了的应及时按照企业规定向分管领导或者主要负责人报告,安装在线监控装臵的污染防治设施的操作人员还应及时向污染防治设施运行效果监测部门或人员了解污染防治设施运行效果监测数据~并如实记入污染防治设施运行台账,承担污染防治设施运行效果监测数据上传的污染防治设施操作人员~还应按照环境保护行政主管部门的规定及时上传监测数据。
七、建立污染防治设施运行台账。
污染防治设施操作人员应认真建立包括污染防治设施名称、药剂投放时间、种类、数量、动力使用、易损配件更换及运行效果等内容的污染防治设施运行台账~班班都应有记录并保证记录完整、准确~污染防治设施因故停运的也要实事求是的注明原因~不得弄虚作假。
八、配合环境监督管理部门现场检查。
在县级以上人民政府环境保护行政主管部门或者其他依照法律规定行使环境监督管理权的部门的现场检查时~应如实反映情况~提供必要的资料。
九、履行环境保护的其他职责和义务。
履行个人保护环境的义务~有勇气行使对污染和破坏环境的单位和个人进行检举和控告的权力。
污染防治设施操作人员不熟悉污染防治设施操作技能~不遵守污染防治设施操作规程~不按规定及时报告污染防治设施不能正常运行的隐患~不认真监控污染防治设施运行效果~导致污染防治设施运行不正常、故障未能及时修复甚至损坏致使
企业相关污染物不能达标排放的~不建立污染防治设施运行台账~伪造记录、数据或在环境监督管理部门现场检查时弄虚作假的~视情节轻重~分别给予警告、经济处罚或者予以调离岗位只至解雇。
废水处理设施基本情况一览表
法定代表人联系电话单位名称
废水处理投资额设计处理能力
设施名称 (万元) (吨/日)
联系人联系电话设计单位
联系人联系电话施工单位
废水处理
工艺流程
(图示)
废水处理
设施
操作规程
运行台帐说明:1、设施状况记录废水处理设施完好情况~包括动力供应出现问题~配件损坏应该如实记录,
2、进水量、出水量填写当日废水处理设施进、出的水量,
3、进水水质、出水水质填写进、出水主要污染指标的实测数据~如:COD1000~没有实测条件的单位~操作人可以根据感官情
况填写正常和不正常,不正常应有进一步的描述~如废水颜色深或浅,。
4、动力开启情况上栏填写废水处理设施运行所需动力名称~如××工段电机(水泵),下栏填写运行时间~如5小时。
5、药剂投放情况上栏填写废水处理设施运行所需药剂名称~如石灰,下栏填写药剂投加量~如:20
6、设施运行隐患报告填写隐患描述和负责人及意见~隐患描述如设施需要维修、药剂配件库存不足等~负责人及意见如张总、
立即维修。
废水处理设施运行台账
年月日
COD 取样人: 排放池 COD 取样收集池进水水出水水排放量人: PH PH 进水量质(毫质(毫(吨) 其他其他 (吨) 克/升) 克/升)
开机关机开机关机存在问题:
设施名称设施名称时间时间时间时间
设施运
行情况
药剂名称
药剂投投放时间
放量
投放数量 (千克)
投放人员
早7:00数值从 : 开始到 : 结束流量打水时间
计运
晚19:00数值检测时间数值备注: COD运行行情
况早晚数值差情况。