恒大集团装修材料检测方案
- 格式:doc
- 大小:93.00 KB
- 文档页数:6
恒大精装修标准恒大精装修标准是指在恒大地产开发的住宅项目中,所采用的装修标准。
恒大地产作为国内知名的房地产开发商,一直以来都以高品质、高标准的产品著称,其精装修标准更是备受业内外关注。
首先,恒大精装修标准在材料选择上非常讲究。
无论是地板、墙面、天花板,还是厨卫用具、门窗等,都采用了优质的材料。
地板选用实木地板或者优质复合地板,墙面采用环保涂料,天花板则使用吊顶材料,保证了整个空间的质感和舒适度。
厨房和卫生间的用具也都是知名品牌,保证了使用的安全和耐久性。
其次,恒大精装修标准在装修工艺上也非常注重细节。
从水电布线到墙面粉刷,从家具安装到灯具搭配,每一个环节都精益求精。
恒大地产注重每一个细节,力求将每一处空间都打造得完美无瑕,为业主营造一个舒适、温馨的家居环境。
另外,恒大精装修标准还注重装修风格的个性化。
在保证整体品质的前提下,恒大地产充分考虑到不同业主的喜好和需求,提供了多样化的装修风格选择。
无论是简约现代、欧式古典,还是田园混搭,都能够满足业主的不同审美追求。
最后,恒大精装修标准在售后服务上也非常到位。
恒大地产拥有专业的售后团队,能够及时响应业主的需求,解决装修中出现的各种问题。
无论是材料质量问题,还是施工细节上的疑问,恒大地产都能够给予及时、有效的解决方案。
总的来说,恒大精装修标准不仅仅是对产品品质的保证,更是对业主居住体验的关注。
恒大地产以其高标准、高品质的装修标准,为业主提供了一个舒适、温馨的家居环境,成为了业主心目中的理想居所。
装饰工程材料试验计划方案一、业主名称:某某装饰工程有限公司二、项目名称:XXX装饰工程三、项目地点:某某市四、项目概况:本项目为某某市新建居民楼装饰工程,总建筑面积约为10000平方米,包括公共空间和私人住宅。
本次试验计划针对装饰材料进行性能测试,以保证装饰材料的质量和安全性,确保装饰工程的施工质量和工程的长期运行维护。
五、试验目的:1. 确保装饰材料的质量和安全性,符合国家和相关行业标准。
2. 提前发现装饰材料的缺陷和问题,进行及时处理和改进,避免后期施工和运行维护中出现质量问题。
3. 为业主提供可靠的装饰材料选择依据,提高装饰工程的整体质量和安全水平。
六、试验内容和方法:1. 试验范围:(1)涂料类材料:包括内墙涂料、外墙涂料、木器表面涂料等。
(2)地板材料:包括实木地板、复合地板、弹性地板、地板砖等。
(3)瓷砖材料:包括墙砖、地砖、装饰砖等。
(4)装饰板材:包括吊顶板、墙面板、门窗板等。
(5)其他装饰材料:包括壁纸、玻璃、金属装饰件等。
2. 试验方法:(1)化学成分分析:对涂料类材料进行成分分析,确认其是否符合国家标准的有关要求。
(2)耐久性能测试:对地板材料、瓷砖材料等进行耐磨、耐刮、耐水、耐酸碱等性能测试。
(3)装饰效果评估:对墙面板、壁纸等进行装饰效果评估,包括颜色牢度、手感舒适度等方面的测试。
(4)燃烧性能检测:对装饰材料进行燃烧性能测试,确保其符合国家的防火要求。
(5)环保性能测试:对装饰材料进行甲醛释放、挥发性有机物排放等环保性能测试,确保其对居民健康无害。
(6)其他测试:根据具体装饰材料的特点和要求,进行其他相关的测试。
七、试验计划:1. 确定试验目标和范围,确定试验项目和方法。
2. 选择具有资质和信誉的实验室,确定试验计划和具体执行方案。
3. 按照试验要求,采集装饰材料样品,定期送样品到实验室进行测试。
4. 监督实验室工作人员进行试验,确保试验结果的准确性和可靠性。
5. 根据试验结果,及时对装饰材料的选择和使用进行评估和调整。
项目承接查验管理办法-承接检查验收标准-现场查验标准(参考)说明:1、本标准的制定原则:集团确定的标准为国标、企标最低通用级标准;区域地产、物业应在集团级标准基础上深化确定本区域标
准;城市/片区级地产、物业应根据当地法律法规及地方标准确定本城市/片区的查验标准;
2、本标准的分级管控,查验过程中发现的问题,对应不同标准等级Ⅰ级、Ⅱ级、Ⅲ级,分别对应集团级、区域级、城市/片区级,按照
承接查验管理制度对应不同处理跟进等级,提升决策推进效率;。
恒大集团工程质量监察细则恒大地产集团产品质量监察细则一、±以下施工阶段(一)基础施工1、监察规划局提供定位放线基准点工程部是否复核并做好保护措施。
2、监察基坑(槽)是否按照设计及规范要求进行验槽。
3、监察桩基础施工是否旁站监理。
4、监察进场钢筋、水泥品牌、品种、规格是否符合合同及设计要求。
5、监察预制桩品牌、出厂合格证、养护期是否符合合同、设计及规范要求。
6、监察基坑是否泡水。
7、监察送桩是否用送桩器、接头是否符合设计及规范要求。
8、监察桩桩位、轴线是否符合设计及规范要求。
9、监察监理工程师是否对每根灌注桩、锚杆质量进行控制。
10、监察挖孔桩预留钢筋的锚固长度是否符合设计及规范要求。
11、监察桩钢筋笼是否按设计要求施工。
12、监察浇筑混凝土后的桩顶标高及浮浆的处理是否符合设计及规范要求。
13、监察桩检测方式是否符合国家规范和政府要求。
14、监察桩体质量检验报告和单桩承载力的检验报告。
(二)基坑支护1、监察基坑监控是否委托有资质单位进行监测。
2、监察基坑支护是否按审批施工方案施工。
3、监察深基坑支护的专家论证方案是否经过审批。
4、监察喷锚支护工程是否有偷工减料行为。
5、监察深基坑支护结构的位移监测记录。
6、监察基坑开挖至设计标高后的验槽(坑)记录。
7、监察锚杆及土钉墙支护工程施工质量控制情况。
(三)地下室施工1、监察防水材料品种、规格、技术参数是否符合合同、设计及样板要求。
2、监察防水是否按设计及规范施工。
3、监察变形缝、预埋管件、阴阳角等部位的细部处理、防水保护层做法是否按设计及规范施工。
4、监察地下室穿外墙的防水套管、带止水环的对拉螺杆及钢筋是否符合规范要求。
5、监察混凝土抗渗标号是否符合设计要求。
6、监察后浇带施工是否符合规范及设计要求。
7、监察施工缝是否符合设计要求。
8、监察地下室底板外防水层搭接长度、水电管边防水处理是否严格按规范施工,底板钢筋绑扎时严禁破坏防水层。
9、监察回填土是否按规范及图纸施工。
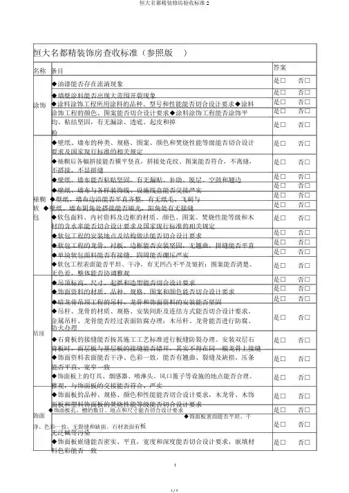
恒大名都精装饰房查收标准(参照版)名称条目◆油漆能否存在流淌现象◆墙壁涂料能否出现大范围开裂现象涂饰◆涂料涂饰工程所用涂料的品种、型号和性能能否切合设计要求◆涂料涂饰工程的颜色、图案能否切合设计要求◆涂料涂饰工程能否涂饰平均、粘结坚固,有无漏涂、透底、起皮和掉粉◆壁纸、墙布的种类、规格、图案、颜色和焚烧性能等级能否切合设计要求及国家现行标准的相关规定◆裱糊后各幅拼接能否横平竖直,拼接处花纹、图案能否符合,不离缝,不搭接,不显拼缝◆壁纸、墙布能否粘贴坚固,有无漏贴、补助、脱层、空鼓和翘边◆壁纸、墙布与各样装饰线、设施线盒能否交接严实裱糊◆壁纸、墙布边沿能否平直齐整,有无纸毛、飞刺与软◆壁纸、墙布阴角处搭接能否顺光,阳角处有无接缝包◆软包面料、内衬资料及边框的材质、颜色、图案、焚烧性能等级和木材的含水率能否切合设计要求及国家现行标准的相关规定◆软包工程的安装地点及结构做法能否切合设计要求◆软包工程的龙骨、衬板、边框能否安装坚固,无翘曲,拼缝能否平直◆单块软包面料能否有接缝,四周能否绷压严实◆软包工程表面能否平坦、干净,有无凹凸不平及皱折;图案能否清楚、无色差,整体能否协调雅观◆吊顶标高、尺寸、起拱和造型能否切合设计要求◆饰面资料的材质、品种、规格、图案和颜色能否切合设计要求◆暗龙骨吊顶工程的吊杆、龙骨和饰面资料的安装能否坚固◆吊杆、龙骨的材质、规格、安装间距及连结方式能否切合设计要求。
金属吊杆、龙骨能否经过表面防腐办理;木吊杆、龙骨能否进行防腐、防火办理吊顶◆石膏板的接缝能否按其施工工艺标准进行板缝防裂办理。
安装双层石膏板时,面层板与基层板的接缝能否错开,其实不得在同一根龙骨上接缝◆饰面资料表面能否干净、色彩一致,能否有翘曲、裂缝及缺损。
压条能否平直、宽窄一致◆饰面板上的灯具、烟感器、喷淋头、风口篦子等设施的地点能否合理、雅观,与饰面板的交接能否符合、严实◆饰面板的品种、规格、颜色和性能能否切合设计要求,木龙骨、木饰面板和塑料饰面板的焚烧性能等级能否切合设计要求饰面◆饰面板孔、槽的数目、地点和尺寸能否切合设计要求◆饰面板表面能否平坦、干净、色彩一致,无裂缝和缺损。
装修工程材料送检方案一、背景随着城市化进程的不断加快,人们对居住环境的要求也越来越高。
装修工程作为改善居住环境的重要手段,对于装修工程材料的质量要求也越来越严格。
为了保证装修工程材料的质量和安全性,必须对装修工程材料进行送检,以确保其符合国家相关标准和规定。
因此,制定一套科学的装修工程材料送检方案十分必要。
二、送检的装修工程材料1、地板材料:包括地板砖、实木地板、强化地板等。
2、墙面材料:包括涂料、壁纸、墙砖等。
3、天花板材料:包括吊顶板、灯饰等。
4、管道材料:包括水管、电线、排水管道等。
5、门窗材料:包括门窗框、玻璃、五金配件等。
三、送检的标准1、装修工程材料的性能标准:包括强度、阻燃性、耐候性等。
2、装修工程材料的安全标准:包括对人体有无伤害、有无放射性等。
3、装修工程材料的环保标准:包括甲醛释放量、苯系物含量等。
四、送检的主要内容1、外观检查:主要检查装修工程材料的表面是否平整、色泽是否鲜艳、无裂纹、无气泡等。
2、尺寸检查:主要检查装修工程材料的尺寸是否准确、是否符合设计要求。
3、性能检查:主要检查装修工程材料的强度、耐磨性、耐候性等性能是否符合国家相关标准。
4、安全检查:主要检查装修工程材料的安全性能,包括是否对人体有害、有无放射性等。
5、环保检查:主要检查装修工程材料的环保性能,包括甲醛释放量、苯系物含量等是否符合国家相关标准。
五、送检的主要流程1、选择送检机构。
根据装修工程材料的特点和要求,选择有资质、正规的送检机构进行送检。
2、准备送检样品。
按照送检机构的要求,准备好送检样品,并做好标识。
3、填写送检申请表。
填写送检申请表格,详细描述送检材料的名称、规格、数量等信息。
4、委托送检。
将送检样品和送检申请表格一并提交给送检机构,并委托送检。
5、送检报告。
送检机构在收到送检样品后,进行检测分析,并出具送检报告。
六、送检的注意事项1、送检样品的准备:送检样品必须是符合国家相关标准的正规产品,不能使用劣质假冒伪劣产品进行送检。
恒大地产集团工程质量管理操作办法第一节总则第一条质量检查分为:日常抽检、节点检查和专项检查。
第二条质量检查依据:现行国家及地方或行业规范标准,有效的设计资料、工程合同及相关补充协议,批准的监理规划、监理细则、施工组织设计、施工方案及各种专项方案。
第二节质量检查标准第三条日常抽检标准:每月要求对工程、材料、设备检查不少于2000点,按楼盘项目均衡分布。
检查点数分布依据:各楼盘的点数=该盘工程项目数量占公司在建总项目数量的百分比×2000。
第四条日常抽检必须有针对性地确定检查内容和检查重点,并按子分部工程、分项分类要求,制定检查计划。
检查部位必须随机选定,并按工程进度所涉及的分项均衡分布,以使检查结果趋向正态分布,减少主观影响。
第五条节点检查是对各项目工程重要实体质量的必检内容,按各专业质量节点内容对关键工序、重要部位的质量进行重点抽查。
节点检查贯穿于日常检查过程中。
节点检查内容详见附件一。
第六条专项检查是对影响工程实体安全、使用功能及观感较大的重点部位进行检查以及公司指派的专项调查。
第三节质量检查办法第七条在质量检查过程中,质量监督部按照发现质量问题的严重程度,分别采取下发《恒大地产集团质量安全问题整改通知单》(附件二)、《恒大地产集团质量安全问题整改函》(附件三)、《恒大地产集团质量问题砸掉返工通知单》(附件四)等形式进行处理,对于重大质量问题、事故,必须及时形成专题报告上报集团公司领导。
第八条质量工程师在发现质量问题后,应当时下发《恒大地产集团质量安全问题整改通知单》,经现场责任工程师确认归档,并在整改期限内对整改情况进行复查;对于比较重要的质量问题在现场签发《恒大地产集团质量安全问题整改通知单》后,还需另外正式下发《恒大地产集团质量安全问题整改函》并抄送公司相关部门和抄报公司领导。
第九条质量工程师在发现需砸掉返工的质量问题后,应现场签发《恒大地产集团质量问题砸掉返工通知单》,并由责任工程师签字确认后,对不合格项实体进行现场砸掉或返工处理,需砸掉的不合格实体,由保安负责实施,返工完成后,工程部需通知质量监督部进行复查;对于重大质量问题或质量事故,质量监督部应及时上报集团公司领导,经集团公司研究后处理。
装饰工程质量检测验收测试方案一、方案背景和目标随着现代社会的发展,装饰工程在人们的生活中扮演着越来越重要的角色。
为确保装饰工程质量,进行质量检测验收十分必要。
本测试方案旨在确保装饰工程的质量,提供可靠的验收评估结果。
二、测试对象本测试方案适用于所有类型的装饰工程,包括住宅,商业和工业装修项目。
三、测试内容1.施工质量检测:检查施工工艺和技术要求是否符合相关标准。
包括结构安全性,电力线路安全性,墙面和地面平整度等。
2.材料质量检测:对使用的材料进行检测,确保材料符合相关标准要求。
包括材料强度、防火性能、环保指标等。
3.防水检测:对装修工程中的防水工作进行检测,确保防水层的质量和可靠性。
4.涂料检测:对墙面和木制品的涂料进行检测,包括附着力、耐磨性和抗污性等。
5.安全设施检测:检查装修工程中的安全设施,包括疏散通道、应急照明、消防设施等是否符合相关标准。
6.环保检测:对装修工程中的环保情况进行检测,包括甲醛含量、空气质量、噪音等。
1.目视检查:通过目视检查施工工艺和材料的质量,如墙面平整度、抹灰层厚度等。
2.仪器检测:使用专业测试仪器对涂料附着力、墙面平整度、环境空气质量等进行检测。
3.物理实验:对材料的强度、防火性能等进行物理实验。
4.取样测试:对涂料和材料进行取样,送到实验室进行抗污性、甲醛含量等测试。
五、测试人员和时间1.测试人员:测试人员应为具备相关专业知识和经验的工程质量检测人员。
2.测试时间:测试应在装修工程完成之后进行,确保测试结果准确有效。
六、测试评估标准1.施工质量检测:参考国家相关标准和行业规定,评估施工工艺和技术。
2.材料质量检测:参考国家相关标准和行业规定,评估材料的质量。
3.防水检测:参考国家相关标准和行业规定,评估防水层的性能。
4.涂料检测:参考国家相关标准和行业规定,评估涂料的性能。
5.安全设施检测:参考国家相关标准和行业规定,评估安全设施是否满足要求。
6.环保检测:参考国家相关标准和行业规定,评估装修工程的环保情况。
恒大精装修标准恒大地产一直以来都坚持着“精工细作,品质至上”的理念,对于精装修标准更是严格要求,力求为业主打造一个舒适、安全、时尚的居住环境。
恒大精装修标准不仅仅是简单的装饰,更是对品质、舒适度和环保的全面考量。
下面就让我们来详细了解一下恒大精装修标准的具体内容。
首先,恒大精装修标准在材料选择上非常讲究,采用的材料均符合国家环保标准,保证业主的居住环境健康和舒适。
在地板方面,恒大地产选择的地板材料具有防水、防潮、耐磨的特点,同时还具备一定的隔音效果,有效提升了居住的舒适度。
在墙面装饰方面,恒大地产采用的涂料和壁纸均为环保型材料,无毒无味,色彩鲜艳持久,为业主打造一个健康、时尚的居住空间。
其次,在家具配备方面,恒大地产也是精心挑选,力求为业主提供高品质的家居生活。
厨房、卫生间和客厅等主要空间均配备了高品质的家具和电器,不仅美观实用,而且功能齐全,满足了业主的各种生活需求。
同时,恒大地产还提供了个性化的定制服务,让业主可以根据自己的喜好和需求进行家具的选择和搭配,打造出独具个性的居住空间。
除此之外,恒大精装修标准还注重细节处理,从灯具、窗帘到装饰画等小物件的选择都经过精心挑选,力求为业主营造一个温馨、舒适的居住环境。
同时,在室内空间的设计上,恒大地产注重采光和通风,打造宽敞明亮的居住空间,让业主可以尽情享受家的温馨和舒适。
总的来说,恒大精装修标准不仅仅是对房屋进行简单的装饰,更是对品质、舒适度和环保的全面考量。
恒大地产一直以来都致力于为业主打造一个高品质、舒适、时尚的居住环境,精装修标准更是体现了恒大地产对品质和服务的执着追求。
相信通过恒大精装修标准的打造,业主们定能享受到高品质的居住体验。
室内装修工程质量监测方案一、引言室内装修工程是房屋整体面貌的重要组成部分,装修工程质量的好坏直接关系到房屋使用的舒适度和安全性。
因此在装修施工过程中,质量监测是非常重要的环节。
本文将从室内装修工程的监测目的、监测内容、监测方法、监测周期等方面提出一套完整的室内装修工程质量监测方案。
二、监测目的1. 确保室内装修工程符合相关法律法规和施工标准要求;2. 发现和及时纠正施工过程中的质量缺陷,防止施工质量问题导致的安全隐患;3. 为业主提供一个确保装修工程质量的监测体系,保障业主的权益。
三、监测内容1. 材料和设备的合格证明、检验报告等资料;2. 地面、墙面、天花板平整度和垂直度的监测;3. 墙体、地面的装饰材料的粘结牢固度、抗压强度、防水性等性能的监测;4. 门窗的安装质量、密封性能等的监测;5. 卫生间、厨房的排水系统、给水系统等管道工程的监测;6. 电气设备安装的可靠性、安全性等的监测。
四、监测方法1. 参照国家相关标准进行监测;2. 通过专业质量监理机构进行监测,质量监理机构应当具备相应的资质和技术能力;3. 采用现代化的监测仪器进行实时监测,并记录监测数据;4. 监测过程中需要进行现场实地检查,包括质量监理人员的工程实地检查记录、开箱检查记录等。
五、监测周期1. 材料设备进场前、进场后及阶段性验收时;2. 施工过程中的日常监测;3. 各项工程验收前的最终监测。
六、监测报告1. 质量监测机构在监测结束后应当提供一份工程质量监测报告,报告内容应当包括监测范围、监测数据,监测结果及建议等内容;2. 监测报告应当由监测机构的专业质量监测人员签名确认,并加盖机构公章;3. 监测报告应当及时送达业主,作为工程质量验收的重要依据。
七、责任分工1. 施工单位应当配合监测工作,按照监测机构的要求提供必要的资料、协助监测;2. 监测机构应当严格按照国家相关标准进行监测,并对监测过程和监测数据负责;3. 业主应当对监测报告进行仔细审阅和评估,及时提出问题和意见,确保监测结果的客观性和准确性。
目录第一章住宅室内装修工序间歇及工艺间歇标准 (3)1.1墙面各工序间歇及工艺间歇要求标准................................... .. (3)1.2地面各工序间歇及工艺间歇要求标准 (3)1.3木地板施工基层要求标准 (4)1.4细部处理各工艺间歇要求标准 (4)1.5其它装修施工要求 (4)第二章住宅室内装修工艺流程标准 (5)第三章住宅室内装修施工工艺和质量标准............................. .. (6)3.1场地移交 (6)3.2弹线 (10)3.3电线穿管..................... . (14)3.4卧室地面找平 (15)3.5墙面砖铺装 (17)3.6墙面石材铺装 (23)3.7天花吊顶、石膏线安装 (28)3.8入户门安装 (31)3.9地面砖、石材铺贴 (34)3.10窗台石铺贴 (40)3.11天花墙面扇灰、涂饰乳胶漆 (42)3.12墙面造型制作、安装 (47)3.13橱柜、卫浴安装 (51)3.14户内门安装 (57)3.15木地板安装 (63)3.16墙面玻璃镜面安装 (70)3.17墙面木饰面造型油漆 (70)3.18墙纸贴铺 (73)3.19阳台护栏安装 (77)3.20低窗护栏安装 (78)3.21墙面软包制作安装 (80)3.22灯具、插座开关面板安装 (82)3.23卫生洁具安装 (97)3.24卫浴五金安装 (104)3.25淋浴隔断安装 (105)3.26细部处理 (106)3.27石材镜面处理 (114)3.28卫生清理 (116)恒大地产集团住宅室内装修施工工艺和质量标准(试行)施工工序原则:先上后下、先湿后干、先内后外、先粗后细、先制作后安装。
第一章住宅室内装修工序间歇及工艺间歇标准1.1墙面各工序间歇及工艺间歇要求标准1.2地面各工序间歇及工艺间歇要求标准1、卧室木地板、地毯等基层地面找平完成后,可上人作业间歇时间为不小于48小时。
项目乙供材料环保检测方案
一、检测机构选择:
1、根据辽宁公司统一签订的检测协议,检测机构为:辽宁省产品质量监督检验院(辽
宁省建筑材料监督检验院)。
2、施工单位送到别处检测机构进行检测,检测机构必须具备以下条件:
①检测机构具有相应检测资质;
②通过国家计量认证;
③当地行政主管部门的对外文件;
二、材料见证取样依据;
1、《建筑装饰装修工程质量验收规范》GB50210-2001
2、《建筑玻璃应用技术规程》JGJ113-2003
3、《室内装饰装修材料胶粘剂中有害物质限量》GB 18583-2008
4、《建筑材料放射性核素限量》GB 6566-2010
5、《室内装饰装修材料胶粘剂中有害物质限量》GB 18583-2008
三、乙供材料见证取样及抽样检测方案:
为了预防和控制装饰装修材料产生的室内环境污染,保障业主健康,维护公共利益,根据公司制度及国家有关规定,本工程部特制定了乙供材料见证取样及检测方案。
要求施工单位所选用的建筑材料和装饰装修材料必须符合规范的规定。
1、执行标准:
(1)《建筑装饰装修工程质量验收规范》GB50210-2001
(2)《住宅装饰装修工程施工规范》GB50237-2001
(3)《民用建筑工程室内环境污染控制规范》GB50325-2001
(4)《建筑材料放射性元素限量》GB6566-2010
(5)《室内装饰装修材料粘结剂中有害物质限量》GB18583-2008
2、建筑材料分类
所涉及到的送检材料分别为:防水涂料、胶粘剂、石膏板、砖、石材、内墙腻子、板材、内墙涂料等。
对于上述涉及到的乙供材料类别,要求各施工单位于每月15日前,将下月材料进场计划上报于工程部相应工程师处,各工程师将该材料计划统一汇总于工程部材料计划专员处,由材料计划专员上报至技术部。
3、乙供材料的验收要求
(1)工程所用材料必须有产品合格证、性能检测报告。
生产企业应按照标准要求,在其产品包装或说明书中注明其有害物质水平类别;企业销售产品,应持具有资质的检测机构出具的符合标准规定的产品检验报告;
(2)民用建筑工程所选用的建筑材料和装修材料,进场必须进行复验,复验报告必须符合《民用建筑工程室内环境污染控制规范》和《建筑材料、建筑装饰装修材料有害物质限量》的十项标准;
(3)民用建筑工程验收时,必须进行室内环境污染物浓度的检测,抽检数量不少于代表性房间的5%,如样板间检测合格的,抽检数量可减半,并不得少于3间,检测结果应符合规定。
4、砖类(抛光砖、抛釉砖、瓷片、仿古砖、洁具陶瓷等)、石材放射性指标限量
取样:随机抽取样品两份,每份不少于1kg,一份密封保存,另一份作为检验样品。
测定项目:
(1)内照射指数
(2)外照射指数
建筑材料放射性限量指标
5、石膏板放射性指标限量
取样:随机抽取样品两份,每份不少于1kg,一份密封保存,另一份作为检验样品。
测定项目:
(1)内照射指数
(2)外照射指数
6、人造板及其制品中甲醛释放量的检测
本工程所用人造板材料有:细木工板、胶合板、木饰面、刨花板、纤维板等。
(1)产品标志要求
产品应有产品标志,标明产品名称、产品标准编号、商标,生产企业名称、详细地址,产品原产地、产品规格、型号、等级、甲醛释放限量标识等。
(2)抽样方法及数量
①用穿孔萃取法测定中密度纤维板、高密度纤维板、刨花板、定向刨花板等甲醛释放量和用(9~11L)干燥器法测定胶合板、装饰单板贴面胶合板、细木工板等,试件数量为10块。
②用40L干燥器法测定饰面人造板甲醛释放量时,试样四边用不含甲醛的铝胶带密封,被测表面积为450cm2,密封于乙烯树脂袋中,放置在温度20±1℃的恒温箱中至少1d。
用气候箱法测定饰面人造板甲醛释放量的抽样,在同一地点、同一类别、同一规格的人造板及其制品中随机抽取3份,并立即用铝胶带将样品四边密封。
在生产企业抽取样品时,必须在成品库内标识合格的产品中抽取样品,在经销企业抽取样品时,必须在经销现场或成品库内的产品中抽取样品;在施工或使用现场抽取样品时,必须在同一地点的同一产品中随机抽取。
③试样:表面积为1m2(双面计)。
例如:长1000±2mm,宽500±2mm的1块;或长500±2mm的2块。
有带榫舌的突出部分应去掉,四边用不含甲醛的铝胶带密封。
(3)检验项目
甲醛释放量及样品含水率(含水率按物理方法检验)。
(4)取样方法
在施工或使用现场抽取。
随机抽取同一地点、同一类别、同一规格的人造板及其制品3份,立即用不会释放或吸附甲醛的包装材料将样品密封后待测。
每份样品10块,试件尺寸为:长l=150±2mm,宽b=50±1mm。
(5)人造板及其制品中甲醛释放量试验方法及限量值
人造板及其制品中甲醛释放量试验方法及限量值
注:1、仲裁时采用气候箱法;
2
、E 1可直接用于室内的人造板,E 2必须饰面处理后才允许用于室内的人造板。
(6)判定规则与复验规则
在随机抽取的3 份样品中,任取1份样品按本标准的规定检测甲醛释放量,如测定结果达到本标准的要求,则判定为合格。
如测定结果不符合本标准的要求,则对另外2份样品再进行测定。
如有1份或2份样品不符合规定要求,则判定为不合格。
检验报告的内容应包括产品名称、规格、类别、等级、生产日期、检验依据标准、检验结果和结论及样品含水率。
(7)产品质量验收要求
木门窗工程、木隔墙工程、细部装修工程所使用的人造板及其制品,均应有产品合格证、性能检测报告、进场验收记录和复试报告。
7、涂饰工程涂料中有害物质的检测
本工程所用涂饰材料有:防火涂料、防水涂料。
(1)产品标志要求
按本标准检验合格的产品,应按规定在包装标志上明示,对于由双组分或多组分配套组成的涂料,包装标志上应明确各组分配比,对于施工时需要稀释的涂料,包装标志上应明确稀释比例。
(2)取样数量与方法
样品分为2份,一份密封保存,另一份作为检验用样品。
产品交货时,应记录产品的桶数,按随机取样方法,对同一生产厂生产的相同包装的产品进行取样。
选择适宜的取样器,从桶内不同部位取相同量的样品,混合均匀后,取两份样品,各为0.2~0.4kg分别装入样品容器中,样品容器应留有约5%的空隙,盖严,容器外立即做好标志:包括厂名、样品名称、品种和型号、批号、桶号、生产日期、取样日期和地点及取样人、交货总数。
(3)检验项目
①有机防水涂料:
a、必试项目:固体含量、拉伸强度、断裂延伸率、柔性、不透水性。
b、现场抽样数量:每5t为一验收批。
c、外观质量检验:包装完好无损,且标明涂料名称,生产日期、生产厂家、产品有效期。
②无机防水涂料:
a、必试项目:抗折强度、粘结强度、抗渗性。
b、现场抽样数量:每10t为一验收批。
c、外观质量检验:包装完好无损,且标明涂料名称,生产日期、生产厂家、产品有效期。
8、室内装饰装修材料内墙涂料、胶粘剂中有害物质的检测
本工程装饰装修所用材料有:内墙涂料、墙纸胶粘剂、玻璃胶、发泡胶、密封胶、白乳胶、云石胶等。
(1)一般试验项目
1、总挥发性有机物;
2、苯;
3、甲苯+二甲苯;
4、二氯甲烷;
5、1,2-二氯乙烷;
6、
1,1,2-三氯乙烷;7、三氯乙烷的含量
(2)取样方法
a、室内装饰装修材料内墙涂料:选择适宜的取样器,从容器上部(距液面1/10处),中部(距液面5/10处),下部(距液面9/10处)三个不同水平部位取相同量的样品,进行再混合搅拌均匀后,取两份装入样品容器中,样品容器应留有5%的容隙,盖严并将样品容器外部擦洗干净,做好标志,在封条上签字,一份保存,一份作为检验样品,在同一批产品中随机抽取三份样品,每份不少于0.5kg。
b、室内装饰装修材料粘结剂:在同一批产品中随机抽取三份样品,每份不少于0.5kg。
综上所述,材料见证送检试验必须遵循以下几点:
1、所有的委托单位必须经见证员签字、盖章有效。
2、各类检测经监理见证员取样后,由监理人员同施工单位共同送至检测机构。
3、所有原材料经检验合格后,申报材料使用许可证,并由专业监理工程师批准后,施工单位才能进行使用。