食品包装容器QS审核细则
- 格式:doc
- 大小:122.00 KB
- 文档页数:23
QS审核要求根据QS审核具体要求需按以下的要求进行厂房规划,编写管理体制文件及相应的表格等《食品生产加工企业质量安全监督管理实施细则(试行)》第五章第四十七条“实施食品质量安全市场准入制度的食品,出厂前必须在其包装或者标识上加印(贴)QS标志。
没有QS标志的,不得出厂销售。
”根据《实行生产许可证制度管理的产品目录》,包括食品在内,共有66种工业产品在经营销售时需要印贴QS标志:1 ;人造板2 ;钢筋混凝土用变形钢筋3 ;预应力混凝土用钢丝钢绞线4 冶炼用耐火材料5 ;圆股钢丝绳6 ;轴承钢材7 ;泵8 ;空气压缩机9 ;蓄电池10 ;机动脱粒机11 ;防爆电气12 ;砂轮13 ;内燃机14 ;电线电缆15 ;电焊条16 ;电力整流器17 ;轻小型起重运输设备18 ;卫星电视广播地面接收设备19 ;集成电路(IC)卡及读写机20 ;化肥21 ;农药22 ;橡胶制品23 ;液压防喷器24 ;钻井悬吊工具25 ;电热毯26 ;助力车27 ;香精香料28 ;眼镜29 ;预应力混凝土轨枕30 ;铁路桥预应力混凝土简支梁31 ;港口装卸机械32 ;公路桥梁支座33 ;汽车制动液34 ;特种劳动防护产品35 ;建筑钢管脚手架扣件36 建筑外窗37 ;建筑卷扬机38 ;摩托车头盔39 ;水泥40 ;混凝土输水管41 ;摩擦材料及密封制品42 ;建筑防水卷材43 ;铜管材44 ;铝、钛合金加工产品45 ;广播铁塔46 ;电力线路金具47 ;输电线路铁塔48 ;电力调度通讯设备49 ;水工金属结构50 ;水文仪器51 ;岩土工程仪器52 ;制冷设备53 ;救生设备54 ;抽油设备55 ;燃气器具56 ;饲料粉碎机57 ;人民币伪钞鉴别仪58 ;危险化学品59 ;危险化学品包装物、容器60 ;棉花加工机械61 ;防伪技术产品62 ;无线广播电视发射设备63 ;税控收款机64 ;加工食品65 ;直接接触食品的材料等食品相关产品66 ;化妆品二、企业场所要求四、采购质量控制五、过程质量管理六、产品质量检验备注:表中加“*”表示重点审核项目核查结论分为:“合格(A级)”、“合格(B级)”、“合格(C级)”或者“不合格”。
1、污染物排放许可证、环境影响评价报告批复意见;
2、一次性塑料餐饮具等产品生产企业应使用风淋浴;
3接触产品的人有健康证;
4、可降解材料如果没有国标需要建立企标(那样时间会很长)
5、材质和相应标准
6、丙烯酸无尘墙面漆、丙烯酸地坪漆
7、是否有应急照明设施。
表3 一次性塑料餐饮具生产企业必备的生产设备
2.1.3 一次性塑料餐饮具
注:在一次性塑料餐饮具生产工艺流程中,片材成型非必需工序,可以从片材厂采购。
表1 容器产品生产企业必备的生产设备。
食品用塑料包装、容器、工具等制品生产许可审查细则国家质量监督检验检疫总局二◦◦六年七月目录一、适用范围............................................................................ .1二、食品用塑料包装、容器、工具等制品生产许可企业实地核查办法.................. .3(一)食品用塑料包装、容器、工具等制品生产许可企业实地核查办法使用说明 (3)(二)食品用塑料包装、容器、工具等制品生产许可企业实地核查办法 (3)三、食品用塑料包装、容器、工具等制品各产品单元生产许可审查细则 (10)(一) ............................................................ 非复合膜袋产品生产许可审查细则..10(二) .............................................................. 复合膜袋产品生产许可审查细则..25(三) .................................................................. 片材产品生产许可审查细则..37(四) .......................................................................... 编织袋产品生产许可审查细则........................................................................... ....... (44)(五) .................................................................. 容器产品生产许可审查细则49(六)食品用工具产品生产许可审查细则 (58)、适用范围食品用塑料包装、容器、工具等制品生产许可审查细则适用于包装、盛放食品或者食品添加剂的塑料制品和塑料复合制品;食品或者食品添加剂生产、流通、使用过程中直接接触食品或者食品添加剂的塑料容器、用具、餐具等制品。
包装容器审查细则包装容器审查细则是一个关键性的文档,它规定了包装容器的标准和要求,以确保它们符合国家和国际标准。
任何一个包装容器都要求在生产之前经过严格的审查。
这份细则主要涉及五个方面,它们分别是:一、材料标准包装容器必须使用高质量的原材料,满足国家和国际标准。
包装容器材料必须符合安全要求,具有良好的耐热、耐压和保质期,确保存放期限内不发生任何变化。
包装容器必须在生产过程中使用符合食品包装标准的材料,以确保产品的质量和安全。
二、生产工艺包装容器必须按照良好的生产工艺进行生产。
这确保包装容器在生产过程中不会因为工艺问题而出现质量问题。
生产工艺必须遵循标准化管理流程,包含性能测试、颜色调节、印刷效果、卫生度以及其他质量管理步骤。
三、印刷标准包装容器印刷必须符合印刷品质标准。
在包装产品上的任何文字、图像或者图片都必须清晰可见,不能出现严重的印刷错误或者偏差。
包装容器印刷必须使用保险墨、保险胶以及非有毒、无害的材料,以确保印刷质量和安全性。
包装容器的印刷清晰度、字体、配色必须符合质量管理要求。
四、检测标准包装容器必须经过检测并通过标准正常检测程序。
包括结构强度测量、产品依据质量管理标准的检测计划、机器生产流程中的交叉抽样检测以及出厂前的全品检测。
必须将所有检测信息进行记录,以便当有问题发生时可以追溯到原因。
五、包装标准包装容器必须符合国家和国际标准,并在运输中保持优良的状态。
开箱方便并且使用高强度、防水、防潮以及安全性强的材料。
此外,包装容器还必须在被装载、卸载、堆垛和运输过程中接受检测,以确保包装的稳定性、完整性和持久性。
综上所述,包装容器审查细则是关键性的文档,对于保证包装物品质量和安全性至关重要。
在设计和生产包装容器之前,必须先确定好要求,确保完美的包装设计并高质地完成其生产流程。
通过高品质的包装,我们可以确保生物和化学品质量始终如一,防止出现问题。
食品包装容器审查通则食品包装容器作为食品食品行业的重要组成部分,保障了食品的品质与安全,对于保护消费者利益具有重要的意义。
在我国,食品真实无欺、保障消费者安全的标准已得到了广泛认可,而食品包装容器的质量和安全性也成为了食品安全标准中不可忽视的一部分,这也导致了食品包装容器审查通则的出现。
食品包装容器审查通则是一项对食品包装容器质量和安全性的规范和要求。
其主要目的是建立一个合理的审查机制,保障食品包装容器的质量和安全性。
容器审查者必须了解食品包装容器的相关原材料,并对其质量、安全性、卫生标准及适用性等方面进行全面考虑,确保每个食品包装容器都符合相关的标准和要求。
以下是食品包装容器审查通则的主要要点:1. 容器材料的选择食品包装容器必须选择适宜的原料,这其中包括使用环保材料以及对原料进行严格的审核和检验等。
在额外考虑使用合理的包装容器材料时,还应注意所选择材料的透明度和抗氧化性。
在确保其物理特性的同时,还需确保包装容器所选用的材料符合国家标准和监管规定。
2. 包装容器的设计食品包装容器在设计时应考虑无菌和卫生性能,并便于消费者打开。
此外,任何的突起部分或缝隙应尽可能的最小化,以避免容器表面导致任何外部污染。
3. 包装容器的清洁对于可重复使用的食品包装容器来说,应确保其清洁和消毒措施能够彻底。
在进行产品包装前,容器必须经过彻底的清洗和消毒,以避免残留的污垢和细菌对食品质量的影响。
在清洁过程中,应使用适宜的清洁剂,同时,容器也应彻底干燥,以防末端生锈。
以上是使用容器的技术规范。
4. 包装容器的固定和封闭容器固定和封闭质量是食品卫生安全的一项基本要求。
在封闭包装前,容器和封口均应经过彻底的清洁和消毒。
封闭应使用无毒、无害的材料。
这样可减少外界因素的干扰,保证食品的质量和安全性。
另外,在完成封口工作后,包装容器应立即标明日期、日期和相应批次号码,以便跟踪和识别。
5. 包装容器的运输在运输过程中,应确保包装容器的完整性不受到任何破坏。
食品包装安全环保认证及生产许可(QS)介绍随着人们生活水平的提高,人们对食品安全和包装环保性的要求也越来越高。
生产商必须确保其食品包装在安全、环保的条件下生产。
本文将介绍食品包装安全环保认证以及生产许可(QS)。
食品包装安全环保认证食品包装不能只考虑其产品的市场需求和商业利益,还需考虑到食品本身的安全问题。
食品包装安全环保认证是指产品必须经过严格审查,包括生产过程中使用的材料和化学添加剂,以确保其对人类健康、环境的影响最小化。
1.食品包装安全认证标准我国食品包装的安全标准是“GB 4806.1-GB 4806.9食品接触用材料及制品中的塑料”和“GB 9685-2016 食品接触材料及制品中可使用的添加剂”。
根据这两个标准,食品包装必须通过加热试验、微生物组数试验、传染性病原菌试验、有毒有害物质的检测等,确保所有成分均安全可靠。
2.食品包装环保认证标准食品包装环保认证标准主要指材料的可降解要求和化学成分的控制要求。
目前国际上被广泛应用的绿色环保认证标准包括法国NF环保认证、美国BPI认证、德国自愿纺织品标志认证和意大利OK Compost认证等,它们主要对食品包装进行了材料和环境要求的统一认证。
生产许可(QS)生产许可是国家实施的一项食品安全监管制度,旨在确保食品加工行业的标准化,以最大程度保证消费者的食品安全。
一般来说,申请生产许可需要经历严格的生产工艺审核和卫生标准检查。
1.QS的申请流程(1)提交申请材料。
申请人需要提交企业的资质证明、厂房和设备的证明、联系人员的资料、食品安全管理制度等。
(2)现场查核。
QS的现场检查主要针对企业的环境、设施、生产工艺、物流、质量标准等方面进行检查,对其进行严格的审核。
(3)审核报告。
经过现场审核后,QS机构会向申请人发放审核报告,如果审核合格,则会进行许可证的发放。
2.生产许可证的有效期和管理生产许可证的有效期一般为3年,过期后要进行重新申请。
生产企业需要进行定期的体检、环境监测以及食品安全检测,遵守安全质量标准并经常进行监测。
食品包装安全环保认证及生产许可(Q S)介绍食品包装安全环保认证及生产许可(QS)介绍2007-2-28 作者:董金狮为了贯彻落实《国务院关于进一步加强食品安全工作的决定》,加强对食品安全的监督管理,国家质量监督检验检疫总局令第79号,即《食品生产加工企业质量安全监督管理实施细则(试行)》自2005年9月1日起施行后,食品安全质量有了明显提高。
但是许多问题仍然存在,特别是食品包装存在严重的安全隐患。
从近几年食品包装袋(膜)产品以及一次性快餐餐具质量监督抽查的结果看,包装材料以及印刷油墨的安全卫生性能存在严重问题。
根据国家质检总局2006年的工作部署,国家将加强对食品包装产品的认证认可工作,在2006年内对食品包装产品实施强制性生产许可管理制度,加强对食品包装的监管力度。
一、食品包装认证工作的发展自2004年对食品包装/容器开展中国安全环保产品自愿认证工作以来,全国绿色包装企业纷纷响应政策的号召及行业发展的需求,进行认证的申请审批工作。
2005年4月20日,关于对食品包装/容器开展中国安全环保产品认证工作的会议在北京市环保局召开。
该会议邀请了中标认证中心、国家环保产品质量监督检验中心和北京凯发环保技术中心等相关权威机构的专家出席,就食品包装认证相关问题进行探讨。
2005年5月24日,在北京召开了《食品包装产品认证检验标准实施方案起草专家研讨会》。
会议中,企业代表及行业专家对认证检验标准提出了各自的意见和建议,向国家认监委有关领导反映了一些企业、行业中较为关注的问题,特别是对食品包装容器开展安全环保认证工作后,相关政府部门对未通过认证企业的监管、执法等问题的探讨。
2006年4月,国家质检总局在杭州召开食品用塑料包装容器研讨会,要求加快建设国内食品用塑料包装的检测技术和手段,为相关标准的修订以及食品用塑料包装容器和工具等制品的市场准入做好了技术层面的铺垫。
2006年7月18日,国家质检总局开始实施《食品用包装、容器、工具等制品生产许可通则》和《食品用塑料包装、容器、工具等制品生产许可审查细则》。
食品包装QS认证所需检测项目及方法作者:杭州品享科技有限公司李甫思根据《工业产品生产许可证管理条例》的规定,自9月1日起,质监部门将全面查处未获得食品用纸包装、容器等制品生产许可认证,而在生产、销售或者在使用纸制品的行为。
随着人们对食品安全的日益重视,食品包装印刷中有害物质残留超标问题成为消费者关注的焦点。
人们呼吁,企业在注重生产绿色食品的同时,也应重视包装材料在印刷中的环保问题。
GBT1014-2010 食品包装纸规定了食品包装纸的分类、要求、试验方法、检验规则及标志、包装、运输、贮存。
根据该标准,食品包装纸需要检测的物理指标有:一、定量 grammage:按规定的试验方法,测定纸和纸板单位面积的质量,以克每平方米(g/m²)表示。
测试方法:将五张样品沿纸幅纵向叠成五层,然后用PN-SC100圆形定量取样器取沿横向均匀切取0. 01 m2的试样两叠,共10片试样,用相应分度值的天平称量,试样质量为5g以下的,用分度值0.001g 天平,试样质量为5g以上的,用分度值0.01 g 天平,试样质量为50g 以下的,用分度值0.1 g 天平。
二、. 抗张指数 tensile index:抗张强度除以定量,以牛顿米/克(N.m/g)表示测试方法:用PN-PC15标准切纸刀切取15mm宽的试样,一次切取足够数量的试样,以保证纸和纸板在纵向和横向上,各有10个有效的测定结果。
再用PN-TT300电脑抗张拉力仪进行测试,调节夹头间距为180mm,再将切取好的样品夹在两个夹头之间,调节拉伸速度为(20±5)mm/min,测试好后,把样品的定量输入到仪器里,仪器将自动计算出抗张指数。
PN-TT300电脑抗张试验机配有内置打印机,也可以连接电脑,将数据保存到电脑里。
三、吸水性:Water imbibition:纸张及其制品在水中吸收水的性能,以克/平方米(g/m²)表示,不适用于定量低于50g/m²,施胶度较低或有较多针孔的原纸和压花纸,不适用于未施胶的纸盒纸板。
食品用纸包装容器等制品生产许可审查细则1. 引言食品用纸包装容器等制品是食品行业不可或缺的重要环节,对食品的保鲜、包装和运输起着至关重要的作用。
为了保证食品安全和质量,对食品用纸包装容器等制品的生产必须进行审查和许可。
本文档旨在规范食品用纸包装容器等制品生产许可审查细则,确保食品行业的合法生产与持续发展。
2. 申请资格2.1 生产企业必须具备独立法人资格,符合国家相关法律法规的规定。
2.2 生产企业应具备相关的生产设备、生产工艺和技术人员,并具备一定的生产规模和能力。
2.3 生产企业应具备相应的质量管理体系和检测设施,确保产品的质量和安全。
3. 申请材料3.1 申请书:申请人应填写申请书,包括企业基本信息、申请的许可类别和范围等内容。
3.2 企业法人营业执照复印件:申请人需提供企业法人营业执照的复印件作为申请材料。
3.3 原料供应商的相关证明文件:申请人需提供原料供应商的合格供货证明文件,以确保使用的原料符合相关安全标准。
3.4 产品工艺流程和质保计划:申请人需提供产品的工艺流程和质保计划,明确产品的生产过程和质量控制措施。
3.5 生产设备和场所照片:申请人需提供生产设备和生产场所的照片,以便审查人员了解生产环境和设备状况。
3.6 其他附加材料:申请人可根据需要提供其他相关证明文件,如环保许可证、消防安全证明等。
4. 审查程序4.1 提交申请:申请人应将完整的申请材料提交给审查机构,包括申请书、相关证明文件等。
4.2 审查初审:审查机构对申请材料进行初步审核,如发现不完整或不符合要求的情况,将要求申请人补充和修改材料。
4.3 现场检查:审查机构将对申请人的生产设备、生产工艺和生产场所进行现场检查,以验证申请材料的真实性和准确性。
4.4 技术评估:审查机构将对申请人提供的产品工艺流程和质保计划进行技术评估,评估产品的质量控制措施是否符合相关标准和要求。
4.5 结果通知:审查机构将根据审查结果,向申请人发出许可审查结果通知,通知中包括许可或不许可的决定,并解释相关原因和依据。
塑料瓶等包装制品QS审核细则【内容提要】运输物料人员不得进入生产区, 生产区工作人员不得从物流通道进出。
直接包装入口食品的包装容器工具等制品生产企业如保鲜膜、复合膜、一次性餐具、饮料瓶或饮水桶等生产企业消毒设施要求: 洗手设施应为感应式或脚踏式, 避免交叉污染; 消毒应做到酒精等消毒。
专业委员会对食品包装材料通则、细则的补充解释序号主题条款号相关条款内容解释( 修改) 内容1《通则》企业提交申请材料3.1.2条补充: 企业机构代码证书复印件、经备案的企业标准。
23.1.2.2营业执照复印件允许食品生产企业申请食品用塑料包装容器工具等制品生产许可证时, 其营业执照经营范围只覆盖所生产的食品, 对自产自用的食品用塑料包装容器工具等制品不作要求。
33.1.2.3当地环境保护部门核发的符合要求的证明文件。
放宽对环保证明的要求, 以下几种均能够: ( 1) 环保部门在环评报告基础上作的对企业建设项目的审批意见和建厂后的验收意见; ( 2) 排污许可证和噪声复合要求的证明; ( 3) 环境监测报告。
43.1.2.7产品型式检验报告。
( 1) 型式检验报告可由企业自行完成也可委托有资质的检验机构完成, 但必须是同一批次产品, 即所有项目在一份报告书中体现。
( 2) 如果企业在核查现场不能提供型式检验报告, 核查组继续实地核查工作, 但企业应在规定时间内提交型式检验报告, 否则视为上报材料不全。
53.1.2.8产品使用说明书或产品标签。
企业能够根据自己产品的特点, 必须说明影响人身健康和安全的内容, 其它一目了然的内容能够简化, 可是不得因其说明书或标签的简化而对用户造成不便或伤害。
63.2.2企业试生产的产品必须经国家质检总局指定的检验机构依据相应的产品细则规定批批检验。
由总局指定的8家发证检验机构对出厂检验项目进行批批检验。
”企业试生产的产品”包括新建企业的产品和获证企业增项的产品。
7企业不具备关键控制检验项目检验能力的, 应当每3个月送国家质检总局指定的检验机构进行检验。
食品包装材料容器工具等制品审核细则随着人们生活水平的提高,对食品的需求也越来越高,而食品包装材料、容器工具等制品也随之广泛应用。
然而,这些制品的质量与安全问题也日益受到人们的关注。
为保障消费者的健康与安全,食品包装材料、容器工具等制品的审核细则也变得格外重要。
一、食品包装材料的审核细则1. 材料情况食品包装材料的材料情况必须符合国家相关标准,包括塑料、纸张、金属等不同种类的材料。
同时,这些材料的生产厂家也必须符合国家标准,符合相关资质与认证要求。
2. 抗菌性能有些食品包装材料需要具备一定的抗菌性能,以防止食品在包装过程中受到污染。
这种情况下,需要对材料进行抗菌性能的检测,确保其符合国家相关标准。
3. 包装用途不同种类的食品需要使用不同种类的包装材料,包装材料需要符合具体的包装用途。
例如,高温油炸食品需要使用能承受高温的包装材料,而易碎性小的食品需要使用较为坚固的包装材料。
4. 食品接触性食品包装材料直接与食品接触,必须保证没有对食品造成危害的物质残留。
这个要求对一些高含草酸盐、苯等物质的塑料类包装材料要求更为严格。
二、容器工具的审核细则1. 容器工具材质容器工具的材质必须符合国家相关标准,包括塑料、金属、陶瓷等不同种类的材质。
同时,这些材料的生产厂家也必须符合国家标准,符合相关资质与认证要求。
2. 尺寸大小容器工具需要符合其具体的使用目的和容积大小,例如,存储酱菜的玻璃瓶需要选择适当大小的瓶子,以保证酱菜的质量。
同时,尺寸大小也需要符合国家相关标准。
3. 容器工具安全性容器工具使用过程中需要保证其安全性,如玻璃瓶需要防止碎裂,金属勺需要防止铁锈。
此外,容器工具还需要具备一定的抗腐蚀性能和耐高温性能,以保证使用寿命。
4. 清洁卫生容器工具具有容易藏污纳垢的特点,使用前后需要彻底清洗、消毒,以防止污染食品。
三、其他制品的审核细则1. 保鲜袋保鲜袋必须具备一定的抗渗漏性能,不得使用对食品有害的物质作为原料。
食品包装容器(瓶)生产许可审查细则(五)容器产品生产许可审查细则1. 发证产品范围本审查细则适用于聚酯(PET)无汽饮料瓶、聚对苯二甲酸乙二醇酯(PET)碳酸饮料瓶、热罐装用聚对苯二甲酸乙二醇酯(PET)瓶、聚碳酸酯(PC)饮用水罐、聚乙烯吹塑桶、软塑折叠包装容器、塑料防盗瓶盖、塑料奶瓶、塑料饮水杯(壶)、塑料瓶坯等。
尚未纳入本审查细则的其它容器产品,增补时另行规定。
2. 基本生产流程及关键工艺控制申证企业应制定生产流程,并制订相应的程序文件。
2.1 基本生产流程注:对购置半成品加工成品的企业,仅制定本企业满足生产需要的生产流程和程序文件。
2.2 关键工艺控制企业应对以下关键控制环节制定操作程序: 2.2.1 模具质量及其加工精度。
2.2.2 加工工艺过程中生产设备技术参数的设置,模芯和模腔保证高度同心。
3. 必备的生产设备容器产品生产企业必备的生产设备见表1。
注: 对购置半成品加工制成品的企业,企业应具备相应工序规定的生产设备。
原材料挤出、吹塑或注塑、拉伸、吹塑(一次成型或二次加工)检验包装表1 容器产品生产企业必备的生产设备序号产品品种必备的生产设备1 聚酯(PET)无汽饮料瓶一次成型:注拉吹成型机组二次成型:注塑机、吹瓶机 2 聚对苯二甲酸乙二醇酯(PET)碳酸饮料瓶3 热罐装用聚对苯二甲酸乙二醇酯(PET)瓶 4 聚碳酸酯(PC )饮用水罐挤吹成型机组或注吹成型机组 5 聚乙烯吹塑桶挤吹成型机组 6 软塑折叠包装容器吹塑机组 7 塑料防盗瓶盖注塑机8塑料奶瓶、塑料饮水杯(壶)、塑料瓶坯挤吹成型机组4.产品标准和相关标准表2 产品标准和相关标准序号产品品种产品标准相关标准1聚酯(PET)无汽饮料瓶QB 2357-1998聚酯(PET)无汽饮料瓶GB 13113 食品容器及包装材料用聚对苯二甲酸乙二醇酯成型品卫生标准GB/T 13508-1992 聚乙烯吹塑桶QB/T 1868-2004聚对苯二甲酸乙二醇酯(PET)碳酸饮料瓶2聚对苯二甲酸乙二醇酯(PET)碳酸饮料瓶QB/T 1868-2004聚对苯二甲酸乙二醇酯(PET)碳酸饮料瓶GB13113 食品容器及包装材料用聚对苯二甲酸乙二醇酯成型品卫生标准GB/T2410-1980透明塑料透光率和雾度试验方法GB 2828.1-2003 技术抽样检验程序第1部分:按接受质量限(AQL)检索的逐批检验抽样计划GB/T2918-1998塑料试样状态调节和试验的标准环境 3热罐装用聚对苯二甲酸乙二醇酯(PET)瓶QB/T 2665-2004热罐装用聚对苯二甲酸乙二醇酯(PET)瓶QB/T 1868-2004聚对苯二甲酸乙二醇酯(PET)碳酸饮料瓶GB13113 食品容器及包装材料用聚对苯二甲酸乙二醇酯成型品卫生标准GB /T2918-1998塑料试样状态调节和试验的标准环境4聚碳酸酯(PC )饮用水罐QB 2460-1999 聚碳酸酯(PC )饮用水罐GB 14942-1994 食品容器、包装材料用聚碳酸酯成型品卫生标准GB 2828.1-2003 计数抽样检验程序第1部分:按接收质量限(AQL )检索的逐批检验抽样计划5聚乙烯吹塑桶GB/T 13508-1992 聚乙烯吹塑桶GB 9687 食品包装用聚乙烯成型品卫生标准 GB 2828.1-2003 计数抽样检验程序第1部分:按接收质量限(AQL )检索的逐批检验抽样计划序号产品品种产品标准相关标准6 软塑折叠包装容器BB/T0013-1999 软塑折叠包装容器GB 9687 食品包装用聚乙烯成型品卫生标准GB 4857.4 运输包装件基本实验压力试验方法GB 4857.5 运输包装件基本实验垂直冲击跌落试验方法7 塑料防盗瓶盖GB/T 17876-1999包装容器塑料防盗瓶盖GB/T 2828 逐批检查计数抽样程序及抽样表GB/T 4807 食品用橡胶垫片(圈)卫生标准GB/T 9687 食品包装用聚乙烯成型品卫生标准GB/T 9688 食品包装用聚丙烯成型品卫生标准BB/T0025-2004 30/25mm塑料防盗瓶盖8 塑料奶瓶、塑料饮水杯(壶)、塑料瓶坯GB14942 食品容器及包装材料用聚碳酸酯成型品卫生标准GB13113 食品容器及包装材料用聚对苯二甲酸乙二醇酯成型品卫生标准GB17327-1998食品容器、包装材料用丙烯腈-苯乙烯成型品卫生标准GB/T5009.60-2003 食品包装用聚乙烯、聚苯乙烯、聚丙烯成型品卫生标准的分析方法GB5009.69 食品罐头内壁环氧酚醛涂料卫生标准的分析方法GB13120 食品容器及包装材料用聚酯树脂及其成型品中锑的测定方法GB/T17338 食品包装用苯乙烯-丙烯腈共聚物和橡胶改性的丙烯腈-丁二烯-苯乙烯树脂及其成型品残留丙烯腈单体分析方法经备案的企业标准注:凡是不注日期的标准,其最新版本适用于本细则。
一、适用范围食品用塑料包装、容器、工具等制品生产许可对象包括包装、盛放食品或者食品添加剂的塑料制品及塑料复合制品;食品或者食品添加剂生产、流通、使用过程中直接接触食品或者食品添加剂的塑料容器、用具、餐具等制品。
第一批实施市场准入制度的食品用塑料包装、容器、工具等制品包括有国家标准和行业标准的3类39个产品。
根据生产工艺相同或相近的产品划分成一个产品单元的原则,食品用塑料包装、容器、工具等制品共分为6个产品单元:其中包装类包括4个产品单元:非复合膜袋、复合膜袋、片材、编织袋;容器类包括1个产品单元:容器;工具类包括1个产品单元:食品用工具。
二、申请条件在申请“QS”生产许可证时,相关食品包装生产加工企业必须具备以下条件:1.有营业执照,营业执照的经营范围应当覆盖所申请生产或加工的产品。
2.具有保证产品质量安全的生产设备、工艺装备和相关辅助设备,具有与产品质量安全相适应的原料处理、加工、包装、贮存和检验等厂房或者场所。
3.食品包装生产加工企业生产加工食品所用的原材料、添加剂(含加工助剂)等不得违反规定使用污秽不洁的、回收的、受到污染的原材料或者非食品包装用的原辅料生产加工。
使用的原辅材料属于生产许可证管理的,必须选购获证企业的产品。
4.食品包装生产加工企业必须采取科学、合理的加工工艺流程,生产加工过程应当严格、规范,防止生物性、化学性、物理性污染,防止原料与半成品、成品交叉污染环境、浪费资源的情况。
食品包装生产加工企业必须按照有效的产品标准组织生产。
依据企业标准生产实施食品质量安全市场准入管理食品的,其企业标准必须符合法律法规和相关国家标准、行业标准以及保障人体健康和人身、财产安全的要求,不得降低产品质量安全指标。
5.食品包装生产加工企业必须具有相应的专业技术人员、熟练技术工人、质量管理人员和检验人员。
从事商品包装生产加工的人员必须身体健康、无传染性疾病和影响食品包装质量安全的其他疾病,并持有健康证明。
关于食品生产加工企业现场核查条款的说明核查内容核查记录判定结论一、《食品生产加工企业质量安全监督管理实施细则(试行)》第79号令11、食品生产加工企业必须具备保证产品质量安全的生产设备、工艺装备和相关辅助设备,具有与产品质量安全相适应的原料处理、加工、包装、贮存和检验等厂房或者场所。
生产加工食品需要特殊设备和场所的,应当符合有关法律法规和技术规范规定的条件。
54、食品生产加工企业应当持续地具备保证食品质量安全的必备条件,保证持续稳定地生产合格的食品。
89、食品生产加工企业不能持续保持应当具备的环境条件、卫生要求、厂房场所、设备设施或者检验条件,责令改正,处5千元以下罚款;逾期不改正的,建议有关部门撤销相关行政许可,取得食品生产许可证的企业撤销食品生产许可。
该企业具备糕点生产响应的生产、检验设备设施和场地。
具备必备的条件。
持续保持了必备条件。
12、食品生产加工企业生产加工食品所用的原材料、食品添加剂(含食品加工助剂,下同)等应当符合国家有关规定。
不得违反规定使用过期的、失效的、变质的、污秽不洁的、回收的、受到其他污染的食品原材料或者非食用的原辅料生产加工食品。
使用的原辅料属于生产许可证管理的,必须选购获证企业的产品。
90、食品生产加工企业在生产加工活动中使用未取得生产许可证的产品的,责令改正,处5万元以上20万元以下的罚款;有违法所得的,没收违法所得。
取得食品生产许可证的企业有此且情节严重的,吊销食品生产许可证。
该企业不存在使用污染原材料和非食用原辅料的情况,使用的食品添加剂符合规定。
不存在该情况13、食品生产加工企业必须采用科学、合理的食品加工工艺流程,生产加工过程应当严格、规该企业不存在该情况1范,防止生物性、化学性、物理性污染,防止待加工食品与直接入口食品、原料与半成品、成品交叉污染,食品不得接触有毒有害物品或者其他不洁物品。
该企业提供了有效期内人员健康证明15、……从事食品生产加工的人员必须身体健康、无传染性疾病和影响食品质量安全的其他疾病,并持有健康证明;检验人员必须具备相关产品的检验能力,取得从事食品质量检验的资质。
食品用塑料包装、容器、工具等制品生产许可审查细则国家质量监督检验检疫总局二〇〇六年七月目录一、适用范围 (1)二、食品用塑料包装、容器、工具等制品生产许可企业实地核查办法........................... .3 (一)食品用塑料包装、容器、工具等制品生产许可企业实地核查办法使用说明 (3)(二)食品用塑料包装、容器、工具等制品生产许可企业实地核查办法 (3)三、食品用塑料包装、容器、工具等制品各产品单元生产许可审查细则 (10)(一)非复合膜袋产品生产许可审查细则 (10)(二)复合膜袋产品生产许可审查细则 (25)(三)片材产品生产许可审查细则 (37)(四)编织袋产品生产许可审查细则 (44)(五)容器产品生产许可审查细则 (49)(六)食品用工具产品生产许可审查细则 (58)一、适用范围食品用塑料包装、容器、工具等制品生产许可审查细则适用于包装、盛放食品或者食品添加剂的塑料制品和塑料复合制品;食品或者食品添加剂生产、流通、使用过程中直接接触食品或者食品添加剂的塑料容器、用具、餐具等制品。
根据产品的形式分为4类:包装类、容器类、工具类、其他类。
其中包装类包括非复合膜袋、复合膜袋、片材、编织袋;容器类包括桶、瓶、罐、杯、瓶坯;工具类包括筷、刀、叉、匙、夹、料擦(厨房用)、盒、碗、碟、盘、杯等餐具;其他类包括不能归入以上三类中的其他食品用塑料包装、容器、工具等制品。
食品用塑料包装、容器、工具等制品不包括食品在生产经营过程中接触食品的机械、管道、传送带。
第一批实施市场准入制度管理的食品用塑料包装、容器、工具等制品产品包括3类39个产品(详见表1),增补品种时将另行公布产品目录。
根据生产工艺相同或相近的产品划分成一个产品单元的原则,食品用塑料包装、容器、工具等制品共分为6个产品单元:包装类包括4个产品单元:非复合膜袋、复合膜袋、片材、编织袋。
容器类包括1个产品单元:容器。
工具类包括1个产品单元:食品用工具。
二、食品用塑料包装、容器、工具等制品生产许可企业实地核查办法(一)食品用塑料包装、容器、工具等制品生产许可企业实地核查办法使用说明1 本办法适用于对食品用塑料包装、容器、工具等制品生产加工企业生产许可实地核查。
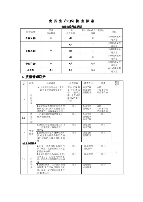
2本办法分为:质量安全管理职责、企业环境与场所要求、生产资源提供、采购质量控制、生产过程控制、产品质量检验、生产安全防护7个部分,共7章25条55个核查内容。
分否决项目和非否决项目。
2.1非否决项结论为“合格”、“一般不合格”、“严重不合格”三种。
其中“一般不合格”是指企业出现的不合格是偶然的、孤立的现象,是性质一般的问题;“严重不合格”是指企业出现了区域性的或系统性的不合格,或是性质严重的不合格。
2.2否决项目结论分“合格”和“不合格”两种,在55个核查内容中, 生产设施(2.3.1,2.3.2)、设备工装(3.1.1)、原、辅材料采购(4.1.2,4.1.4)、工艺管理(5.1.2)、包装标识(5.4)、安全生产(7.1.2)8项为否决项,在表中加“*”表示。
3 本办法确定核查结论依据以下原则:3.1合格(具备以下两种情况之一为合格):3.1.1 一般不合格项不多于8项,无严重不合格项,无否决项;3.1.2 严重不合格项不多于1项且一般不合格项不多于6项,无否决项。
3.2不合格(具备以下三种情况之一为不合格):3.2.1严重不合格项为2项及以上;3.2.2一般不合格项为9项及以上;3.2.3否决项为1项及以上。
(二)食品用塑料包装、容器、工具等制品生产许可企业实地核查办法注:1.申请取证产品通过GB/T19001质量管理体系认证的企业,在实地核查时,可免去核查质量安全管理职责(1)、工艺文件(3.5.1)、文件管理(3.6)、采购文件(4.2);2. 申请取证产品通过GB/T24001环境体系认证的企业,在实地核查时,可免去核查安全生产(7.1.3);3.取得医药包装许可证的企业,在实地核查时,申请取证产品与医药包装许可证许可范围内的医药包装产品在同一场所生产的可免去核查企业环境与场所要求(2)。
二、食品用塑料包装、容器、工具等制品生产许可企业实地核查办法
(一)食品用塑料包装、容器、工具等制品生产许可企业实地核查办法使用说明
1 本办法适用于对食品用塑料包装、容器、工具等制品生产加工企业生产许可实地核查。
2本办法分为:质量安全管理职责、企业环境与场所要求、生产资源提供、采购质量控制、生产过程控制、产品质量检验、生产安全防护7个部分,共7章25条55个核查内容。
分否决项目和非否决项目。
2.1非否决项结论为“合格”、“一般不合格”、“严重不合格”三种。
其中“一般不合格”是指企业出现的不合格是偶然的、孤立的现象,是性质一般的问题;“严重不合格”是指企业出现了区域性的或系统性的不合格,或是性质严重的不合格。
2.2否决项目结论分“合格”和“不合格”两种,在55个核查内容中, 生产设施(2.
3.1,2.3.2)、设备工装(3.1.1)、原、辅材料采购(
4.1.2,4.1.4)、工艺管理(
5.1.2)、包装标识(5.4)、安全生产(7.1.2)8项为否决项,在表中加“*”表示。
3 本办法确定核查结论依据以下原则:
3.1合格(具备以下两种情况之一为合格):
3.1.1 一般不合格项不多于8项,无严重不合格项,无否决项;
3.1.2 严重不合格项不多于1项且一般不合格项不多于6项,无否决项。
3.2不合格(具备以下三种情况之一为不合格):
3.2.1严重不合格项为2项及以上;
3.2.2一般不合格项为9项及以上;
3.2.3否决项为1项及以上。
(二)食品用塑料包装、容器、工具等制品生产许可企业实地核查办法
1 质量安全管理职责
2 企业环境与场所要求
3 生产资源提供
4 采购质量控制
5 生产过程控制
6 产品质量检验
7 生产安全防护
注:1.申请取证产品通过GB/T19001质量管理体系认证的企业,在实地核查时,可免去核查质量安全管理职责(1)、工艺文件
(3.5.1)、文件管理(3.6)、采购文件(4.2);
2. 申请取证产品通过GB/T24001环境体系认证的企业,在实地核查时,可免去核查安全生产(7.1.3);
3.取得医药包装许可证的企业,在实地核查时,申请取证产品与
医药包装许可证许可范围内的医药包装产品在同一场所生产的
可免去核查企业环境与场所要求(2)。
本实地核查办法由国家食品质量安全监督检验中心和国家包装产品质量监督检验中心(济南)负责起草。
本实地核查办法主要起草人:王朝晖、王微山。