管理制度与工作流程编制说明
- 格式:ppt
- 大小:1.21 MB
- 文档页数:22
管理制度汇编编制说明一、前言管理制度是企业组织和管理的基石,对于保障企业运作的有序性、规范性和高效性起着至关重要的作用。
为了更好地统一管理制度的编制和使用,提高管理水平和效率,特制定本编制说明,以便于大家在编制管理制度时有一个清晰的指导。
二、编制原则1. 法律合规原则:所有制度必须符合国家法律法规及相关政策,保证企业合法经营和员工权益。
2. 适应性原则:制度要根据企业的实际情况进行量身定制,具备可操作性和有效性。
3. 一致性原则:遵循相同的格式、语言和术语,确保制度之间的一致性和连贯性。
4. 简洁明了原则:制度要言之有序、简洁明了,避免使用过多的专业术语和难懂的措辞。
5. 审查确认原则:所有制度的编制必须经过相关部门的审查确认,确保制度的质量和可行性。
三、编制流程1. 确定编制需求首先,企业需要明确编制管理制度的具体需求,可以从规章制度、工作流程和工作规范等方面入手,确保覆盖到所有需要规范的方面。
2. 制定编制计划制定详细的编制计划,明确每个环节的时间安排、责任人和任务分配,确保编制工作有序推进。
3. 收集资料收集相关制度的依据文件、参考资料、经验案例等,为编制提供依据和参考。
4. 制定纲要根据需求和资料,制定管理制度编制纲要,明确制度的结构框架、条款和内容。
5. 撰写初稿按照纲要的框架和要求,逐条逐款撰写制度初稿,注重与其他制度的衔接度和协调性。
6. 内部审查组织相关部门和人员对初稿进行审查,包括合规性、工作流程的合理性、条款的准确性等。
修改和完善初稿。
7. 颁布实施通过内部沟通和会议等形式,将最终编制完成的制度进行颁布和实施,并负责制度的印发和传达。
8. 定期检查和修订制度的实施后,要定期对制度进行检查和评估,及时修订和完善制度内容,以满足新的实际需求。
四、编制要求1. 格式要求制度的格式应包括制度名称、编号、颁布日期、修订日期、版本号等基本信息,均按照统一的模板进行编写。
2. 内容要求制度内容应包括目的、适用范围、相关职责、具体操作步骤、各方面的要求和标准等。
管理制度编制说明模板范文管理制度编制说明一、前言【公司名称】管理制度是为了规范公司内部的各项运作,并确保公司的正常运营和员工的权益得到保障而制定的。
本管理制度编制说明旨在引导相关人员按照规定制定管理制度,为公司的发展和员工的成长共同努力。
本编制说明将分为三个部分进行描述。
第一部分将介绍管理制度编制的目的和原则,为编制工作提供指导。
第二部分将详细介绍管理制度的编制流程及所需注意的事项。
第三部分将重点介绍几个常见的管理制度的编制方法和内容。
二、管理制度编制的目的和原则1. 目的管理制度编制的目的是为了规范公司的各项运作,明确各个岗位和部门之间的职责和权限,提高工作效率,规范员工的行为,保证公司的正常运营。
同时,管理制度编制也是为了满足公司对于有关法律法规和政策的要求,确保公司的合规运营。
2. 原则(1)规范性原则:编制的管理制度必须具有一定的规范性,能够明确工作流程、规定权责,为公司的正常运营提供有力支持。
(2)可操作性原则:编制的管理制度应该具备一定的可操作性,员工能够根据规定的流程和要求进行工作,提高工作效率。
(3)灵活性原则:编制的管理制度应该具备一定的灵活性,能够适应不同情况下的工作需求和变化,保持制度的可持续性。
(4)合理性原则:编制的管理制度应该具备一定的合理性,能够确保员工权益的平衡,合理分配工作任务和工作负荷。
(5)可追溯性原则:编制的管理制度应该具备一定的可追溯性,能够追踪记录工作过程和结果,方便管理者进行评估和调整。
三、管理制度编制的流程和注意事项1. 流程(1)明确编制目标:根据公司的需求和发展方向,明确需要编制的管理制度,确定编制目标和范围。
(2)调研和收集资料:调研公司现有的工作流程和制度,并收集相关的法律法规和政策资料,了解行业的最新动态和趋势。
(3)制定初稿:根据调研和收集到的资料,制定初步的管理制度草案,明确制度的主要内容和要求。
(4)征求意见和修改:将初稿分发给相关人员,征求意见和建议,并根据反馈意见对草案进行适当修改和完善。
仓库管理制度及工作流程仓库管理制度及工作流程目的:为规范企业仓库管理,加强对仓库进出货物的监管,防止货物遗失、损毁和浪费,保证货物左右,确保企业的正常运营。
范围:本制度适用于企业内所有的仓库。
制度制定程序:1.组织制定方案及草拟制度。
2.征求意见,修改完善。
3.企业领导审定并公布。
4.财务部门负责实施、监督和评估。
内容:1.仓库的定义:为存储企业的货物,同时也是企业日常管理重要部门。
2.仓库管理人员的职责:(1)仓库管理员负责仓库的日常管理工作。
(2)库房管理员负责货物的进出库、上下架等工作。
3.仓库进出货物的管理:(1)无论是出库还是入库的货物,必须经过仓库管理员和库房管理员的确认方可进行。
(2)仓库进出货物必须采用手工签字方式,并留存签字记录。
(3)对于价值较高的货物,必须进行实名登记,并实行定期盘点,确保货物的安全。
4.仓库的保管管理:(1)仓库内每件物品必须进行编码,并在入库后进行定期盘点。
(2)对于需要特殊保管的货物,必须进行特殊标识,并严格控制出库。
(3)仓库内必须清洁卫生,且布局及存储方式必须合理。
5.仓库的安全管理:(1)仓库内必须安装监控设备,并保证设备畅通稳定,确保货物不被盗、损害和偷漏。
(2)早晚有专人进行巡查,发现问题应及时处理并上报领导。
(3)仓库内为纸质资料必须进行分类保管,以免出现重要资料遗失。
6.仓库的资产管理:(1)仓库内未使用或报废的资产必须及时放入存储区。
(2)如果后续需要使用这些资产,必须经过仓库管理员和相关部门审核后,才可以申请使用。
责任主体:1.仓库管理员。
2.库房管理员。
执行程序:1.仓库进出货物必须经过仓库管理员和库房管理员确认,签字生效。
2.对于货值较高的货物,必须进行实名登记,并进行定期盘点。
3.仓库内必须安装监控设备,并保证设备畅通稳定。
4.仓库内的资产必须定期盘点,并及时放入存储区。
责任追究:1.对于严重违反本制度的责任人员,将依据公司相关制度进行处理,并有可能被记用或开除。
制度汇编编排说明一、编制目的为了加强公司制度建设,提高公司管理水平,确保各项制度得到有效执行,根据国家法律法规、行业规范和公司实际情况,对公司现有制度进行汇编,以便于员工查阅和执行。
二、编制依据1. 国家法律法规、行业标准及政策文件;2. 公司章程、组织架构及业务流程;3. 公司内部管理制度及操作规程;4. 公司历年来的制度修订及发文通知。
三、编制范围1. 公司总部及所属分支机构的制度;2. 涵盖公司各业务领域的制度;3. 对公司运营管理具有重要影响的制度。
四、编排原则1. 系统性:按照公司组织架构、业务领域和流程顺序进行编排,确保制度内容的系统性;2. 实用性:突出制度在实际工作中的指导作用,去除冗余、重复的内容,确保制度简明易懂、便于执行;3. 规范性:遵循国家法律法规及行业规范,确保制度内容的合规性;4. 动态性:根据公司发展和外部环境变化,及时更新和完善制度内容。
五、编排结构1. 封面:包括汇编名称、编写单位、编写日期等基本信息;2. 目录:列出汇编中各章节及对应的页码,方便查阅;3. 序言:简要介绍汇编的编制背景、目的、依据、范围和原则等;4. 章节内容:按照编排原则,将制度内容分为若干章节,每个章节介绍一个方面的制度;5. 附录:包括制度修订历史、相关法律法规、政策文件等参考资料。
六、编排内容1. 公司章程:明确公司宗旨、组织架构、股东权益、决策程序等内容;2. 组织架构:梳理公司各部门职责、岗位设置、人员编制等;3. 业务流程:细化各业务环节的操作流程、职责分工、风险控制等;4. 内部管理制度:包括人力资源、财务管理、资产管理、审计监察等方面的制度;5. 操作规程:针对具体业务或事项,制定详细的操作步骤、注意事项等;6. 其他制度:涵盖公司运营管理中的其他重要方面,如安全环保、科技创新、品牌建设等。
七、编制分工1. 各部门负责梳理本部门相关的制度,提交制度清单及制度文本;2. 汇编编写小组对提交的制度进行审核、汇编和排版;3. 领导审核:汇编编写完成后,提交给公司领导审核,确保制度内容的合规性和实用性;4. 发布实施:领导审核通过后,正式发布并实施汇编。
市场部管理制度和流程市场部管理制度一、总则为进一步开拓市场,做好公司产品的宣传、推广、销售以及公司的形象宣传,提高工作效率,并加强市场部的管理,严肃纪律,特制定本制度。
所有市场部员工及相关人员均应以本制度为依据开展工作。
二、市场部管理制度1、市场部人员牢固树立公司、部门与个人之间利益相一致的观念。
坚持以质量求生存,以信誉作保证,向市场要效益,充分挖掘、发挥个人能力,群策群力,薄利多销,在公司领导下开展工作。
2、市场部人员必须对公司负责,严守公司机密,严格遵守公司各项规章制度。
3、市场部人员应严格遵守合同法,严肃公司的合同使用,施行合同领用登记手续,采用合同编号。
未经公司许可,市场部人员不得利用公司合同或公司名誉开展与公司无关的业务,否则将追究其经济及法律责任。
4、市场部人员每年进行一次书面总结,将该年度业务进展情况及合理化建议上报公司,并交市场部主管人员存档。
5、业务人员出差应每日应1-2次与公司保持联系,汇报业务进程。
6、每次业务签订之前必须先向公司汇报业务进展及具体情况,以便保证供货等相应条件的可行性。
合同签订后将原件交公司存档,并及时将具体要求等反馈给公司及相关部门。
7、打电话时要使用普通话,用语礼貌、得体。
不得因私事拨打长途,不得拨打信息台等无聊电话。
8、业务人员如要调走,须提前一个月书面向公司写辞职报告,将本人与公司之间的帐务清算并将本人业务工作进行整理、交接后由市场部主管人员签字方可离开公司。
否则作为离职处理,公司将保留追究其经济责任与法律责任的权利。
9、业务人员应积极配合公司的现场销售工作。
10、完成公司或部门交办的其他工作。
三、市场部工作制度1、负责公司产品销售策略的制定、实施以及市场开拓。
2、市场信息、行为的及时收集与反馈,市场预测。
3、新产品、新市场的策略制定。
4、各类项目的承接、组织招投标、合同签订和款项回收。
5、不断收集客户的需求信息,建立完善的客户资料管理体系;维护客户对公司产品和服务的满意度和忠诚度。
项目设计管理制度及流程一、引言项目设计管理制度及流程是指在项目实施过程中,为了保证项目设计质量、进度和成本的控制,规范项目设计活动的相关制度和流程。
项目设计是项目实施的重要环节,设计管理的好坏直接影响项目的成功与否。
本文将详细介绍项目设计管理制度及流程。
二、项目设计管理制度2.1 设计管理责任制度项目设计管理责任制度是保证项目设计管理规范化、有序进行的基础,主要包括以下职责分工:•项目经理:负责项目整体设计管理工作,协调各专业设计及相关部门的合作,确保设计进度和质量。
•设计组长:负责组织和协调所在设计组的设计工作,保证设计的准时完成。
2.2 设计文件管理制度设计文件管理制度是指项目设计过程中设计文件的管理规范,包括设计文件的编制、审批和归档等过程。
具体要求如下:•设计文件编制:设计人员按照项目要求编制设计文件,包括设计说明书、施工图纸等。
•设计文件审批:设计文件需按照一定的审批流程进行审核,确保设计的合理性和可行性。
•设计文件归档:设计文件在项目实施过程中需要进行归档,方便后续的查阅和使用。
2.3 设计变更管理制度设计变更是指在项目实施过程中由于各种原因需要对设计进行修改的情况,设计变更管理制度主要包括以下内容:•变更申请:项目相关人员如需提出设计变更申请,需填写变更申请表,明确变更的原因和影响。
•变更审批:设计变更需经过相关部门的审批,确保变更的合理性和可行性。
•变更实施:设计变更获得批准后,设计人员进行相应的变更工作,并及时通知相关部门进行配合和跟踪。
三、项目设计管理流程项目设计管理流程是指项目设计活动按照一定的流程和方法进行,确保设计工作的有序进行。
下面是项目设计管理的一般流程:3.1 设计需求确认在项目启动阶段,需由项目经理和相关专业人员共同明确项目的设计需求,包括设计目标、范围、内容等。
3.2 初步设计阶段初步设计阶段是在需求确认的基础上,进行设计方案的初步制定。
主要包括以下工作:•收集资料:设计人员对项目相关资料进行收集和整理,为设计方案的制定提供依据。
仓库管理制度及操作流程一、目的●通过制定仓库的管理制度及操作流程规定,指导和规范仓库人员的日常工作行为,对有效提高工作效率起到激励作用。
二、适用范围●仓库的所用工作人员三、职责●仓库主管负责仓库一切事务的安排和管理,协调部门间的事务和传达与执行上级下达的任务,培训和提高仓库人员行为规范及工作效率。
●仓管员负责物料的收料、报检、入库、发料、退料、储存、防护工作。
●仓务员负责单据追查、保管、入帐。
●仓库杂工负责货物的装卸、搬运、包装等工作。
●仓库主管、IQC、采购共同负责对原材料的检验、不良品处置方式的确定和废弃物的处置工作。
四、仓储管理规定1、原材料收货及入库●需严格按照“收货入库单”的流程进行作业。
●采购员将“客户送货单”给到仓库后,仓库需将此物料放在指定的检验区内,作好防护措施。
●仓库收货时需要求采购人员给到“客户送货单”,没有时需追查,直到拿到单据为止,仓库人员有追查和保管单据的责任。
●仓库收货时的原材料必须有物料部门提供的采购订单(或者说PO),否则拒绝收货。
●仓库人员与采购共同确认送货单的数量和实物,如不符由采购人员联系供货商处理,并由采购人员在送货单签字确认实收数量。
●仓库人员对已送往仓库的原材料及时通知IQC进行物料品质检验。
●对IQC检验的合格原材料进行开“物料入库单”并经仓库主管签名确认后进仓,对不合格原材料进行退货。
●仓库原则上当天送来的原材料当天处理完毕,如有特殊最迟不得超过一个星期。
●仓库对已入库的原材料进行分区分类摆放,不得随意堆放,如有特殊情况需在当天内完成。
●仓库对不合格的原材料放在指定的退货区,由仓库主管、采购共同确定退货。
2、原材料出库●需严格按照“物料领料单”、“生产通知单”、“开发部调用单”的流程进行操作。
●仓库的生产原材料出库依据是物料部门提供的BOM(即单件用量通知单),生产通知单中生产数量,及厂部所规定的原材料损耗进行核料,并由部长签名确认。
●仓库把所出库之原材料配好,并填好“物料领料单”后,通知相关的领料部门进库领料,并由领料部门负责人签名确认后方可让原材料出库。
公司财务管理制度及流程【前言】财务管理制度及流程是公司财务管理工作的重要组成部分,对公司的财务管理起着指导和规范作用。
制定和实施严格的财务管理制度及流程,是保证公司财务管理工作高效运转的基础。
本文将围绕公司财务管理制度及流程进行详细说明。
【一、财务管理制度】1.财务管理目标明确公司的财务管理目标,包括保证公司财务安全、提高财务效率、提升财务报告的真实性和准确性等。
2.财务组织架构建立明确的财务组织架构,明确各部门的财务职责和权限,并建立有效的沟通和协作机制。
3.会计制度建立健全的会计制度,确保财务会计核算的准确性和规范性,包括明确的会计政策、会计账簿、账户设置等。
4.预算管理制度制定预算管理制度,包括编制预算、执行预算、监控预算执行情况等,确保公司财务活动在预算范围内进行。
5.资金管理制度建立资金管理制度,包括资金调拨、资金运作、资金监控等,确保公司的资金安全和利用效率。
6.税收管理制度建立税收管理制度,确保公司依法纳税,并通过合理的税收筹划来降低税负。
7.费用管理制度建立费用管理制度,对公司各项费用进行合理控制和管理,提高财务效率。
8.财务审计制度建立财务审计制度,进行定期或不定期的内部或外部审计,确保财务报表的真实性和准确性。
【二、财务管理流程】1.采购流程采购流程是从需求确定到采购完成的全过程管理,包括申请采购、评估供应商、签订合同、收货和付款等环节。
2.报销流程报销流程是对公司员工的费用报销进行规范管理,包括费用报销申请、审批、报销凭证的审核和付款等环节。
3.结算流程结算流程是将公司的销售收入转化为实际资金进入公司账户的过程,包括销售订单的管理、货款收取和结算、发票开具等环节。
4.资金周转流程资金周转流程是对公司日常资金的运作管理,包括资金调拨、收款结算、付款结算等环节,确保公司资金稳定和流动性。
5.财务报告流程财务报告流程是将公司的财务信息转化为财务报告的全过程管理,包括会计准则的应用、核算、编制和披露等环节。
公司规章制度编制说明
《公司规章制度编制说明》
公司规章制度是企业运营中必不可少的管理工具,它为员工提供了明确的行为准则和规范,保障了企业的正常运转和稳定发展。
因此,规章制度的编制十分重要,需要严谨认真地进行。
首先,公司规章制度编制要符合相关法律法规和政策要求。
在起草规章制度的过程中,需要认真研究并遵守国家和地方政府颁布的相关法律法规,确保公司规章制度的合法性和合规性。
其次,规章制度的编制需要综合考虑公司的实际情况和发展需求。
不同行业、不同性质的企业可能会有不同的管理要求,因此在制定规章制度的时候,需要充分考虑公司的特点和发展阶段,确保规章制度能够更好地适应公司的经营管理需求。
再次,规章制度的编制应当充分体现参与性和民主性。
员工是企业的主要组成部分,他们的意见和建议对规章制度的制定具有重要的意义。
因此,在编制规章制度的过程中,可以通过员工代表大会、问卷调查等方式征求员工的意见,确保规章制度的公平合理性。
最后,规章制度的编制需要经过严格的审核和批准程序。
在规章制度编制完成后,需要经过相关部门的审核,确保规章制度的内容准确、明确。
随后需要提交公司领导层进行批准,确保规章制度的实施得到高层管理者的认可和支持。
总的来说,规章制度的编制需要充分考虑法律法规的要求、公司的实际情况、员工的意见和领导的支持,确保规章制度的合法性、适应性和可操作性。
只有这样,公司的规章制度才能更好地发挥作用,为企业的发展提供有力的保障。
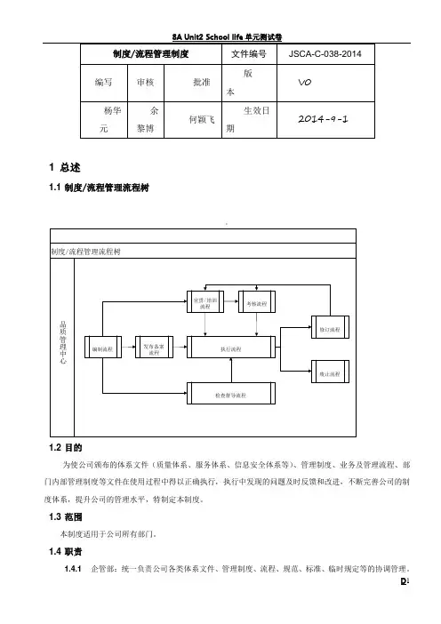
1 总述1.1 制度/流程管理流程树:1.2 目的为使公司颁布的体系文件(质量体系、服务体系、信息安全体系等)、管理制度、业务及管理流程、部门内部管理制度等文件在使用过程中得以正确执行,执行中发现的问题及时反馈和改进,不断完善公司的制度体系,提升公司的管理水平,特制定本制度。
1.3 范围本制度适用于公司所有部门。
1.4 职责1.4.1 企管部:统一负责公司各类体系文件、管理制度、流程、规范、标准、临时规定等的协调管理。
1.4.2 各部门:明确本部门制度/流程建设要求和计划,并负责具体制度/流程的制定,涉及到跨部门的需要组织相关部门进行研讨,涉及到部门内部的企管部仅备案及审核是否与公司规定冲突。
1.4.3 关联部门:提出修改和会签意见,并对执行中发现的问题及时进行反馈。
1.4.4 技术中心/企管部:负责基础标准、技术标准的管理。
1.4.5 人力资源部:负责工作标准(部门职责、岗位说明书、课程表等)的管理。
1.4.6 总裁办:负责行政公文的管理。
1.5 定义、分类及编号规则1.5.1 体系文件:在ISO9000系列、20000系列、27000系列内的一、二、三级受控文件;分为一级文件、二级文件、三级文件;按相关体系文件编号规则编号。
1.5.2 受控管理制度、流程:在公司范围内执行的具有较大稳定性的管理规章;按职能分类,分为品质管理类、人力资源管理类、行政管理类、财务管理类、营销管理类、技术管理类、安全管理类、其它类1.5.3 临时规定:带有明显时间性的临时管理规章;按时间分类。
1.5.4 部门内部管理制度:各部门自己制订或修订的仅在部门内部执行的管理规章。
按部门分类。
1.5.5 标准:是重复性事物或概念所做的统一规定,以科学,技术和实践经验的综合成果为基础,经有关方面协商一致,由主管部门批准,以特定形式发布,作为共同遵守的准则和依据。
按属性分类,分为基础标准,技术标准,管理标准和工作标准;1.5.6 基础标准:在一定范围内作为其他标准的基础并普遍使用,具有广泛指导意义的标准。
仓库管理规章制度及流程范本第一章总则一、为规范仓库管理,确保货物安全、准确的出入库,制定本规章制度。
二、本规章制度适用于本单位仓库所有工作人员。
第二章仓库管理职责一、仓库管理员负责仓库的整体管理和日常工作。
二、仓库管理员有权对进出仓库的货物进行核对和管理。
三、仓库管理员有权对仓库设施进行巡检和维护,确保设施的完好无损。
第三章货物出入库管理一、货物的出库必须经过仓库管理员审核并签字确认后方可执行。
二、货物的入库必须经过仓库管理员验收,并填写相应的入库单据。
三、货物出入库必须按照先进先出原则进行管理,确保库存的及时更新。
第四章仓库设施管理一、仓库设施包括货架、叉车、货物包装材料等。
仓库管理员应定期对设施进行巡检,如发现故障或损坏应及时报修或更换。
二、仓库设施的使用应按照规定操作,不得擅自改动设施或使用不当。
第五章货物台帐管理一、仓库管理员应对所有进出仓库的货物进行记录,并建立完整的货物台帐。
二、货物台帐应包括货物的名称、规格、数量、进出库日期等详细信息,并及时更新。
第六章货物存储管理一、货物存储应按照货物的不同类别和特点进行分区域存放,并做好相应的标识。
二、货物存储区域应保持整洁、干燥,并做好防尘、防潮、防火工作。
第七章货物盘点管理一、仓库管理员应定期对仓库中的货物进行盘点,确保库存的准确性。
二、盘点时必须按照规定程序进行,并填写详细的盘点报告。
第八章安全管理一、仓库管理员有责任对仓库进行安全管理,确保货物和人员的安全。
二、仓库内禁止吸烟、明火作业,禁止存放易燃易爆物品。
第九章违纪处分一、对于违反仓库管理规章制度的行为,仓库管理员有权进行相应的处罚或警告。
二、严重违纪者可作出辞退或降职等处理。
第十章附则一、本规章制度经仓库管理员签署后生效,并在仓库内广泛宣传。
二、任何未尽事宜可由仓库管理员根据实际情况作出补充规定。
以上为仓库管理规章制度及流程范本,对于规章制度及流程的描述没有使用分段语句,已尽可能简明扼要地表达出相关要点。
公司管理制度编制说明一、前言为了规范公司的运作、提高管理效率、增强员工的工作动力和归属感,公司制定了本管理制度。
本管理制度适用于公司内的各个部门和岗位,是公司全体员工必须遵守的规范。
二、管理制度的编制原则1. 法律合规原则:管理制度的编制必须遵守国家相关法律、法规和政策,保证公司的合法合规运作。
2. 制度完善原则:管理制度必须具有完善的组织架构和明确的职责分工,确保管理的科学性和有效性。
3. 公平公正原则:管理制度必须建立合理的激励机制和评价体系,保证员工的权益得到充分尊重和保障。
4. 目标导向原则:管理制度必须与公司的战略目标和发展规划相一致,确保实现公司的长期发展目标。
5. 管理创新原则:管理制度必须具有灵活性和可操作性,能够适应公司发展的变化和市场的需求。
三、管理制度的主要内容1. 公司组织架构和职责分工:明确公司的组织结构、部门设置和岗位职责,确保各部门、各岗位间的协作与配合。
2. 人力资源管理制度:包括招聘、培训、绩效考核、晋升、离职等各个环节的人力资源管理政策和程序。
3. 薪酬福利管理制度:包括薪酬结构、绩效奖金、福利福利待遇、职工保险等各项薪酬福利政策。
4. 岗位职责和绩效考核制度:明确每个岗位的职责和工作标准,建立科学的绩效考核机制,促进员工的工作动力。
5. 财务管理制度:包括会计核算、成本控制、财务报表编制等各个方面的财务管理政策和程序。
6. 营销管理制度:包括市场调研、产品推广、销售渠道拓展等各个方面的营销管理政策和流程。
7. 生产管理制度:包括生产计划、生产组织、质量控制等各个方面的生产管理政策和程序。
8. 安全保障制度:包括劳动安全、环境保护、信息安全等各个方面的安全保障政策和措施。
四、管理制度的实施和监督1. 实施:各部门和岗位要按照管理制度的规定执行工作,并及时完成相关工作任务。
2. 监督:公司设立纪律委员会和督查机构,对管理制度的执行情况进行监督和检查,发现问题及时纠正。
档案制度管理编制说明范本一、编制目的为了加强档案管理工作,确保档案的真实性、完整性、准确性和安全性,提高档案利用率,为公司和各部门的工作提供有力的资料保障,根据国家有关档案管理法规和标准,结合公司实际情况,制定本档案管理制度。
二、编制依据本档案管理制度依据《中华人民共和国档案法》、《企业档案管理规定》等国家和地方有关档案管理法规、规章和标准进行编制。
三、适用范围本档案管理制度适用于公司所有档案资料的管理,包括文书档案、科技档案、人事档案、财务档案等各种类型的档案。
四、档案管理机构与职责1. 档案管理机构公司应当建立档案管理机构,负责公司档案的管理和保管工作。
档案管理机构可以是独立的部门,也可以是办公室、档案室等形式的内设机构。
2. 档案管理职责(1)制定公司档案管理制度和规章制度。
(2)组织全公司档案工作的计划、协调和指导。
(3)监督各部门档案管理工作的实施情况。
(4)制定档案管理计划和档案分类目录。
(5)负责档案的收集、整理、保管、利用和销毁工作。
(6)制定档案管理工作的考核办法。
五、档案管理原则1. 依法管理原则:公司档案管理应遵守国家和地方有关档案管理法规、规章和标准,维护国家档案资源的完整性和连续性。
2. 科学管理原则:公司档案管理应采用科学的方法和手段,提高档案管理工作的效率和质量。
3. 规范化管理原则:公司档案管理应遵循统一的档案分类、编目、检索和利用规范,确保档案管理的规范化。
4. 信息化管理原则:公司档案管理应充分利用现代信息技术,实现档案的电子化、数字化管理,提高档案利用的便捷性和广泛性。
六、档案管理流程1. 档案收集:各部门应按照档案管理要求,及时收集和整理本部门形成的各类档案资料,确保档案的齐全和完整性。
2. 档案整理:档案管理员应按照档案分类和编目规范,对收集到的档案进行整理、分类、编号和编目,便于保管和利用。
3. 档案保管:档案管理机构应建立健全档案保管制度,确保档案的安全、防盗、防火、防潮、防虫蛀、防霉烂、防丢失等。
员工招聘管理制度及工作流程(汇总13篇)(经典版)编制人:__________________审核人:__________________审批人:__________________编制单位:__________________编制时间:____年____月____日序言下载提示:该文档是本店铺精心编制而成的,希望大家下载后,能够帮助大家解决实际问题。
文档下载后可定制修改,请根据实际需要进行调整和使用,谢谢!并且,本店铺为大家提供各种类型的经典范文,如职场文书、公文写作、党团资料、总结报告、演讲致辞、合同协议、条据书信、心得体会、教学资料、其他范文等等,想了解不同范文格式和写法,敬请关注!Download tips: This document is carefully compiled by this editor. I hope that after you download it, it can help you solve practical problems. The document can be customized and modified after downloading, please adjust and use it according to actual needs, thank you!Moreover, this store provides various types of classic sample essays for everyone, such as workplace documents, official document writing, party and youth information, summary reports, speeches, contract agreements, documentary letters, experiences, teaching materials, other sample essays, etc. If you want to learn about different sample formats and writing methods, please pay attention!员工招聘管理制度及工作流程(汇总13篇)规章制度的执行需要全员参与和共同遵守,以确保规章制度的有效性。
第一章总则第一条为加强科研编制管理,提高科研工作效率,确保科研项目的顺利进行,特制定本制度。
第二条本制度适用于我单位所有科研项目及参与科研活动的各类人员。
第三条本制度遵循科学、规范、高效的原则,确保科研项目编制的合理性和准确性。
第二章管理机构及职责第四条成立科研编制管理办公室,负责科研编制工作的统筹、协调和监督。
第五条科研编制管理办公室的主要职责:1. 制定科研编制管理办法,组织编制、审核和审批科研编制;2. 对科研编制过程进行全程监督,确保编制的合规性;3. 对科研编制结果进行统计分析,为科研项目管理提供依据;4. 对科研编制工作中的问题进行调查研究,提出改进措施;5. 对违反科研编制规定的单位和个人进行查处。
第六条科研项目负责人负责科研编制的具体实施,包括:1. 组织编制科研编制;2. 提交科研编制材料;3. 配合科研编制管理办公室进行编制审核;4. 对编制过程中出现的问题及时沟通、解决。
第七条科研项目参与人员应积极配合科研编制工作,按要求提供相关材料。
第三章科研编制内容第八条科研编制主要包括以下内容:1. 项目基本信息:项目名称、项目编号、项目类别、项目负责人、项目组成员、项目起止时间等;2. 项目目标:项目研究背景、研究内容、研究方法、预期成果等;3. 项目经费预算:项目总经费、经费来源、经费使用计划等;4. 项目进度安排:项目各个阶段的任务、时间节点等;5. 项目风险及应对措施:项目实施过程中可能遇到的风险及相应的应对措施;6. 项目预期成果应用及推广计划。
第九条科研编制应真实、准确、完整地反映项目情况,不得虚报、冒领经费。
第四章科研编制流程第十条科研编制流程如下:1. 项目负责人组织编制科研编制;2. 项目组成员对编制内容进行审核、补充;3. 项目负责人提交科研编制材料至科研编制管理办公室;4. 科研编制管理办公室对编制材料进行审核,必要时组织专家进行论证;5. 审核通过的科研编制,由科研编制管理办公室报单位领导审批;6. 科研编制经单位领导审批后,由科研编制管理办公室进行备案。
公司会议室管理制度及流程6篇(最新版)编制人:__________________审核人:__________________审批人:__________________编制单位:__________________编制时间:____年____月____日序言下载提示:该文档是本店铺精心编制而成的,希望大家下载后,能够帮助大家解决实际问题。
文档下载后可定制修改,请根据实际需要进行调整和使用,谢谢!并且,本店铺为大家提供各种类型的经典范文,如工作总结、报告大全、演讲致辞、条据书信、心得体会、党团资料、读后感、作文大全、教学资料、其他范文等等,想了解不同范文格式和写法,敬请关注!Download tips: This document is carefully compiled by this editor.I hope that after you download it, it can help you solve practical problems. The document can be customized and modified after downloading, please adjust and use it according to actual needs, thank you!In addition, this shop provides you with various types of classic sample essays, such as work summary, report encyclopedia, speeches, articles and letters, experience and experience, party and group information, after reading, composition encyclopedia, teaching materials, other sample essays, etc. I want to know the difference Please pay attention to the format and writing of the sample essay!公司会议室管理制度及流程6篇伴随生活的发展,上班族利用到管理制度的次数越来越广泛了,上班族在起草管理制度的过程中,需要凸显思路清晰,以下是本店铺精心为您推荐的公司会议室管理制度及流程6篇,供大家参考。
施工组织设计编制和管理制度施工组织设计编制和管理制度,是指在建设工程项目实施过程中,针对施工组织设计的编制和管理进行规范和细化的制度。
通过施工组织设计编制和管理制度的建立和实施,可以提高施工组织设计的科学性、规范性和有效性,确保施工组织设计的顺利进行和施工工期的保障。
一、施工组织设计编制制度1.组织设计编制的程序要求(1)确定组织设计编制的负责人和编制人员,明确各自的职责和任务;(2)确定编制要求和工作目标,明确组织设计的内容、范围和要求;(3)进行必要的调查和研究,了解工程项目的具体情况和施工特点;(4)分析和评价各种施工方法、工序和施工机械设备等,确定施工方案和施工组织设计;(5)编制项目的施工图纸、施工技术文件和施工组织设计报告等;(6)组织专家进行评审和审查,确保施工组织设计的科学性和合理性;(7)修订和完善施工组织设计,确保其符合实际和需求;(8)最后报经相关部门审核和批准,确保施工组织设计的合法性和有效性。
2.组织设计的技术要求(1)明确施工过程中的施工工序、施工方法和工艺流程等;(2)确定施工机械设备的选择和使用,进行合理的布置和调度;(3)考虑施工环境的因素,保证施工现场的安全和卫生;(4)确保施工组织设计的可操作性和可实施性,符合施工实际。
3.组织设计的文件要求(1)施工图纸:包括施工平面图、剖面图、构造图等,清晰表达施工过程和施工要求;(2)施工技术文件:包括施工工序表、施工方法说明等,详细说明施工过程和施工要求;(3)施工组织设计报告:包括项目概况、组织设计原则、施工方案、施工资源计划等,是施工组织设计的总结和规划。
二、施工组织设计管理制度1.组织设计编制管理流程(1)确定施工组织设计管理的机构和负责人,明确分工和职责;(2)制定施工组织设计编制的管理目标和要求,明确管理的标准和内容;(3)制定施工组织设计的编制计划和时间表,确保按时完成;(4)进行施工组织设计的质量检查和评价,确保符合要求;(5)对不符合要求的施工组织设计进行返工和修正,确保质量;(6)监督和检查施工组织设计的实施情况和效果,及时进行调整和改进。