数据线成品检验报告
- 格式:xls
- 大小:58.50 KB
- 文档页数:1
数据线测试报告引言数据线是用于数据传输和充电的重要设备。
为了确保数据线的稳定性和可靠性,本文对数据线进行了全面的测试和评估。
本测试报告旨在提供数据线质量的准确评估和问题反馈,以帮助改进产品质量和用户体验。
测试目的本次测试的目的是评估数据线在不同条件下的性能表现,包括数据传输速率、充电速度、可靠性等方面。
通过测试结果的分析,可以得出结论并提供改进建议。
测试环境测试环境如下: - 电脑型号:XXX - 操作系统:XXX - 数据线型号:XXX - 客户端设备:XXX - 软件版本:XXX测试方法我们采用了以下测试方法来评估数据线的性能:1. 传输速率测试我们通过在电脑和客户端设备之间传输文件来测试数据线的传输速率。
我们选择了不同大小的文件进行测试,并记录传输所需的时间。
测试过程中,我们保持其他条件(如网络状况)不变,以消除其他因素对测试结果的影响。
2. 充电速度测试我们使用标准充电器和电脑的USB接口来测试数据线的充电速度。
我们记录了从设备的电池电量为10%到100%所需的时间,并计算充电速度。
3. 可靠性测试为了评估数据线的可靠性,我们进行了多次连接和断开的测试,记录连接和断开的次数及是否出现连接中断、数据传输失败等问题。
测试结果1. 传输速率测试我们分别测试了不同大小的文件传输速率,并得出以下结果:文件大小传输时间传输速率100 MB 5 秒20 MB/s500 MB 20 秒25 MB/s1 GB 40 秒25 MB/s通过以上结果可以看出,数据线的传输速率在20-25 MB/s之间,整体表现良好。
2. 充电速度测试我们记录了从设备电池电量为10%到100%所需的时间,并得出以下结果:设备充电时间充电速度A 2 小时5% / minB 3 小时 3.3% / minC 1.5 小时 6.7% / min测试结果显示,不同的设备和电池容量可以影响充电速度,但数据线本身没有明显的限制。
3. 可靠性测试在多次连接和断开的测试中,我们没有遇到任何连接中断或数据传输失败的问题。
手机USB线检验报告序号检验项目标准值或技术要求样品编号实测值单项判定1 外观USB线体表面应洁净,无气泡、划伤、擦伤等缺陷,绝缘应完整、不开裂。
插接件金属端子镀层光滑,不可有刮伤、氧化、黄斑、色差、变形等不良。
具体按下表要求检查。
规格型号是否符合线材长度是否符合线材印字是否清晰线材本体安规标识是否符合线材破损漏铜丝插头及线材本体刮伤、擦伤(插头外壳有感刮伤不允许,无感刮伤、擦伤于30cm目视3秒种看不到或看不清;线材本体刮伤有感不允许,无感允许长≤10mm,宽≤0.2mm)颜色光泽在自然光下与样品无明显偏差塑胶外被有金属杂质水泡/气泡/沙粒/麻点,单个直径不超过0.2mm披峰,插头外壳不允许,线材允许长≤2mm,厚≤0.5mm线材本体是否凹凸不平流纹/缩水(30cm目视不明显,不影响组装)端子不可有刮伤、氧化、黄斑、色差、变形等不良,线材捆扎方式是否符合2规格尺寸线材规格USB线线材应符合UL2725线规,线径、长度等应符合技术图纸要求。
UL2725 AWG28线材按表2要求检验。
3线材结构线材结构应符合图1要求。
4材料内部结构检查内部导体与两端端口连接部位不允许出现虚焊、断线、不导通故障现象,对于检查结果以实物图片存档输出为准。
5外径尺寸外被外径尺寸应符合下图尺寸要求平口袋不封口要符合下图尺寸要求6线芯排列线芯排列和顺序应符合技术图纸要求。
无短路、断路、绝缘、高压、错位。
7物理性能试验方法按UL 758-2006第14章的规定进行。
试验前后,绝缘、护套的抗张强度和断裂伸长率应符合下表要求。
老化前抗张强度测试护套 : >1.05kgf/mm 2(等于10.3MPa);绝缘(HDPE) : >1.41kgf/mm 2(等于13.79MPa)老化后抗张强度测试老化条件:100℃±2℃,168h 护套:>70% ;绝缘(HDPE):>70% 老化前断裂伸长率 护套:> 100%;绝缘(HDPE): :> 300% 老化后断裂伸长率老化条件:100℃±2℃,168h护套:> 65%; 绝缘(HDPE) :> 60%8 VW-1燃烧试验 垂直试样在5次每次15秒施加标准试验火焰期间、施加火焰间隔或施加火焰以后a ) 不得沿其长度传播火焰;b ) 不得向附近的要燃性物质传播火焰。
数据线检测报告1. 引言本文档旨在对数据线进行全面的检测和分析,以确保其质量和性能符合标准要求。
数据线是用于在不同设备之间传输数据的关键组成部分,因此对其进行检测和评估非常重要。
2. 检测方法检测数据线的质量和性能通常需要使用专业的工具和设备。
以下是我们所采用的主要检测方法:2.1 外观检查通过肉眼观察数据线的外观,检查是否存在外部损坏或磨损。
同时,我们还会检查连接器的结构和外壳是否完好无损。
2.2 电阻测试使用万用表或专用的电阻测试仪,对数据线的电阻进行检测。
合格的数据线应具有一定的电阻范围。
2.3 电流测试通过连接数据线将设备与电源相连,使用万用表或专用的电流测试仪,检测数据线的传输电流。
合格的数据线应能够稳定传输电流,并能够满足设备的功耗要求。
2.4 信号传输测试使用专业的信号发生器和示波器,对数据线进行信号传输测试。
我们将模拟不同的信号传输场景,如高速数据传输、音频信号传输等,来评估数据线的传输质量和稳定性。
3. 数据线检测结果经过以上的检测方法和测试,我们得出了如下的数据线检测结果:测试项目结果外观检查通过电阻测试合格电流测试合格信号传输测试稳定传输,质量良好根据以上结果显示,所检测的数据线在外观、电阻、电流以及信号传输方面均符合标准要求。
可以确认该数据线的质量和性能良好。
4. 结论本文档对数据线进行了全面的检测和评估。
通过多种方法和设备的组合使用,我们得出了数据线质量和性能良好的结论。
在实际应用中,该数据线可以稳定、高效地传输数据,并满足各种设备的需求。
5. 建议虽然该数据线通过了检测并符合标准要求,但我们仍建议在实际使用过程中继续对其进行监测和维护。
定期检查数据线的外观是否有损坏或磨损,并保持良好的连接器清洁。
如果发现任何异常情况,建议及时更换数据线,以确保数据传输的稳定性和安全性。
6. 参考文献无。
线缆行业品质部门数据线样品检验报告一、检验目的本次样品检验旨在检测数据线的品质情况,确保其符合相关国家标准和技术要求,以保证产品质量和使用安全。
二、检验项目1.外观检验:主要检查数据线外观是否完整、无明显表面损伤、划痕、氧化等情况。
2.尺寸检验:通过测量数据线长度、宽度、厚度等尺寸,确认是否符合要求。
3.电气性能检验:包括电阻、电容、传输速率等指标。
4.材料成分检验:检测数据线所使用的材料成分是否符合国家标准及技术要求。
5.可靠性检验:包括插拔性能、拉伸性能等指标。
三、检验结果1.外观检验:经检测,所有样品的外观均完整,无明显损伤、划痕或氧化现象。
2.尺寸检验:样品的长度、宽度、厚度等尺寸均符合产品要求。
3.电气性能检验:经测试,样品的电阻、电容和传输速率等指标均符合国家标准和技术要求。
4.材料成分检验:经检测,样品所使用的材料成分符合国家标准,无违规或有害物质含量。
5.可靠性检验:样品经插拔测试和拉伸测试后,未发现明显的质量问题,符合产品可靠性要求。
四、检验结论经过全面的检验,样品数据线的外观、尺寸、电气性能、材料成分等指标均满足相关国家标准和技术要求,可正常投入使用,符合品质要求。
五、检验建议1.建议生产厂家进一步加强对数据线外包装的保护,避免在运输过程中造成表面损伤。
2.建议厂家在生产过程中加强对尺寸、电气性能等关键指标的控制,确保稳定的产品质量。
3.建议定期进行可靠性检验,以防止长期使用过程中出现质量问题。
六、附件1.外观检验照片2.尺寸测量表格3.电气性能测试报告4.材料成分检验报告5.可靠性检验数据表格以上报告为数据线样品的检验结果,供相关部门参考使用。
数据线验货报告1. 引言数据线是一种常用的电子产品配件,用于传输数据和充电。
在当前智能手机和其他电子设备的普及下,市面上存在着各种不同品牌和型号的数据线。
然而,由于质量和生产工艺的差异,有些数据线存在着质量问题。
本文将对数据线进行验货,通过对外观、材质、性能等进行测试和评估,以确保消费者购买到质量可靠的产品。
2. 外观检查2.1 外包装数据线的外包装应具备以下特点:•完整无损:外包装应无明显的破损、污渍或划痕;•清晰标识:包装上应有清晰的品牌名称和产品型号;•完整配件:包装内应有数据线本身以及相关的配件(如说明书、保修卡等)。
2.2 数据线本身在检查数据线本身时,应关注以下方面:•连接头检查:连接头应无明显的瑕疵,如划痕、变形或松动;•线材检查:线材应整齐无损,无明显的折痕、破损或接头处松动;•线材长度:根据产品要求,检查数据线长度是否符合标准;•标识检查:数据线上的标识(如品牌、型号等)应清晰可辨。
3. 材质检测数据线的外观和材质质量直接影响其使用寿命和使用安全性。
检查材质时应关注以下方面:3.1 外护套检查外护套时,应注意以下问题:•材质质感:外护套应使用柔软而耐磨的材料,手感舒适;•弹性:外护套的弹性应适中,避免过分松弛或过于僵硬;•耐磨性:外护套应具备良好的耐磨性,避免长期使用中出现剥落或破损。
3.2 线芯线芯作为数据线的核心部分,其质量直接关系到数据传输和充电的稳定性。
检查线芯时应注意以下问题:•材质:线芯应选用高质量的导电材料,如铜材;•线芯结构:线芯应采用多股导体的结构,以增加传输效率;•绝缘材料:线芯应被适当的绝缘材料包裹,防止短路或漏电的发生。
4. 功能测试除了外观和材质检测外,还需要对数据线的功能进行测试,以确保其正常工作。
以下是常见的功能测试项目:4.1 数据传输测试数据传输测试旨在检查数据线是否能够正常传输数据,并保持数据的稳定性和完整性。
测试时可以选择向手机或电脑传输大文件,观察传输速度和是否有文件损坏的情况。
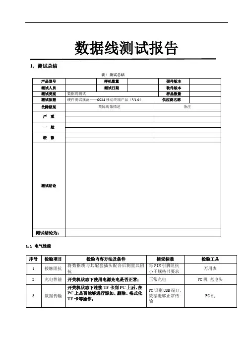
数据线质量允收标准拟制:李沱审核:XXX批准:XXX日期:2015年11月20日上海移柯通信技术有限公司Shanghai MobileTek Communication Ltd.All rights reserved版权所有侵权必究修订记录更新版本修改内容修改人审核日期Rev01 初稿李沱2015.11.20目录1 目的 (4)2 范围 (4)3 术语和定义........................................ 4-54 相关职责 (5)5 工作流程.......................................... 5-96 相关文件......................................... 9-107 记录 (10)1目的规范了数据线外观、电性能一般性检验方法和接收标准以及可靠性试验标准,用于统一和规范数据线的质量验收。
2范围:适用于数据线的入厂检验、部品认定、不良品判定等。
3术语和定义3.1缺陷定义轻微缺陷(Min): 常见的可以被限度允收的非功能/性能缺陷,可以立刻发现及纠正(如:外观的表面脏污、毛丝);严重缺陷(Maj):超出允收限度的非功能/性能缺陷、批次不良,可发现但需成本改善(如:尺寸超标,装配性不良);致命缺陷(Cri):功能/性能不良,超出客户要求规格及标准、不容易被发现的,一但发生会引起客户不满且造成重大负面影响(如:显示不良,间隙超标,检测系统失效)。
3.2物料认证新规格的物料在启动量产前应完成物料认定。
认定所需样品由供应商提供,验项目及数量参照本章第5.1条要求。
无条件试验的项目和OEM产品,由供应商提供试验报告。
3.3逐批检验参照GB2828.1-2003,检查水平IL见本章第5.1条,合格质量水平要求如下严重缺陷:AQL=0.4 轻微缺陷:AQL =1.0检验项目、要求、测试方法参照本章第5.1条要求。
数据线检验报告1. 概述数据线是计算机和其他电子设备之间进行数据传输和充电的重要工具。
为了保证数据线的质量和性能达到标准要求,进行数据线检验是必要的。
本报告旨在对所检验的数据线进行评估和分析,以确定其符合相关标准。
2. 目的本次数据线检验的目的如下:•确保数据线的质量符合相关行业标准;•评估数据线在传输和充电过程中的性能;•检查数据线是否存在潜在的安全隐患。
3. 检验方法3.1 外观检查首先,对数据线的外观进行检查。
主要检查项包括:•外部绝缘层是否完整;•连接头是否锈蚀或损坏;•弯曲或扭曲情况。
3.2 电气性能测试在电气性能测试中,我们使用专业设备进行以下项的测量:•阻抗测量:测量数据线的电阻和电感值,以确保其符合标准要求;•电压测试:在不同电压下,测量数据线的绝缘电阻,以判断其是否存在漏电情况;•信号传输测试:对数据线进行传输测试,验证其在不同传输速率下的稳定性和可靠性。
3.3 功能测试通过连接数据线和测试设备,进行以下功能测试:•充电功能:测试数据线在充电设备上的充电效果和速度;•数据传输功能:测试数据线的传输速率和稳定性,在不同设备之间传输数据,并检查数据的完整性。
4. 检验结果根据上述的检验方法和测试,以下是对数据线进行的总结和评估:•外观检查:数据线外观完整,连接头无明显损坏;•电气性能测试:数据线的阻抗、电阻和电感值均在标准范围内;•电压测试:数据线的绝缘电阻满足要求,无漏电情况;•信号传输测试:数据线在不同传输速率下传输稳定,信号完整性良好;•充电功能:数据线在充电设备上具有良好的充电效果和速度;•数据传输功能:数据线在不同设备间传输数据稳定,无数据丢失或错误。
5. 结论根据对数据线的检验结果,我们得出以下结论:•所检验的数据线符合相关行业标准,质量良好;•数据线在电气性能、充电功能和数据传输功能方面均表现正常;•数据线无明显的外观损坏或安全隐患。
6. 建议基于对数据线的检验和评估,我们建议:•数据线的外观保持完好,避免弯曲或损坏;•定期检查数据线的电气性能,确保其在使用过程中仍符合标准要求;•在充电和数据传输时,选择合适的设备和正确的使用方法。
数据线质检报告
数据线(data cable),其作用是来连接移动设备和电脑的,来达到数据传递或通信目的。
数据线作为一种消费类电子,无论是入驻天猫京东,还是在国内超市卖场,都是需要做质检报告的。
很多人有疑问了,数据线只是一个数据载体,是无源的产品,质检报告怎么做呢?数据线的质检报告有哪些项目呢?
数据线在办理质检报告的过程中,应用的国际标准是:GB4943.1-2011,检测报告涉及到检测报告项目如下:
1、标记和说明
2、输入输出额定值
3、使用耐久性
4、电气绝缘性能
5、抗电强度测试
我司可以做符合入驻天猫京东要求的数据线质检报告,流程如下:
1.根据航天检测机构要求填写一份申请表;
2.签写报价合同,并安排付款;
3.寄送样品到相关检测机构;
4.确认付款以及测试项目后,样品送实验室测试:
5.测试完成,颁发数据线质检报告。
组别: B 日期: 2011-03-01
产品名称5P数据线客户ZT-242出货数量2000PCS 抽检标准0.4\1.5订单编号
产品颜色黑色抽检数量125PCS 抽检方式成品抽检 0.25-0.36Ω 合格 不合格 符合要求 合格 不合格 充电下载正常 合格 不合格 试验后电性正常 合格 不合格试验后电性正常 合格 不合格符合要求 合格 不合格符合要求 合格 不合格符合要求 合格 不合格符合要求 合格 不合格符合要求 合格 不合格符合要求 合格 不合格符合要求 合格 不合格检验员: 罗安红 确认:李冰研 批准:韩文彬检验项目
1.电气检查 3.配手机测试进行测试,匹配性及电性(充电下载功能)正常。
4.摇摆测试:能承受±60℃、拉200G重物1000次循环弯曲,测试电性符合要求2.外观检查备注标准要求
检验结果判定结果1、数据线单根线导通内阻≤0.6Ω
2.用线材测试仪测试,线材不可有短路、断路、接线方法与BOM单要求一致。
3.包装综合结果: 合格 不合格 特采
数据线成品出货检验报告
按客户要求4.插头外露尺寸、正反插、合盖或成型是否符合要求。
5.数据线外观无冲胶、不饱模、流纹、缩水、杂色、气泡、披峰、变形
6.数据线插头无伤五金、PIN针对下陷、外露尺寸不符、方向错位。
5.插拔测试:测试插头端与母座以2S/1次插拔2000次,电性及疲劳度符合要求.
1.对照BOM单要求检查线材规格、铜丝直径及根数。
2.线材外皮有没有气味,不光滑,印字模糊.
3.线材直径及长度(直径公差为±0.15mm、长度±50mm).。
组别: B 日期: 2011-03-01
产品名称5P数据线客户ZT-242出货数量2000PCS 抽检标准0.4\1.5订单编号
产品颜色黑色抽检数量125PCS 抽检方式成品抽检 0.25-0.36Ω 合格 不合格 符合要求 合格 不合格 充电下载正常 合格 不合格 试验后电性正常 合格 不合格试验后电性正常 合格 不合格符合要求 合格 不合格符合要求 合格 不合格符合要求 合格 不合格符合要求 合格 不合格符合要求 合格 不合格符合要求 合格 不合格符合要求 合格 不合格检验员: 罗安红 确认:李冰研 批准:韩文彬检验项目
1.电气检查 3.配手机测试进行测试,匹配性及电性(充电下载功能)正常。
4.摇摆测试:能承受±60℃、拉200G重物1000次循环弯曲,测试电性符合要求2.外观检查备注标准要求
检验结果判定结果1、数据线单根线导通内阻≤0.6Ω
2.用线材测试仪测试,线材不可有短路、断路、接线方法与BOM单要求一致。
3.包装综合结果: 合格 不合格 特采
数据线成品出货检验报告
按客户要求4.插头外露尺寸、正反插、合盖或成型是否符合要求。
5.数据线外观无冲胶、不饱模、流纹、缩水、杂色、气泡、披峰、变形
6.数据线插头无伤五金、PIN针对下陷、外露尺寸不符、方向错位。
5.插拔测试:测试插头端与母座以2S/1次插拔2000次,电性及疲劳度符合要求.
1.对照BOM单要求检查线材规格、铜丝直径及根数。
2.线材外皮有没有气味,不光滑,印字模糊.
3.线材直径及长度(直径公差为±0.15mm、长度±50mm).。