水泥路面轴载换算算例
- 格式:docx
- 大小:34.70 KB
- 文档页数:11
混凝土路面能够承受的轴载作用次数计算混凝土路面是现代道路建设中常用的一种材料,它具有较好的耐久性和稳定性。
混凝土路面能够承受的轴载作用次数是一个重要的技术指标,它直接关系到道路的使用寿命和安全性。
本文将从理论和实践两个方面探讨混凝土路面能够承受的轴载作用次数计算方法。
一、理论分析1.1 混凝土路面的结构特点混凝土路面主要由水泥、砂、石子等原材料组成,其中水泥与水混合后形成水泥浆,再与砂、石子等骨料进行充分搅拌,最终得到具有一定强度的混凝土。
混凝土路面的结构特点是密实、坚固,具有良好的抗压性能。
1.2 轴载作用对混凝土路面的影响轴载作用是指车辆在行驶过程中对路面施加的压力,主要包括静荷载和动荷载两种形式。
静荷载主要是指车辆停放时对路面产生的压力,动荷载则是指车辆行驶过程中对路面产生的冲击力。
轴载作用会对混凝土路面产生一定的应力,当应力超过一定范围时,混凝土路面就会发生破坏。
1.3 混凝土路面承载能力的影响因素混凝土路面的承载能力受到多种因素的影响,主要包括以下几个方面:(1)混凝土配合比:混凝土配合比是指水泥、砂、石子等原材料的比例,不同的配合比会导致混凝土的强度不同,从而影响路面的承载能力。
(2)骨料质量:骨料的质量直接影响混凝土的强度和密实度,进而影响路面的承载能力。
(3)施工工艺:合理的施工工艺可以保证混凝土路面的密实度和强度,提高其承载能力。
1.4 轴载作用次数计算方法根据力学原理,当混凝土路面受到轴载作用时,其内部会产生一定的应力。
当应力超过一定范围时,混凝土路面就会发生破坏。
因此,可以通过计算混凝土路面在受到轴载作用前后的应力变化来确定其能够承受的轴载作用次数。
具体计算方法如下:(1)确定混凝土路面的设计强度。
(2)模拟轴载作用过程,计算车辆在行驶过程中对路面产生的压力。
(3)监测混凝土路面的应力变化情况。
(4)根据应力变化情况判断混凝土路面是否发生破坏。
(5)根据破坏情况确定混凝土路面能够承受的轴载作用次数。
混凝土路面能够承受的轴载作用次数计算下载提示:该文档是本店铺精心编制而成的,希望大家下载后,能够帮助大家解决实际问题。
文档下载后可定制修改,请根据实际需要进行调整和使用,谢谢!本店铺为大家提供各种类型的实用资料,如教育随笔、日记赏析、句子摘抄、古诗大全、经典美文、话题作文、工作总结、词语解析、文案摘录、其他资料等等,想了解不同资料格式和写法,敬请关注!Download tips: This document is carefully compiled by this editor. I hope that after you download it, it can help you solve practical problems. The document can be customized and modified after downloading, please adjust and use it according to actual needs, thank you! In addition, this shop provides you with various types of practical materials, such as educational essays, diary appreciation, sentence excerpts, ancient poems, classic articles, topic composition, work summary, word parsing, copy excerpts, other materials and so on, want to know different data formats and writing methods, please pay attention!混凝土路面能够承受的轴载作用次数计算1. 引言混凝土路面在日常使用中承受着各种车辆的轴载作用,这些作用次数对路面的耐久性有重要影响。
湡寰楀ぉ鐒剁搴︿负锛的时候,属于中湿类型得路基土,根据参考值及经验取高速公路的安全等级为一级,相应于一级安全等级的变异水平为低级,目标可靠度根据规范为,由查得得可靠度系数和变异水平等级查规范确定可靠度系数。
9:判断结构是否安全:因而所选得普通混凝土面层厚度(0.30m)可以承受设计基准期内荷载应力和温度应的综合疲劳作用。
四:防冻层厚度验算:为适应交通荷载的反复作用,保证路面的使用寿命和质量,根据经验混凝土面板的最小厚度为18cm,本设计为30cm,因此满足要求,垫层与贫混凝土基层的总厚度为35cm,根据规范规定,在第五区中湿土基的情况下,总厚度为65cm。
所以总厚度65cm>60cm的防冻厚度。
五:接缝和配筋设计:本设计接缝设计采用的是:纵缝为设拉杆平缝,横缝为不设拉杆的假缝。
1:纵向接缝,无论是施工缝或缩缝,均应在缝内设置拉杆,以保证接缝缝隙不张开。
纵向缩缝的槽口深度应大于纵向施工缝,以保证混凝土在干缩或温缩时能在槽口下位置处开裂。
否则,会由于缩缝处截面的强度大于缩缝区外无拉杆的混凝土强度,导致缩缝区外的混凝土板出现纵向断裂。
2在路面宽度变化的路段内,不可使纵缝的横向位置随路面宽度一起变化。
其等宽部分必须保持与路面等宽路段相同的纵缝设置位置和形式,而把加宽部作为向外接出的路面进行纵缝布置。
此外,变宽段起点处的加宽板的宽度应由零增加到1m以上,以避免出现锐角板。
3 表5.1.3中的拉杆间距并不是所采用的缩缝间距的公倍数。
为避免出现拉杆与缩缝的重合,在施工布设时,应依据具体情况调整缩缝附近的拉杆间距。
2横向接缝:1:设在缩缝之间的横向施工缝采用设拉杆企口缝形式,可提高接缝的传荷能力,使之接近于无接缝的整体板。
2: 我国绝大部分混凝土路面的横向缩缝均未设传力杆。
不设的主要原因是施工不便。
但接缝是混凝土路面的最薄弱处,唧泥和错台病害,除了基层不耐冲刷外,接缝传荷能力差也是一个重要原因。
同时,在出现唧泥后,无传力杆的接缝由于板边挠度大而容易迅速产生板块断裂。
水泥混凝土路面厚度计算书1 轴载换算表1.1 日交通车辆情况表∑==ni i i i s PN N 116)100(δ其中i δ为轴-轮系数,单轴-双轮组时,1=i δ,单轴-单轮时,按下式计算:43.031022.2-⨯=i i P δ双轴-双轮组时,按下式计算:22.051007.1--⨯=i i P δ三轴-双轮组时,按下式计算:22.081024.2--⨯=i i P δ2 确定交通量相关系数。
2.1 设计基准期内交通量的年平均增长率。
可按公路等级和功能以及所在地区的经济和交通发展情况,通过调查分析,预估设计基准期内的交通增长量,确定交通量年平均增长率γ。
取%5=γ。
2.2车辆轮迹横向分布系数η表2.1 车辆轮迹横向分布系数η0.54~0.62注:车道或行车道宽或者交通量较大时,取高值;反之,取低值。
由规范得:二级公路的设计基准期为20年,安全等级为三级,取39.0=η。
⒊ 计算基准期内累计当量轴次。
设计基准期内水泥混凝土面层临界荷位处所承受的标准轴载累计作用次数,可按下式计算确定。
[]ηγγ3651)1(⨯-+⨯=t s e N N代入数据得[]62010926.339.005.03651)05.01(834⨯=⨯⨯-+⨯=e N 次属重交通等级。
4 初拟路面结构。
由规范得,相应于安全等级三级的变异水平等级为中级。
根据二级公路、重交通等级和中级变异水平等级,查规范初拟普通混凝土面层厚度为0.22m 。
基层选用水泥稳定粒料(水泥用量5%),厚0.18m 。
垫层为0.15m 低剂量无机结合料稳定土。
普通混凝土板的平面尺寸为宽4.5m,长5.0m 。
纵缝为设拉杆平缝,横缝为设传力杆的假缝。
5路面材料参数确定。
根据规范,取普通混凝土面层的弯拉强度标准值为5.0MPa ,相应弯拉弹性模量标准值为31G Pa 。
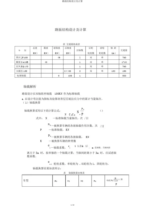
路面结构设计及计算表交通量组成表总重载重前轴重后轴重后轴数后轮前轮轴距交通量车型(KN) (KN) (KN) 轮组数轮组数(cm) (KN)黄河 JN150 49 l 双单760 解放 CA10B 40 1 双单1710 东风 EQ140 1 双单760 太脱拉 138 2× 80 2 双单132 190 标准轴载0 100 1 380轴载解析路面设计以双轴组单轴载100KN作为标准轴载a.以设计弯沉值为指标及验算沥青层层底拉应力中的累计当量轴次。
( 1)轴载换算轴载换算采用以下的计算公式:P i()N C1C2Ni P式中: N —标准轴载当量轴次,次 / 日ni—被换算车辆的各级轴载作用次数,次/ 日P—标准轴载, KNpi—被换算车辆的各级轴载,KNK—被换算车辆的种类数c1 —轴载系数,c11 1.2(m 1),m是轴数。
当轴间距离大于 3m时,按单独的一个轴载计算;当轴间距离小于 3m时,应试虑轴数系数。
c2 :轮组系数,单轮组为, 双轮组为 1,四轮组为。
轴载换算结果如表所示:表轴载换算结果表车型p i c1 c2 n i c1c2 n i ( pi ) 4.. 35 P黄河 JN150前轴 49 1760后轴1 1 760 解放 CA10B 后轴 1 1 1710197. 东风 EQ140 后轴 1 1760 太脱拉 138前轴1190后轴801190 标准轴载380c 1c 2 n i ( p i) 4.. 35P注:轴载小于 25KN 的轴载作用不计。
(2)累计当量轴数计算依照设计规,一级公路沥青路面的设计年限为 15 年,四车道的车道系数η取,γ = % ,累计当量轴次:(1 ) t1 365 N 1N e(115)5484490 .次验算半刚性基层层底拉应力的累计当量轴次b. 轴载换算验算半刚性基基层底拉应力公式为k8N'c 1 ' c 2 'n i ( p i )i 1P式中:c 1'为轴数系数,c 1'1 2(m 1)'c2为轮组系数,单轮组为,双轮组为1,四轮组为。
..第五章水泥混凝土路面5.1 交通量计算该段高速公路位于Ⅳ7 区。
设计为双向四车道。
5-1 表交通量计算表车型小客车2轴中客车2轴大客车2轴中货2轴中货2轴中货2轴大货车2轴大货车2轴大货车3轴特大货车3轴特大货车3轴特大货车4轴特大货车(半拖挂)4 轴特大货车(半拖挂)5轴特大货车(拖挂)6轴特大货车(拖挂)车轴p轴轮型Ne, i合计前轴11.51— 10 1.6E+08后轴23.51— 2前轴301— 189后轴551— 2前轴401— 1962501后轴951— 2前轴301— 1454后轴601— 2前轴401— 1607后轴601— 2前轴451— 1404286后轴951— 2前轴351— 110881844后轴1401— 2前轴501— 134127758后轴1551— 1前轴551— 129738522后轴1753— 2前轴501— 11114582后轴1002— 2前轴801— 116938092后轴1252— 2前轴801— 116842385后轴1352— 2前轴652— 120195815后轴1502— 2前轴852— 120096408后轴1402— 2前轴602— 1772660后轴1003— 2前轴702— 18439809后轴1303— 2..方向分配系数取0.5,车道分配系数取0.8,标准轴载 100kN,最重轴载 250kN。
16P in则 N S 0.5 0.8N iP Si 1=0.5 0.841764=16705.8其中:5.2 交通分析车辆轮迹横向分布系数取0.2,高速公路设计基准期为30 年,安全等级为一级,交通量年平均增长率为7.6%。
计算累计标准轴次:N s t3011 g r 116705.8 1 0.076N e365η365 0.20 1.28E 08g r0.076因为 1 106 1.28108,所以属于特重交通等级。
5.3 拟定方案根据交通等级,现拟定在干燥和中湿状态下,分别设计三种方案。
轴载换算参数“车型代码”索引:单后轴货车01XX双后轴货车02XX单后轴客车03XX (后两位数字XX为“车型序号”)双后轴客车04XX拖挂车05XX--------------------------------------------------------------------------------单后轴货车(车型大类编码01)--------------------------------------------------------------------------------车型序号车型名称前轴重(kN) 后轴重(kN) 后轴数后轴轮组数后轴距(m) --------------------------------------------------------------------------------01 标准轴载BZZ-100 00.00 100.00 1 2 002 北京BJ130 13.55 27.20 1 2 003 成都CD130 13.60 27.20 1 2 004 金杯SY132 12.80 27.60 1 2 005 金杯SY450 11.80 28.00 1 2 006 菲亚特50NC-A 21.80 35.00 1 2 007 跃进NJ131 20.20 38.20 1 2 008 江淮HF140A 18.90 41.80 1 2 009 跃进NJ134A 13.30 43.10 1 2 010 奔驰LPK709 22.00 44.00 1 2 011 五十铃NPR595G 23.50 44.00 1 2 012 切贝尔D350 24.00 48.00 1 2 013 三菱T653B 29.30 48.00 1 2 014喀什布阡131 18.00 50.25 1 2 015 三菱FR415 30.00 51.00 1 2 017 交通SH141 25.55 55.10 1 2 018 五十铃FSR113N 36.00 55.50 1 2 019 依维柯7913 29.00 56.50 1 2 020 解放CA340 22.10 56.60 1 2 021 雷诺JN75 30.50 58.50 1 2 022 吉尔130 25.75 59.50 1 2 023 解放CA10B 19.40 60.85 1 2 024 解放DD341 21.80 61.00 1 2 025 扶桑T653ZD 31.00 63.00 1 2 026 东风LZ341 29.50 64.50 1 2 027 东风LZ340 27.00 64.60 1 2 028 奔驰LPK913 27.00 66.00 1 2 029 解放SP3101 26.00 67.10 1 2 030 东风KM340 24.60 67.80 1 2 031 布切奇5BR2N 24.55 67.95 1 2 032 东风SP3090 24.50 68.00 1 2 033 东风DD347 24.00 68.10 1 2 034 解放DD349 26.00 68.20 1 2 036 东风AS141DL 25.00 68.30 1 2 037 解放AS141DL 25.00 68.30 1 2 038 东风XQD3090 24.60 68.40 1 2 039 解放CA141 24.50 68.60 1 2 040 山西SX341 23.70 68.70 1 2 041 解放CA/CQ340 23.30 68.80 1 2 042 切贝尔D45.01 32.00 69.00 1 2 043 东风LZ141 26.00 69.10 1 2 044 东风EQ140 23.70 69.20 1 2 045 东风KM140C 23.60 69.30 1 2 046 依发W50L/K3SK5 30.00 70.00 1 2 048 解放CA15 20.97 70.38 1 2 049 东风EQ340 24.20 70.40 1 2 050 东风ZQ3090 24.20 70.40 1 2 051 解放CA141 24.20 70.40 1 2 052 依发W50L/K 25.60 70.40 1 2 053 日野FC164 23.90 71.00 1 2 054 菲亚特650E 33.00 72.00 1 2 055 丰田FDA110L 35.00 75.00 1 2 056 星牌STAR2000 37.00 76.00 1 2 057 尼桑CK10G 39.25 76.00 1 2 058 依士兹TD50 42.20 80.00 1 2 059 依发H6 45.50 86.50 1 2 060 斯柯达706R 50.00 90.00 1 2 061 斯柯达706RTS 45.00 93.00 1 2 062 黄河QD352 49.80 95.80 1 2 063 江淮HFF3150C07 49.20 96.30 1 2 064 依士兹TD50D 46.55 96.40 1 2 065 黄河QD351 48.50 97.15 1 2 066 江淮HF352 46.30 97.20 1 2 067 南阳351 48.70 97.30 1 2 068 黄海DD352 46.90 99.90 1 2 069 菲亚特682N3 40.00 100.00 1 2 070 菲亚特68N3 48.00 100.00 1 2 071 尼桑CK20L 49.85 100.00 1 2 072 奔驰LN-1514-42 50.00 100.00 1 2 073 扶桑FP101 54.00 100.00 1 2 074 切贝尔D750.0 60.00 100.00 1 2 075 延安SX1160 60.00 100.00 1 2 076 罗曼R10215F 60.00 100.00 1 2 079 嘎斯200 36.10 101.20 1 2 080 江淮HF150 45.10 101.50 1 2 081 黄河JN150 49.00 101.60 1 2 082 日野KB222 50.20 104.30 1 2 083 南阳NY151JC 51.00 104.60 1 2 084 耶尔奇315MD3 57.00 107.00 1 2 085 黄河JN163 58.60 114.00 1 2 086 黄河JN162 59.50 115.00 1 2 087 黄河JN162A 62.28 116.22 1 2 088 沃洛沃N8648 55.00 120.00 1 2 089 斯堪尼亚L760 70.00 120.00 1 2 090 齐齐哈尔QQ560 56.00 121.00 1 2 091 黄河JN362 63.00 127.00 1 2 0--------------------------------------------------------------------------------双后轴货车(车型大类编码02)--------------------------------------------------------------------------------车型序号车型名称前轴重(kN) 后轴重(kN) 后轴数后轴轮组数后轴距(m) --------------------------------------------------------------------------------01 东风EQ240 25.50 25.90 2 2 202 星牌660M2 34.00 32.00 2 2 203 东风EQ245 32.70 33.60 2 2 204 解放CA30A* 26.50 36.70 2 2 205 解放CA30A 29.50 36.75 2 2 206 东风EQ155 26.50 56.70 2 2 207 黄河JN253 55.00 66.00 2 2 208 东风EQ144 25.70 70.10 2 2 210 长征XD980 37.10 72.65 2 2 211 太脱拉111 38.70 74.00 2 2 212 尼桑CWA52 74.00 75.00 2 2 213 太脱拉111R 37.40 75.50 2 2 214 太脱拉111S 38.50 78.20 2 2 215 五十铃CXZ187 83.00 78.50 2 2 216 日野KF300D 40.75 79.00 2 2 217 太脱拉138 51.40 80.00 2 2 218 尼桑CD50 35.10 83.70 2 2 219 长征CA160 45.20 83.70 2 2 220 扶桑FU102N 44.00 85.00 2 2 221 长征XD160 42.60 85.20 2 2 222 红岩CQ261 70.10 87.30 2 2 223 尼桑6TW(1)13SD 44.35 87.75 2 2 224 太脱拉130S 50.60 88.90 2 2 225 太脱拉138S 45.40 90.00 2 2 227 延安SX161 54.64 91.25 2 2 228 贝利埃GCH6×6 73.00 92.50 2 2 229 尼桑CW(L)40HD 50.00 93.80 2 2 230 三菱FV413JDL 54.00 100.00 2 2 231 扶桑FV102N 54.00 100.00 2 2 232 日野ZM440 60.00 100.00 2 2 233 大力SH1261 60.00 100.00 2 2 234 三菱PV413 49.70 101.00 2 2 235 太脱拉81553 62.00 102.00 2 2 236 长征T815VE26 56.40 104.80 2 2 237 黄河JN360 50.00 110.00 2 2 238 日野ZM4430 60.00 110.00 2 2 239 交通SH361 60.00 110.00 2 2 240 红岩CQ30290 62.00 119.00 2 2 2--------------------------------------------------------------------------------单后轴客车(车型大类编码03)--------------------------------------------------------------------------------车型序号车型名称前轴重(kN) 后轴重(kN) 后轴数后轴轮组数后轴距(m) --------------------------------------------------------------------------------01 三湘CK6560 13.00 25.60 1 2 002 江淮AL6600 17.00 26.50 1 2 003 风潮HDF650 13.50 27.00 1 2 004 亚洲ZQ6560 15.70 27.00 1 2 005 亚洲ZQ6600 15.50 27.50 1 2 006 红旗CA630 19.30 27.90 1 2 007 四平SPK6650 18.00 33.30 1 2 008 红桥HQ630 20.80 36.10 1 2 009 三湘CK6640 20.50 37.50 1 2 010 会客HK6670 19.00 39.00 1 2 011 贵州GZ661A 41.40 45.20 1 2 012 哈尔滨HK384 36.60 58.00 1 2 013 新疆XJ644 31.20 61.40 1 2 014 鞍山AK642-11 36.30 61.80 1 2 015 鞍山AK662 36.30 61.80 1 2 016 武汉WH644A 30.60 62.10 1 2 017 太湖XQ640 32.60 62.40 1 2 018 豫牌ZQ643T 30.00 62.50 1 2 019 成都CD644J 34.50 63.70 1 2 020 会客JT6910 31.00 64.00 1 2 021 驼铃TLK6900 35.10 64.50 1 2 023 驼铃TLK6910A 33.50 64.70 1 2 024 珠江CZ660 28.50 65.50 1 2 026 驼铃TLK6910 29.60 66.50 1 2 027 太湖XQ641 33.00 67.00 1 2 028 瓦房店WK340 33.00 67.00 1 2 029 远征DK6892 34.00 68.00 1 2 030 武汉WH644B 31.00 68.50 1 2 031 江淮HK6911 28.30 69.30 1 2 032 驼铃TLK6930 31.80 69.70 1 2 033 衡山HS663 30.00 70.00 1 2 034 三湘CK6891 30.00 70.00 1 2 035 三湘CK6892 30.00 70.00 1 2 036 长鹿HB6912 30.00 70.00 1 2 037 豫牌ZQ643C 30.00 70.00 1 2 038 黄海DD640 32.00 70.00 1 2 039 驼铃TLK6920 35.00 70.00 1 2 040 长鹿HB6913 35.00 70.00 1 2 041 新疆XJ-95DION 34.50 70.60 1 2 042 瓦房店WK341 35.60 71.40 1 2 043 四平SPK6970 32.00 72.20 1 2 044 鞍山AK6980H 36.60 72.30 1 2 045 沈飞SF662 38.00 72.80 1 2 046 会客HK6960 32.00 73.00 1 2 047 三湘CK6960HK 33.00 73.30 1 2 048 鞍山AK340H 34.30 73.50 1 2 049 镇江ZJ662 33.50 74.50 1 2 050 瓦房店WK141 39.50 76.10 1 2 051 四平SPK6900 37.80 77.40 1 2 052 太湖XQ643 24.50 80.50 1 2 054 黄海DD650 49.00 91.00 1 2 055 黄海DD680 49.00 91.50 1 2 056 衡阳HY680 49.20 91.70 1 2 057 新疆XJ680 48.80 93.20 1 2 058 衡阳HY682 53.40 93.60 1 2 059 黄海DD6111CS 51.80 96.40 1 2 060 四平SPK6120 43.50 97.00 1 2 061 北京BK651 48.00 97.00 1 2 062 四平SPK6100PM 48.00 97.00 1 2 063 黄海DD652 49.00 98.00 1 2 064 依卡露斯256 58.90 98.10 1 2 065 黄海DD6113HK 50.50 100.00 1 2 066 山西JT6121A 54.00 100.00 1 2 067 长鹿HB6121 54.00 100.00 1 2 0--------------------------------------------------------------------------------双后轴客车(车型大类编码04)--------------------------------------------------------------------------------车型序号车型名称前轴重(kN) 后轴重(kN) 后轴数后轴轮组数后轴距(m) --------------------------------------------------------------------------------01 金陵JL6121S 48.30 50.20 2 2 402 会客JT692A 28.40 67.70 2 2 403 鞍山AK682 33.70 68.30 2 2 404 瓦房店WK173A 29.00 75.00 2 2 405 华龙SK171A 35.30 76.60 2 2 406 四平SPK6150 38.00 77.80 2 2 407 瓦房店WK174A 37.00 78.00 2 2 4--------------------------------------------------------------------------------拖挂车(车型大类编码05)--------------------------------------------------------------------------------车型序号车型名称前轴重(kN) 后轴重(kN) 后轴数后轴轮组数后轴距(m) --------------------------------------------------------------------------------01 交通SH-141 23.00 63.50 2 2 402 东风CS938 24.00 70.00 2 2 403 东风DEZ-140A 24.10 71.90 2 2 404 东风SP9135 20.20 72.30 2 2 405 解放SP9134 24.90 72.30 2 2 406 东风SP9135B 20.10 72.60 2 2 407 解放SP9134B 24.80 72.60 2 2 408 湘江HQP40 23.10 73.20 2 2 409 东风XQD5170TGC 29.00 75.20 2 2 410 解放SP9133 26.90 77.20 2 2 411 东风YCY-900 25.00 78.20 2 2 412 鞍山AS9170 23.50 80.40 2 2 413 耶尔奇316 52.00 83.00 2 2 414 东风EQ140K 23.00 84.00 2 2 4--------------------------------------------------------------------------------15 汉阳HY480 70.00 95.00 2 2 2--------------------------------------------------------------------------------16 解放SP9200 31.30 78.00 3 2 417 五十铃EXR181L 60.00 100.00 3 2 419 东风SP9250 50.70 113.30 3 2 4--------------------------------------------------------------------------------20 尤尼克2766 67.00 102.50 4 2 2--------------------------------------------------------------------------------注:1.本表摘自"公路水泥混凝土路面设计规范"P52附录A和辽宁省交通厅资料;2.前轴一律默认为单轴和单轮组;3.后轴重为单个后轴的重量,不是后轴总重;4.后轴轮组数为实际轮组数,其中1表示单轮组, 2表示双轮组, 4表示四轮组;5.后轴距是象征性轴距,单后轴时为0(寓意无轴距),后轴距<3m时为2(寓意轴距<3m),后轴距>3m时为4(寓意轴距>3m)。
混凝土路面能够承受的轴载作用次数计算混凝土路面能够承受的轴载作用次数计算,这是一个让人头疼的问题。
不过别担心,我这个老司机来给你解答一下。
我们要明确一个概念:轴载作用次数。
简单来说,就是车轮在路面上滚动时,对路面产生的压力和冲击力有多少次。
这个数字很重要,因为它决定了路面能否承受车辆的重量和行驶时的冲击力。
那么,混凝土路面能够承受多少次轴载作用呢?这个问题没有一个固定的答案,因为它受到很多因素的影响,比如路面的材料、厚度、结构等等。
但是,我们可以通过一些简单的方法来估算一下。
我们要知道混凝土路面的结构。
一般来说,混凝土路面由基层、底面层、面层组成。
基层主要负责承载车辆的重量和减震;底面层主要负责排水和防冻;面层则是为了美观和提高摩擦系数。
所以,我们可以先从这三个层次来考虑。
1. 基层基层是路面的基础,它的硬度和强度直接影响到路面能否承受轴载作用。
一般来说,基层越硬越好,这样才能有效分散车辆的重量和减震。
不过,基层的硬度也不能太高,否则会影响到排水和防冻效果。
所以,我们需要在硬度和柔软度之间找到一个平衡点。
2. 底面层底面层的主要作用是排水和防冻。
如果底面层的排水效果不好,车辆行驶时会产生积水,导致轮胎与路面之间的摩擦力降低,从而影响到轴载作用次数。
另外,底面层的防冻性能也很重要。
如果冬季气温较低,底面层结冰后会变硬,从而增加车辆行驶时的阻力。
3. 面层面层的作用主要是为了美观和提高摩擦系数。
一般来说,面层的硬度越高,摩擦系数越大,车辆行驶时就越稳定。
但是,面层的硬度也不能太高,否则会影响到排水和防冻效果。
所以,我们需要在美观和实用性之间找到一个平衡点。
混凝土路面能够承受的轴载作用次数取决于基层、底面层和面层的硬度、强度以及排水、防冻等性能。
我们可以通过科学的计算方法来估算这个数字。
实际使用过程中还需要根据具体情况进行调整和维护。
希望我的回答能帮到你!。
西南交通大学硕士学位论文水泥混凝土路面三维数值分析及轴姓名:***申请学位级别:硕士专业:道路与铁道工程指导教师:***20050501西南交通大学硕士研究生学位论文第8页图l一6扳边受薇时的挠度影响图[引自Pickett和Ray(1951)】图l一7板中受荷时的弯矩影响图【引自Pickett和Ray(1951)】图l-8板边受荷时的弯矩影响图【引自Pickett和Ray(1951)】由荷载作用面在图上的印迹面积所覆盖的方块数力,依据式(1-10)和(1-11)计算板中或板边中点的挠度和弯矩值。
△一;—0.000—5pn(1-10)kM=0.0001p12H(1—11)式中广接触压力;,——相对刚度半径:卜地基反应模量。
弯矩除以截面模量即为应力O":罂·(1.12)2矿¨叫纠1.2.3有限元法理论公式用于分析水泥混凝土路面的荷载应力时,仍存在不少问题和不西南交通大学硕士研究生学位论文第25页力和力矩。
模型中任一点的关键响应都能很轻松地获得。
2.4.1单元的基本描述在EverFE的单元库中共有5种单元:①用于离散面板及弹性基层、底基层的20结点二次固体单元;②用于稠密液体地基(Winkler地基)的8结点二次平面单元:③用于模拟接缝集料嵌锁作用以及面板与基层之问剪力传递的16结点二次接触面单元;④用于离散横缝传力杆及纵缝位杆的3结点弯曲单元:⑤用于离散横缝传力杆及纵缝位杆的2结点剪切梁单元。
图(2-7)绘出了四块面板的单元划分及相应的单元类型,图(2-8)绘出了传力卡T荤元模型。
点体单元8节点弭哿液体单元图2—7面板单元划分及单元类型图2—8传力杆单元模型边界条件因有无弹性基层而有所差异。
当有弹性基层时,面板在水平面,即x-y平面内受板与基层间的剪切强度约束,而在竖向则由基层支撑。
在EverFE的所有模型中,面板、基层和底基层均被视为3维、线弹性、各向同性并且连续。
每一层均采用20结点固体单元离散。
混凝土路面能够承受的轴载作用次数计算混凝土路面能够承受的轴载作用次数计算,这个话题听起来有点儿高大上,但是咱们今天就来聊一聊,让你轻松了解混凝土路面的“骨气”。
咱们要明白什么是轴载作用。
轴载作用是指车辆在行驶过程中,轮胎与路面之间的接触点所受到的压力。
这个压力越大,路面就越难承受。
所以,我们要计算的是混凝土路面能够承受的最大轴载作用次数。
那么,混凝土路面为什么能承受轴载作用呢?这是因为混凝土路面有一个很重要的特点,那就是它的强度。
强度是指材料在受到外力作用时,抵抗破坏的能力。
混凝土路面的强度非常高,所以它能够承受很大的轴载作用。
接下来,咱们就要计算混凝土路面能够承受的最大轴载作用次数了。
这个计算方法其实很简单,就是用混凝土路面的设计强度除以轴载作用的大小。
设计强度是指设计师根据实际情况给出的一个数值,表示混凝土路面能够在不受破坏的情况下承受的最大压力。
轴载作用的大小则是指车辆在行驶过程中所受到的压力。
那么,混凝土路面的设计强度是多少呢?这个数值因地制宜,不同的地区、不同的道路等级,设计强度都会有所不同。
一般来说,城市道路上的混凝土路面设计强度在20MPa左右;高速公路上的混凝土路面设计强度在30MPa以上。
有了设计强度和轴载作用的大小,咱们就可以开始计算了。
比如说,一条城市道路上的混凝土路面设计强度为20MPa,轴载作用大小为10吨/平方米。
那么,这条路面能够承受的最大轴载作用次数就是:20MPa÷10吨/平方米=2000次。
这个结果只是一个理论值,实际上还要考虑到路面的使用寿命、维护情况等因素。
如果路面已经使用了很长时间,或者经常受到重载车辆的行驶,那么它的实际承受能力可能会降低很多。
混凝土路面能够承受的轴载作用次数是一个非常重要的指标,它关系到道路的安全性和使用寿命。
希望通过今天的介绍,大家能够对混凝土路面有一个更加清晰的认识。
下次你走在马路上,看到那些坚实的路面,不妨想一想它们背后的科学原理,是不是觉得很神奇呢?。
2.6水泥混凝土路面设计计算书一、交通量计算表1轴载分配及换算二、确定交通等级板的平面尺寸选为宽4.0m,长4.5m ,纵缝为设拉杆的平缝,横缝为不设传力杆的假缝。
取纵缝边缘中部作为临界荷位。
由于该路为双车道,取方向分配系数为0.5,车道分配系数取1.0。
车道系数=车道分配系数⨯方向分配系数=1.0⨯0.5=0.5水泥混凝土路面结构设计以100KN 的单轴-双轮组荷载作为标准轴载。
不同轴-轮型和轴载的作用次数,按式《规范》JTGD40-2006(3 .0 4-1)换算为标准轴载的作用次数。
161100ni s i i i P N N δ=⎛⎫= ⎪⎝⎭∑ 《规范》JTGD40-2006(3.0.4-1) 30.432.2210i iP δ-=⨯ 《规范》JTGD40-2006 (3.0.4-2 ) 或50.221.0710i iP δ--=⨯ 《规范》JTGD40-2006 (3.0.4-3 )或 80.222.2410i iP δ--=⨯ 《规范》JTGD40-2006 (3.0.4-4 )式中:Ns ——100KN 的单轴-双轮组标准轴载的作用次数;Pi ——单轴-单轮、单轴-双轮组或三轴-双轮组轴型i 级轴载的总重(KN );n ——轴型和轴载级位数;iN ——各类轴型i 级轴载的作用次数;iδ——轴-轮型系数,单轴-双轮组时,iδ=1;单轴-单轮时,按式《规范》JTGD40-2006(3.0.4-2)计算;双轴-双轮组时,按式《规范》JTGD40-2006(3.0.4-3)计算;三轴-双轮组时,按式《规范》JTGD40-2006 (3.0.4-4)计算。
使用初期设计车道标准轴载次数:)d /(381276245.0次=⨯=s N 设计使用年限内临界荷位处标准轴载的累积作用次数:ηγγ⋅⋅⨯-+=s tN Ne 365]1)1[( 《规范》JTGD40-2006 (3.1.7)式中:Ne ── 设计年限内一个方向上一个车道的累计当量轴次(次); t ── 设计基准期(a )t=20年;Ns ── 使用初期设计车道每日通过的标准轴载次数(次/日); y ── 设计年限内交通量的平均年增长率(%),y=5%.η——车轮轮迹横向分布系数,按《公路混凝土路面设计规范》表A.4.4选用,η=0.2 次7201061.135.0381205.0365]1)05.01[(⨯=⨯⨯⨯-+=Ne查《规范》JTGD40-2006 3.0.5属重交通 三、初布拟定道路结构层及力学计算由《规范》JTGD40-2006 表3.0.1知,相应于安全等级三级的变异水平等级为中级。