延安市建筑工程资料归类标准
- 格式:doc
- 大小:38.50 KB
- 文档页数:10
工程档案归档整理规范第一章建设工程文件归档的基本职责一、将工程文件的形成和积累纳入工程建设管理的各个环节和有关人员的职责范围。
二、在与工程文件与档案的整理立卷、验收移交工作中,项目部应履行下列职责:(一)在与工程招标及勘察、设计、施工、监理等单位签订协议、合同时,应对工程文件的套数、费用、质量、移交时间等提出明确要求;(二)收集和整理工程准备阶段、竣工验收阶段形成的文件,并进行立卷归档;(三)负责组织、监督和检查勘察、设计、施工、监理等单位的工程文件的形成、积累和立卷归档工作;也可委托监理单位监督、检查工程文件的形成、积累和立卷归档工作;(四)收集和汇总勘察、设计、施工、监理等单位立卷归档的工程档案;(五)在组织工程竣工验收前,应提请当地城建档案管理机构对工程档案进行预验收;未取得工程档案验收认可文件,不得组织工程竣工验收;(六)对列入城建档案馆接收范围的工程,工程竣工验收后3个月内,向当地城建档案馆移交一套符合规定的工程档案。
三、勘察、设计、施工、监理等单位应将本单位形成的工程文件立卷后向项目部移交。
四、建设工程项目实行总承包的,总包单位负责收集、汇总各分包单位形成的工程档案,并应及时向建设单位移交;各分包单位应将本单位形成的工程文件整理、立卷后及时移交总包单位。
建设工程项目由几个单位承包的,各承包单位负责收集、整理立卷其承包项目的工程文件,并应及时向项目部移交。
五、工程档案管理科应对工程文件的立卷归档工作进行监督、检查、指导。
在工程竣工验收前,应对工程档案进行预验收,验收合格后,须出具工程档案认可文件。
第二章??工程文件的归档范围一、对与工程建设有关的重要活动、记载工程建设主要过程和现状、具有保存价值的各种载体的文件,均应收集齐全,整理立卷后归档。
?二、工程文件的具体归档范围应符合下列目录要求:1、工程准备阶段文件见附录2、建设工程竣工验收文件见附录3、市政基础设施工程竣工验收文件见附录4、建筑安装工程施工文件共分为桩基、土建、给排水、电气、幕墙、电梯、钢结构分别见附录4.1-4.7,建设工程竣工图见附录5、市政基础设施工程施工文件见附录6、市政基础设施工程竣工图见附录7、监理文件见附录?第三章??归档文件的质量要求一、归档的工程文件应为原件。
建筑工程资料归档如何分类和编号?建筑工程资料的分类与编号(一)建筑工程资料分类的原则1.建筑工程资料的分类是按照文件资料的来源、类别、形成的先后顺序及收集和整理单位的不同,来进行分类的,以便于资料的收集、整理、组卷。
从事体上把全部的资料划分为4大类,即分为建设单位的文件资料、监理单位的文件资料、施工单位的文件资料、竣工图资料。
其中,建设单位的文件资料又划分为立项文件、建设规划用地文件、勘察设计文件、工程招投标及合同文件、工程开工文件、商务文件、工程竣工验收及备案文件、其他文件等8小类;监理单位的文件资料划分为监理管理资料、监理质量控制资料、监理进度控制资料、监理造价控制资料等4小类;施工单位的文件资料划分为施工管理资料、施工技术资料、施工物资资料、施工测量记录、施工记录、隐蔽工程检查验收记录、施工检测资料、施工质量验收记录、单位(子单位)工程竣工验收资料等9小类;竣工图资料划分为综合竣工图、室外专业竣工图、专业竣工图等3小类。
在每一小类中,再细分为若干种文件、资料、或表格.2.施工资料的分类应根据类别和专业系统来划分。
参见《建设工程文件归档整理规范》、《建筑工程施工质量验收统一标准》。
3.施工资料的分类、整理和保存除执行《建设工程文件归档整理规范》或地方标准及规程外,尚应执行相应的国家法律法规及行业或地方的有关规定。
(二)建筑工程资料编号的方法1.对各大类的编号分别用大写的英文字母“A” 、“B” 、“C” 、“D”来表示建设单位的文件资料、监理单位的文件资料、施工单位的文件资料。
即分别编为A类、B类、C类、D类等4大类资料。
2.对各小类的编号对于A类资料中所含的8小类资料,分别按照A1、A2、A3、A4、A5、A6、A7、A8的顺序来依次排列编号;B资料中所含的4小类资料,分别按照B1、"、B3、B4的顺序来依次排列编号;C类资料中所含的9小类资料,分别按照C1、C2、C3、C4、C5、C6、C7、C8、C9的顺序来依次排列编号;D类资料中所含的3小类资料,分别按照D1、D2、D3的顺序来依次排列编号。
附录A 延安市建设工程文件归档范围和保管期限表序号归档文件保存单位和保管期限建设单位施工单位设计单位监理单位城建档案馆工程准备阶段文件一立项文件1 项目建议书永久√2 项目建议书审批意见及前期工作通知书永久√3 可行性研究报告及附件永久√4 可行性研究报告审批意见永久√5 关于立项有关的会议纪要、领导讲话永久√6 专家建议文件永久√7 调查资料及项目评估研究材料长期√二建设用地、征地、拆迁文件1 选址申请及选址规划意见通知书永久√2 用地申请报告及县级以上人民政府城乡建设用地批准书永久√3 拆迁安置意见、协议、方案等长期√4 建设用地规划许可证及其附件永久√5 划拨建设用地文件永久√6 国有土地使用证永久√三勘察、测绘、设计文件1 工程地质勘察报告永久永久√2 水文地质勘察报告、自然条件、地震调查永久永久√3 建设用地钉桩通知单(书)永久√4 地形测量和拨地测量成果报告永久永久√5 申报的规划设计条件和规划设计条件通知书永久长期√6 初步设计图纸和说明长期长期7 技术设计图纸和说明长期长期8 审定设计方案通知书及审查意见长期长期√9 有关行政主管部门(人防、环保、消防、交通园林、市政、文物、通讯、保密、河湖、教育、白蚁防治、卫生等)批准文件或取得的有关协议永久√10 施工图及其说明长期长期11 设计计算书长期长期12 政府有关部门对施工图设计文件的审批意见永久长期√四招投标文件1 勘察设计招投标文件长期2 勘察设计承包合同长期长期√3 施工招投标文件长期序号归档文件保存单位和保管期限建设单位施工单位设计单位监理单位城建档案馆5 工程监理招投标文件长期6 监理委托合同长期长期√五开工审批文件1 建设项目列入年度计划的申报文件永久√2 建设项目列入年度计划的批复文件或年度计划项目表永久√3 规划审批申报表及报送的文件和图纸永久4 建设工程规划许可证及其附件永久√5 建设工程开工审查表永久6 建设工程施工许可证永久√7 投资许可证、审计证明、缴纳绿化建设费等证明长期√8 工程质量监督手续长期√六财务文件1 工程投资估算材料短期2 工程设计概算材料短期3 施工图预算材料短期4 施工预算短期七建设、施工、监理机构负责人1 工程项目管理机构(项目经理部)及负责人名单长期√2 工程项目监机构(项目监理部)及负责人名单长期长期√3 工程项目施工管理机构(施工项目经理部)及负责人名单长期长期√监理文件1 监理规划①监理规划长期短期√②监理实施细则长期短期√③监理部总控制计划等长期短期2 监理月报中的有关质量问题长期长期√3 监理会议纪要中的有关质量问题长期长期√4 进度控制①工程开/复工审批表长期长期√②工程开工/复工暂停令长期长期√5 质量控制①不合格项目通知长期长期√②质量事故报告及处理意见长期长期√6 造价控制序号归档文件保存单位和保管期限建设单位施工单位设计单位监理单位城建档案馆①预付款报审与支付短期②月付款报审与支付短期③设计变更、洽商费用报审与签认长期④工程竣工决算审核意见书长期√7 分包资质①分包单位资质材料长期②供货单位资质材料长期③试验等单位资质材料长期8 监理通知①有关进度控制的监理通知长期长期②有关质量控制的监理通知长期长期③有关造价控制的监理通知长期长期9 合同与其他事项管理①工程延期报告及审批永久长期√②费用索赔报告及审批长期长期③合同争议、违约报告及处理意见永久长期√④合同变更材料长期长期√10 监理工作总结①专题总结长期短期②月报总结长期短期③工程竣工总结长期长期√④质量评价意见报告长期长期√施工文件一建筑安装工程㈠土建(建筑与结构)工程1 施工技术准备文件①施工组织设计长期②技术交底长期长期③图纸会审记录长期长期长期√④施工预算的编制和审查短期短期⑤施工日志短期短期2 施工现场准备①控制网设置资料长期长期√②工程定位测量资料长期长期√③基槽开挖线测量资料长期长期√④施工安全措施短期短期⑤施工环保措施短期短期3 地基处理记录①地基钎探记录和钎探平面布点图永久长期√序号归档文件保存单位和保管期限建设单位施工单位设计单位监理单位城建档案馆②验槽记录和地基处理记录永久长期√③桩基施工记录永久长期√④试桩记录长期长期√4 工程图纸变更记录①设计会议会审记录永久长期长期√②设计变更记录永久长期长期√③工程洽商记录永久长期长期√5 施工材料预制构件质量证明文件及复试试验报告①砂、石、砖、水泥、钢筋、防水材料、隔热保温、防腐材料、轻集料试验汇总表长期√②砂、石、砖、水泥、钢筋、防水材料、隔热保温、防腐材料、轻集料出厂证明文件长期√③砂、石、砖、水泥、钢筋、防水材料、轻集料、焊条、沥青复试试验报告长期√④预制构件(钢、混凝土)出厂合格证、试验记录长期√⑤工程物质选样送审表短期⑥进场物质批次汇总表短期⑦工程物质进场报验表短期6 施工试验记录①土壤(素土、灰土)干密度试验报告长期√②土壤(素土、灰土)击实试验报告长期√③砂浆配合比通知单长期④砂浆(试块)抗压强度试验报告长期√⑤混凝土配合比通知单长期⑥混凝土(试块)抗压强度试验报告长期√⑦混凝土抗渗试验报告长期√⑧商品混凝土出厂合格证、复试报告长期√⑨钢筋接头(焊接)试验报告长期√⑩防水工程试水检查记录长期11 楼地面、屋面坡度检查记录长期12 土壤、砂浆、混凝土、钢筋连接、混凝土抗渗试验报告汇总表长期√7 隐蔽工程检查记录①基础和主体结构钢筋工程长期长期√②钢结构工程长期长期√③防水工程长期长期√④高程控制长期长期√序号归档文件建设单位施工单位设计单位监理单位城建档案馆8 施工记录①工程定位测量检查记录永久长期√②预检工程检查记录短期③冬施混凝土搅拌测温记录短期④冬施混凝土养护测温记录短期⑤烟道、垃圾道检查记录短期⑥沉降观测记录长期√⑦结构吊装记录长期⑧现场施工预应力记录长期√⑨工程竣工测量长期长期√⑩新型建筑材料长期长期√11 施工新技术长期长期√9 工程质量事故处理记录永久√10 工程质量检验记录①检验批质量验收记录长期长期长期②分项工程质量验收记录长期长期长期③基础、主体工程验收记录永久长期长期√④幕墙工程验收记录永久长期长期√⑤分部(子分部)工程质量验收记录永久长期长期√㈡电气、给排水、消防、采暖、通风、空调、燃气、建筑智能化、电梯工程1 一般施工记录①施工组织设计长期长期②技术交底短期③施工日志短期2 图纸变更记录①图纸会审永久长期√②设计变更永久长期√③工程洽商永久长期√3 设备、产品质量检查、安装记录①设备、产品质量合格证、质量保证书长期②设备装箱单、商检证明和说明书、开箱报告长期③设备安装记录长期长期√④设备试运行记录长期√⑤设备明细表长期√4 预检记录短期5 隐蔽工程检查记录长期长期√6 施工试验记录序号归档文件建设单位施工单位设计单位监理单位城建档案馆①电气接地电阻、绝缘电阻、综合布线、有线电视末端等测试记录长期√②楼宇自控、监视、安装、视听、电话等系统调试记录长期√③变配电设备安装、检查、通电、满负荷测试记录长期√④给排水、消防、采暖、通风、空调、燃气等管道强度、严密性、灌水、通水、吹洗、漏风、试压、通球、阀门等试验记录长期√⑤电气照明、动力、给排水、消防、采暖、通风、空调、燃气等系统调试、试运行记录长期√⑥电梯接地电阻、绝缘电阻测试记录;空载、半载、满载、超载试运行记录,平衡、运速、噪声调整试验报告长期√7 质量事故处理记录永久长期√8 工程质量检验记录①检验批质量验收记录长期长期长期②分项工程质量验收记录长期长期长期③分部(子分部)工程质量验收记录永久长期长期√㈢室外工程1 室外安装(给水、雨水、污水、热力、燃气、电讯、电力、照明、电视、消防等)施工文件长期√2 室外建筑环境(建筑小品、水景、道路、园林绿化等)施工文件长期√二市政基础设施工程㈠施工技术准备1 施工组织设计短期短期2 技术交底长期长期3 图纸会审记录长期长期√4 施工预算的编制和审查短期短期㈡施工现场准备1 工程定位测量资料长期长期√2 工程定位测量复核记录长期长期√3 导线点、水准点测量复核记录长期长期√4 工程轴线、定位桩、高程测量复核记录长期长期√5 施工安全措施短期短期6 施工环保措施短期短期㈢设计变更、洽商记录1 设计变更通知单长期长期√2 洽商记录长期长期√序号归档文件建设单位施工单位设计单位监理单位城建档案馆㈣原材料、成品、半成品、构配件、设备出厂质量合格证及试验报告1 砂、石、砌块、水泥、钢筋(材)、石灰、沥青、涂料、混凝土外加剂、防水材料、粘接材料、防腐保温材料、焊接材料等试验汇总表长期√2 砂、石、砌块、水泥、钢筋(材)、石灰、沥青、涂料、混凝土外加剂、防水材料、粘接材料、防腐保温材料、焊接材料等质量合格证书和出厂(试)验报告及现场复试报告长期√3 水泥、石灰、粉煤灰混合料;沥青混合料、商品混凝土等试验汇总表长期√4 水泥、石灰、粉煤灰混合料;沥青混合料、商品混凝土等出厂合格证和试验报告、现场复试报告长期√5 混凝土预制构件、管材、管件、钢结构构件等试验汇总表长期√6 混凝土预制构件、管材、管件、钢结构构件等出厂合格证书和相应的施工技术资料长期√7 厂站工程的成套设备、预应力混凝土张拉设备、各类地下管线井室设施、产品等汇总表长期√8 厂站工程的成套设备、预应力混凝土张拉设备、各类地下管线井室设施、产品等出厂合格证书及安装使用长期√9 设备开箱报告短期㈤施工试验记录1 砂浆、混凝土试块强度、钢筋(材)焊连接、填土、路基强度试验等汇总表长期√2 道路压实度、强度试验记录①回填土、路床压实度试验及土质的最大干密度和最佳含水量试验报告长期√②石灰类、水泥类、二灰类无机混合料基层的标准击实试验报告长期√③道路基层混合料强度试验记录长期√④道路面层压实度试验记录长期√3 混凝土试块强度试验记录①混凝土配合比通知单短期②混凝土试块强度试验报告长期√③混凝土试块抗渗、抗冻试验报告长期√④混凝土试块强度统计、评定记录长期√序号归档文件建设单位施工单位设计单位监理单位城建档案馆4 砂浆试块强度试验记录①砂浆配合比通知单短期②砂浆试块强度试验报告长期√③砂浆试块强度统计评定记录长期√5 钢筋(材)焊、连接试验报告长期√6 钢管、钢结构安装及焊缝处理外观质量检查记录长期7 桩基础试(检)验报告长期√8 工程物质选样送审记录短期9 进场物质批次汇总记录短期10 工程物质进场报验记录短期㈥施工记录1 地基与基槽验收记录①地基钎探记录及钎探位置图长期长期√②地基与基槽验收记录长期长期√③地基处理记录及示意图长期长期√2 桩基施工记录①桩基位置平面示意图长期长期√②打桩记录长期长期√③钻孔桩钻进记录及成孔质量检查记录长期长期√④钻孔(挖孔)桩混凝土浇灌记录长期长期√3 构件设备安装和调试记录①钢筋混凝土大型预制构件、钢结构等吊装记录长期长期②厂(场)、站工程大型设备安装调试记录长期长期√4 预应力张拉记录①预应力张拉记录表长期√②预应力张拉孔道压浆记录长期√③孔位示意图长期√5 沉井工程下沉观测记录长期√6 混凝土浇灌记录长期7 管道、箱涵等工程项目推进记录长期√8 构筑物沉降观测记录长期√9 施工测温记录长期10 预制安装水池壁板缠绕钢丝应力测定记录长期√㈦预检记录1 模板预检记录2 大型构件和设备安装前预检记录短期3 设备安装位置检查记录短期序号归档文件建设单位施工单位设计单位监理单位城建档案馆4 管道安装检查记录短期5 补偿冷器拉及安装情况记录短期6 支(吊)架位置、各部位连接方式等检查记录短期7 供水、供热、供气管道吹(冲)洗记录短期8 保温、防腐、油漆等施工检查记录短期㈧隐蔽工程检查(验收)记录长期长期√㈨工程质量检查评定记录1 工序工程质量评定记录长期长期2 部位工程质量评定记录长期长期3 分部工程质量评定记录长期长期√㈩功能性试验记录1 道路工程的弯沉试验记录长期√2 桥梁工程的动、静载试验记录长期√3 无压力管道的严密性试验记录长期√4 压力管道的严密性试验、通球试验等记录长期√5 水池满水试验长期√6 消化池气密性试验长期√7 电气绝缘电阻、接地电阻测试记录长期√8 电气照明、动力试运行记录长期√9 供热管网、燃气管网等管网试运行记录长期√10 燃气储罐总体试验记录长期√11 电讯、宽带网和等试运行记录长期√(十一) 质量事故及处理记录1 工程质量事故报告永久长期√2 工程质量事故处理记录永久长期√(十二) 竣工测量资料1 建筑物、构筑物竣工测量记录及测量示意图永久长期√2 地下管线工程竣工测量记录永久长期√竣工图一建筑安装工程竣工图㈠综合竣工图1 综合图√①总平面布置图(包括建筑、建筑小品、水景、照明、道路、绿化等)永久长期√②竖向布置图永久长期√③室外给水、排水、热力、燃气等管网综合图)永久长期√④电气(包括电力、电讯、电视系统等)综合图永久长期√⑤设计总说明书永久长期√序号归档文件保存单位和保管期限建设单位施工单位设计单位监理单位城建档案馆2 室外专业图①室外给水永久长期√②室外雨水永久长期√③室外污水永久长期√④室外热力永久长期√⑤室外燃气永久长期√⑥室外电讯永久长期√⑦室外电力永久长期√⑧室外电视永久长期√⑨室外建筑小品永久长期√⑩室外消防永久长期√11 室外照明永久长期√12 室外水景永久长期√13 室外道路永久长期√14 室外绿化永久长期√㈡专业竣工图1 建筑竣工图永久长期√2 结构竣工图永久长期√3 装修(装饰)工程竣工图永久长期√4 电气工程(智能化工程)竣工图永久长期√5 给排水工程(消防工程)竣工图永久长期√6 采暖通风空调工程竣工图永久长期√7 燃气工程竣工图永久长期√二市政基础设施工程竣工图1 道路工程永久长期√2 桥梁工程永久长期√3 广场工程永久长期√4 隧道工程永久长期√5 铁路、公路、航空、水运等交通工程永久长期√6 地下铁道等轨道交通工程永久长期√7 地下人防工程永久长期√8 水利防灾工程永久长期√9 排水工程永久长期√10 供水、供热、供气、电力、电讯等地下管理工程永久长期√11 高压架空输电线工程永久长期√12 污水处理、垃圾处理处置工程永久长期√序号归档文件保存单位和保管期限建设单位施工单位设计单位监理单位城建档案馆13 场、厂、站工程永久长期√竣工验收文件一工程竣工总结1 工程概况表永久√2 工程竣工总结永久√二竣工验收记录㈠建筑安装工程1 单位(子单位)工程质量验工验收记录永久长期√2 竣工验收证明书永久长期√3 竣工验收报告永久长期√4 竣工验收备案表(包括各专项验收认可文件)永久√5 工程质量保修书永久长期√㈡市政基础设施工程1 单位工程质量评定表及报验单永久长期√2 竣工验收证明书永久长期√3 竣工验收报告永久长期√4 竣工验收备案表(包括各专项验收认可文件)永久长期√5 工程质量保修书永久长期√三财务文件1 决算文件永久√2 交付使用财产总表和财产明细表永久长期√四声像、缩微、电子档案1 声像档案①工程照片永久√②录音、录像材料永久√2 缩微品永久√3 电子档案①光盘永久√②磁盘永久√注:"√"表示应向城建档案馆移交。
施工资料归档标准随着建筑行业的快速发展,施工项目的资料管理变得越来越重要。
建筑施工过程中产生的大量资料需要得到系统化整理和归档,以保证项目的可追溯性和质量控制。
本文将介绍一套合理的施工资料归档标准,以帮助项目管理人员有效管理和利用施工资料。
1. 资料分类标准施工资料的分类对于归档的有效性至关重要。
通常,施工资料可以按照以下几个方面进行分类:a. 技术资料:包括图纸、设计文件、标准规范等;b. 施工记录:包括施工日志、检测报告、变更通知等;c. 质量证明:包括质量检验报告、产品合格证明等;d. 合同文件:包括合同书、变更协议、结算单等;e. 安全管理:包括安全检查记录、事故报告等。
2. 文件编号规范为了方便管理和检索,施工资料需要进行编号。
文件编号规范的制定是一个必要的步骤。
以下是一些建议的文件编号规范:a. 文件编号应包括项目代号、文件类型、所属部门和顺序号;b. 文件类型可以使用字母或数字进行表示,如T表示技术资料,C表示合同文件;c. 文件所属部门可以使用字母进行表示,如A表示建筑部门,S 表示安全管理部门;d. 顺序号从1开始递增,以便于按照编号进行查找。
3. 归档媒介选择选择适合的媒介对于施工资料的长期保存和使用至关重要。
以下是常见的归档媒介:a. 纸质档案:传统的归档方式,可以通过文件柜进行管理,但容易造成空间浪费和文件丢失;b. 电子文档:可以通过建立电子文档库进行管理,便于检索和共享,但需要注意数据备份和安全性。
4. 归档标签和目录为了方便管理和查找施工资料,归档标签和目录的设置是必不可少的。
以下是一些建议:a. 每个文件需要贴上归档标签,标明文件编号、文件名称和归档日期;b. 按照一定的目录结构进行归档,可以按照文件类型、项目阶段或其他分类进行划分。
5. 文件检索和借阅在需要查找和借阅施工资料时,应建立相应的管理机制,以提高工作效率和防止遗失。
a. 建立文件检索系统,可以根据文件编号、文件名称等进行查询;b. 对需要借阅的文件进行借阅登记,并设定借阅期限和借阅人。
工程资料编号说明一、分部(子分部)工程划分及代号规定(1)分部(子分部)工程代号规定应参考统一标准《建筑工程施工质量验收统一标准》(GB50300—2001)的分部(子分部)工程划分原则与国家质量验收推荐表格编码要求,并结合施工资料分类编号特点制定。
(2)建筑工程共分为九个分部工程,分部(子分部)工程划分及代号见表1—2。
对于专业化程度高、施工工艺复杂、技术先进的子分部工程应分别单独组卷。
须单独组卷的子分部名称及代号见表1—2。
表1—2 分部(子分部)工程划分及代号二、施工资料编号的组成(1)施工资料编号应填人右上角的编号栏。
(2)通常情况下,资料编号应7位编号,由分部工程代号(2位)、资料类别编号(2位)和顺序号(3位)组成,每部分之间用横线隔开。
编号形式如下:××--××--×××一共7位编号①②③表1—2规定的代号填写。
表1—3规定的类别编号填写。
后顺序号填写。
(3)应单独组卷的子分部工程(表1—2),资料编号应为9位编号,由分部工程代号(2位)、子分部工程代号(2位)、资料的类别编号(2位)和顺序号(3位)组成,每部分之间用横线隔开。
编号形式如下:X X----X X----X X----X X X 共9位编号①②③④①为分部工程代号(2位),应根据资料所属的分部工程,按表1--2规定的代号填写。
②为子分部工程代号(2位),应根据资料所属的子分部工程,按表1--2规定的代号填写。
③为资料的类别编号(2位),应根据资料所属类别,按表1--3规定的类别编号填写。
④为顺序号(共3位),应根据相同表格、相同检查项目,按时间自然形成的先后顺序号填写。
资料的表格编号三、顺序号填写原则(1)对于施工专用表格,顺序号应按时间先后顺序,用阿拉伯数字从OO1开始连续标注。
(2)对于同一施工表格(如隐蔽工程检查记录、预检记录等)涉及多个(子)分部工程时,顺序号应根据(子)分部工程的不同,按(子)分部工程的各检查项目分别从OO1开始连续标注。
建设工程施工资料归档要求一、相关术语解析1.建设项目construction project经批准按照一个总体设计进行施工,经济上实行统一核算,行政上执行统一管理的工程基本建设单位。
它由一个或若干个具有内在联系的工程所组成。
2.单位工程single project在建设项目中,具有独立设计的设计文件,竣工后可以独立发挥生产能力或工程效益的工程,并能构成建设项目的组成部分。
3.分部工程divisional work指将单位工程按专业或建筑部位划分为若干个部位,每个部位为一分部工程。
4.分项工程subdivisional work由一个或若干个检验批组成的基木单元工程。
5.检验批inspection lot按同一的生产条件或按规定的方式汇总起来供检验用的,由一定数量样本组成的检验体。
6.工序working procedure是施工过程的环节,指一个基本的作业单元,即施工过程的一个步骤。
7.工程资料engineering document工程资料是在整个工程建设过程中,包括从立项、审批、施工到竣工验收等一系列活动中直接形成的文字、图表、声像等各种形式的资料。
8.施工资料construction document由总承包单位在工程的施工过程中形成并收集汇整的文件或资料的统称。
9.竣工验收文件(handing over document)建设工程项目竣工验收活动中形成的文件。
(单位工程验收记录)和(工程质量竣工核定证书)。
10.立卷(filing)按照一定的原则和方法将有保存价值的文件分门别类整理成案卷亦称组卷。
11.归档(putting into record)文件形成单位完成其工作任务后将形成的文件整理立卷后按规定移交档案管理机构。
二、工程资料分类以河北省《建筑工程技术资料管理规程》为例:工程资料统分为A、B、C、D四类,这四类资料各有侧重点。
A类资料主要是建设单位形成的资料(部分需要施工单位长期保存)。
一、施工管理及竣工验收综合资料(一)施工管理类1、建设工程主要审批文件施工许可证、中标通知书等一览表(后附各证书、批文)2、施工合同、监理合同3、建设工程各责任主体单位及主要负责人情况表4、施工单位管理人员名单(后附相应证件)5、分包单位资格审查(后附相应证书、证件)6、各工种班组长持证上岗证登记表(后附上岗证书)7、取样、送样见证人授权书8、地质勘探报告9施工技术交底(二)竣工验收类1、竣工验收备案表2、建设工程竣工验收意见书3、单位工程质量综合验收文件(1)单位工程质量竣工验收记录(2)单位工程质量控制资料检查记录(3)单位工程安全和功能检验资料及主要功能抽查资料记录(4)单位工程质量观感检查记录4、工程质量评价报告(1)建设单位评价报告(2)勘察单位评价报告(3)设计单位评价报告(4)监理单位评价报告及评估报告(5)施工单位评价报告及竣工报告二工程质量控制资料(一)施工图设计文件会审、设计变更、洽商记录(二)工程定位、交桩、放线、复核记录(三)施工组织设计报批表及施工组织设计(方案)(四)原材料出厂质量合格证及进场检验报告。
(五)半成品、成品、构配件、设备出厂检(试)验报告和复(试)验报告及见证试验记录。
(六)施工试验报告及见证检测记录(七)隐蔽验收工程记录(八)施工记录1、地基与基槽验收记录2、桩基施工记录3、构件、设备安装与调试记录4、施加预应力记录5、沉井下沉时,应填写沉井下沉观测记录6、混凝土浇注记录:凡现场浇注C2O(含)强度等级以上的结构混凝土,均应填写混凝土浇注记录。
7、管道、箱涵顶推进记录8、构筑物沉降观测记录(设计有要求的要做沉降观测记录)。
9、施工测温记录10、其它有特殊要求的工程,如厂(场)、站工程的水工构筑物,防水、钢结构及管道工程的保温等工程项目,应按有关规定及设计要求,提供相应的施工记录。
(九)质量事故报告及处理记录(十)新材料、新工艺施工记录三、工程安全和功能检验资料1、地基土承载力试验记录;基桩无损检测记录;钻芯取样检测记录2、同条件养护试件试验统计评定3、斜拉索张拉力振动频率试验记录4、索力调整检测记录5、桥梁工程设计有要求的动、静载试验。
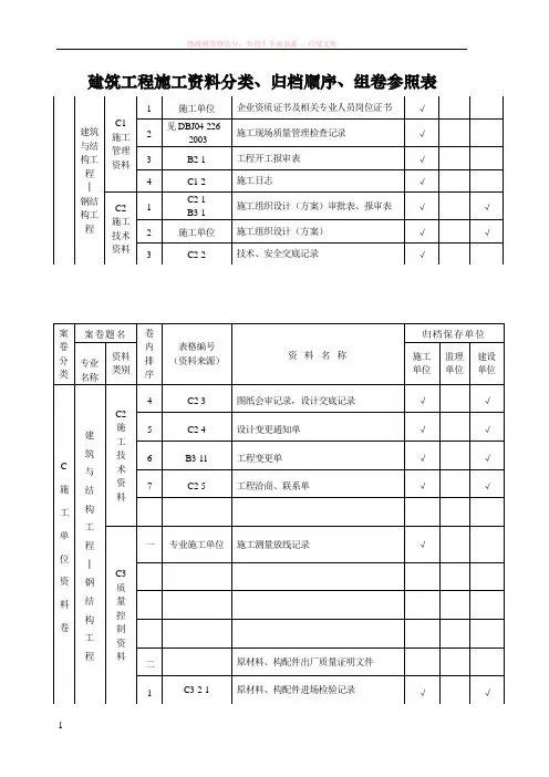
建筑工程施工资料分类、归档顺序、组卷参照表建筑与结构工程│钢结构工程C1施工管理资料1 施工单位企业资质证书及相关专业人员岗位证书√2见DBJ04-226-2003施工现场质量管理检查记录√3 B2-1 工程开工报审表√4 C1-2 施工日志√C2施工技术资料1C2-1B3-1施工组织设计(方案)审批表、报审表√√2 施工单位施工组织设计(方案)√√3 C2-2 技术、安全交底记录√案卷分类案卷题名卷内排序表格编号(资料来源)资料名称归档保存单位专业名称资料类别施工单位监理单位建设单位C 施工单位资料卷建筑与结构工程│钢结构工程C2施工技术资料4 C2-3 图纸会审记录,设计交底记录√√5 C2-4 设计变更通知单√√6 B3-11 工程变更单√√7 C2-5 工程洽商、联系单√√C3质量控制资料一专业施工单位施工测量放线记录√二原材料、构配件出厂质量证明文件1 C3-2-1 原材料、构配件进场检验记录√√2 C3-2-2 质量合格证书、中文标志、商检证(通用)√√3 供应单位提供钢结构主要材料出厂质量合格证、中文标志等(钢材、焊接材料、紧固件、涂料等)√√4 供应单位提供钢材性能检测报告√√5 供应单位提供焊接材料性能检测报告√√6 供应单位提供高强度大六角头螺栓连接副扭矩系数检测报告√√7 供应单位提供扭剪型高强螺栓连接副预拉力检测报告√√8 供应单位提供防腐、防火涂料性能检测报告√√9 C3-2-5 钢构件出厂合格证√√案卷分类案卷题名卷内排序表格编号(资料来源)资料名称归档保存单位专业名称资料类别施工单位监理单位建设单位C 施工单位资料卷建筑与结构工程│钢结构工程C3质量控制资料三原材料、构配件进场检(试)验报告1 C3-3-1 材料检(试)验报告(通用)√√2 C3-3-2 钢材复试报告√√3 检测单位焊接材料复试报告√√4 检测单位钢材金相试验报告√√5 检测单位高强度大六角头螺栓连接副复试报告√√6 检测单位扭剪型高强螺栓连接副复试报告√√7 检测单位防火涂料性能复试报告√√8 检测单位螺栓实物最小拉力载荷复验报告√√9 B3-5 见证取样记录√四施工试验报告及见证检测报告1 C3-4-21 焊缝射线探伤报告√√2 C3-4-22 焊缝超声波探伤报告√√3 C3-4-23 焊缝磁粉探伤报告√√续表建筑工程施工资料分类、归档顺序、组卷参照表4 检测单位 高强螺栓连接摩擦面抗滑移系数试验报告√ √ 5 检测单位 钢结构焊接工艺评定 √ √ 6 检测单位 网架节点承载力试验报告√ √ 7 检测单位 钢结构防腐、防火涂料厚度检测报告 √ √ 8 C3-4-20 高强度螺栓连接副施工扭矩检验记录 √ √ 9 检测单位 防腐涂料涂层附着力测试报告 √ √10 B3-5 见证取样记录 √五 C3-5-1 隐蔽工程验收记录 √ √ 六 施工记录1 C3-6-1 钢结构(网架、索膜)施工记录 √ √2 C3-6-2 预检工程记录 √3 C3-6-14 构件吊装记录 √4C3-6-15中间交接检验记录√√√案 卷 分 类 案卷题名 卷 内 排 序 表格编号 (资料来源)资 料 名 称归档保存单位专业 名称资料 类别 施工 单位 监理 单位建设 单位C 施 工 单位 资 料 卷C3 5 C3-6-46 焊接材料烘焙记录 √ C4 施工 质量 验收 资料1 参照《山西省建筑工程施工质量验收规程》表检验批质量验收记录 √2 分项工程质量验收记录 √ √3子分部工程质量验收记录√√√C51检测单位 本规程相 关表格抽检项目、检验方法及数量见GB50205-2001附录G 表G 的规定√ √。
建筑工程资料分为几类
建筑工程资料可分为以下几类:
1. 设计文件:包括建筑设计、结构设计、电气设计、给排水设计等各专业的设计图纸和计算书。
2. 深化施工图:根据设计文件进一步细化,包括各种施工图纸、施工说明和材料清单等。
3. 合同文件:包括承包合同、分包合同、供货合同等各种与建筑工程相关的合同文书。
4. 技术文件:包括建筑工程技术规范、施工工艺文件、施工方案等。
5. 现场记录:包括施工日志、检查记录、质量验收记录等。
6. 质量文件:包括施工质量控制文件、检测报告、试验数据等。
7. 进度文件:包括工程进度计划、施工进度表、工期延误报告等。
8. 报告文件:包括工程勘察报告、设计说明报告、工程验收报告等。
9. 资料备查:包括各类供货商、施工单位的资质证书、技术资料备查等。
10. 完工文件:包括竣工验收资料、竣工图纸、保修卡等。
以上是建筑工程常见的资料类别,每个类别中都可能包含多个具体的资料文件。
工程资料归档分类第一部分开工前资料11、中标通知书及施工许可证-22、施工合同-33、委托监理工程的监理合同-44、施工图审查批准书及施工图审查报告-55、质量监督登记书-66、质量监督交底要点及质量监督工作方案-77、岩土工程勘察报告-88、施工图会审记录-99、经监理(或业主)批准所施工组织设计或施工方案-110、开工报告-111、质量管理体系登记表-112、施工现场质量管理检查记录-113、技术交底记录-114、测量定位记录-第二部分质量验收资料-11、地基验槽记录-22、基桩工程质量验收报告-33、地基处理工程质量验收报告-44、地基与基础分部工程质量验收报告-55、主体结构分部工程质量验收报告-66、特殊分部工程质量验收报告-77、线路敷设验收报告-88、地基与基础分部及所含子分部、分项、检验批质量验收记录-99、主体结构分部及所含子分部、分项、检验批质量验收记录-110、装饰装修分部及所含子分部、分项、检验批质量验收记录-111、屋面分部及所含子分部、分项、检验批质量验收记录-112、给水、排水及采暖分部及所含子分部、分项、检验批质量验收记录-113、电气分部及所含子分部、分项、检验批质量验收记录-114、智能分部及所含子分部、分项、检验批质量验收记录-115、通风与空调分部及所含子分部、分项、检验批质量验收记录-116、电梯分部及所含子分部、分项、检验批质量验收记录-117、单位工程及所含子单位工程质量竣工验收记录-118、室外工程的分部(子分部)、分项、检验批质量验收记录-第三部分试验资料-11、水泥物理性能检验报告-22、砂、石检验报告-33、各强度等级砼配合比试验报告-44、砼试件强度统计表、评定表及试验报告-55、各强度等级砂浆配合比试验报告-66、砂浆试件强度统计表及试验报告-77、砖、石、砌块强度试验报告-88、钢材力学、弯曲性能检验报告及钢筋焊接接头拉伸、弯曲检验报告或钢筋机械连接9接头检验报告-99、预应力筋、钢丝、钢绞线力学性能进场复验报告-110、桩基工程试验报告-111、钢结构工程试验报告-112、幕墙工程试验报告-113、防水材料试验报告-114、金属及塑料的外门、外窗检测报告(包括材料及三性)-115、外墙饰面砖的拉拔强度试验报告-116、建(构)筑物防雷装置验收检测报告-117、有特殊要求或设计要求的回填土密实度试验报告-118、质量验收规范规定的其他试验报告-119、地下室防水效果检查记录-220、有防水要求的地面蓄水试验记录-221、屋面淋水试验记录-222、抽气(风)道检查记录-223、节能、保温测试记录-224、管道、设备强度及严密性试验记录-225、系统清洗、灌水、通水、通球试验记录-226、照明全负荷试验记录-227、大型灯具牢固性试验记录-228、电气设备调试记录-229、电气工程接地、绝缘电阻测试记录-330、制冷、空调、管道的强度及严密性试验记录-331、制冷设备试运行调试记录-332、通风、空调系统试运行调试记录-333、风量、温度测试记录-334、电梯设备开箱检验记录-335、电梯负荷试验、安全装置检查记录-336、电梯接地、绝缘电阻测试记录-337、电梯试运行调试记录-338、智能建筑工程系统试运行记录-339、智能建筑工程系统功能测定及设备调试记录-440、单位(子单位)工程安全和功能检验所必须的其他测量、测试、检测、检验、试验、调试、试运行记录-第四部分材料、产品、构配件等合格证资料-11、水泥出厂合格证(含28天补强报告)-22、砖、砌块出厂合格证-33、钢筋、预应力、钢丝、钢绞线、套筒出厂合格证-44、钢桩、砼预制桩、预应力管桩出厂合格证-55、钢结构工程构件及配件、材料出厂合格证-66、幕墙工程配件、材料出厂合格证-77、防水材料出厂合格证-88、金属及塑料门窗出厂合格证-99、焊条及焊剂出厂合格证-110、预制构件、预拌砼合格证-111、给排水与采暖工程材料出厂合格证-112、建筑电气工程材料、设备出厂合格证-113、通风与空调工程材料、设备出厂合格证-114、电梯工程设备出厂合格证-115、智能建筑工程材料、设备出厂合格证-116、施工要求的其他合格证-第五部分施工过程资料-11、设计变更、洽商记录-22、工程测量、放线记录-33、预检、自检、互检、交接检记录-24、建(构)筑物沉降观测测量记录-55、新材料、新技术、新工艺施工记录-66、隐蔽工程验收记录-77、施工日志-88、砼开盘报告-99、砼施工记录-110、砼配合比计量抽查记录-111、工程质量事故报告单-112、工程质量事故及事故原因调查、处理记录-113、工程质量整改通知书-114、工程局部暂停施工通知书-115、工程质量整改情况报告及复工申请-116、工程复工通知书-第六部分必要时应增补的资料-11、勘察、设计、监理、施工(包括分包)单位的资质证明-22、建设、勘察、设计、监理、施工(包括分色)单位的变更、更换情况及原因-33、勘察、设计、监理单位执业人员的执业资格证明-44、施工(包括分包)单位现场管理售货员及各工种技术工人的上岗证明-55、经建设单位(业主)同意认可的监理规划或监理实施细则-66、见证单位派驻施工现场设计代表委托书或授权书-77、设计单位派驻施工现场设计代表委托书或授权书-88、其他-第七部分竣工资料-11、施工单位工程竣工报告-22、监理单位工程竣工质量评价报告-33、勘察单位勘察文件及实施情况检查报告-44、设计单位设计文件及实施情况检查报告-55、建设工程质量竣工验收意见书或单位(子单位)工程质量竣工验收记录-66、竣工验收存在问题整改通知书-77、竣工验收存在问题整改验收意见书-88、工程的具备竣工验收条件的通知及重新组织竣工验收通知书-99、单位(子单位)工程质量控制资料核查记录(质量保证资料审查记录)-110、单位(子单位)工程安全和功能检验资料核查及主要功能抽查记录-111、单位(子单位)工程观感质量检查记录(观感质量评定表)-112、定向销售商品房或职工集资住宅的用户签收意见表-113、工程质量保修合同(书)-114、建设工程竣工验收报告(由建设单位填写)-115、竣工图(包括智能建筑分部)-建筑工程质量监督存档资料-11、建设工程质量监督登记书-22、施工图纸审查批准及建筑工程施工图审查报告-33、单位工程质量监督工作方案-44、建设工程质量监督交底会议通知书及交底要点-55、建设工程质量监督记录-66、建设工程质量管理体系登记表-77、施工现场质量管理检查记录-88、地基、基桩工程质量监督验收检查通知书-99、地基验槽记录及基桩工程质量验收报告-110、地基、基桩工程质量核查记录-111、设计单位出具(或认可)的地基处理措施及地基处理工程质量验收报告-112、地基与基础分部工程质量监督验收检查通知书及验收报告-113、地基与基础分部工程质量核查记录-114、主体结构分部工程质量监督验收检查通知书及验收报告-115、主体结构分部工程质量核查记录-116、特殊部分工程质量监督验收检查通知书及验收报告-117、线路敷设工程质量监督验收检查通知书及验收报告-118、钢材力学、弯曲性能检查报告及钢结构焊接接头拉伸、弯曲检验报告-119、预应力筋、钢丝、钢绞线力学性能进场复验报告-220、水泥物理性能检验报告-221、砼试件强度统计表、评定表试验报告-222、装配或预制构件结构性能检验合格证及施工接头、拼缝的砼承受施工满载、全部满载时试件强度试验报告-223、防水砼、喷射砼抗压、抗渗试验报告及锚杆抗拨力试验报告-224、地基处理工程中各类地基和各类复合地基施工完成后的地基强度(承载力)检验结果-225、桩基工程基桩试验报告-226、砂浆强度统计表及试件试验报告-227、砖、石、砌块强度检验报告-228、建筑工程材料有害物质及室内环境的检测报告-229、防水材料(包括止水带条和接缝密封材料)、保温隔热及密封材料的复验报告-330、金属及塑料外门、外窗复验报告(包括材料、风压性、气透性、水渗性)-331、外墙饰面砖的拉拔强度试验报告-332、各类电梯、自动扶梯、自动人行道安装工程的整机安装验收报告-333、各类设备安装工程的隐蔽验收、系统联动、系统调试及系统安装验收记录-334、砼楼面板厚度钻孔抽查记录-335、工程质量事故报告单-336、工程质量整改通知书及工程局部暂停施工通知书-337、工程质量复工意见书及工程质量复工通知书-338、单位(子单位)工程质量控制资料核查记录(质量保证资料审查记录)-339、单位(子单位)工程安全和功能检验资料核查及主要功能抽查记录-440、单位(子单位)工程观感质量检查记录(观感质量评定表)-441、施工单位工程竣工报告-442、监理单位工程竣工质量评价报告-443、勘察单位勘察文件及实施情况检查报告-444、设计单位设计文件及实施情况检查报告-445、建设工程竣工验收报告-446、工程竣工验收监督检查通知书-447、质量保证资料核查记录-448、单位(子单位)工程质量竣工验收记录(工程质量竣工验收意见书)-449、重新组织竣工验收通知书-550、工程竣工复验意见书-551、竣工验收存在问题整改通知书及存在问题整改验收意见书-552、工程质量保修合同-553、单位(子单位)工程质量监督报告-5注:幕墙、钢结构及网架的整套资料存质监站-。
建筑工程资料如何分类第一篇:建筑工程资料如何分类第一部分工程准备阶段文件立项、用地、勘察设计、招投标、开工审批、机构及负责人。
第二部分监理文件监理规划、监理控制、监理总结。
第三部分施工文件:一、土建(建筑与结构)工程1、施工准备2、基桩3、变更记录4、质保、5、隐蔽6、施工记录7、质检记录。
二、电气、给排水、消防、装饰、采暖通风、空调、建筑智能化、电梯工程1、图纸变更记录2、设备、产品质量检查、安装记录3、隐蔽工程验收记录4、施工试验记录5、质量事故处理记录6、工程质量验收记录。
三、室外工程1、室外安装(给水、雨水、污水、热力、燃气、电讯、电力、照明、电视、消防等)施工文件。
2、室外建筑环境(建筑小品、水景、道路、园林绿化等)施工文件。
第四部分竣工验收文件一、工程竣工总结二、竣工验收记录三、财务文件四、声像、缩微、电子档案第五部分竣工图第二篇:资料整理归纳分类资料整理归纳分类1、综合管理文件1开工令2往来文函3会议纪要4监理工程师联系单,现场联系单 5各类计划文件6月报7季度,报表8其他统计报表9各类工程事故报告,各项专题报告 10施工日志11大事记12建设前原始地形地貌,状况图,照片13企业资质及相关主业人员岗位证书2、技术管理文件⒈施工组织设计及施工方案⒉工艺文件⒊质量保证体系文件⒋安全保证体系文件⒌技术核定单⒍技术交底、技术要求⒎图纸会审纪要⒏技术总结3、施工记录1.原始地形地质文件、地质缺陷处理文件2.施工测量、竣工测量文件3.隐蔽工程检查记录4.工程定位测量记录5.地基验槽记录6.沉降观测记录7.抄测记录8.建筑防水抗渗试验记录4、质保文件1.各种物资出厂合格证、质量保证书2.钢筋力学(原材)性能检验报告3.钢筋力学(焊接)性能检验报告4.水泥检验报告5.砂检测报告6.卵(砂)石检测报告7.防水材料合格证、试验报告汇总表8.水泥出厂合格证、试验报告汇总表9其他原材料质保文件5、质量检测实验文件1.土工试验文件2.砂浆实验文件3.混凝土试验文件4.砂浆、混凝土配合比文件5.焊接试验、探伤记录6.设备及管线强度、密闭性试验文件7.电气、仪表操作联动试验文件8.设备、管线、电气、仪表安装调式、整定文件9.系统安装调试、整定文件10.质量检测试验综合成果文件11.其他检测试验文件6、质量检查评定文件1.单位工程验收评定申请表2.工程验收评定告知单3.单位工程质量验收评定纪录4.单位工程质量控制资料核查记录5.单位工程安全和功能检验资料核查及主要功能检查记录6.单位工程观感质量检查记录7.分部、分项工程质量检查评定文件8.单元工程质量检查评定文件9.设备、管线、电气、仪表检查验收签证文件10.质量评定综合成果文件7、设备文件8、合同经济文件1.施工合同2.招、投标文件3.合同变更(技术核定单、设计变更、材料更改等)文件4.合同结算、工程量、概预算、价差、奖惩、索赔、决算、审计等文件5.现场签证单6.其他经济文件9、竣工图10、合同工程完工验收文件1.验收大纲、申报文件2.验收汇报材料、基础材料、中间各类验收文件、项目验收报告3.施工总结、设计总结、监理总结、业主项目管理总结4.工程运用和度汛方案、工程安全鉴定报告、工程运行准备报告5.项目质量评审文件6.工程现象声像文件7.环保、劳动安全、消防、人防、规划、档案等验收审批文件8.验收会议决议文件、验收鉴定书、验收签字表第三篇:建筑工程资料承包合同建筑工程资料承包协议发包方(甲方):承包方(乙方):1、承包事项:工程技术资料2、承包方式:平米包干,元/m,总建筑面积为:m,总价款为:元。
建筑工程资料标准一、引言在建筑工程中,准确的资料标准对于工程的设计、施工和管理至关重要。
本文将介绍建筑工程资料标准的重要性和应遵守的标准。
二、资料的分类建筑工程资料可以分为多个不同的分类,这有助于更好地管理和归档。
以下是常见的建筑工程资料分类:1. 施工图纸:施工图纸是建筑工程中最重要的资料之一,包括平面图、立面图、剖面图等。
2. 施工规范和标准:施工规范和标准定义了工程施工的要求和标准,包括材料的使用和安装方法等。
3. 合同文件:建筑工程合同文件规定了双方的权利和义务,包括工期、付款方式等。
4. 测量和检测报告:测量和检测报告记录了建筑工程的尺寸、质量和性能等数据。
5. 工程档案:工程档案包括建筑工程的各种证明文件、备忘录和沟通记录等。
三、建筑工程资料标准的重要性建筑工程资料标准的制定和遵守具有以下重要性:1. 信息准确性:准确的资料标准可以确保施工图纸、规范和合同文件的信息准确无误。
2. 沟通和协作:标准化的资料格式有助于建筑工程团队之间的沟通和协作,减少误解和问题。
3. 资料管理:合理的资料标准可以提高资料的管理效率,便于查找和归档重要资料。
4. 可追溯性:标准化的资料标准可以确保建筑工程中的问题可以被准确地追溯和解决。
5. 法律合规性:建筑工程资料标准的遵守可以确保工程符合相关法律法规的要求。
四、建筑工程资料标准的制定建筑工程资料标准的制定应遵循以下原则:1. 适用性:资料标准必须适用于不同类型和规模的建筑工程。
2. 统一性:资料标准应保持一致,避免在不同项目中使用不同的标准。
3. 易读性:资料标准应具有清晰明了的语言和图示,易于理解和执行。
4. 更新性:资料标准应随着技术和法规的发展不断更新,以适应变化的环境。
五、建筑工程资料标准的实施建筑工程资料标准的实施包括以下步骤:1. 培训:对参与建筑工程的人员进行相关标准的培训,以确保他们能够正确理解和执行资料标准。
2. 检查和审查:建立检查机制,定期对施工图纸、规范和合同文件进行审查,确保其符合资料标准要求。
建设工程资料归档规范范本(1)建设工程资料归档是指将建设工程过程中产生的各类文件、资料进行整理、分类、标识并储存的过程。
规范的资料归档可以确保项目的可追溯性和知识积累,同时也方便后续的工程维护和管理工作。
本文将介绍一个建设工程资料归档的规范范本,为工程项目的资料归档提供指导和参考。
一、归档文件管理1. 文件分类建设工程资料应按照项目特点和管理需要进行分类。
通常可以按照建设工程划分为土建施工文件、安装工程文件、设备资料、经济管理文件、监理文件等几个主要分类,每个分类下再细分为不同的子分类。
2. 文件标识对于每个文件,都应进行明确的标识。
标识应包括项目名称、文件名称、文档编号、版本、日期等信息。
文件编号应按照一定规则进行编制,以方便文件的追溯和检索。
3. 文件存放建设工程归档文件应存放在专门的文件存放区域。
存放区域应干燥、通风良好,设有防火设施,并且要定期检查和保养,以保证文件的安全性和完整性。
4. 文件保存期限不同类型的建设工程文件有不同的保存期限。
一般而言,施工文件可以保存10年,监理文件可保存5年,设备资料和经济管理文件可根据需要进行适当延长保存期限。
二、归档流程1. 文件整理在建设工程完成后,应进行文件整理工作。
文件整理包括收集、分类、清理、审查等环节。
通过整理工作,可以确保文件的完整性和可读性。
2. 文件归类根据文件分类标准,对整理好的文件进行归类。
归类时要注意将相关文件放置在同一类别下,并在文件夹或盒子上标识相关信息。
3. 文件编制对于每个文件,都应进行文件编制的工作。
文件编制包括确定文件名称、填写文件标识和编制文件正文等环节。
4. 文件归档将编制好的文件按照文件分类的标准归档。
归档时要注意文件编号的唯一性,避免重复。
5. 文件存档将归档好的文件存放到文件存放区域中。
存放时要注意储存环境的要求,以免文件受损或丢失。
三、归档管理要点1. 定期检查定期检查归档文件的保存情况和完整性。
可以每年进行一次,对保存期限已到的文件进行检查并处理。
建设工程行业资料整理规范在如今信息化的时代,建设工程行业对于资料的整理和管理变得尤为重要。
准确、规范的资料整理可以提高工程效率,减少错误和重复工作,有助于项目的顺利进行。
本文将就建设工程行业资料整理的规范进行探讨,以期提供参考和指导。
一、资料分类和归档在进行资料整理之前,首先要明确不同类型的资料和其归属部门。
常见的资料类型包括设计图纸、合同文件、施工方案、质量检测报告等。
这些资料应当根据部门、项目或者时间等进行分类,并且在归档时应注明归档人员、归档日期和存放位置等信息,以便于后续查阅和追溯。
二、电子化管理随着信息化技术的快速发展,电子化管理是目前建设工程行业资料整理的一项必要措施。
首先,建立专门的电子档案库,将重要的纸质文件进行扫描和归档,以保证资料的长期保存。
其次,制定合理的文件命名规则,统一文件格式和文件夹结构,便于资料的检索和管理。
此外,要定期对电子档案进行备份,并设置权限进行访问控制,确保资料的安全性和完整性。
三、版本控制在建设工程中,资料的更新和修改是常有的事情。
为了保证及时更新和正确使用,建议建立版本管理制度。
每个文件都应有唯一的版本号,并记录了每个版本的修改内容和修改人。
版本更新后,应将旧版本标注为废弃,并归档保存。
版本控制的目的是使得所有涉及到该资料的人员都使用最新的版本,减少误用和错误操作。
四、资料索引和检索要做到高效的资料整理和管理,一个重要的因素是建立良好的索引系统。
索引可以根据不同的需求进行分类,如按项目、按文件类型、按人员等。
索引的建立应尽量精确和全面,以便于快速检索和定位所需要的资料。
此外,还可以采用全文搜索技术,对文件内容进行索引,提供更加便捷和智能的检索功能。
五、合作共享在建设工程行业,往往有多个部门和人员共同参与到一个项目中。
为了促进合作和信息共享,建议使用协同平台或者项目管理工具。
这些工具可以方便实时的信息传递和沟通,并支持多人协同编辑和文件分享。
通过合作共享,可以避免因为信息不畅通而导致的工作延误和错误。
工程资料编号说明一、分部(子分部)工程划分及代号规定(1)分部(子分部)工程代号规定应参考统一标准《建筑工程施工质量验收统一标准》(GB50300—2001)的分部(子分部)工程划分原则与国家质量验收推荐表格编码要求,并结合施工资料分类编号特点制定。
(2)建筑工程共分为九个分部工程,分部(子分部)工程划分及代号见表1—2。
对于专业化程度高、施工工艺复杂、技术先进的子分部工程应分别单独组卷。
须单独组卷的子分部名称及代号见表1—2。
表1—2 分部(子分部)工程划分及代号二、施工资料编号的组成(1)施工资料编号应填人右上角的编号栏。
(2)通常情况下,资料编号应7位编号,由分部工程代号(2位)、资料类别编号(2位)和顺序号(3位)组成,每部分之间用横线隔开。
编号形式如下:××--××--×××一共7位编号①②③表1—2规定的代号填写。
表1—3规定的类别编号填写。
后顺序号填写。
(3)应单独组卷的子分部工程(表1—2),资料编号应为9位编号,由分部工程代号(2位)、子分部工程代号(2位)、资料的类别编号(2位)和顺序号(3位)组成,每部分之间用横线隔开。
编号形式如下:X X----X X----X X----X X X 共9位编号①②③④①为分部工程代号(2位),应根据资料所属的分部工程,按表1--2规定的代号填写。
②为子分部工程代号(2位),应根据资料所属的子分部工程,按表1--2规定的代号填写。
③为资料的类别编号(2位),应根据资料所属类别,按表1--3规定的类别编号填写。
④为顺序号(共3位),应根据相同表格、相同检查项目,按时间自然形成的先后顺序号填写。
资料的表格编号三、顺序号填写原则(1)对于施工专用表格,顺序号应按时间先后顺序,用阿拉伯数字从OO1开始连续标注。
(2)对于同一施工表格(如隐蔽工程检查记录、预检记录等)涉及多个(子)分部工程时,顺序号应根据(子)分部工程的不同,按(子)分部工程的各检查项目分别从OO1开始连续标注。
工程资料归档分类第一部分开工前资料11、中标通知书及施工许可证。
22、施工合同33、委托监理工程的监理合同.44、施工图审查批准书及施工图审查报告55、质量监督登记书。
66、质量监督交底要点及质量监督工作方案77、岩土工程勘察报告。
88、施工图会审记录.99、经监理(或业主)批准所施工组织设计或施工方案。
110、开工报告。
111、质量管理体系登记表.112、施工现场质量管理检查记录.113、技术交底记录。
114、测量定位记录。
第二部分质量验收资料11、地基验槽记录。
22、基桩工程质量验收报告。
33、地基处理工程质量验收报告。
44、地基与基础分部工程质量验收报告。
55、主体结构分部工程质量验收报告.66、特殊分部工程质量验收报告.77、线路敷设验收报告.88、地基与基础分部及所含子分部、分项、检验批质量验收记录99、主体结构分部及所含子分部、分项、检验批质量验收记录。
110、装饰装修分部及所含子分部、分项、检验批质量验收记录。
111、屋面分部及所含子分部、分项、检验批质量验收记录112、给水、排水及采暖分部及所含子分部、分项、检验批质量验收记录。
113、电气分部及所含子分部、分项、检验批质量验收记录。
114、智能分部及所含子分部、分项、检验批质量验收记录。
115、通风与空调分部及所含子分部、分项、检验批质量验收记录116、电梯分部及所含子分部、分项、检验批质量验收记录117、单位工程及所含子单位工程质量竣工验收记录118、室外工程的分部(子分部)、分项、检验批质量验收记录.第三部分试验资料。
11、水泥物理性能检验报告22、砂、石检验报告33、各强度等级砼配合比试验报告.44、砼试件强度统计表、评定表及试验报告.55、各强度等级砂浆配合比试验报告.66、砂浆试件强度统计表及试验报告。
附件一:
延安市建筑工程
施工质量验收技术资料管理统一规定
1基本规定
1 .0 .1本规定适用于新建、扩建、改建的工业与民房屋建筑工程、装饰装修工程、构筑物工程等。
1 .0 .2凡在本市境内施工的工业与民用建筑工程的施工企业,不论其隶属关系等级,均应执行本规定。
1 .0 .3技术资料必须使用省总统一印制加盖“陕西省建设工程质量安全监督总站监制章”(红色)的配套表格,内容填写统一要求用碳素墨水。
有条件的可采用配
套光盘,微机打印。
1 .0 .4当总站配套表格不敷用时,施工单位可按表的基本格式自行补充制表。
1 .0 .6工程技术资料应设专人管理,(填写人必须持有由省总站颁发的资料整编上岗证),并应存放在施工现场,保证随时检查。
2工程技术资料及分类
2 .0 .1工程技术资料是施工企业在施工过程中严格按设计图纸、标准、规范、规程精心施工,同步收集、积累、整编形成,且必须归档保存的文件资料。
2 .0 .2技术资料应按统一标准规定,施工单位分级自行检查合格后,由监理(分级)核查验收,签名、公章必须齐全。
2 .0 .3技术资料按以下五类组卷装订:
1 .施工质量管理、竣工验收综合资料;
2 .分项工程检验批质量验收资料;
3 .工程质量控制资料;
4 .工程安全和功能检验及主要功能抽查资料;
5 .竣工图。
3工程技术资料的内容
3 .0 .1施工质量管理、竣工验收资料:
(一)工程质量管理资料:
1、工程概况表;
2、建设工程主要审批文件施工许可证、中标通知书等一览表(证
书、批方汇总);
3、施工合同、监理合同;
4、开、竣工报告;
5、施工组织设计报批表及施工组织设计(方案);
6、建设工程各责任主体单位及主要负责人情况表(资质汇总);
7、施工单位管理人员名单(证件汇总);
8、分包单位资格审查(证书、证件汇总);
9、各工种班组长特证上岗证登记表;
10、各工种操作人授权书(附样表);
11、取样、送样试验单位报审表;
12、拟选试验单位审表;
13、施工技术交底;
14、要质报告、地基处理方案、桩基工程试桩结论,深基坑支护及
监测结论;
15、以质量为中心的各种会议、文件、通知及施工现场质量管理工
作检查记录。
(二)施工日志:
(三)工程竣工验收资料:
1、竣工验收备案表
2、建设工程竣工验收意见书;
3、单位工程质量综合验收文件;
(1)单位工程质量竣工验收记录;
(2)单位工程质量控制资料检查记录;
(3)单位工程安全和功能检验资料及主要功能抽查资料记录;
(4)单位工程质量观感检查记录。
4 、工程质量评价报告;
(1)建设单位评价报告;
(2)勘察单位评价报告;
(3)设计单位评价报告;
(4)监理单位评价报告;
(5)施工单位评价报告及竣工报告。
5、规划单位出具的认可文件或准许使用文件;
6、公安消防部门出具的认可文件或准许使用文件;
7、环保部门出具的认可文件或准许使用文件;
8、施工单位提供的《工程质量保修书》;
9、商品房提供的《信宅质量保修书》和《信宅使用说明书》;
10、质量监督站提供的《工程质量监督报告》。
3 .0 .2分项工程检验批质量验收资料:
1、检验批质量验收资料的整编顺序为:
————分部(子分部)工程验收记录(表)
————分项工程质量验收记录(表)
————检验批质量验收记录(表)
2、检验批质量验收资料的内容按单位(子部)工程的体情
况和特点选用“各分项工程检验记录表”中相关表格。
3 .0 .3工程质量控制资料:
(一)建筑与结构
1、图纸会审、设计变更、洽商记录:
(1)设计交底;
(2)施工图纸会审记录;
(3)洽商记录;
(4)设计变更。
2、工程定位测量、放线记录:
(1)规划部门的定位放线、验线单;
(2)规划部门的定位坐标、高标控制摘录;
(3)施工放线记录。
3、原材料出厂合格证及进场试验报告
告;
(1)、钢材出厂合格证及进场试验报告
告;
(2)钢筋焊接、机械性能连接试验告;
钢结构、钢网架结构探伤报告;接结筋、后置埋件拉拨试验;网架节点、强度检验报告;螺栓球螺孔强度检验报告;高强螺栓表面硬度试验报告;高强螺栓强度检验报告;钢结构、网架油漆、防火、防腐涂料合格证及复试报告;焊条、焊剂合格证及检验报告。
(3)水泥、外加剂、掺合料出厂合格
证及进场试验报告;
(4)各种砖及砌块出厂批量质量检验
合格证及进场试验报告;
(5)粗、细骨料进场检验报告;
(6)防水材料出厂材料合格证及进场试
验报告;
(7)墙、地砖出场合格证及进场试验报
告;
(8)其它材料及构件出厂合格证及进场
试验报告。
4、施工试验报告及见证检测报告:
(1)砼配合比报告;砼强度试件统计
分析评定;砼试件(标养)试验报告;
(2)砂浆配合比报告;砂浆强度统计
分析评定;砂浆试件试验报告;
(3)土壤击实试验报告;
(4)其它试验报告;
5、隐蔽工程验收记录:
6、施工记录:
(1)地基处理及各类桩基施工记录;
(2)地基验槽记录、钎探记录和钎布点平面图;
(3)基础结构检查记录;地下室工程检查记录;基础工程和分项施工记录;
(4)主体结构检查记录;主体工程分项施工记录;
(5)屋面工程施工记录及分项质量验收记录;
(6)装饰、装修工程施工记录。
7、预制构件、预拌砼合格证:
(1)预制楼板合格证及进场检测报告;
(2)其它大型预制构件合格证;
(3)商品砼进场合格证。
8、地基基础、主体结构检验及抽样检测资料:
(1)人工地基检测报告;
(2)砼同条件试块试验报告;
(3)砼同条件试块试验报告;
(4)钢筋保护层厚度栓测记录。
9、分项、分部工程质量验收记录:
(1)工程质量责任单位地基验槽验收记录;
(2)地基与基础分部及分项质量验收记录;
(3)主体分部及分项质量验收记录;
(4)分部、分项工程通过验收各方签表。
10、工程质量事故调查处理资料:
11、新材料、新工艺施工记录:
12、强制性条文检查记录:
(二)给排水与采暖工程
1、图纸会审、设计变更、洽商记录;
2、材料、配件出厂合格证书及进场(试)验报告;
3、管道、设备强度试验、严密性试验记录;
4、隐蔽工程验收表;
5、系统清洗、灌水、通水、满水、通球试验记录;
6、施工记录;
7、分部分项工程质量验收记录及分项工程质量验收记录;
8、强制性条文检查记录。
(四)通风与空调
1、图纸会审、设计变更、洽商记录;
2、材料、设备出厂合格证书及进场检(试)验报告;
3、制冷、空调、水管道强度试验、严密性试验记录;
4、隐蔽工程验收记录;
5、制冷设备运行调试记录;
6、通风、空调系统调试记录;
7、风量、温度测试记录;洁净室洁净度测试记录;
8、
9、施工记录;
10、分部工程质量验收记录;
11、强制性条文检查记录。
(五)电梯
1、土建布置图纸会审、设计变更、洽商记录;
2、设备出厂合格证书及开箱检验记录;
3、隐蔽工程验收记录;
4、施工记录;
5、接地、绝电阻测试记录;
6、负荷试验、安全装置检查记录及相关检测报告;
7、分部工程质量验收记录;
8、强制性条文检查记录。
(六)建筑智能化
1、图纸会审、设计变更、洽商记录、竣工图及设计说明;
2、材料、设备出厂合格证及技术文件及进场检(试)验报告;
3、隐蔽工程验收记录;
4、系统功能测定及设备调试记录;
5、系统电源及接地检测报告;
6、系统技术、操作和维护手册;
7、系统管理、操作人员培训记录;
8、系统检测报告;
9、分部工程质量验收报告;
10、强制性条文检查记录。
3 .0 .4工程安全和功能检验及主要功能抽查资料
1、屋面淋水试验记录;
2、地下室防水效果检查记录;
3、有防水要求的地面畜水试验记录;
4、建筑物垂直度、标高、全高测量记录;
5、抽气(风)道检查记录;
6、幕墙及外窗气密性、水密性、耐风压检测报告;
7、建筑物沉降观测测量记录;
8、节能、保温测试记录;
9、室内环境检测报告;
10、避雷装置安全检測。
3 .0 .5竣工图
1、未变更的图纸仅加印竣工印章,变更不多时可用碳素墨水绘制
在图纸空白处。
2、凡建筑结构平面图,结构图变更较多的,设备、管线系统图及
变更超过1/3的,应以设计单位绘制的变更图纸为准。
3、竣工图同施工企业负责整编,图按《技术制图复制图的折叠方
法》(GB/T10609 .3-89)统一折成A4幅面,图标栏应露在
外面,按专业进行组卷。
4附则
4 .0 .1本规定由延安市建设工程质量安全监督中心站负责解释工
作。