PLC期末考试试题—B卷 - 答案
- 格式:doc
- 大小:431.00 KB
- 文档页数:10
华南农业大学珠江学院期末考试一试卷2021--2021 学年度下学期考试科目:电气可编程控制考试年级: __2021__级考试种类:〔开卷〕B卷考试时间:120 分钟学号姓名年级专业题号一二三四五总分得分评卷人一、填空题〔本大题共10 小题, 20 空,每空 1 分,共 20 分〕1.低压电器是指额定电压等级在交流1200V、直流 1500V 以下的电器。
一般按根本用途分可分为配电电器和控制电器。
2.热继电器是利用电流的热效应原理来工作的保护电器,它在电路中主要用作三相异步电动机的过载保护。
3.PLC是经过一种周期扫描工作方式来完成控制的,每个周期包括输入采样阶段、程序办理阶段及输出刷新结果阶段三个阶段。
4.可编程控制器的输出有三种形式,分别是继电器输出,双向晶闸管输出及晶体管输出。
5.在 FX2N型 PLC中,有一 32 位加 / 减计数器 C210,欲使其工作在减计数模式,那么需将对应的特别辅助继电器M8210置 1即可。
6.当 PLC的扫描周期大于监察准时器规定的时间时,PLC将停止工作,为防范此种情况发生,可在程序合适地址插入WDT指令,对监察准时器刷新,或更正特别数据存放器 D8000的值,使其大于 PLC扫描周期。
7.一准时器 T234,欲使其在10S 后动作,那么该准时器的设定值应为K1000。
8.FX -48MR型号 PLC中 48、M、 R 的意义分别是:输入输出共 48 点、根本单元、2N继电器输出型。
9.准时器的线圈上电时开始计时,准时时间到达设定值时其常开触点闭合,一般的准时器都是通电延时型准时器。
10. 功能指令助记符前标记〔D〕符号,表示该指令是32位指令,功能指令助记符后标记〔 P〕符号,表示该指令是脉冲执行型指令。
得分评卷人二、判断题〔本大题共10 小题,每题 1 分,共 10 分〕判断以下各题正误,正确的在题后括号内打“√〞,错误的打“×〞。
1.中间继电器实质上是电压继电器的一种,使用时可代替交流接触器。
X)C)CX高等职业技术学校XXXX-XXXX学年第X学期X高职电《电气控制与P1C》期末试卷(B卷)班级:姓名:得分:一、填空题(每空2分,共20分)1.功能状态流程图中,双框用在初始步,单框用在普通步。
2.P1C编程中,K23代表十进制常数23 ;H2代表十六进制常数2。
3.如图示:若闭合X1则Y3Y2Y1Y0中Y1、Y3亮。
45.变频器供电电源异常表现的形式有缺相、电压波动和瞬间停电。
6.变频器按电压的调制方式分为脉宽调制[SPMM]变频器和脉幅调制[PAM]变频器两种。
7.M0—M15中,MO,M3数值都为1,其它都为0,那么,K4M0数值为9 。
8.M8013的脉冲输出周期是1秒。
9.说明下列指令意义。
CA11 子程序调用指令、ZCP 区间比较指令、SUB 二进制减法指令、RET 步进结束指令RO1 循环左移指令、SFTR 位右移指令9.指令ADDD1OD20D30的含义是D1o加上D20是和传送到D30中二、单项选择题(每题2分,共10分)1P1C的输出方式为晶闸管型时,它适用于(B)负载。
A、感性B、交流C、直流D、交直流2.M8013是归类于(C)A、普通继电器B、计数器C、特殊辅助继电器D、高速计数器三、判断题(要给出正确和错误的标志符号,如“或"X",答案填在题干后面的括号内,每小题1分,共5分)1变频器的接地必须与动力设备的接地点分开,不能共地。
(J)2.加速时间是指工作频率从OHZ上升至最大频率所需要的时间。
(×)3.基本参数是变频器根据选用的功能而需要预置的参数。
(X)4.在采用外控方式时,应接通变频器的电源后,再接通控制电路来控制电动机的起、停。
(J)5.FX2N的步进专用指令ST1指步进开始;而RET代表步进结束。
(√)四、简答题(6分+5分+5分+8分,共24分)1简述P1C程序设计的步骤是什么?(6分)答:P1C程序设计的步骤为:(1)分析了解被控对象的工艺条件和控制要求,明确控制任务;(2)选择P1C的类型;(3)分配I/O点数;(4)设计控制系统梯形图;(5)将梯形图转换成指令语句;(6)输入调试程序;(7)固化程序2 .什么是PWM 技术?(5分)答:(I )PWM 脉宽调制技术,是对逆变电路开关器件的通断进行控制,使输出端得到一系列脉幅值相等而宽度不等的脉冲,用这些脉冲来代替正弦波或所需要的波形。
大学plc期末考试试题和答案**大学PLC期末考试试题和答案**一、选择题(每题2分,共20分)1. PLC的全称是()。
A. 可编程逻辑控制器B. 可编程线性控制器C. 可编程逻辑计算器D. 可编程逻辑控制板答案:A2. PLC中,I/O模块的作用是()。
A. 存储数据B. 执行逻辑运算C. 输入输出信号处理D. 电源管理答案:C3. 以下哪个不是PLC的编程语言()。
A. 梯形图B. 指令列表C. 功能块图D. 汇编语言答案:D4. PLC的扫描周期主要受哪个因素的影响()。
A. 程序复杂度B. I/O模块数量C. 电源电压D. 存储器大小答案:A5. PLC中,用于实现定时功能的指令是()。
A. LDB. ANDC. TOND. OR答案:C6. PLC的输出接口类型中,晶体管输出适用于()。
A. 交流负载B. 直流负载C. 感性负载D. 容性负载答案:B7. PLC的输入接口类型中,光电耦合器的主要作用是()。
A. 信号放大B. 信号隔离C. 信号滤波D. 信号转换答案:B8. PLC的存储器中,只读存储器(ROM)通常用于存储()。
A. 用户程序B. 系统程序C. 临时数据D. 配置参数答案:B9. PLC的通信接口中,RS-232C通常用于()。
A. 长距离通信B. 短距离通信C. 无线通信D. 局域网通信答案:B10. PLC的故障诊断中,如果输入信号正常但对应的输出没有动作,可能的原因是()。
A. 输入模块损坏B. 输出模块损坏C. 程序逻辑错误D. 电源模块损坏答案:C二、填空题(每题2分,共20分)1. PLC的英文全称是________,中文全称是________。
答案:Programmable Logic Controller,可编程逻辑控制器2. PLC的三个基本组成部分包括________、________和________。
答案:中央处理单元(CPU)、输入/输出(I/O)模块、存储器3. 在PLC的梯形图中,常开接点用________表示,常闭接点用________表示。
plc期末考试试题和答案答题**PLC期末考试试题和答案**一、选择题(每题2分,共20分)1. PLC的全称是()。
A. 可编程逻辑控制器B. 可编程逻辑计算机C. 可编程逻辑单元D. 可编程逻辑处理器答案:A2. PLC的工作原理是基于()。
A. 顺序控制B. 并行控制C. 分布式控制D. 网络控制答案:A3. PLC中,I/O模块的作用是()。
A. 存储数据B. 执行逻辑运算C. 与外部设备进行数据交换D. 显示信息答案:C4. 下列哪个不是PLC的输入设备()。
A. 按钮B. 传感器C. 显示器D. 继电器答案:C5. PLC的输出模块通常用于控制()。
A. 传感器B. 显示器C. 执行器D. 数据存储器答案:C6. PLC的扫描周期是指()。
A. PLC完成一次扫描的时间B. PLC完成一次输入扫描的时间C. PLC完成一次输出扫描的时间D. PLC完成一次程序执行的时间答案:A7. PLC的编程语言中,梯形图属于()。
A. 顺序功能图B. 功能块图C. 指令列表D. 图形编程语言答案:D8. PLC的存储器中,RAM是()。
A. 只读存储器B. 随机存取存储器C. 可编程只读存储器D. 可擦写存储器答案:B9. PLC的通信接口中,RS-232C是()。
A. 串行通信接口B. 并行通信接口C. 以太网通信接口D. 无线通信接口答案:A10. PLC的故障诊断中,LED指示灯通常用于指示()。
A. 电源状态B. 程序运行状态C. 输入/输出状态D. 通信状态答案:A二、填空题(每题2分,共20分)1. PLC的三个主要组成部分是_______、_______和_______。
答案:中央处理单元(CPU)、输入/输出(I/O)模块、存储器2. PLC的输入/输出模块通常包括_______、_______和_______。
答案:数字输入模块、数字输出模块、模拟输入/输出模块3. PLC的编程软件通常提供_______、_______和_______等编程语言。
电气控制与plc应用技术期末试题及答案一、单项选择题(每题2分,共20分)1. PLC的全称是()。
A. 可编程逻辑控制器B. 可编程线性控制器C. 可编程逻辑计算器D. 可编程逻辑电路答案:A2. 下列哪个不是PLC的特点?()A. 高可靠性B. 高灵活性C. 高成本D. 易于编程答案:C3. PLC的输入/输出接口通常采用()。
A. 继电器B. 晶体管C. 集成电路D. 光耦答案:B4. 在PLC中,用于实现顺序控制的编程方法是()。
A. 梯形图B. 语句表C. 功能块图D. 结构化文本答案:A5. PLC的扫描周期主要受()的影响。
A. 程序复杂度B. 外部负载C. 电源电压D. 内部存储器大小答案:A6. PLC的输出接口通常采用()。
A. 开关量输出B. 模拟量输出C. 脉冲输出D. 以上都是答案:D7. 在PLC中,用于实现定时控制的软元件是()。
A. 计数器B. 定时器C. 累加器D. 寄存器答案:B8. PLC的编程语言不包括()。
A. 梯形图B. 汇编语言C. 功能块图D. 结构化文本答案:B9. PLC的输入接口主要用于接收()。
A. 模拟信号B. 脉冲信号C. 开关信号D. 以上都是答案:D10. PLC的输出接口主要用于控制()。
A. 传感器B. 显示器C. 执行器D. 以上都是答案:C二、多项选择题(每题3分,共15分)1. PLC的编程语言包括()。
A. 梯形图B. 布尔逻辑C. 功能块图D. 结构化文本答案:ACD2. PLC在工业自动化中的应用包括()。
A. 包装机械B. 交通信号控制C. 家庭照明D. 机器人控制答案:ABD3. PLC的输入设备可以是()。
A. 按钮B. 传感器C. 继电器D. 显示器答案:AB4. PLC的输出设备可以是()。
A. 继电器B. 指示灯C. 电机D. 显示器答案:ABC5. PLC的编程软件通常具备的功能包括()。
A. 程序编辑B. 程序下载C. 故障诊断D. 数据监控答案:ABCD三、判断题(每题2分,共10分)1. PLC的输出接口可以直接驱动大功率电机。
PLC期末考试试题和答案一1、由于电弧的存在,将导致(A)A电路分断时间加长2、熔断器的额定电流与熔体的额定电流(B)B不是一回事3、甲乙两个接触器,欲实现互锁控制,则应(C)C在两接触器的线圈电路中互串对方的动断触点4、断电延时型时间继电器它的延时动合触点为(D)D瞬时断开延时闭合的动合触点5、电压继电器与电流继电器的线圈相比,具有的特点是(B)B电压继电器的线圈匝数多,导线细,电阻大6、同一电器的各个部件在图中可以不画在一起的图是(A)A电气原理图B电器布置图C电气按装接线图D电气系统图7、下列电器中不能实现短路保护的是(B)A熔断器B热继电器C过电流继电器D空气开关8、在延时精度要求不高,电源电压波动较大的场合应选用(A)A氛围阻尼式时间继电器B晶体管式时间继电器C电动式时间继电器D上述三种都不合适9、CJ20-160型交流接触器在380V时的额定电流是(A)A160AB20AC100AD80A10、按钮,路程开关,全能转换开关按用途或控制工具分属于下列哪一类(C)A低压保护电器B低压控制电器C低压主令电器D低压执行电器1、判断交换或直流打仗器的根据是:(B)A、线圈电流的性质B、主触点电流的性质2、用于使自动空气开关远距离断开电路的是:(C)C、分励脱扣器D、自由脱扣器3、电磁机构中,吸引线圈的作用是:(A)A、将电能转化成磁场能量4、熔断器作为短路保护的电器,它是(B)于被保护电路中的。
A、并接B、串接C、串接或并接都可以5、把线圈额定电压为220V的交换打仗器线圈误接入380V的交换电源上会产生的问题是:(C)C、销毁线圈D、销毁触点6、下述对PLC存储器描述错误的是:(A)A、存放输入信号B、存放用户程序C、存放数据D、存放系统程序7、分析电气原理图的基本原则是:(C)C、先分析主电路、后分析辅佐电路D、先分析辅佐电路、后分析主电路8、自动空气开关的电气符号是:(B)A、SBB、QFC、FRD、FU9、下列对PLC软继电器的描述,正确的是:(A)A、有无数对常开和常闭触点供编程时利用10、ST指令的作用是:(A)A、用于单个常开触点与母线连接1.低压电器标准规定,低压电器通常是指工作在交流电压小于( A ),直流电压小于(B )的电路中起通断、保护、控制或调节作用的电器设备。
适用专业:(每小题2分,正确打“√”,错误打“×”)1.PLC的继电器型输出方式只能控制交流负载。
()2.PLC的输出模块分为继电器输出、晶体管输出和双向可控硅输出三种形式。
()3.当IL的条件为OFF时,IL/ILC之间各继电器均复位。
()4.当发生掉电故障时,计数器当前值存入内存,计数器不复位。
()5.PLC能完成逻辑控制、顺序控制、定时、计数和算术运算等功能。
()6.I/O继电器在没有与外部设备连接时,均可作为中间继电器。
()7.SET和RSET指令之间不能插入其它指令。
()8.几个动断串联或动合并联触点可合并后与PLC相连,只占用一个输入点。
()9.PLC可以取代继电器完成逻辑控制等功能。
()10.梯形图中,每一个逻辑行的右母线可以省略不画。
()二、单项选择题(共20分,每小题2分)1.PLC是一种工业用计算机,因而它必须有很强的能力。
A.计算;B.抗干扰;C.数据管理;D.负荷。
2.在使用PLC时,具有特殊功能的专用继电器可用符号表示。
A.IR;B.HR;C.SR;D.AR。
3.PLC的普通计数器在计数输入端有信号时复位。
A.高电平;B.低电平;C.上升沿;D.下降沿。
4.CPM1A中,等于标志专用继电器符号为。
A.25504;B.25505;C.25506;D.25507。
5.当IL的条件为OFF时,IL/ILC指令之间各继电器状态。
A.与没有IL/ILC指令一样;B.均复位;T、HR、SFT保持当前值;D.均保持当前值。
6.控制计数器CNT的指令程序必须依照顺序输入到CPU中。
A.计数输入、复位输入、计数器线圈;B.复位输入、计数输入、计数器线圈;C.计数器线圈、计数输入、复位输入;D.计数输入、计数器线圈、复位输入。
7.OR-LD指令用来处理。
A.串联触点;B.并联触点;C.串联电路块;D.并联电路块。
8.当复位端有时,SFT复位。
A.高电平;B.低电平;C.上升沿;D.下降沿。
plc期末复习题及答案一、选择题(每题2分,共20分)1. PLC的全称是()。
A. 可编程逻辑控制器B. 可编程逻辑计算机C. 可编程逻辑电路D. 可编程逻辑单元答案:A2. PLC的工作原理基于()。
A. 顺序控制B. 循环控制C. 并行控制D. 事件控制答案:B3. PLC的输入设备通常包括()。
A. 按钮和传感器B. 开关和继电器C. 显示器和打印机D. 电机和驱动器答案:A4. PLC的输出设备通常包括()。
A. 指示灯和蜂鸣器B. 显示器和打印机C. 传感器和按钮D. 开关和继电器答案:A5. PLC的编程语言中,梯形图属于()。
A. 文本编程语言B. 图形编程语言C. 机器语言D. 汇编语言答案:B6. PLC的扫描周期包括()。
A. 输入扫描、程序执行、输出刷新B. 输入扫描、程序执行、输出处理C. 输入处理、程序执行、输出扫描D. 输入处理、程序执行、输出刷新答案:A7. PLC的存储器中,用户程序存储在()。
A. 只读存储器B. 随机存取存储器C. 可编程非易失性存储器D. 可擦写可编程只读存储器答案:C8. PLC的通信接口通常支持()。
A. 以太网B. 串行通信C. 无线通信D. 所有以上选项答案:D9. PLC的故障诊断功能包括()。
A. 错误代码显示B. 程序跟踪C. 状态指示D. 所有以上选项答案:D10. PLC的扩展模块包括()。
A. 输入/输出模块B. 通信模块C. 特殊功能模块D. 所有以上选项答案:D二、填空题(每题2分,共20分)1. PLC的输入/输出(I/O)模块是用于连接PLC与外部______和执行器的接口。
答案:传感器2. PLC的扫描周期从______开始,经过程序执行,最后进行输出刷新。
答案:输入扫描3. 在PLC的梯形图中,常闭触点通常用______表示。
答案:一个带有斜杠的圆圈4. PLC的程序存储器可以存储用户编写的______。
答案:控制程序5. PLC的输出刷新阶段,PLC会将程序执行的结果输出到______。
plc期末试题及答案一、选择题(每题4分,共20分)1. PLC的全称是()。
A. Power Line CommunicationB. Programmable Logic ControllerC. Personal Learning CenterD. Public Limited Company答案:B2. 在PLC中,I/O模块的作用是()。
A. 存储数据B. 处理数据C. 接收和输出信号D. 显示数据答案:C3. PLC的扫描周期包括()。
A. 程序执行时间B. 程序编写时间C. 程序测试时间D. 程序调试时间答案:A4. 下列哪个不是PLC的输入设备?()A. 按钮B. 传感器C. 继电器D. 显示器答案:D5. PLC的程序设计语言主要有()。
A. 梯形图B. 功能块图C. 结构化文本D. 所有以上答案:D二、填空题(每题3分,共15分)1. PLC的输出模块通常由______和______组成。
答案:输出继电器,输出晶体管2. PLC的程序设计通常采用______方式进行。
答案:模块化3. PLC的输入/输出地址通常由______和______组成。
答案:模块号,点号4. PLC的存储器分为______和______。
答案:RAM,ROM5. PLC的扫描周期主要由______和______组成。
答案:输入处理,输出处理三、简答题(每题10分,共20分)1. 简述PLC的工作原理。
答案:PLC的工作原理是:首先,PLC的CPU读取输入模块的状态,并将这些状态存储在输入寄存器中。
接着,CPU执行用户编写的程序,根据程序逻辑处理输入寄存器中的数据,并更新输出寄存器。
最后,输出寄存器的状态被发送到输出模块,控制外部设备。
2. PLC在工业自动化中有哪些应用?答案:PLC在工业自动化中的应用包括:生产线控制、物料搬运系统、包装机械、机器人控制、环境监控系统、能源管理系统等。
四、编程题(每题15分,共30分)1. 编写一个PLC程序,实现当按钮S1被按下时,启动电机M1;当按钮S2被按下时,停止电机M1。
plc期末考试题目及答案详解一、选择题(每题2分,共20分)1. PLC的全称是什么?A. 可编程逻辑控制器B. 功率线通信C. 个人局域网络D. 公共语言计算机答案:A2. PLC的工作原理是基于什么?A. 继电器逻辑B. 微处理器C. 模拟电路D. 机械传动答案:A3. PLC的输入/输出模块不包括以下哪一项?A. 模拟输入模块B. 数字输入模块C. 通信模块D. 存储模块答案:D4. PLC的扫描周期主要由哪两个阶段组成?A. 程序执行和输入处理B. 程序执行和输出处理C. 输入处理和输出处理D. 输入采样和输出刷新答案:B5. PLC的编程语言不包括以下哪一项?A. 梯形图B. 功能块图C. 顺序功能图D. 汇编语言答案:D6. PLC的存储器中,哪一部分用于存储程序?A. RAMB. EPROMC. EEPROMD. ROM答案:B7. PLC的输出模块中,继电器输出型和晶体管输出型的主要区别是什么?A. 响应速度B. 负载能力C. 隔离方式D. 电源电压答案:B8. PLC与计算机通信时,常用的通信接口不包括以下哪一项?A. RS-232B. RS-485C. USBD. VGA答案:D9. PLC的扫描周期中,哪个阶段是CPU执行用户程序的阶段?A. 输入采样B. 程序执行C. 输出刷新D. 等待阶段答案:B10. PLC的程序下载到CPU中后,需要执行哪个操作才能使程序生效?A. 编译B. 烧录C. 上传D. 下载答案:A二、填空题(每题2分,共20分)1. PLC的输入信号通常通过________模块接入。
答案:数字输入2. PLC的输出信号通常通过________模块输出。
答案:数字输出3. PLC的________模块用于扩展PLC的通信功能。
答案:通信4. PLC的________存储器用于存储用户程序。
答案:非易失性5. PLC的________模块可以用于模拟信号的输入。
plc技术期末考试题及答案一、单项选择题(每题2分,共20分)1. PLC的全称是()。
A. 可编程逻辑控制器B. 可编程线性控制器C. 可编程逻辑计算机D. 可编程逻辑电路答案:A2. PLC的工作原理基于()。
A. 顺序控制B. 循环扫描C. 事件驱动D. 并行处理答案:B3. 在PLC中,用于存储程序的存储器是()。
A. RAMB. ROMC. EPROMD. EEPROM答案:B4. PLC的输入/输出模块通常采用()接口。
A. 并行接口B. 串行接口C. USB接口D. 以太网接口答案:B5. PLC的编程语言不包括()。
A. 梯形图B. 指令列表C. 功能块图D. 自然语言答案:D6. PLC的扫描周期主要受()影响。
A. 程序复杂度B. 硬件性能C. 外部干扰D. 电源电压答案:A7. PLC的输出模块通常采用()类型。
A. 开关量B. 模拟量C. 脉冲量D. 频率量答案:A8. PLC的通信协议不包括()。
A. ModbusB. ProfibusC. Ethernet/IPD. USB答案:D9. PLC的故障诊断通常通过()进行。
A. 软件工具B. 硬件工具C. 人工检查D. 网络监控答案:A10. PLC的扩展模块通常包括()。
A. 输入/输出模块B. 通信模块C. 电源模块D. 所有选项答案:D二、多项选择题(每题3分,共15分)1. PLC的主要应用领域包括()。
A. 工业自动化B. 楼宇自动化C. 交通运输D. 家庭自动化答案:ABC2. PLC的输入设备可以是()。
A. 按钮B. 传感器C. 编码器D. 显示器答案:ABC3. PLC的输出设备可以是()。
A. 继电器B. 接触器C. 指示灯D. 显示器答案:ABC4. PLC的编程软件通常具备的功能包括()。
A. 程序编辑B. 程序下载C. 程序模拟D. 故障诊断答案:ABCD5. PLC的通信方式可以是()。
A. 点对点B. 总线型C. 星型D. 环形答案:ABC三、判断题(每题2分,共10分)1. PLC的扫描周期是固定的。
plc期末考试和答案# PLC期末考试和答案## 一、选择题1. PLC的全称是()。
A. 可编程逻辑控制器B. 可编程线性控制器C. 可编程逻辑计算机D. 可编程逻辑电路**答案:A**2. PLC的工作原理基于()。
A. 顺序控制B. 循环扫描C. 事件驱动D. 并行处理**答案:B**3. 下列哪个不是PLC的输入/输出模块()。
A. 模拟输入模块B. 模拟输出模块C. 通信模块D. 电源模块**答案:D**4. PLC中的“扫描周期”是指()。
A. PLC从开始到结束一个扫描周期的时间B. PLC从输入到输出一个扫描周期的时间C. PLC从开始到结束一个程序执行周期的时间D. PLC从输入到输出一个程序执行周期的时间**答案:C**5. PLC中用于存储程序的存储器是()。
A. RAMB. EPROMC. EEPROMD. ROM**答案:C**## 二、填空题1. PLC的编程语言包括梯形图、_______、布尔代数和_______。
**答案:顺序功能图、功能块图**2. PLC的三个基本组成部分是_______、_______和_______。
**答案:中央处理单元(CPU)、输入/输出模块、存储器**3. PLC的输入/输出模块中,DI代表_______输入,DO代表_______输出。
**答案:数字、数字**4. PLC的扫描周期包括_______扫描和_______扫描。
**答案:用户程序、系统**5. PLC的通信接口可以支持多种协议,如_______、_______和Modbus等。
**答案:Profibus、EtherNet/IP**## 三、简答题1. 简述PLC的工作原理。
**答案:**PLC的工作原理基于循环扫描,每次扫描包括输入采样、程序执行和输出刷新三个阶段。
在输入采样阶段,PLC读取所有输入设备的状态;在程序执行阶段,PLC根据输入状态和程序逻辑计算输出状态;在输出刷新阶段,PLC更新所有输出设备的状态。
plc期末考试题目及答案详解PLC期末考试题目及答案详解一、选择题(每题2分,共20分)1. PLC的全称是:A. Programmable Logic ControllerB. Personal Learning CenterC. Public Library of ChinaD. Power Line Communication答案:A2. PLC的编程语言不包括:A. 梯形图B. 指令列表C. 顺序功能图D. 汇编语言答案:D3. 下列哪个不是PLC的特点:A. 高可靠性B. 易编程性C. 灵活性差D. 实时性好答案:C4. PLC的输入/输出接口通常不包括:A. 模拟输入B. 数字输入C. 继电器输出D. 无线传输答案:D5. PLC的扫描周期主要由以下哪个阶段决定:A. 程序编写时间B. 程序执行时间C. 程序下载时间D. 程序调试时间答案:B...20. PLC在工业自动化中的主要作用是:A. 数据存储B. 过程控制C. 网络通信D. 人机交互答案:B二、填空题(每空1分,共10分)1. PLC的输入设备通常包括________、________等。
答案:按钮;传感器2. PLC的输出设备通常包括________、________等。
答案:继电器;指示灯3. PLC的编程软件一般包括________、________等。
答案:编程环境;仿真环境4. PLC的工作原理基于________原理。
答案:继电器控制5. PLC的程序存储在________中。
答案:RAM或ROM...三、简答题(每题10分,共20分)1. 简述PLC的工作原理。
答案:PLC的工作原理基于继电器控制原理,通过输入设备接收信号,经过CPU处理后,通过输出设备控制外部设备。
PLC采用循环扫描的方式工作,包括输入扫描、程序执行和输出刷新三个阶段。
2. 描述PLC在工业自动化中的应用场景。
答案:PLC在工业自动化中应用广泛,如生产线的自动控制、机械手的协调动作、物料搬运系统的调度等。
plc大学期末考试试卷和答案**PLC大学期末考试试卷和答案**一、选择题(每题2分,共20分)1. PLC的全称是()。
A. 可编程逻辑控制器B. 可编程线性控制器C. 可编程逻辑计算机D. 可编程逻辑电路答案:A2. PLC的扫描周期包括()。
A. 输入采样、程序执行、输出刷新B. 输入采样、程序执行、输出处理C. 输入处理、程序执行、输出刷新D. 输入采样、程序处理、输出刷新答案:A3. PLC的输入/输出接口电路中,光电耦合器的主要作用是()。
A. 隔离B. 放大C. 转换D. 滤波答案:A4. PLC的程序存储器中存储的是()。
A. 程序代码B. 数据C. 系统软件D. 硬件配置信息答案:A5. 在PLC的编程语言中,梯形图的主要特点是()。
A. 易于理解B. 易于编程C. 易于调试D. 所有选项答案:D6. PLC的输出接口电路中,晶体管输出的主要特点是()。
A. 低电平输出B. 高电平输出C. 只能驱动直流负载D. 只能驱动交流负载答案:A7. PLC的输入接口电路中,如果输入信号是交流信号,则需要()。
A. 直接接入B. 通过继电器转换C. 通过整流电路转换D. 通过隔离电路转换答案:C8. PLC的程序执行过程中,如果遇到定时器指令,PLC会()。
A. 立即执行B. 跳过执行C. 延迟执行D. 随机执行答案:C9. PLC的网络通信中,Profibus是一种()。
A. 现场总线B. 以太网C. 串行通信D. 无线通信答案:A10. PLC的程序中,如果使用“AND”指令,那么输出结果为“1”的条件是()。
A. 所有输入都为“1”B. 至少一个输入为“0”C. 所有输入都为“0”D. 至少一个输入为“1”答案:A二、填空题(每题2分,共20分)1. PLC的英文全称是__________,中文全称是__________。
答案:Programmable Logic Controller,可编程逻辑控制器2. PLC的三个主要组成部分是__________、__________和__________。
南阳理工学院电子与电气工程系2011—2012学年第一学期期末考试卷 课程名称 可编程序控制器 试卷编号 B 考试方式 闭卷 满分分值 100分一、填空题(共20分,每空1分)。
1、S7-300PLC 最多可带 3 个扩展机架,每个机架最多只能安装 8 个信号模块、功能模块或通信处理模块。
2、电源模块总是在中央机架的1 号槽,CPU 模块只能在中央机架的2号槽,接口模块只能在3号槽。
3、S7-300的0号机架4号槽的DI 模板缺省起始通道地址为 I0.0 ,AI 模板,7号槽起始通道地址为 PIW304 。
4、INT 数据类型的长度为 2 个字节,REAL 数据类型的长度为 4 个字节。
5、MW0是位存储器中的第1个字,MW4是位存储器中的第3个字。
MB103 是MD100中最低的8位所对应的字节。
6、从结构形式上PLC 可分为 整体式 和模块式 两大类。
7、RLO 是Result of Logic Operation 的简称。
S5T#10S 和T#10S 用于梯形图的是S5T#10S 。
8、PLC 的一个扫描周期分为三个阶段。
9、AO 模块的功能是将数字量转换为 模拟量;AO 模块可输出电压、类型的模拟量信号。
二、选择题(共10分,每题2分)。
( A )10、硬件组态中,CPU 必须放置在____________机架。
A 、UR0 B 、UR1 C 、UR2 D 、UR3( B )11、PLC 硬件的6号槽中组态了一块16通道 DC24v DI 模块,该槽占据输入___字节。
A 、1B 、2C 、3D 、4( B )12、PLC 开关量输出接口中 型输出接口可用于驱动交流或直流负载。
A 、接触器B 、继电器C 、双向晶闸管D 、晶体管( D )13、通过给S7-300的CPU 扩展MMC 后,扩展了下面______。
A 、保持存储器 B 、工作存储器 C 、系统存储器 D 、装载存储器 ( D )14、S7-300/400 PLC 在启动时要调用的组织块是______。
一、填充题:(每空1分,总26分)1、可编程逻辑控制器简称:PLC 。
2、313C型CPU属于 300 (200、300、400、500)系列的CPU。
3、“c#12”表示计数器的计数值是:十进制的十二。
4、S7-300PLC的状态字里的RLO位是逻辑操作结果位的意思。
5、西门子PLC的CPU从总体上可大概分为 200 、 300 、 400 三个系列。
7、构成一个简单的PLC控制单元,一般至少由电源、 CPU 、 I/O 三种模块构成。
8、在对PLC进行编程之前,先要对硬件进行组态,然后还要下载。
9、在没有硬件的条件下,可以通过仿真方法进行程序调试。
10、OB1是程序循环组织块,OB100是初始化组织块。
11、PLC的接口模块总是位于机架的3号槽,CPU则在2号槽,而每个机架上不能超过8个信号模块。
12、PLC是以循环扫描方式执行程序。
13、MD20是由 MW20 、 MW21 两个字构成,最高位是M20.7,最低位是M23.0。
14、STEP7标准软件支持的编程语言有:LAD——梯形图编程法、STL——语句表、FBD——功能块。
二、判断正误,正确的打“√”,错的打“×”(11分)(×) 1、PLC只能够处理数字量,不能处理模拟量。
(×) 2、对S7-300而言,CPU能够控制自己自带的I/O模块,但是不能够控制其它CPU带的I/O模块。
(√) 3、OB35是定时中断组织块,可以被设定为定时执行。
(√) 4、S7-300系列PLC的程序总是以组织块的形式进行编写与保存。
(×) 5、S7-300程序能够仿真实现,它自带的仿真软件可以仿真所有PLC功能。
(×) 6、一个S7-300的中央控制器(CPU)最多可以带2个I/O模块与之相连。
(×) 7、S7-300系列CPU都提供MPI、PROFIBUS-DP两种通讯接口。
(×) 8、指令——(SE)与(SP)的主要区别是前者是脉冲定时输出,而后者定时输出带锁存。
华南农业大学珠江学院期末考试试卷2012--2013学年度下学期考试科目:电气可编程控制
考试年级:__2010__级考试类型:(开卷)B卷考试时间:120 分钟学号姓名年级专业
一、填空题(本大题共10小题,20空,每空1分,共20分)
1.低压电器是指额定电压等级在交流1200V、直流1500V以下的电器。
一般按基本用
途分可分为配电电器和控制电器。
2.热继电器是利用电流的热效应原理来工作的保护电器,它在电路中主要用作三相异
步电动机的过载保护。
3.PLC是通过一种周期扫描工作方式来完成控制的,每个周期包括输入采样阶段、
程序处理阶段及输出刷新结果阶段三个阶段。
4.可编程控制器的输出有三种形式,分别是继电器输出,双向晶闸管输出及
晶体管输出。
5.在FX2N型PLC中,有一32位加/减计数器C210,欲使其工作在减计数模式,则需
将对应的特殊辅助继电器M8210 置1即可。
6.当PLC的扫描周期大于监视定时器规定的时间时,PLC将停止工作,为避免此种情
况发生,可在程序适当位置插入WDT 指令,对监视定时器刷新,或修改特殊数据寄存器D8000 的值,使其大于PLC扫描周期。
7.已知一定时器T234,欲使其在10S后动作,则该定时器的设定值应为K1000 。
8.FX2N-48MR型号PLC中48、M、R的意义分别是:输入输出共48点、基本单元、
继电器输出型。
9.定时器的线圈上电时开始计时,定时时间到达设定值时其常开触点闭合,一般
的定时器都是通电延时型定时器。
10.功能指令助记符前标记(D)符号,表示该指令是32 位指令,功能指令助记符
后标记(P)符号,表示该指令是脉冲执行型指令。
二、判断题(本大题共10小题,每小题1分,共10分)
判断下列各题正误,正确的在题后括号内打“√”,错误的打“×”。
1.中间继电器实质上是电压继电器的一种,使用时可代替交流接触器。
【×】
2.电动机正反转控制电路为了保证起动和运行的安全性,要采取自锁控制。
【×】
3.反接控制时,当电机转速接近零时,应及时断开电源以防止电机反转。
【√】
4.交流电动机由于通入的是交流电,因此它的转速也是不断变化的,而直流电动机其
转速则是恒定不变的。
【×】
5.END指令不是PLC的停机指令,仅说明程序执行一个扫描周期结束。
【√】
6.在一个状态移图中,转移条件只能用单接点,不可以采用接点组。
【×】
7.PLC的输出线圈可以放在梯形图中的任意位置。
【×】
8.一般情况下,速度继电器有两对常开触点和两对常闭触点,当电动机带动其转子向
某方向运行达到某一转速时,有一对常开触点闭合,常闭触点断开,所以速度继电器可以用于电机的制动控制。
【√】
9.在设计PLC的梯形图时,在每一逻辑行中,并联触点多的支路应放在左边。
【√】
10.在设计状态转移图时,为防止两个相邻状态步转移条件同时接通而造成某些状态步
被跳过,则可以将转移条件改为边沿接点。
【√】
三、选择题(本大题共10小题,每小题1分,共10分)
在每小题列出的四个备选项中只有一个是最符合题目要求的,请将其代码填写在题后的括号内。
错选、多选或未选均无分。
1.时间继电器的作用是【 D 】。
A. 短路保护
B. 过电流保护
C. 延时通断主回路
D. 延时通断控制回路
2.三相异步电动机采用能耗制动时,当切断电源时,需采取的措施是【 D 】。
A. 转子回路串入电阻
B. 定子任意两相绕组进行反接
C. 转子绕组进行反接
D. 定子绕组送入直流电
3.欲使接触器KM1动作后接触器KM2才能动作,需要【 C 】。
A. 在KM1的线圈回路中串入KM2的常开触点
B. 在KM1的线圈回路中串入KM2的常闭触点
C. 在KM2的线圈回路中串入KM1的常开触点
D. 在KM2的线圈回路中串入KM1的常闭触点
4.欠电流继电器可用于以下哪种保护【D 】。
A. 短路保护
B. 过载保护
C. 失压保护
D. 失磁保护
5.在三相笼式电动机的正反转控制电路中,将正转接触器的常闭触点串接到反转接触
器线圈电路当中,称为【 B 】。
A. 自锁
B. 电气互锁
C. 机械互锁
D. 限位保护
6.线圈驱动指令OUT不能驱动下面哪个软元件【 A 】。
A. X
B. Y
C. T
D. C
7.表示逻辑块与逻辑块之间串联的指令是【B 】。
A. AND
B. ANB
C. OR
D. ORB
8.为了使输出线圈Y0得电时仅闭合一个扫描周期,则应该使用下列哪条指令【B 】。
A. LDP
B. PLS
C. PLF
D. ORF
9.ANI指令的作用是【C 】。
A. 用于单个常开触点与前面的触点串联连接;
B. 用于单个常闭触点与上面的触点并联连接;
C. 用于单个常闭触点与前面的触点串联连接;
D.用于单个常开触点与上面的触点并联连接。
10. 属于初始化状态器的有【 A 】。
A. S0
B. S10
C. S20
D. S30
得分评卷人
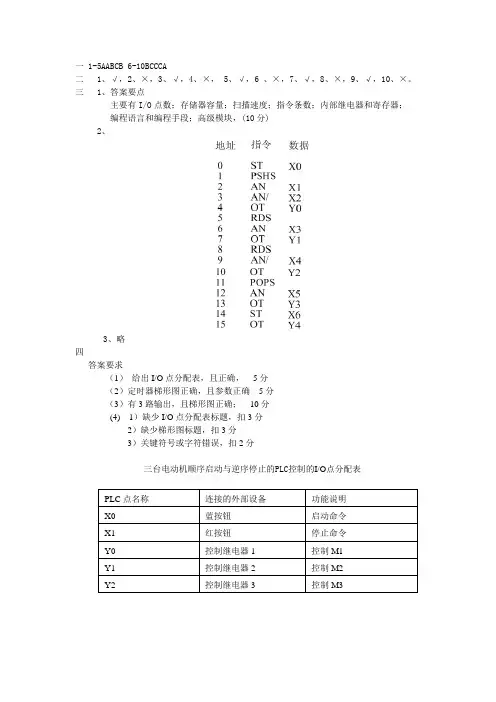
四、综合题(本大题共5小题,每小题6分,共30分)
1. 画出下列指令表所对应的梯形图。
2. 写出下面梯形图所对应的指令表。
答:
3. 分析下图所完成的任务,画出时序图。
答:
4. 设计一个方波电路,使其能够周期性地产生高低电平均为5S的方波。
5. 分析执行下列梯形图后其结果是什么?
答:当X0按下时,执行十进制数200送入数据寄存器D0中,十进制数150送入D2中,通过比较指令CMP进行两数比较,结果送入Y2、Y1、Y0中,由于200大于150,即:D0大于D2,所以Y2、Y1、Y0所对应的值为:0,0,1。
得分评卷人
五、设计题(本大题共3小题,每小题10分,共30分)
1.以下是某机床基本控制电路原理图,若将其改为PLC控制,试画出相应的控制电路输
入输出接线图、梯形图及对应的指令程序(指令当中定时时间5S)。
2.用一个按钮控制一台电机,当按下该按钮时电机正转,当再次按下时,电机停转5
秒,然后开始反转,若第三次按下,则电机直接停转。
试画出PLC接线图和梯形图。
1.已知一个彩灯组由5个灯构成(L5L4L3L2L1),要求按下起动按钮后,相邻的两盏灯
两两同时点亮同时熄灭,每次亮2秒(即:L2L1亮,2秒后L2L1熄灭而L4L3亮,再过2秒L4L3熄灭而L1L5亮,依次循环),当按下停止按钮时,要求所有彩灯立即熄灭。
试画出PLC接线图和梯形图。