001-质检表9 电气接地装置平面示意图与隐检记录
- 格式:xls
- 大小:19.50 KB
- 文档页数:1
建筑电气接地装置隐蔽工程检查记录建筑电气接地装置隐蔽工程检查记录项目名称:项目地点:检查日期:检查人员:一、接地装置材料检查:1. 接地装置材料是否符合设计要求,包括接地极、接地线、接地排等。
2. 接地装置材料的规格、型号、材质是否符合设计要求。
3. 接地装置材料的数量、尺寸是否与设计要求一致。
4. 接地装置材料是否有损坏、变形、锈蚀等情况。
二、接地装置施工检查:1. 接地极的埋设深度是否符合设计要求。
2. 接地极的埋设位置是否符合设计要求。
3. 接地极的固定方式是否牢固可靠。
4. 接地极与接地线的连接是否紧固可靠。
5. 接地线的敷设是否符合设计要求,是否有明显的弯曲、拉伸等情况。
6. 接地线与接地排的连接是否紧固可靠。
7. 接地排的固定方式是否牢固可靠。
8. 接地排与主接地线的连接是否紧固可靠。
三、接地装置测试检查:1. 使用接地电阻测试仪对接地装置进行测试,记录测试结果。
2. 测试结果是否符合设计要求,接地电阻是否在规定范围内。
3. 如有测试结果不符合要求的情况,需记录具体情况,并提出整改措施。
四、其他检查事项:1. 检查接地装置的标识是否清晰可见。
2. 检查接地装置周围是否有其他设备或物品影响其正常工作。
3. 检查接地装置的防护措施是否到位,如防雷装置、防腐涂层等。
五、存在的问题及整改措施:1. 根据检查结果,列出存在的问题及整改措施。
2. 给出整改问题的时间要求和责任人。
六、备注:在此处记录其他需要说明的事项。
以上是建筑电气接地装置隐蔽工程检查记录的详细内容,根据具体项目情况,可以适当增加或调整检查内容。
1电气接地装置隐蔽验收记录一、工程概述本工程是为了确保电气设备的安全运行,保护人身安全而进行的电气接地装置的安装。
为此,对电气接地装置的隐蔽工程进行验收。
二、隐蔽验收的目的1.确保电气接地装置的安装质量,避免出现漏电、触电等事故。
2.验收已完成的隐蔽工程是否符合技术规范和设计要求。
3.在未完工前发现问题并及时处理,减少后期改动和维修工作的难度和费用。
4.对施工单位的施工质量进行评估,提高施工单位的施工水平和质量管理水平。
三、验收内容1.防雷接地装置的铺设情况,是否符合设计要求。
2.防静电接地装置的铺设情况,是否符合设计要求。
3.电气设备的接地电阻是否达标。
4.接地电极的埋设深度和安装质量。
5.地网的焊接质量和防腐处理是否符合要求。
6.接地装置的标识是否完整清晰。
四、验收流程1.隐蔽验收应在工程竣工前进行。
2.由施工单位提供相关隐蔽工程完工报告。
3.验收由建设单位、监理单位和施工单位共同参与,制定验收方案和隐蔽检查计划。
4.内部专业人员组建验收小组,负责隐蔽验收过程中的考察和记录。
5.按照设计文件和技术要求进行检查,查验施工资料和施工户口。
6.重点检查接地装置的铺设情况、电阻测试结果等要点。
7.如发现问题,及时记录并提出整改要求。
1.工程名称:2.隐蔽验收时间:3.参与验收单位:4.施工单位:5.监理单位:6.验收人员及职务:7.验收内容:7.1防雷接地装置的铺设情况:检查发现防雷接地装置的铺设符合设计要求,铜排焊接牢固,与设备连接紧密,无松动现象。
7.2防静电接地装置的铺设情况:检查发现防静电接地装置的铺设符合设计要求,导电铜带安装牢固,与设备接触良好,无氧化情况。
链条连接牢固,并符合设计要求。
7.3电气设备的接地电阻:检测电气设备的接地电阻,符合设计要求,均小于2Ω。
7.4接地电极的埋设深度和安装质量:接地电极的埋设深度符合设计要求,固定牢固,无松动现象。
7.5地网的焊接质量和防腐处理:地网的焊接质量符合设计要求,焊点均匀牢固,防腐处理符合要求。
电气隐藏工程检查验收记录
隐蔽分项工程名称:接地装置安装工程 年 月 日
单位工程名称 建设单位 部位及图号
施工单位
内
容
及
草
图
隐蔽内容:
1、负一层避雷引下线利用暗柱内两根主筋HRB40016作引下线,采用双面搭接焊焊接。
2、负一层接地网采用HRB40025采用双面搭接焊焊接,经检查验收焊缝饱满无缝隙,无夹渣现象符合设计及施工验收规范要求。
监理工程师核查意见 核查人: 年 月 日 专业技术负责人: 质检员: 班(组)长:
注:本表适用于照明管线、通信管线、接地等工程。
· · · · · ·
· · · · · ·。
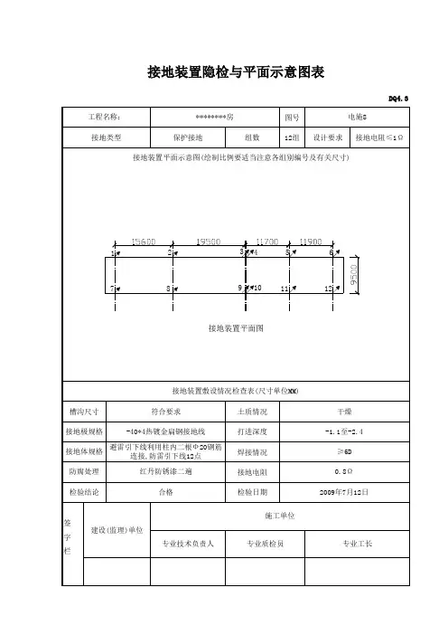
本表由施工单位填写,建设单位、施工单位、城建档案馆各保存一份。
本表由施工单位填写,建设单位、施工单位、城建档案馆各保存一份。
本表由施工单位填写,建设单位、施工单位、城建档案馆各保存一份。
本表由施工单位填写,建设单位、施工单位、城建档案馆各保存一份。
本表由施工单位填写,建设单位、施工单位、城建档案馆各保存一份。
本表由施工单位填写,建设单位、施工单位、城建档案馆各保存一份。
本表由施工单位填写,建设单位、施工单位、城建档案馆各保存一份。