食品致敏原标识管理
- 格式:doc
- 大小:206.00 KB
- 文档页数:5
文件名称GMP过敏原标识管理制度文件编号版次:A0 GMP-WI-004生效:2022-6-181.0目的根据相关法律法规及客户要求识别产品(含客供物料)中可能含有的过敏原,并对此进行标识和控制,以降低过敏风险,确保消费者能更容易分辨出食品成份,免受过敏物质带来的危害。
2.0范围适用于本公司入口的食品级产品的过敏原标识与控制。
3.0过敏原的定义3.1过敏原:又称为致敏原、变态反应原、变应原,指能够诱发机体发生过敏反应的抗原物质(蛋白质)或化合物。
3.2食物过敏是人们对某些食物产生的一种不良反应,在医学上属于一种变态反应。
3.3食品过敏原是普通食品中正常存在的天然或人工添加物质,被过敏体质人群消耗后能够诱发过敏反应。
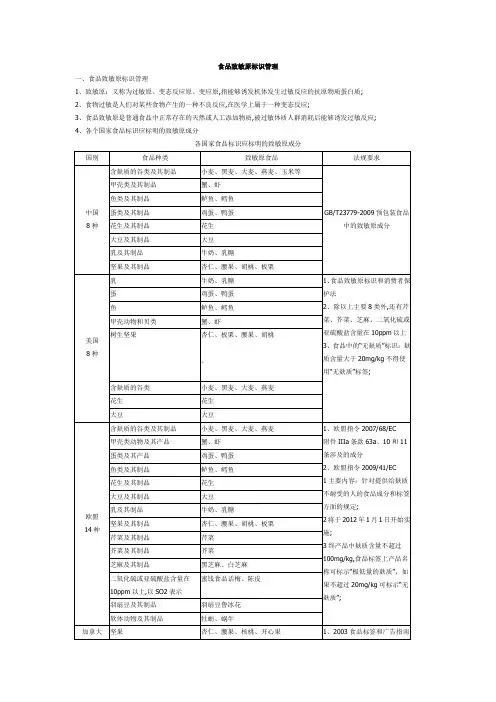
4.0各个国家食品标识应标明的过敏原成分国别食品种类过敏原食品中国(8种)含麸质的谷类及其制品小麦、黑麦、大麦、燕麦、玉米等甲壳类及其制品蟹、虾鱼类及其制品鲈鱼、鳕鱼蛋类及其制品鸡蛋、鸭蛋花生及其制品花生大豆及其制品大豆乳及其制品牛奶、乳糖坚果及其制品杏仁、腰果、胡桃、板粟美国(8种)乳牛奶、乳糖蛋鸡蛋、鸭蛋鱼鲈鱼、鳕鱼甲壳动物和贝类蟹、虾树生坚果杏仁、板栗、腰果、胡桃含麸质的谷类小麦、黑麦、大麦、燕麦花生花生大豆大豆欧盟(14种)含麸质的谷类及其制品小麦、黑麦、大麦、燕麦甲壳类动物及其产品蟹、虾蛋类及其产品鸡蛋、鸭蛋鱼类及其制品鲈鱼、鳕鱼花生及其制品花生大豆及其制品大豆乳及其制品牛奶、乳糖坚果及其制品杏仁、腰果、胡桃、板粟芹菜及其制品芹菜芥菜及其制品芥菜芝麻及其制品黑芝麻、白芝麻二氧化硫或亚硫酸盐含量在10ppm以上,以SO2表示蜜饯食品(话梅、陈皮)羽扇豆及其制品羽扇豆(鲁冰花)软体动物及其制品牡蛎、蜗牛国别食品种类过敏原食品加拿大(10种)坚果杏仁、腰果、核桃、开心果花生花生芝麻芝麻含麸质的谷类小麦、黑麦、大麦、燕麦、裸麦蛋鸡蛋、鸭蛋乳牛奶大豆大豆甲壳类蟹、虾贝类鲍鱼鱼类鲈鱼、鳕鱼CAC (8种)含有麸质谷类食品小麦、黑麦、大麦、燕麦甲壳类动物及其产品蟹、虾蛋及蛋类产品鸡蛋鱼及鱼类产品鲈鱼、鳕鱼花生、大豆及其产品花生、大豆乳及其产品(包括乳糖)牛奶树生坚果及其产品杏仁、腰果、核桃浓度大于10mg/kg的亚硫酸盐澳洲(8种)含有麸质及其制品的谷类小麦、黑麦、大麦、燕麦甲壳类动物及其产品蟹、虾鸡蛋及其产品鸡蛋鱼类及其制品鲈鱼、鳕鱼乳及其制品牛奶花生、大豆及其制品花生、大豆浓度大于10mg/kg的亚硫酸盐坚果、芝麻及其制品杏仁、腰果、核桃日本(7种)虾/龙虾推荐标识的过敏原成分(18种):鲍鱼、墨鱼、鲑鱼卵、橙、猕猴桃、牛肉、坚果、鲑鱼、鲭鱼、大豆、鸡肉、猪肉、松茸蘑菇、桃、山药、苹果、明胶、香蕉蟹蛋类牛奶小麦荞麦花生韩国(11种)鸡蛋、牛奶、荞麦、花生、大豆、小麦、鲭鱼、蟹、猪肉、桃子、西红柿香港(9种)麸质、甲壳类动物、蛋类、鱼类、花生、大豆、乳类、坚果、超过10mg/kg的亚硫酸盐,以及上述物质制品的预包装食品5.0过敏原控制5.1工程开发和设计工程部根据产品出口目的地国家对过敏原的规定和相关的客户要求,在产品工程开发阶段前应与客户沟通确认产品及材料成份,如开发的产品中确实含有过敏原成份的,应在《产品开发说明书》中做出明确说明,在产品设计和开发输出中编制《过敏原的原辅材料清单》;品管部制定含有过敏原的物料采购标准和接收准则。
供应菜品过敏物质和标识管理方案菜品过敏物质和标识管理目的鉴于食品过敏者在食堂就餐的需求,为了确保食品安全,特制定每日供应菜品过敏物质和标识管理方案,旨在提供清晰、准确的信息,使过敏者能够明晰了解食品成分,确保他们的饮食安全。
标识管理团队:成立标识管理团队,包括食堂管理人员、厨师和营养师,负责标识的制定和管理。
过敏食材分类1、牛奶:牛奶过敏是常见的食物过敏之一,主要表现为腹泻、腹痛、皮肤疹等症状。
2、鸡蛋:鸡蛋过敏可能导致呼吸道问题、皮肤疹、胃肠道不适等症状。
3、花生:花生过敏可能引起严重的过敏反应,包括呼吸急促、过敏性休克等。
4、坚果:包括杏仁、核桃、松子等坚果可能引起过敏,表现为皮肤瘙痒、嘴巴发肿等。
5、大豆:大豆过敏可能导致过敏性鼻炎、呼吸急促等症状。
6、鱼类:鱼类过敏可能引起呼吸道症状、皮肤发痒等不适。
7、贝类:对贝类过敏的人可能出现皮肤过敏、呼吸急促等症状。
8、小麦:小麦过敏可能导致皮疹、腹痛、腹泻等不适。
菜品标识流程:1、过敏物质调查:食堂与厨房团队合作,全面了解每种原料和菜品中的过敏物质。
2、制定统一标识规范:制定统一的过敏物质标识规范,确保标识的清晰易懂,符合法规和标准。
菜品标识实施:1、食品标识牌设置:每道菜品前设置标识牌,明确标明可能含有的过敏物质,确保就餐人员能够清晰看到。
2、菜单标识更新:在菜单中及时更新过敏物质标识,使就餐人员在选择菜品时能够获取信息。
员工培训:对厨房和服务人员进行过敏物质标识的培训,确保他们了解并能够正确标注每道菜品。
过敏物质的监测与检测:1、定期检测过敏物质:与专业的食品检测机构合作,定期对厨房使用的主要食材进行过敏物质检测。
2、设立监测小组:设立过敏物质监测小组,由厨师、食品安全专家等组成,对检测结果进行评估和管理。
食材采购和库存管理:1、食材供应商合作:与可靠的食材供应商建立合作关系,要求提供含有过敏物质的详细信息。
2、过敏物质分区存储:在库存中设立过敏物质的分区,确保过敏者的食材不与其他食材混淆。
食堂食品过敏原管理与标识制度过敏原是指某些人体内对特定食物或物质产生过敏反应的成分,进食这些过敏原会导致过敏症状的发生。
为了保障食客的健康和安全,食堂应当建立科学的食品过敏原管理与标识制度。
本文将探讨食堂食品过敏原管理与标识制度的重要性以及具体实施细则。
一、管理与标识制度的重要性1. 保障食客的健康和安全食品过敏原对过敏人群来说可能是致命的。
通过建立管理与标识制度,食堂可以提前了解食客的过敏情况,避免过敏原的摄入,从而减少过敏症状发生的几率,保障食客的健康和安全。
2. 增加食品选择的透明度食堂通过明确标识食品中的过敏原成分,可以让食客更加明确地知道哪些食品适合自己食用,以及哪些食品应该避免食用。
这样一来,食客可以更加自主地选择适合自己的食物,减少过敏反应的风险。
3. 提升食堂形象与信誉建立科学的管理与标识制度,表明食堂对食品过敏问题高度重视,关注食客的健康与需求。
这样做不仅可以提升食堂的形象与信誉,还能吸引更多的食客光顾。
二、具体实施细则1. 食客过敏信息采集食堂在食客点餐或办理就餐卡的过程中,应该收集食客的过敏信息。
这可以通过让食客填写过敏信息登记表,或者在自助餐区设置小型调查问卷等方式进行。
收集到的过敏信息应严格保密,并进行及时更新。
2. 食品过敏原成分标识食堂应该对所有食品进行过敏原成分的准确标识。
在食品的展示区域,应当标明食品中是否含有常见过敏源物质,如花生、虾、牛奶等。
标识应该清晰可见,避免模糊或隐藏,以便食客准确了解食品成分。
3. 提供过敏人群专属菜品食堂在菜品的设计和烹饪过程中,应当考虑到过敏人群的需求。
可以提供一些专门为过敏人群设计的菜品,如无乳制品的奶茶、无鸡蛋的面包等。
这些专属菜品可以为过敏人群提供更多选择,确保他们的饮食健康。
4. 培训员工的过敏意识食堂应该定期对员工进行过敏知识的培训。
员工需要了解常见过敏源及其食物成分,学习如何正确标识食品过敏原成分,以及如何在日常工作中保证过敏人群的饮食安全。
食品致敏原标识管理一、食品致敏原标识管理1、致敏原:又称为过敏原、变态反应原、变应原,指能够诱发机体发生过敏反应的抗原物质(蛋白质)。
2、食物过敏是人们对某些食物产生的一种不良反应,在医学上属于一种变态反应。
3、食品致敏原是普通食品中正常存在的天然或人工添加物质,被过敏体质人群消耗后能够诱发过敏反应。
4、各个国家食品标识应标明的致敏原成分51)正确的食品标签:对于过敏体质的人群,预包装食品标签上正确、清楚地标识出致敏原成分,是防止他们发生食物过敏反应甚至危及生命最有效的措施。
2)国外多国已发布多项法规对致敏原标识作出规定。
3)我国已实施的标准:GB/T23779-2009预包装食品中的致敏原成分;即将实施的《预包装食品中致敏原成分的标签要求》。
1)婴幼儿患者:在5 -6岁时大约80%对牛乳、鸡蛋、花生、小麦、大豆产生过敏反应,大约20%对鱼、甲壳类动物的过敏会消除、其余的往往是终生过敏。
2)成年人:食物过敏的发病率成快速上升的趋势。
3)食品过敏的临床表现:麻疹、疱疹样皮炎、口腔过敏综合征、肠病综合征、哮喘及过敏性鼻炎、严重时可导致过敏性休克,危及生命。
4)食物过敏至今无特效疗法。
5)致敏原引发过敏反应的最低量无定论。
6)极微量致敏原即可造成造成严重后果。
7)目前预防是防止食物过敏唯一的途径—严防有过敏体质的人接触致敏原。
三、我国出口食品因致敏原被预警召回情况(摘选)四、致敏原管理1、食品致敏原管理包括:生产商、监管机构、检测机构、消费者。
2、“可能存在”及预防措施:1)需考虑对无法控制的、偶然发生的、潜在的危害所采取的最后补救措施;2)如果上述情况存在,则可以使用“可能存在”这样的描述;3、已确定三项致敏原管理原则:1)控制及培训:生产企业内部必须建立行之有效的致敏原成分;2)原料标识成分:必须准确地反映出食品听致敏成分;3)警示标签和警示性说明:需在包装上向过敏体质消费者提供相关信息。
4、致敏原控制:1)有意添加及潜在交叉污染的控制:导致交叉污染的原因a收购原料前后的交叉接触;b错误的配方;c交叉接触;d存储条件差;e共享生产设备;f原料粉尘的污染;g与反工材料一起进行加工;h人为过失。
食品中致敏原的检测与管理近年来,食品过敏问题越来越受到人们的关注。
食品中存在的致敏原既给过敏人群带来健康问题,也给食品行业带来了挑战。
因此,对于食品中致敏原的检测与管理变得至关重要。
本文将探讨食品中致敏原的检测方法和管理措施。
一、致敏原的常见类型和影响食品中常见的致敏原主要包括麸质、乳制品、坚果、大豆、鸡蛋、贝壳类海产品等。
这些致敏原可引发过敏反应,包括过敏性哮喘、荨麻疹、皮肤红肿等。
过敏反应的严重程度因人而异,但任何一种过敏反应都可能对个体的健康和生活质量产生负面影响。
二、食品中致敏原的检测方法1. 实验室检测方法实验室检测方法是目前最常用的食品中致敏原检测方法之一。
它主要包括酶联免疫吸附法(ELISA)、聚合酶链式反应法(PCR)等。
这些方法能够快速、准确地识别食品中的致敏原物质,为食品生产企业提供科学依据,帮助其采取相应的措施,保证产品质量和安全。
2. 快速检测方法随着技术的发展,快速检测方法在食品行业中得到广泛应用。
快速检测方法主要包括免疫色谱法、质谱法、生物传感器等。
这些方法具有操作简便、响应迅速的特点,可以在短时间内获得食品中致敏原的检测结果,提高生产效率和产品安全性。
三、食品企业的致敏原管理措施食品企业应该制定相应的致敏原管理措施,以保证产品质量和食品安全。
1. 原料采购食品企业应选择可靠的供应商,并与其建立稳定的合作关系。
在原料采购过程中,应对供应商的产品进行严格检查,确保其符合质量要求并避免致敏原的混入。
2. 生产过程控制食品企业应对生产过程进行全面控制,包括原料储存、调配、加工、包装等环节。
严格遵守卫生要求,避免致敏原的交叉污染和混入。
3. 标签标识食品企业应在产品包装上明确标识食品中的致敏原物质,帮助消费者做出正确的选择。
标签信息应准确、清晰可见,以避免误食和过敏反应的发生。
4. 员工培训食品企业应对员工进行全面的致敏原知识培训,使其了解致敏原的类型、检测方法和管理措施。
提高员工的食品安全意识和职业素养,减少致敏原的风险。
食品过敏原标识和消费者保护法随着人们健康意识的提高和食品安全问题的日益突出,食品过敏也逐渐成为了一个备受关注的话题。
为了保障广大消费者的权益,我国颁布了《食品安全法》和《消费者权益保护法》等法律法规,其中就包括了针对食品过敏原标识和消费者保护的相关条款。
一、食品过敏原标识1.概述食品过敏是一种免疫反应性疾病,常常因为食用特定的食品而发生过敏反应。
因此,食品过敏原标识是保障消费者食品安全的重要措施之一。
我国《食品安全法》规定,对于可能引起食品过敏反应的食品必须进行标识。
2.标识内容我国规定的食品过敏原标识内容包括食品名称、过敏原名称和过敏原含量。
其中,过敏原名称按照国家标准或者行业标准规定的名称进行表示。
3.标识范围和标准我国规定,适用食品过敏原标识的范围包括预包装食品、餐馆提供的熟食、固体、半固体食品和罐头等各类食品。
标识需要符合国际惯例和相关法律法规标准。
4.标识制度执行情况食品过敏原标识制度推出以来,执行情况有了明显的改善。
消费者可以在购买食品时看到标注的标识以及过敏原所含量,以便根据自己的具体情况进行选择。
同时,监管部门加大了食品过敏原标识的检查力度,确保制度的有效执行。
二、消费者保护1. 消费者权益保护法我国的消费者权益保护法为消费者提供了法律保障,规定了消费者的基本权利,包括公平交易权、健康安全权等。
2.消费维权针对食品安全问题,消费者可以通过多种方式进行维权,如向消费者协会投诉、向政府部门举报、通过法律诉讼等等。
消费者还可以加强对于食品从业者的监督和呼吁行业的自律。
3.消费者权益保障成效随着社会对于消费者权益的关注不断提高,我国的消费者权益保护工作也取得了很大成效。
消费者的权益得到了更好的保障,企业、政府和公众也开始重视消费者权益的问题。
综上所述,食品过敏原标识和消费者保护法是保障消费者权益的两个重要方面。
在今后的实践中,我们需要不断加强对于这两个方面的监督和管理,以保障消费者的合法权益,维护社会的健康和稳定发展。
食品安全协议规范食品过敏原标示近年来,食品过敏问题愈发引起人们的关注。
为了保障消费者的权益,确保食品安全,食品安全协议正式出台,旨在规范食品过敏原标示。
本文将从食品过敏原的定义、标示要求以及标示形式三个方面进行论述。
一、食品过敏原的定义食品过敏源指引起食物过敏反应的原因物质,主要包括但不限于鱼虾贝壳类、坚果、大豆、牛奶、鸡蛋、麦类、花生、小麦等。
食品过敏原广泛存在于人们的日常膳食中,对过敏体质的人群来说,摄入食物过敏原将会引发一系列不适反应,如过敏性皮炎、呼吸道症状、胃肠道不适等。
二、标示要求为了保障消费者的权益,食品安全协议对食品过敏原的标示提出了具体要求。
根据协议规定,食品过敏原标示应包含以下内容:1.明确表明过敏原的名称:在食品包装明显位置,以清晰易读的字体标明食品中所含过敏原的具体名称,如麦类、牛奶等。
2.准确表示过敏原的含量:以明确的文字或标志表示食品中的过敏原含量,例如使用“含有过敏原”、“不含过敏原”或“低过敏原”等字样进行标注。
3.注意交叉污染风险:对于存在交叉污染风险的食品,应在标签上注明可能接触到其他过敏原的风险,如“此产品可能与其他含有坚果的食品接触而导致交叉污染”。
4.明确说明附加信息:在标签上注明如何正确食用产品以避免过敏反应,例如“过敏体质者慎食”或“成分中包含大豆,不适宜大豆过敏体质者食用”。
三、标示形式食品过敏原标示形式多种多样,常见的标示形式有以下几种:1.文字标示:在食品包装上使用明确易读的字体标明食品中所含过敏原的具体名称,字体颜色应与背景色形成鲜明对比,确保易于识别。
2.图标标示:使用具有明确识别度的图标进行标示,如鱼类图标、花生图标等。
这种标示形式对于一些不识字的消费者来说更加友好。
3.语言标示:针对一些不通文字背景的消费者,可以使用多种语言进行标示,比如英文、法文、西班牙文等。
这样能够更好地满足多元文化的需求。
总结:食品安全协议的实施为食品过敏原的标示提供了明确的要求。
国内食品过敏原标识管理和发展方向1、大陆地区我国管理食品过敏原起步较晚,最早与食品过敏原标识相关的管理标准为2008年北京奥运会期间颁布的《奥运会食品安全食品过敏原标识标注》(DB11/Z521-2008)(已废止)。
2009年发表《亚运会食品安全食品过敏原标识标注》(DBJ440100/T28-2009)(已废止)。
现阶段关于食品过敏原标识管理的法规包括《预包装食品标签通则》(GB7718-2011)、《预包装食品中的致敏原成分》(GB/T23779-2009),《出口预包装食品麦质致敏原成分风险控制及检验指南》(SN/T4286-2015)。
其中《食品安全国家标准预包装食品标签通则》(GB7718-2011)规定8类自愿标识的食品过敏原。
(1)“含有”食品过敏原标识规定《预包装食品标签通则》(GB7718-2011)问答(修订版)补充说明,8类致敏物质以外的其他致敏物质,生产者也可自行选择是否标示。
致敏物质可以选择在配料表中用易识别的配料名称直接标示,如:牛奶、鸡蛋粉、大豆磷脂等;也可以选择在邻近配料表的位置加以提示,如:“含有……”等。
值得注意的是,《食品安全国家标准预包装食品标签通则(征求意见稿)》拟将八类食品过敏原推荐性标识变为强制性标识。
(2)“可能含有”食品过敏原标识规定《预包装食品标签通则》(GB7718-2011)问答(修订版)2规定,对于配料中不含某种致敏物质,但同一车间或同一生产线上还生产含有该致敏物质的其他食品,使得致敏物质可能被带入该食品的情况,则可在邻近配料表的位置使用“可能含有.…”、“可能含有微量.…”、“本生产设备还加工含有…….的食品”、“此生产线也加工含有.…….的食品”等方式标示致敏物质信息。
有所改变的是,在2018年4月,我国出台部分适用于食品过敏原检测的标准物质,由此看出,国家正在逐步加强对食品过敏原的管理,完善食品过敏原标准体系。
2、中国香港地区《食物及药物(成分组合及标签)规例(2016版)》规定8类(花生大豆及其制品算一种)强制标识的食品过敏原(除豁免外)。
国外食品过敏原标识管理目前避免食用过敏原仍然是保护过敏人群健康的唯一有效手段,而过敏原标签是目前从源头上防止消费者与食品过敏原接触的最有效的办法。
国外一些发达国家要求对食品生产过程中的潜在过敏原进行标识,例如美国、日本以及欧盟等国家对致敏物质清单和食物过敏原标识方式管理等方面都有详细的说明。
1、国际食品法典委员会(CAC)CAC涉及食品中过敏原标识的标准主要有《预包装食品通用标签规则》《麸质不耐受人群特殊膳食标准》、《重组DNA植物食品安全评估标准》和《使用重组DNA微生物技术的食品安全评估技术准则》等。
CAC规定了9种可以引起过敏反应的食品和配料必须在配料表中标注。
CAC还特别指出经生物技术,如转基因技术(geneticallymodifiedorganism,GMO)而形成的过敏原物质,也必须予以标注;如不可能通过标签提供适当的关于过敏原存在的信息时,这类产品就不得投放市场。
2020年11月25日CAC食品卫生法典委员会(CCFH)发布了《食品经营者食品过敏原管理操作守则》,该标准涵盖了整个供应链的过敏原管理,包括初级生产、生产过程、零售和食品服务终端,补充了GHP在食品服务的制造和食品制备中的实践。
2、欧盟迄今为止,欧盟要求强制性标示的过敏物质已达到14类。
2009年欧洲共同体委员会颁布的法规《关于麸质不耐受人群可用食品的成分和标签》((EC)No41/2009)(已废止)规定麸质含量低于100mg/kg的食物,标识上标示“含微量麸质”;麸质含量低于20mg/kg的食物,才允许标示“无麸质”;采用麦类为原料婴幼儿食品一律不能标识为非常低麸质食品或无麸质食品。
另外,欧盟委员会在规定标识方式时区分了配料和意外混入的过敏原的标示方法。
对于作为食物成分有意加入的过敏原,在配料表后必须清晰标明过敏原种类及名称;对于意外混入的过敏原,各成员国自行规定,无统一标识。
欧盟委员会于2011年11月22日颁布(2015年12月11重新修订)的(EU)No1169/2011《新食物标识法》是目前为止最为完善的食物标识法规之一,该法规整合了之前颁布的2000/13/EC指令和90/496/EEC指令,在食物标识管理方面着重修订多达十二处,其针对食物过敏原标识管理进行了两处修订:其一,对于预包装食物,食物过敏原不但要在《配料表》中标注,还要通过诸如字体字号、背景颜色等方式来突出显示以明确区分于其他配料成分;其二,对于散装食物、直接售卖或预定的食物,过敏原信息也应强制性标示。
校园食堂食品过敏原管理与标识制度随着人们生活水平的提高,食品过敏问题越来越受到关注。
尤其是在校园食堂,由于学生人数众多,每天用餐人次庞大,因此食品过敏原管理与标识制度在校园食堂中显得尤为重要。
本文将介绍校园食堂食品过敏原的管理及标识制度。
一、食品过敏原管理食品过敏原管理是指对校园食堂中的食品过敏原进行有效的监控、控制和管理,以确保食品安全和消费者的健康。
1. 学生过敏原信息采集为了做好食物过敏源管理,校园食堂应首先收集学生的过敏源信息。
学生可以通过在食堂就餐前填写过敏源调查表的方式提供个人的过敏源信息。
调查表可以包括以下内容:姓名、学号、过敏原种类(如小麦、鸡蛋、花生等)、过敏程度等。
2. 食堂原材料采购与供应商合作在食堂原材料采购环节,食堂应与供应商建立起紧密的合作关系。
与供应商的合作不仅要求供应商提供高品质的原材料,还要求供应商提供相关的食品过敏源信息,确保原材料的安全性和可追溯性。
3. 食品过敏源的储存与管理校园食堂应建立完善的食品过敏源储存与管理制度。
对于易过敏食材,食堂应单独储存,并严格划分和标识。
此外,食堂要确保不同的食材之间不会相互污染。
4. 食堂工作人员培训食堂工作人员是校园食堂中的关键环节,他们需要了解食品过敏源的知识,掌握食品安全知识,并具备紧急救援能力。
因此,食堂应定期组织食品过敏源知识培训,提高工作人员的素质和能力。
二、食品过敏原标识制度食品过敏原的标识制度是为了提供给学生和食堂工作人员更直观和明确的信息,以便避免食品过敏事故的发生。
1. 标签标识校园食堂应在每份食品中明确标示可能含有过敏源的信息。
例如,在食品包装上标注过敏源成分,并附上相应的警告语句,如“含有花生,花生过敏者请慎重食用”。
2. 食品图示食堂可以在食堂内设置食品图示牌,将食品分类,并在食品图示上用图标的方式标示可能含有过敏源的食品。
例如,用花生形状的图标标示含有花生的食品,用蛋状的图标标示含有鸡蛋的食品等等。
食品过敏原标识管理一、食品过敏原标识管理1、过敏原:又称为致敏原、变态反应原、变应原,指能够诱发机体发生过敏反应的抗原物质(蛋白质)。
2、食物过敏是人们对某些食物产生的一种不良反应,在医学上属于一种变态反应。
3、食品过敏原是普通食品中正常存在的天然或人工添加物质,被过敏体质人群消耗后能够诱发过敏反应。
4、各个国家食品标识应标明的过敏原成分各国家食品标识应标明的过敏原成分国别食品种类过敏原食品中国(8种)含麸质的谷类及其制品小麦、黑麦、大麦、燕麦、玉米等甲壳类及其制品蟹、虾鱼类及其制品鲈鱼、鳕鱼蛋类及其制品鸡蛋、鸭蛋花生及其制品花生大豆及其制品大豆乳及其制品牛奶、乳糖坚果及其制品杏仁、腰果、胡桃、板粟美国(8种)乳牛奶、乳糖蛋鸡蛋、鸭蛋鱼鲈鱼、鳕鱼甲壳动物和贝类蟹、虾树生坚果杏仁、板栗、腰果、胡桃、含麸质的谷类小麦、黑麦、大麦、燕麦花生花生大豆大豆欧盟(14种)含麸质的谷类及其制品小麦、黑麦、大麦、燕麦甲壳类动物及其产品蟹、虾蛋类及其产品鸡蛋、鸭蛋鱼类及其制品鲈鱼、鳕鱼花生及其制品花生大豆及其制品大豆品法典委员会)中国香港必须在食品标签的配料表中对规定的9种过敏原进行明确标识。
根据《规例》附表3第8段的规定,标签须使用中文或英文际可操作性、标识的目的和达到的效果,如果预包装食品符合以下任一条件可以豁免在配料表中列明过敏原成分:1)包装容器最大平面面积小于10cm2;2)独立包装并拟作单份出售的凉果;3)含有单一配料的食品。
美国1、主要内容:指出食品标签上必须标识的过敏原成分种类和标识方式,是强制性的法规。
2、所有在美国销售的《联邦食品药品化妆品法规》规定的包装食品(包括国产和进口的),必须符合该法规中有关的食品的肉制品、禽肉制品和蛋制品。
3、对于鱼类、甲壳贝类、树木坚果三类食品必须标识具体的食品名称。
4、食品过敏原应标注在成分表之后或附近,字体大小与配料表相同,或者在配料表的相关食品过敏原处用括号标出。
致敏原及其标识的国内外法规现状我国食品中或多或少存在各种食品致敏原标识方面的问题或隐患,并且部分食品类别已经遭遇到了严重影响,比如日前的“浓汤宝”致敏原“可能含有”事件,因此致敏原标识问题亟需引起消费者的重视。
为了方便大家更详细的了解有关食品致敏原的相关规定,食品伙伴网将我国及国际上已颁布和实施的食品致敏原标识管理法规整理汇总,以供大家参考。
我国食品安全国家标准GB 7718-2011 预包装食品标签通则针对致敏物质作出如下规定:以下食品及其制品可能导致过敏反应,如果用作配料,宜在配料表中使用易辨识的名称,或在配料表邻近位置加以提示:a)含有麸质的谷物及其制品(如小麦、黑麦、大麦、燕麦、斯佩耳特小麦或它们的杂交品系);b)甲壳纲类动物及其制品(如虾、龙虾、蟹等);c)鱼类及其制品;d)蛋类及其制品;e)花生及其制品;f)大豆及其制品;g)乳及乳制品(包括乳糖);h)坚果及其果仁类制品。
如加工过程中可能带入上述食品或其制品,宜在配料表临近位置加以提示。
国际食品法典委员会(CAC)于1985年制定的预包装食品标签通用标准(CODEX STAN 1-1985)4.2.1.4节中规定:以下食品或配料中含有已知的可能导致过敏的成分必须做出声明:含有麸质的谷物;甲壳纲动物及其产品;蛋类;鱼类;花生、大豆及其产品;乳及乳制品(包括乳糖);树坚果及坚果产品;浓度大于等于10 mg/kg的亚硫酸盐。
4.2.2节中规定,任何食品或食品配料通过生物技术手段从含上述致敏原成分的产品中得到了致敏原成分,对于这些致敏原成分也应做出声明。
如果含有致敏原成分的食品标签上没有提供足够的关于致敏原存在的信息,该食品将不能在市场上销售。
美国2004年颁布的食品致敏原标识及消费者保护法案(Food Allergen Labeling and Consumer Protection Act of 2004) (Public Law 108-282, Title II)SEC. 203章节中规定:“包含”一词需紧邻产生主要致敏原成分的食品来源名称,用字号不小于配料表中食品配料的字号紧邻食品成分表之后印刷,并用“()”说明致敏原成分的主要来源。
中国食品过敏原标签指导原则
中国食品过敏原标签指导原则是指在食品包装上标注食品过敏原成分和相关信息,以帮助消费者识别并避免过敏原引发的食品过敏反应。
中国食品过敏原标签指导原则的主要内容包括:
1. 制造商应在食品标签上明确标注食品中含有的过敏原成分,如麦、大豆、牛奶、鸡蛋、坚果、海鲜等。
2. 标签上应明确标注食品中含有的过敏原成分名称,并以常用的文字或图形提示消费者。
例如,使用大字体标注过敏原名称,以及在食品配方表中使用特定符号或颜色标注过敏原。
3. 如果食品中含有过敏原物质,制造商还应提供相关的警示语,以警示消费者慎食或避免食用该食品。
4. 食品配方表应准确清晰地列出所有原料,避免使用模糊不清或隐蔽的描述,以确保消费者能够正确识别过敏原成分。
5. 制造商应定期检查食品标签的准确性和完整性,并确保标签上的信息与食品配方一致。
6. 食品过敏原标签指导原则还强调了对特殊人群的关注,例如儿童、老年人和孕妇等,制造商应提供特殊人群的食品过敏原标签和相关信息。
总之,中国食品过敏原标签指导原则的目的是通过明确标注食
品过敏原成分和提供相关信息,帮助消费者选择安全食品并避免过敏原引发的食品过敏反应。