无刷直流电机检验指导书
- 格式:doc
- 大小:31.54 KB
- 文档页数:2
无刷直流电机检验规范
无刷直流电机检验规范
(IATF16949/ISO9001-2015)
1.0 目的
为确保供应商来料品质符合我司及客户要求,以确保产品品质,使产线标准统一,产线顺利运转。
2.0 范围
本检验规范适用于本公司所采购的无刷直流电机的检验作业。
3.0 参考文件
3.1 MIL-STD-105E II 抽样计划表、产品承认书及工程样品、工程图纸。
3.2GB/T7345-94、GB/T4942.1-85、GB755-87、GB3797-89、GB4942.2-85
4.0检验规范
4.1检验工具:标配整机、万用表、标准稳压源、卡尺等。
4.2检验条件:
距离:人眼与被测物表面的距离为300~350MM。
时间:每条线检查时间不超过10S。
位置:检视面与桌面成45°;上下左右转动15°。
照明:100W冷白荧光灯,光源距被测物表面300MM ,(500~550LUX)。
检验员视力:裸视或矫正视力在1.0以上且无色盲。
4.3抽样标准
5.0检验内容:
注:不合格分类中标注“0”指有该缺陷;“—”指无该缺陷。
Ac指允收数,Re 指拒收数。
6.0相关文件
《不合格品的控制程序》
《产品抽样检查方案》
《产品缺陷等级标准》7.0质量记录
无刷直流电机检验记录表。
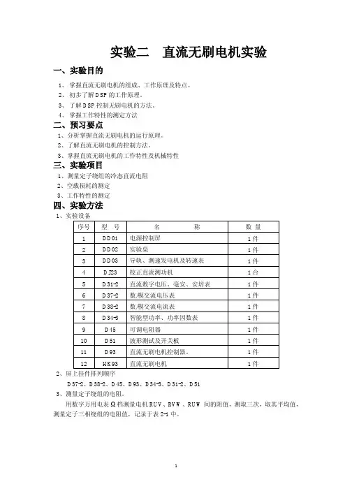
实验二直流无刷电机实验一、实验目的1、掌握直流无刷电机的组成、工作原理及特点。
2、初步了解DSP的工作原理。
3、了解DSP控制无刷电机的方法。
4、掌握工作特性的测定方法二、预习要点1、分析掌握直流无刷电机的运行原理。
2、了解直流无刷电机的控制方法。
3、掌握直流无刷电机的工作特性及机械特性三、实验项目1、测量定子绕组的冷态直流电阻2、空载损耗的测定3、工作特性的测定四、实验方法1、实验设备序号型号名称数量1 DD01 电源控制屏1件2 DD02 实验桌1件3 DD03 导轨、测速发电机及转速表1件4 DJ23 校正直流测功机1台5 D31-2 直流数字电压、毫安、安培表1件6 D37-2 数/模交流电压表1件7 D38-2 数/模交流电流表1件8 D34-3 智能型功率、功率因数表1件9 D45 可调电阻器1件10 D51 波形测试及开关板1件11 D93 直流无刷电机控制器。
1件12 HK93 直流无刷电机1件2、屏上挂件排列顺序D37-2、D38-2、D45、D93、D34-3、D31-2、D513、测量定子绕组的电阻。
用数字万用电表Ω档测量电机RUV、RVW、RUW间的阻值,测取三次,取其平均值,测量定子三相绕组的电阻值,记录于表2-1中。
表2-1 室温℃2个电机绕组的阻值RUV(Ω)RVW(Ω)RUW(Ω)123电机绕组1的阻值:电机绕组2的阻值:电机绕组3的阻值:5、空载损耗实验1)检查按图2—3的接线是否正确,图中A、V、W为交流仪表,其中A、V应该选择D37-2和D38-2最上部的模拟仪表量程分别选择0.3A(注意A表的测量短接按键要按下使仪表处于测量状态)和300V(选择数字仪表无法读取数据),量程选择是否正确、W可以使用数字仪表。
2)直流无刷电机直接与测速轴编码器部分连接。
先将输入交流电压调到AC220V。
3)再将调节D93调速电位器调至0,按D93上的起动按钮,D93上的显示窗口显示0000,再调节D93调速电位器,使M起动,使转速达到1500r/min,然后逐次降低电压直至转速为零,待运行稳定后记录U o、I o、P o、n各参数于下表2-4中。
电动机试验作业指导书引言概述电动机试验是对电动机性能进行评估和验证的重要工作,旨在确保电动机的安全、可靠和高效运行。
本文将为大家提供一份电动机试验作业指导书,详细介绍电动机试验的步骤、注意事项和数据分析方法,以帮助读者顺利完成电动机试验工作。
一、试验前准备1.1 试验设备准备- 确保试验设备完好无损,如电动机试验台、电能表、转速表等。
- 根据试验要求,检查试验设备的额定参数是否符合要求。
- 清洁试验设备,确保无杂物和腐蚀物。
1.2 试验样品准备- 检查电动机的外观是否完好,无损坏和腐蚀。
- 检查电动机的绝缘电阻和绝缘电压是否符合要求。
- 清洁电动机,确保无灰尘和油污。
1.3 试验环境准备- 确保试验环境通风良好,温度适宜。
- 检查试验环境的电源和接地是否正常。
- 确保试验环境安全,无明火和易燃物。
二、试验步骤2.1 试验前检查- 检查试验设备的连接是否牢固,接线是否正确。
- 检查试验设备的仪表是否校准准确。
- 检查试验设备的保护装置是否正常。
2.2 试验参数设置- 根据试验要求,设置电动机的额定电压、额定电流和额定转速。
- 设置试验过程中的采样频率和数据记录方式。
- 设置试验过程中的保护装置的动作参数。
2.3 试验操作步骤- 打开试验设备的电源,确保试验设备正常运行。
- 启动电动机,观察电动机的运行状态和噪音情况。
- 根据试验要求,逐步增加电动机的负载,记录相应的电流、转速和功率数据。
- 在试验过程中,注意观察电动机的振动情况和温度变化。
- 完成试验后,逐步减少电动机的负载,最终停止电动机的运行。
三、试验注意事项3.1 安全注意事项- 在试验过程中,严禁触摸电动机和试验设备的运转部件。
- 试验人员应穿戴好防护用具,如安全帽、防护眼镜和防护手套。
- 确保试验设备的接地良好,防止触电事故的发生。
3.2 数据记录和分析- 在试验过程中,准确记录电动机的电流、转速和功率等数据。
- 对试验数据进行分析,绘制电流-转速和功率-转速曲线。
直流无刷电机怎么测量好坏检测直流无刷电机前,先准备万用表,检查万用表是否可用,然后调至合适的档位。
首先:用万用表测量一下UV,UW,VW三相是不是都通的,如果有直流电阻通路反应,无断线;第二步:再把把UV,UW,VW分别接到示波器上,用手转动直流无刷电机,看看有没有类似正弦的输出波形;第三步:如果是有霍尔电机,再给霍尔供5V直流电,用手转动直流无刷电机,看看霍尔输出的波形对不对;如果没有示波器和5V直流电源,可以直接用万用表电压档并接到直流无刷电机的引线两端,转动直流无刷电机,由于直流无刷电机转动会产生感应电压,万用表会有电压指示。
直流无刷电机原理及控制器的检修直流无刷电机厂家讲述工作原理及控制器的检修,当旋动转把时,调速信号通过引线送往控制器中的主处理芯片。
控制器中的主处理芯片根据接收到的信号作出相应反应,并将控制信号和驱动信号送到逻辑电路和功率晶体管中,再输出电动机控制和驱动信号,使无刷电动机运转。
电动机旋转后,其内部的位置传感器(即霍尔元件)将检测到转子磁极的位置信号,反馈到控制器中的主处理芯片,控制相应功率晶体管的导通和关闭状态。
当按下闸把时,其闸把的刹车信号经插接件送到控制器中,直流无刷电机控制器中主处理芯片对该信号进行处理后,输出的制动信号使得功率晶体管处于关闭状态,使无刷电动机断电,达到刹车的目的。
在电动自行车进行控制的过程中,主处理芯片把当前的控制信号均通过插接件,在指示仪表中显示出来。
为了知道无刷电机的工作原理可以划分为几个主要的功能电路,如供电电路,启动电路,刹车电路,调速电路,欠压保护电路,过流保护电路。
控制器与无刷电机之间通常由三根较粗的引线和无根细线进行链接,直流无刷电机其中较粗引线为控制器与电动机连接的三根相线,较细的五根引线为控制器与电机霍尔原件连接的引线,用万用表检测引线端电压即可。
第1篇一、实验目的1. 了解直流无刷电机的结构和工作原理。
2. 掌握直流无刷电机的驱动电路和控制方法。
3. 分析直流无刷电机的电气特性和调速特性。
4. 通过实验验证直流无刷电机的性能和效率。
二、实验原理直流无刷电机(BLDCM)是一种无刷、无电刷的直流电机,其通过电子换向器来改变电流方向,从而实现电机的转动。
与传统有刷直流电机相比,无刷直流电机具有以下优点:1. 寿命长:无刷电机没有碳刷磨损,因此寿命更长。
2. 高效率:无刷电机的能量转换效率高,可以达到90%以上。
3. 高速性能:无刷电机可以达到更高的转速。
4. 无火花:无刷电机没有电刷,因此不会产生火花。
直流无刷电机的驱动电路主要包括以下部分:1. 霍尔传感器:用于检测电机的转子位置。
2. 驱动芯片:用于控制电机的换向。
3. 电机绕组:由漆包线和绝缘材料组成。
4. 电源:提供直流电压。
三、实验设备1. 直流无刷电机:型号为NMB 2406KL-04W-B36,额定电流0.14A。
2. 霍尔传感器:用于检测电机的转子位置。
3. 驱动芯片:用于控制电机的换向。
4. 电机绕组:由漆包线和绝缘材料组成。
5. 电源:提供直流电压。
6. 示波器:用于观察电机绕组的电压波形。
7. 光电反射式转速表:用于测量电机的转速。
四、实验步骤1. 组装电机驱动电路:根据实验原理图,将霍尔传感器、驱动芯片、电机绕组和电源连接起来,组装成电机驱动电路。
2. 连接实验设备:将组装好的电机驱动电路与示波器和光电反射式转速表连接起来。
3. 启动电机:打开电源,启动电机,观察电机是否能够正常转动。
4. 观察电机转速:使用光电反射式转速表测量电机的转速,记录数据。
5. 观察电机绕组电压波形:使用示波器观察电机绕组的电压波形,分析电机的电气特性。
6. 调整电机转速:通过改变电源电压,调整电机的转速,观察电机的转速变化情况。
7. 分析实验数据:根据实验数据,分析电机的电气特性和调速特性。
电机检验指导书电机检验指导书1.检验准备1.1 检验前准备工作1.1.1 确定检验范围和要求1.1.2 准备必要的检验仪器和设备1.1.3 清洁电机表面1.1.4 查阅电机技术资料和相关标准1.2 检验环境要求1.2.1 确保检验场所通风良好1.2.2 控制温湿度条件1.2.3 检查仪器设备的工作环境1.3 安全措施1.3.1 确保检验人员佩戴个人防护用品1.3.2 查看电机周围的安全措施是否完备1.3.3 关闭电机电源,并确保电机安全接地2.线圈绝缘检验2.1 检查绝缘材料的外观状态2.2 使用绝缘电阻测试仪进行绝缘电阻测量2.3 进行介电强度测试2.4 观察绝缘材料表面异常情况3.绕组电阻测量3.1 准备测试仪器3.2 清理接点并连接测试仪器3.3 开始测量电阻值3.4 记录测量结果并进行比对4.转子平衡性检验4.1 准备静、动平衡测试仪器4.2 安装电机转子在平衡测试仪器上4.3 进行静平衡测试并记录结果4.4 进行动平衡测试并记录结果4.5 判断平衡结果是否符合要求5.轴承振动检验5.1 准备振动测量仪器5.2 安装电机轴承振动检测装置5.3 开始振动测量并记录结果5.4 根据振动值判断轴承状态5.5 根据结果确定维修措施6.温升试验6.1 准备温升试验仪器和设备6.2 设置试验条件6.3 确定试验时间和采样点6.4 进行温升试验6.5 记录温升结果和采样数据6.6 判断温升是否符合要求7.异常情况处理7.1 记录检验过程中的异常情况7.2 分析异常原因7.3 制定维修方案7.4 进行必要的维修和更换工作7.5 重新进行检验7.6 规范异常情况的处理记录8.检验报告编写8.1 整理并统计检验数据8.2 编写电机检验报告正文8.3 撰写电机检验结论8.4 审查和修订报告内容8.5 完善报告格式和排版8.6 最终确认报告内容准确无误9.附件本文档涉及的附件如下:1.绝缘电阻测试仪器操作手册2.平衡测试仪器使用指南3.振动测量仪器操作说明书4.温升试验仪器操作指南10.法律名词及注释1.物品损坏赔偿责任:指在检验过程中,如造成电机损坏,需承担相应法律责任并进行赔偿。
产品名称电机产品型号通用版本适用型号通用文件编号XX/QI-PZ-037A 页码共1页序号检验项目检验工具检验水平缺陷类别检验周期4尺寸规格目视+实操检查随机抽取5PCS1.5B 每批5引出线拉力测试拉力计随机抽取5PCS1.5B 每批6接插片强度拉力计随机抽取5PCS1.5B 每批7震动测试实际操作随机抽取2PCS 0.01A 每批8运转检测目视+实操检查随机抽取2PCS 1.5B 每批更改标记处数更改人确认人更改日期每批每批来料检验规范距离电机500㎜处测试其空载噪音,应小于45dB。
注释:1、该检验指导书适用于全部电机型号产品的检验作业,尺寸要求参照规格书要求。
2、抽样方案及AQL:详见右表。
3、检验完毕后要做好标记并及时、正确填写检验记录。
4、发现不合格要及时处理,严禁私自放行转入下道工序。
包装箱文字和标志应清楚整齐,标明以下信息:制造商、电机型号、数量等。
胎纹符合封样件;螺丝紧固,有可靠的防腐蚀,无污损、碰撞、裂痕等缺陷,有良好的光泽,无锈蚀,电机外壳漆层应均匀,不应有流漆、起泡、掉皮、擦伤露底等不良现象。
如图1打开测功机进行测试电压、电流、功率、转速、效率等,对照规格书进行判定检验。
如图3-6随机抽取2PCS 1.5随机抽取2PCS1.5C C B B 性能测试噪音测试目视检查目视检查测功仪分贝测试APP 13910更改栏外观检验包装标志更改内容编制/日期审核/日期批准/日期引出线沿导线方向施加25kg 拉力持续2分钟,不断裂或无其他异常情况。
承受15kgf 拉力,保持10秒无位移,无损坏。
将待测样品放置于胶筐内并固定在运输模拟试验台上,运输试验台的震动频率调至200HZ,震动2小时,测试完成后,电机无异常、零部件不得松动或损坏。
将电机安装在工装上,电机应转动平稳、自如、无卡阻停滞等现象。
如图2A2第1页检验物料名称电机检验作业内容及标准轮胎规格、电机功率符合平面资料。
S-44.0S-44.0每批每批图1图2图3图4图5图6。
电动机检查作业指导书第一篇:电动机检查作业指导书一、引言电动机是现代工业生产中常见的电气设备之一,在各个行业都有广泛的应用。
为了保证电动机的正常运行和延长其使用寿命,定期对电动机进行检查是非常必要的。
本指导书旨在为人员提供关于电动机检查的具体操作流程和注意事项,以确保检查的有效性和安全性。
二、检查前的准备工作1. 停电在进行电动机检查之前,必须确保电机已经停电,并将相应的电源开关关闭。
这是为了避免人员在操作过程中触电的风险,确保人员的安全。
2. 安全措施在进行任何电动机检查工作之前,必须戴好个人防护装备,例如安全帽、防护眼镜和绝缘手套。
这些措施可以有效地保护人员不受可能产生的电击伤害。
3. 准备工具检查电动机所需的工具包括扳手、电动螺丝刀、测试笔、测温仪等。
在开始检查前,确保准备齐全,并保证工具的使用安全。
三、检查步骤1. 外观检查首先,对电动机的外观进行仔细检查。
检查外壳是否有明显的损坏或变形,是否有杂物或灰尘堵塞通风口。
确保电动机外观无异常。
2. 连接检查检查电动机的接线是否牢固,接线端子是否有松动等异常。
确保接线的稳固和可靠。
3. 绝缘检查使用测试笔检查电动机的绝缘是否良好。
将测试笔依次接触电机的各个绝缘部分,检查测试笔是否有亮光或报警声。
若有,表示绝缘存在问题,需要及时修理或更换。
4. 轴承检查检查电动机的轴承部分是否存在异响或过热现象。
可以利用手轻轻旋转电动机,观察是否存在轴承卡滞或转动困难。
若存在以上问题,需要进行维修或更换。
5. 温度检查使用测温仪对电动机的温度进行检测。
正常情况下,电动机在运行中会产生一定的热量,但温度不应过高。
若发现温度异常过高,需要及时检修,并找出引起高温的原因。
四、检查后的处理措施1. 维修记录对检查过程中发现的问题进行记录,包括问题的种类、程度以及需要采取的处理措施。
这些记录可以为以后的维修和保养提供参考。
2. 维护保养检查后,及时对电动机进行相应的维修或保养。
1、绝缘电阻:电机所有输入端短接后对机壳的绝缘电阻,用DC500V兆欧表测得热态时或温升后的绝缘电阻大于或等于5MΩ,冷态时的绝缘电阻大于或等于20MΩ。
2、电气强度:电动机额定电源电压在100V~500V时,电机所有输入端短接后对机壳的耐压应能承受1min或1sec的耐电压试验没有闪络或击穿现象,其试验电压的频率为50Hz,电流为5mA,电压为1500V(1min)或1800V(1sec),波形为实际正弦波。
3、直流电阻:绕组的冷态直流电阻为相应技术文件额定值的±9%(Tr=25℃下测)4、低压起动:(1)低压负载起动:在实际冷态和热稳定后,交流电源输入为80℅额定值时,电动机在整机电控的控制之下带实际负载时低速应能正常起动和工作。
(2)低压起动测试方法是电动机轴线水平安装于空调器中,分别在实际冷态和热稳定状态时,80℅额定交流输入电源电压,以电机规格书中的最低速起动3次,只要有一次不能从静止重新起动,即为不合格。
(3)低压空载起动:在实际冷态条件下,按4.28试验用电源电路接线,VDC、Vsp 数值按技术规范要求,不同的任意位置处连续起动3次,只要有一次不能从静止重新起动,即为不合格。
5、泄漏电流:电机在1.06倍额定电压、额定负载下运行温度达到热稳定状态下,其定子绕组与机壳间的泄漏电流应:≤0.5mA。
6、电源瞬间中断实验:用电源电路接线,额定负载状态运转时按下述方式通断电十次后无异常发生。
7、瞬时电压下降耐力:用电源电路接线,额定负载状态运转时按下述方式连续进行十次,恢复后无异常发生。
8、短时升高电压实验:用电源电路接线,交流电源输入端施加130%额定电压,历时3min,应无冒烟等击穿现象。
9、绕组温升:塑封电机: B(E)级绝缘≤55K10、耐久试验:(1)电动机在1.1倍额定电压额定负载下运行48h,然后在0.9倍额定电压额定负载下运行48h后,应符电气强度。
(2)电动机在1.1倍和0.85倍额定电压下,带负载启动各50次,每次时间不小于10秒,试验应符合电气强度。
直流⽆刷电机驱动器说明书(1)BLDC⽆刷电机驱动器(UB510)使⽤⼿册w w w.u p u ru.c o m感谢您使⽤本产品,本使⽤操作⼿册提供UB510驱动器的配置、调试、控制相关信息。
内容包括。
l驱动器和电机的安装与检查l试转操作步骤l驱动器控制功能介绍及调整⽅法l检测与保养l异常排除本使⽤操作⼿册适合下列使⽤者参考l安装或配线⼈员l试转调机⼈员l维护或检查⼈员在使⽤之前,请您仔细详读本⼿册以确保使⽤上的正确。
此外,请将它妥善放置在安全的地点以便随时查阅。
下列在您尚未读完本⼿册时,请务必遵守事项: l安装的环境必须没有⽔⽓,腐蚀性⽓体及可燃性⽓体l接线时禁⽌将电源接⾄电机 U、V、W 的接头,⼀旦接错时将损坏驱动器 l在通电时,请勿拆解驱动器、电机或更改配线l在通电运作前,请确定紧急停机装置是否随时启动l在通电运作时,请勿接触散热⽚,以免烫伤警告:驱动器⽤于通⽤⼯业设备。
要注意下列事项:(1).为了确保正确操作,在安装、接线和操作之前必须通读操作说明书。
(2).勿改造产品。
(3).当在下列情况下使⽤本产品时,应该采取有关操作、维护和管理的相关措施。
在这种情况下,请与我们联系。
①⽤于与⽣命相关的医疗器械。
②⽤于可能造成⼈⾝安全的设备,例如:⽕车或升降机。
③⽤于可能造成社会影响的计算机系统④⽤于有关对⼈⾝安全或对公共设施有影响的其他设备。
(4).对⽤于易受震动的环境,例如:交通⼯具上操作,请咨询我们。
(5).如未按上述要求操作,造成直接或间接损失,我司将不承担相关责任。
1概述本公司研发⽣产的BLDC驱动器是⼀款⾼性能,多功能,低成本的带霍尔传感器直流⽆刷驱动器。
全数字式设计使其拥有灵活多样的输⼊控制⽅式,极⾼的调速⽐,低噪声,完善的软硬件保护功能,驱动器可通过串⼝通信接⼝与计算机相连,实现PID参数调整,保护参数,电机参数,加减速时间等参数的设置,还可进⾏IO输⼊状态,模拟量输⼊,告警状态及母线电压的监视。
目次1范围 (3)2本指导书涉及的资料和图纸 (3)3安全措施..................................................... 错误!未指定书签。
4备品备件清单................................................. 错误!未指定书签。
5现场准备及工具............................................... 错误!未指定书签。
6检修工序及质量标准........................................... 错误!未指定书签。
7检修记录..................................................... 错误!未指定书签。
8不符合项目处理单............................................. 错误!未指定书签。
9完工报告单............................................................ 错误!未指定书签。
10质量签证单错误!未指定书签。
工作人员作业指导书学习签字1、范围1。
1目的和范围本作业指导书规定了电机检修工作涉及的技术资料和图纸、安全措施、备品备件、现场准备及工具、工序及质量标准和检修记录等相关的技术标准。
1。
2缺陷分析电机定期检修1。
3检修内容电机轴承、定子、转子及引线检查,试验。
1。
4检修地点直流油泵电机本体处1.5可行性分析1.检修项目为电机轴承、定子、转子及引线检查,试验,并对已发现的问题进行处理。
2、本指导书涉及的技术资料和图纸下列文件中的条款通过本规范的引用而成为本规范的条款。
凡是注日期的引用文件,其随后所有的修改单或修订版均不适用于本规范,凡是不注日期的引用文件,其最新版本适用于本规范。
☐《电力设备交接和预防性试验规程》Q/CDT107001-2005☐《电业安全工作规程》DL408—913、安全措施☐3。
无刷直流电机检验规范(IATF16949/ISO9001-2015)1.0 目的为确保供应商来料品质符合我司及客户要求,以确保产品品质,使产线标准统一,产线顺利运转。
2.0 范围本检验规范适用于本公司所采购的无刷直流电机的检验作业。
3.0 参考文件3.1 MIL-STD-105E II 抽样计划表、产品承认书及工程样品、工程图纸。
3.2GB/T7345-94、GB/T4942.1-85、GB755-87、GB3797-89、GB4942.2-854.0检验规范4.1检验工具:标配整机、万用表、标准稳压源、卡尺等。
4.2检验条件:距离:人眼与被测物表面的距离为300~350MM。
时间:每条线检查时间不超过10S。
位置:检视面与桌面成45°;上下左右转动15°。
照明:100W冷白荧光灯,光源距被测物表面300MM ,(500~550LUX)。
检验员视力:裸视或矫正视力在1.0以上且无色盲。
4.3抽样标准不合格分类检验水平AQL值抽样办法A S-2 1.5B Ⅱ4.0C Ⅱ6.5贮存超期复检方法(仅对注★项目) 280以下13 ——0 1 2 3 281以上20 —— 1 2 3 45.0检验内容:序号检验项目质量要求检测手段不合格分类A B C1 规格规格尺寸符合技术图纸要求。
游标卡尺—O —2 电机性能用0.5级测功仪检测其额定功率点效率应>80%,在额定功率点左右效率点最少有10个电流点在78%以上。
36V电机在额定功率(200W)时扭矩>7N.m。
0.5级测功仪验证O ——电机运转应无明显异常的声音,噪声≤50dB。
O ——3 额定功率额定功率:36V电机:180-250W O ——4 空载电流功率在250W以下电机空载电流应小于1A O ——5 短时过载电机应能承受超过额定转矩60%过转矩1mim试验验证O ——6 轴向、轴伸径向圆跳动值滚动轴承:0.1~0.3mm。
电动汽车用无刷直流电机控制器检测标准前言本检测标准按照国家关于电动汽车牵引电机控制器的标准和电动汽车制造厂对控制器提出的要求制定。
本检测标准包括控制器的技术要求、技术指标、实验方法和实验项目的分类。
本检测标准仅限于本公司产品的检测,未经检测的产品一律视为不合格产品,不得出厂。
1、环境条件1.1实验环境条件:1.1.1温度在-20℃-40℃。
1.1.2相对湿度在10%-75%之间。
1.2使用环境条件:1.2.1当环境温度在-20℃-80℃时,控制器能按规定的定额运行。
1.2.2在相对湿度不超过100%情况下能正常工作,即控制器表面产生凝露时也可正常工作。
2、实验检查项目2.1机械尺寸及外观检测2.1.1按照产品的设计图纸,检查控制器外形和安装尺寸是否符合要求,外观是否整洁无损伤,表面是否贴有检验标识和铭牌,字迹内容要求清晰无误。
2.1.2控制器出线铜排表面平整,安装牢固可靠,整齐无污渍。
2.2基本性能检测2.2.1控制器可在规定的电压和电流下正常运行。
2.2.2控制器应可以使无刷直流电机实现怠速、正反转运行、调速等基本功能的控制。
2.3各种保护功能及信号输出检测2.3.1过温检测:当控制器在超过规定温度时自动停止运行,并在温度降低到允许值时才可以继续运行。
2.3.2过流检测:当控制器的母线或相线电流超过允许值时应能自动断电保护并发出报警信号。
2.3.3过压检测:当控制器的输入电压超过其最大输入电压时自动发出报警信号。
2.3.4欠压检测:当控制器的输入电压低于其最小输入电压时自动报警信号。
2.3.5堵转检测:在电机堵转超过规定时间时,控制器应停止对电机输出电流,并发出报警信号。
2.3.5霍尔故障检测:当电机的位置传感器输出异常信号时,控制器应停止对电机输出电流,并发出报警信号。
2.3.5加速器信号异常检测:当控制器检测到加速踏板在上电时的信号异常时禁止对电机输出,并发出报警信号。
2.3.6刹车断电:当控制器检测到刹车信号输入时停止对电机输出。