热拌沥青混合料检验批质量检验记录
- 格式:docx
- 大小:13.50 KB
- 文档页数:2
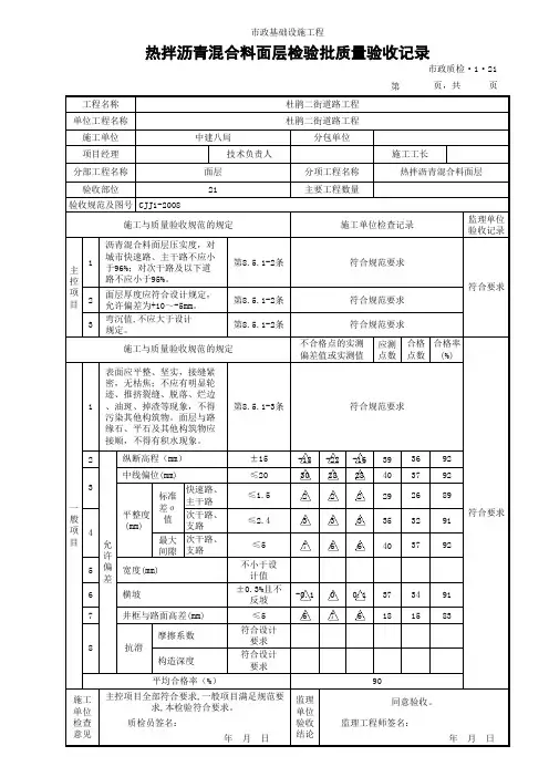
第123应测点数12-18-22-1639302828402222933335最大间隙7664056-0.100.137767618CJJ1-2008监理单位验收记录符合要求施工单位检查记录施工与质量验收规范的规定主控项目验收规范及图号 沥青混合料面层压实度,对 城市快速路、主干路不应小 于96%;对次干路及以下道 路不应小于95%。
面层厚度应符合设计规定, 允许偏差为+10~-5mm。
监理单位验收结论主控项目全部符合要求,一般项目满足规范要求,本检验符合要求。
34±0.3%且不反坡横坡中线偏位(mm)≤20≤1.5 构造深度合格率(%)83年 月 日同意验收。
监理工程师签名:9136379232施工与质量验收规范的规定≤2.4允许偏差符合设计要求符合设计要求次干路、支路抗滑符合规范要求验收部位合格点数符合要求2115井框与路面高差(mm)≤5平均合格率(%)分部工程名称面层施工单位热拌沥青混合料面层分项工程名称项目经理施工工长市政基础设施工程页,共热拌沥青混合料面层检验批质量验收记录杜鹃二街道路工程工程名称分包单位市政质检·1·21页杜鹃二街道路工程中建八局单位工程名称9026899237不合格点的实测偏差值或实测值主要工程数量9134技术负责人符合规范要求符合规范要求符合规范要求92施工单位检查意见8质检员签名:年 月 日一般项目快速路、主干路 表面应平整、坚实,接缝紧 密,无枯焦;不应有明显轮 迹、推挤裂缝、脱落、烂边 、油斑、掉渣等现象,不得 污染其他构筑物。
面层与路 缘石、平石及其他构筑物应 接顺,不得有积水现象。
纵断高程(mm) 摩擦系数不小于设计值 宽度(mm)≤5 平整度(mm)标准差σ值±15第8.5.1-2条第8.5.1-2条第8.5.1-2条弯沉值,不应大于设计 规定。
次干路、支路第8.5.1-3条。
热拌沥青混合料检验批质量检验记录热拌沥青混合料检验批质量检验记录一、项目概述本记录了热拌沥青混合料检验批的质量检验记录,旨在对该批次的沥青混合料进行全面而详细的检验,确保其符合相关质量标准并满足工程要求。
二、检验批信息1. 检验批编号:[填写检验批编号]2. 工程名称:[填写工程名称]3. 施工单位:[填写施工单位名称]4. 监理单位:[填写监理单位名称]5. 检验日期:[填写检验日期]三、成分检验1. 油石比检验a. 取样方法:[详细描述取样的方法和步骤]b. 检测方法:[详细描述油石比检验的方法和步骤]c. 检验结果:[填写检验结果]d. 判定依据:[填写油石比的标准要求]e. 结论:[填写结论]2. 骨料粒径检验a. 取样方法:[详细描述取样的方法和步骤]b. 检测方法:[详细描述骨料粒径检验的方法和步骤]c. 检验结果:[填写检验结果]d. 判定依据:[填写骨料粒径的标准要求]e. 结论:[填写结论]3. 沥青含量检验a. 取样方法:[详细描述取样的方法和步骤]b. 检测方法:[详细描述沥青含量检验的方法和步骤]c. 检验结果:[填写检验结果]d. 判定依据:[填写沥青含量的标准要求]e. 结论:[填写结论]4. 密度检验a. 取样方法:[详细描述取样的方法和步骤]b. 检测方法:[详细描述密度检验的方法和步骤]c. 检验结果:[填写检验结果]d. 判定依据:[填写密度的标准要求]e. 结论:[填写结论]5. 抗拉强度检验a. 取样方法:[详细描述取样的方法和步骤]b. 检测方法:[详细描述抗拉强度检验的方法和步骤]c. 检验结果:[填写检验结果]d. 判定依据:[填写抗拉强度的标准要求]e. 结论:[填写结论]四、附件1. 检验报告附件:[列出附件名称及编号]2. 取样照片附件:[列出附件名称及编号]3. 检验记录表附件:[列出附件名称及编号]附件:1. 检验报告附件a. 附件1:[附件1名称]b. 附件2:[附件2名称]c. 附件3:[附件3名称]2. 取样照片附件a. 附件1:[附件1名称]b. 附件2:[附件2名称]c. 附件3:[附件3名称]3. 检验记录表附件a. 附件1:[附件1名称]b. 附件2:[附件2名称]c. 附件3:[附件3名称]法律名词及注释:1. XXX法律名词:[解释说明]2. YYY法律名词:[解释说明]3. ZZZ法律名词:[解释说明]。
123123456789应测点数合格点数合格率%平整度主干路ó≤1.5(测平仪检测)其它道路ó≤2.4(测平仪检测)最大间隙≤5(人工测量)2纵断高程±15一般项目主控项目快速、主干路≥96%其它道路≥95%面层压实度面层厚度1中线偏位≤203不大于设计规定符合设计规定偏差+10~-5mm 检 查 项 目允许偏差或允许值(mm)检查结果/实测点偏差值或实测值弯沉代表值施工负责人检验日期检 查 项 目允许偏差或允许值(mm)检 查 结 果交方班组接方班组分项工程名称验收部位技术负责人质量检验员工程数量制表人分部工程名称项目经理热拌沥青混合料面层施工检验批质量检验记录表工程名称施工单位单位工程名称123456789应测点数合格点数合格率%84 宽度(mm)检查项目允许偏差或允许值(mm)检查结果/实测点偏差值或实测值不小于设计值 续上页施工单位检查评定结果项目专业质量质检员: 年 月 日监理(建设)单位验收结论专业监理工程师:(建设单位项目专业技术负责人) 年 月 日注:1、“ó”为标准差。
2、主控项目、一般项目的检验结果,需用语言描述的项,应按CJJ1-2008的要求详实描述;主控项目的计数检验项先填写“检验批主控项目计数检验记录表”(G1-1-1),然后将计数检验结果填写在本表相应的检查结果栏内;检验批一般项目计数检验数据较多、本表空格不够填写的项,可填写“检验批一般项目计数检验记录表”(G1-1-2),将该表作为本表的附页。
一般项目平均合格率(%)5横度(%)摩擦系数±0.3且不反坡一般项目面层外观符合CJJ1-2008第8.5.1-3规定6井宽与路面高差(mm)≤57符合设计要求构造深度。
热拌沥青混合料面层检验批质量验收记录热拌沥青混合料面层检验批质量抽检记录下面是赠送的团队治理名言学习,不需要的朋友可以编辑删除!!!谢谢!!!1、沟通是治理的浓缩.2、治理被人们称之为是一门综合艺术--“综合〞是由于治理涉及根本原理、自我认知、智慧和领导力;“艺术〞是由于治理是实践和应用.3、治理得好的工厂,总是单调乏味,没有任何冲动人心的事件发生.4、治理工作中最重要的是:人正确的事,而不是正确的做事.5、治理就是沟通、沟通再沟通.6、治理就是界定企业的使命,并鼓励和组织人力资源去实现这个使命.界定使命是企业家的任务,而鼓励与组织人力资源是领导力的范畴,二者的结合就是治理.7、治理是一种实践,其本质不在于“知〞而在于“行〞;其验证不在于逻辑,而在于成果;其唯一权威就是成就.8、治理者的最根本水平:有效沟通.9、合作是一切团队繁荣的根本.10、将适宜的人请上车,不适宜的人请下车.11、领导不是某个人坐在马上指挥他的部队,而是通过别人的成功来获得自己的成功.12、企业的成功靠团队,而不是靠个人.13、企业治理过去是沟通,现在是沟通,未来还是沟通.14、赏善而不罚恶,那么乱.罚恶而不赏善,亦乱.15、赏识导致成功,抱怨导致失败.16、世界上没有两个人是完全相同的,但是我们期待每个人工作时,都拥有许多相同的特质.17、首先是管好自己,对自己言行的治理,对自己形象的治理,然后再去影响别人,用言行带动别人.18、首先要说的是,CEO要承当责任,而不是“权力〞.你不能用工作所具有的权力来界定工作, 而只能用你对这项工作所产生的结果来界定.CEO要对组织的使命和行动以及价值观和结果负责.19、团队精神是从生活和教育中不断地培养标准出来的.研究发现,从小没有培养好团队精神,长大以后即使天天培训,效果并不是很理想.由于人的思想是从小造就的,小时候如果没有注意到,长大以后再重新培养团队精神其实是很困难的.20、团队精神要从经理人自身做起,经理人更要带头遵守企业规定,让技术及素质较高的指导较差的,以团队的荣誉就是个人的骄傲启能启智,互利共生,互惠成长, 不断地逐渐培养员工的团队意识和集体观念.21、一家企业如果真的像一个团队,从领导开始就要严格地遵守这家企业的规章.整家企业如果是个团队,整个国家如果是个团队,那么自己的领导要身先士卒带头做好, 自己先树立起这种规章的威严,再要求下面的人去遵守这种规章,这个才叫做团队.22、已所不欲,勿施于人.23、卓有成效的治理者善于用人之长.24、做企业没有奇迹而言的,但凡创造奇迹的,一定会被超过.企业不能跳跃,就一定是〔循着〕一个规律,一步一个脚印地走.25、大成功靠团队,小成功靠个人.26、不善于倾听不同的声音,是治理者最大的疏忽关于教师节的名人名言 | 教师节名人名言1、一个人在学校里外表上的成绩,以及较高的名次,都是靠不住的,唯一的要点是你对于你所学的是否心里真正觉得很喜欢,是否真有浓厚的兴趣……--邹韬奋2、教师是蜡烛,燃烧了自己,照亮了别人. --佚名3、使学生对教师尊敬的惟一源泉在于教师的德和才.--爱因斯坦4、三人行必有我师焉;择其善者而从之,其不善者而改之. --孔子5、在我们的教育中,往往只是为着实用和实际的目的, 过分强调单纯智育的态度, 已经直接导致对伦理教育的损害.--爱因斯坦6、举世不师,故道益离.--柳宗元7、古之学者必严其师,师严然后道尊. --欧阳修8、教师要以父母般的感情对待学生.--昆体良9、时机对于不能利用它的人又有什么用呢?正如风只对于能利用它的人才是动力.--西家10、一日为师,终身为父.--关汉卿11、要尊重儿童,不要急于对他作出或好或坏的评判.--卢梭12、捧着一颗心来,不带半根草去.--陶行知13、君子藏器于身,待时而动.--佚名14、教师不仅是知识的传播者,而且是模范.--布鲁纳15、教师是人类灵魂的工程师.--斯大林16、学者必求师,从师不可不谨也.--程颐17、假定美德既知识,那么无可疑心美德是由教育而来的.--苏格拉底18、好花盛开,就该尽先摘,慎莫待美景难再,否那么一瞬间,它就要凋零萎谢,落在尘埃.--莎士比亚19、养体开智以外,又以德育为重.--康有为20、无贵无贱,无长无少,道之所存,师之所存也.--韩愈21、谁假设是有一刹那的害怕,也许就放走了幸运在这一刹那间对他伸出来的香饵. --大仲马22、学贵得师,亦贵得友.--唐甄23、故欲改革国家,必先改革个人;如何改革个人?唯一方法,厥为教育.--张伯24、为学莫重于尊师.--谭嗣同25、愚蠢的行动,能使人陷于贫困;投合时机的行动,却能令人致富.--克拉克26、但凡教师缺乏爱的地方,无论品格还是智慧都不能充分地或自由地开展.-27、不愿向小孩学习的人,不配做小孩的先生.--陶行知28、少年进步那么国进步.--梁启超29、弱者坐失良机,强者制造时机,没有时机,这是弱者最好的供词.--佚名有关刻苦学习的格言1、讷讷寡言者未必愚,喋喋利口者未必智2、勤奋不是嘴上说说而已、而是要实际行动.3、灵感不过是“顽强的劳动而获得的奖赏〞4、天才就是百分之九十九的汗水加百分之一的灵感5、勤奋和智慧是双胞胎,懒惰和愚蠢是亲兄弟6、学问渊博的人,懂了还要问;学问浅薄的人,不懂也不问7、人生在勤,不索何获.8、学问勤中得.学然后知缺乏.9、勤奋者废寝忘食,懒惰人总没有时间.10、勤奋的人是时间的主人,懒惰的人是时间的奴隶.11、山不厌高,水不厌深.骄傲是跌跤的前奏.12、艺术的大道上荆棘丛生,这也是好事,常人望而却步,只有意志坚强的人例13、成功=艰苦劳动+正确方法+少说空话.14、骄傲来自浅薄,狂妄出于无知.骄傲是失败的开头,自满是智慧的尽头.15、不听指点,多绕弯弯.不懂装懂,永世饭桶.16、言过其实,终无大用.知识愈浅,自信愈深.17、智慧源于勤奋,伟大出自平凡.18、你想成为幸福的人吗?但愿你首先学会吃得起苦.19、自古以来学有建树的人,都离不开一个“苦〞字.20、天才绝不应鄙视勤奋.21、试试并非受罪,问问并不吃亏.善于发问的人,知识丰富.22、智者千虑,必有一失;愚者千虑,必有一得.23、不要心平气和,不要容你自己昏睡!趁你还年轻,强壮、灵活,要永不疲倦地做好事.24、说大话的人像爆竹,响一声就完了.鉴难明,始能照物;衡唯平,始能权物.25、贵有恒何必三更眠五更起,最无益只怕一日曝十日寒.26、刀钝石上磨,人笨人前学.以人为师能进步.27、宽阔的河平静,博学的人谦虚.秀才不怕衣衫破,就怕肚子没有货.。
热拌沥青混合料面层检验批质量检验记录日期:项目名称:地点:施工单位:检验单位:一.项目概要本次检验批质量检验的是热拌沥青混合料面层。
该面层是道路施工中的关键部分,对于道路的平整度和耐久性有着重要影响。
质量检验旨在保证施工质量,确保道路面层能够满足设计要求。
二.检验项目本批次热拌沥青混合料面层的质量检验包括以下项目:1. 沥青含量测试2. 骨料含量测试3. 空隙率测试4. 密度测试5. 抗滑性测试三.检验设备本次质量检验所使用的设备如下:1. 油漆浓度计2. 骨料含量测定仪3. 空隙率测定仪4. 密度计5. 摩擦系数测试仪四.检验方法1. 沥青含量测试方法:(详细描述沥青含量测试方法)2. 骨料含量测试方法:(详细描述骨料含量测试方法)3. 空隙率测试方法:(详细描述空隙率测试方法)4. 密度测试方法:(详细描述密度测试方法)5. 抗滑性测试方法:(详细描述抗滑性测试方法)五.检验结果记录(按照每一项检验项目记录检验结果,包括样品编号、检验数值、合格判定等)六.附件本文档包含以下附件:1. 沥青含量测试记录表2. 骨料含量测试记录表3. 空隙率测试记录表4. 密度测试记录表5. 抗滑性测试记录表七.法律名词及注释1. 法律名词1:解释或定义2. 法律名词2:解释或定义日期:项目名称:地点:施工单位:检验单位:一.项目概要本次检验批质量检验的是热拌沥青混合料面层。
该面层是道路施工中的重要部分,影响道路的平整度和安全性。
质量检验旨在验证施工质量,确保道路面层达到设计要求并具备耐久性。
二.检验项目本批次热拌沥青混合料面层的质量检验包括以下项目:1. 沥青含量测试2. 骨料含量测试3. 空隙率测试4. 密度测试5. 抗滑性测试三.检验设备本次质量检验所使用的设备如下:1. 油漆浓度计2. 骨料含量测定仪3. 空隙率测定仪4. 密度计5. 摩擦系数测试仪四.检验方法1. 沥青含量测试方法:(详细描述沥青含量测试方法)2. 骨料含量测试方法:(详细描述骨料含量测试方法)3. 空隙率测试方法:(详细描述空隙率测试方法)4. 密度测试方法:(详细描述密度测试方法)5. 抗滑性测试方法:(详细描述抗滑性测试方法)五.检验结果记录(按照每一项检验项目记录检验结果,包括样品编号、检验数值、合格判定等)六.附件本文档包含以下附件:1. 沥青含量测试记录表2. 骨料含量测试记录表3. 空隙率测试记录表4. 密度测试记录表5. 抗滑性测试记录表七.法律名词及注释1. 法律名词1:解释或定义2. 法律名词2:解释或定义。
热拌沥青混合料面层检验批质量检验记录一、检验概述热拌沥青混合料面层是道路施工中的重要组成部分,对保障道路的使用寿命和安全性具有重要意义。
为了确保热拌沥青混合料面层施工质量,本检验记录对热拌沥青混合料面层进行质量检验,并详细记录检验过程和结果。
二、检验目的1. 验证热拌沥青混合料面层的配合比是否符合设计要求;2. 检查热拌沥青混合料面层的密实性和平整度;3. 检验热拌沥青混合料面层的厚度是否满足规范要求。
三、检验内容1. 配合比检验:(1)取得热拌沥青混合料面层样品,进行实验室测试;(2)测定样品中矿料、沥青、沥青混合料的配比;(3)判断配合比是否符合设计要求。
2. 密实度检验:(1)取得热拌沥青混合料面层样品,制作试件;(2)采用密实度试验设备对试件进行压实;(3)测定试件的密实度,判断是否满足规范要求。
3. 平整度检验:(1)对完工的热拌沥青混合料面层进行平整度检验;(2)采用平均高度差、标准偏差等指标测定面层的平整度;(3)判断面层的平整度是否满足规范要求。
4. 厚度检验:(1)选择多个点位取得热拌沥青混合料面层的样品;(2)采用厚度测量仪器对样品进行测量;(3)记录每个点位的实际厚度值,并判断是否满足规范要求。
四、检验过程1. 准备工作:(1)根据施工图纸确定取样点位;(2)准备取样工具及仪器设备。
2. 配合比检验:(1)按照设计要求,取得热拌沥青混合料面层样品;(2)将样品送至实验室进行配合比检验;(3)记录检验结果。
3. 密实度检验:(1)制作试件,并标明取样点位;(2)使用密实度试验设备对试件进行压实;(3)测定试件的密实度,并记录检验结果。
4. 平整度检验:(1)选择多个点位对热拌沥青混合料面层进行测量;(2)采用测高仪或其他工具,测量高程值,并记录;(3)根据测量结果计算平均高度差、标准偏差等指标,并判断是否合格。
5. 厚度检验:(1)选择多个点位取得热拌沥青混合料面层样品;(2)采用厚度测量仪器对样品进行测量;(3)记录每个点位的实际厚度值,并判断是否满足规范要求。
热拌沥青混合料面层检验批质量验收记录热拌沥青混合料面层检验批质量抽检记录下面是赠送的团队管理名言学习,不需要的朋友可以编辑删除谢谢1、沟通是管理的浓缩。
2、管理被人们称之为是一门综合艺术--“综合”是因为管理涉及基本原理、自我认知、智慧和领导力;“艺术”是因为管理是实践和应用。
3、管理得好的工厂,总是单调乏味,没有任何激动人心的事件发生。
4、管理工作中最重要的是:人正确的事,而不是正确的做事。
5、管理就是沟通、沟通再沟通。
6、管理就是界定企业的使命,并激励和组织人力资源去实现这个使命。
界定使命是企业家的任务,而激励与组织人力资源是领导力的范畴,二者的结合就是管理。
7、管理是一种实践,其本质不在于“知”而在于“行”;其验证不在于逻辑,而在于成果;其唯一权威就是成就。
8、管理者的最基本能力:有效沟通。
9、合作是一切团队繁荣的根本。
10、将合适的人请上车,不合适的人请下车。
11、领导不是某个人坐在马上指挥他的部队,而是通过别人的成功来获得自己的成功。
12、企业的成功靠团队,而不是靠个人。
13、企业管理过去是沟通,现在是沟通,未来还是沟通。
14、赏善而不罚恶,则乱。
罚恶而不赏善,亦乱。
15、赏识导致成功,抱怨导致失败。
16、世界上没有两个人是完全相同的,但是我们期待每个人工作时,都拥有许多相同的特质。
17、首先是管好自己,对自己言行的管理,对自己形象的管理,然后再去影响别人,用言行带动别人。
18、首先要说的是,CEO要承担责任,而不是“权力”。
你不能用工作所具有的权力来界定工作,而只能用你对这项工作所产生的结果来界定。
CEO要对组织的使命和行动以及价值观和结果负责。
19、团队精神是从生活和教育中不断地培养规范出来的。
研究发现,从小没有培养好团队精神,长大以后即使天天培训,效果并不是很理想。
因为人的思想是从小造就的,小时候如果没有注意到,长大以后再重新培养团队精神其实是很困难的。
20、团队精神要从经理人自身做起,经理人更要带头遵守企业规定,让技术及素质较高的指导较差的,以团队的荣誉就是个人的骄傲启能启智,互利共生,互惠成长,不断地逐渐培养员工的团队意识和集体观念。