中天建设集团悬挑脚手架样板评审定稿(最终)
- 格式:pdf
- 大小:5.13 MB
- 文档页数:50
悬挑式脚手架保证项目安全检查评定的规定范本一、悬挑式脚手架项目安全检查评定的目的悬挑式脚手架是建筑行业常用的高空作业工具,为了保障项目的安全进行,制定本规定范本,旨在确保悬挑式脚手架的安全使用,减少事故发生的可能性,提高工作效率。
二、悬挑式脚手架项目安全检查评定的范围悬挑式脚手架项目安全检查评定的范围涵盖以下方面:1. 脚手架结构的稳固性:检查脚手架结构是否稳固,是否存在松动、倾斜、变形等问题。
2. 材料的质量和使用情况:检查脚手架所使用的材料质量是否符合标准要求,是否有损坏、老化等情况。
3. 安全设施的设置和使用情况:检查脚手架是否设置了安全扶手、脚手板、安全网等安全设施,并检查这些设施的使用情况。
4. 工人的操作和安全意识:检查工人是否严格按照操作规程进行操作,是否具备良好的安全意识,是否正确使用安全防护装备。
5. 管理措施的执行情况:检查项目管理方对悬挑式脚手架工作的管理措施是否得以有效执行。
三、悬挑式脚手架项目安全检查评定的具体步骤1. 检查准备工作(1)成立安全检查小组,包括项目负责人、技术负责人、安全负责人等相关人员。
(2)制定安全检查的工作计划,明确检查的时间、地点、范围和内容。
(3)收集与安全检查相关的材料和资料,包括悬挑式脚手架的设计图纸、安全规范等。
2. 开展悬挑式脚手架项目的实地检查(1)检查脚手架结构的稳固性,包括检查立杆、横杆、斜杆的连接情况,是否存在松动和腐蚀等问题。
(2)检查脚手架的材料质量和使用情况,包括检查脚手架的承重材料、连接件、脚手板等的质量和是否有损坏的情况。
(3)检查安全设施的设置和使用情况,包括检查脚手架的安全扶手、脚手板、安全网等是否设置齐全,并检查这些设施的使用情况。
(4)检查工人的操作和安全意识,包括观察工人的操作是否规范、是否佩戴安全帽、是否正确使用安全绳等。
(5)检查管理措施的执行情况,包括检查项目管理方对脚手架工作的管理措施是否得以有效执行。
中天建设集团项目综合评价管理办法(2017版)第一章总则第一条为贯彻集团公司“每建必优、品质为先”的工程管理方针,进一步推动项目管理标准化建设,将原项目综合评价管理办法(“标杆工程”、“基本达标工程”、“拉闸工程”)与项目管理标准化评价标准进行整合,纳入统一的综合评价体系,同时提升标杆工程的标准和项目管理标准化的导向性,特制定本办法。
第二条所有中天建设集团各区域公司所辖的在建项目,必须纳入本评价办法。
第二章项目评价办法第三条评价部门项目综合评价由集团或区域公司组织开展,集团以复核为主。
各区域公司要求对所有符合条件的在建工程,不定期组织动态评价,评价结果实时录入项目管理信息化系统,在区域内通报。
集团项目管理标准化部结合集团大检查或组织验评组随机抽查。
第四条评价阶段项目在主体施工至1/2阶段即可开展综合评价,通过区域验评达2.0和区域标杆后方可申请集团标杆工程验评。
第五条评价内容项目综合评价针对项目综合管理、质量管理、安全管理、文明施工及CIS、技术管理、施工资料、项目风险管理等专业进行检查,总分100分,详见附表1《项目综合评价得分汇总表》。
1、项目综合管理主要检查项目部各岗位管理人员实际配置情况,按照“人、证、岗”统一的要求,管理人员持证情况,项目经理与管理团队是否签订明确的目标责任制,项目部是否形成定期培训学习机制、信息化平台使用以及顾客满意度情况等。
具体详见附表2《项目综合管理检查评分表》。
2、质量管理检查内容主要包括质量类标准化管理动作、实测实量、观感质量及主材检查(详见附表3)。
在测区内若有修补的按打磨修补程度不同分为A、B、C三级,其实测成绩按修正系数进行折算。
修补打磨现象判定标准如下:3、安全管理检查内容主要包括安全管理体系及安全类标准化管理动作、脚手架管理、高处作业管理、消防管理、临时用电管理、机械设备管理等(详见附表4)。
4、文明施工及CIS主要检查标准化管理动作、工地外貌、办公区、施工区、生活区以及绿色施工等(详见附表5)。
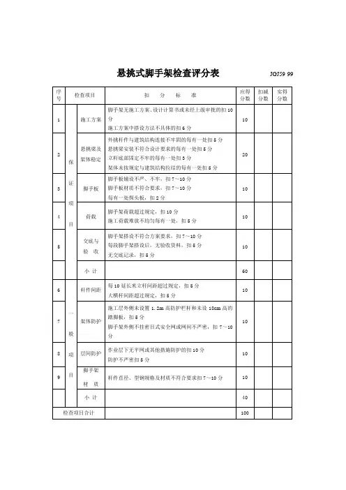
悬挑式脚手架检查评分表(可以直接使用,可编辑优质资料,欢迎下载)表8 悬挑式脚手架检查评分表注:1. 每项最多扣减分数不大于该项应得分数;2. 保证项目一项不得分或保证项目小计得分不足40分的,检查评分表计零分;3. 该表换算到汇总表中得分=10×该表检查项目实得分数合计/100。
注:1. 每项最多扣减分数不大于该项应得分数;2. 保证项目一项不得分或保证项目小计得分不足40分的,检查评分表计零分;3. 该表换算到汇总表中得分=20×该表检查项目实得分数合计/100。
注:1. 发现脚手架钢木、钢竹混合搭设或竹脚手架搭设单排架,检查评分表计零分;2. 每项最多扣减分数不大于该项应得分数;3. 保证项目一项不得分或保证项目小计得分不足40分的,检查评分表计零分;4. 该表换算到汇总表中得分=10×该表检查项目实得分数合计/100。
悬挂式脚手架检查评分表表4注:1. 发现脚手架钢木、钢竹混合搭设,检查评分表计零分;2. 每项最多扣减分数不大于该项应得分数;3. 保证项目一项不得分或保证项目小计得分不足40分的,检查评分表计零分;4. 该表换算到汇总表中得分=10×该表检查项目实得分数合计/100。
基坑支护安全检查评分表表5注:1. 每项最多扣减分数不大于该项应得分数;2. 保证项目一项不得分或保证项目小计得分不足40分的,检查评分表计零分;3. 该表换算到汇总表中得分=10×该表检查项目实得分数合计/100。
模板工程安全检查评分表表6注:1. 每项最多扣减分数不大于该项应得分数;2. 保证项目一项不得分或保证项目小计得分不足40分的,检查评分表计零分;3. 该表换算到汇总表中得分=10×该表检查项目实得分数合计/100。
“三宝”、“四口”防护检查评分表表7注:1. 每项最多扣减分数不大于该项应得分数;2. 该表换算到汇总表中得分=10×该表检查项目实得分数合计/100。
高空悬挑梁板支模架设计及施工发表时间:2019-06-21T16:23:35.637Z 来源:《城镇建设》2019年第05期作者:于强1 符菊花2[导读] 解决了高空悬挑梁板支模架及外防护的难题,其经验可在同类项目施工进行借鉴。
1.华南建设集团 4300002,中天建设集团 322100[摘要]:武汉某工程指挥中心高空悬挑梁板支模架方案设计,采用斜顶撑回顶、钢丝绳反拉、与结构内支模架体连接、非悬挑区支模架立杆压型钢梁等措施保证悬挑架的稳定性、整体性及安全施工。
验收后对悬挑外架预先采用钢管预压,观测型钢下挠情况,从而进一步确保架体的安全性。
该设计很好地解决了高空悬挑梁板支模架及外防护的难题,其经验可在同类项目施工进行借鉴。
[关键词]:悬挑梁板;斜顶撑;支模架1 工程概况武汉某工程指挥中心建筑面积18886.1平方米,地上15层,地下1层,建筑高度65.4米,框架剪力墙结构。
从13层开始梁板逐层向外悬挑。
13层楼面局部向外悬挑1500mm(悬挑高度为3.9m),边梁为400×900mm。
14层楼面局部向外悬挑1500mm(悬挑高度为3.9m),边梁为400×800mm。
15层局部向外悬挑1700mm(悬挑高度为4.5m),边梁为250×800mm。
板厚均为120mm,梁板混凝土强度等级均为 C40,如图1。
2 施工技术措施高空悬挑架支模架方案设计,确定在12层用16#工字钢进行悬挑区域支模架体及防护外架的搭设,并在第二排立杆下设置10#工字钢斜顶撑。
14、15层用18#工字钢进行悬挑区域支模架体及防护外架的搭设,在第三、五排立杆下采用10#工字钢斜顶撑回顶,第四排立杆下采用18#钢丝绳反拉。
悬挑区域支模架体均与结构内支模架体连接等措施保证悬挑架的稳定性、整体性,确保安全施工。
在外侧悬挑架立杆上1m处设置监测点标记,用于采用钢管预压后、混凝土施工时型钢下挠观测,从而进一步确保架体的安全性。
XXXXX工程XXXX楼工程悬挑脚手架方案一、编制依据《建筑施工扣件式钢管脚手架安全技术规范》JGJ130-2011《建筑施工安全检查标准》JGJ59-2011《建筑结构荷载规范》GB50009-2012XXXXX工程施工图纸。
PKPM施工计算软件二、脚手架搭设工程概况1.本工程为XXXXXXX楼工程,位于XXXXXXXXXXX内。
XXX楼为6层砖混普通住宅楼,XXX为高层框架结构,工程XXX采用悬挑脚手架,十层以下采用落地式双排脚手架,搭设符合规范要求,十层以上为悬挑脚手架,其中XX楼悬挑高度为22.4m、45#楼悬挑高度为23.4m,46#-49#楼悬挑高度为21.6m,均超过规范规定悬挑脚手架不超过20m要求,其中44#楼、45#楼为17层住宅楼,高度为50.8m、46-49#楼为16层住宅楼,高度为49.1m,层高均为2.8m。
建设单位为XXXXX置业有限公司,设计单位为XXXXX设计有限公司,监理单位为XXXXX监理有限公司,由XXXXX承建施工。
2.本工程主体施工已结束,外墙架体拆除前仅剩外墙抹灰找平层施工,故作为装修脚手架使用。
3.架体在十层楼板处开始悬挑至屋面,悬挑最高处为23.4m,计算书取悬挑高度最大值进行计算,其中工字钢,钢管等搭设材料参数均符合规范要求。
搭设参数如下:2.1在十层楼板处使用16号工字钢进行悬挑,悬挑高度为23.4m,建筑物外悬挑段长度1.50m,建筑物内锚固段长度2.5m。
2.2脚手架采用φ48×3.5mm钢管,立杆采用单立管,立杆的纵距1.50m,立杆的横距0.90m,立杆的步距1.80m,内排架距离结构0.3m。
2.3锚固点预埋φ16U形圆钢进行固定,每个工字钢锚固3处。
2.4连墙件采用2步3跨双扣件连接,竖向间距3.60m,水平间距4.50m三、脚手架搭设施工工艺3.1悬挑式脚手架搭设顺序:按装工字钢挑梁—安装立杆、放置纵向扫地杆—横向扫地杆—第一步水平杆—第一步小横杆—第二步水平杆--第二步小横杆……连墙杆--剪刀撑随高度搭设。
中天西北集团2021年安全知识考试试卷(一般岗位)基本信息:[矩阵文本题] *1、根据中天建设集团项目专职安全员配置要求,项目建筑面积为12.9万㎡,实际应至少配备()名专职安全管理人员。
(人员配备) [单选题] *A.5B. 4(正确答案)C.3D.22、某工程,在钢筋加工区吊装箍筋,箍筋超出吊笼,且指挥不在岗,()是第一责任人。
(安全管理标准化) [单选题] *A.安全员B.指挥C.钢筋班组长D. 钢筋施工员(正确答案)3、根据《项目安全管理标准化动作实施指导意见》规定,项目部应每周组织隐患排查治理,按()内容逐层逐项排查安全隐患,确认安全设施完好、操作中是否存在违章行为。
(安全管理标准化) [单选题] *A.岗位安全责任书B.工程管理大检查检查表C. 岗位检查表(正确答案)D. 项目部要求4、依据中天集团项目现场安全管理红线(2021版),风井结构施工时未预留钢筋,责任岗位是()(红线) [单选题] *A. 副经理B. 技术负责人C.安全负责人D. 施工负责人(正确答案)5、根据《危险性较大的分部分项工程安全管理规定》有关问题的通知(建办质〔2018〕31 号)规定,搭设高度()m及以上的落地式钢管脚手架工程(包括采光井、电梯井脚手架)属于危险性较大分部分项工程。
(脚手架工程) [单选题] *A.20B. 24(正确答案)C.30D.506、基坑边沿()m范围内严禁堆放材料,超出安全距离的部位材料堆放荷载应在设计允许范围。
(基坑工程) [单选题] *A.1(正确答案)B.2C.3D.47、开挖深度超过()m及以上的基坑周边必须安装防护栏杆,防护栏杆的安装应符合规范要求。
(基坑工程) [单选题] *A. 1B. 1.5C.2(正确答案)D. 38、悬挑式操作平台安装时,钢丝绳应采用专用的钢丝绳夹连接,钢丝绳夹数量应与钢丝绳直径相匹配,且不得少于()个。
(高处作业) [单选题] *A. 2B. 3C. 4(正确答案)D. 59、结构施工自()起,凡人员进出的通道口,均应搭设安全防护棚。
悬挑式脚手架检查评分表JGJ59-99某公司悬挑式脚手架检查评分表(标准版)使用说明一、文件概述本文件为某公司悬挑式脚手架检查评分表(标准版),依据国家相关建筑施工安全规范(如JGJ59-99等)制定,旨在规范悬挑式脚手架在施工过程中的安全检查与评估工作,确保脚手架的搭设、使用及拆除等各环节均符合安全要求,预防施工安全事故的发生。
二、检查评分表内容检查评分表共分为两大部分:保证项目和一般项目,每部分包含若干具体检查项目,并详细列出了扣分标准和应得分数,以便对施工现场悬挑式脚手架进行全面、细致的检查与评分。
1. 保证项目保证项目是脚手架安全检查中的核心内容,涉及施工方案、悬挑梁及架体稳定、脚手板、荷载、交底与验收等关键要素。
施工方案:要求脚手架必须有详细的施工方案和设计计算书,并经上级审批通过。
无方案或方案不具体将受到扣分处罚。
悬挑梁及架体稳定:外挑杆件与建筑结构的连接必须牢固,悬挑梁安装需符合设计要求,立杆底部固定牢靠,架体需按规定与建筑结构拉结。
任何不符合要求的情况都将被扣分。
脚手板:脚手板铺设需严密、牢固,材质需符合要求,严禁出现探头板。
否则将依据情况扣减相应分数。
荷载:脚手架荷载不得超过规定值,且施工荷载需堆放均匀。
违反此规定将受到扣分处理。
交底与验收:脚手架搭设需符合方案要求,每段搭设后需有验收资料,且需有交底记录。
无相关资料或记录将扣分。
2. 一般项目一般项目是对脚手架搭设细节的进一步检查,包括杆件间距、架体防护、层间防护及脚手架材质等方面。
杆件间距:立杆和大横杆的间距需符合规定要求,超出规定将扣分。
架体防护:施工层外侧需设置规定高度的防护栏杆和踏脚板,脚手架外侧需挂设密目式安全网并保持网间严密。
不符合要求将扣分。
层间防护:作业层下需设置平网或其他防护措施,并确保防护严密。
无防护或防护不严密将扣分。
脚手架材质:杆件直径、型钢规格及材质需符合要求,不符合将扣分。
三、评分与记录在检查过程中,检查人员需根据评分标准对各项内容进行逐项检查,并记录扣减分数和实得分数。
悬挑式外脚手架验收表一、验收背景和目的悬挑式外脚手架是一种常见的施工设施,广泛应用于各种建筑项目中。
为了确保施工安全,提高工程质量,本次验收将对悬挑式外脚手架的安装、稳固、承载能力以及安全防护措施进行全面的检查和评估。
二、验收依据1、国家相关施工规范和标准;2、施工图纸和技术要求;3、施工企业和现场管理制度。
三、验收内容及方法1、脚手架安装:检查脚手架的安装是否符合规范,是否按照施工图纸要求进行;2、脚手架稳固:检查脚手架的支撑和固定是否稳固,对不稳定的部位进行加固;3、承载能力测试:对脚手架的承载能力进行测试,确保其能够满足施工要求;4、安全防护措施:检查脚手架是否配备了必要的安全防护措施,如防坠落装置、安全网等;5、脚手架清洁和保养:检查脚手架是否保持清洁,有无锈蚀、油污等情况,对受损部位进行修复和保养。
四、验收结果及建议经过本次验收,发现部分脚手架安装存在不规范现象,部分支撑和固定部位需要加强稳固;承载能力测试结果符合施工要求;安全防护措施基本配备齐全,但部分需要更换或维修。
建议施工单位对不规范的安装进行整改,加强脚手架的稳固性,对安全防护措施进行定期检查和更换。
五、结论本次验收表明,悬挑式外脚手架在安装、稳固、承载能力以及安全防护措施方面存在一定的问题。
为了确保施工安全和工程质量,建议施工单位加强管理,严格按照规范进行安装和使用,同时加强维护和保养工作。
在未来的施工过程中,应严格按照相关规定进行验收,确保施工安全和质量。
悬挑脚手架验收表一、验收背景和目的悬挑脚手架验收表是为了确保悬挑脚手架的安全性和稳定性,保障施工人员的生命安全和施工顺利进行而设计的。
本验收表旨在通过对悬挑脚手架的各项指标进行全面、细致的检测和评估,确保其符合相关规范和标准,为施工提供安全可靠的操作平台。
二、验收依据本验收表依据《建筑施工扣件式钢管脚手架安全技术规范》(JGJ130-2011)、《建筑施工高处作业安全技术规范》(JGJ80-2016)等相关标准和规范进行编制。
目录一、工程概况------------------------------------------------------------- 1(一)脚手架方案选择---------------------------------------------------- 2(二)脚手架材料选择---------------------------------------------------- 3(三)此脚手架方案的优点------------------------------------------------ 4二、编制依据-------------------------------------------------------------- 4三、施工人员组织机构------------------------------------------------------ 5四、施工计划------------------------------------------------------------- 11五、施工工艺技术-------------------------------------------------------- 12 (一)搭设参数--------------------------------------------------------- 12 (二)脚手架搭设流程及构造要求----------------------------------------- 12 (三)脚手架预埋件的检查与验收----------------------------------------- 16 六、脚手架搭设安全技术措施----------------------------------------------- 17 (一)脚手架搭设安全技术措施------------------------------------------- 17 (二)注意事项--------------------------------------------------------- 19 (三)脚手架的拆除----------------------------------------------------- 20 (四)监测方案--------------------------------------------------------- 21 (五)安全管理措施----------------------------------------------------- 22 (五)危险源识别------------------------------------------------------- 25 (六)应急预案--------------------------------------------------------- 27六、劳动力计划----------------------------------------------------------- 32七、脚手架计算书-------------------------------------------------------- 33 (一)普通部位悬挑架计算书-------------------------------------------- 33 (二)空调位处悬挑1.9米计算书----------------------------------------- 47 (三)最不利转角处主梁验算--------------------------------------------- 53 (四)12#、13#、15#、16#、17#、18#楼挑架拉杆拉力验算------------------- 62专家组论证意见回复单工程名称:领秀前城FL-31地块12#-18#楼及地下室(三标段)一、工程概况1、工程名称:领秀前城FL-31地块12号、13号、15号、16号、17号、18号楼及三标段地下室2、建设单位:广西铁投大岭投资有限公司3、设计单位:广东省大成注建工程设计有限公司4、勘察单位:广西华蓝岩土工程有限公司5、监理单位:广西建筑科学研究设计院工程建设监理公司6、施工单位:中天建设集团有限公司工程简介(1)领秀前城FL-31地块位于广西省南宁市青秀区凤岭南路16号(凤岭南路与青环路交汇处),本工程结构体系为剪力墙结构,结构安全等级为二级,设计使用年限为50年,建筑抗震设防类别为标准设防:一类,地基基础设计等级为甲级。
超长悬挑结构及超重梁支模架施工技术浅析发布时间:2022-12-29T01:26:26.419Z 来源:《工程建设标准化》2022年17期作者:孙利超[导读] 本项目由H地块、I地块办公楼及相应商业组成孙利超中天建设集团有限公司天津分公司1 工程概况本项目由H地块、I地块办公楼及相应商业组成。
地下3层,办公楼地上21层,商业地上3~5层。
商业采光顶洞口“下大上小”,最大悬挑长度2.7m,悬挑支模分布详见下图,超重梁截面600×1200。
图1 悬挑区域分布图2 施工难点2.1、悬挑部位高度较高本项目悬挑部位主要为商业区采光顶造型处,最高悬挑部位距地高度20米,采用传统满堂支模架体,超高支模,施工危险性大。
2.2、悬挑长度大、形状不规则悬挑板最大悬挑长度2.7米,且悬挑部位空洞为不规则形状,采用传统斜撑架体搭设较为困难。
2.3、存在超重梁悬挑区域最大梁截面尺寸600×1200mm,距地高度约20m,悬挑长度2.5m,进一步增加了施工危险性。
3 工艺选择为降低施工难度,提高施工安全性,决定参考型钢悬挑脚手架形式,采用型钢悬挑支模架,进行该超长悬挑及超重梁的施工。
4 方案制定及措施深化4.1、材料选择采用悬挑工字钢作为架体基础,型号为22a,架体采用扣件式钢管脚手架,其他材料与普通支模架体相同。
4.2、安全计算对架体进行安全计算,尤其是对超重梁下部悬挑支模架体进行重点计算。
架体上部受力体系符合普通支模架支设体系,采用品茗软件进行计算,悬挑钢梁受力分析时,将品茗计算的单根立杆荷载值,导入里正软件中进行悬挑钢梁安全计算,这种组合计算方式既保证了结构安全性,又保证了安全计算的高效性。
600×1200mm超重梁悬挑支模工字钢计算参数:图2 悬挑钢梁计算简图4.3、措施结构深化根据拟定方案,对悬挑支模架进行措施结构深化,深化图如下:图3 悬挑支模架体剖面图5 现场实施5.1、悬挑钢梁搭设悬挑钢梁间距900mm,根部采用可拆卸锚固件固定。