表2.1梯步砼单元工程质量评定表
- 格式:docx
- 大小:67.71 KB
- 文档页数:6
普通混凝土工程质量评定表及填表说明(doc 129页)2. 混凝土工程表 2.1 普通钢筋混凝土单元工程质量评定表 (125)表2.1.1 基础面、施工缝工序施工质量验收评定表 (128)表 2.1.2 模板制作及安装工序施工质量验收评定表 (131)表2.1.3 钢筋制作及安装工序施工质量验收评定表 (133)表2.1.4 预埋件制作及安装工序施工质量验收评定表 (136)表2.1.5 混凝土浇筑工序施工质量验收评定表 (139)表2.1.6 混凝土外观质量检查工序施工质量验收评定表 (141)表2.2 碾压混凝土单元工程质量评定表.. 144 表2.2.1 基础面、层面处理工序施工质量验收评定表 (147)表 2.2.2 模板制作及安装工序施工质量验收评定表 (149)表2.2.3 预埋件制作及安装工序施工质量验收评定表 (151)表2.2.4 碾压混凝土浇筑工序施工质量验收评定表 (155)表2.2.5 混凝土成缝工序施工质量验收评定表 (158)表2.2.6 碾压混凝土外观质量检查工序施工质量验收评定表 (160)表2.3 混凝土面板单元工程质量评定表.. 162 表2.3.1 面板基面清理工序施工质量验收评定表 (164)表 2.3.2 模板(滑模)制作及安装工序施工质量验收评定表 (167)表2.3.3 钢筋制作及安装工序施工质量验收评定表 (169)表2.3.4 预埋件制作及安装工序施工质量验收评定表 (173)表2.3.5 混凝土面板浇筑工序施工质量验收评定表 (176)表2.3.6 混凝土面板外观质量检查工序施工质量验收评定表 (179)表 2.4 沥青混凝土心墙单元工程质量评定表 (181)表2.4.1 基座结合面处理及沥青混凝土结合层面处理工序施工质量验收评定表 (184)表2.4.2 模板制作及安装工序施工质量验收评定表 (186)表2.4.3 沥青混凝土铺筑工序施工质量验收评定表 (189)表2.5 沥青混凝土面板单元工程质量评定表 (191)表2.5.1 沥青混凝土面板整平胶结层(含排水层)工序施工质量验收评定表 (194)表 2.5.2 防渗层工序施工质量验收评定表 (196)表 2.5.3 封闭层工序施工质量验收评定表 (199)表 2.5.4 面板与刚性建筑物连接工序施工质量验收评定表 (201)表 2.6 预应力混凝土单元工程单元工程质量评定表 (203)表2.6.1 基础面、施工缝工序施工质量验收评定表 (205)表 2.6.2 模板制作及安装工序施工质量验收评定表 (207)表2.6.3 钢筋制作及安装工序施工质量验收评定表 (209)表2.6.4 预埋件制作与安装工序施工质量验收评定表 (213)表2.6.5 混凝土浇筑工序施工质量验收评定表 (216)表 2.6.6 预应力筋孔道预留工序施工质量验收评定表 (218)表2.6.7 预应力筋制作及安装工序施工质量验收评定表 (221)表 2.6.8 预应力筋张拉工序施工质量验收评定表 (223)表 2.6.9 有黏结预应力筋灌浆工序施工质量验收评定表 (226)表 2.6.10 预应力混凝土外观质量检查工序施工质量验收评定表 (228)表2.7 混凝土预制构件安装单元工程质量验收评定表 (231)表2.7.1 混凝土构件外观质量检查工序施工质量验收评定表 (233)表2.7.2 预制件吊装工序施工质量验收评定表 (235)表 2.7.3 预制件接缝及接头处理工序施工质表2.8 混凝土坝坝体接缝灌浆单元工程质量评定表 (240)表 2.8.1 灌浆前检查工序施工质量验收评定表 (243)表2.8.2 灌浆工序施工质量验收评定表 (245)表2.9 安全监测仪器设备安装埋设单元工程质量评定表 (248)填表说明 (248)表2.9.1 安全监测仪器设备检验工序施工质量验收评定表 (251)表 2.9.2 安全监测仪器设备埋设工序施工质量验收评定表 (254)表2.9.3 观测电缆敷设工序施工质量验收评定表 (256)表 2.10 观测孔(井)单元工程质量评定表 (259)表2.10.1 观测孔(井)造孔工序施工质量验收评定表 (261)表 2.10.2 测压管制作与安装工序施工质量验收评定表 (263)表 2.10.3 观测孔(井)率定工序施工质量验表2.11 外部变形观测设施安装(垂线法)单元工程质量评定表 (268)表2.11 外部变形观测设施安装(引张线法)单元工程质量评定表 (270)表2.11 外部变形观测设施安装(视准线法)单元工程质量评定表 (273)表2.14 外部变形观测设施安装(激光准直法)单元工程质量评定表 (275)表2.1 普通钢筋混凝土单元工程质量评定表填表说明填表时必须遵守“填表基本规定”,并符合以下要求:1.单元工程划分:宜以混凝土浇筑仓号或一次检查验收范围划分。
表2.1 普通混凝土单元工程施工质量验收评定表编号:CZT-4-4-1表2.1.1-1 普通混凝土基础面处理工序施工质量验收评定表表2.1.1-2 普通混凝土施工缝处理工序施工质量验收评定表表2.1.2 普通混凝土模板制作及安装工序施工质量验收评定表表2.1.4 普通混凝土预埋件制作及安装工序施工质量验收评定表表2.1.5 普通混凝土浇筑工序施工质量验收评定表表2.1.6 普通混凝土外观质量检查工序施工质量验收评定表表2.1 普通混凝土单元工程施工质量验收评定表编号:CZT-4-4-2表2.1.1-1 普通混凝土基础面处理工序施工质量验收评定表表2.1.1-2 普通混凝土施工缝处理工序施工质量验收评定表表2.1.2 普通混凝土模板制作及安装工序施工质量验收评定表表2.1.4 普通混凝土预埋件制作及安装工序施工质量验收评定表表2.1.5 普通混凝土浇筑工序施工质量验收评定表表2.1.6 普通混凝土外观质量检查工序施工质量验收评定表表2.1 普通混凝土单元工程施工质量验收评定表编号:CZT-4-4-3表2.1.1-1 普通混凝土基础面处理工序施工质量验收评定表表2.1.1-2 普通混凝土施工缝处理工序施工质量验收评定表表2.1.2 普通混凝土模板制作及安装工序施工质量验收评定表会理县槽子田水库除险加固工程表2.1.4 普通混凝土预埋件制作及安装工序施工质量验收评定表表2.1.5 普通混凝土浇筑工序施工质量验收评定表表2.1.6 普通混凝土外观质量检查工序施工质量验收评定表表2.1 普通混凝土单元工程施工质量验收评定表编号:CZT-4-4-4表2.1.1-1 普通混凝土基础面处理工序施工质量验收评定表表2.1.1-2 普通混凝土施工缝处理工序施工质量验收评定表表2.1.2 普通混凝土模板制作及安装工序施工质量验收评定表表2.1.4 普通混凝土预埋件制作及安装工序施工质量验收评定表表2.1.5 普通混凝土浇筑工序施工质量验收评定表表2.1.6 普通混凝土外观质量检查工序施工质量验收评定表表2.1 普通混凝土单元工程施工质量验收评定表编号:CZT-4-4-5表2.1.1-1 普通混凝土基础面处理工序施工质量验收评定表表2.1.1-2 普通混凝土施工缝处理工序施工质量验收评定表表2.1.2 普通混凝土模板制作及安装工序施工质量验收评定表表2.1.4 普通混凝土预埋件制作及安装工序施工质量验收评定表表2.1.5 普通混凝土浇筑工序施工质量验收评定表表2.1.6 普通混凝土外观质量检查工序施工质量验收评定表表2.1 普通混凝土单元工程施工质量验收评定表编号:CZT-4-4-6表2.1.1-1 普通混凝土基础面处理工序施工质量验收评定表表2.1.1-2 普通混凝土施工缝处理工序施工质量验收评定表表2.1.2 普通混凝土模板制作及安装工序施工质量验收评定表表2.1.4 普通混凝土预埋件制作及安装工序施工质量验收评定表表2.1.5 普通混凝土浇筑工序施工质量验收评定表表2.1.6 普通混凝土外观质量检查工序施工质量验收评定表表2.1 普通混凝土单元工程施工质量验收评定表编号:CZT-4-4-7表2.1.1-1 普通混凝土基础面处理工序施工质量验收评定表。
CB18 C20埋石砼现浇单元工程施工质量报验单(东发[2017]质报号)合同名称:汉江综合整治南郑县右岸梁西段防洪工程Ⅰ标合同编号:致:陕西志通水利水电工程监理有限公司汉江综合整治南郑县右岸梁西段防洪工程监理部k33+590-k33+690 C20埋石砼基础现浇□工序/☑单元工程已按合同要求完成施工,经自检合格,报请贵方复核。
附:□工序施工质量评定表□工序施工质量检查、检测记录☑k33+590-k33+690C20埋石砼现浇单元工程施工质量评定表□单元工程施工质量检查、检测记录承包人:城固县东发工程建设有限公司质检负责人:日期:年月日监理机构意见复核结果:□同意进入下一工序□不同意进入下一工序□同意进入下一单元工程□不同意进入下一单元工程附件:监理复核支持材料。
监理机构:陕西志通水利水电工程监理有限公司汉江综合整治南郑县右岸梁西段防洪工程监理部监理工程师:日期:年月日说明:本表一式 4 份,由承包人填写,监理机构复核后,监理机构 1 份、返承包人 3 份。
表2.1 埋石混凝土单元工程施工质量验收评定表单位工程名称汉江综合整治南郑县右岸梁西段防洪工程Ⅰ标单元工程量分部工程名称基础工程施工单位城固县东发工程建设有限公司单元工程名称、部位k33+590-k33+690C20埋石砼现浇施工日期2017年月日-- 2017年月日项次工序名称(或编号)工序质量验收评定等级1基础面施工缝处理2 模板制作及安装3△钢筋制作及安装4预埋件(止水、伸缩缝等)制作及安装5△混凝土浇筑(含养护、脱模)6 外观质量检查施工单位自评意见各工序施工质量全部合格,其中优良工序占____%,且主要工序达到________等级,单元工程试块质量检验合格,各项报验资料________SL 632—2012 的要求。
单元工程质量等级评定为:________ 。
(签字,加盖公章)年月日监理单位复核意见经抽查并查验相关检验报告和检验资料,各工序施工质量全部合格,其中优良工序占____%,且主要工序达到_______等级,单元工程试块质量检验合格,各项报验资料_____SL 632—2012的要求。
2021新版水利水电单元工程质量评定新表格填写示范及说明(混凝土混凝土工程填表说明1.本章各表适用于大中型水利水电工程混凝土工程单位工程施工质量验收评定,小型水利水电工程可参照执行。
2.划分工序的单元工程,其施工质量验收评定在工序验收评定合格和施工项目实体质量检验合格的基础上进行。
不划分工序的单元工程,其施工质量验收评定在单元工程中所包含的检验项目检验合格和施工项目实体质量检验合格的基础上进行。
3.验收评定应在该工序的施工质量满足下列条件后进行:① 过程中的所有施工项目(或施工内容)均已完成,现场符合验收条件。
② 本工序施工质量检验项目经施工单位自检合格。
4.工序施工质量按下列程序进行验收评定:①施工单位首先对已经完成的工序施工质量按《水利水电工程单元工程施工质量验收评定标准-混凝土工程》(sl632-2021)进行自检,并做好检验记录。
②自检合格后,填写工序施工质量验收评定表,质量责任人履行相应签认手续后,向监理单位申请复核。
③监理单位收到申请后,在4h内进行复核。
5.监理复核包括以下内容:①核查施工单位报验资材料是否真实、完整;② 结合平行检查和跟踪检查的结果,复核该工序施工质量检查项目是否符合sl632-2022标准的要求,在《工序施工质量验收评定表》中填写复核记录,签署工序施工质量评定意见,核实工序施工质量等级,相关负责人应履行相应的签字手续。
注1:sl288-2021《水利工程施工监理规范》第4.2.5条,“跟踪检测―监理机构对承包人在质量检测中的取样和送样进行监督。
??。
”第4.2.6条,“平行检测―在承包人对原材料、中间产品和工程质量自检的同时,监理机构按照监理合同约定独立进行抽样检验,核验承包人的检测结果。
??。
”注2:gb/t50319-2021《建设工程监理规范》“平行检验paralleltesting项目监理机构在施工单位对工程质量自检的基础上,按照有关规定或建设工程监理合同约定独立进行的检测试验活动。
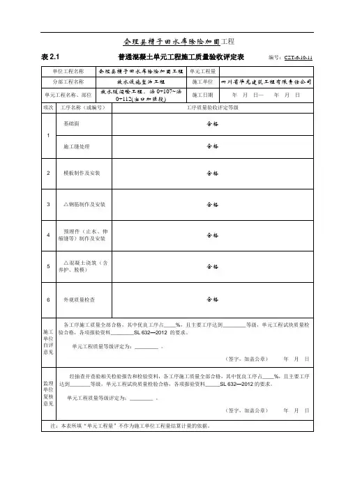
表2.1 普通混凝土单元工程施工质量验收评定表编号:CZT-6-10-11
表2.1.1-1 普通混凝土基础面处理工序施工质量验收评定表
表2.1.1-2 普通混凝土施工缝处理工序施工质量验收评定表
表2.1.2 普通混凝土模板制作及安装工序施工质量验收评定表
表2.1.3 普通混凝土钢筋制作及安装工序施工质量验收评定表
会理县槽子田水库除险加固工程
表2.1.4 普通混凝土预埋件制作及安装工序施工质量验收评定表
表2.1.5 普通混凝土浇筑工序施工质量验收评定表
表2.1.6 普通混凝土外观质量检查工序施工质量验收评定表。
钢筋混凝土梁单元工程质量评定表1. 项目基本信息- 工程名称:[填写工程名称]- 工程地址:[填写工程地址]- 施工单位:[填写施工单位]- 设计单位:[填写设计单位]2. 施工质量评定2.1 钢筋拼接- 钢筋焊接质量良好,焊接点牢固无裂缝或气泡。
- 钢筋连接牢固,无严重松动或脱落现象。
2.2 混凝土浇筑- 混凝土配合比合理,达到设计强度要求。
- 浇筑过程中无空鼓、虚假或渗漏现象。
- 混凝土表面平整光滑,无明显裂缝、麻面、松散等缺陷。
2.3 预埋件设置- 预埋件设置位置准确,符合设计要求。
- 预埋件固定牢固,无倾斜、松动或脱落。
- 预埋件保护措施到位,无损坏或腐蚀现象。
2.4 钢筋保护层- 钢筋保护层符合设计要求,无破损、腐蚀或偏差现象。
- 钢筋与混凝土之间无明显锈蚀或锈胀现象。
- 钢筋位置准确,与构件连接紧密。
3. 安全评定3.1 施工安全- 施工过程中符合安全操作规范,无事故发生。
- 施工现场安全设施齐全,防护措施到位。
3.2 结构安全- 已按设计要求进行荷载试验,没有出现明显的变形或破坏。
- 结构的抗震性能满足设计要求。
4. 其他评定- 其他需要评定的内容请在此处列出,并进行评定。
5. 总结综上所述,根据对钢筋混凝土梁单元工程质量的评定,该工程符合设计要求和安全标准,施工质量良好。
在后续使用阶段,需要进行合理维护和保养,确保工程长期稳定安全运行。
注意:本评定表仅用于参考,具体工程质量评定应综合考虑相关法律法规和专业标准要求。
混凝土工程填表说明1 •本章表格适用于大中型水利水电工程混凝土工程的单元工程施工质量验收评定,小型水利水电工程可参照执行。
2 .划分工序的单元工程,其施工质量验收评定在各工序验收评定合格和施工项目实体质量检验合格的基础上进行。
不划分工序的单元工程,其施工质量验收评定在单元工程中所包含的检验项目检验合格和施工项目实体质量检验合格的基础上进行。
3.工序施工质量具备下列条件后进行验收评定:①工序中所有施工项目(或施工内容)已完成,现场具备验收条件;②工序中所包含的施工质量检验项目经施工单位自检全部合格。
4 .工序施工质量按下列程序进行验收评定:①施工单位首先对已经完成的工序施工质量按《水利水电工程单元工程施工质量验收评定标准一一混凝土工程》(SL 632 —2012 )进行自检,并做好检验记录;②自检合格后,填写工序施工质量验收评定表,质量责任人履行相应签认手续后,向监理单位申请复核;③监理单位收到申请后,应在4h内进行复核。
5•监理复核包括下列内容:①核查施工•单位报验资料是否真实、齐全;②结合平行检测和跟踪检测结果等,复核工序施工质量检验项目是否符合SL 632 —2012标准的要求,在工序施工质量验收评定表中填写复核记录,并签署工序施工质量评定意见,核定工序施工质量等级,相关责任人履行相应签认手续。
6 •单元工程施工质量具备下列条件后验收评定:①单元工程所含工序(或所有施工项目)已完成,施工现场具备验收条件;②已完工序施工质量经验收评定全部合格,有关质量缺陷已处理完毕或有监理单位批准的处理意见。
7 .单元工程施工质量按下列程序进行验收评定:①施工单位首先对已经完成的单元工程施工质量进行自检,并填写检验记录;②自检合格后,填写单元工程施工质量验收评定表,向监理单位申请复核;③监理单位收到申报后,应在一个工作日内进行复核。
&监理复核包括下列内容:①核查施工单位报验资料是否真实、齐全;②对照施工图纸及施工技术要求,结合平行检测和跟踪检测结果等,复核单元工程质量是否达到SL632 —2012的要求;③检查已完单元工程遗留问题的处理情况,在单元工程施工质量验收评定表中填写复核记录,并签署单元工程施工质量评定意见,核定单元工程施工质量等级,相关责任人履行相应签认手续;④对验收中发现的问题提出处理意见。
会理县槽子田水库除险加固工程
表2.1 普通混凝土单元工程施工质量验收评定表编号:CZT-6-4-1
会理县槽子田水库除险加固工程
表2.1.1-1 普通混凝土基础面处理工序施工质量验收评定表
表2.1.1-2 普通混凝土施工缝处理工序施工质量验收评定表
表2.1.2 普通混凝土模板制作及安装工序施工质量验收评定表
表2.1.3 普通混凝土钢筋制作及安装工序施工质量验收评定表
表2.1.5 普通混凝土浇筑工序施工质量验收评定表
表2.1.6 普通混凝土外观质量检查工序施工质量验收评定表
表2.1 普通混凝土单元工程施工质量验收评定表编号:CZT-6-4-3
会理县槽子田水库除险加固工程
表2.1.1-1 普通混凝土基础面处理工序施工质量验收评定表
表2.1.1-2 普通混凝土施工缝处理工序施工质量验收评定表
表2.1.2 普通混凝土模板制作及安装工序施工质量验收评定表
表2.1.3 普通混凝土钢筋制作及安装工序施工质量验收评定表
表2.1.5 普通混凝土浇筑工序施工质量验收评定表
表2.1.6 普通混凝土外观质量检查工序施工质量验收评定表
表2.1 普通混凝土单元工程施工质量验收评定表编号:CZT-6-4-7
会理县槽子田水库除险加固工程
表2.1.1-1 普通混凝土基础面处理工序施工质量验收评定表
表2.1.1-2 普通混凝土施工缝处理工序施工质量验收评定表
表2.1.2 普通混凝土模板制作及安装工序施工质量验收评定表
会理县槽子田水库除险加固工程
表2.1.3 普通混凝土钢筋制作及安装工序施工质量验收评定表
表2.1.5 普通混凝土浇筑工序施工质量验收评定表
表2.1.6 普通混凝土外观质量检查工序施工质量验收评定表。