【CN209762667U】一种液晶显示屏【专利】
- 格式:pdf
- 大小:345.69 KB
- 文档页数:9
(19)中华人民共和国国家知识产权局(12)实用新型专利(10)授权公告号 (45)授权公告日 (21)申请号 201920340593.4(22)申请日 2019.03.18(73)专利权人 信利光电股份有限公司地址 516600 广东省汕尾市区工业大道信利工业城一区第15栋(72)发明人 章小和 (74)专利代理机构 广州粤高专利商标代理有限公司 44102代理人 廖苑滨(51)Int.Cl.G02F 1/133(2006.01)G02F 1/1333(2006.01)G06F 3/041(2006.01)H04M 1/02(2006.01)(54)实用新型名称一种用于触控显示装置的液晶显示屏结构(57)摘要本实用新型公开了一种用于触控显示装置的液晶显示屏结构,包括下玻璃板,所述下玻璃板的顶部安装有上玻璃板,所述上玻璃板的顶部固定连接有上偏光片,所述下玻璃板的底部安装有下偏光片,所述下偏光片的底部固定连接有扩散片,所述扩散片的底部安装有导光板;通过将柔性电路板安装在驱动IC的两侧,可以节省之前在驱动IC下端绑定柔性电路板的区域,缩小下端边框尺寸,提高屏占比,同时在安装好柔性电路板后,位于柔性电路板上方的第一硅胶垫、弹簧和第二硅胶垫可以一直挤压柔性电路板,使柔性电路板一直贴合下玻璃板,避免在手机被摔后,柔性电路板和下玻璃板连接处出现小缝隙。
权利要求书1页 说明书3页 附图2页CN 209356787 U 2019.09.06C N 209356787U权 利 要 求 书1/1页CN 209356787 U1.一种用于触控显示装置的液晶显示屏结构,包括下玻璃板,其特征在于:所述下玻璃板的顶部安装有上玻璃板,所述上玻璃板的顶部固定连接有上偏光片,所述下玻璃板的底部安装有下偏光片,所述下偏光片的底部固定连接有扩散片,所述扩散片的底部安装有导光板,所述导光板的底部固定连接有背光源,所述下玻璃板的突出部上表面封装有驱动IC,所述下玻璃板的突出部上表面位于所述驱动IC的两侧设有电路板绑定位,两组所述电路板绑定位的均与柔性电路板电性连接。
专利名称:一种办公用液晶显示屏专利类型:实用新型专利
发明人:沈于斌
申请号:CN201920869111.4申请日:20190611
公开号:CN210424343U
公开日:
20200428
专利内容由知识产权出版社提供
摘要:本实用新型公开了一种办公用液晶显示屏,包括显示屏主体,所述显示屏主体的上端内部掏空设置有滑槽,所述滑槽内侧设置有滑块,所述滑块的上端外表面设置有连接杆,所述连接杆的内部贯穿设置有固定螺栓,所述连接杆的下端外表面设置有转棍,所述转棍的外侧设置有清洁筒,所述显示屏主体的前端外表面设置有阻尼转槽,所述阻尼转槽的内侧贯穿设置有阻尼转轴,所述阻尼转轴的前端外表面设置有连接片,所述连接片的前端外表面设置有遮光板,所述显示屏主体的下端外表面设置有支撑柱。
本实用新型所述的一种办公用液晶显示屏,可以防止由于光线太强导致显示屏反光,可以方便显示屏表面灰尘的清理,可以调节显示屏的观看角度。
申请人:湖州区块链科技发展有限公司
地址:313000 浙江省湖州市吴兴区区府路1188号湖州市东部新城总部自由港B幢7楼702室国籍:CN
代理机构:北京方圆嘉禾知识产权代理有限公司
代理人:董芙蓉
更多信息请下载全文后查看。
(19)中华人民共和国国家知识产权局(12)实用新型专利(10)授权公告号 (45)授权公告日 (21)申请号 201920291587.4(22)申请日 2019.03.08(73)专利权人 深圳市赫尔诺电子技术有限公司地址 518131 广东省深圳市龙华区福城街道茜坑社区茜坑路69号3栋101(72)发明人 陈炜荣 (51)Int.Cl.G09F 9/33(2006.01)G09F 9/30(2006.01)H05K 7/20(2006.01)(54)实用新型名称一种新型Mini-LED柔性透明显示屏(57)摘要本实用新型公开了一种新型Mini -LED柔性透明显示屏,包括屏体,所述屏体表面四角处均固定设置有安装块,所述安装块一侧开设有收纳槽,所述收纳槽内部两侧均固定设置有滑槽,所述滑槽一侧均活动设置有滑块,所述滑块之间固定设置有第一安装板,所述第一安装板一侧固定设置有胶水层,所述安装块外部一侧通过螺纹孔活动设置有螺杆,所述螺杆的一端通过轴承与第一安装板活动连接,所述安装块远离屏体的一侧均固定设置有第二安装板。
本实用新型在收纳槽内部设置有胶水层,在安装本显示屏时,只需转动螺杆将胶水层从收纳槽伸出,通过胶水层来粘附住墙面,从而就能够完成屏体与墙体的连接,使得本显示屏与墙体的连接安装快捷方便,便于屏体的安装。
权利要求书1页 说明书3页 附图3页CN 209471679 U 2019.10.08C N 209471679U权 利 要 求 书1/1页CN 209471679 U1.一种新型Mini-LED柔性透明显示屏,包括屏体(1),其特征在于:所述屏体(1)表面四角处均固定设置有安装块(2),所述安装块(2)一侧开设有收纳槽(3),所述收纳槽(3)内部两侧均固定设置有滑槽(4),所述滑槽(4)一侧均活动设置有滑块(5),所述滑块(5)之间固定设置有第一安装板(6),所述第一安装板(6)一侧固定设置有胶水层(7),所述安装块(2)外部一侧通过螺纹孔活动设置有螺杆(8),所述螺杆(8)的一端通过轴承与第一安装板(6)活动连接,所述安装块(2)远离屏体(1)的一侧均固定设置有第二安装板(9),所述第二安装板(9)一侧表面通过安装孔固定设置有活塞筒(10),所述活塞筒(10)外部一端设置有吸盘(11),所述活塞筒(10)内部固定设置有推块(12),所述推块(12)一侧设置有推杆(13),所述活塞筒(10)外部在推杆(13)的一端固定设置有卡块(14)。
(19)中华人民共和国国家知识产权局(12)实用新型专利(10)授权公告号 (45)授权公告日 (21)申请号 201920471199.4(22)申请日 2019.04.09(73)专利权人 青岛海信电器股份有限公司地址 266100 山东省青岛市崂山区株洲路151号(72)发明人 闫光伟 唐志强 杨晓光 程宁宁 (74)专利代理机构 青岛联智专利商标事务所有限公司 37101代理人 马萍华(51)Int.Cl.G02F 1/13357(2006.01)(ESM)同样的发明创造已同日申请发明专利(54)实用新型名称一种液晶显示装置(57)摘要本实用新型公开了一种液晶显示装置,涉及显示技术领域。
液晶显示装置,包括:中框,所述中框包括膜片承载部,所述膜片承载部上设置有突起;光学膜片,光学膜片包括光学膜片本体和连接于所述光学膜片本体的膜片挂耳,所述膜片挂耳放置于所述膜片承载部,所述膜片挂耳挂接于所述突起上;膜片胶带,所述膜片胶带粘结于所述中框上并覆盖所述光学膜片的膜片挂耳;其中所述膜片胶带在厚度方向上包括第一基材和第二基材,所述第一基材的压缩性大于所述第二基材的压缩性,因膜片胶带具有较高的硬度,在受力作用下,膜片胶带的厚度减薄相对较小,不会导致膜片跳出。
权利要求书1页 说明书7页 附图11页CN 209657045 U 2019.11.19C N 209657045U权 利 要 求 书1/1页CN 209657045 U1.一种液晶显示装置,其特征在于,包括:中框,所述中框包括膜片承载部,所述膜片承载部上设置有突起;光学膜片,光学膜片包括光学膜片本体和连接于所述光学膜片本体的膜片挂耳,所述膜片挂耳放置于所述膜片承载部,所述膜片挂耳挂接于所述突起上;膜片胶带,所述膜片胶带粘结于所述中框上并覆盖所述光学膜片的膜片挂耳;其中所述膜片胶带在厚度方向上包括第一基材和第二基材,所述第一基材的压缩性大于所述第二基材的压缩性。
(19)中华人民共和国国家知识产权局(12)实用新型专利(10)授权公告号 (45)授权公告日 (21)申请号 201920237041.0(22)申请日 2019.02.25(73)专利权人 深圳金诺显技术有限公司地址 518103 广东省深圳市宝安区福永街道龙翔山庄D60栋(72)发明人 赖声涛 (51)Int.Cl.G02F 1/13(2006.01)(54)实用新型名称一种液晶显示屏检测装置(57)摘要本实用新型涉及液晶显示屏检测技术领域,具体为一种液晶显示屏检测装置,包括暗室,暗室底壁固定连接直线滑轨,直线滑轨上设有用于夹紧液晶显示屏的夹具座和夹紧件,直线滑轨中放置有移动块,移动块顶部固定连接夹具座,移动块顶部设有滑槽,滑槽中嵌有第一滑块和第二滑块,第一滑块顶部固定连接支座,支座铰接夹紧件,夹具座和夹紧件均开设矩形凹槽,第二滑块顶部固定连接挡板,第二滑块螺纹连接紧固螺钉,有益效果为:本实用新型通过可移动的夹紧件以及固定的夹具座实现对液晶显示屏夹紧,由于液晶显示屏在夹紧件和夹具座内高度位置可调,可以适用于各种长宽齿轮的液晶显示屏检测,结构简单、操作方便。
权利要求书1页 说明书3页 附图2页CN 209265119 U 2019.08.16C N 209265119U权 利 要 求 书1/1页CN 209265119 U1.一种液晶显示屏检测装置,包括暗室(1),所述暗室(1)后侧壁固定连接背光灯(2),所述暗室(1)底壁固定连接直线滑轨(3),所述直线滑轨(3)上设有用于夹紧液晶显示屏(19)的夹具座(6)和夹紧件(11),其特征在于:所述直线滑轨(3)中放置有移动块(4),所述移动块(4)沿着直线滑轨(3)做直线运动,并且移动块(4)顶部固定连接夹具座(6),所述移动块(4)顶部设有滑槽(7),所述滑槽(7)中嵌有第一滑块(8)和第二滑块(9),第一滑块(8)顶部固定连接支座(10),所述支座(10)铰接夹紧件(11),所述夹具座(6)和夹紧件(11)在其相对的一侧均开设矩形凹槽(12),所述第二滑块(9)顶部固定连接挡板(16),所述挡板(16)的长度大于支座(10)的长度,所述第二滑块(9)螺纹连接紧固螺钉(17),所述紧固螺钉(17)伸出第二滑块(9)与滑槽(7)相抵接。
(19)中华人民共和国国家知识产权局(12)实用新型专利(10)授权公告号 (45)授权公告日 (21)申请号 201920530284.3(22)申请日 2019.04.18(73)专利权人 深圳市思赢科技有限公司地址 518106 广东省深圳市光明区公明街道上村莲塘工业区16号恒寿科技大厦6层(72)发明人 冯建军 (74)专利代理机构 深圳市科吉华烽知识产权事务所(普通合伙) 44248代理人 吴肖敏(51)Int.Cl.G09F 9/35(2006.01)F16M 11/22(2006.01)(54)实用新型名称一种节能液晶显示屏(57)摘要本实用新型公开了一种节能液晶显示屏,包括显示器、支架、支板和配重架,所述显示器的后表面与支架固定连接,所述支架的下表面与支板的上表面固定连接,所述支板的中间部位开有第一限位槽,所述第一限位槽的左右两表面开设有限位孔,所述第一限位槽的中间开有避让槽,所述避让槽的两侧面开设有第二限位槽所述,所述配重架的下表面固定连接有组限位机构,所述配重架通过限位机构与第二限位槽活动连接,所述组限位机构均与第二限位槽的上表面活动连接,所述配重架下表面四角均固定连接有回弹机构,所述第一限位槽的四角开设有导向槽,所述回弹机构与导向槽活动连接,此节能液晶显示屏,通过配重降低了重心,使其放置更具稳定性。
权利要求书1页 说明书3页 附图6页CN 209641264 U 2019.11.15C N 209641264U权 利 要 求 书1/1页CN 209641264 U1.一种节能液晶显示屏,包括显示器(1)、支架(2)、支板(3)和配重架(4),其特征在于:所述显示器(1)的后表面与支架(2)固定连接,所述支架(2)的下表面与支板(3)的上表面固定连接,所述支板(3)的中间部位开有第一限位槽(7),所述第一限位槽(7)的左右两表面开设有限位孔(8),所述第一限位槽(7)的中间开有避让槽(9),所述避让槽(9)的两侧面开设有第二限位槽(19)所述,所述配重架(4)的下表面固定连接有4组限位机构(20),所述配重架(4)通过限位机构(20)与第二限位槽(19)活动连接,所述4组限位机构(20)均与第二限位槽(19)的上表面活动连接,所述配重架(4)下表面四角均固定连接有回弹机构(11),所述第一限位槽(7)的四角开设有导向槽(21),所述回弹机构(11)与导向槽(21)活动连接。
(19)中华人民共和国国家知识产权局(12)实用新型专利(10)授权公告号 (45)授权公告日 (21)申请号 201920204784.8(22)申请日 2019.02.18(73)专利权人 上海大臻电子科技有限公司地址 201500 上海市金山区山阳镇卫清东路2312号4幢3层K134室(72)发明人 杨亮 (74)专利代理机构 上海宏京知识产权代理事务所(普通合伙) 31297代理人 何艳娥(51)Int.Cl.F16M 11/12(2006.01)F16M 11/04(2006.01)(54)实用新型名称一种方便调节角度的液晶显示屏(57)摘要本实用新型公开了一种方便调节角度的液晶显示屏,包括底座,所述底座顶部的右侧固定连接有承载板,所述承载板顶部的中心处固定连接有万向轴,所述万向轴顶部的左侧固定连接有支板,所述支板的顶部活动连接有连接板,所述连接板的左侧固定连接有显示器,所述万向轴顶部的右侧固定连接有立柱,所述立柱的内腔焊接有隔板。
本实用新型通过万向轴、支板、连接板、显示器、立柱、隔板、旋转装置和升降装置的设置,使液晶显示屏达到了方便调节角度的效果,同时解决了现有的液晶显示屏在安装完成后基本为固定式的,不能够进行角度的调节,而且因为液晶显示屏的尺寸过大,人们挪动起来十分费力的问题。
权利要求书1页 说明书3页 附图2页CN 209671958 U 2019.11.22C N 209671958U权 利 要 求 书1/1页CN 209671958 U1.一种方便调节角度的液晶显示屏,包括底座(1),其特征在于:所述底座(1)顶部的右侧固定连接有承载板(2),所述承载板(2)顶部的中心处固定连接有万向轴(3),所述万向轴(3)顶部的左侧固定连接有支板(4),所述支板(4)的顶部活动连接有连接板(5),所述连接板(5)的左侧固定连接有显示器(6),所述万向轴(3)顶部的右侧固定连接有立柱(7),所述立柱(7)的内腔焊接有隔板(8),所述立柱(7)内腔的底部设置有旋转装置(9),所述隔板(8)的顶部设置有升降装置(10)。
(19)中华人民共和国国家知识产权局(12)实用新型专利(10)授权公告号 (45)授权公告日 (21)申请号 201920671606.6(22)申请日 2019.05.10(73)专利权人 上海雍盛科技发展有限公司地址 201900 上海市金山区漕泾镇平业路88号17幢5层(72)发明人 钱勇 (51)Int.Cl.G21F 3/00(2006.01)(54)实用新型名称一种医用防护屏(57)摘要本实用新型涉及一种医用防护屏,其包括框架,框架内固定有铅板,铅板下端部两侧均固定有底座,铅板上端部开设有观察槽,观察槽底壁贯穿开设有观察口,观察槽内设置有铅玻璃,铅板于观察槽开口处插接连接有中部开口的观察罩,铅玻璃平行于铅板板面的两侧面均设置有透明的防护层。
本实用新型通过设置防护层,既能对易碎的铅玻璃进行一定程度的保护,又尽可能避免铅玻璃碎裂后碎片溅伤医护人员。
权利要求书1页 说明书4页 附图7页CN 209962707 U 2020.01.17C N 209962707U权 利 要 求 书1/1页CN 209962707 U1.一种医用防护屏,包括框架(1),所述框架(1)内固定有铅板(2),所述铅板(2)下端部两侧均固定有底座(3),其特征在于:所述铅板(2)上端部开设有观察槽(4),所述观察槽(4)底壁贯穿开设有观察口(5),所述观察槽(4)内设置有铅玻璃(6),所述铅板(2)于所述观察槽(4)开口处插接连接有中部开口的观察罩(7),所述铅玻璃(6)平行于所述铅板(2)板面的两侧面均设置有透明的防护层。
2.根据权利要求1所述的医用防护屏,其特征在于:所述铅玻璃(6)在所述铅板(2)上的投影均大于所述观察口(5)和所述观察罩(7)中部的开口,所述观察槽(4)底壁和所述观察罩(7)靠近所述铅板(2)的一侧均设置有首尾封闭的密封条(8)。
3.根据权利要求2所述的医用防护屏,其特征在于:所述防护层为防爆贴膜(9),所述防爆贴膜(9)粘附在所述铅玻璃(6)的两侧面。
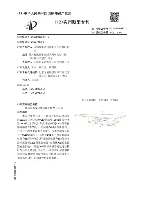
(19)中华人民共和国国家知识产权局(12)实用新型专利(10)授权公告号 (45)授权公告日 (21)申请号 201920292474.6(22)申请日 2019.03.08(73)专利权人 成都费恩格尔微电子技术有限公司地址 四川省成都市高新区天府大道中段1268号1栋3层22、23号专利权人 上海菲戈恩微电子科技有限公司(72)发明人 于杰 刘自涛 蔡国蔚 (74)专利代理机构 北京远创理想知识产权代理事务所(普通合伙) 11513代理人 卫安乐(51)Int.Cl.G06K 9/00(2006.01)G09F 9/33(2006.01)(54)实用新型名称一种具有指纹识别功能的OLED显示屏(57)摘要本实用新型公开了一种具有指纹识别功能的OLED显示屏,包括OLED显示屏、CMOS图像传感器、PCB板、光学镜头和支撑架;所述CMOS图像传感器贴敷在PCB板上,在所述CMOS图像传感器上方通过支撑架架设有光学镜头,所述光学镜头贴合于OLED显示屏下,在所述PCB板上设置有滤波电路和ESD保护电路,所述滤波电路和ESD保护电路均连接至CMOS图像传感器;在所述PCB板上设置有通信接口,所述CMOS图像传感器通过通信接口与外部设备进行信息交互。
本实用新型能够依靠光线反射探测指纹纹路实现OLED显示屏下的指纹识别功能,识别过程稳定且准确。
权利要求书1页 说明书2页 附图1页CN 209606997 U 2019.11.08C N 209606997U权 利 要 求 书1/1页CN 209606997 U1.一种具有指纹识别功能的OLED显示屏,其特征在于,包括OLED显示屏(1)、CMOS图像传感器(2)、PCB板(3)、光学镜头(4)和支撑架(5);所述CMOS图像传感器(2)贴敷在PCB板(3)上,在所述CMOS图像传感器(2)上方通过支撑架(5)架设有光学镜头(4),所述光学镜头(4)贴合于OLED显示屏(1)下,在所述PCB板(3)上设置有滤波电路和ESD保护电路,所述滤波电路和ESD保护电路均连接至CMOS图像传感器(2);在所述PCB板(3)上设置有通信接口(6),所述CMOS图像传感器(2)通过通信接口(6)与外部设备进行信息交互。
(19)中华人民共和国国家知识产权局(12)实用新型专利(10)授权公告号 (45)授权公告日 (21)申请号 201920215715.7(22)申请日 2019.02.20(73)专利权人 盐城国合瀚能科技有限公司地址 224000 江苏省盐城市盐都区盐龙街道华锐中路9号盐城高新技术创业园服务中心3楼(D)(72)发明人 张蕾 康正芳 张华明 (74)专利代理机构 北京华际知识产权代理有限公司 11676代理人 邓娜(51)Int.Cl.G02F 1/1333(2006.01)(ESM)同样的发明创造已同日申请发明专利(54)实用新型名称一种全面屏液晶显示屏(57)摘要本实用新型公开了一种全面屏液晶显示屏,包括显示屏主体,显示屏主体包含有显示屏和底板,底板位于显示屏的下表面,显示屏与底板的内部包含有偏光镜、基层滤色镜、第二滤色镜、共电极、取向膜、密封层、垫片、结合片、液晶显示屏、薄膜晶体管和背光模组。
本实用新型显示屏主体的四角为圆角,侧面为全面曲屏状,圆角能够有效增强自身的抗摔性能,在结合光线折射的原理上,使显示屏主体在视觉上实现“无边框”的现象,全面曲屏状能够有效增强显示屏主体的整体美观与舒适的手感,栅极驱动芯片直接制作在基板上,有效节省内部的空间,缩窄边框,实现全面屏液晶显示屏。
权利要求书1页 说明书3页 附图2页CN 209570771 U 2019.11.01C N 209570771U权 利 要 求 书1/1页CN 209570771 U1.一种全面屏液晶显示屏,包括显示屏主体(1),其特征在于,所述显示屏主体(1)包含有显示屏(2)和底板(3),所述底板(3)位于显示屏(2)的下表面,所述显示屏(2)与底板(3)的内部包含有偏光镜(4)、基层滤色镜(5)、第二滤色镜(6)、共电极(7)、取向膜(8)、密封层(9)、垫片(10)、结合片(11)、液晶显示屏(12)、薄膜晶体管(13)和背光模组(14),所述基层滤色镜(5)位于顶端偏光镜(4)的下表面,所述第二滤色镜(6)位于基层滤色镜(5)的下表面,所述共电极(7)位于第二滤色镜(6)的下表面,所述密封层(9)位于共电极(7)一端的下表面,所述结合片(11)位于共电极(7)的下表面,且密封层(9)位于共电极(7)与结合片(11)之间,所述液晶显示屏(12)位于结合片(11)的下表面,所述薄膜晶体管(13)位于密封层(9)的一侧,且位于液晶显示屏(12)的上表面,所述共电极(7)的另一端下表面与薄膜晶体管(13)的一端均设置有取向膜(8),所述垫片(10)位于薄膜晶体管(13)的一端,所述薄膜晶体管(13)的下表面也设置有偏光镜(4),所述液晶显示屏(12)的底端设置有背光模组(14)。
(19)中华人民共和国国家知识产权局(12)实用新型专利(10)授权公告号 (45)授权公告日 (21)申请号 201920529549.8(22)申请日 2019.04.18(73)专利权人 深圳市思赢科技有限公司地址 518106 广东省深圳市光明区公明街道上村莲塘工业区16号恒寿科技大厦6层(72)发明人 冯建军 (74)专利代理机构 深圳市科吉华烽知识产权事务所(普通合伙) 44248代理人 吴肖敏(51)Int.Cl.G02F 1/1333(2006.01)(54)实用新型名称一种多功能液晶显示屏(57)摘要本实用新型公开了一种多功能液晶显示屏,包括液晶屏、连轴、边框、底板、驱动机构和连杆机构,所述液晶屏固定安装在边框内,所述底板顶部开设有配置槽,所述配置槽内一侧固定安装有连轴,所述边框活动设置在配置槽内,且边框转动连接在连轴外侧,所述驱动机构位于配置槽底部,此多功能液晶显示屏,设置的驱动机构和连杆机构,能够方便简单的对液晶屏使用角度进行实时调整,以方便操作人员对液晶显示屏的使用,增加液晶显示屏的灵活性和使用的舒适度,并同时能够对液晶屏进行有效的限位,且对称的两个连杆机构更进一步的提高了液晶屏的稳定性,避免调整使用过程中液晶屏晃动碰撞而影响其使用寿命。
权利要求书1页 说明书3页 附图2页CN 209640645 U 2019.11.15C N 209640645U权 利 要 求 书1/1页CN 209640645 U1.一种多功能液晶显示屏,包括液晶屏(1)、连轴(2)、边框(3)、底板(4)、驱动机构(5)和连杆机构(6),其特征在于:所述液晶屏(1)固定安装在边框(3)内,所述底板(4)顶部开设有配置槽(7),所述配置槽(7)内一侧固定安装有连轴(2),所述边框(3)活动设置在配置槽(7)内,且边框(3)转动连接在连轴(2)外侧,所述驱动机构(5)位于配置槽(7)底部,且驱动机构(5)一端对称固定安装有两个连杆机构(6),所述连杆机构(6)远离驱动机构(5)的一端均与边框(3)固定连接。
(19)中华人民共和国国家知识产权局(12)实用新型专利(10)授权公告号 (45)授权公告日 (21)申请号 201920574534.3(22)申请日 2019.04.24(73)专利权人 珠海诚锋电器有限公司地址 519040 广东省珠海市金湾区三灶镇金湖路11号一期厂房东面(72)发明人 翁海青 廖小平 李志勇 王国华 (74)专利代理机构 广州嘉权专利商标事务所有限公司 44205代理人 王国标(51)Int.Cl.H04N 5/64(2006.01)H04N 5/44(2011.01)H04N 21/426(2011.01)H04N 21/442(2011.01)H04N 5/63(2006.01)H04N 21/443(2011.01)(54)实用新型名称一种节能的液晶电视机(57)摘要本实用新型公开了一种节能的液晶电视机,包括电视机本体,电视机本体上设有:待机响应模块、第一电控开关、多谐振荡器、第二电控开关、人体红外检测模块、非门芯片和第三电控开关,人体红外检测模块的感应面朝向液晶电视机的前方,待机响应模块的输出端与第一电控开关连接,多谐振荡器的输出端与第二电控开关连接,人体红外检测模块的输出端通过非门芯片与第三电控开关连接,第一电控开关用于控制多谐振荡器的供电,第二电控开关用于控制人体红外检测模块的供电,第三电控开关用于控制电视机本体的供电。
通过判断电视机本体前面是否有人,当电视机本体前面没有人时,则断开电视机本体的供电,从而避免浪费电。
本实用新型主要用于电视机技术领域。
权利要求书1页 说明书5页 附图5页CN 209767690 U 2019.12.10C N 209767690U权 利 要 求 书1/1页CN 209767690 U1.一种节能的液晶电视机,包括电视机本体,其特征在于,所述电视机本体上设有:待机响应模块、第一电控开关、多谐振荡器、第二电控开关、人体红外检测模块、非门芯片和第三电控开关,所述人体红外检测模块的感应面朝向液晶电视机的前方,所述待机响应模块的输出端与第一电控开关连接,所述多谐振荡器的输出端与第二电控开关连接,所述人体红外检测模块的输出端通过非门芯片与第三电控开关连接,所述第一电控开关用于控制多谐振荡器的供电,所述第二电控开关用于控制人体红外检测模块的供电,所述第三电控开关用于控制电视机本体的供电。
专利名称:一种液晶显示屏专利类型:实用新型专利
发明人:洪朝满
申请号:CN201922159833.3申请日:20191205
公开号:CN211951944U
公开日:
20201117
专利内容由知识产权出版社提供
摘要:本实用新型公开了一种液晶显示屏,包括支撑板,所述支撑板的顶部设置有U型框,所述U 型框内壁的一侧滑动连接有连接杆,所述连接杆的内壁设置有固定装置,并且连接杆的另一端固定连接有液晶显示屏本体,所述U型框内壁的顶部和底部均固定连接有缓冲框,两个所述缓冲框内壁的两侧之间均滑动连接有滑动板,两个所述滑动板相离的一侧均固定连接有缓冲弹簧,本实用新型涉及液晶显示屏技术领域。
该液晶显示屏,通过缓冲弹簧和缓冲框的设置,使得液晶显示屏本体在升降用力过猛时能够对液晶显示屏本体和连接杆进行保护,防止冲击力导致液晶显示屏本体和连接杆损坏,保证液晶显示屏本体的正常使用寿命。
申请人:贵州习智科技有限公司
地址:564600 贵州省遵义市习水县东皇街道办事处大陆村田湾组(物流南路旁)
国籍:CN
代理机构:重庆百润洪知识产权代理有限公司
代理人:陈付玉
更多信息请下载全文后查看。
专利名称:一种液晶显示屏
专利类型:发明专利
发明人:宗启军
申请号:CN201610906578.2申请日:20161019
公开号:CN107966833A
公开日:
20180427
专利内容由知识产权出版社提供
摘要:本发明公开了一种液晶显示屏,主要由前偏光片、前玻璃、前电极、第一定向层、第二定向层、液晶材料、封接边、背电极、背玻璃、背偏光片和反射层组成,前偏光片下端与前玻璃上端固定连接,前玻璃下端与前电极上端固定连接,前电极下端与第一定向层上端固定连接,第一定向层与第二定向层将设置有液晶材料,液晶材料两端与第二定向层外侧设置有封接边,封接边下端与背电极固定连接,背电极下端与背玻璃固定连接,背玻璃下端与背偏光片固定连接,背偏光片下端与反射层固定连接。
本发明的有益效果是具有防辐射功能结构简单,体积小,质量轻携带方便,耗电量小。
申请人:淮安盛宇电子有限公司
地址:223121 江苏省淮安市洪泽县东双沟镇工业集中区标准化厂房北起第2栋
国籍:CN
更多信息请下载全文后查看。
专利名称:一种新型多功能液晶显示屏专利类型:实用新型专利
发明人:万里平
申请号:CN202020589954.1
申请日:20200420
公开号:CN212161194U
公开日:
20201215
专利内容由知识产权出版社提供
摘要:本实用新型公开了一种新型多功能液晶显示屏,包括显示屏主体,所述显示屏主体的外侧设置有防护组件,所述防护组件远离显示屏主体的一侧设置有散热组件。
本实用新型通过在液晶显示屏的外侧设置第一防护套和第二防护套,对液晶显示屏进行很好的保护,并且第一防护套和第二防护套的安装和拆装也比较简单,液晶显示屏在遇到碰撞之后,不会影响液晶显示屏内部的结构,防止显示屏发生损坏,并且通过设置散热组件,散热组件中的第一散热片和第二散热片吸收液晶显示屏的热量,通过第一散热孔和第二散热孔将热量排出,使得液晶显示屏的散热效果比较理想,避免显示屏中的电子元件容易受热损坏,提高了显示屏的使用寿命。
申请人:厦门良杰智能科技有限公司
地址:361006 福建省厦门市湖里区长岸路396号401室
国籍:CN
代理机构:北京成实知识产权代理有限公司
代理人:叶立涛
更多信息请下载全文后查看。
(19)中华人民共和国国家知识产权局
(12)实用新型专利
(10)授权公告号 (45)授权公告日 (21)申请号 201920431001.X
(22)申请日 2019.04.01
(73)专利权人 闫忠堂
地址 518000 广东省深圳市宝安区西乡街
道航城富源工商大厦a1栋501
(72)发明人 闫忠堂
(74)专利代理机构 北京知呱呱知识产权代理有
限公司 11577
代理人 赵白 杨乐
(51)Int.Cl.
F16M 13/02(2006.01)
F16M 11/24(2006.01)
F16M 11/04(2006.01)
(54)实用新型名称
一种液晶显示屏
(57)摘要
本实用新型实施例公开了一种液晶显示屏,
属于显示屏技术领域,其技术方案如下,包括液
晶屏,所述液晶屏外侧包覆有固定框架,所述固
定框架包括上框、中框和下框,所述上框与下框
相互配合连接,所述中框的固定到上框内,所述
液晶屏固定卡接到下框与中框之间,解决了现有
技术中在液晶屏损坏后,难以将其从固定框架上
拆卸下来进行维修或者更换的问题。
权利要求书1页 说明书3页 附图4页CN 209762667 U 2019.12.10
C N 209762667
U
权 利 要 求 书1/1页CN 209762667 U
1.一种液晶显示屏,包括液晶屏(1),其特征是:所述液晶屏(1)外侧包覆有固定框架,所述固定框架包括上框(2)、中框(3)和下框(4),所述上框(2)与下框(4)相互配合连接,所述中框(3)的固定到上框(2)内,所述液晶屏(1)固定卡接到下框(4)与中框(3)之间。
2.根据权利要求1所述的一种液晶显示屏,其特征是:所述中框(3)与下框(4)的边缘上分别固定贴合有压合条(5),每个所述压合条(5)压合到液晶屏(1)的边缘上。
3.根据权利要求1所述的一种液晶显示屏,其特征是:所述上框(2)的每个边角的位置上分别设置有沉头孔(21),所述中框(3)正对每个沉头孔(21)的位置分别设置有螺纹管(31),每个所述沉头孔(21)上分别设有螺栓(22),所述螺栓(22)贯穿沉头孔(21)并伸入到螺纹管(31)内。
4.根据权利要求1所述的一种液晶显示屏,其特征是:所述上框(2)外壁边缘上分别固定有多个塑料制成的安装片(6),每个所述安装片(6)远离上框(2)外壁的一侧分别一体连接有条形凸块(61),所述下框(4)的外壁上设置有条形孔(62),所述上框(2)与下框(4)的外壁相互贴合时,每个条形凸块(61)分别卡接到每个条形孔(62)中。
5.根据权利要求2所述的一种液晶显示屏,其特征是:所述压合条(5)的截面呈L形,且压合条(5)卡接到液晶屏(1)的边角位置,所述压合条(5)通过双面胶粘合到下框(4)与中框(3)的边缘上。
6.根据权利要求2所述的一种液晶显示屏,其特征是:所述压合条(5)是由泡棉制成。
7.根据权利要求1所述的一种液晶显示屏,其特征是:所述上框(2)的外壁上固定有两个支腿,支腿下端固定放置环(72),所述支腿包括定位管(7)和插接杆(71),所述定位管(7)固定安装到上框(2)外壁上,插接杆(71)下端固定到放置环(72)上,插接杆(71)上端伸入到定位管(7)中,所述插接杆(71)上竖向均布有多个插孔,所述定位管(7)外壁上设有螺钉,且螺栓(22)贯穿定位管(7)并伸入到插孔中。
2。