电气配管埋设隐蔽工程验收记录(PVC线管)
- 格式:xls
- 大小:19.50 KB
- 文档页数:4
电气管道隐蔽工程验收记录项目名称:XXX工程验收人员:XXX,XXX,XXX验收日期:XXXX年XX月XX日一、工程概况本次验收的是XXX工程的电气管道隐蔽工程,该工程总投资XXXX万元,项目建设地点位于XXXX。
工程主要包括XXX,XXX,XXX等部分。
根据工程设计文件和施工合同,现在进行电气管道隐蔽工程的验收。
二、验收内容及标准1.管道安装是否符合设计要求和规范标准;2.管道品质是否合格,是否存在破损、变形、锈蚀等问题;3.隐蔽工程是否按照设计要求进行封闭;4.管道安装是否符合施工图纸,安装固定是否牢固;5.管道与周边结构是否存在冲突和安全隐患。
三、验收过程及结果1.验收前准备工作:a.对施工现场进行了踏勘,了解电气管道隐蔽工程的基本情况;b.查阅了工程设计文件、施工合同和现场记录等相关资料;c.组织相关人员进行会前培训,明确验收要求及注意事项。
2.验收过程:a.检查了电气管道的安装质量,核查了管道的材质、壁厚、施工质量等;b.检查了电气管道的连接处是否严密,是否存在漏水、漏电等问题;c.查验了管道的封闭质量,确保在隐蔽工程完成前对管道进行了合格的封闭;d.对管道与周边结构的关联进行了核对,确保不存在冲突和安全隐患。
3.验收结果:经过验收,确认以下事项:a.电气管道的安装质量符合设计要求和规范标准;b.管道品质良好,无破损、变形、锈蚀等问题;c.隐蔽工程按照设计要求进行了封闭;d.管道安装符合施工图纸,安装固定牢固可靠;e.管道与周边结构不存在冲突和安全隐患。
四、存在的问题及整改措施在本次验收过程中,发现以下问题:1.部分电气管道连接处存在漏水问题,需要重新加强密封处理;2.隐蔽工程中部分管道封闭未按要求进行,需要进行重新封闭;3.部分管道安装固定不够牢固,需要进行加固。
为解决上述问题,采取以下整改措施:1.对漏水问题的管道进行封闭处理,确保连接密封性;2.对尚未封闭的管道进行重新封闭,符合设计要求;3.对安装固定不牢固的管道进行加固,确保稳定可靠。
所属子分部(系统)工程名称/分项(子系统)工程名称电气照明安装/电线导管、电缆导管和线槽敷设相关的施工部位(层、区、段、房、室)教学新区负一层剪力墙(6)~(27)×(A)~(N)轴总承包施工单位广州工程总承包集团有限公司项目负责人许明辉专业承包安装单位/ 项目负责人施工执行的技术标准(含企业的工艺规程、工法等)名称及编号《建筑电气工程施工质量验收规范》GB50303-2002相关施工图名称及其图号教学新区地下负一层照明平面图电施-D43验收日期:从2014 年5月19 日起到2014 年5 月20日止回路名称/编号拟穿线缆型号/规格/根数配管接头连接方式名称(材质)型号(规格)管与管管与盒-1RAL-CW1BV-3×2.5 阻燃绝缘PVC线管Φ20粘接杯梳连接-1RAL-WL2 BV-3×2.5 阻燃绝缘PVC线管Φ20粘接杯梳连接-1RAL-WL3 BV-3×2.5 阻燃绝缘PVC线管Φ20粘接杯梳连接-1RAL1-WL1BV-3×2.5 阻燃绝缘PVC线管Φ20粘接杯梳连接-1RAL1-WL2 BV-3×2.5 阻燃绝缘PVC线管Φ20粘接杯梳连接-1RAL1-WLE1 BV-3×2.5 阻燃绝缘PVC线管Φ20粘接杯梳连接-1RAL1-WLE2 BV-3×2.5 阻燃绝缘PVC线管Φ20粘接杯梳连接-1AL1-WL1 BV-3×2.5 阻燃绝缘PVC线管Φ20粘接杯梳连接-1AL1-WL2 BV-3×2.5 阻燃绝缘PVC线管Φ20粘接杯梳连接-1AL1-WL4 BV-3×2.5 阻燃绝缘PVC线管Φ20粘接杯梳连接-1AL1-WLE2 BV-3×2.5 阻燃绝缘PVC线管Φ20粘接杯梳连接以下空白简介埋设隐蔽方式(如在砼内或砖砌体内埋设等)/施工方法/隐蔽前已进行的检查测试项目及其结果:1、隐蔽方式:在混凝土内暗敷。
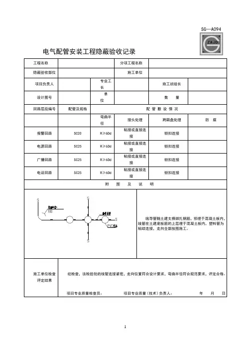
SG—A094电气配管安装工程隐蔽验收记录工程名称分项工程名称隐蔽验收部位施工单位项目负责人专业工长施工班组长设计图号单位数量回路层段编号配管及规格配管敷设情况弯曲半径接头处理跨箱盘处理防腐报警回路SC20 R≥6Dd 粘接或直接连接锁扣连接电源回路SC25R≥6Dd 粘接或直接连接锁扣连接广播回路SC25R≥6Dd 粘接或直接连接锁扣连接电话回路SC25R≥6Dd 粘接或直接连接锁扣连接附图及说明线导管随土建支模绑扎钢筋,预埋于混凝土板内,线管在土建底板筋的上层埋于混凝土板内,塑料管为粘结连接,走向全部按图施工。
施工单位检查评定结果经检查,该检验批的线管连接紧密,走向位置符合设计要求,弯曲半径符合规范要求,评定合格。
项目专业质量检查员:项目专业质量(技术)负责人:年月日监理(建设) 单位验收结论经旁站检查及验收,该检验批的施工质量符合设计和规范要求,同意隐蔽。
监理工程师(建设单位项目技术负责人): 年 月 日四川省建设厅监制SG —A094电气配管安装工程隐蔽验收记录工程名称 分项工程名称隐蔽验收部位施工单位项目负责人专业工长施工班组长设计图号 单 位数 量回路层段编号配管及规格配 管 敷 设 情 况弯曲半径 接头处理 跨箱盘处理 防 腐 报警回路 SC20 R ≥6Dd 直接连接 锁扣连接 电源回路 SC25 R ≥6Dd 直接连接 锁扣连接 广播回路 SC20 R ≥6Dd 直接连接 锁扣连接 电话回路SC20R ≥6Dd直接连接锁扣连接附 图 及 说 明弯曲半径 10DssssJDG管JDG直接JDG接线盒线导管随土建支模绑扎钢筋,预埋于混凝土板内,线管在土建底板筋的上层埋于混凝土板内,镀锌钢导管为丝接,钢管已按规范要求用铜线做卡接跨接地线,接地可靠,走向全部按图施工。
四川省建设厅监制。
电气管道隐蔽工程验收记录电气管道隐蔽工程验收记录————————————————————————————————作者:————————————————————————————————日期:隐蔽工程验收记录建设单位施工单位工程名称隐蔽名称动力站接地装置安装工程量验收记录及示意图或草图:1、本隐蔽工程为基础接地装置安装,按基础接地平面图和设计说明施工。
2、利用建筑物基础梁及承台内主筋沿建筑物焊接,作为自然接地极,防雷引下线利用建筑物柱内四根主筋,上端与避雷网下端与建筑物基础内的主筋焊接,并在指定的引下线处用40×4镀锌扁钢引出基础外1米预留。
3、梁内主筋与圆钢采用搭接焊,双面施焊。
搭接长度符合验收规范要求。
焊接质量符合要求。
4、防爆门采用40×4热镀锌扁钢与基础接地网及桩头筋通长连接,三面施焊,搭接长度符合验收规范要求。
验收评定意见:建设单位监理单位施工项目技术负责人质检员隐蔽工程验收记录建设单位施工单位工程名称隐蔽名称提取车间墙柱顶梁板避雷引下线工程量验收记录:1、本隐蔽工程为提取车间墙柱顶梁板避雷引下线敷设,按基础接地平面图和防雷接地做法大样图施工。
2、利用建筑物柱内2根大于Φ16的主筋通长焊接作避雷引下线,与上一层柱内主筋相焊接。
3、柱内主筋与主筋连接采用大于Φ16的螺纹钢搭接焊,搭接长度大于直径的6倍,双面施焊,焊缝质量符合要求,焊渣敲净。
验收评定意见:建设单位监理单位施工项目技术负责人质检员建设单位施工单位工程名称隐蔽名称电线导管敷设(提取车间一层B、C区;一层夹层B区)工程量验收记录:1、本隐蔽工程为提取车间一层B、C区及一层夹层B区墙柱顶梁板电线导管敷设,隐蔽内容有强电和弱电系统配管,按强电和弱电平面图施工。
2、导管材质为KBG导管,材料质量合格。
3、导管直径、回路数量、平面位置、标高尺寸均符合设计图纸要求。
4、导管连接采用套管插入法锚固连接,接口牢固并用封箱带密封。
电气工程隐蔽验收记录电气配管工程名称济宁J区建筑亮化施工工程施工单位深圳粤大明照明电器有限公司分项工程名称电线导管、电缆导管和线槽敷设监理(建设)单位山东省齐鲁城市建设管理有限公司隐蔽部位1-55栋(J区外围)室外亮化电气配管验收日期2014年4月日隐蔽工程内容名称规格单位数量接头形式和辅助材料PVC电线管Ф32米1650接头形式为套管直接胶粘,辅助材料:直接,86接线盒。
PVC电线管Ф25米2850PVC电线管Ф20米5150简图或说明:1;按图施工,依据施工图进行电缆管路敷设。
2;电缆管隐蔽于室外楼顶(幕墙后预埋)。
结论符合设计及规范要求,同意隐蔽施工单位监理(建设)单位专业工长:专业质量检查员:项目专业技术(质量)负责人:(公章)监理工程师:(建设单位项目专业技术负责人)(公章)鲁DQ-011电气电线穿管工程名称济宁J区建筑亮化施工工程施工单位深圳粤大明照明电器有限公司分项工程名称电线、电缆穿管和线槽敷线监理(建设)单位山东省齐鲁城市建设管理有限公司隐蔽部位1-55栋(J区外围)室外亮化电气配管验收日期2022年4月日隐蔽工程内容名称规格单位数量接头形式和辅助材料电力电缆YJV/5*10米850/电气配线YJV/3*6米1650电气配线YJV/3*4米2850电气配线VV/2*4米520超五类网线4*2*0.75米1650信号线RVV3*0.75米3400简图或说明:说明:1、按图施工,依据施工平面图进行穿线敷设;2、穿线管口平滑,管口保护正确,配管内无杂物及积水3、电线相色正确,电线绝缘层无破皮现象,同一回路电线无接头现象结论符合设计及规范要求,同意隐蔽施工单位监理(建设)单位专业工长:专业质量检查员:项目专业技术(质量)负责人:(公章)监理工程师:(建设单位项目专业技术负责人)(公章)鲁DQ-011。
电气配管工程隐蔽验收记录日期:XX年XX月XX日工程名称:电气配管工程施工单位:XXX公司建设单位:XXX公司监理单位:XXX公司1.验收范围本次隐蔽验收主要包括电气配管工程的施工质量、工程文件的完整性以及工程材料的合格性。
2.验收人员本次隐蔽验收由建设单位、施工单位、监理单位派员组成的验收小组共同进行。
3.验收时间本次隐蔽验收于XX年XX月XX日上午进行。
4.工程材料验收4.1电气配管材料根据项目设计文件和施工图纸要求,对电气配管材料进行验收。
经过验收,所有电气配管材料均符合质量要求,无任何质量问题。
5.施工质量验收5.1电气配管安装质量根据项目设计文件和施工图纸要求,对电气配管的安装质量进行验收。
验收结果显示,电气配管的安装符合标准要求,无渗漏、开裂、凹凸等质量问题。
5.2管道连接质量对电气配管的连接进行验收,包括焊接接头、螺纹连接等。
验收结果显示,所有连接部位的焊接接头、螺纹连接均符合标准要求,无任何质量问题。
5.3弯头安装质量对电气配管的弯头安装质量进行验收。
验收结果显示,所有弯头的安装符合标准要求,无任何质量问题。
6.工程文件验收根据项目设计文件,对电气配管工程的工程文件进行验收。
经过验收,所有施工图纸、质量报告、验收记录等工程文件齐全完整。
7.验收结论根据以上的验收结果,本次电气配管工程的隐蔽验收工作顺利完成,各项质量要求全部符合标准要求,无任何质量问题。
8.处理意见根据以上的验收结论,建议施工单位继续保持工程质量的良好态势,做好后续的完工验收工作。
9.验收人员签字。
电气管内穿线工程隐蔽验收记录项目名称:XXX工程项目编号:XXX编号工程地点:XXX地址施工单位:XXX公司监理单位:XXX公司验收单位:XXX公司日期:XXXX年XX月XX日一、工程概况本次验收的电气管线穿线工程包括XXX部分,共涉及XXX根电管线。
施工单位XXX公司于XXXX年XX月XX日开始施工,历时XX天完成。
二、验收内容1.验收依据本次验收遵循国家相关标准、规范以及技术要求,包括但不限于《建筑电气工程施工及验收规范》、《电气工程施工质量安全技术规范》等。
2.验收人员本次验收由施工单位、监理单位和验收单位的相关人员参与,共计XX人。
三、验收过程1.施工单位自检施工单位在完成管线穿线后进行自检,确保穿线位置准确、管线穿插无误,且各电气管线之间有足够间隔。
2.监理单位抽查监理单位对施工单位的自检结果进行抽查,核实自检记录的准确性,并根据相关规范进行验收准备工作。
3.验收单位验收验收单位对施工过程和结果进行全面的验收。
主要内容包括但不限于:(1)穿线位置和方向合理性的确认:对各穿线点进行核对,确保其与设计图纸一致,并符合设计要求。
(2)穿线管道的完整性:检查穿线管道的整体质量,要求管道表面光滑、无裂缝、无断面变形等,确保管道完整。
(3)电气管线的穿线方式:检查每个穿线点的电气管线穿线方式是否正确,如穿线孔有防护措施、穿线孔边缘光滑等。
(4)穿线间隔和布局:检查各电气管线之间的间隔是否满足设计要求,电气管线的布局是否合理,是否与其他管道有合理的交叉或分离。
(5)穿线记录和报验:核对施工单位的穿线记录,确保每个穿线点都有相应的记录,并与监理单位进行验收报验。
四、验收结果经过全面的验收,本次电气管线穿线工程达到了设计要求和相关标准的要求。
五、存在的问题和整改意见根据本次验收的情况,发现以下问题:1.XXX2.XXX对于上述问题,需要尽快整改。
施工单位应立即采取相应措施解决,并在完成整改后及时通知验收单位进行复验。