塔式起重机安装自检报告
- 格式:doc
- 大小:180.50 KB
- 文档页数:20
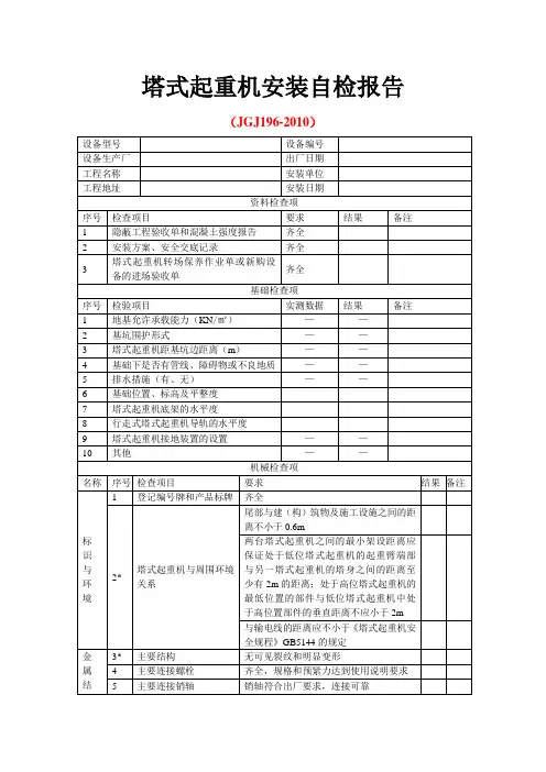
jgj196-2010 附表大全塔式起重机安装自检报告(JGJ196-2010) 设备型号设备编号设备生产厂出厂日期工程名称安装单位工程地址安装日期资料检查项序号检查项目要求结果备注隐蔽工程验收单和混凝土强度报告齐全1 安装方案、安全交底记录齐全2 塔式起重机转场保养作业单或新购设齐全3 备的进场验收单基础检查项序号检验项目实测数据结果备注地基允许承载能力(KN/?) ——1 基坑围护形式——2塔式起重机距基坑边距离(m) ——3 基础下是否有管线、障碍物或不良地质——4 排水措施(有、无) ——5 基础位置、标高及平整度6 塔式起重机底架的水平度7 行走式塔式起重机导轨的水平度8塔式起重机接地装置的设置—9其他——10机械检查项名称序号检查项目要求结果备注登记编号牌和产品标牌齐全1尾部与建(构)筑物及施工设施之间的距离不小于0.6m标两台塔式起重机之间的最小架设距离应识保证处于低位塔式起重机的起重臂端部与塔式起重机与周围环境与另一塔式起重机的塔身之间的距离至2* 环关系少有2m 的距离; 处于高位塔式起重机的境最低位置的部件与低位塔式起重机中处于高位置部件的垂直距离不应小于2m与输电线的距离应不小于《塔式起重机安全规程》GB5144勺规定主要结构无可见裂纹和明显变形金3* 属主要连接螺栓齐全,规格和预紧力达到使用说明要求4 结主要连接销轴销轴符合出厂要求,连接可靠5构过道、平台、栏杆、踏符合《塔式起重机安全规程》GB5144的6件板规定金符合《塔式起重机安全规程》GB5144的梯子、护圈、休息平台7属规定结设置位置和附着距离符合方案规定,结构附着装置8 构形式正确,附墙与建筑物连接牢固件附着杆无明显变形,焊缝无裂纹9在空独立状态塔身载,(或附着状态塔身轴心线对支承面的垂直度?4/1000 10 风速下最高附着点不大以上塔身)于附着状态下最3m/s高附着点以下塔身轴心线对支承面的垂直度?2/1000 11 状态塔身下内爬式塔式起重机的爬升框与支承钢梁、支撑连接可靠12 钢梁与建筑结构之间的连接平衡阀或液压锁与油缸应设平衡阀或液压锁,且与油缸用硬管连13* 连接接爬自升式塔式起重机在正常加节、降节作业升时,应具有可靠的防止爬升装置在塔身支爬升装置防脱功能14 与承中或油缸端头从其连接结构中自行(非回人为操作)脱出的功能转对回转处不设集电器供电的塔式起重机,回转限位器15 应设置正反两个方向回转限位开关,开关工作时架臂旋转角度不大于?540o灵敏可靠,限制值<额定荷载110%,显示起重力矩限位器16* 误差??5% 起对动臂变幅和小车变幅的塔式起重机,当升吊钩装置顶部升至起重臂下端的最小距起升高度限位17*系离为800mn处时,应能立即停止起升运统动灵敏可靠,限制值<额定荷载110%,显示起重量限制器18 误差??5%小车断绳保护装置双向均应设置19小车断轴保护装置应设置20 变小车变幅检修挂篮连接可靠21 幅对小车变幅的塔机,应设置小车行程限位系小车变幅限位和终端止开关和终端缓冲装置。
塔式起重机
自检自查报告
工程名称:__新世界御岭园3A地块G1及地下室工程
使用单位:(章)贵州建工集团有限公司公司检验日期:二O一一年十月十九日
注意事项及填写说明
1、本检验记录适用于塔式起重机安装单位组织的企业内部自检记录。
2、本检验记录应用钢笔或圆珠笔填写,字迹应工整,填写数据准确,内容齐全。
3、在“实测”栏中对“检验内容和要求”栏中的项目进行检验判别:对于符合要求或有效的在“实测”栏相对应的方框内划“√”;对于不符合要求或无效、失效的在“实测”栏相对应的方框内划“×”,需要简述的在该栏空隙处简述;对于项目内部分条款为无此项的在“实测”栏与该条款相对应的方框内划“/”,项目内全部条款为无此项的在“实测”栏整栏内划“/”。
4、对于需要填写数据的项目必须如实填写数据。
5、检验记录中注有“*”的项目为重要项,其它为一般项。
塔式起重机自检自查表。
起重机自检报告日期: [填写报告日期]报告编号: [填写报告编号]被检起重机信息:型号: [填写起重机型号]序列号: [填写起重机序列号]制造商: [填写起重机制造商]商标: [填写起重机商标]1. 检查起重机外观在开始起重机自检之前,我们对起重机外观进行了仔细检查。
起重机的外观应该整洁无损,没有明显的变形或者破损。
经过检查,我们发现起重机外观完好,并符合上述要求。
2. 检查起重机电源系统起重机的电源系统是起重机正常运行的关键。
我们对电源系统进行了检查,包括电源线路、电缆、插头、开关等。
经过检查,起重机的电源系统正常,没有发现任何故障或损坏。
3. 检查起重机操作控制系统起重机的操作控制系统是确保起重机安全运行的重要组成部分。
我们对操作控制系统进行了检查,包括控制台、按钮、遥控器等。
根据检查结果,起重机的操作控制系统正常,所有按钮和开关的功能正常运行。
4. 检查起重机安全设备起重机的安全设备是保证起重过程安全的必备条件。
我们对安全设备进行了仔细检查,包括限位器、过载保护器、安全锁等。
经过检查,起重机的安全设备均正常工作,确保起重机在使用过程中的安全性。
5. 检查起重机工作部位起重机的工作部位包括主要构件、回转机构、起升机构等。
我们仔细检查了这些部位,确保其运行正常、无松动和异响。
根据我们的检查结果,起重机的工作部位均没有发现任何问题。
6. 检查起重机润滑系统起重机的润滑系统是保证起重机正常运行的重要条件之一。
我们对起重机的润滑系统进行了检查,包括油管、油泵、润滑油等。
根据检查结果,起重机的润滑系统工作正常,无泄漏现象。
7. 检查起重机检修记录我们查看了起重机的检修记录,确保起重机按照规定进行定期维护和检修。
根据检查结果,起重机的检修记录齐全,并且维护和检修工作得到了妥善执行。
总结:根据我们的起重机自检报告,我们的起重机在外观、电源系统、操作控制系统、安全设备、工作部位、润滑系统以及检修记录方面都没有发现任何问题。
塔吊维护自查自纠报告一、塔吊基本情况我公司有两台塔吊分别用于不同的工地,一台是自升式塔吊,另一台是铁塔吊。
两台塔吊都是近年来购置的,目前运行状态良好,没有发现明显的故障。
但是,由于近期施工任务较重,对塔吊的使用频率较高,为了确保工地的安全和设备的正常运转,我们决定对塔吊进行一次全面的自查自纠工作。
二、自查自纠内容1. 定期检查塔吊结构和关键部件的连接状态,确保没有松动和损坏。
2. 检查塔吊的电气系统和安全设备,确保运行正常。
3. 检查塔吊的起重机构和支臂,包括钢丝绳、钢丝绳轮、卷扬机等设备,确保没有断裂和磨损。
4. 检查塔吊的润滑油和液压油的情况,确保充足,并及时更换。
5. 检查塔吊的操作手柄和控制按钮,确保灵活性和准确性。
6. 检查塔吊的基础固定情况,确保牢固和稳定。
三、自查自纠结果通过对塔吊的全面自查自纠,我们发现了一些问题,并及时进行了处理和纠正。
1. 塔吊的起重机构有一根钢丝绳出现了磨损,我们立即更换了新的钢丝绳,确保安全使用。
2. 塔吊的润滑油和液压油需要更换,我们在第二天就安排了专业人员进行更换。
3. 塔吊的电气系统存在一个接线松动的情况,我们立即进行了维修,并对其他接线进行了检查。
4. 塔吊的操作手柄有一个按键失灵,我们及时更换了操作手柄,并对其他按键进行了测试。
四、经验总结通过这次自查自纠工作,我们进一步加强了对塔吊的了解,及时发现了一些问题,确保了施工安全和设备的正常使用。
在今后的工作中,我们将继续加强对塔吊的维护工作,定期进行自查自纠,最大程度地保障了工作安全和设备的正常运转。
综上所述,塔吊是施工过程中不可或缺的重要设备,其安全和正常运行对于工地的施工十分重要。
通过定期的自查自纠工作,我们可以及时发现和解决问题,确保设备的正常运转,提高工作效率,保障施工安全。
今后,我们将继续加强对塔吊的维护工作,做好自查自纠工作,努力为施工安全和进度提供更好的保障。
塔吊自检报告表格模板本文给出了一个塔吊自检报告的表格模板,帮助塔吊操作员或维护人员更好地记录和管理维护数据。
检查项目检查内容检查结果处理措施备注机械传动部件齿轮油位、齿轮箱油位、齿轮箱异响等正常/异常需要维修/更换的部件及原因导绳部分主钩、副钩、反钩、防倾斜绳、限位器等部件的检查正常/异常需要维修/更换的部件及原因电气系统控制台、电缆、保险丝、接线端子、电动机绝缘电阻等的检查正常/异常需要维修/更换的部件及原因防坠安全装置制动器、制动销、跑绳器、限速器等部件的检查正常/异常需要维修/更换的部件及原因塔式结构立柱、悬臂臂、墙壁和地基的检查正常/异常需要维修/加固部位及原因其他部件驾驶室、护栏、拖臂等部件的检查正常/异常需要维修/更换的部件及原因说明:1.检查项根据塔吊的具体构造和使用环境确定,本模板仅供参考;2.检查内容为具体的检查项目,例如对于机械传动部件,需检查齿轮油位、齿轮箱油位、齿轮箱异响等情况;3.检查结果分为正常和异常两种情况,异常需要记录并进行处理;4.处理措施为需要维修/更换的具体部件及原因,方便后续维护人员进行处理和管理;5.备注栏为塔吊操作员或维护人员需要额外记录的信息,如维修时使用的配件、使用的工具等,方便后续的维护和管理。
该表格模板可以通过电子表格方式进行管理,每次自检时可以根据具体情况填写相应的内容,并进行记录和管理。
在塔吊维护过程中,及时记录和跟踪维护数据是非常重要的,可以保证塔吊的安全运行和延长使用寿命。
塔式起重机自检报告尊敬的XXXX公司:根据我司安排和贵司要求,我作为负责塔式起重机自检工作的检测员,特向贵司提交本次自检报告。
经过认真细致的检查和测量,以下是本次自检的相关结果与发现:1. 起重机整体状况在对塔式起重机进行全面检查后,发现机身结构完整,各部分连接紧固牢固,无任何明显的损坏或松动现象。
2. 主臂系统状态主臂系统由顶锥、主臂、倾角传感器、抗倾力矩装置等组成。
经过测量和测试,发现主臂系统运转正常,各部位无异常松动或磨损。
倾角传感器的读数准确可靠,抗倾力矩装置能够有效保持起重机的稳固性。
3. 配重系统检查配重系统的主要组成部分是配重臂、配重箱和配重块。
经过仔细检查,配重臂无裂纹或损伤,在操作过程中能够正常运转。
配重箱密封完好,未发现任何渗漏现象。
配重块数量与规格符合要求,无缺损或变形。
4. 载荷检测与限制器载荷检测与限制器是起重机重要的安全保护装置,经检查,限制器的读数准确可靠,能够及时检测并限制超载情况。
5. 驱动系统检查驱动系统主要包括变频器、马达和制动装置。
经过测试,变频器工作正常,能够控制起重机的运动稳定和精确。
马达输出功率正常,制动装置可靠,能够在停止操作后迅速制动并保持起重机的停稳。
6. 安全设施和报警系统为确保起重机操作的安全性,检查了安全设施和报警系统。
安全设施包括防风装置、防碰撞装置、抱闸装置等,经检测,均能够正常工作。
报警系统包括声光报警装置、限位开关等,各项功能完好可靠。
总结:根据本次自检报告的结果,塔式起重机各部位和系统运转正常,安全设施和报警系统工作正常。
在操作起重机时,请严格遵守使用规程和安全操作规范,确保操作人员的人身安全以及设备的正常使用。
祝贵司工作顺利,如有任何疑问或需要进一步检测与维护服务,请随时与我们联系。
此致敬礼!XXX公司塔式起重机自检员。
塔式起重机的自检、监督检验和验收
塔式起重机安装后,安装单位应按《建筑施工塔式起重机安装、使用、拆卸安全技术规程》自检,自检合格提交有资质的单位进行第三方监督检验,监督检验合格出具有检验报告书后,提交由施工总承包单位、分包单位、出租单位和安装单位、监理单位共同进行验收。
验收合格后方可使用。
验收内容按《建筑施工塔式起重机安装、使用、拆卸安全技术规程》执行。
塔式起重机的使用单位应当在塔式起重机投入使用前或者投入
使用后三十日内,向负责特种设备安全监督管理的部门办理使用登记,取得使用登记证书。
登记标志应当置于该设备的显著位置。
安装施工单位应当在验收后三十日内将相关技术资料和文件移
交塔式起重机使用单位。
使用单位应当将其存入该设备的安全技术档案。
塔式起重机安装验收表自检报告一、前言本文档是塔式起重机安装验收表的自检报告,主要介绍了本次起重机安装验收的过程以及自检结果。
二、安装验收过程1. 安装前准备工作1.检查塔式起重机各部件是否齐全,是否符合要求。
2.检查施工场地是否符合起重机施工要求,是否建有符合要求的承重基础。
3.检查施工环境是否安全,是否有必要的安全防护措施。
2. 安装过程1.经过前期准备,工作人员开始进行塔式起重机的安装工作。
2.在安装过程中,工作人员按照安装说明书的要求进行操作,确保安装的正确性和安全性。
3.在安装完成后,工作人员进行了负载试验和安全保护系统测试,确保起重机的正常使用。
3. 安装验收1.安装验收人员对起重机进行了全面检查,包括外观、机械结构、电气系统、安全保护系统等方面。
2.在检查过程中,发现了一些小问题,如拆卸工具未清理干净等,及时予以修正。
3.最终,起重机通过了安装验收,并取得了合格证书。
三、自检报告1. 外观检查外观检查主要包括起重机的整体外观、涂装表面质量、各部分连接处的紧密度等方面。
1.1 整体外观起重机外观整洁、无污垢、无瘤疣和裂纹,非金属材料齐全,无明显损伤。
1.2 涂装表面质量起重机的外观涂装表面无麻点,无漏涂、流挂、划伤或刮痕,涂层厚度均匀。
1.3 连接处紧密度起重机各部分连接处轴承、轴套、齿轮、联轴器等均无松动或卡滞现象。
2. 机械结构检查机械结构检查主要包括起重机的各个部件结构、尺寸、运动性能等方面。
2.1 结构起重机运行部件及传动装置齐全,机械部件不应有缺陷、裂纹、变形、磨损、加工粗糙等现象。
2.2 尺寸起重机各部件的尺寸与设计要求相符合,各部分间的间隙符合设计要求,各装配零件之间的衔接面平整,不凹凸、不错填、不影响负荷的承受和传递。
2.3 运动性能起重机运行各部件应自由可靠,不卡滞、不打滑,各部件运动到一定位置时,不应有脱轨、死点、过冲、颤抖现象,行程、极限、速度和制动要求符合设计要求、安全可靠。
塔式起重机安装验收表自检报告注:以下内容为自动生成,仅供参考,不可用于实际情况。
起重机的安装和验收是非常重要的环节,它关系到起重机的使用效果和使用寿命。
为了确保起重机的安装和验收质量,我们应当采取靠谱的方法,详细记录每一次安装和验收的过程及结果。
下面给出一份关于塔式起重机安装验收表自检报告的范例。
一、安装环境1.1 工地名称:1.2 安装地点:1.3 安装日期:二、塔式起重机的安装2.1 工造安全检查:2.1.1 塔吊底座准备及基础埋深符合设计要求?2.1.2 塔吊吊臂、平台、塔身接口是否正确?2.1.3 塔吊支腿、压板和锚栓是否牢固、可靠?2.1.4 电气配电及信号线路是否按工程图纸所示接好?2.2 动臂组的安装2.2.1 动臂组的各个部件是否正确安装?2.2.2 动臂组是否垂直于底座?2.2.3 动臂组是否平稳不动摇?2.3 总体验收2.3.1 塔吊是否符合相关要求?2.3.2 塔吊操作是否灵活?2.3.3 塔吊安全操作是否符合相关要求?三、塔式起重机安装验收报告3.1 塔式起重机符合国家、行业标准和相关规定要求。
3.2 塔式起重机工作按顺序顺畅,功能正确,电气系统、液压系统无泄漏,安全保护装置可靠。
3.3 塔式起重机性能达到安装项目要求。
3.4 塔式起重机操作人员接受相关培训,具备维护、使用和管理能力。
四、塔式起重机安装使用建议4.1 规范操作:严格按照塔式起重机的操作规程来操作。
4.2 常规维护:每天清洁起重机外部,确保塔吊各个部件的正常状态。
4.3 安全使用:对于需长时间停用时,应按规定进行密封、加油、防锈等处理,切勿在起重过程中超载、越限操作。
以上是塔式起重机安装验收表自检报告的范例,希望对大家有所帮助,以确保塔式起重机按照规范运行,保障施工安全。
4.塔式起重机检验报告
塔式起重机检验报告。
为了确保塔式起重机的安全运行和使用,我们对公司内的所有塔式起重机进行了定期的自查和检验。
以下是我们的自查报告:
1. 设备外观检查:
我们检查了所有塔式起重机的外观,包括主要结构、钢丝绳、滑轮、电气设备等部分。
我们确保没有明显的损坏、变形或者松动现象,并且清洁度良好。
2. 电气系统检查:
我们对所有塔式起重机的电气系统进行了检查,包括电缆、开关、控制盒等部分。
我们确保电气设备完好无损,没有短路、漏电等现象。
3. 动力系统检查:
我们对所有塔式起重机的动力系统进行了检查,包括电机、齿
轮箱、制动器等部分。
我们确保动力系统运行正常,没有异常声音
或者震动。
4. 安全装置检查:
我们对所有塔式起重机的安全装置进行了检查,包括限位器、
重载保护器、断电保护器等部分。
我们确保所有安全装置灵敏可靠,能够及时发挥作用。
5. 操作性能检查:
我们对所有塔式起重机的操作性能进行了检查,包括起重、移动、回转等功能。
我们确保操作性能正常,没有卡滞或者失灵现象。
以上是我们对塔式起重机的自查报告,我们将继续加强对塔式
起重机的维护和检验工作,确保设备的安全可靠运行。
4.塔式起重机检验报告
塔式起重机检验报告。
自查报告。
日期,2022年10月15日。
检验单位,XX建筑公司。
检验人员,张三。
1. 检验目的。
本次自查报告旨在对公司使用的塔式起重机进行全面的检查,确保其安全可靠地运行,减少事故发生的风险。
2. 检验内容。
(1)外观检查,检查起重机的外观是否有明显的损坏或腐蚀,包括主梁、支腿、钢丝绳等部件。
(2)机械部件检查,检查起重机的机械部件,包括润滑油是否
充足、传动装置是否正常、制动器是否灵活等。
(3)电气系统检查,检查起重机的电气系统,包括电缆是否完好、控制按钮是否灵敏、安全装置是否齐全等。
(4)安全装置检查,检查起重机的安全装置,包括限位器、重
载保护器、断电保护器等是否正常运行。
3. 检验结果。
经过全面检查,起重机外观完好,无明显损坏或腐蚀。
机械部
件正常运转,无异常声音或震动。
电气系统运行正常,控制按钮灵
敏可靠。
安全装置齐全,各项保护器正常运行。
4. 检验结论。
本次自查报告显示,公司使用的塔式起重机在外观、机械部件、电气系统和安全装置方面均符合要求,能够安全可靠地进行作业。
建议定期进行维护和保养,确保起重机的长期稳定运行。
检验人员,(签名)。
日期,2022年10月15日。
起重机安装自检报告编号:电动单梁起重机安装改造重大维修施工自检记录工程名称:设备名称:施工单位:施工起止日期:上海市机械工程学会物流工程专业委员会电动单梁起重机安装改造重大维修自检记录编号:施工单位安装改造维修许可证编号(或受理号)施工单位负责人施工单位联系人施工单位联系电话使用单位使用单位地址使用单位联系人使用单位联系电话使用单位邮政编码使用单位安全管理人员起重机械施工地点制造单位制造许可证编号(型式试验备案公告号)取证样机□是、□√否设备类别设备品种规格型号设备代码制造日期产品编号额定起重量T 跨度(工作幅度)m 起升高度m 起升速度m/min 工作级别施工类别(□√安装□移装□改造□重大维修)施工告知日期工作环境露天□;非露天□;有毒□;高温□;粉尘□;其它适用场合□检验结论(施工单位检验专用章)签发日期:年月日检验审核批准注:⒈本报告依据国家质检总局起重机械安装改造重大维修检验规则(TSG Q7016-2008 )编制。
2.报告中定性项目符合要求的在“检验结果”栏打“√”,不符合要求的打“×”,并在“备注”栏写明具体情况,无此项的均打“/”表示。
应检的定量项目应填实测数据。
3. 标注为A 的项目为“停止点”,未经监检机构确认或者监检确认不合格,施工不得转入下道工序。
电动单梁起重机安装改造重大维修自检记录检验项目表序号检验项目及其内容类别检验结果索引文件是否在监检机构备案1 1 设备选型对照产品文件、合同,检查机械的选型与使用工况匹配情况是否符合法规和合同要求,防爆起重机上的安全保护装置、电气元件、照明器材等需要采用符合防爆要求的,是否采用防爆型。
A设备选型确认单No.1√22产品技术文件(1)产品设计文件(包括总图、主要受力结构件图、机械传动图和电气、液压系统原理图)A开箱检查记录No.3√3(2)产品质量合格证明、安装及其使用维护说明A 合格证复印件√开箱检查记录No.3√4 (3 )型式试验合格证明(按覆盖原则) A 型式试验合格证复印件√5 3安装改造维修资格(1)安装改造维修许可证 A安装改造维修许可证复印件√6 (2)安装改造重大维修告知书 A 安装改造重大维修告知书复印件√7 (3 )现场安装改造维修作业人员的资格证件 B 作业人员资格证√8 4 施工作业(工艺)文件,包括作业程序、技术要求、方法和措施等B 施工方案原件√95现场施工条件(1)基础验收证明 B安装基础验收合格确认单No.2√10 (2)安全距离和红色障碍灯 B 安全距离和红色障碍灯检查记录表No.4√11 (3)大车轨道安装检查 B 大车轨道安装检查记录表No.0√126部件施工前检验(1)主要零部件合格证、铭牌 B开箱检查记录No.3√13 (2) 安全保护装置合格证、铭牌、型式试验证明 B 开箱检查记录√14 (3)主要受力结构件主要几何尺寸 B 开箱检查记录No.3√157部件施工过程与施工后检验(1)主要受力结构件连接检查B主要受力结构件施工现场连接检查记录No.516 (2)施工后主要受力结构件的主要几何尺寸 B 各拼装记录No.6.1–No.6.1017 (3 )钢丝绳及其连接、吊具、滑轮组、卷筒 B 主要零部件及警示标志施工检查记录No.718 (4)安全警示标识 B电动单梁起重机安装改造重大维修自检记录检验项目表序号检验项目及其内容类别检验结果索引文件是否在监检机构备案198电气控制系统检验8.1 电气设备与控制系统 B电气与控制系统检验记录No.8208.2电气保护装置(1)接地保护 B21 (2)绝缘电阻 B 同上22 (3)短路保护 B 同上23 (4)失压保护 B 同上24 (5)零位保护 B 同上25 (6)过流(过载)保护 B 同上26 (7)供电电源断错相保护 B 同上279安全保护与防护置检验9.1制动器(1)工作制动器与安全制动器的设置 A 桥门式起重机安全保护与防护装置检验记录No.9√28 (2)制动器型式、制动性能A √29 (3)制动器推动器漏油现象A √30 (5)制动器调整 A 同上√319.2(1)起重量限制器设置 A 同上√32 (2)试验 A 同上√33 9.3 起升高度(下降深度)限位器 A 同上√34 9.5 运行机构行程限位器 A 同上√35 9.6 缓冲器和止挡装置 A 同上√36 9.7 应急断电开关 A 同上√37 9.8 连锁保护装置 A 同上38 9.11 防倾翻安全钩 B 同上/39 9.13 导电滑触线防护板 B 同上/40 9.16 防护罩、隔热装置 B 同上√4110性能验10.1空载试验(1)操纵机构、控制系统、安全防护装置动作A桥门式起重机试运转记录 No.10-1√42 (2)各机构动作A √43 10.2额定载荷试验(1)制动下滑量A √44 (2)挠度A √45 (3)主要零件A√4610.3静载荷试验(1)主要受力结构件A √47 (2)主要机构连接处A √48 (3)其他情况A √49 10.4动载荷试验(1)机构、零部件工作情况A √50(2)机构、结构件损坏情况A√电动单梁起重机设备选型确认单—No.1我单位对下列起重机对照产品文件、合同,确认其选型与使用工况相匹配,且符合相关法规的要求。