圆锥管螺纹的基本尺寸参数表
- 格式:xls
- 大小:22.00 KB
- 文档页数:1
美制管螺纹基本尺寸及公差(牙形角60º)UN(F)布锥管螺纹基本尺寸及公差(牙形角60º) NPT公制螺纹基本尺寸及公差(牙形角60º) M55°圆锥管螺纹基本尺寸对照表最新下载-汇兴达55°圆锥管螺纹基本尺寸对照表最新下载-汇兴达55°圆锥管螺纹(BSPT)R66"11聊城市鑫茂祥管业有限公司专业经营钢管规格:5mm*1mm—1020mm*200mm合金钢管、外径22mm-127mm冷轧无缝钢管、外径127mm-600mm,壁厚16mm-100mm,外径精度±%,壁厚精度±5%热轧中厚壁无缝钢管、16Mn外径400—1600mm、壁厚20—60mm的大口径厚壁卷管,可定尺到16米及各种规格的无缝方管、异型无缝钢管等.常备钢管种类有:构造用无缝钢管、流体用无缝钢管、液压无缝钢管、电力用无缝钢管、石油输送用无缝钢管、化肥设备用无缝钢管、煤矿用无缝钢管、不锈钢无缝钢管、化工用无缝钢管、纺织机械用无缝钢管、汽车;水利用无缝钢管,精密无缝钢管、光亮无缝钢管、军工医疗用无缝钢管、管道用无缝钢管、支柱用无缝钢管、合金无缝管、高压无缝管、大口径直缝焊管等。
适用于工程、煤矿、纺织、电力、锅炉、机械、军工等各个领域。
公司以良好的信用、优质的产品、雄厚的实力、低廉的价钱享誉全国30多个省、市、自治区、直辖市及国外,产品深得用户依赖。
公司常年销售成都钢铁集团、冶钢集团、包头钢厂、宝钢集团、鞍钢集团、天津大无缝、西宁特钢厂、无锡钢厂、衡阳钢厂等各大钢厂生产的各种无缝钢管及合金管。
主营材质:20#、35#、45#、20G、20A、40Mn2、45Mn2、27SiMn、40MnB、20MnVB、20Cr、30Cr、35Cr、40Cr、45Cr、50Cr、38CrSi、12CrMo 、20CrMo、35CrMo、42CrMo、12CrMoV、12Cr1MoV、38CrMoAL、50CrV、20CrMnSi、30CrMnSi、35CrMnSi、20CrMnTi、30CrMnTi、12CrNi2、12CrNi3、12Cr2Ni4、40CrNiMoA、45CrNiMoVA、20G、20MnG、25MnG、12CrMoG、15CrMoG、12Cr2MoG、12Cr1MoVG、12Cr2MoWVTiB、12Cr3MoVSiTiB 等实行标准:GB/T8162-99构造管、GB/T8163-99流体管、GB/T3087-99中低压锅炉管、GB/T5310-95高压锅炉管、GB/T6479-2000化肥专用管、27SiMn液压支架管、高压合金管、GB/T9948-85石油裂化管GB9948-88、地质钻探用管YB235-70、汽车半轴套管YB/T5035-96。
55°圆锥管螺纹型式和尺寸螺纹代号基本尺寸英寸大径mmd=D螺距mmp每英寸牙数tpi中径mmd2=D2小径外螺纹d3牙型高度H1圆弧尺寸r底孔尺寸mmR 1/16 1/16"7.723 0.907 28 7.142 6.561 0.581 0.125 6.4 R 1/8 1/8"9.728 0.907 28 9.147 8.566 0.581 0.125 8.4 R 1/4 1/4"13.157 1.337 19 12.301 11.445 0.856 0.184 11.2 R 3/8 3/8"16.662 1.337 19 15.806 14.950 0.856 0.184 14.75 R 1/2 1/2"20.955 1.814 14 19.793 18.631 1.162 0.249 18.25 R 3/4 3/4"26.441 1.814 14 25.279 24.117 1.162 0.249 23.75 R 1 1"33.249 2.309 11 31.77 30.291 1.479 0.317 30 R 1 1/4 1 1/4"41.910 2.309 11 40.431 38.952 1.479 0.317 38.5 R 1 1/2 1 1/2"47.803 2.309 11 46.324 44.845 1.479 0.317 44.5 R 2 2"59.614 2.309 11 58.135 56.656 1.479 0.317 56 R 2 1/2 2 1/2"75.184 2.309 11 73.705 72.226 1.479 0.317 71 R 3 3"87.884 2.309 11 86.405 84.926 1.479 0.317 85.5 R 4 4"113.030 2.309 11 111.551 110.072 1.479 0.317 110.5 R 5 5"138.430 2.309 11 136.951 135.472 1.479 0.317 136 R 6 6"163.830 2.309 11 162.351 160.872 1.479 0.317 161.555°圆柱管螺纹的型式和尺寸British Pipe Thread (惠氏管螺纹) -- 圆柱(BSPP/BSPF)螺纹代号基本尺寸大径mmd=D螺距mmp每英寸牙数tpi中径mmd2=D2小径外螺纹d3牙型高度H1底孔尺寸mmG 1/8 1/8"9.728 0.907 28 9.147 8.566 0.581 8.7 G 1/4 1/4"13.157 1.337 19 12.301 11.445 0.856 11.6 G 3/8 3/8"16.662 1.337 19 15.806 14.95 0.856 15 G 1/2 1/2"20.955 1.814 14 19.793 18.631 1.162 19 G 5/8 5/8"22.911 1.814 14 21.749 20.587 1.162 20.75 G 3/4 3/4"26.441 1.814 14 25.279 24.117 1.162 24.5 G 7/8 7/8"30.201 1.814 14 29.039 27.877 1.162 28 G 1 1"33.249 2.309 11 31.77 30.291 1.479 30.5 G 1 1/8 1 1/8"37.897 2.309 11 36.418 34.939 1.479 35 G 1 1/4 1 1/4"41.91 2.309 11 40.431 38.952 1.479 39.5 G 1 3/8 1 3/8"44.323 2.309 11 42.844 41.365 1.479 41.5 G 1 1/2 1 1/2"47.803 2.309 11 46.324 44.845 1.479 45 G 1 3/4 1 3/4"53.746 2.309 11 52.267 50.788 1.479 51G 2 2"59.614 2.309 11 58.135 56.656 1.479 57 G 2 1/4 2 1/4"65.71 2.309 11 64.231 62.752 1.479 63 G 2 1/2 2 1/2"75.184 2.309 11 73.705 72.226 1.479 72.5 G 2 3/4 2 3/4"81.534 2.309 11 80.055 78.576 1.479 79 G 3 3"87.884 2.309 11 86.405 84.926 1.479 85.5 G 3 1/4 3 1/4"93.98 2.309 11 92.501 91.022 1.479 91 G 3 1/2 3 1/2"100.33 2.309 11 98.351 97.372 1.479 97.75 G 3 3/4 3 3/4"106.68 2.309 11 105.201 103.722 1.479 104 G 4 4"113.03 2.309 11 111.55 110.072 1.479 110.5 G 4 1/2 4 1/2"125.73 2.309 11 124.251 122.772 1.479 123 G 5 5"138.43 2.309 11 136.951 135.472 1.479 136 G 5 1/2 5 1/2"151.13 2.309 11 149.651 148.172 1.479 148.5 G 6 6"163.83 2.309 11 162.351 160.872 1.479 161.5英制普通螺纹(惠氏螺纹) -- 粗牙(BSW)名义尺寸Ww 牙型代号大径mmd=D螺距mmp每英寸牙数tpi中径mmd2=D2小径外螺纹d3牙型高H1底孔直径mm1/16"BSW 1.587 0.423 60 1.315 1.050 0.270 1.15 3/32"BSW 2.381 0.529 48 2.041 1.703 0.338 1.90 1/8"BSW 3.175 0.635 40 2.768 2.362 0.406 2.50 5/32"BSW 3.969 0.793 32 3.459 2.952 0.507 3.20 3/16"BSW 4.762 1.058 24 4.084 3.407 0.677 3.70 7/32"BSW 5.556 1.058 24 4.878 4.201 0.677 4.50 1/4"BSW 6.350 1.270 20 5.537 4.724 0.813 5.10 5/16"BSW 7.938 1.411 18 7.034 6.131 0.904 6.50 3/8"BSW 9.525 1.588 16 8.509 7.492 1.017 7.90 7/16"BSW 11.113 1.814 14 9.951 8.789 1.162 9.20 1/2"BSW 12.700 2.117 12 11.345 9.990 1.355 10.40 5/8"BSW 15.876 2.309 11 14.397 12.918 1.479 13.40 3/4"BSW 19.051 2.540 10 17.424 15.798 1.627 16.25 7/8"BSW 22.226 2.822 9 20.419 18.611 1.807 19.25 1"BSW 25.400 3.175 8 23.368 21.335 2.033 22.00 1 1/8"BSW 28.576 3.629 7 26.253 23.929 2.324 24.50 1 1/4"BSW 31.751 3.629 7 29.428 27.104 2.324 27.25 1 3/8"BSW 34.926 4.233 6 32.215 29.505 2.711 30.25 1 1/2"BSW 38.100 4.233 6 35.391 32.680 2.711 33.50 1 5/8"BSW 41.277 5.080 5 38.024 34.771 3.253 35.50 1 3/4"BSW 44.452 5.080 5 41.199 37.946 3.253 38.50 1 7/8"BSW 47.627 5.645 4 1/2 44.012 40.398 3.614 41.25 2"BSW 50.802 5.645 4 1/2 47.187 43.573 3.614 44.502 1/4"BSW 57.152 6.350 4 53.086 49.020 4.066 50.00 2 1/2"BSW 63.502 6.350 4 59.436 55.370 4.066 56.00 2 3/4"BSW 69.853 7.257 3 1/2 65.205 60.558 4.647 61.50 3"BSW 76.203 7.257 3 1/2 71.556 66.909 4.647 68.00 3 1/4"BSW 82.553 7.816 3 1/4 77.548 72.544 5.005 73.75 3 1/2"BSW 88.903 7.816 3 1/4 83.899 78.894 5.005 80.00 3 3/4"BSW 95.254 8.467 3 89.832 84.410 5.422 85.50 4"BSW 101.604 8.467 3 96.182 90.760 5.422 92.00 4 1/4"BSW 107.954 8.835 2 7/8 102.297 96.639 5.657 98.00 4 1/2"BSW 114.304 8.835 2 7/8 108.647 102.990 5.657 104.20 4 3/4"BSW 120.665 9.237 2 3/4 114.740 108.625 5.915 110.00 5"BSW 127.005 9.237 2 3/4 121.090 115.176 5.915 116.50 5 1/4"BSW 133.355 9.677 2 5/8 127.159 120.963 6.196 122.50 5 1/2"BSW 139.705 9.677 2 5/8 133.509 127.313 6.196 128.50 5 3/4"BSW 146.055 10.160 2 1/2 139.549 133.043 6.506 134.50 6"BSW 152.406 10.160 2 1/2 145.900 139.394 6.506 141.00英制普通螺纹(惠氏螺纹) -- 细牙(BSW)名义尺寸BSF 牙型代号大径mmd=D螺距mmp每英寸牙数tpi中径mmd2=D2小径外螺纹d3牙型高H1底孔直径mm3/16 BSF 4.763 0.794 32 4.255 3.747 0.508 4.00 7/32 BSF 5.556 0.907 28 4.975 4.394 0.581 4.60 1/4 BSF 6.350 0.977 26 5.725 5.100 0.625 5.30 9/32 BSF 7.142 0.977 26 6.518 5.893 0.625 6.10 5/16 BSF 7.938 1.156 22 7.199 6.459 0.739 6.80 3/8 BSF 9.525 1.27 20 8.712 7.899 0.813 8.30 7/16 BSF 11.113 1.411 18 10.209 9.304 0.904 9.70 1/2 BSF 12.700 1.588 16 11.684 10.668 1.017 11.10 9/16 BSF 14.288 1.588 16 13.272 12.256 1.017 12.70 5/8 BSF 15.875 1.814 14 14.712 13.549 1.162 14.00 11/16 BSF 17.463 1.814 14 16.300 15.137 1.162 15.50 3/4 BSF 19.050 2.117 12 17.693 16.336 1.355 16.75 13/16 BSF 20.638 2.117 12 19.281 17.924 1.355 18.25 7/8 BSF 22.225 2.309 11 20.747 19.269 1.479 19.75 1 BSF 25.400 2.54 10 23.774 22.148 1.627 22.75 1 1/8 BSF 28.575 2.822 9 26.769 24.963 1.807 26.501 1/4 BSF 31.750 2.822 9 29.944 28.138 1.807 28.75 1 3/8 BSF 34.925 3.175 8 32.893 30.861 2.033 31.50 1 1/2 BSF 38.100 3.175 8 36.068 34.036 2.033 34.50 1 5/8 BSF 41.275 3.175 8 39.243 37.211 2.033 38.001 3/4 BSF 44.450 3.629 7 42.126 39.802 2.324 40.502 BSF 50.800 3.629 7 48.476 46.152 2.324 47.00 2 1/4 BSF 57.150 4.234 6 54.440 51.730 2.711 53.00 2 1/2 BSF 63.500 4.234 6 60.790 58.080 2.711 59.002 3/4 BSF 69.850 4.234 6 67.140 64.430 2.711 -3 BSF 76.200 5.08 5 72.946 69.692 3.253 - 3 1/4 BSF 82.550 5.085 79.296 76.042 3.253 - 3 1/2 BSF 88.900 5.645 4 1/2 85.285 81.670 3.614 -3 3/4 BSF 95.250 5.645 4 1/2 91.635 88.020 3.614 -4 BSF 101.600 5.645 4 1/2 97.985 94.370 3.614 - 4 1/4 BSF 107.950 6.35 4 103.886 99.822 4.066 -。
英制管螺纹基本尺寸及公差(牙形角55º)BSPP英制锥管螺纹基本尺寸及公差(牙形角55º)BSPT美制管螺纹基本尺寸及公差(牙形角60º)UN(F)公制螺纹基本尺寸及公差(牙形角60º) M55°圆锥管螺纹基本尺寸对照表最新下载-汇兴达55°圆锥管螺纹基本尺寸对照表最新下载-汇兴达55°圆锥管螺纹(BSPT)2 R5 5"138.432.30911136.951135.4721.479R66"163.832.30911162.351160.8721.479聊城市鑫茂祥管业有限公司专业经营钢管规格:5mm*1mm—1020mm*200mm合金钢管、外径22mm-127mm冷轧无缝钢管、外径127mm-600mm.壁厚16mm-100mm.外径精度±0.5%,壁厚精度±5%热轧中厚壁无缝钢管、16Mn外径400—1600mm、壁厚20—60mm 的大口径厚壁卷管.可定尺到16米及各种规格的无缝方管、异型无缝钢管等.常备钢管种类有:构造用无缝钢管、流体用无缝钢管、液压无缝钢管、电力用无缝钢管、石油输送用无缝钢管、化肥设备用无缝钢管、煤矿用无缝钢管、不锈钢无缝钢管、化工用无缝钢管、纺织机械用无缝钢管、汽车;水利用无缝钢管.精密无缝钢管、光亮无缝钢管、军工医疗用无缝钢管、管道用无缝钢管、支柱用无缝钢管、合金无缝管、高压无缝管、大口径直缝焊管等。
适用于工程、煤矿、纺织、电力、锅炉、机械、军工等各个领域。
公司以良好的信用、优质的产品、雄厚的实力、低廉的价钱享誉全国30多个省、市、自治区、直辖市及国外.产品深得用户依赖。
管螺纹的基本尺寸表(2010-10-25 15:57:35)转载▼标签:杂谈表(1)螺纹基本尺寸G1/2 、ZG1/2 (单位:mm)尺寸代号每25.4mm类的牙数n螺距p 牙型高度h圆弧半径r≈基面上的基本直径基准距离有效螺纹长度大径(基准直径)d=D中径d2=D2小径d1=D11/16 28 0.907 0.581 0.125 7.723 7.142 6.561 4.0 6.5 1/8 28 0.907 0.581 0.125 9.728 9.147 8.566 4.0 6.5 1/4 19 1.337 0.586 0.184 13.157 12.301 11.445 6.0 9.7 3/8 19 1.337 0.586 0.184 16.662 15.806 14.950 6.4 10.1 1/2 14 1.814 1.162 0.249 20.955 19.793 18.631 8.2 13.2锥管螺纹的基本尺寸表(3-28)1/2PT 、1/2NPT表(2)螺纹基本尺寸 (单位:mm)螺纹标准的一种.按外形分圆柱、圆锥两种;按牙型角分55°、60°两种。
英制管螺纹基本尺寸及公差(牙形角55º)BSPP英制锥管螺纹基本尺寸及公差(牙形角55º)BSPT美制管螺纹基本尺寸及公差(牙形角60º)UN(F)公制螺纹基本尺寸及公差(牙形角60º) M55°圆锥管螺纹基本尺寸对照表最新下载-汇兴达55°圆锥管螺纹基本尺寸对照表最新下载-汇兴达55°圆锥管螺纹(BSPT)2 R5 5"138.432.30911136.951135.4721.479R66"163.832.30911162.351160.8721.479聊城市鑫茂祥管业有限公司专业经营钢管规格:5mm*1mm—1020mm*200mm合金钢管、外径22mm-127mm冷轧无缝钢管、外径127mm-600mm.壁厚16mm-100mm.外径精度±0.5%,壁厚精度±5%热轧中厚壁无缝钢管、16Mn外径400—1600mm、壁厚20—60mm 的大口径厚壁卷管.可定尺到16米及各种规格的无缝方管、异型无缝钢管等.常备钢管种类有:构造用无缝钢管、流体用无缝钢管、液压无缝钢管、电力用无缝钢管、石油输送用无缝钢管、化肥设备用无缝钢管、煤矿用无缝钢管、不锈钢无缝钢管、化工用无缝钢管、纺织机械用无缝钢管、汽车;水利用无缝钢管.精密无缝钢管、光亮无缝钢管、军工医疗用无缝钢管、管道用无缝钢管、支柱用无缝钢管、合金无缝管、高压无缝管、大口径直缝焊管等。
适用于工程、煤矿、纺织、电力、锅炉、机械、军工等各个领域。
公司以良好的信用、优质的产品、雄厚的实力、低廉的价钱享誉全国30多个省、市、自治区、直辖市及国外.产品深得用户依赖。
管螺纹的基本尺寸表(2010-10-25 15:57:35)转载▼标签:杂谈表(1)螺纹基本尺寸G1/2 、ZG1/2 (单位:mm)尺寸代号每25.4mm类的牙数n螺距p 牙型高度h圆弧半径r≈基面上的基本直径基准距离有效螺纹长度大径(基准直径)d=D中径d2=D2小径d1=D11/16 28 0.907 0.581 0.125 7.723 7.142 6.561 4.0 6.5 1/8 28 0.907 0.581 0.125 9.728 9.147 8.566 4.0 6.5 1/4 19 1.337 0.586 0.184 13.157 12.301 11.445 6.0 9.7 3/8 19 1.337 0.586 0.184 16.662 15.806 14.950 6.4 10.1 1/2 14 1.814 1.162 0.249 20.955 19.793 18.631 8.2 13.2锥管螺纹的基本尺寸表(3-28)1/2PT 、1/2NPT表(2)螺纹基本尺寸 (单位:mm)螺纹标准的一种.按外形分圆柱、圆锥两种;按牙型角分55°、60°两种。
1、普通公制螺纹,60度,也可以说是中国标准的螺纹吧。
分粗牙与细牙,具体要知道的话,还是去查标准吧。
其直径和螺距系列是有详细规定的。
以符号M表示。
这里只谈跟仪表最密切的螺纹。
如压力表接头螺纹M20*1.5(M),表示外径是20mm,螺距是1.5mm,细牙外螺纹。
螺栓M12,表示外径为12mm,粗牙(粗牙的螺距*定好了的,不用标注)。
外螺纹符号M(Male,公),简写“外”,内螺纹F(Female,母),简写“内”注意:这里的径指大径,对外螺纹来说就是外径,对内螺纹来说就不是直接量出来的内径了。
2、55度非密封圆柱管螺纹在英制国家称BSPP螺纹。
是一种直形螺纹。
标记方法:G 尺寸代号公差等级其中外螺纹的公差等级分A、B两种,内螺纹不备注公差等级如G1/2A-LH,表示1/2''的A级左旋圆柱管外螺纹G1/2,表示1/2''圆柱管内螺纹这种螺纹非常常见,如变送器的电气接口应用就非常多。
标注G1/2就是这个意思3、55度密封圆锥管螺纹(中国的旧标记,为ZG)英制国家称BSPT螺纹,是一种锥形螺纹。
螺纹代号:Rc为圆锥内螺纹,Rp为圆柱内螺纹(?,怎么柱了?,因为R2!)R1圆锥外螺纹与Rc配合,R2圆锥外螺纹与Rp配合这个有点搞脑子哦。
用得不多,我见过小日本的阀门上有这种螺纹。
碰到了就仔细点,不多说了。
4、60度密封管螺纹(中国的旧标记,为Z)这是美国标准管螺纹,简称NPT。
仪表用这种螺纹特多。
如NPT1/2-LH (本人习惯写为1/2NPT,对么?)英制55度的惠氏螺纹BSW已经淘汰了,所以不作介绍。
以英制表示的螺纹(上面的2、3、4三种),螺距是以每英寸多少牙表示的,同样是1/2'',G、R和NPT 的外径和螺距是有差别的,实际安装的时候,有时混用没问题,但要尽量避免。
特别是在防爆场所(防爆对间隙有要求,螺纹不匹配不密封可传爆)和对密封性有严格要求的地方(如室外)。
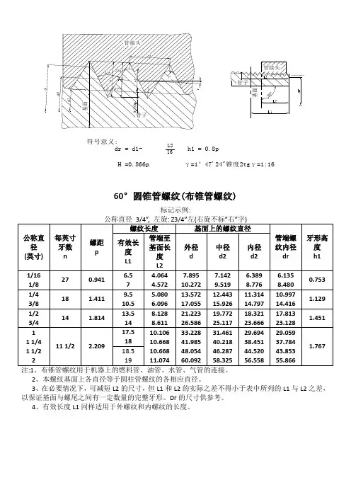
60度圆锥管螺纹有关尺寸参数表一欧阳家百(2021.03.07)公称通径螺纹代号60°圆锥管螺纹(NPT) (Z)每寸牙数螺距牙高内螺纹螺纹有效长度螺尾长度螺纹总长度内螺纹最小内径外螺纹DN in 大径小径内螺纹外螺纹内螺纹外螺纹最大外径小头外径6 1/827 0.911 0.753 10.24 8.73 6.92 6.70 3.30 10.22 10.00 8.09 10.30 9.98 8 1/418 1.411 1.129 13.62 11.35 10.02 10.21 4.90 14.92 15.11 10.42 13.70 13.25 10 3/818 1.411 1.129 17.06 14.79 10.33 10.36 4.90 15.23 15.26 13.84 17.10 16.67 15 1/214 1.814 1.451 21.22 18.32 13.57 13.56 6.30 19.87 19.86 17.08 21.30 20.71 20 3/414 1.814 1.451 26.57 23.66 14.05 13.86 6.30 20.35 20.16 22.39 26.70 26.03 25 1 11.5 2.209 1.767 33.23 29.69 16.79 17.34 7.60 24.39 24.94 28.17 33.40 32.59 32 11/411.5 2.209 1.767 41.99 38.45 17.30 17.95 7.60 24.90 25.55 36.89 42.20 41.31 40 11/211.5 2.209 1.767 48.05 44.52 17.78 18.38 7.60 25.38 25.98 42.93 48.30 47.38 50 2 11.5 2.209 1.767 60.09 56.55 19.05 19.22 7.60 26.65 26.82 54.88 60.30 59.40 65 21/28 3.175 2.540 72.70 67.61 23.67 28.89 11.00 34.67 39.89 65.44 73.00 71.61 80 3 8 3.175 2.540 88.61 83.52 25.81 30.48 11.00 36.81 41.48 81.22 88.90 87.39 100 4 8 3.175 2.540 113.97 108.89 27.79 33.02 11.00 38.79 44.02 106.47 114.30 112.6355度圆锥管螺纹有关尺寸参数表二欧阳索引创编 2021.02.02公称通径螺纹代号55°圆锥管螺纹(RC、R) (ZG)(PT)(BSPT)每寸牙数螺距牙高内螺纹螺纹有效长度螺尾长度螺纹总长度内螺纹最小内径外螺纹螺纹最长有效长度DN in 大径小径内螺纹外螺纹内螺纹外螺纹最大外径小头外径6 1/828 0.907 0.581 9.73 8.57 6.20 6.47 3.20 9.40 9.67 7.97 10.50 9.48 7.40 8 1/419 1.337 0.856 13.16 11.45 9.40 9.71 4.70 14.10 14.41 10.56 13.80 12.78 11.00 10 3/819 1.337 0.856 16.66 14.95 9.70 10.05 4.70 14.40 14.75 14.05 17.30 16.27 11.40 15 1/214 1.814 1.162 20.96 18.63 12.70 13.16 6.30 19.00 19.46 17.44 21.70 20.45 15.00 20 3/414 1.814 1.162 26.44 24.12 14.10 14.53 6.30 20.40 20.83 22.84 27.20 25.85 16.30 25 1 11 2.309 1.479 33.25 30.29 16.20 16.79 8.10 24.30 24.89 28.77 34.00 32.60 19.10 32 11/411 2.309 1.479 41.91 38.95 18.50 19.10 8.10 26.60 27.20 37.29 42.70 41.12 21.40 40 11/211 2.309 1.479 47.80 44.85 18.50 19.10 8.10 26.60 27.20 43.18 48.60 47.01 21.40 50 2 11 2.309 1.479 59.61 56.66 22.80 23.38 8.10 30.90 31.48 54.63 60.50 58.60 25.70 65 21/211 2.309 1.479 75.18 72.23 26.70 26.66 8.10 34.48 34.76 70.05 76.30 74.09 30.20 80 3 11 2.309 1.479 87.88 84.93 29.80 29.84 8.10 37.90 37.94 82.55 89.10 86.59 33.30 100 4 11 2.309 1.479 113.03 110.07 35.80 35.80 8.10 43.90 43.90 107.33 114.30 111.44 39.30欧阳索引创编 2021.02.02。
55°圆锥管螺纹型式和尺寸螺纹代号基本尺寸英寸大径mmd=D螺距mmp每英寸牙数tpi中径mmd2=D2小径外螺纹d3牙型高度H1圆弧尺寸r底孔尺寸mmR 1/16 1/16"7.723 0.907 28 7.142 6.561 0.581 0.125 6.4 R 1/8 1/8"9.728 0.907 28 9.147 8.566 0.581 0.125 8.4 R 1/4 1/4"13.157 1.337 19 12.301 11.445 0.856 0.184 11.2 R 3/8 3/8"16.662 1.337 19 15.806 14.950 0.856 0.184 14.75 R 1/2 1/2"20.955 1.814 14 19.793 18.631 1.162 0.249 18.25 R 3/4 3/4"26.441 1.814 14 25.279 24.117 1.162 0.249 23.75 R 1 1"33.249 2.309 11 31.77 30.291 1.479 0.317 30 R 1 1/4 1 1/4"41.910 2.309 11 40.431 38.952 1.479 0.317 38.5 R 1 1/2 1 1/2"47.803 2.309 11 46.324 44.845 1.479 0.317 44.5 R 2 2"59.614 2.309 11 58.135 56.656 1.479 0.317 56 R 2 1/2 2 1/2"75.184 2.309 11 73.705 72.226 1.479 0.317 71 R 3 3"87.884 2.309 11 86.405 84.926 1.479 0.317 85.5 R 4 4"113.030 2.309 11 111.551 110.072 1.479 0.317 110.5 R 5 5"138.430 2.309 11 136.951 135.472 1.479 0.317 136 R 6 6"163.830 2.309 11 162.351 160.872 1.479 0.317 161.555°圆柱管螺纹的型式和尺寸British Pipe Thread (惠氏管螺纹) -- 圆柱(BSPP/BSPF)螺纹代号基本尺寸大径mmd=D螺距mmp每英寸牙数tpi中径mmd2=D2小径外螺纹d3牙型高度H1底孔尺寸mmG 1/8 1/8"9.728 0.907 28 9.147 8.566 0.581 8.7 G 1/4 1/4"13.157 1.337 19 12.301 11.445 0.856 11.6 G 3/8 3/8"16.662 1.337 19 15.806 14.95 0.856 15 G 1/2 1/2"20.955 1.814 14 19.793 18.631 1.162 19 G 5/8 5/8"22.911 1.814 14 21.749 20.587 1.162 20.75 G 3/4 3/4"26.441 1.814 14 25.279 24.117 1.162 24.5 G 7/8 7/8"30.201 1.814 14 29.039 27.877 1.162 28 G 1 1"33.249 2.309 11 31.77 30.291 1.479 30.5 G 1 1/8 1 1/8"37.897 2.309 11 36.418 34.939 1.479 35 G 1 1/4 1 1/4"41.91 2.309 11 40.431 38.952 1.479 39.5 G 1 3/8 1 3/8"44.323 2.309 11 42.844 41.365 1.479 41.5 G 1 1/2 1 1/2"47.803 2.309 11 46.324 44.845 1.479 45 G 1 3/4 1 3/4"53.746 2.309 11 52.267 50.788 1.479 51G 2 2"59.614 2.309 11 58.135 56.656 1.479 57 G 2 1/4 2 1/4"65.71 2.309 11 64.231 62.752 1.479 63 G 2 1/2 2 1/2"75.184 2.309 11 73.705 72.226 1.479 72.5 G 2 3/4 2 3/4"81.534 2.309 11 80.055 78.576 1.479 79 G 3 3"87.884 2.309 11 86.405 84.926 1.479 85.5 G 3 1/4 3 1/4"93.98 2.309 11 92.501 91.022 1.479 91 G 3 1/2 3 1/2"100.33 2.309 11 98.351 97.372 1.479 97.75 G 3 3/4 3 3/4"106.68 2.309 11 105.201 103.722 1.479 104 G 4 4"113.03 2.309 11 111.55 110.072 1.479 110.5 G 4 1/2 4 1/2"125.73 2.309 11 124.251 122.772 1.479 123 G 5 5"138.43 2.309 11 136.951 135.472 1.479 136 G 5 1/2 5 1/2"151.13 2.309 11 149.651 148.172 1.479 148.5 G 6 6"163.83 2.309 11 162.351 160.872 1.479 161.5英制普通螺纹(惠氏螺纹) -- 粗牙(BSW)名义尺寸Ww 牙型代号大径mmd=D螺距mmp每英寸牙数tpi中径mmd2=D2小径外螺纹d3牙型高H1底孔直径mm1/16"BSW 1.587 0.423 60 1.315 1.050 0.270 1.15 3/32"BSW 2.381 0.529 48 2.041 1.703 0.338 1.90 1/8"BSW 3.175 0.635 40 2.768 2.362 0.406 2.50 5/32"BSW 3.969 0.793 32 3.459 2.952 0.507 3.20 3/16"BSW 4.762 1.058 24 4.084 3.407 0.677 3.70 7/32"BSW 5.556 1.058 24 4.878 4.201 0.677 4.50 1/4"BSW 6.350 1.270 20 5.537 4.724 0.813 5.10 5/16"BSW 7.938 1.411 18 7.034 6.131 0.904 6.50 3/8"BSW 9.525 1.588 16 8.509 7.492 1.017 7.90 7/16"BSW 11.113 1.814 14 9.951 8.789 1.162 9.20 1/2"BSW 12.700 2.117 12 11.345 9.990 1.355 10.40 5/8"BSW 15.876 2.309 11 14.397 12.918 1.479 13.40 3/4"BSW 19.051 2.540 10 17.424 15.798 1.627 16.25 7/8"BSW 22.226 2.822 9 20.419 18.611 1.807 19.25 1"BSW 25.400 3.175 8 23.368 21.335 2.033 22.00 1 1/8"BSW 28.576 3.629 7 26.253 23.929 2.324 24.50 1 1/4"BSW 31.751 3.629 7 29.428 27.104 2.324 27.25 1 3/8"BSW 34.926 4.233 6 32.215 29.505 2.711 30.25 1 1/2"BSW 38.100 4.233 6 35.391 32.680 2.711 33.50 1 5/8"BSW 41.277 5.080 5 38.024 34.771 3.253 35.50 1 3/4"BSW 44.452 5.080 5 41.199 37.946 3.253 38.50 1 7/8"BSW 47.627 5.645 4 1/2 44.012 40.398 3.614 41.25 2"BSW 50.802 5.645 4 1/2 47.187 43.573 3.614 44.502 1/4"BSW 57.152 6.350 4 53.086 49.020 4.066 50.00 2 1/2"BSW 63.502 6.350 4 59.436 55.370 4.066 56.00 2 3/4"BSW 69.853 7.257 3 1/2 65.205 60.558 4.647 61.50 3"BSW 76.203 7.257 3 1/2 71.556 66.909 4.647 68.00 3 1/4"BSW 82.553 7.816 3 1/4 77.548 72.544 5.005 73.75 3 1/2"BSW 88.903 7.816 3 1/4 83.899 78.894 5.005 80.00 3 3/4"BSW 95.254 8.467 3 89.832 84.410 5.422 85.50 4"BSW 101.604 8.467 3 96.182 90.760 5.422 92.00 4 1/4"BSW 107.954 8.835 2 7/8 102.297 96.639 5.657 98.00 4 1/2"BSW 114.304 8.835 2 7/8 108.647 102.990 5.657 104.20 4 3/4"BSW 120.665 9.237 2 3/4 114.740 108.625 5.915 110.00 5"BSW 127.005 9.237 2 3/4 121.090 115.176 5.915 116.50 5 1/4"BSW 133.355 9.677 2 5/8 127.159 120.963 6.196 122.50 5 1/2"BSW 139.705 9.677 2 5/8 133.509 127.313 6.196 128.50 5 3/4"BSW 146.055 10.160 2 1/2 139.549 133.043 6.506 134.50 6"BSW 152.406 10.160 2 1/2 145.900 139.394 6.506 141.00英制普通螺纹(惠氏螺纹) -- 细牙(BSW)名义尺寸BSF 牙型代号大径mmd=D螺距mmp每英寸牙数tpi中径mmd2=D2小径外螺纹d3牙型高H1底孔直径mm3/16 BSF 4.763 0.794 32 4.255 3.747 0.508 4.00 7/32 BSF 5.556 0.907 28 4.975 4.394 0.581 4.60 1/4 BSF 6.350 0.977 26 5.725 5.100 0.625 5.30 9/32 BSF 7.142 0.977 26 6.518 5.893 0.625 6.10 5/16 BSF 7.938 1.156 22 7.199 6.459 0.739 6.80 3/8 BSF 9.525 1.27 20 8.712 7.899 0.813 8.30 7/16 BSF 11.113 1.411 18 10.209 9.304 0.904 9.70 1/2 BSF 12.700 1.588 16 11.684 10.668 1.017 11.10 9/16 BSF 14.288 1.588 16 13.272 12.256 1.017 12.70 5/8 BSF 15.875 1.814 14 14.712 13.549 1.162 14.00 11/16 BSF 17.463 1.814 14 16.300 15.137 1.162 15.50 3/4 BSF 19.050 2.117 12 17.693 16.336 1.355 16.75 13/16 BSF 20.638 2.117 12 19.281 17.924 1.355 18.25 7/8 BSF 22.225 2.309 11 20.747 19.269 1.479 19.75 1 BSF 25.400 2.54 10 23.774 22.148 1.627 22.75 1 1/8 BSF 28.575 2.822 9 26.769 24.963 1.807 26.501 1/4 BSF 31.750 2.822 9 29.944 28.138 1.807 28.75 1 3/8 BSF 34.925 3.175 8 32.893 30.861 2.033 31.50 1 1/2 BSF 38.100 3.175 8 36.068 34.036 2.033 34.50 1 5/8 BSF 41.275 3.175 8 39.243 37.211 2.033 38.001 3/4 BSF 44.450 3.629 7 42.126 39.802 2.324 40.502 BSF 50.800 3.629 7 48.476 46.152 2.324 47.00 2 1/4 BSF 57.150 4.234 6 54.440 51.730 2.711 53.00 2 1/2 BSF 63.500 4.234 6 60.790 58.080 2.711 59.002 3/4 BSF 69.850 4.234 6 67.140 64.430 2.711 -3 BSF 76.200 5.08 5 72.946 69.692 3.253 - 3 1/4 BSF 82.550 5.085 79.296 76.042 3.253 - 3 1/2 BSF 88.900 5.645 4 1/2 85.285 81.670 3.614 -3 3/4 BSF 95.250 5.645 4 1/2 91.635 88.020 3.614 -4 BSF 101.600 5.645 4 1/2 97.985 94.370 3.614 - 4 1/4 BSF 107.950 6.35 4 103.886 99.822 4.066 -。