安全栅使用说明书
- 格式:pdf
- 大小:1.81 MB
- 文档页数:2
连接器型722(06/06/30)EB3C 型继电器安全栅(本安型防爆设备)723( 06/06/30)防爆标志及电气规格注意∶关于开关的详细资料,请参见本页的“开关防爆规格”和第 727页的“ 3.爆炸性危险区域内的开关”。
一般规格EB3C 型继电器安全栅(本安型防爆设备)724( 06/06/30)内部电路方块图外形尺寸图( m m )• 接线螺丝型• 连接器型• AC 电源,继电器输出型 • DC 电源,晶体管输出型 • 连接器连接,沉输出型EB3C 型继电器安全栅(本安型防爆设备)725( 06/06/30)外部接线例连接器连接型端子排列图• 晶体管沉输出型 (例∶ EB3C-T08CKD)• 晶体管源输出型 (例∶ EB3C-T08CSD)• 继电器输出型 (例∶ EB3C-R06A)• 晶体管输出型 (例∶ EB3C-T06A)• EB3C-T16CKD-C• EB3C-T16CSD-CA9A10A11A12A13A14A15A16NC NCA1A2A3A4A5A6A7A8C1C2CH1CH2CH3CH4CH5CH6CH7CH8+VCOMCH9CH10CH11CH12CH13CH14CH15CH161920A9A10A11A12A13A14A15A16NC NCA1A2A3A4A5A6A7A8C1C2CH1CH2CH3CH4CH5CH6CH7CH8–VCOMCH9CH10CH11CH12CH13CH14CH15CH161920EB3C-T16CKD-C FC4A-N16B3EB3C-T16CSD-C FC4A-N16B3与 IDEC 的 PLC MicroSmart 的接线例注意 1∶虚线的接线对M icroSmart 的操作没有影响。
注意 2∶对应的连接器为I DEC 的 JE1S-201型。
EB3C型继电器安全栅(本安型防爆设备)接线726(06/06/30)EB3C 型继电器安全栅(本安型防爆设备)727( 06/06/30)1.安装(1)EB3C 型继电器安全栅可以以任何方向安装。
优倍安全栅NPGL-GM11D说明书概述:在工业生产过程中实现监视和控制需要用到各种自动化仪表、控制系统和执行机构,它们之间的信号传输既有微弱到毫伏级、微安级的小信号,又有几十伏,甚至数千伏、数百安培的大信号;既有低频直流信号,也有高频脉冲信号等等,构成系统后往往发现在仪表和设备之间信号传输互相干扰,造成系统不稳定甚至误操作。
出现这种情况除了每个仪表、设备本身的性能原因如抗电磁干扰影响外,还有一个十分重要的因素就是由于仪表和设备之间的信号参考点之间存在电势差,因而形成“接地环路”造成信号传输过程中失真。
因此,要保证系统稳定和可靠的运行,“接地环路”问题是在系统信号处理过程中必须解决的问题。
解决“接地环路”的根据理论和实践分析,有三种解决方案:种方案:所有现场设备不接地,使所有过程环路只有一个接地点,不能形成回路,这种看似简单,但在实际应用中往往很难实现,因为某些设备要求必须接地才能保证测量精度或确保人身安全,某些设备可能因为长期遭到腐蚀和磨损后或气候影响而形成新的接地点。
种方案:使两接地点的电势相同,但由于接地点的电阻受地质条件及气候变化等众多因素的影响,这种方案其实在实际中无法完全做到。
第三种方案:在各个过程环路中使用信号隔离,断开过程环路,同时又不影响过程信号的正常传输,从而解决接地环路问题。
隔离器NPGL-GM11D(一入一出)NPGL-GM111D(一入两出)是NPGL-GM通用型隔离器最常用的两种类型。
仪表是输入电流/电压信号,变送输出隔离的电流/电压信号,实现了输入、输出与电源之间的三端隔离。
可与各类仪表及DCS、PLC 等设备配套使用,在石油、化工、制造、电力、、新能源、冶金等行业有着广泛应用。
仪表特点响应快,功耗低,温度特性好。
应用范围:可与各类仪表及DCS,PLC 等设备配套使用,在石油、化工、制造、电力、冶金等行业的重大工程中有着应用。
技术参数:隔离传输准确度:±0.1%F·S(25℃±2℃)输出纹波: <1mv响应时间:≤0.2ms;可订制更快响应时间的产品稳定时间:≤2m s信号频率范围: 0Hz~300Hz (0Hz~5kHz可订制)温度漂移: <30ppm>输入阻抗:电流:≤60欧姆;电压:0V~5V:≥1M欧姆; 0V~10V:≥2M欧姆负载能力:0mA~10mA:≤600欧姆;;0(4)mA~20mA:≤300欧姆-10mA~+10mA:≤1k欧姆;-20mA~+20mA:≤500欧姆0(1)V~5V:≥1M欧姆;0V~10V:≥2M欧姆-5V~+5V:≥1M欧姆;-10V~+10V:≥2M欧姆需要更大的负载能力请在订货时说明。
5014安全栅说明书一、产品概述5014安全栅,型号:XXX,是一种用于保护人员和设备安全的装置。
它采用先进的技术,能够有效防止电流、电压、温度等超过安全范围,从而保障生产过程中的安全。
本产品符合国家相关标准和规范,广泛应用于电力、化工、冶金等领域。
二、产品特点1.高度安全性:5014安全栅采用优质材料制作,具备高强度、耐腐蚀、抗老化等特点,可有效抵抗外界因素的干扰,保障设备的稳定运行。
2.安装简便:本产品结构紧凑,安装简便,无需特殊工具和技术,可快速完成安装。
同时,本产品提供多种规格,满足不同客户的需求。
3.智能化控制:5014安全栅配备智能控制系统,可实时监测设备的运行状态,自动调整工作参数,确保设备在最佳状态下运行。
同时,本产品还具备故障自诊断功能,及时发现并处理故障,提高设备可靠性。
4.长寿命设计:本产品设计寿命长,经过严格的质量控制和耐久性测试,确保在使用寿命内保持良好的性能。
此外,我们还提供完善的售后服务,为客户解决后顾之忧。
5.环保节能:5014安全栅采用低功耗设计,能够有效降低能源消耗,符合国家节能减排的政策要求。
同时,本产品还具备噪音低、无污染等特点,有利于改善生产环境。
三、使用说明1.安装前应仔细阅读本说明书,了解产品的特点和操作方法。
2.根据实际需求选择合适的规格和型号,按照安装说明进行安装。
3.使用过程中应定期检查设备的运行状态,确保其正常运转。
4.若发现异常情况应及时处理,必要时联系专业人员进行维修。
5.保持设备清洁干燥,避免潮湿、高温等恶劣环境的影响。
四、注意事项使用前应确保电源电压与设备额定电压相符,以免造成设备损坏或安全隐患。
SWP7035-Ex隔离式安全栅使用说明书注意事项❝请核对产品外包装,产品标签的型号、规格是否与订货合同一致;❝隔离式安全栅安装、使用前应仔细阅读本说明书,或有疑问,请与本公司技术支持部联系;❝隔离式安全栅应安装在安全场所,安装后,务必再次核对产品型号、端子接线及电源和信号极性是否正确;❝仪表供电24V直流电源,严禁使用220V 交流电源;❝严禁私自拆装仪表,防止仪表失效或发生❝故障。
概述SWP7035-Ex模拟量输入式隔离栅,给危险区的二线制4/20mA变送器提供一个完全浮空的直流电源,变送器产生的4/20mA电流信号,从危险侧隔离传送到安全侧,去驱动安全区负载。
主要技术参数❝通路数:单入双出,完全浮空❝变送器所处场合:0区、1区、2区;ⅡA、ⅡB、ⅡC、T4 - T6危险区❝安全区输出:信号范围:4-20mA或(1-5V);负载电阻:≤550Ω(电流输出),≥10KΩ(电压输出);(用户在订货时右选择电流或电压输出)❝危险区输入:信号范围:4-20mA;配电电压:20mA时>15.5V,开路时≤26V❝转换精度:0.1%❝温度漂移(-20~60℃):< 0.1μA/℃❝发光二极管显示:绿色:电源指示❝电源:20- 35Vdc❝功耗:24V,120mA❝最高电压Um:250V❝防爆标志:[Ex ia Ga]ⅡC❝安全参数:端子(9-10-11间)Uo=28V,Io=93mA,Po=0.66WⅡC:Co=0.083μF,Lo=4.2mHⅡB:Co=0.366μF,Lo=12.6mHⅡA:Co=1.016μF,Lo=33.6mH使用环境❝安全隔离:安全侧与危险侧隔离电压250V,ac❝绝缘强度:2500V,ac.;1min(本安端与非本安端)❝环境温度:连续使用:-20℃ ~ +60℃贮存:-40℃ ~ +80℃❝相对湿度:10% – 90%RH❝大气压:80 – 110Kpa❝工作场所要求:安全栅应安装在安全区不含爆炸性气体的安全环境中,并不得有振动及冲击,无大电流和火花等电磁感应影响及周围环境中无强烈腐蚀的场所。
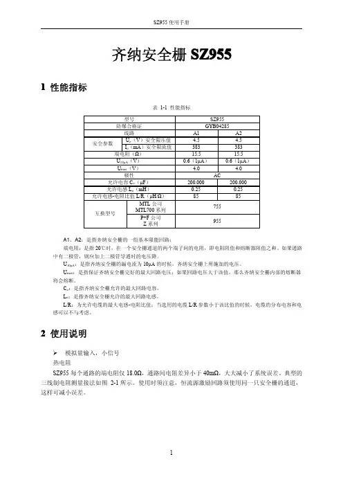
齐纳安全栅SZSZ955955 1性能指标表1-1性能指标型号SZ955防爆合格证GYB04285线路A1A2安全参数U o(V)安全限压值 4.5 4.5I o(mA)安全限流值383383端电阻(Ω)15.515.5U10µA(V)0.6(1µA)0.6(1µA)U max(V) 4.0 4.0极性AC允许电容C o(µF)200.000200.000允许电感L o(mH)0.250.25允许电感-电阻比值L/R(µH/Ω)8585互换型号MTL公司MTL700系列755 P+F公司Z系列955A1、A2:是指齐纳安全栅的一组基本限能回路;端电阻:是指20℃时,在一个安全栅通道的两个端子间的电阻,即电阻阻值和熔断器阻值之和。
如果通路中有二极管,则应加上二极管导通时的电压降。
U10μA:是指齐纳安全栅的漏电流为10μA的时候,齐纳安全栅上所施加的电压。
U max:是指保证齐纳安全栅完好的最大回路电压;如果回路电压大于该值,那么齐纳安全栅内部的熔断器将会熔断。
C o:是指齐纳安全栅允许的最大回路电容。
L o:是指齐纳安全栅允许的最大回路电感。
L/R:为允许电缆的最大电感-电阻比值;当选用的电缆L/R参数小于该比值的时候,电缆的分布电容和电感可以不与考虑。
2使用说明�模拟量输入,小信号热电阻SZ955每个通路的端电阻仅18.0Ω,通路间电阻差异小于40mΩ,大大减小了系统误差。
典型的三线制电阻测量接法如图2-1所示。
使用时须注意,恒流源激励回路须使用同一只安全栅的通道,这样可减小误差。
图2-1SZ955接线图14线制恒流回路,不要求安全栅电阻匹配,也就是使用2个SZ955双通路安全栅,如图2-2所示。
图2-2SZ955接线图2注意:当使用非点点隔离的DCS卡件时,需要短路闲置的SZ955齐纳栅本安端端子。
表3-1版本升级更改一览表资料版本号适用产品型号更改说明SZ955使用手册(V1.0)SZ955。
S2000系列齐纳安全栅使用说明书一.概述S2000系列齐纳安全栅能与各种现场的一次仪表如:4-20mA的压力、温度、流量、电信号变送器;电器转换器、电气阀门定位器、各类热电偶、热电阻、开关量、报警器、脉冲信号等各种特殊仪表,组成本质安全防爆系统,用于现代化工业的自动化过程控制,广泛地用于石油化工、冶金、医药、船舶等领域。
可限制危险能量进入具爆炸性危险气体环境的可靠设备。
二.结构与外型尺寸S2000系列齐纳安全栅采用两种不同的外型和安装尺寸,外壳由阻燃防弧塑料压制成型,整个安全栅电路以阻燃环氧树脂封装在壳体内,各端子间的爬电距离、电气间隙及材料的相对泄痕指数均符合GB 3836.4中的有关规定。
外形尺寸见图1、图2。
三.主要技术参数正常工作条件a.环境温度:-20ºC~+40ºC ;b.相对湿度:< 95% RH ;c. 大气压:80~110 Kpa ;四.安全栅与一次仪表的配套要求1.安全栅应安装在非危险区;2.导流条和机壳绝缘,各导流条之间要用线芯截面积4mm²以上的铜导线或电缆线相互连接;3. 使用前请认真核对安全栅的型号、极性和工作电压;4. 禁止用兆欧表直接测量安全栅端子之间的绝缘。
检查系统线路时,必须断开全部安全栅的接线;5. 安全栅的本安端和非本安端的接线不允许接错;6. 一旦安全栅损坏,用户不得自已修复,应及时更换;7. 本安防爆系统的基本组合条件为:Uo ≤UìIo ≤IìCo ≥Cp + CìLo ≥Lp + Li其中:Uo为最高输出电压; Io为最大输出电流; Co为最大负载电容; Lo为最大负载电感; Ui为一次仪表允许的最高输入电压; Ii为一次仪表允许的最大输入电流; Ci为一次仪表的最大内部等效电容; Li为一次仪表的最大内部等效电感; Cp为连接导线(或电缆)允许的最大分布电容; Lp为连接导线(或电缆)允许的最大分布电感。
MSB300安全栅调理器MSB300 安全栅调理器在工厂自动控制中,需要处理或使用一些易燃易爆材料,如石油、酒精、天然气、粉末、飞扬物等,任何渗漏溅出与空气接触,都有可能形成一个爆炸环境。
而使用现场大量使用电气设备,各种摩擦的电火花、静电火花、高温等不可避免,尤其是当设备故障时,都有可能引起爆炸。
为了保护工厂和人员的安全,防止爆炸事故的发生,至今也有各种防爆技术,其中本质安全防爆式一种低成本高效率的防爆技术,其主要机理是控制现场不产生引爆源。
MSB300系列包括如下产品:•MSB301E检测端电流隔离栅•MSB302E检测端配电隔离栅•MSB303E热电偶温变隔离栅•MSB304E热电阻温变隔离栅•MSB305E电位器变送隔离栅•MSB306E检测端信号转换隔离栅•MSB307E检测端配电转换隔离栅•MSB308E检测端开关信号隔离栅•MSB309E操作端开关信号隔离栅•MSB311E操作端电流隔离栅•MSB316E操作端转换隔离栅•MSB341E操作端无源隔离栅•MSB342E检测段配电隔离栅、回路供电•MSB343E检测端转换隔离栅、回路供电工作环境•工作温度:0~50℃•储存温度:-40~85℃•相对湿度:10~90%RH(无凝露)•大气压力:86~106kPa系列特点•DIN35mm导轨安装•宽度18mm,适合密集安装•主机与底座分离结构•可在线插拔,维护方便•欧式端子接线,连接可靠•产品齐全,处理多种信号•低功耗,节省能源•发热小,提升可靠性•专业美学设计,外观精致•高强度塑料外壳•复核电磁兼容标准。
mtl5074安全栅中文说明书1.软件下载:从MTL网站上下载两个软件---PC5074软件和USB 驱动软件2.首先安装PC5074软件,安装完毕,将PC5074USB电缆的USB 口插到电脑上,根据提示安装Driver 驱动软件(不要直接打开文件夹安装)。
3.检查安全栅供电电源是否正常, 确认无误后上电。
将PCS45USB 电缆的另一端插入温变安全栅面板上的插孔。
注意电缆由两段组成, 末端的小段电缆是用来组态MTL3073, MTL4073, MTL5074, 移除该段电缆后的主电缆是用来组态。
4.打开文件后输入密码:MTL5.选择option 菜单中的serial port ,设定为PCL45USB。
6.选择connection 中的Establish ,开始建立与设备的联接。
7.在Device Data菜单下选择Basic config.,可设置相应的位号,描述,日期,一般情况下该项目可以不需设置。
8.在Device Data菜单下选择Input config.,设置输入类型(Input type)、温度单位(Process units)、是否要线性化(Linearisation)、是否需要冷端补偿(Cold Junction compensation)。
当选用热电偶时,冷端补偿需选ON。
线性化通常选ON。
按Accept 按钮写入设备。
9.在Device Data菜单下选择Output config.,设置输出类型。
主要设置4mA点和20mA点对应的零点和量程温度值。
阻尼时间常数(Dampingtime constant)和平滑时间(Smoothing timeconstant)常数一般情况下默认。
如果需要设置报警点,则选择Trip, 在Trip value栏中输入报警值(百分数), 滞后时间Hysteresis默认。
滤波频率和冷端故障及开路报警依DCS的习惯及用户希望的状态设定。
按Accept 按钮写入设备。
S2000系列上海安智电气发展有限公司一、 概述S2000系列安全栅是多用途通用型齐纳安全栅。
能与自动化仪表、制动控制装置、通讯设备、报警器等各种仪器设备组合成本质安全防爆系统,做为本安关联设备而被广泛使用。
可用于摸拟信号传输。
被广泛用于化工、石油、冶金等各行业中,以限制危险能量进入具有爆炸性危险气体环境的可靠设备。
S2000系列安全栅符合GB3836.1-2000《爆炸性气体环境用爆炸电气设备 第1部分 通用要求》和GB3836.4-2000《爆炸性气体环境用爆炸电气设备 第4部分 本质安全型“i ”》的有关规定,并经国家防爆电气产品质量监督检验测试中心检验合格,取得防爆合格证书。
二、 型号、结构及技术参数★型号:S -安全栅、2000-设计系列号★结构:S2000系列齐纳安全栅采用统一的外形和安装尺寸、外壳由阻燃防弧塑料压制成型,整个安全栅电路以阻燃环氧树脂封装于外壳内,隔绝了外界混触的可能性。
接线端子上有明显的本安标志,各接线端子之间的距离,外壳印制板及胶封材料的爬电距离、电气间隙,相对泄痕指数都符合GB3836.4-2000中的有关规定,标牌由PC 材料制成,上面印有“接线示意图”,使用户安装时一目了然,便于接线安装。
★本系列安全栅外形尺寸为:82.5×16×52(长×宽×高) ★外形图见图一。
三、 主要技术参数★使用环境条件:●环境温度:-20℃~+40℃ ●相对湿度:<95% ●大气压:80-110kPaDIN 导轨上。
导流条安装-在宽20mm 的铜排上,横向钻两个间距11.5mm 、孔径为φ4.5mm 的安装孔,将安全栅两接地螺栓插入拧紧,并将铜排可靠接地。
★接地极电阻应不大于4Ω,接地线电阻应不大于1Ω。
多排密集安装时宜采用环型接地线。
其截面应按所有安全栅最大短路电流总和来确定。
★接线端子序号:非本安端端子号:1,2。
本安端子号:3,4。
隔离式安全栅SB30-Ex使用手册SB30494949-Ex目录隔离式安全栅SB3049-Ex (1)1基本说明 (1)2性能指标 (1)3使用说明 (2)4资料版本说明 (2)隔离式安全栅SB30SB30494949-Ex-Ex 1基本说明SB3049-Ex 双通道电流输出型隔离式安全栅工作时,在安全场所一侧接受两组标准的(4~20)mA 电流信号,并将其隔离复制到危险场所一侧,用以驱动现场的执行机构,如电气转换器、阀门定位器等。
2性能指标表2-1性能指标型号SB3049-Ex 通道数2现场设备防爆等级现场的设备经过适当认证后,可使用于0区、ⅡC 、T4-T6的危险场所工作范围(4~20)mA 信号输出特性负载能力:(0~550)Ω*注:当负载为550Ω/20mA 时,能输出电压11V 输出纹波:峰峰值小于40μA 响应时间:0.5ms 以内达到最终值的90%转换精度优于±16μA 温度漂移优于±1μA/℃供电电源电压:(20~35)V DC电流(双通道20mA 输出时):24V 时,65mA20V 时,75mA35V 时,50mA功率:1.56W (24V 供电,双通道20mA 输出时)隔离电压安全侧和危险侧隔离电压250V AC/DC安全参数国家仪器仪表防爆安全监督检验站NEPSI 认证参数(防爆合格证号:GYB091569)端子1-2以及端子4-5:U o =28V ,I o =93mA ,C o =0.083μF ,L o =4.2mH ,P o =0.66W适用现场设备电/气转换器阀门定位器等。
隔离式安全栅SB301SB30177/□-Ex1基本说明SB3017/□-Ex双通道开关量/接近开关输入隔离式安全栅支持两通道的触点开关信号或接近开关信号的输入,分标准的双通道继电器触点输出型SB3017/R-Ex和双通道NPN晶体管OC门输出型SB3017/OC-Ex两种类型。
隔离式安全栅信号输入端经过施密特电路处理,具有很强的抗干扰能力。
隔离式安全栅顶部带有电源供电指示灯、输出状态指示灯及报警指示灯,并带有信号反相拨码开关。
2性能指标表2-1性能指标型号SB3017/R-Ex SB3017/OC-Ex通道数2现场设备防爆等级现场的设备经过适当认证后,可使用于0区、ⅡC、T4-T6的危险场所现场传感器侧供电电压9V通过1kΩ电阻信号输入特性传感器回路电流>2.1mA时,输出触点闭合传感器回路电流<1.2mA时,输出触点断开施密特电路滞后作用:200μA输出特性继电器输出参数:两路继电器(常开触点)响应时间:优于10ms驱动能力:10W,0.5A,35V触点寿命:10,000,000次(最大负载)OC门输出参数:工作电流35mA,工作电压35V频率范围:(0~5)kHz响应时间:优于0.2ms输出状态指示灯输出状态反相功能拨码开关反相功能输出状态指示灯ON开启相反回路断开时亮OFF关闭正常回路闭合时亮报警功能输入报警功能回路输入电阻信号输入报警输出触点报警指示灯<100Ω短路报警闭合亮>360Ω短路消警断开灭回路输入电流信号输入报警输出触点报警指示灯<100μA开路报警闭合亮>250μA开路消警断开灭报警信号特性:最大可承受断路电压为28V;最大断路漏电流为5μA;最大闭合状态压降为[0.4*电流值(mA)]V;最大可流过闭合状态电流为50mA。
*欲启用该报警功能,需对现场开关执行如下电阻匹配:对现场开关串联(500~1k)Ω的电阻;对现场开关并联(20~25)kΩ的电阻供电电源电压:(20~35)V DC电流:67mA(20V供电时)60mA(24V供电时)41mA(35V供电时)功率:1.44W(最大)电压:(20~35)V DC电流:53mA(20V供电时)44mA(24V供电时)32mA(35V供电时)功率:1.2W(最大)隔离电压安全侧和危险侧隔离电压250V AC/DC安全参数国家仪器仪表防爆安全监督检验站NEPSI认证参数(防爆合格证号:GYB101521)端子2-1及端子6-5:U o=10.5V,I o=14mA,C o=2.4μF,L o=165mH,P o=0.037W适用的现场设备适合NAMUR和DIN19234标准接近开关如Baumer:1FR08.82.05等*国产接近开关系列可根据其开关阀值和施密特电路滞后作用大小定制。
隔离式安全栅SB3SB3447447447-Ex-Ex 1基本说明SB3447-Ex 电流输入报警设定隔离式安全栅,向现场的2/3线制变送器提供隔离电源,将变送器产生的(4~20)mA 信号或直接输入的(4~20)mA 电流信号按1:1的比值隔离传输到安全侧。
同时还具有2路继电器输出报警功能,报警输出至安全区,面板可设定并显示测量值。
2性能指标表2-1性能指标型号SB3447-Ex 通道数1进3出(1路信号复制,2路继电器报警)现场设备防爆等级现场的设备经过适当认证后,可使用于0区、ⅡC 、T4-T6的危险场所危配电输出电源输出电流20mA 时,配电电压大于15V DC *注:配电回路开路时,最大配电电压为28V DC 危险区输入信号范围:(4~20)mA 或(0~20)mA 安全区输出输出信号:(4~20)mA 或(1~5)V *注:选(1~5)V 时需在选型中注明输出信号特性负载能力:(0~350)Ω*注:(1~5)V 时要求负载电阻大于10kΩ安全继电器输出特性响应时间:≤20ms驱动能力:250V AC ,1A 或30V DC ,1A负载类型:电阻型负载面板显示5位数码管LED 显示,面板按钮设定参数红灯:SPH ,SPL 指示报警点状态黄灯:RAL1,RAL2指示报警继电器状态转换精度优于±16μA 温度漂移0.05%F.S./10℃供电电源电压:(20~35)V DC 电流:80mA (24V 供电,20mA 输出时)功率:1.92W (24V 供电,20mA 输出时)隔离电压安全侧和危险侧隔离电压250V AC/DC安全参数国家仪器仪表防爆安全监督检验站NEPSI 认证参数(防爆合格证号:GYB091016)端子9-10-11:U o =28V ,I o =93mA ,C o =0.083μF ,L o =4.2mH ,P o =0.65W适用现场设备智能变送器:SupField™CXT 系列、CJT 系列智能变送器Honeywell-ST3000系列智能变送器E+H-Deltabar 智能压力变送器横河EJA 智能变送器Rosemount-3051系列智能变送器各类通用2/3线制变送器:SupField™SP00系列压力变送器金属转子流量计3使用说明图3-1SB3447-Ex 接线图表3-1SB3447-Ex 接线方法端子符号连接方法9变送器供电+端10电流输入端11现场侧公共端3(4~20)mA 电流输出+端或(1~5)V 电压输出+端4(4~20)mA电流输出-端或(1~5)V电压输出-端5,6第1继电器输出7,8第2继电器输出1电源供电+端2电源供电-端4资料版本说明表4-1版本升级更改一览表资料版本号适用产品型号更改说明SB3447-Ex使用手册(V1.0)SB3447-Ex。
根据GB/T 3836.1的指示2021322316003665 安全栅使用说明书SB ...版本: 04.2023 I 应用范围SB 1型安全栅最好与经过认证的防火罩一起使用,例如HPH Ex d…,用于将本安型传感器(两线制)与非本安型电路连接。
SB 3型安全栅用于连接本安型传感器(四线制)和非本安型电路。
II 标准安全屏障是根据以下标准设计的GB/T 3836.1-2021 设备--一般要求GB/T 3836.2-2021 通过防火罩 "d "来保护设备GB/T 3836.4-2021 本质安全 "i "的设备保护III 关于安全的说明III.a 使用SB 1型安全屏障作为防火封装的本质安全设备,适合在危险区域使用。
SB 3型安全栅作为相关设备,不适合在危险区域使用。
本质安全型传感器电路可接入0区,可用于所有气体组。
该批准适用于以下设备版本SB 1 单通道安全护栏罐装在衬套中SB 3 围墙内的三通道安全屏障III.b 装配和拆卸装配或拆卸只能在无电压的情况下进行!只有拆除墙体外壳,才能安装SB 3型安全护栏。
安装完毕后,必须重新关闭围墙。
III.c 安装接线只能在断电的情况下进行。
必须遵守特殊规定,如GB/T 3836.15或当地的安装规定。
当从本质安全设备向安全屏障(最好是蓝色电缆)布线时,不得超过V点允许的电感和电容。
SB 1输入侧的外螺纹M24 × 1.5最好是用于拧入经批准的防火罩。
本质安全传感器(输出)的连接是通过一个M28 × 1.5的外螺纹进行的。
安全栅可以安装在经批准的防火罩中。
当安装在外壳中时,确保输入和输出终端之间有>50毫米的间隙和爬电距离。
提供三根独立的电缆用于连接非本安型辅助能源。
绿色-黄色的电缆必须牢固地连接到等电位连接(PA)。
电源电压连接到蓝色(-)和红色(+)电缆。
本质安全输出有两根电缆(蓝色和红色),本质安全传感器与之连接。