南京林业大学园林工程复习资料
- 格式:doc
- 大小:288.50 KB
- 文档页数:3
名词解释:1、植物造景:运用乔木、灌木、藤本及草本植物等题材,通过艺术手法,充分发挥植物的形体、线条、色彩等自然美或把植物的整形修剪成一定形体来创作植物景观。
2、对比与调和:对比是借两种或多种性状有差异的景物之间的对照,使彼此不同的特色更加明显,调和是通过布局形式、造园材料等方面的统一、协调,使整个景观效果和谐。
3、列植:按一定的株行距,成行成带栽植树林4、丛植:两株以上同种或异种的乔灌木,自由灵活高低错落组合在一起使其林冠线彼此链接而形成一个整体的外轮廓的配置形式。
5、群植:由十株以上至十株的乔灌木组成的树木群体6、开敞空间:他的空间一面或多面部分收到较高植物的封闭,限制了视线的通透7、植物质感的相对性与可变性:质感的可变性是指某些植物的质感会随着季节和观赏距离的远近而表现出不同的质感类型。
质感的相对性是指受相邻植物、建筑物和构筑物等外界因素的影响,植物的质感会发生相对的改变。
简答题1、如何做到科学性与艺术性的结合?要创作“完美的植物景观,必须具备科学性与艺术性两方面的高度统一,即既满足植物与环境在生态适应上的统一,又要通过艺术构图原理体现出植物个体及群体的形式美,及人们在欣赏时所产生的意境美”,这是植物造景的一条基本原则。
所以顺洁自然,掌握自然植物群落的形成和发育,其种类、结构,层次和外貌等是搞好植物造景的基础。
植物遣景是应用乔木、灌木。
藤本及草本植物为题材来创作景观的,就必须从丰富多彩的自然植物群落及其表现的形象汲取创作源泉,植物造景中栽培植物群落的种植设计,必须遵循自然植物群落的发展规律。
自然植物群落的组成成分、外貌、季相,自然植物群落的结构、垂直结构与分层现象,群落中各植物种间的关系等。
这些都是植物造景中栽培植物群落设计的科学性理论基础。
2、城市道路景观设计要点首先要服从交通安全,能有效的协助组织车流、人流的集散。
同时也起到改善城市生态环境及美化的作用。
品种选择乔木的选择乔木在街道绿化中,主要作为行道树,作用主要是夏季为行人遮荫、美化街景,因此选择品种主要从以下方面着手:(1)株形整齐,观赏价值较高(或花型、叶型、果实奇特,或花色鲜艳、花期长),最好叶秋季变色,冬季可观树形、赏枝干;(2)生命力强健,病虫害少,便于管理,管理费用低,花、果、枝叶无不良气味;(3)树木发芽早、落叶晚,适合本地区正常生长,晚秋落叶期在短时间内树叶即能落光,便于集中清扫;(4)行道树树冠整齐,分枝点足够高,主枝伸张、角度与地面不小于30度,叶片紧密,有浓荫;(5)繁殖容易,移植后易于成活和恢复生长,适宜大树移植;(6)有一定耐污染、抗烟尘的能力;(7)树木寿命较长,生长速度不太缓慢。
园林工程复习题园林工程是一门综合性学科,它涉及到植物学、土壤学、生态学、美学以及工程学等多个领域的知识。
以下是一些园林工程复习题,供同学们复习参考:1. 园林工程的定义:园林工程是指在一定的地域范围内,运用工程技术和艺术手段,对自然环境进行改造和美化,创造具有审美价值和生态功能的园林空间的活动。
2. 园林工程的基本原则:- 保护和利用自然资源- 尊重和维护生态环境- 创造和谐的人与自然的关系- 体现地域文化特色3. 园林工程的主要类型:- 公共园林:如公园、广场等- 住宅园林:如小区绿化、庭院设计等- 工业园林:如厂区绿化等- 农业园林:如果园、茶园等4. 园林设计的基本要素:- 地形:包括地形的起伏、坡度等- 水体:如湖泊、溪流、喷泉等- 植物:包括乔木、灌木、花卉、草坪等- 建筑:如亭台楼阁、桥梁等- 道路:如园路、步道等5. 园林工程的施工流程:- 前期准备:包括项目选址、规划设计等- 施工准备:包括施工图纸、施工材料等- 施工过程:包括土建工程、绿化工程、安装工程等- 施工验收:包括工程质量、安全等6. 园林植物的配置原则:- 植物种类的选择应符合当地的气候和土壤条件- 植物配置应考虑季节变化,实现四季有花、四季常绿- 植物配置应注重色彩、形态和质感的搭配7. 园林工程的维护管理:- 定期修剪植物,保持植物的形态和健康- 定期检查和维护园林设施,确保其安全和功能- 合理灌溉和施肥,保证植物的生长需要8. 园林工程的可持续发展:- 采用生态友好的材料和技术- 推广使用本地植物,减少外来物种的引入- 增强园林的生态功能,如净化空气、调节气候等9. 园林工程的案例分析:- 分析国内外著名的园林工程案例,如苏州园林、纽约中央公园等 - 探讨其设计理念、施工特点以及对现代园林工程的启示10. 园林工程的未来发展趋势:- 智能化园林:利用信息技术提高园林管理的效率和质量- 生态修复:对受损的自然环境进行修复和重建- 绿色基础设施:将园林工程与城市基础设施相结合,提高城市的整体生态效益希望以上内容能够帮助同学们更好地复习园林工程的相关知识,为即将到来的考试做好准备。
第一章1.简述地形在造园中的功能作用。
(1)骨架作用:地形是园林中所有景观元素与设施的载体,对其他造园要素的安排与设置有较大影响和限制。
(2)空间作用:地形具有构成不同形状、特点的园林空间的作用。
(3)景观作用:包括背景作用和造景作用。
(4)工程作用:地形可以改善局部地区的小气候条件,对地表排水也有重要意义。
2.简述重点高程坡向标注法的标注要点。
在平面地形图上,将某些特殊点(园路交叉点、建筑物的转角基底地坪、园桥顶点、涵闸出口处等)用十字或圆点或水平三角标记符号来表明高程,用细线小箭头来表示地形从高至低的排水方向。
第二章假山1.简述置石的布置方式。
(1)特置:姿态突出或奇特的单块山石作为一个小景或局部一个构图中心。
(2)孤置:孤立的将单个山石直接放置或半埋在地面上。
(3)对置:两块山石布置在对称、对应的位置上。
(4)散置:山石零星、散漫布置。
(5)群置:山石成群布置,作为群体表现。
(6)山石器设:用山石作室外环境中的家具器设。
2.简述掇山的基本法则和具体方法。
掇山的基本法则是:“有真为假,作假成真”,“虽由人作,宛自天开”。
掇山的具体方法可概括为32个字,即:因地造山,巧于因借,山水结合,主次分明,三远变化,远近相宜,寓情于石,情景交融。
3.根据使用土石情况,简述假山四种类型。
(1)土山:是以泥土作为基本堆山材料,在陡坎、陡坡处可有块石作护坡、挡土墙或作磴道,但不用自然山石在山上造景。
(2)带石土山:又称“土包石”,是土多石少的山。
(3)带土石山:又称“石包土”,是石多土少的山。
(4)石山:其堆山材料主要是自然山石,只在石间空隙处填土配植植物第三章挡土墙1.简述挡土墙的主要功能。
(1)固土护坡,阻挡土层塌落;(2)节省占地,扩大用地面积;(3)削弱台地高差;(4)制约空间和空间边界;(5)造景作用。
2.简述重力式挡土墙横断面形式有哪几种。
(1)直立式:墙面基本与水平面垂直,但也允许有约10:0.2—10:1的倾斜度。
园林工程估价实务_南京林业大学中国大学mooc课后章节答案期末考试题库2023年1.苗木种植,一般按大乔木→中、小乔木→ →地被→ 的顺序施工参考答案:灌木、草皮2.树木栽植的操作程序主要包括以下环节:土地准备与定点放线→ → → →栽植→场地清理→养护→验收参考答案:掘苗、假植、苗的包装运输和分级3.苗木的养护管理主要包括下列措施:适时适量浇水、、、修剪参考答案:扶正封堰、不良气候防御4.草坪种植主要有六种方法:、直接栽草、、、草坪植生带铺栽、草籽喷播参考答案:直接播种草籽、直接铺砌草块、用茎枝段繁殖5.下列是招标人在工程量清单中提供的用于支付必然发生但暂时不能确定价格的材料、工程设备的单价以及专业工程的金额的是()参考答案:暂估价6.树木栽植后,应对新植苗木进行细致养护,具体养护内容包括()参考答案:浇水_修剪_病虫害防治_施肥7.除草的原则是“除早、除小、除了”,尽量采用人工拔除方式进行处理。
参考答案:正确8.下列是招标人在工程量清单中暂定并包括在合同价款中的一笔款项的是()参考答案:暂列金额9.绿化栽植前场地清理时,有各种管线的区域,建筑物周边的整理绿化用地,应在其完工并验收合格后进行。
参考答案:正确10.按习性结合植物在园林中用途,园林植物可分为和参考答案:木本园林植物、草本园林植物11.不能独立发挥生产能力,但具有独立设计的施工图纸和组织施工的工程称为()参考答案:单位工程12.编制招标工程量清单时,计日工应列出()参考答案:项目名称_计量单位_暂估数量13.多次性计价指建设项目从决策开始到竣工验收包括投资估算、设计概算、施工图预算(设计预算)、中间结算、竣工结算以及竣工决算参考答案:正确14.专业工程暂估价包含该专业工程的人工费、机械使用费以及()参考答案:材料费_管理费_利润15.招标控制价和投标报价进行比较,两者的编制人、施工方案、资源基础单价选择、定额水平不同参考答案:正确16.投标报价的本质是全面放开,企业自主报价,由市场竞争形成价格,但不能低于企业个别成本参考答案:正确17.总承包服务费的计算,编制招标控制价的参考标准,招标人自行供应材料的按供应材料价值的()计算参考答案:1%18.水生植物根据它们的生长习性与水分的关系可分为五类:浅水类、、、、沉水类参考答案:挺水类、浮水类、漂浮类19.一般的措施项目费用由投标人根据工程实际情况计算,有关指导性计算方法均作为参考标准参考答案:正确20.栽植方法有裸根栽植和两种参考答案:带土栽植21.()是能通过较简单的施工过程生产出来的、可以用适当的计量单位计算并便于测定或计算其消耗的工程基本构成要素参考答案:分项工程22.投标报价时,计日工应按招标工程量清单中列出的项目根据工程特点和有关计价依据确定综合单价计算,计日工可以是()三种形式参考答案:人工_施工机械_材料23.组合性计价利用WBS方法,一个建设项目可以依次往下划分为若干()参考答案:单项工程→单位工程→分部工程→分项工程24.当前园林绿化工程工程量清单的工程量计算规则按照园林绿化工程工程量计算规范()计算参考答案:GB50858-201325.通常预算编制的对象为()参考答案:单位工程26.园林工程造价的计价特点包括()参考答案:单件性计价_组合性计价_多次性计价27.单价法可以分为哪两种()参考答案:工料单价法_综合单价法28.当前国家允许招投标阶段包括两种计价方法共存,分别为()参考答案:定额计价法_工程量清单计价法29.单位工程造价包括分部分项工程费以及()参考答案:措施项目费_其他项目费_规费和税金30.以栽植花木(分部工程)为例,往下可以划分为栽植乔木、灌木、竹类、绿篱、攀援植物、色带、花卉、铺种草皮、垂直绿化等分项工程参考答案:正确31.园路按构造之不同,一般可以分为3种类型:、、参考答案:路堑型、路堤型、特殊型32.亭顶立体造型上有、、三重檐之分;有、、歇山顶、盝顶之別参考答案:单檐、重檐、平顶、攒尖顶33.措施项目是为完成工程项目施工,发生于该工程施工准备和施工过程中的技术、生活、安全、环境保护等方面的非工程实体项目的总称参考答案:正确34.总价措施项目清单指在现行工程量清单计算规范中无工程量计算规则,以项为单位;报价时以()或()计算参考答案:总价_计算基础乘以费率35.安全文明施工措施费属于()参考答案:总价措施项目费_不可竞争费36.“工程按质论价费”措施项目费属于()参考答案:不可竞争费_总价措施项目费37.江苏省的安全文明施工包含文明施工和()参考答案:环境保护_安全施工_绿色施工38.下列属于园林绿化工程特有的单价措施项目的是()参考答案:树木支撑架_草绳绕树干_搭设遮阴(防寒)棚工程39.()不利于工程价款的结算,在工程造价实务中极少采用参考答案:实物法40.下列选项中属于园林绿化工程措施项目的有()参考答案:安全文明施工_树木支撑架_草绳绕树干41.木本园林植物主要包括、针叶灌木、阔叶乔木、和参考答案:针叶乔木、阔叶灌木、阔叶藤本植物42.树木种植工序排序下列正确的是()(1)栽植土土壤检测(2)栽植场地整理(3)挖穴(4)苗木吊装及运输(5)栽植(6)换土(7)支撑与养护(8)修剪参考答案:(1)—(2)—(3)—(6)—(4)—(8)--(5)—(7)43.施工企业为进行工程施工所必须的生活和生产用的临时建筑物、构筑物和其他临时设施的搭设、使用、拆除等费用属于()参考答案:临时设施费44.下列属于总价措施项目的是()参考答案:冬雨季施工45.苗木的运输量应根据()确定参考答案:现场的栽植量46.清单项目工程量,投标人根据自己拟定的施工方法对应定额子目计算工程量,以江苏为例,工程量计算规则按照《江苏省仿古建筑与园林工程计价表》(2007版)参考答案:错误47.总价措施项目清单仅需列出项目编码和()参考答案:项目名称48.()是编制预算定额的依据,预算定额是编制()的依据参考答案:施工定额;概算定额49.以下不属于预算定额的是()参考答案:《全国园林绿化养护概算定额》50.缺陷责任期养护是指根据施工合同约定,由施工企业对经过成活率养护期后新建绿地和原有绿地上的苗木养护管理,一般小于()个月参考答案:2451.《江苏省仿古建筑与园林工程计价表》中的绿化种植定额子目包含苗木()养护参考答案:施工期52.辅助用工是指()内不包括,而在()中又必须考虑的用工。
第二节园林的生成期(先秦、秦汉)(前11世纪—220年)中国古典园林第一个类型:皇家园林最早的:殷纣王沙丘苑台、鹿台,周文王灵囿、灵台、灵沼{奠定前朝后寝的规划体系}春秋战国时期:吴王夫差姑苏台,游赏功能为主,楚灵王章华台,第一座层台累榭的大型游宫秦:囿+宫室建筑=建筑宫苑上林苑、兰池宫:挖池筑岛,模拟仙山阿房宫:按天上星座的布设来安排地上皇家宫苑的布局,天人感应西汉:上林苑、未央宫、建章宫、甘泉宫上林苑:历史上最大的一座皇家园林1.山水:昆明池、影娥池、琳池、太液池2.植物、动物:3.苑:“上林苑门十二,中有苑三十六” 。
4.宫:即宫殿建筑群(如犬台宫、扶荔宫等)5.台:(土或木堆筑)6.观:观、馆是汉代对体量比较大的非宫殿建筑的通称。
7.生产基地:苑内设作坊多处,设果园、蔬圃、养鱼场、牲畜圈、马厩,供应宫廷需要。
上林苑是一座多功能的皇家园林,具备了早期园林的全部功能——狩猎、通神、求仙、生产、游憩、居住、娱乐,此外还兼有军事训练基地的功能。
也是一个范围极其广阔的天然山水环境,各种建筑物和建筑群疏朗地散布其间,全然不同于秦代宫苑之建筑密集,复道相连的情况。
未央宫:是大朝和皇帝、后妃居住的地方,有内垣和外垣两重宫墙建章宫:前宫后院具有明显中轴线,是后世大内御苑规划的滥觞,一池三山甘泉宫:历史上第一座宫苑结合的离宫御苑东汉:规模较小,游览功能上升为主要功能私家园林:记载较少梁孝王刘武兔园:筑山不仅用土,还用石堆叠,历史上最早的土石并用的假山富人袁广汉园小结:先秦、秦、两汉的园林造园活动的规模很大,但始终处于发展的初级阶段主流是皇家园林,功能由最早的狩猎、通神、求仙、生产为主逐渐转化为游憩观赏为主,建筑物只是简单的散布在环境中总体规划比较粗放,未达到艺术创作的境地第三节园林的转折期—魏、晋、南北朝(公元220—589年)山水诗大量出现、山水画出现自然美的发现——山水园文人名士的生活态度(魏晋风流):遁世而沉醉于自然当中,追求超脱尘世的生活有皇家园林和文人园林之分,中国园林风格在六朝时期确定城市型私园——宅院、游憩园北方洛阳张伦宅院、南方南齐文惠太子玄圃、梁武帝之弟、湘东王萧绎湘东苑别墅园石崇的金谷园:安享山林之乐趣,临河、地形略有起伏的天然山水园魏晋南北朝私家园林特点:以居处园林来享受大自然的美好赐予园林规模由汉代的宏大到朴素雅致创作手法由单纯写实到写实和写意相结合私家园林迈出了转折期的第一步皇家园林⏹皇家园林仍然沿袭上代传统;⏹狩猎、通神、求仙、生产的功能已经消失或仅具象征意义,景观的规划设计已较为细致精练;⏹作为艺术创作不如私家园林活跃,直到南北朝后期似乎才接受私家园林的某些影响,在造园艺术方面得以升华到更高的阶段。
一、单选题1、园林排水的主要方式是( )(2.0)A、地下排水B、地面排水C、沟渠排水D、管道排水正确答案: B2、砌体是把块体(包括粘土砖、空心砖、砌块、石材等)和( )通过砌筑而成的结构材料。
(2.0)A、砂浆B、混凝土C、泥浆D、水泥正确答案: A3、树木支撑要注意支撑点树皮的保护,要在支撑点处加上()(2.0)A、金属块B、竹材C、软垫D、钢丝绳正确答案: C4、下部水池水深在()为宜(2.0)A、 40-60cmB、 60-80cmC、 40-100cmD、 60-1000cm正确答案: C5、砌体工程中最常用的砂浆是()。
(2.0)A、混合砂浆B、防水砂浆C、水泥砂浆D、石灰砂浆正确答案: A6、将苗木按设计图纸或定点木桩,散放在定植坑旁边,称为()(2.0)A、栽苗B、缓苗C、配苗D、测苗正确答案: C7、陡坡变缓坡时,坡度变( )(2.0)A、大B、小C、不变正确答案: B8、大量游人通过的园路是哪种(2.0)A、主干道B、游步道C、次干道D、小径正确答案: A9、在园林排水中,为了保护坡岸,对出水口处理“水簸箕”方式有()。
(2.0)A、栅栏式、礓礤式、消力阶、消力块B、消力阶、消力块C、消力阶、消力块、栅栏式D、谷方、挡水石正确答案: A10、灌木种植过程中,刨坑规格的确定主要根据 () 确定(2.0)A、灌木胸径B、根系带土球的大小C、苗木的冠幅D、土壤质地和地下水位正确答案: B11、中坡坡度在10%~25%之间。
A、是B、不是正确答案: A12、在置石中,群置需要遵循的“三不等”原则为( )(2.0)A、石之颜色、质地、纹理不等B、石之大小、高低、间距不等C、石之重量、比重、体积不等D、石之色彩、来源、大小不等正确答案: B13、相对而言,大树较耐荫的是()(2.0)A、 A. 桂花B、 B. 雪松C、 C .悬铃木D、 D. 广玉兰正确答案: B14、一般乔木起苗时土球高度为直径的( )。
第一章土方工程一、名词解释1、园林工程:对组成园林的如地形、山石、水体、道路、植物和建筑按照一定原理、方法和功能要求进行加工的过程.2、园林用地地竖向设计:园林中各个景点,各种设施及地貌等在高程上如可创造高地变化和协调统一的设计.3、土方工程:在建筑区域与地形改造和整理相关的设计及施工过程。
4、土壤的容量:单位体积内天然状态下的土壤重量,重量为kg/m35、土壤的安息角:土壤自然堆积,经沉落稳定后的表面与地面所形成的夹角。
6、土壤可松性:土壤经挖掘后,其原有紧密结构遭到破坏,土体松散而使体面积增加的性质。
7、平整标高:居于某一水准面之上儿表面崎岖不平的土体,经平整后使其表面成为水平的,平整后的这块地的高度.8、零点:不挖不填的点.9、零点线:零点的连线。
二、填空1、竖向设计常用方法:等高线法、断面法、模型法、色彩法、阴影法.2、常用土方计算的方法有:用求体积估算法、水平断面法、竖直断面法、方格网法.3、园林工程特点:技术性、工程性、生态性、艺术性、生物性.4、边坡坡度1:3的边坡,也可以叫颇多系数M=3的边坡.5、用求体积公式算的优点是简便,缺点是精度较差,适用于总体规划的方案阶段。
6、断面法内容是用多个断面表示原有地形和设计地形的方法,适用于带状地形单体,基本公式为:V=(S1+S2)*L/2。
7、等高面法是沿等高线取断面,计算公式为:V=(S1+S2)h/2+(S2+S3)H/2…(Sn—1+Sn)2+(Sn*h)/3,适用于大面积的自然山水地形单体。
8、方格法计算程序为大格网,标高点,选用适当公式,适用于平整草地,缓坡地形单体。
10、零点线上各点高程否相等;平整标高线上各点高程是相等。
11、施工标高=原地形标高-设计标高12、土方调配图内容包括:各区的土方盈缺情况,土方的调拨量,调拨方向和距离。
13、土壤的主要工程性质:容重,自然倾斜角、含水量、性对密实度、土壤的可松性。
14、土壤压实过程应注意:压实工作必须分层进行、注意均匀、压实松土是夯土工具应先轻后重,夯实工作应自边缘开始逐渐向中间收拢。
【名解:】(5*3)1.植物造景的概念植物造景就是应用乔木、灌木、藤本及草本植物来创造景观,充分发挥植物本身形体、线条。
色彩等自然美,配植成一幅幅美丽动人的画面,供人们观赏。
2.植物的质感(*相对性,可变性)植物质感的相对性是指受外界因素的影响,植物的质感会发生相对的改变。
一方面,植物与相邻植物比有相对性,另一方面,植物处在不同建筑物或构筑物前,又具有相对性。
3.对比与调和(艺术原理)园林植物配置的调和与对比,主要表现在形象、体量、色彩、明暗、虚实、开闭、高低等方面。
4.植物景观半开敞空间半开敞空间就是指在一定区域范围内,四周不全开敞,有一面或多面部分受到较高植物的封闭,限制了视线的穿透。
5.群植:通常由几十株至数百株的乔灌木组成的树木群体。
列植:也称带植,即按一定的株行距,成行成带栽植树木。
丛植:用两株以上同种或异种的乔灌木,自由灵活高低错落的组合在一起,使其林冠线彼此连接而成一个整体的外轮廓的配置形式,是园林中普遍应用的方式之一。
【判断】(10)【简答:】(5*5)1.园林植物造景中如何做到科学性与艺术性的结合完美的植物景观,必须具备科学性与艺术性两方面的高度统一,即既满足植物与环境在生态适应上的统一,又要通过艺术构图原理体现出植物个体及群体的形式美,及人们在欣赏时所产生的意境美。
2.关于城市道路植物景观设计要点(道路,品种选择,种植设计)城市道路植物造景设计应以大尺度、大手笔的设计方法进行规划设计,做到简洁、明快、流畅,并富于动感。
要注重道路景观的动态效果,在城市道路植物景观总体风格基本统一的前提下,各城区段、立交桥、十字路口等节点处又进行创新设计,形成既统一、一致,又各具特色的道路园林景观。
在设计过程中,要注重点、线、面相结合,道路两侧绿化呈线形布置,形成流畅线形;对沿路视觉焦点——交叉点进行重点美化设计,各季节盛开的鲜花、灌木、乔木成片布置,形成植物块面,以此来丰富视觉观赏效果。
在乔、灌、草搭配方面,要充分利用地域空间,下层布置灌木和地被,中层配置小乔木,上层配置大乔木,形成复合型生态绿化空间,有效提高绿地利用率,增加绿量,体现自然景观和植物造景景观的生态性。
南林园林工程考研题库南林园林工程考研题库涵盖了园林工程领域的多个方面,包括园林设计、园林植物、园林施工与管理等。
以下是一些可能的考研题目及其参考答案,供同学们参考:一、选择题1. 下列哪项不是园林工程的基本要素?A. 地形地貌B. 植物配置C. 建筑小品D. 交通规划正确答案:D2. 园林植物配置中,下列哪种植物不适合作为背景植物?A. 松树B. 竹子C. 月季D. 柏树正确答案:C二、简答题1. 简述园林工程中硬景与软景的区别及各自的作用。
参考答案:硬景通常指园林中的建筑、道路、广场等硬质元素,它们为园林提供结构和功能;软景则包括植物、水体等自然元素,它们为园林带来生机和美感。
硬景强调空间的划分和导向,软景则强调空间的融合和自然感。
2. 描述园林施工中常见的几种绿化施工技术。
参考答案:常见的绿化施工技术包括种植槽施工、草坪铺设、树木移植、地被植物种植等。
每种技术都有其特定的施工流程和注意事项,如确保土壤质量、植物选择、水分管理等。
三、论述题1. 论述园林工程在城市可持续发展中的作用。
参考答案:园林工程在城市可持续发展中扮演着重要角色。
首先,园林工程通过增加城市绿地面积,改善城市微气候,降低城市热岛效应。
其次,园林工程有助于生物多样性的保护和提升,为城市居民提供亲近自然的机会。
最后,园林工程还能够提升城市居民的生活质量,促进身心健康。
四、案例分析题1. 分析某城市公园的设计特点,并提出改进建议。
参考答案:该城市公园的设计特点包括合理的功能分区、丰富的植物配置和人性化的游憩设施。
然而,公园在无障碍设计和夜间照明方面存在不足。
改进建议包括增设无障碍通道,改善夜间照明系统,以提升公园的可达性和安全性。
五、计算题1. 如果一个园林工程项目的总预算为500万元,其中设计费用占总预算的10%,施工费用占总预算的70%,请计算材料费用所占的百分比。
参考答案:设计费用为500万 * 10% = 50万元,施工费用为500万 * 70% = 350万元。
园林工程估价实务_南京林业大学中国大学mooc课后章节答案期末考试题库2023年1.园林工程是集建筑、掇山、理水、()、种植、供电、排水为一体的大型综合和系统性工程答案:铺地2.树木种植工序排序下列正确的是()。
(1)栽植土土壤检测(2)栽植场地整理(3)挖穴(4)苗木吊装及运输(5)栽植(6)换土(7)支撑与养护(8)修剪答案:(1)—(2)—(3)—(6)—(4)—(8)--(5)—(7)3.以下选项中是施工过程形成的相对最小单位的产品就是()答案:分项工程4.具有独立的设计文件、在竣工后可以独立发挥效益或生产能力的工程称为()答案:单项工程5.()指绿化种植工程竣工初验后的成活率养护期限,自初验之日起(不包括初验当日)一年内的养护答案:成活率养护期6.()以分部分项工程为对象编制的答案:预算定额7.《江苏省仿古建筑与园林工程计价表》中的绿化种植定额子目包含苗木()养护答案:施工期8.机械每台班按()工作制计算答案:8小时9.下列属于单价措施项目的是()答案:树木支撑架10.措施项目费是指为完成工程项目施工,发生于该工程施工前和施工过程中()项目的费用答案:非工程实体11.某基地的室外绿化工程中种植海桐,其中栽植乔木项目编码为050102001,栽植灌木编码为050102002,则栽植海桐的清单项目编码应为()答案:05010200200112.施工措施项目材料(即周转性材料)的消耗量按照()计算。
按不同施工方法,不同类别、材质,计算出一次()进入预算定额答案:摊销量13.绿化养护定额子目包含的养护期是成活率养护期和()答案:日常养护期(缺陷责任期)14.分部分项工程项目清单报价时进组价的顺序应为()①定额子目工程量计算②定额子目的选择③拟定施工方案④定额子目综合单价的换算答案:③②①④15.总价措施项目清单指在现行工程量清单计算规范中无工程量计算规则,以项为单位以()计算答案:总价(或计算基础乘费率)16.某基地的室外绿化工程中种植香樟,其项目名称最恰当应为()答案:栽植香樟17.清单项目编码的第一、二位为05代表()答案:园林绿化工程18.树木栽植后,应对新植苗木进行细致养护,具体养护内容包括浇水、()答案:修剪病虫害防治施肥19.现行《江苏省仿古建筑与园林工程计价表》定额子目的综合单价包括()答案:人工费、材料费与机械费管理费利润20.规费包括()答案:社会保险费住房公积金环境保护税21.定额子目除了定额编号、定额子目名称、工程量计算规则,计量单位,还要关注()答案:综合单价构成工作内容定额子目所在章节对该定额子目的说明22.招标工程量清单包含的内容有分部分项工程项目清单、()答案:措施项目清单其他项目清单规费项目清单和税金项目清单23.编制招标工程量清单时单价措施项目清单需列出项目编码、项目名称、()答案:项目特征计量单位工程量24.其他项目费有暂列金额、()共四种答案:暂估价计日工总承包服务费25.栽植基础工程包括()答案:土壤化学性质分析栽植前场地整理土壤回填及地形造型26.园林绿化栽植应在充分了解设计意图的基础上进行施工,并将设计意图转化为实际景观效果答案:正确27.从事农业生产的单位和个人自产自销的初级农业产品免征增值税答案:正确28.补充项目的编码由园林绿化工程的代码05与B和三位阿拉伯数字组成,并应从05B001起顺序编制答案:正确29.安全文明施工费是满足施工安全、文明、绿色施工以及环境保护、职工健康生活所需要的各项费用,为可竞争费用答案:错误30.竣工结算中暂列金额为0答案:正确31.如委托工程造价咨询人编制,咨询人可以接受同一工程委托编制招标控制价与投标报价答案:错误32.《江苏省城市园林绿化养护管理计价定额》(2016修订版)适用于全省城市、县城、城镇等由政府财政投资的园林绿化养护管理工程答案:正确。
南京林业大学风景园林考研解析与重点经验总结南京林业大学是中央与地方共建的省属重点高校,入选国家“双一流”建设高校名单。
南林风景园林学院是我国南方地区的第一所风景园林学院,现已建设成为全国园林专业的排头兵。
在全国高校风景园林专业学科评估中,南京林业大学为A-,排名全国前五,专业实力毋庸置疑。
由于南林的知名度和专业实力,考研热度不减,近年报考人数屡创新高,至于考研难度,主要取决于你的基础和复习努力。
我从二本院校高分考上南林,在这里想给大家涨点信心,南林公平公正,不管你本科学校和成绩怎么样,来吧,敢拼搏就有机会!很多学弟学妹找我问相关信息,下面把南林考研的基本情况介绍一下,并分享一些考研经验总结,为各位学弟学妹提供参考。
有考研意向考南林的可以到考研资料联盟跟我交流,后面会继续附上各科目复习安排和考研资料等。
南京林业大学风景园林考研基本情况详解1、考研专业方向及考试科目。
南京林业大学风景园林专业招生分为083400风景园林学(工学)和095300风景园林(专硕)。
学硕专业课考③615园林综合理论④802园林设计,专硕考③344风景园林基础和④802园林设计,615和344复习范围相同。
复试快题502风景园林建筑设计。
园林植物方向考801园林植物。
具体研究方向和考试科目具体情况看下表。
专业名称及研究方向考试科目招人人数备注说明083400 风景园林学(工学)01园林与景观规划设计02风景园林历史与理论03风景园林建筑与工程04地景规划与生态修复①101思想政治理论②201英语一③615园林综合理论④802园林设计(快题)15人,含推免1人国家林业和草原局重点学科、江苏省优势学科、江苏省重点学科。
工学硕士学位复试科目:502风景园林建筑设计(快题)095300风景园林(专硕) 01风景园林①101思想政治理论②204英语二③344风景园林基础④802园林设计(快题)68人,含推免2人风景园林硕士专业学位。
复试科目:502风景园林建筑设计(快题)02园林植物①101思想政治理论②204英语二③344风景园林基础④801园林植物2人复试科目:503园林植物综合2、考试内容和参考书目。
南林园林树木栽培学复习资料1.名词解释、选择、填空、简答、问答。
概念题(生态幅、离心生长、离心秃裸、向心更新、向心枯亡、生长、发育、直接因子、间接因子、物候期、物候、树木生长年周期、生命周期、顶端优势、摘心、花芽分化、假植、定植)生态幅:每一种生物对每一种生态因子都有一个耐受范围,即有一个生态上的最低点和最高点。
在最低点和最高点(或称耐受性的上限和下限)之间的范围,称为生态幅。
离心生长:由根颈向二端不断扩大其空间的生长,叫“离心生长”。
离心秃裸:根系的自疏和树冠的自然打枝向心更新:当离心生长到达某一年龄阶段时则生长势衰弱,具潜伏芽地树种,常于主枝弯曲高位处,萌生直立旺盛的徒长枝开始进行树冠的更新向心枯亡:随着向心更新徒长枝的扩展,加速主枝和中心干的先端出现枯梢,全树由许多徒长枝形成新的树冠,逐渐代替原来衰亡的树冠,这种由外向内,由下而上直至根颈的枯亡现象称向心枯亡。
生长:植物通过细胞分裂、分化和扩大,导致体积和重量不可逆的增加。
(量变)发育:在细胞、组织、器官分化基础上的结构和功能的变化。
(质变)直接因子:光照、温度、空气、水分和土壤等因子是树木不可缺少的必要条件,它们直接影响着园林树木的生长发育,将这些气候因子和土壤土壤因子等直接对植物生长发育产生影响的因子称为直接因子。
间接因子:海拔高度、坡度大小和坡向等地形地势因子对环境条件的影响间接影响着园林植物的生长发育,将地形地势因子等间接对植物生长发育产生影响的因子成为间接因子。
物候期:树木年周期的直观表现,可作为树木年周期划分的重要依据,与之相适应的树木在一年之中随着气候变化各生长发育阶段开始和结束的具体动态时期,称为树木的生物气候学时期。
简称物候期。
物候:在一年中,树木都会随一年中春夏秋冬四季更替而发生许多变化。
树木生长年周期:一年中园林树木生长发育的规律性表现。
生命周期:从胚形成种子,生长,开花,结果,死亡全过程顶端优势:树木顶端的芽或枝条在生长上比其它部位的芽或枝条占有优势的现象称为顶端优势。
园林工程教材复习资料《园林工程》复习思考题参考答案第一章绪论1、理解园林与园林工程的概念园林是在一定的地域运用工程技术和艺术手段,通过改造地形或进一步筑山、叠石、理水,种植树木、花草,营造建筑和布臵园路、园林小品等途径,创作而成优美的生态良好的自然环境和游憩境域园林工程是指在一定的地段范围内,利用并改造自然山水地貌或者人为地开辟山水地貌,结合植物的栽植和建筑的布臵,从而构成一个供人们观赏、游憩、居住的园林景观环境的全过程,过去也称为造园。
2、简述园林工程的特点。
1)技术与艺术的统一;2)规范性; 3)时代性; 4)协作性。
第二章土方工程1、园林竖向设计的内容有哪些?1)地形设计;2)园路、广场、桥涵和其他铺装场地的设计;3)建筑和其他园林小品;4)植物种植在高程上的要求;5)排水设计;6)管道综合。
2、地形设计的程序和原则。
程序:选拟定中心线,用水准仪测定中心线各特征点的标高,然后绘制纵断面,用不同的线条来表示原地形的标高,设计地形标高和施工标高。
原则:因地制宜的原则、因园取材的原则、量力而行的原则。
3、比较竖向设计三种方法的优劣。
竖向设计有等高线法、段面法、模型法。
1)等高线法:在园林设计中使用最多,一般地形测绘图都是用等高线或点标高表示。
在绘有原地形等高线的底图上用设计等高线进行地形改造或创作,在同一张图纸上便可表达原有地形、设计地形状况及公园的平面布臵、各部分的高程关系,大大方便了设计过程中进行方案比较及修改工作,也便于进一步的土方计算工作。
2)断面法:是用许多断面表示原有地形和设计地形状况的方法。
从断面图上可以了解各方格点上的原地形标高和设计地形标高,这种图纸便于土方量计算,也方便施工。
3)模型法:采用泥土,沙,泡沫等材料制作成缩小的模型的方法。
此法表现直观形象,具体。
但制作费工时,投资较多,且大的模型不便搬动。
如需保存,还需要专门的放臵场所。
4、土方施工前,要做哪些准备工作?1)编制施工计划2)清理场地:伐除树木;建筑物和地下构筑物的拆除;如果施工场地内的地面下或水下发现有管线通过或其他异常物体时,应事先请有关部门协同查清,未查清前,不可动工,以免发生危险或造成其他损失。
【绪论】●(一)园林工程概念内涵特点(包括4个方面概念:以工程为基础,运用生物学、生态学特性,将园林艺术和市政工程融为一体,使工程设施和园林景观相互协调,充分发挥园林的生态、经济和社会效益的功能,这种工程称为园林工程。
园林工程设计是综合考虑艺术、生态、技术等各个层面,研究风景园林建设的工程技术和造景技艺的一门学科。
园林工程的研究范围包括:工程原理、工程设计、施工技术、施工管理园林工程的重点和难点包括以下几个方面:土方工程、园林给排水与污水的处理工程、水景工程、铺装工程、假山工程和绿化工程。
●(二)风景园林设计的程序(5阶段①任务书阶段②基地调查和分析阶段③方案设计阶段④详细设计阶段⑤施工图阶段●(三)总图的特点(6大特点P14①量化②标准化③实用性④高效性⑤兼容性⑥分层表现(两化三性一表现)●(四)总图制图规范√P6●(五)总图的基本作用(3大基本定位)P23表达方式:①平面定位——坐标注法(测量坐标+建筑坐标)②竖向定位——标高注法及等高线法③索引●(六)总图平面定位2个坐标体系P23(1)总图应按上北下南方向绘制。
根据场地形状或布局,可向左或右偏转,但不宜超过45°。
总图应绘制指北针或风玫瑰图。
(2)坐标网格应以细实线表示。
(3)总平面图上有测量和建筑两种坐标系统时,应在附注中注明两种坐标系统的换算公式。
(4)表示建筑物、构筑物位置的坐标,宜注其三个角的坐标,如建筑物、构筑物与坐标轴线平行,可注其对角坐标(5)在一张图上,主要建筑物、构筑物用坐标定位时,较小的建筑物、构筑物也可用相对尺寸定位。
(6)建筑物、构筑物、铁路、道路、管线等应标注下列部位的坐标或定位尺寸:①筑物、构筑物的定位轴线(或外墙面)或其交点②圆形建筑物、构筑物的中心③管线(包括管沟、管架或管桥)的中线或其交点④挡土墙墙顶外边缘线或转折点(7)坐标宜直接标注在图上,如图面无足够位置,也可列表标注。
●(七)竖向定位2种方法(内容特点)P35(1)标高法①应以含有±0.00标高的平面作为总图平面②总图中标注的标高应为绝对标高,如标注相对标高,则应注明相对标高与绝对标高的换算关系。
园林工程专项设计_南京林业大学中国大学mooc课后章节答案期末考试题库2023年1.我国著名古典园林留园中的“活泼泼地”,运用了以下哪种水景处理手法?答案:暗示2.露脚,是指在地面上,直接做山底边线的垫脚石圈,这样整个假山就像是放在地上一样。
这种方式,可以减少山石的用量和用工量,但假山的山脚效果会稍差一些。
答案:正确3.埋脚,是将山底周边的垫底山石,埋入土下约20厘米,这样可以使整座假山看上去仿佛从地下长出来一样。
答案:正确4.枯山水之名最早出现于飞鸟时期的造园专著答案:错误5.多见于日式庭园中的水景造景类型是()。
答案:枯瀑6.抗渗黏土生态河床技术最佳含水量为(),可采用加水措施达到最佳含水量。
答案:30%~35%7.人造水池的池壁采用普通石材压顶构造做法,具体结构(从上到下)依次为:面层、20厚防水砂浆(1:2水泥沙浆+5%防水剂)、3厚聚合物水泥基防水涂抹、20厚1:3水泥沙浆找平层、钢筋混凝土结构。
答案:正确8.水面能反映周围物象的倒影,利用不同水体的颜色来丰富园林的色彩景观这一水景设计手法称为()。
答案:点色9.()是最自然的水岸形式。
答案:土岸10.在日本传统枯山水置石中,卵石可以用来表示一条弯曲的河道答案:正确11.流水的水源主要来自于()。
答案:收集天然雨水进行补给_利用城市供水管网系统进行补水_利用高差,将湖泊、河流、池塘或者地下水通过人工的手法引入园中12.水景在构成景观、增添美景中主要发挥着()作用。
答案:焦点_系带_基底13.拉底,就是在山脚线范围内砌筑第一层山石,做出垫底的山石层。
答案:正确14.园林排水特点决定园林的排水方式,我国大部分公园绿地中普遍采用:地面排水方式为主,结合沟渠和管道排水的方式。
答案:正确15.可持续城市排水系统可以分为源头控制、迁移控制和()三种途径。
答案:汇控制16.秦汉时期的自然山水园林,开始有意识地以自然山水为蓝本,对其进行初步的模仿。
(),就是最早的筑山理水之举。
园林工程复习资料
C1:地形与土方工程
地形的功能:1.骨架作用;2.空间作用;3.景观作用;4.工程作用。
地形的类型:1.平地;2.坡地:⑴缓坡(坡度4%-10%)⑵中坡(坡度10%-25%)⑶陡坡(坡度25%-50%);3.山地。
C2:假山工程
假山分类:1.土山;2.带石土山;3.带土石山;4.石山。
假山的功能作用:1.骨架功能;2.空间功能;3.造景功能;4.工程功能;5.使用功能。
山体结构:1.环透式结构;2.层叠式结构(水平层叠、斜面层叠);3.竖立式结构(直立结构、斜立结构);4.填充式结构(填土结构、砖石填充结构、混凝土填充结构)。
置石的形式分为:1.特置;2.孤置;3.对置;4.散置;5.群置;6.山石器设。
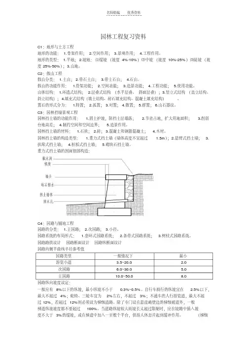
C3:园林挡墙景观工程
园林挡土墙的功能作用:1.固土护坡,阻挡土层塌落;2.节省占地,扩大用地面积;3.削弱台地高差;4.制约空间和空间边界;5.造景作用。
园林挡土墙的材料:1.石块;2.砖;3.混凝土和钢筋混凝土;4.木材。
园林挡土墙的构造类型:1.重力式挡土墙(墙体高度不宜超过1.5m);2.悬臂式挡土墙;3.扶垛式挡土墙;4.桩板式挡土墙;5.砌块石挡土墙。
重力式挡土墙的剖面细部构造:
C4:园路与铺地工程
园路的分类:1.主园路;2.次园路;3.小径。
园路系统的布局形式:1.套环式园路系统;2.条带式园路系统;3.树枝式园路系统。
园路路拱设计园路断面设计园路纵断面设计
园路内侧平曲线半径参考值
一般应有8%以下的纵坡,最小纵坡不小于0.3%~0.5%。
自行车骑行的纵坡宜在2.5%以下,最大不超过4%;轮椅、三轮车宜为2%左右,不超过3%;不通车的人行游览道,最大不超过12%,若超过12%则必须设为梯级道路。
除了专门设在悬崖峭壁边的梯级磴道外,一般梯道纵坡坡度都不要超过100%。
当道路纵坡较大而坡长又超过限制时,应在坡路中插入坡度不大于3%的缓坡,或在梯道中加入一至数个平台,供游人休息并起到缓冲作用。
(梯级
道路踏步为了方便排水应设计1%~2%的坡度)
典型的园路路面构造通常包括:1.面层;2.结合层;3.基层;4.垫层。
构造图如下
台阶:每级台阶的高度为12-17cm,宽度为30-38cm;每10-18级台阶后应设一段平坦的地段,使游人有恢复体力的机会。
礓(石察):在坡度较大的地段上,一般纵坡超过15%时,本应设台阶,但为了能通行车辆,所以将斜面做成锯齿形坡道,称为礓石察。
C5 水景工程
按瀑布跌落方式分,有直瀑、分瀑、跌瀑和滑瀑4种。
按瀑布口的设计形式来分,有布瀑、带瀑、线瀑3种。
补充:
无障碍坡道坡度<1/12(美国<1/20)
坐凳类型
常规坐凳
花池坐凳
坐墙
台阶坐凳
渗水材料:混凝土、沥青、植草砖,垫层可用碎石,而非混凝土。
材料破碎原因:1.本身硬度不够;2.垫层不平;3.冰冻垫层不均匀沉降→顶裂
树池水上放置种植池要求:1.池壁防水;2.池底排水管;3.池内土壤深≧30cm;4.吃内有碎石等过滤层。
制图,图签已含内容
标注——中点、转折点
(换算公式)←相对标高、绝对标高
刚性水池与柔性水池的区别
护坡:P179
制图规范总图偏转≦45°
索引符号表示含义
索引类型:分区单点剖断
尺度与比例
分水线:区分
户外材料→防腐处理
花岗岩
砂岩
木材天然石材石灰岩
文化石
石材
水磨石
合成石材混凝土
砖
水刷石
斩假石
大理石不适合户外使用
@3000 每3m一坐凳
□80×60×2 方钢
总图:坐标、标高、距离以“米”为单位
安全水深设计 0.5m。