水利工程施工完整危险源辨识清单
- 格式:doc
- 大小:310.50 KB
- 文档页数:13
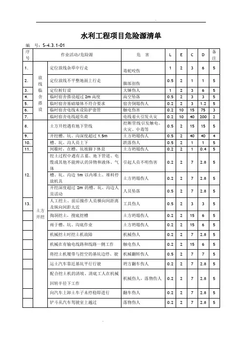
______________________________________________________________________________________________________________水利工程项目危险源清单编号: S-4.3.1-01序备作业活动 /危险源危害L E C D号注1.定位放线杂草中行走12365毒蛇咬伤2.放定位放线不平整地面上行走0.52115脚部扭伤线3.定位桩钉设大锤伤人12365临4.临时宿舍搭设超过 2m高度高空坠落0.52335舍5.临时宿舍基础墙体不符合要求宿舍倒塌伤人0.223 1.25搭6.临时宿舍电线未设防护套管触电伤害0.21015753设207.临时宿舍电线超负荷电线着火引发火灾0.210402挖断管线引发触电、8.土土方开挖遇有地下管线0.5215155火灾、中毒等方9.开挖槽、坑、沟深度超过 1.5m土方坍塌伤人0.5240404开10.槽、坑、沟人员上下跌落伤人0.52115挖11.间歇时,在槽、坑坡脚下休息土方坍塌伤人0.2210.45______________________________________________________________________________________________________________挖土过程中遇有古墓、地下管道、电缆或其他不能辨认的异物和液体、气引起人员不明伤害0.227 2.85体12.槽、坑、沟边1m以内堆土、堆料停土方坍塌伤人0.227 2.85放机具开挖深度超过2m的槽、坑、沟边人人员坠落0.527 2.85员活动人工挖土、前后操作人员横向间距离13.工具伤人0.52335及纵向间距太近14.掏洞挖土,搜底挖槽土方坍塌伤人0.22156515.雨于槽、坑、沟底作业土方坍塌伤人0.22156516.机械挖土时挖土机故障机械伤人0.227 2.8517.机械在有输电线路和线路一侧工作触电伤人0.22156518.将挖土机履带与挖空的基坑边停、驶机械翻转伤人0.5277519.运土汽车靠近基坑平行行驶坍方翻车伤人0.227 2.85配合挖土机的清坡、清底工人在机械20.机械伤人,落物伤人0.227 2.85回转半径下工作21.向汽车上卸土车子未停稳即进行翻车伤人0.227 2.8522.铲斗从汽车驾驶室上越过落物伤人0.227 2.852723.涉水、临水作业过程溺水36152______________________________________________________________________________________________________________装载机作业范围人工平土24.0.263 3.65机械伤人打夯机电源线缺陷和漏电,机械带病运转25.0.5615454土触电及机械伤害方操作人员接触打夯机及电源线的移26.触电伤害0.5615454回动27.基坑(槽)的支撑拆除土方坍塌伤人16318528.填回填土扬尘尘肺0.5639527 29.涉水、临水作业过程溺水36152不适宜高空作业的人员进行高空作54 30.高空坠落66151业0进入施工现场人员未戴好安全帽,54 31.模板高空作业人员未佩安全带,未高挂物体打击、高空坠落661510安装低用及系牢固与拆模板、支撑等构件不符合要求,钢32.除模板锈蚀或变形模板及支撑材质不物体打击、高空坠落1615903合格地面上的支模场地不平整密实,并同33.模板倒塌伤人163185时有其他的不安全因素使用的工具是不牢固,扳手等工具未34.掉落伤人163185系挂在身上,钉子未放在工具袋内35.工作时思想不集中钉子扎脚和空中滑落163185安装与拆除 2m 以上的模板,未搭脚54 36.手架,未设防栏杆,上下在同一垂直高空坠落661510面操作安装与拆除模板上下在同一垂直面37.落物伤人163185操作支设高度在 3m 以上的模板,四周未模板倒塌伤人、高空坠38.1615903设斜撑,未设立操作平台落柱模要 6m 以上,未将几个柱模连成39.模板倒塌伤人1615903整体操作人员登高不走人行梯道,利用模板支撑攀登上下,在墙顶、独立梁及40.模板倒塌伤人1615903其他高处狭窄而无防护的模板面上行走二人抬运模板时不配合,传递模板乱41.模板伤人163185抛模板倒塌伤人、高空坠42.组合钢模板装拆时,上下无人接应0.5615454落43.钢模板及配件应从高处掷下物体打击0.561545427 44.涉水、临水作业过程361520 45.向槽(坑)内抛掷模板构件物体打击伤人0.5615454使用溜槽或起重机械运送模板构46.物体打击伤人1615903件,下方操作人员在危险区域高空、复杂结构模板的安装与拆除,高空坠落、物体打击伤47.1315454事先无切实的安全措施人拆模作业时,未设警戒区,下方有48.落物伤人0.5615454人进入拆模作业人员站的地方不够平稳牢49.失稳坠落伤人163185固可靠,拆模时猛撬12 50.用吊车直接吊除没有撬松动的模板吊车倾倒伤人0.56403在组合钢模板上架设的电线和使用模板51.电动工具,使用高于 36V 安全电压触电伤害0.2615185安装且未采取其他有效的安全措施与拆高空作业站立在墙上工作或在大梁除52.底模上行走,操作人员穿硬底鞋及高空坠落0.2615185有跟鞋作业53.拆模不一次拆清,留下无撑模板物体打击伤害0.561545427 54.涉水、临水作业过程溺水361521255.拆模起吊穿墙销杆未拆净吊车倾覆伤人0.56403钢筋 (金属件)断料、配料、弯料等56.高空坠落0.161595工作在高空操作搬运钢筋(金属件)在附近有障碍57.触电事故0.2615185物、架空电线和其他临时电气设备操作人员不熟悉钢筋(金属件)机械58.机械伤害163185的构造性能和用途机械运行中停电时,未切断电源,钢收工时未按顺序停机,拉闸,锁好设备异常启动伤人,触59.筋电箱门,清理作业场所。
水利工程工程危险源清单编号:序作业活动 /危险源危害L E C D 备号注1.定位放线杂草中行走毒蛇咬伤123652.放定位放线不平整地面上行走2115线脚部扭伤3.临定位桩钉设大锤伤人123654.舍临时宿舍搭设超过 2m高度高空坠落23355.搭临时宿舍根底墙体不符合要求宿舍倒塌伤人2356.设临时宿舍电线未设防护套管触电伤害10157537.临时宿舍电线超负荷电线着火引发火灾104020028.土方开挖遇有地下管线挖断管线引发触电、215155火灾、中毒等9.开挖槽、坑、沟深度超过土方坍塌伤人24040410.槽、坑、沟人员上下跌落伤人211511.间歇时,在槽、坑坡脚下休息土方坍塌伤人215挖土过程中遇有古墓、地下管道、电缆或其他不能识别的异物和液体、气引起人员不明伤害275体12.槽、坑、沟边 1m以内堆土、堆料停放土方坍塌伤人275机具开挖深度超过 2m的槽、坑、沟边人员人员坠落275活动13.人工挖土、前后操作人员横向间距离工具伤人2335及纵向间距太近土方2156514.开挖掏洞挖土,搜底挖槽土方坍塌伤人15.雨于槽、坑、沟底作业土方坍塌伤人2156516.机械挖土时挖土机故障机械伤人27517.机械在有输电线路和线路一侧工作触电伤人2156518.将挖土机履带与挖空的基坑边停、驶机械翻转伤人277519.运土汽车靠近基坑平行行驶坍方翻车伤人275配合挖土机的清坡、清底工人在机械20.回转半径下工作机械伤人,落物伤人27521.向汽车上卸土车子未停稳即进行翻车伤人27522.铲斗从汽车驾驶室上越过落物伤人27523.涉水、临水作业过程溺水3615270224.装载机作业范围人工平土635机械伤人25.打夯机电源线缺陷和漏电,机械带病运转615454土触电及机械伤害26.方操作人员接触打夯机及电源线的移触电伤害615454回动27.填基坑〔槽〕的支撑撤除土方坍塌伤人16318528.回填土扬尘尘肺639529.涉水、临水作业过程溺水3615270230.不适宜高空作业的人员进行高空作高空坠落66155401业进入施工现场人员未戴好平安帽,31.高空作业人员未佩平安带,未高挂物体打击、高空坠落66155401低用及系牢固模板、支撑等构件不符合要求,钢32.模板锈蚀或变形模板及支撑材质不物体打击、高空坠落1615903合格33.地面上的支模场地不平整密实,并同模板倒塌伤人163185时有其他的不平安因素34.使用的工具是不牢固,扳手等工具未掉落伤人163185系挂在身上,钉子未放在工具袋内35.工作时思想不集中钉子扎脚和空中滑落163185模板安装与撤除 2m 以上的模板,未搭脚36.安装手架,未设防栏杆,上下在同一垂直高空坠落66155401与拆面操作37.除安装与撤除模板上下在同一垂直面落物伤人163185操作38.支设高度在 3m 以上的模板,四周未模板倒塌伤人、高空坠1615903设斜撑,未设立操作平台落39.柱模要 6m以上,未将几个柱模连成模板倒塌伤人1615903整体操作人员登高不走人行梯道,利用模40.板支撑攀登上下,在墙顶、独立梁及模板倒塌伤人1615903其他高处狭窄而无防护的模板面上行走41.二人抬运模板时不配合,传递模板乱模板伤人163185抛42.组合钢模板装拆时,上下无人接应模板倒塌伤人、高空坠615454落43.钢模板及配件应从高处掷下物体打击61545444.涉水、临水作业过程3615270245.向槽〔坑〕内抛掷模板构件物体打击伤人61545446.使用溜槽或起重机械运送模板构物体打击伤人1615903件,下方操作人员在危险区域47.高空、复杂结构模板的安装与撤除,高空坠落、物体打击伤315454事先无切实的平安措施人148.拆模作业时,未设警戒区,下方有落物伤人615454人进入49.拆模作业人员站的地方不够平稳牢失稳坠落伤人163185固可靠,拆模时猛撬50.用吊车直接吊除没有撬松动的模板吊车倾倒伤人6401203在组合钢模板上架设的电线和使用51.模板电开工具,使用高于36V 平安电压触电伤害615185安装且未采取其他有效的平安措施与拆高空作业站立在墙上工作或在大梁52.除底模上行走,操作人员穿硬底鞋及高空坠落615185有跟鞋作业53.拆模不一次拆清,留下无撑模板物体打击伤害61545454.涉水、临水作业过程溺水3615270255.拆模起吊穿墙销杆未拆净吊车倾覆伤人640120356.钢筋 ( 金属件〕断料、配料、弯料等高空坠落61595工作在高空操作57.搬运钢筋 ( 金属件〕在附近有障碍触电事故615185物、架空电线和其他临时电气设备58.操作人员不熟悉钢筋( 金属件〕机械机械伤害163185的构造性能和用途机械运行中停电时,未切断电源,收工时未按顺序停机,拉闸,锁好设备异常启动伤人,触59.电箱门,清理作业场所。
水利工程施工危险源辨识清单背景在水利工程施工中,危险源的辨识对于保障施工安全至关重要。
本文档旨在提供一份水利工程施工危险源辨识清单,以便施工团队能够识别和管理潜在的危险源,从而减少事故发生的可能性,并保护工作人员的安全与健康。
危险源辨识清单1. 工作场所危险源- 电气设备:存在电击、火灾危险。
- 高处作业:存在坠落风险。
- 施工机械:存在碾压、挤压、切割等安全风险。
- 施工材料:存在储存不当导致火灾、爆炸的危险。
- 施工现场交通:存在车辆碰撞、行人受伤的危险。
- 施工区域拥挤:存在人员密集导致踩踏、挤压等危险。
2. 危险物质- 气体:如有毒、易燃气体的泄漏可能导致中毒或火灾。
- 液体:如有毒、腐蚀性液体的泄漏可能导致中毒或腐蚀。
- 固体:如有毒、易燃固体的存在可能导致中毒或火灾。
- 化学药品:存在误食、接触等事故风险。
3. 自然环境危险因素- 天气条件:如恶劣天气、强风、雨雪等可能导致施工意外。
- 地质条件:如不稳定的地基、地震等可能导致土方事故。
- 水域风险:如河道溃堤、水位上涨等可能导致溺水事故。
4. 人为因素- 施工人员缺乏安全意识:如不遵守安全操作规程,存在意外伤害的风险。
- 施工人员疲劳:长时间工作可能导致错误操作、注意力不集中等问题。
- 作业管理不当:如缺乏监督、指导,可能导致施工事故发生。
防控措施为了减少以上危险源可能带来的风险,施工团队应采取以下防控措施:1. 建立健全安全管理制度,确保施工人员遵守安全规程。
2. 确保施工现场的电气设备符合相关安全标准,并进行定期检查和维护。
3. 采取防坠落措施,如安装护栏、使用安全带等,保障高处作业人员的安全。
4. 对施工机械进行定期检查和维护,确保其正常运行和安全使用。
5. 储存化学品时遵守相关规定,确保其安全储存和使用。
6. 设立施工区域的交通指示标志,划定施工区域并限制非工作人员进入。
7. 合理规划和组织施工作业,保证施工区域不过度拥挤。
水利工程施工完整危险源辨识清单水利工程项目危险源清单编号:S-4.3.1-01序号作业活动/危险源号危害备注1 定位放线杂草中行走 L 1 毒蛇咬伤 E 22 定位放线不平整地面上行走 L 0.5 脚部扭伤 E 23 定位桩钉设 L 1 大锤伤人 E 24 临时宿舍搭设超过2m高度 L 0.5 高空坠落 E 25 临时宿舍基础墙体不符合要求 L 0.2 宿舍倒塌伤人 E 26 临时宿舍电线未设防护套管 L 0.2 触电伤害 E 107 临时宿舍电线超负荷 L 0.2 电线着火引发火灾 E 108 土方开挖遇有地下管线L 0.5 挖断管线引发触电、火灾、中毒等 E 29 开挖槽、坑、沟深度超过1.5m L 0.5 土方坍塌伤人 E 210 槽、坑、沟人员上下间歇时,在槽、坑坡脚下休息 L 0.5 跌落伤人 E 211 挖土过程中遇有古墓、地下管道、电缆或其他不能辨认的异物和液体、气体 L 0.2 引起人员不明伤害 E 712 槽、坑、沟边1m以内堆土、堆料停放机具 L 0.2 落物伤人 E 513 开挖深度超过2m的槽、坑、沟边人员活动 L 0.5 土方坍塌伤人 E 514 人工挖土、前后操作人员横向间距离及纵向间距太近L 0.5 土方坍塌伤人 E 515 掏洞挖土,搜底挖槽 L 0.2 土方坍塌伤人 E 516 回转半径下工作 L 0.2 机械伤人 E 517 雨于槽、坑、沟底作业 L 0.2 触电伤人 E 518 机械挖土时挖土机故障 L 0.5 机械伤人 E 519 机械在有输电线路和线路一侧工作 L 0.2 触电伤害 E 520 将挖土机履带与挖空的基坑边停、驶机械翻转伤人 L 0.2 跌落伤人 E 521 运土汽车靠近基坑平行行驶 L 0.2 落物伤人 E 522 配合挖土机的清坡、清底工人在机械下作业 L 0.2 坍方翻车伤人 E 5以下是水利工程项目危险源清单,其中包括了22个作业活动/危险源的编号、危害和备注信息,以便工作人员在施工过程中注意安全。
水利工程项目危险源清单63・44. 45・ 46・ 47. 49. 50・ 51. 52. 53. 54・ 55・ 56. 57. 59・ 60. 61. 62. 64・涉水、临水作业过程3615 270 2 向槽(坑)内抛掷模板构件 物体打击伤人 0、5 6 15 45 4 使用溜槽或起重机械运送模板构 件,下方操作人员在危险区域 物体打击伤人1 6 15 90 3 高空、复杂结构模板得安装与拆除, 事先无切实得安全措施高空坠落、物体打击伤人 1315 45 4 拆模作业时,未设警戒区,下方有人 进入落物伤人 0、5 6 15 45 4 拆模作业人员站得地方不够平稳牢 固可靠,拆模时猛撬失稳坠落伤人 163185 用吊车直接吊除没有撬松动得模板 吊车倾倒伤人0、5 6 40 120 3 在组合钢模板上架设得电线与使用电动工具,使用高于36V 安全电压 且未采取其她有效得安全措施 触电伤害 0、2 615185高空作业站立在墙上工作或在大梁底模上行泄,操作人员穿硬底鞋及 有跟鞋作业高空坠落 0、2 6 15 18 5 拆模不一次拆淸,留下无撑模板 物体打击伤害 0、5 615454 涉水、临水作业过程 溺水3 6 15 270 2拆模起吊穿墙销杆未拆净吊车倾覆伤人 0、5 6 40 120 3 钢筋(金属件)断料、配料、弯料等工 作在高空操作高空坠落 0、1 6 15 9 5 搬运钢筋(金属件)在附近有障碍物、 架空电线与其她临时电气设备 触电事故 0、2 6 15 18 5 操作人员不熟悉钢筋(金属件)机械 得构造性能与用途机械伤害163185机械运行中停电时,未切断电源,收 工时未按顺序停机,拉闸,锁好电箱 门,淸理作业场所。
电路故障由非专 业电工排除,非电工接、拆修电气设 备 设备异常启动伤人,触电 0、2 6 15 18 5人员作业时未扎紧袖口,未理好衣 角及扣好衣扣,戴手套操作机械伤害 0、5 6 7 21 4 电动机械转动齿轮、皮带盘等高速 运转部分,未安装防护罩或防护板 机械伤害0、5 67214在高处(2m 或2m 以上)、深基坑绑 扎钢筋与安装钢筋(金属件)柠架,未 搭设脚手架或操作平台,临边应搭 设防护栏杆高空坠落0、5 615 45 4绑扎立柱与墙体时,站在钢筋(金属 件)网架上或攀登骨架上下高空坠落、钢筋(金属件) 扎伤0、5 6 15 45 4钢筋(金属件)骨架安装,下方站人,未 等ft 架降落至楼、地而Im 以内就 靠近落物伤人3 6 7 246 2模板 安装 与拆 除钢 筋加 工65・66・67 .69 .70・71 .72 .73 .74 .75 .76 .77 .79.超吊钢筋(金属件)时,规格不统一,长短参差不一,细长钢筋(金属件)一点吊钢筋(金属件)散落伤人 3 6 15 270 2绑扌L与安装钢筋(金属件),将工具、箍筋或短钢筋(金属件)随意放在脚手架或模板上落物伤人 3 6 15 270 2雷雨进露天操作雷击钢筋(金属件)伤人0、1 2 15 3 5 卷扬机岀绳未经封闭式导向滑轮与被拉钢筋方向成直角;卷扬机得位置不能使操作人员见到全部冷拉场地,距冷拉冲线少于5m钢丝绳脱出或未发现危险导致伤人0、5 6 15 45 4冷拉场地两端地锚以外未设置警戒区,未装设防护挡板及警告标志,非生产人员在冷拉钢筋。
水利工程施工完整危险源辨识及评价晋江东石滞洪区项目(二期)危险源辨识、风险评价与控制措施记录作业活动/危险源:1.定位放线杂草中行2.定位放线不平整地面上行走3.定位桩钉设4.临时宿舍搭设超过2m高度5.临时宿舍基础墙体不符合要求6.临时宿舍电线未设防护套管7.临时宿舍电线超负荷8.XXX开挖遇有地下管线9.开挖槽、坑、沟深度超过1.5m10.槽、坑、沟人员上下间歇时,在槽、坑坡脚下休息11.挖土过程中遇有古墓、地下管道、电缆或其他不能辨认的异物和液体、气体12.槽、坑、沟边1m以内堆土、堆料停放机具13.开挖深度超过2m的槽、坑、沟边人员活动14.人工挖土、前后操作人员横向间距离及纵向间距太近15.掏洞挖土,搜底挖槽16.雨于槽、坑、沟底作业17.机械挖土时挖土机故障18.机械在有输电线路和线路一侧工作19.将挖土机履带与挖空的基坑边停、机械翻转伤人危害:1.毒蛇咬伤2.脚部扭伤3.大锤伤人4.高空坠落5.宿舍倒塌伤人6.触电伤害7.电线着火引发火灾8.挖断管线引发触电、火灾、中毒等9.XXX坍塌伤人10.跌落伤人11.XXX坍塌伤人12.人员不明伤害13.XXX坍塌伤人14.工具伤人15.XXX坍塌伤人16.触电伤人17.机械伤人18.XXX坍塌伤人19.机械伤人控制措施:1.做好现场清理工作,保持场地整洁,清除杂草2.在不平整地面上行走时,应该注意脚下情况,避免扭伤3.定位桩钉应该设置在安全区域内4.搭设临时宿舍时,应该符合相关要求,不超过2m高度5.临时宿舍基础墙体应该符合要求,确保安全6.电线应该设防护套管,避免触电7.电线负荷应该控制在安全范围内8.开挖前应该了解地下管线情况,避免挖断管线9.槽、坑、沟深度不应该超过1.5m10.休息时不应该在槽、坑坡脚下,避免滑落11.挖土过程中应该注意异物和液体、气体,避免人员不明伤害12.槽、坑、沟边1m以内应该清理,堆土、堆料停放机具的位置应该合理13.开挖深度超过2m的槽、坑、沟边人员应该注意安全14.人工挖土时,前后操作人员间距应该合理15.掏洞挖土、搜底挖槽时应该注意安全16.雨天应该停止槽、坑、沟底作业17.机械挖土时,挖土机应该定期检查,避免故障18.机械在有输电线路和线路一侧工作时,应该注意安全距离19.将挖土机履带与挖空的基坑边停、机械翻转时应该注意安全距离正常也不及时处理混凝土搅拌机维护保养不到位混凝土搅拌机未停稳即进行维修混凝土搅拌机清洗时未切断电源混凝土搅拌机上料时未切断电源混凝土搅拌机操作时未戴安全帽混凝土搅拌机操作时未穿工作服机械伤害未经过安全技术培训的操作人员使用混凝土搅拌机,或者操作人员没有相应的证书。
危险因素辨识及风险评价表
1
评价方法及评价标准
风险性分值(D)= 事故可能性(L)╳暴露频率(E)╳后果严重性(C)
说明:根据计算所得的风险性分数值(D)的大小,进行风险等级划分,共分5级,级数越小,反映作业的风险性越严重。
事故类别
1、《企业职工伤亡事故分类标准》事故类别共分为28种,分别是:1、安全管理
2、文明施工
3、教育培训
4、设备设施
5、施工布置与现场管理
6、施工技术 7.施工用电 8、施工脚手架 9、模板工程 10、防洪度汛 11、交通安全 12、消防安全 13、易燃易爆危险品 14、高边坡 15、基坑作业 16、洞室作业 1
7、爆破作业 1
8、水上水下作业 1
9、高处作业 20、起重吊装作业 21、临近带电体作业 22、焊接作业 23、交叉作业 24、有(受)限空间作业 24、岗位达标 26、相关方27、职业健康 28、
2
警示标志 29、其他
3
危害因素辨识与风险评价结果一览表
1
2
3
4
5
6
7
8
9
10
11
13
17
19
21
22
25
28
32
35
36
37
38
39
40
备注:
1、“清单”共526项,其中,Ⅰ级风险17项,3.23%;Ⅱ级风险82项,15.50%;Ⅲ级风险176项,33.46%;Ⅳ级风险244项,46.38%,Ⅴ级风险7项,1.33%,
2、施工企业在安全风险辨识中,应以规范标准为依据,结合“清单”设置的辨识目录,做好风险分级防控工作。
41。