工程竣工图章样式
- 格式:doc
- 大小:23.50 KB
- 文档页数:2
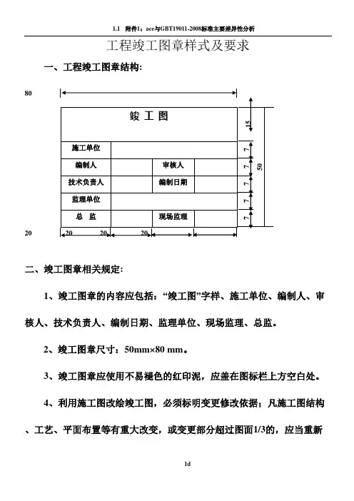
工程竣工图章样式及要求
一、工程竣工图章结构:
二、竣工图章相关规定:
1、竣工图章的内容应包括:“竣工图”字样、施工单位、编制人、审核人、技术负责人、编制日期、监理单位、现场监理、总监。
2、竣工图章尺寸:50mm×80 mm。
3、竣工图章应使用不易褪色的红印泥,应盖在图标栏上方空白处。
4、利用施工图改绘竣工图,必须标明变更修改依据;凡施工图结构、工艺、平面布置等有重大改变,或变更部分超过图面1/3的,应当重新绘制竣工图。
5、建筑工程竣工图方面没有统一的规定,关于竣工图章的签字也没有特别严格的要求。
就竣工图章栏内的技术负责
人、编制人和审核人的填写,基本要求如下:
技术负责人:项目总工;公司技术负责人;项目技术负责人;公司工程部部长、公司总工(副总工)。
编制人:具体编制人员,谁编制的就填谁,可以是公司的资料员或工程技术人员等;公司内的专业工程师;项目质量员;施工员。
审核人:分项技术负责人;分项技术主管;专业工程师;项目经理;公司总工。
现场监理:就是现场负责在钢结构技术资料上签字的监理代表或监理员,或者就是负责钢结构的专业监理工程师。
工程竣工图章样式及要求一、工程竣工图章结构:二、竣工图章相关规定:1、竣工图章的内容应包括:“竣工图”字样、施工单位、编制人、审核人、技术负责人、编制日期、监理单位、现场监理、总监。
2、竣工图章尺寸:50mm×80 mm。
3、竣工图章应使用不易褪色的红印泥,应盖在图标栏上方空白处。
4、利用施工图改绘竣工图,必须标明变更修改依据;凡施工图结构、工艺、平面布置等有重大改变,或变更部分超过图面1/3的,应当重新绘制竣工图。
5、建筑工程竣工图方面没有统一的规定,关于竣工图章的签字也没有特别严格的要求。
就竣工图章栏内的技术负责人、编制人和审核人的填写,基本要求如下:技术负责人:项目总工;公司技术负责人;项目技术负责人;公司工程部部长、公司总工(副总工)。
编制人:具体编制人员,谁编制的就填谁,可以是公司的资料员或工程技术人员等;公司内的专业工程师;项目质量员;施工员。
审核人:分项技术负责人;分项技术主管;专业工程师;项目经理;公司总工。
现场监理:就是现场负责在钢结构技术资料上签字的监理代表或监理员,或者就是负责钢结构的专业监理工程师。
建筑工程竣工图方面没有统一的规定,关于竣工图章的签字也没有特别严格的要求。
就竣工图章栏内的技术负责人、编制人和审核人的填写,下面摘录了一些工程公司通常的填写方法,但未确认规范与否,请酌定:技术负责人:项目总工;公司技术负责人;项目技术负责人;公司工程部部长、公司总工(副总工)。
编制人:具体编制人员,谁编制的就填谁,可以是公司的资料员或工程技术人员等;公司内的专业工程师;项目质量员;施工员。
审核人:分项技术负责人;分项技术主管;专业工程师;项目经理;公司总工。
钢结构工程竣工图章样式及要求工程竣工图章样式及要求一、工程竣工图章结构:二、竣工图章相关规定:1、竣工图章的内容应包括:“竣工图”字样、施工单位、编制人、审核人、技术负责人、编制日期、监理单位、现场监理、总监。
2、竣工图章尺寸:50mm×80 mm。
3、竣工图章应使用不易褪色的红印泥,应盖在图标栏上方空白处。
4、利用施工图改绘竣工图,必须标明变更修改依据;凡施工图结构、工艺、平面布置等有重大改变,或变更部分超过图面1/3的,应当重新绘制竣工图。
5、建筑工程竣工图方面没有统一的规定,关于竣工图章的签字也没有特别严格的要求。
就竣工图章栏内的技术负责人、编制人和审核人的填写,基本要求如下:技术负责人:项目总工;公司技术负责人;项目技术负责人;公司工程部部长、公司总工(副总工)。
编制人:具体编制人员,谁编制的就填谁,可以是公司的资料员或工程技术人员等;公司内的专业工程师;项目质量员;施工员。
审核人:分项技术负责人;分项技术主管;专业工程师;项目经理;公司总工。
现场监理:就是现场负责在钢结构技术资料上签字的监理代表或监理员,或者就是负责钢结构的专业监理工程师。
建筑工程竣工图方面没有统一的规定,关于竣工图章的签字也没有特别严格的要求。
就竣工图章栏内的技术负责人、编制人和审核人的填写,下面摘录了一些工程公司通常的填写方法,但未确认规范与否,请酌定:技术负责人:项目总工;公司技术负责人;项目技术负责人;公司工程部部长、公司总工(副总工)。
编制人:具体编制人员,谁编制的就填谁,可以是公司的资料员或工程技术人员等;公司内的专业工程师;项目质量员;施工员。
审核人:分项技术负责人;分项技术主管;专业工程师;项目经理;公司总工。
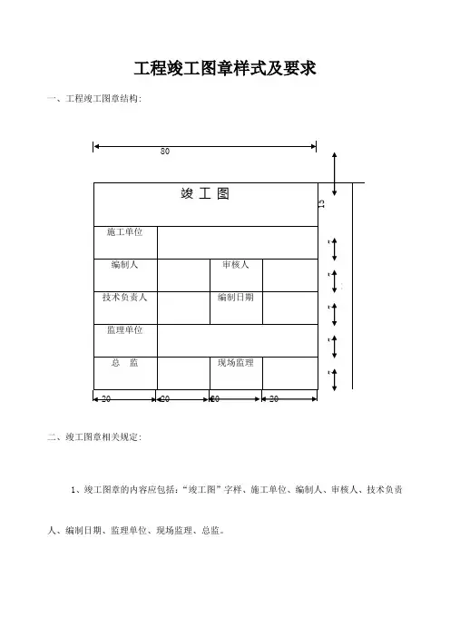
工程竣工图章样式及要求
一、工程竣工图章结构:
二、竣工图章相关规定:
1、竣工图章的内容应包括:“竣工图"字样、施工单位、编制人、审核人、技术负责人、编制日期、监理单位、现场监理、总监。
2、竣工图章尺寸:50mm×80 mm。
3、竣工图章应使用不易褪色的红印泥,应盖在图标栏上方空白处。
4、利用施工图改绘竣工图,必须标明变更修改依据;凡施工图结构、工艺、平面布置等有重大改变,或变更部分超过图面1/3的,应当重新绘制竣工图。
5、建筑工程竣工图方面没有统一的规定,关于竣工图章的签字也没有特别严格的要求.就竣工图章栏内的技术负责
人、编制人和审核人的填写,基本要求如下:
技术负责人:项目总工;公司技术负责人;项目技术负责人;公司工程部部长、公司总工(副总工)。
编制人:具体编制人员,谁编制的就填谁,可以是公司的资料员或工程技术人员等;公司内的专业工程师;项目质量员;施工员.
审核人:分项技术负责人;分项技术主管;专业工程师;项目经理;公司总工。
现场监理:就是现场负责在钢结构技术资料上签字的监理代表或监理员,或者就是负责钢结构的专业监理工程师。
4.2.6工程文件中文字材料幅面尺寸规格宜为A4幅面(297mm×210mm)。
图纸宜采用国家标准图幅。
4.2.7工程文件的纸张应采用能够长期保存的韧力大、耐久性强的纸张。
图纸一般采用蓝晒图,竣工图应是新蓝图。
计算机出图必须清晰,不得使用计算机出图的复印件。
4.2.8所有竣工图均应加盖竣工图章。
1竣工图章的基本内容应包括:“竣工图”字样、施工单位、编制人、审核人、技术负责人、编制日期、监理单位、现场监理、总监。
2竣工图章示例如下(图4.2.8):
3竣工图章尺寸为:50mm×80mm。
4竣工图章应使用不易褪色的红印泥,应盖在图标栏上方空白处。
4.2.9利用施工图改绘竣工图,必须标明变更修改依据;凡施工图结构、工艺、平面布置等有重大改变,或变更部分超过图面1/3的,应当重新绘制竣工图。
4.2.10不同幅面的工程图纸应按《技术制图复制图的折叠方法》(GB/10609.3-89)统一折叠成A4幅面(297mm×210mm),图标栏露在外面。
图4.2.8竣工图章示例。
工程竣工图章样式及要
求
Company Document number:WTUT-WT88Y-W8BBGB-BWYTT-19998
工程竣工图章样式及要求
一、工程竣工图章结构:
二、竣工图章相关规定:
1、竣工图章的内容应包括:“竣工图”字样、施工单位、编制人、审核人、技术负责人、编制日期、监理单位、现场监理、总监。
2、竣工图章尺寸:50mm×80 mm。
3、竣工图章应使用不易褪色的红印泥,应盖在图标栏上方空白处。
4、利用施工图改绘竣工图,必须标明变更修改依据;凡施工图结构、工艺、平面布置等有重大改变,或变更部分超过图面1/3的,应当重新绘制竣工图。
所有竣工图均应加盖竣工图章。
工程竣工图章样式及要求
一、工程竣工图章结构:
二、竣工图章相关规定:
1、竣工图章的内容应包括:“竣工图”字样、施工单位、编制人、审核人、技术负责人、编制日期、监理单位、现场监理、总监。
2、竣工图章尺寸:50mm×80 mm。
3、竣工图章应使用不易褪色的红印泥,应盖在图标栏上方空白处。
4、利用施工图改绘竣工图,必须标明变更修改依据;凡施工图结构、工艺、平面布置等有重大改变,或变更部分超过图面1/3的,应当重新绘制竣工图。
5、建筑工程竣工图方面没有统一的规定,关于竣工图章的签字也没有特别严格的要求。
就竣工图章栏内的技术负责人、编制人和审核人的填写,基本要求如下:技术负责人:项目总工;公司技术负责人;项目技术负责人;公司工程部部长、公司总工(副总工)。
编制人:具体编制人员,谁编制的就填谁,可以是公司的资料员或工程技术人员等;公司内的专业工程师;项目质量员;施工员。
审核人:分项技术负责人;分项技术主管;专业工程师;项目经理;公司总工。
现场监理:就是现场负责在钢结构技术资料上签字的监理代表或监理员,或者就是负
责钢结构的专业监理工程师。
工程竣工图章样式及要求
一、工程竣工图章结构:
80
20
二、竣工图章相关规定:
1、竣工图章的内容应包括:“竣工图”字样、施工单位、编制人、审核人、技术负责人、编制日期、监理单位、现场监理、总监。
2、竣工图章尺寸:50mm×80 mm。
3、竣工图章应使用不易褪色的红印泥,应盖在图标栏上方空白处。
4、利用施工图改绘竣工图,必须标明变更修改依据;凡施工图结构、工艺、平面布置等有重大改变,或变更部分超过图面1/3的,应当重新
绘制竣工图。
5、建筑工程竣工图方面没有统一的规定,关于竣工图章的签字也没有特别严格的要求。
就竣工图章栏内的技术负责人、编制人和审核人的填写,基本要求如下:
技术负责人:项目总工;公司技术负责人;项目技术负责人;公司工程部部长、公司总工(副总工)。
编制人:具体编制人员,谁编制的就填谁,可以是公司的资料员或工程技术人员等;公司内的专业工程师;项目质量员;施工员。
审核人:分项技术负责人;分项技术主管;专业工程师;项目经理;公司总工。
现场监理:就是现场负责在钢结构技术资料上签字的监理代表或监理员,或者就是负责钢结构的专业监理工程师。
精品文档word文档可以编辑!谢谢下载!。
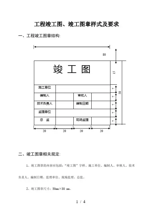
工程竣工图、竣工图章样式及要求
一、工程竣工图章结构:
二、竣工图章相关规定:
1、竣工图章的内容应包括:“竣工图”字样、施工单位、编制人、审核人、技术负责人、编制日期、监理单位、现场监理、总监。
2、竣工图章尺寸:50mm×80 mm。
3、竣工图章应使用不易褪色的红印泥,应盖在图标栏上方空白处。
4、利用施工图改绘竣工图,必须标明变更修改依据;凡施工图结构、工艺、平面布置等有重大改变,或变更部分超过图面1/3的,应当重新绘制竣工图。
5、建筑工程竣工图方面没有统一的规定,关于竣工图章的签字也没有特别严格的要求。
就竣工图章栏内的技术负责人、编制人和审核人的填写,基本要求如下:技术负责人:技术负责人;项目技术负责人。
编制人:具体编制人员,谁编制的就填谁,可以是公司的资料员或工程技术人员等;公司内的专业工程师;项目质量员;施工员。
审核人:项目经理;车间主任。
现场监理:就是现场负责在技术资料上签字的监理代表或监理员,或者就是负责的专业监理工程师。
一、工程施工图章结构:
80
二、施工图章相关规定:
1、施工图章的内容应包括:联峰工程设备安装工程有限公司、“施工图”字样、制图人、审核人、工程负责人、日期。
2、竣工图章尺寸:50mm×80 mm。
3、竣工图章应使用不易褪色的蓝印泥,应盖在图标栏上方空白处。
4、制图人:具体制图人员,谁制图的就填谁。
可以是公司的工程技术人员或车间
技术人员等。
审核人:一般是条线技术负责人
工程负责人:一般是项目经理、项目主管、车间主任等。
工程竣工图章样式及要求
一、工程竣工图章结构:
二、竣工图章相关规定:
1、竣工图章的内容应包括:“竣工图”字样、施工单位、编制人、审核人、技术负责人、编制日期、监理单位、现场监理、总监。
2、竣工图章尺寸:50mm×80 mm。
3、竣工图章应使用不易褪色的红印泥,应盖在图标栏上
方空白处。
4、利用施工图改绘竣工图,必须标明变更修改依据;凡施工图结构、工艺、平面布置等有重大改变,或变更部分超过图面1/3的,应当重新绘制竣工图。
5、建筑工程竣工图方面没有统一的规定,关于竣工图章的签字也没有特别严格的要求。
就竣工图章栏内的技术负责人、编制人和审核人的填写,基本要求如下:
技术负责人:项目总工;公司技术负责人;项目技术负责人;公司工程部部长、公司总工(副总工)。
编制人:具体编制人员,谁编制的就填谁,可以是公司的资料员或工程技术人员等;公司内的专业工程师;项目质量员;施工员。
审核人:分项技术负责人;分项技术主管;专业工程师;项目经理;公司总工。
现场监理:就是现场负责在钢结构技术资料上签字的监理代表或监理员,或者就是负责钢结构的专业监理工程师。
竣工图章样式
竣工图章是建设工程使用最多的印章之一,竣工图章并非都是统一样式,下面我们列出常用的17款竣工图章尺寸和样式样式一:80*50mm
竣工图章样式1
样式二:80*50mm
竣工图章样式2
样式三:80*50mm
竣工图章样式三
样式四:80*50mm 竣工图章样式四
样式五:80*50mm
竣工图章样式五
样式六:80*50mm
竣工图章样式六
样式七:80*50mm
竣工图章样式七
样式八:80*50mm
竣工图章样式八
样式九:80*60mm
竣工图章样式九
样式十:80*60mm 竣工图章样式十
样式十一:80*60mm
竣工图章样式十一
样式十二:80*60mm
竣工图章样式十二
样式十三:90*60mm
竣工图章样式十三
样式十四:70*48mm 竣工图章样式十四
样式十四:90*50mm
竣工图章样式十五
样式十五:99*50mm
竣工图章样式十六
样式十七:70*54mm
竣工图章样式十七
样式十八:100*58mm 竣工图章样式十八。
工程竣工图章样式及要求、工程竣工图章结构:80 .二、竣工图章相关规定:1、竣工图章的内容应包括:“竣工图”字样、施工单位、编制人、审核人、技术负责人、编制日期、监理单位、现场监理、总监。
2、竣工图章尺寸:50mm X 80 mm。
3、竣工图章应使用不易褪色的红印泥,应盖在图标栏上方空白处。
4、利用施工图改绘竣工图,必须标明变更修改依据;凡施工图结构、工艺、平面布置等有重大改变,或变更部分超过图面1/3的,应当重新绘制竣工图。
5、建筑工程竣工图方面没有统一的规定,关于竣工图章的签字也没有特别严格的要求。
就竣工图章栏内的技术负责人、编制人和审核人的填写,基本要求如下:技术负责人:项目总工;公司技术负责人;项目技术负责人;公司工程部部长、公司总工(副总工)。
编制人:具体编制人员,谁编制的就填谁,可以是公司的资料员或工程技术人员等;公司内的专业工程师;项目质量员;施工员。
审核人:分项技术负责人;分项技术主管;专业工程师;项目经理;公司总工。
现场监理:就是现场负责在钢结构技术资料上签字的监理代表或监理员,或者就是负责钢结构的专业监理工程师。
建筑工程竣工图方面没有统一的规定,关于竣工图章的签字也没有特别严格的要求。
就竣工图章栏内的技术负责人、编制人和审核人的填写,下面摘录了一些工程公司通常的填写方法,但未确认规范与否,请酌定:技术负责人:项目总工;公司技术负责人;项目技术负责人;公司工程部部长、公司总工(副总工)。
编制人:具体编制人员,谁编制的就填谁,可以是公司的资料员或工程技术人员等;公司内的专业工程师;项目质量员;施工员。
审核人:分项技术负责人;分项技术主管;专业工程师;项目经理;公司总工。
工程竣工图章样式及要求
一、工程竣工图章结构:
80
竣工图1550施工单位7
编制人7
技术负责人7
监理单位7
总监7
20 20 20 50
二、竣工图章相关规定:
1、竣工图章的内容应包括:“竣工图”字样、施工单位、编制人、审核人、技术负责人、编制日期、监理单位、现场监理、总监。
2、竣工图章尺寸:50mm×80 mm。
3、竣工图章应使用不易褪色的红印泥,应盖在图标栏上方空白处。
4、利用施工图改绘竣工图,必须标明变更修改依据;凡施工图结构、工艺、平面布置等有重大改变,或变更部分超过图面1/3的,应当重新绘制竣工图。
所有竣工图均应加盖竣工图章。