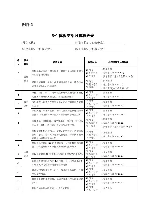
模板工程及支撑体系安全监理常规检查表
- 格式:docx
- 大小:16.42 KB
- 文档页数:2
模板⽀撑体系安全检查验收表版
模板⽀撑体系安全检查验收表
1
说明:①、现场⽀撑系统的验收,项⽬部和监理单位有关⼈员应认真进⾏检查验收。
在检查中,扣件螺栓⼒矩检查必须采⽤⼒矩扳⼿。
顶部扣件应全数检查,其余扣件检查数量不得少于10%。
现场验收必须严格按照下列程序组织验收:班组⾃检→项⽬部技术负责⼈组织检查验收→施⼯项⽬部、监理部联合验收。
②、承重⽀模架的管理,搭设承重⽀模架使⽤的钢管、扣件进⼊施⼯现场前必须进⾏质量验收,对钢管、扣件的外观质量进⾏检查。
③、承重⽀模架验收后,施⼯单位做好维护管理⼯作,杜绝擅⾃破坏承重⽀模架的承重体系,以确保⽀模架的安全性。
④、根据建质【2009】87号⽂件,⽔平混凝⼟构件模板⽀撑系统⾼度超过8m,或跨度超过18m,施⼯总荷载⼤于15kN/m2,或集中线荷载⼤于20kN/m的模板⽀撑系统为⾼⼤模板⼯程,需组织专家组进⾏论证审查,完善后另附专家论证报告。
落地式外脚⼿架安全验收表
基本要求:1、脚⼿架搭设前,必须做好技术准备措施,程序到位。
2、脚⼿架搭设必须符合规范。
3、安全防护必须随进度及时设置。
4、项⽬部要做好⽇常安全检查。
3。
1. 爬升前,应检查爬升设备的位置、牢固程度、吊钩及连接杆件等, 确认无误后,拆除相邻大模板及脚手架间的连接杆
6.4.1 进入施工现场的爬升模板系统中的大模板、爬升支架、爬升设备、 脚手架及附件等,应按施工组织设计及有关图纸验收,合格后方可使用。
6.5.1 飞模的制作组装必须全部按设计图进行,运到施工现
4 飞模拆除必须有专人统一指挥,飞模尾部应绑安全绳,安
1 梁、板混凝土强度等级不得小于设计强度的 75%时,方准脱模。
2 飞模的拆除顺序、行走路线和运到下一个支模地点的位置,均应按 照台模设计的有关规定进行
当钢模板高度超过 15m 时,应安设避雷设施,避雷设施的接地
螺栓、连接件是否全部拆除,必须在确认模板和混凝土结构之间无任何连接后方可起吊大模板,移动模板时不得碰撞墙体;
7 大模板及配件拆除后,应及时清理干净,对变形和损坏的部位应及时进行维修
3 拆除有支撑架的大模板时,应先拆除模板与混凝土结构之间的对拉螺栓及其他连接件,松动地脚螺栓,使模板后倾与墙体脱离开;拆除无固定支撑架的大模板时,应对模板采取临时固定措施;。
模板工程及支撑体系安全旁站监理记录表模板工程及支撑体系安全旁站监理检查明细(本页打印在背面)一、适用范围说明1、危险性较大的模板工程及支撑体系⑴、各类工具式模板工程:包括大模板、滑模、爬模、飞模等工程。
⑵、混凝土模板支撑工程:搭设高度5m及以上;搭设跨度10m及以上;施工总荷载10kN/m2及以上;集中线荷载15kN/m2及以上;高度大于支撑水平投影宽度且相对独立无联系构件的混凝土模板支撑工程。
⑶、承重支撑体系:用于钢结构安装等满堂支撑体系。
2、超过一定规模的危险性较大的模板工程及支撑体系⑴、工具式模板工程:包括滑模、爬模、飞模工程。
⑵、混凝土模板支撑工程:搭设高度8m及以上;搭设跨度18m及以上,施工总荷载15kN/m2及以上;集中线荷载20kN/m2及以上。
⑶、承重支撑体系:用于钢结构安装等满堂支撑体系,承受单点集中荷载700Kg以上。
二、检查内容1.支模应按规定的作业程序进行,边安装边支撑固定□2.支设悬挑形式的模板时,应有稳固的立足点□;支设临空构筑物模板时,应搭设支架或脚手架□3.对于上方施工可能坠落物件的通道口;在其受影响的范围内,应搭设顶部能防止穿透的双层防护廊□5.模板的支柱、纵横向水平杆、剪刀撑等必须按设计的规定布置□6.安装上层模板时,下层楼板结构必须已达到能承受上层模板、支撑系统和新浇筑混凝土的重量的强度□7.安装或拆除模板时,高度超过3.5m时,应搭设脚手架及工作平台□8.模板的预留孔洞、电梯井口等处必须加盖或设置防护栏以及必要时应在洞口处设置安全网□9.登高作业时,操作人员必须系好安全带□;严禁在同一垂直面上装拆模板□10.连接件必须放在箱盒或工具袋中□;扳手等各类工具必须系挂在身上或置放于工具袋内□11.作业人员不准站在柱模板上操作和在梁底模上行走,不允许利用拉杆、支撑攀登上下□12.组合钢模板安装及拆除时,钢模板应随装、拆随转运,不得堆放在脚手板上□13.拆模时,混凝土必须满足所需强度的要求,经确认已达拆模强度时方可拆除□14.拆模时应按后支先拆、先撑后拆的原则进行,先拆非承重部位,后拆承重部位□15.严禁将支柱全部拆除后,一次性成片拉拽撬落模板□16.钢模板部件拆除后,临时堆放处离楼层边沿不应小于1m,堆放高度不得超过1m □17.在钢模板上加设的电线和使用的电动工具,必须采用安全电压或采取其他有效的防触电安全措施□18.在架空线路下安、拆模板时,吊臂、吊物、外脚手架及人员等与架空线路的安全距离必须满足要求□。