《铁路旅客车站客运服务信息系统工程施工质量验收标准》(TB 10427—2011)2014年8月培训试题
- 格式:doc
- 大小:25.50 KB
- 文档页数:2
国家铁路局关于发布《绿色铁路客站评价标准》等3项铁路工程建设标准英文译本的公告
文章属性
•【制定机关】国家铁路局
•【公布日期】2015.10.16
•【文号】国铁科法〔2015〕49号
•【施行日期】2015.10.16
•【效力等级】部门规范性文件
•【时效性】现行有效
•【主题分类】标准化
正文
国家铁路局
关于发布《绿色铁路客站评价标准》等3项铁路工程建
设标准英文译本的公告
国铁科法〔2015〕49号现发布《绿色铁路客站评价标准》(TB/T 10429-2014)、《铁路声屏障工程施工质量验收标准》(TB 10428-2012)、《铁路旅客车站客运服务信息系统工程施工质量验收标准》(TB 10427-2011)等3项铁路工程建设标准英文译本。
英文译本与中文版标准在技术上出现异议时,以中文版为准。
以上英文译本由中国铁道出版社组织出版发行。
国家铁路局
2015年10月16日。
铁路车站客运服务信息系统施工作业指导书单位:编制:复核:审批:2013年4月1日发布 2012年4月1日实施1、适用范围客运服务信息系统施工。
2 作业准备内业技术准备审核设计文件、施工图纸,进行安全、技术交底,明确组织分工、任务要求、质量标准以及安全环境保护要求,进行必要的安全技术培训。
确定施工方法,编制施工技术措施,认真学习实施性施工组织设计。
辨识危险源及危险因素,制定安全保证措施,提出应急预案。
外业技术准备了解现场、车站及机房的管理制度,提前办理必要的准入手续。
检查设备平面布置与实际是否相符,检查各种终端设备安装位置及环境。
收集作业中所涉及的各种外部技术数据;进行现场调查,建立临时设施,满足施工人员进场生活、办公需要。
备足工具、仪表、测试记录表格、运输工具等。
工程备料:依据设计文件,综合工程现场实际情况,编制工程材料计划,根据材料计划进行备料。
3 技术要求1 各种设备配线中间不应有接头,交流电源线应与其他配线分开编扎;设备的配线应平整无交叉;配线绝缘电阻:线间应大于30MΩ,电源配线应大于1MΩ(不带端子)。
电源零线与火线间绝缘电阻应符合设计要求。
2 机房设备安装应符合设计要求。
机架垂直偏差度不应大于机架高度的1‰。
机架背面和侧面距离墙的净距不应小于。
3 各种终端设备的安装应符合设计要求。
4 施工必须采用国家统一规定的计量标准,各种测试和计量器具应定期校验,保证准确使用。
5 室内LED显示屏的失控点不应大于万分之三,室外LED显示屏的失控点不应大于千分之三,且应为离散分布。
6 各类LED显示屏单位显示面积的最大功耗或LED显示屏总功耗应符合设计要求。
7 对不同性能的LED显示屏应配置能满足其显示功能要求的显示软件,该软件的功能应符合设计要求。
8 在摄像机的标准照度下,系统图像水平清晰度应符合:黑白图像应高于400线;彩色图像应高于270线;系统图像画面的灰度等级不应低于8级。
9 监控系统图像采用主观评价时,其等级不应低于4级。
TB 10756-2018目次1总则------------------------------------------------------------------ 1 2术语和缩略语---------------------------------------------------------- 22.1 术语 (2)2.2 缩略语 (2)3基本规定-------------------------------------------------------------- 33.1 一般规定 (3)3.2 工程施工质量验收单元划分 (3)3.3 工程施工质量验收内容和要求 (4)3.4 工程施工质量验收程序和组织 (5)4室内设备-------------------------------------------------------------- 74.1 一般规定 (7)4.2 设备及材料进场检验 (7)4.3 设备安装 (8)4.4 布线及配线 (12)4.5 防雷及接地 (14)5光电缆线路----------------------------------------------------------- 205.1 一般规定 (20)5.2 光电缆进场检验 (20)5.3 光电缆敷设、防护、接续及引入 (21)5.4 箱盒安装及配线 (28)5.5 贯通地线 (33)6地面固定信号--------------------------------------------------------- 356.1 一般规定 (35)6.2 地面固定信号进场检验 (35)6.3 高柱信号机 (36)6.4 矮型信号机 (39)6.5 信号表示器 (42)6.6 信号机及信号表示器单项检验 (43)6.7 信号标志牌 (43)7轨道占用检查装置----------------------------------------------------- 477.1 一般规定 (47)7.2 轨道占用检查装置进场检验 (47)7.3 轨道电路室外设备 (47)7.4 轨道连接线 (57)7.5 计轴设备 (61)7.6 轨道占用检查装置单项检验 (62)8道岔转辙装置--------------------------------------------------------- 658.1 一般规定 (65)8.2 道岔转辙装置进场检验 (65)8.3 转辙装置安装及配线 (65)8.4 道岔转辙装置单项检验 (68)8.5 道岔缺口监测设备 (70)9道岔融雪装置--------------------------------------------------------- 739.1 一般规定 (73)9.2 道岔融雪装置进场检验 (73)9.3 道岔融雪室外设备安装及配线 (73)9.4 道岔融雪装置单项检验 (77)10应答器及室外地面电子单元--------------------------------------------- 7910.1 一般规定 (79)10.2 应答器及室外地面电子单元进场检验 (79)10.3 应答器 (79)10.4 室外地面电子单元 (81)10.5 应答器单项检验 (83)11车载信号的地面检测设备----------------------------------------------- 8411.1 一般规定 (84)11.2 车载信号的地面检测设备进场检验 (84)11.3 车载信号的地面检测设备箱及测试环线 (84)12道口信号设备--------------------------------------------------------- 8612.1 一般规定 (86)12.2 道口信号设备进场检验 (86)12.3 道口信号设备安装 (87)12.4 道口信号设备单项检验 (88)13无线调车机车信号和监控系统------------------------------------------- 8913.1 一般规定 (89)13.2 无线调车机车信号和监控系统进场检验 (89)13.3 无线调车机车信号和监控系统设备安装 (89)13.4 无线调车机车信号和监控系统设备检验 (90)14驼峰信号------------------------------------------------------------- 9114.1 一般规定 (91)14.2 驼峰信号设备进场检验 (91)14.3 驼峰地面固定信号 (91)14.4 驼峰轨道电路 (92)14.5 驼峰转辙装置 (92)14.6 测量设备 (92)14.7 车辆限界检查器 (95)14.8 车辆减速器 (96)14.9 管道 (97)14.10 压缩空气动力系统 (101)14.11 液压动力系统 (103)14.12 驼峰信号系统检验 (105)15电源设备功能和性能检验---------------------------------------------- 11115.1 一般规定 (111)15.2 电源屏设备功能和性能检验 (111)15.3 不间断电源(UPS)设备功能和性能检验 (113)16计算机联锁(CBI)系统检验------------------------------------------- 11416.1 一般规定 (114)16.2 计算机联锁(CBI)系统功能检验 (115)16.3 计算机联锁(CBI)系统接口检验 (119)17列车运行控制系统检验------------------------------------------------ 12117.1 一般规定 (121)17.2 列控中心(TCC)功能检验 (121)17.3 列控中心(TCC)接口检验 (125)17.4 临时限速服务器(TSRS)功能检验 (126)17.5 临时限速服务器(TSRS)接口检验 (127)18TDCS/CTC系统检验 --------------------------------------------------- 12918.1 一般规定 (129)18.2 TDCS/CTC系统功能检验 (129)18.3 TDCS/CTC系统接口检验 (133)19信号监测系统检验---------------------------------------------------- 13519.1 一般规定 (135)19.2 信号集中监测(CSM)系统功能检验 (135)19.3 信号集中监测(CSM)系统接口检验 (138)19.4 道岔缺口监测系统检验 (140)20动车段(所)控制集中系统检验 ---------------------------------------- 14120.1 一般规定 (141)20.2 动车段(所)控制集中系统功能检验 (141)20.3 动车段(所)控制集中系统接口检验 (144)21闭塞检验------------------------------------------------------------ 146附录A 施工现场质量管理检查记录表---------------------------------------- 148附录B 单位工程中的分部、分项工程划分表---------------------------------- 149附录C 单位工程实体质量资料核查和主要功能抽查项目及标准------------------- 153附录D 单位工程观感质量检查项目及标准------------------------------------ 155附录E 信号工程质量验收记录---------------------------------------------- 159附录F 铁路信号工程设备、系统检验记录样表 -------------------------------- 170引用标准名录------------------------------------------------------------- 186本标准用词说明----------------------------------------------------------- 189《铁路信号工程施工质量验收标准》条文说明---------------------------------- 1901总则1.0.1 为加强铁路信号工程施工质量管理,统一验收要求,制定本标准。
信号工程信号工程施工质量验收划分为单位工程、分部工程、分项工程和检验批。
单位工程应按一个信号工程的独立设施、具有相当规模的施工范围划分,并按下列原则确定:单位工程划分原则分部工程按一个完整部位或主要结构及施工阶段划分;分项工程应按工种、工序、设备等划分;检验批可根据施工及质量控制和验收需要划分。
信号工程的单位工程、分部工程、分项工程和检验批的具体划分及编号应符合下列各表的规定。
车站信号分部工程、分项工程、检验批划分及编号(车站信号单位工程编号0801)续表区间信号分部工程、分项工程、检验批划分及编号(区间信号单位工程编号0802)驼峰信号分部工程、分项工程、检验批划分及编号(驼峰信号单位工程编号0803)调度集中分部工程、分项工程、检验批划分及编号(调度集中单位工程编号 0804)运输调度指挥管理信息系统分部工程、分项工程、检验批划分及编号(运输调度指挥管理信息系统系统单位工程编号 0805)信号微机监测系统系统分部工程、分项工程、检验批划分及编号(信号微机监测系统系统系统单位工程编号 0806)高柱信号机检验批质量验收记录表说明主控项目1.信号机构及信号变压器进场应对其外观质量进行检查验收,并按照相关产品标准的要求对以下项目进行检测:(1)各灯室是否串光的检查;(2)机构门的严密性的检查;(3)信号机构光源焦距检测调整;(4)变压器输出电压测试;(5)绝缘电阻测试。
检验数量:施工单位全部检查,监理单位检查不少于10%。
检验方法:检查质量证明文件,观察,检测,对于施工单位无能力进行检测的项目则由所属电务段或建设单位指定检测单位进行检测并出具检测报告,监理单位检查检测报告(记录)。
2.混凝土信号机柱进场应进行验收,其质量应满足下列规定:(1)裂缝宽度小于0.2 mm,长度小于1/2周长。
(2)裂缝条数不超过5条,间距在200 mm以上,或条数超过5条,但裂缝均匀分布,间距在300 mm以上。
(3)纵向裂缝不超过1条,钢筋不得外露,宽度在0.2 mm以内,长度小于1 000 mm,混凝土面无剥落现象。
车站工程施工质量验收标准一、总则1.车站工程施工质量验收标准是根据国家有关标准和规范以及工程合同要求制定的,旨在规范车站工程施工过程,确保工程质量符合设计要求和合同约定。
2.车站工程施工质量验收应当严格按照验收标准的要求进行,验收过程中应当遵守相关法律法规,确保验收结果的真实、客观和公正。
3.车站工程施工质量验收标准适用于车站工程的各个阶段,包括设计、施工和竣工验收等环节。
4.车站工程施工质量验收标准的内容涵盖了各个技术要求和验收指标,包括但不限于工程结构、装饰装修、设备设施等方面的要求。
5.车站工程施工质量验收标准应当与相关监理部门和设计单位进行沟通和协商,确保验收过程的顺利进行。
二、施工前验收1.施工前验收是车站工程施工的第一道质量关口,其目的是确保施工前各项准备工作符合要求,为施工过程提供可靠的保障。
2.施工前验收内容包括但不限于土地平整、基础处理、材料采购、施工组织设计、施工方案审核、安全措施等方面的要求。
3.施工前验收应当由相关部门组织进行,验收人员应当具备相应的资质和经验,确保验收的客观性和权威性。
4.施工前验收结果应当及时通报监理单位和设计单位,确保各方对施工前的准备工作有充分的了解和共识。
5.施工前验收合格后方可着手进行车站工程的施工工作,确保施工过程的顺利进行和施工质量的符合要求。
三、工程结构验收1.工程结构验收是车站工程施工的重要环节,其目的是检验工程结构的质量和稳固性,确保其符合设计要求和相关标准。
2.工程结构验收内容包括但不限于建筑结构、框架结构、地基基础、防水防潮等方面的要求,验收人员应当对各个部分进行细致的检查和评估。
3.工程结构验收应当依据相关标准和规范进行,验收人员应当具备相关专业知识和经验,确保验收过程的科学性和准确性。
4.工程结构验收结果应当形成书面报告,并及时通报监理单位和设计单位,反映验收结果和存在的问题,确保问题得到及时解决。
5.工程结构验收合格后方可进行后续工程的施工工作,确保工程整体质量的符合要求和安全可靠。
铁路工程质量验收标准第一章铁路桥涵工程(部分条款需修改)桥梁一般规定:对涉及结构安全和使用功能的分部工程应进行抽样检测;其中,桥梁墩台、梁部应采用同条件养护试件检测结构实体混凝土强度,且每墩台、每孔(片)梁按不同混凝土强度等级至少检测一次。
单位工程划分:1、每座特大桥、大桥、中桥为一个单位工程;2、小桥不超过5座为一个单位工程;3、涵洞不超过10座为一个单位工程;1.1 地基处理1.1.1换填地基换填地基用料规定:1、换填用砂应为中、粗砂,有机质和含泥量均不得大于5%;2、碎石粒径不得大于100mm,含泥量不得大于5%;3、石灰等级不得小于Ⅲ级。
检验数量;砂和碎石同产地、同品种、同规格以连续进场数量每400m3 为一批,不足400m3也按一批计;石灰同产地、同品种、同规格每200T为一批,不足200T也按一批计。
检验方法:对砂、碎石进行筛分试验、含泥量和有机质含量试验,对石灰进行未消解残渣含量试验。
压实度必须符合要求。
检验数量:施工单位每层每100m2检查不少于5处;监理单位见证检测每层检查不少于1处。
检验方法:湿度密度仪、注水法或灌砂法。
1.1.2粉喷桩桩身无侧限抗压强度必须符合设计要求。
检查数量:施工单位检查桩数的2%,并不少于5根。
每根在成桩28d后取3个试样(桩顶以下0.5m、1.0m、1.5m各截取1个;也可在桩径方向1/4处、桩头至2/3桩长范围内垂直钻芯取3个)。
监理单位见证20%,且不少于1根。
检验方法:施工单位做无侧限抗压强度试验:监理单位见证取样或检查试验报告。
2.1 明挖基础2.1.1基底地质条件必须满足设计要求。
检验数量:施工单位和监理单位对桥梁和涵洞地基全部检查;勘察设计单位对桥梁地基全部进行现场确认。
检验方法:施工单位观察或进行标准贯入、触探仪检测;监理单位观察和见证检测。
2.1.2基坑回填填料应符合设计要求,夯实应符合规定。
检验数量:施工单位、监理单位全部检查。
检验方法:观察。
密级:普通秘密机密绝密唐山站电源系统自检报告项目名称:天津至秦皇岛铁路客运专线唐山站检测单位:中达电通有限公司施工单位:通号通信信息集团有限公司津秦客服项目经理部1.概述1.1目的根据唐山站建设要求,为了进一步提高客运管理水平,为旅客提供更加人性化的服务,满足旅客快速进出站的需要,在铁路建设“安全可靠、实时性强、方便适用”的总体原则下,在《铁路运输通信工程施工质量验收标准》TB10418—2003、《铁路旅客车站客运服务信息系统工程施工质量验收》TB10427-2011、厂家验收标准的指导下,使得唐山站电源系统满足要求,以便更好地适应客运专线大客流、高密度旅客快速通行需求。
1.2参考文档1.3术语UPS,输入电源,旁路电源,UPS输入,UPS输出2.测试规范2.1测试环境2.1.1.软件环境:软件环境:UPS软件版本:E260900017WB内部文件.注意保密2.1.2.硬件环境:输入电源■ OK 备注:1.UPS输入:R__234__Vac / S_236__Vac / T_235_Vac /_50_Hz N-G_0.3_Vac2.旁路输入:R__234__Vac / S__235__Vac / T__235__Vac / __50__Hz3.电池电压: ±274__Vdc4备用电源/ 发电机: R____Vac / S____Vac / T____Vac / ____Hz2.2测试说明●单机启动:确定UPS输入开关、旁路输入开关、UPS输出开关、电池开关及维护旁路开关均为”OFF”状态;确定市电总配电开关为”ON”对系统供电。
注: 如装置有输入隔离变压器,同时起动输入隔离变压器对系统供电。
1. 系统控制器- 合上UPS备用电源开关,观察系统控制器正常起动;UPS由旁路输出,此时UPS输出不受保护■OK 软件版本: E260900017WB设定系统叁数- 日期、时间及通讯阜■ OK设定电池叁数- 电池组、电池容量及电池测试周期■ OK设定报警- 报警启用及除能,报警叁数设置■ OK2. 启动逆变器–合上UPS整流输入开关;合上电池开关,按逆变器启动键启动逆变器,观察静态开关正常起动,此时UPS由逆变器输出;此时UPS输受保护,然后记录输出交流及直流电压。
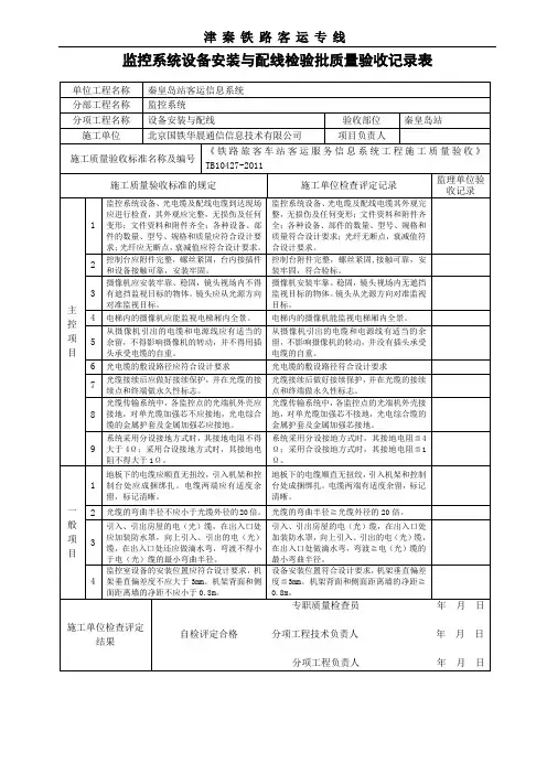
监控系统设备安装与配线检验批质量验收记录表
广播系统设备安装与配线检验批质量验收记录表
通告及显示系统设备安装与配线检验批质量验收记录表
查询系统设备安装与配线检验批质量验收记录表
安检系统设备安装与配线检验批质量验收记录表
窗口对讲系统设备安装与配线检验批质量验收记录表
电源系统设备安装与配线检验批质量验收记录表
自动售票机系统设备安装与配线检验批质量验收记录表
自动检票机系统设备安装与配线检验批质量验收记录表
窗口双屏系统设备安装与配线检验批质量验收记录表。
客运信息系统施工作业指导书编制:审核:批准:中国铁建电气化局集团有限公司天平铁路工程指挥部二O一四年五月客运信息系统施工作业指导书1 适用范围客运信息系统施工。
2 作业准备2.1 内业技术准备审核设计文件、施工图纸,进行安全、技术交底,明确组织分工、任务要求、质量标准以及安全环境保护要求,进行必要的安全技术培训。
确定施工方法,编制施工技术措施,认真学习实施性施工组织设计。
辨识危险源及危险因素,制定安全保证措施,提出应急预案。
2.2 外业技术准备了解现场、车站及机房的管理制度,提前办理必要的准入手续。
检查设备平面布置与实际是否相符,检查各种终端设备安装位置及环境。
收集作业中所涉及的各种外部技术数据;进行现场调查,建立临时设施,满足施工人员进场生活、办公需要。
备足工具、仪表、测试记录表格、运输工具等。
工程备料:依据设计文件,综合工程现场实际情况,编制工程材料计划,根据材料计划进行备料。
3 技术要求1 各种设备配线中间不应有接头,交流电源线应与其他配线分开编扎;设备的配线应平整无交叉;配线绝缘电阻:线间应大于30MΩ,电源配线应大于1MΩ(不带端子)。
电源零线与火线间绝缘电阻应符合设计要求。
2 机房设备安装应符合设计要求。
机架垂直偏差度不应大于机架高度的1‰。
机架背面和侧面距离墙的净距不应小于0.8m。
3 各种终端设备的安装应符合设计要求。
4 施工必须采用国家统一规定的计量标准,各种测试和计量器具应定期校验,保证准确使用。
5 在摄像机的标准照度下,系统图像水平清晰度应符合:黑白图像应高于400线;彩色图像应高于270线;系统图像画面的灰度等级不应低于8级。
6 监控系统图像采用主观评价时,其等级不应低于4级。
参加评价的人员不应少于5人,包括专业人员和非专业人员。
观看距离应为荧光屏面高度的6倍,光线柔和。
五级损伤制评分分级标准通—048 图像质量损伤的主观评价评分分级图像上不觉察有损伤或干扰存在 5图像上稍有可觉察的损伤或干扰,但不令人讨厌 4图像上有明显的损伤或干扰,令人感到讨厌 3图像上损伤或干扰较严重,令人相当讨厌 2图像上损伤或干扰极严重,不能观看 1主观评价项目通—049 项目损伤的主观评价现象随机信噪比噪波,即“雪花干扰”单频干扰图像中纵、斜、人字形或波浪状的条纹,即“网纹”电源干扰图像中上下移动的黑白间置的水平横条,即“黑白滚道”脉冲干扰图像中不规则的闪烁、黑白麻点或“跳动”7 广播系统的各项功能应符合设计要求;以下功能试验应正常:设置广播优先级的功能;多个信源同时对多个不同广播区广播的功能;当有功放故障时自动进行备用功放切换功能;负载短路保护功能;系统的输出电平、输出信噪比、声压级和频响等指标要符合设计要求。
铁路工程施工质量验收标准指南铁路工程施工质量验收是保证铁路工程施工质量的重要环节,验收标准的制定对于提高铁路工程施工质量具有重要意义。
本指南旨在为铁路工程施工质量验收提供标准化的指导,以确保工程质量符合国家标准和相关规定。
一、验收范围。
1. 铁路轨道工程施工质量验收。
铁路轨道工程施工质量验收应包括轨道线路的几何、轨道结构、轨道道岔、轨道固定和轨道平整度等方面的验收内容。
2. 铁路桥梁工程施工质量验收。
铁路桥梁工程施工质量验收应包括桥梁结构、桥面、桥梁防护、桥梁伸缩装置等方面的验收内容。
3. 铁路隧道工程施工质量验收。
铁路隧道工程施工质量验收应包括隧道结构、隧道内部照明、通风、排水等方面的验收内容。
4. 铁路站场工程施工质量验收。
铁路站场工程施工质量验收应包括站台、站房、站场设备等方面的验收内容。
二、验收标准。
1. 施工质量符合国家标准和相关规定。
验收时,应根据国家相关标准和规定进行验收,确保施工质量符合国家标准和相关规定要求。
2. 施工图纸和设计要求的实施情况。
验收时,应对施工图纸和设计要求的实施情况进行检查,确保施工过程中按照设计要求进行施工。
3. 施工过程中的质量控制。
验收时,应对施工过程中的质量控制进行检查,包括原材料的选择、加工和使用过程中的质量控制等。
4. 施工现场的安全生产情况。
验收时,应对施工现场的安全生产情况进行检查,确保施工现场的安全生产符合相关规定。
5. 施工成果的质量检测。
验收时,应对施工成果进行质量检测,确保施工成果的质量符合相关要求。
三、验收程序。
1. 提前通知。
验收前,应提前通知相关单位和人员,确保验收工作的顺利进行。
2. 验收人员组成。
验收人员应包括设计单位、监理单位、施工单位等相关单位的代表,确保验收工作的客观性和公正性。
3. 验收过程。
验收过程中,应按照验收标准和程序进行验收,对施工质量进行全面检查。
4. 验收结论。
验收结束后,应形成验收结论,并据此对施工质量进行评定。
第七章轨道工程轨道工程施工质量验收划分为单位工程、分部工程、分项工程和检验批。
单位工程应按一个完整工程或一个相当规模的施工范围划分,正线轨道按一个区间(以站中心为界、含正线道岔)划分,当区间内含有不同类型轨道时,也可按轨道类型划分。
分部工程应按一个完整部位或主要结构及施工阶段划分。
分项工程应按工种、工序、材料、施工工艺划分。
检验批可根据施工及质量控制和验收需要按长度、施工段、处等进行划分。
轨道工程和单位工程、分部工程、分项工程和检验批的划分及编号应符合下列各表的要求。
正线有碴轨道分部工程、分项工程和检验批划分及编号注:检验批长度均按单线计算。
基桩测设检验批质量验收记录表01010101□□□□说明主控项目1.基桩所用材料进场时,应对其规格、型式、外观进行验收,其质量应符合设计要求。
检验数量:施工单位、监理单位全部检查。
检验方法:查验产品合格证、观察检查。
2.基桩的设置位置及数量应符合设计要求。
检验数量:施工单位全部检查;监理单位全部见证检测。
检验方法:施工单位仪器测量、观察检查;监理单位见证检测。
3.基桩的测设精度应符合设计要求。
检验数量:施工单位全部检查;监理单位、设计单位全部见证检测。
检验方法:施工单位仪器测量;监理单位、设计单位见证检测。
4.基桩标志应设置牢固。
检验数量:施工单位、监理单位全部检查。
检验方法:观察检查。
一般项目1.基桩的标识应设置齐全,色泽鲜明、清晰完整。
检验数量:施工单位全部检查。
检验方法:观察检查。
[有碴道床]铺底层道碴检验批质量验收记录表01010201□□□□说明主控项目1.道碴材质应符合铁路碎石道碴相关技术条件的规定。
检验数量:施工单位、监理单位全部检查。
检验方法:查验进场检验证书、生产检验证书和产品合格证,必要时建设单位、施工单位和监理单位共同对采石场进行见证取样检测。
2.道碴进场时的粒径级配、颗粒形状及清洁度应符合铁路碎石道碴相关技术条件的规定。
检验数量:同一产地品种且连续进场的道碴,每5 000 m3为一批,不足5 000 m3时亦按一批计。
【建筑工程标准法规】铁路信号工程施工质量验收标准应用指南xxxx年xx月xx日xxxxxxxx集团企业有限公司Please enter your company's name and contentv信号工程信号工程施工质量验收划分为单位工程、分部工程、分项工程和检验批。
单位工程应按一个信号工程的独立设施、具有相当规模的施工范围划分,并按下列原则确定:单位工程划分原则分部工程按一个完整部位或主要结构及施工阶段划分;分项工程应按工种、工序、设备等划分;检验批可根据施工及质量控制和验收需要划分。
信号工程的单位工程、分部工程、分项工程和检验批的具体划分及编号应符合下列各表的规定。
车站信号分部工程、分项工程、检验批划分及编号(车站信号单位工程编号0801)续表区间信号分部工程、分项工程、检验批划分及编号(区间信号单位工程编号0802)续表驼峰信号分部工程、分项工程、检验批划分及编号(驼峰信号单位工程编号0803)续表续表调度集中分部工程、分项工程、检验批划分及编号(调度集中单位工程编号0804)运输调度指挥管理信息系统分部工程、分项工程、检验批划分及编号(运输调度指挥管理信息系统系统单位工程编号0805)信号微机监测系统系统分部工程、分项工程、检验批划分及编号(信号微机监测系统系统系统单位工程编号0806)高柱信号机检验批质量验收记录表08010101□□□08020101□□□08030101□□说明主控项目1.信号机构及信号变压器进场应对其外观质量进行检查验收,并按照相关产品标准的要求对以下项目进行检测:(1)各灯室是否串光的检查;(2)机构门的严密性的检查;(3)信号机构光源焦距检测调整;(4)变压器输出电压测试;(5)绝缘电阻测试。
检验数量:施工单位全部检查,监理单位检查不少于10%。
检验方法:检查质量证明文件,观察,检测,对于施工单位无能力进行检测的项目则由所属电务段或建设单位指定检测单位进行检测并出具检测报告,监理单位检查检测报告(记录)。
《铁路旅客车站客运服务信息系统工程施工质量验收标准》(TB 10427—2011)
2014年8月培训试题
一、填空题(每题3分)
1、铁路旅客车站客运服务信息系统工程施工现场管理应具有相应的施工技术标准、质量管理体系和施工质量检验制度。
2、缆线桥架及线槽的位置应符合设计要求,其位置偏差不应大于50mm;水平度每米偏差不应大于2mm;垂直偏差不应大于3mm。
走线架应固定牢固。
3、预埋暗管时,直线布管每30m处应设置过线盒;有转弯的管段长度超过20m时,应设置管线过线盒;有2个弯时,不宜超过15m应设置过线盒。
4、预埋暗管的转弯角度应大于90°,在路径上每根暗管的转弯角不得多于2个,并不应有s弯。
暗管转弯的曲率半径不应小于该管外径的6倍,如暗管外径大于50mm时,不应小于10倍。
5、桥架和线槽穿过防火墙体或楼板时,应采取防火措施。
6、电源线配线的芯线间、芯线对地的绝缘电阻不小于1MΩ。
7、电源设备安装垂直度偏差不大于1.5‰。
8、单张票制票时间不大于3.5s
9、自动售票机纸币找零速度每秒不小于7张。
10、实时监视图像和回放视屏图像应清晰、稳定。
质量按照主观评价体系进行评价,单项评分和综合评分均应不小于4分。
11、客运服务系统局域网丢包率不应大于l‰。
客运服务系统局域网网络设备传输延迟不应大于1 ms。
12、安检门的识别金属物品功能与计数功能应符合设计要求或相关技术标准的规定。
二、问答题(每题20分)
1、铁路旅客车站客驾服务信息系统工程施工质量验收的单元如何划分?
①铁路旅客车站客运服务信息系统工程一个车站为一个单位工程。
②分部工程分为:系统布线、机房设备安装、电源设备、售票与检票、旅客服务系统、网络系统、安全保障平台、门禁系统等。
③分项工程可按工种、工序、设备、材料、施工工艺等划分。
如:售票与检票划分为六个分项,包括窗口售票、自动售票、自动检票、出站补票、车站应急售检票、车站管理终端。
④检验批可根据施工及质量控制和验收需要划分。
可根据不同的分项工程,分别按一个布线区域、一个机房、一个售票区、一个功能区,甚至一个站来划分。
2、安全检查设施哪些功能应符合设计要求或相关技术标准的规定?
①物体识别;
②爆炸物和毒品探测;
③图像显示与处理;
④危险品图像插入;
⑤图像管理;
⑥用户管理;
⑦日志管理。