多种闪烁灯电路图
- 格式:pdf
- 大小:179.16 KB
- 文档页数:4
单片机2线4灯原理1.引言1.1 概述单片机2线4灯原理是一种常见的电路设计方案,通过使用单片机控制2根信号线来控制4个灯的亮灭。
这种设计方案基于单片机的数字输出功能和I/O口的特性,通过合理的编程和电路设计,实现了用较少的信号线控制多个灯的效果。
在传统的电路设计中,要控制4个灯,通常需要使用4根信号线,每根信号线对应一个灯的开关。
而单片机2线4灯原理通过巧妙的编码方式,将这4个灯的状态信息编码到2根信号线上,实现了用更少的信号线来控制多个设备的目的。
具体的实现方式是,将4个灯的状态信息编码到2位二进制数上,然后通过单片机的数字输出口将这2位二进制数输出到对应的I/O口上。
通过编写程序,规定每个二进制数对应的亮灯模式,就可以实现根据不同的二进制数输出控制相应的灯的亮灭状态。
这种设计方案具有简单、节约资源的特点,适用于一些对信号线数量有限制的场景。
比如在一些嵌入式系统中,由于硬件资源有限,需要尽量减少信号线的使用,这时候单片机2线4灯原理就可以派上用场。
总之,单片机2线4灯原理是一种常见的电路设计方案,通过巧妙的编码方式和单片机的控制能力,实现了用较少的信号线控制多个灯的效果,具有简单、节约资源的特点,适用于一些对信号线数量有限制的场景。
1.2 文章结构:本文总共分为三个部分,分别是引言、正文和结论。
引言部分主要介绍了本文的背景和意义,概述了单片机2线4灯原理的主要内容,并提出了本文的目的。
正文部分主要分为两个小节,分别是单片机介绍和2线4灯原理。
在单片机介绍部分,将详细介绍单片机的定义、特点和应用领域。
在2线4灯原理部分,将深入解析2线4灯电路的工作原理和设计要点,包括引脚连接、电流分配和灯光控制等方面的内容。
结论部分将对本文进行总结并展望未来的发展方向。
在总结部分,将回顾本文涉及的主要观点和实验结果,强调2线4灯原理的重要性和应用前景。
在展望部分,将探讨可能的改进措施和研究方向,以促进该原理在实际应用中的发展和应用范围的扩大。
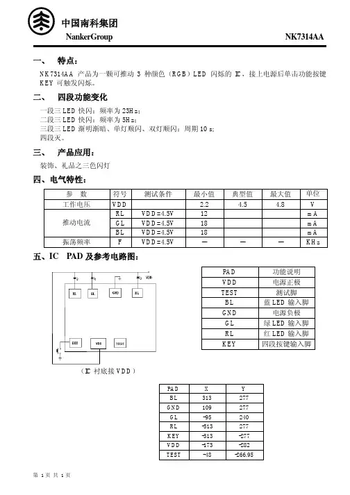
中国南科集团
NankerGroup
NK7314AA
第1页共1
页
一、特点:
NK7314AA 产品为一颗可推动3种颜色(RGB )LED 闪烁的IC ,接上电源后单击功能按键KEY 可触发闪烁。
二、四段功能变化
一段三LED 快闪:频率为23Hz ;二段三LED 快闪:频率为5Hz ;
三段三LED 渐明渐暗、单灯顺闪、双灯顺闪:周期10s;四段灭。
三、产品应用:
装饰、礼品之三色闪灯
四、电气特性:
参数符号测试条件最小值典型值最大值单位位工作电压VDD 2.2 4.5
4.8
V RL VDD=4.5V 12mA GL VDD=4.5V 18mA 推动电流BL VDD=4.5V 18mA 振荡频率
F
VDD=4.5V
------
KHz
五、IC PAD 及参考电路图:
(IC 衬底接VDD )
PAD X Y BL 313
277GND 109277GL -95240RL -313277KEY -313-277VDD -173-282TEST
-48
-266.95
PAD 功能说明VDD 电源正极TEST 测试脚BL 蓝LED 输入脚GND 电源负极GL 绿LED 输入脚RL 红LED 输入脚KEY
四段按键输入脚。
三极管变色闪光灯电路图
在多谐振荡器两只三极管得集电极分别接上发光管,发光管就能够依多谐振荡器得周期进行交替闪烁,此电路用途广泛,可用与家居装饰等!
电路工作原理
本电路采用高增益pnp型锗管vt3, vt4组成多谐振荡器,有两级反相器首尾连接,级间利用电容c3, c4耦合,其工作周期为1s!
元件选择与调试
三极管应选择集电极电流大于50ma得 9012或9015,发光管应选择高亮度得管子!
若想改变闪烁得速度,可以调整c3, c4得容量,也可以用微调代替r3, r4,条好后换上相应数值得电阻即可!。
电子作品设计报告项目名称:心形闪烁灯学院:机电工程学院专业:应用电子技术设计员:莫冬曦指导老师:杨青勇2011年7月一、硬件设计1、电路原理图2、工作原理:从原理图上可以看出,18只LED被分成3组,每当电源接通时,3只三极管会争先导通,但由于元器件存在差异,只会有1只三极管最先导通,这里假设Q1最先导通,则LED1这一组点亮,由于Q1导通,其集电极电压下降使得电容C2左端下降,接近0V,由于电容两端的电压不能突变,因此Q2的基极也被拉到近似0V,Q2截止,故接在其集电极的LED2这一组熄灭。
此时Q2的高电压通过电容C3使Q3集电极电压升高,Q3也将迅速导通,LED3这一组点亮。
因此在这段时间里,Q1、Q3的集电极均为低电平,LED1和LED3这两组被点亮,LED2这一组熄灭,但随着电源通过电阻R2对C2的充电,Q2的基极电压逐渐升高,当超过0.7V时,Q2由截至状态变为导通状态,集电极电压下降,LED2这一组点亮。
与此同时,Q2的集电极下降的电压通过电容C3使Q3的基极电压也降低,Q3由导通变为截至,其集电极电压升高,LED3这一组熄灭。
接下来,电路按照上面叙述的过程循环,3组18只LED便会被轮流点亮,同一时刻有2组共12只LED被点亮。
这些LED被交叉排列呈一个心形图案,不断的循环闪烁发光,达到流动显示的效果4、实物图18只红色LED,分成3租,排列组成一个心形的图案,并由三极管震荡电路驱动,使红色的心形图案不断的按顺时针方向旋转闪亮,特别是在夜间使用时,极富动感2.4整体电路分析三极管无稳态多谐振荡器电路此电路之输出并不会固定在某一稳定状态,其输出会在两个稳态(饱和或截止)之间交替变换,因此输出波形似近一方波。
如图2即为无稳态多谐震荡器电路,图中两个三极管Q1、Q2在“Q1饱和/Q2截止”和“Q1截止/Q2饱和”,二种状态周期性的互换,其工作原理如下:图3 当VCC通电瞬间图4 C2放电,C1充电回路(1)如图3当VCC接上瞬间,Q1、Q2分别由RB1、RB2获得正向偏压,同时C1、C2亦分别经RC1、RC2充电。
灯单控、一灯双控、一灯三控、一灯多控照明电路图--------------------------------------------------------------------------作者: _____________一灯单控、一灯双控、一灯三控、一灯多控照明电路图双控开关接线图三控开关接线图日光灯接线图双联双控开关接线图开关接线图一双控开关接线图二双控开关接线图三单联双控开关接线原理图双联或多联双控开关接线原理参照此图即可单联双控开关接线/物件图双联或多联双控开关接线原理参照此图即可7单联多控开关接线原理图双联或多联多控开关接线原理参照此图即可8单联多控开关接线物件图双联或多联多控开关接线原理参照此图即可9单联双控开关接线图、单联多控开关接线原理图/比较图10单联双控开关接线图、单联多控开关接线图/比较图楼梯间双控开关接线图及实物连线图双联双控开关接线图,整理双联双控开关接线图的三种接线方法特别提醒,采用省线法,虽然节省些导线,但安全隐患非常大,特别是使用的开关质量不好时,常由于切换接线端时,由于开关分离不彻底,比较容易导致开关内部短路,从而导致整个线路短路,烧毁电表保险丝,如果使用了一段时间之后,这种表现尤为突出。
因此不提倡使用这种省线法布线。
一灯三控接线图三个位置控制一个灯,需要两只双控开关加一只中途开关;四个位置控制一个灯,需要两只双控开关加两只中途开关;五个位置控制一个灯,需要两只双控开关加三只中途开关,以此类推。
在电线排设上,同双控的排线一样都是排双线,只要注意两个双控开关装配在双线的前后两端,中途开关装配在中间即可(中途开关在中间实现两条电线的换向通断)。
双控开关好买,中途开关不好买而且巨贵,不过可以自己动手改制。
简单的办法是买一个两开双控开关,中间用502胶水点一下,让两个双控开关一起联动,就是中途开关了。
接线可看下面的原理图。
----------THE END, THERE IS NO TXT FOLLOWING.------------。
声控闪光LED灯电路图文章出处: 发布时间: 2010-12-16 0:00:00 | 638 次阅读 | 8次推荐 | 0条留言电路主要由捡音器(驻极体电容器话筒),晶体管放大器和发光二极管等构成。
电路原理静态时,VT1处于临界饱和状态,使VT2截止,LED1和LED2皆不发光,R1给电容话筒MIC提供偏置电流,话筒捡取室内环境中的声波信号后即转为相应的电信号,经电容C1送到VT1的基极进行放大,VT1、VT2组成两级直接耦合放大电路,只要选取合适的R2、R3使无声波信号。
VT1处于临界饱和状态,而以使VT处于截止状态,两只LED中无电流流过而不发光,当MIC捡取声波信号后,就有音频信号注入VT1的基极,其信号的负半周使VT1退出饱和状态,VT1的集电极电压上升。
VT2导通,LED1和LED2点亮发光,当输入音频信号较弱时,不足以使VT1退出饱和状态,LED1和LED2仍保持熄灭状态,只有较强信号输入时,以光二极管才点亮发光,所以,LED1和LED2能随着环境声音(如音乐、说话)信号的强弱起伏而闪烁发光。
元件清单VT1、 VT2 9014(BT200)话筒R1 4.7K R2 1MR3 10K C1 1uF/16VC2 100uF/10V LED1、LED2 发光二极管组装与调试:1、按原理图画出装配图,然后按装配图进行装配。
2、注意三极管的极性不能接错,元件排列整齐、美观。
3、通电后先测VT的集电极电压,使其在0.2~0.4之间,如果该电压太低则施加声音信号后,VT1不能退出饱和状态,VT2则不能导通,如果该电压超过VT2的死区电压,则静态时VT2就导通,使LED1和LED2点亮发光,所以。
对于灵敏度不同的电容话筒,以及β值不同的三极管,VT1的集电极电阻R3的大小要通过调试来确定。
4、离话筒约0.5米距离,用普通声音(音量适中)讲话时,LED1、LED2应随声音闪烁。
如需大声说话时,发光管才闪烁发光,可适当减小R3的阻值,也可更换β值更大的三极管。
小电流闪光灯的驱动电路鉴于种种原因,市场上大部分手机、MP4、PDA等产品中的闪光灯是用低亮度、低成本的LED来实现。
这类闪光灯内部通常是由几个白光LED灯芯组成,有的直接在内部并接或串接,只提供2个连接引脚;有的提供6个引脚让用户在外部自由配置成串联或并联形式。
由于串联连接闪光灯需要基于电感的Boost升压芯片来驱动,电感体积过大以及EMI干扰较严重使其很难在手持设备中使用,故目前手持设备应用中大多使用并联连接的闪光灯。
图1 几种典型的闪光灯管芯连接方式受制于目前LED的工艺水平和价格,手持设备应用中的闪光灯通常只允许每颗30mA左右的持续电流和不超过100mA的峰值电流(厂家对峰值电流的持续时间和频率有严格要求)。
由于通过电流较小,闪光时亮度较低(约为5000mcd),这显然达不到专业相机闪光灯(多采用氙气灯)的要求,但因为LED闪光灯成本低,实现简单,目前仍然是手持设备的主要选择。
实现闪光灯功能,需要添加一片闪光灯驱动芯片。
不仅要求其能将灯点亮,还要能灵活地设定工作电流,同时又要能在Torch模式或Flash模式中方便切换。
工作在Torch模式时,闪光灯持续发光,用作手电筒照明或拍摄短片时背景照明,也可用作黑暗环境下拍照前的预闪。
而工作在Flash模式时,则用作拍照时短时间闪光,加大曝光量。
闪光灯驱动芯片是否可以灵活的设定驱动电流以及方便地进行模式切换决定了该芯片的易用性。
传统解决方案面积大,效率低在通过较大电流时,闪光灯管的正向压降VF(4~4.5V)通常要高于锂电池的电压,所以并联闪光灯驱动芯片大都采用Charge Pump升压技术,将电池电压升到一个较高值来驱动LED。
在传统解决方案中,普遍使用一种恒压输出的Charge Pump芯片来驱动小电流闪光灯。
如图2为某典型产品的应用方案。
该芯片输出恒定的电压(4.5V或5V),通过RB限流电阻设定Torch模式下的电流;而在Flash模式时,将Flash Gate(N沟的MOSFET)闭合,RB 与RF两个限流电阻并联,等效电阻值降低,导致流过LED灯的电流明显增大,亮度增加,发生“闪光”。
《模拟电子技术》循环闪烁灯电路设计目录1、摘要 (2)2、LED概述 (2)2.1LED的发光原理 (2)2.2、LED的特点 (3)3.三极管概述 (3)3.1三极管的结构 (3)3.2三极管类型 (3)4、循环闪烁灯工作原理 (4)5、个人体会 (5)1、摘要城市的夜晚被流动的彩灯装饰得缤纷靓丽,令人赏心悦目。
彩灯的应用不仅在公共场所,近几年家里装饰彩灯的身影也越来越多。
可以说彩灯的应用非常之广泛。
那些彩灯的工作原理与循环闪烁灯大体一致。
Multisim是专门用于电子电路设计与仿真的EDA 软件,可在集成一体化的设计实验环境中完成电子电路设计、仿真、分析和功能测试等应用。
[1]本文利用Multisim14.0仿真循环闪烁灯电路,主要阐述了LED灯的特性以及3组LED 灯循环闪烁的工作原理。
关键词:循环闪烁灯、LED灯、 Multisim14.02、LED概述2.1LED的发光原理发光二极管简称LED,是一种固态的半导体器件,常用砷化稼、磷化稼等制成,它可以直接把电转化为光。
它的基本结构是一块电致发光的半导体晶片,置于一个有引线的架子上,然后四周用环氧树脂密封,起到保护内部芯线的作用,所以,LED的抗震性能好,半导晶体片由两部分组成,一部分是P型半导体,在它里面空穴占主导地位,另一部分是N型半导体,在它里面电子占主导地位。
这两种半导体连接起来的时候,它们之间就形成一个PN 结。
当电流通过导线作用于这个晶片的时候,电子就会被推向P区,在P区里电子跟空穴复合,然后就会以光子的形式发出能量,这就是LED发光的原理。
而光的波长也就是光的颜色,是由形成PN结构的材料决定的,它是直接把电能转换成光能的器件,没有热交换过程。
LED可做成数字,字符显示器件。
单个PN结可以封装成发光二极管,多个PN结可以按分段式封装成半导体数码管,选择不同字段发光,可显示出不同的字形。
[2]2.2、LED的特点1)体积小,重量轻,抗冲击。
彩灯控制器电路由电源电路和彩灯控制电路组成,如图1-151所示。
电源电路由整流二极管VDl-VD4、限流电阻器Rl、稳压二极管VS和滤波电容器Cl组成。
彩灯控制电路由计数器集成电路IC、电阻器肛-R13、电容器C2、可变电阻器RP、晶闸管VTl-VTlO和彩灯HLl-HLlO组成。
为简化电路,图中IC的Q7-QlO端、Q12、Q13端(该集成电路无Ql-Q3和Qll端)和电阻器R7-Rl2、晶闸管VT4-VT9、彩灯HL4-HL9本画出。
交流220V电压经VDl,VD4整流、Rl限流降压、VS稳压及Cl滤波后,为IC提供6.8V直流工作电源。
RP、R2、R3、C2和IC的9-11脚内电路组成多谐振荡器。
在接通电源后,多谐振荡器即振荡工作,IC对多谐振荡器产生的振荡信号进行分频计数后,从IC的Q4-QlO 端和Q12-Q14端输出变化的控制电平,使VTl-VTlO间歇导通,彩灯HLl-HLlO按不同的频率闪烁发光(HLl的闪烁频率最高,HLlO的闪烁频率最低)。
调节RP的阻值,可改变彩灯闪烁的频率。
元器件选择Rl选用1/2W金属膜电阻器;R2-R13均选用1/4W金属膜电阻器。
Cl选用耐压值为16V的铝电解电容器;C2选用独石电容器或CBB电容器。
RP选用有机实心可变电阻器。
VDl-VD4选用1N4004或1N4007型硅整流二极管。
VS选用lW、6.8V的硅稳压二极管,例如lN4736等型号。
VTl-VTl4均选用2P4M(2A、400V)的晶闸管。
IC选用14级二进制计数分频器集成电路。
HLl-HLlO选用成品彩灯串。
本例介绍的彩灯控制器,能控制5路彩灯(可在一个平面上组成各种图形或图案)使之按逐路递增点亮、逐路递减熄灭的显示方式闪烁发光。
电路工作原理该彩灯控制器电路由电源电路、多谐振荡器、脉冲控制电路和彩灯驱动控制电路组成,如图1-152所示。
电源电路由降压电容器Cl、泄放电阻器Rl4、稳压二极管VS、整流二极管VDl和滤波电容器C2组成。
摘要“微机原理与接口技术”是高等学校电子信息工程、通信工程、自动化、电气工程及其自动化等工科电气与电子信息类各专业的核心课程。
该课程以INTER 8086微处理器和IBM PC系列微机为主要对象,系统。
深入地介绍了微型计算机的基本组成、工作原理、接口技术及应用,把微机系统开发过程中用到的硬件技术和软件技术有机地结合起来。
本文详述了8个LED灯循环闪烁的课程设计。
设置8个LED灯,首先是1、3、5、7号LED依次亮1秒钟,当7号LED亮后,这四个灯同时闪烁5下。
然后是2、4、6、8号LED 依次亮1秒钟,当8号LED亮后,这四个灯同时闪烁5下。
本课程设计,由于自身能力和学习水平有限,可能存在一定的错误和不当之处,敬请批评和指正。
一、设计目的1.巩固和加深课堂所学知识;熟悉各种指令的应用及条件;2.学习掌握一般的软硬件的设计方法和查阅、运用资料的能力;3.进一步了解8255A各引脚的功能, 8255A和系统总线之间的连接, 8255A和CPU 之间的数据交换,以及8255A的内部逻辑结构。
深入掌握8255A显示电路的基本功能及编程方法,8255等芯片的工作方式、作用。
4.培养和锻炼在学习完本门课后综合应用所学理论知识,解决实际工程设计和应用问题的能力。
通过课程设计,要求熟悉和掌握微机系统的软件、硬件设计的方法、设计步骤,得到微机开发应用方面的初步训练。
同时并了解综合问题的程序设计掌握实时处理程序的编制和调试方法,掌握一般的设计步骤和流程,使我们以后搞设计时逻辑更加清晰。
二、设计内容根据所学内容和对8255A的应用,整个系统硬件采用8086微处理器和8255A可编程并行接口芯片和8个LED等连成硬件电路。
设计8个LED灯,实现如下要求:首先是1、3、5、7号LED依次亮1秒钟,当7号LED亮后,这四个灯同时闪烁5下。
然后是2、4、6、8号LED依次亮1秒钟,当8号LED亮后,这四个灯同时闪烁5下。
三、设计要求使用8255A可编程接口芯片实现8个LED灯以十种不同的方式显示。
多种闪烁灯电路图
1 妙用LM317的闪烁灯
LM317常用作电压稳压器中的调整元件,这里给大家介绍一个不寻常的应用,只要配上不多的外部元件,可以使一个12V的小灯泡闪烁发光。
如图,采用所给的元件参数值和信号,当电路接通以后,小灯泡将以4Hz 的频率闪烁,当然,若改变元件参数(R2或C2,当R2或C2变值时,其它相应电阻或电容值也改变,使之与R2或C2相同),闪烁的频率也会变,若要使闪烁的灯光停止闪烁,可用>1V的电压驱动T1。
由于LM317本身传输电流>1A,电路能自动限制开启电流,因此灯泡的寿命是相当长的。
2
该电路是两级直接耦合晶体管放大器,它们接成了自激多谐振荡器。
调节电位器R1既可以改变闪光时间的长短,又可以改变闪光的间隔时间.
3 多用闪光灯设计。