生活污水全套设计图纸
- 格式:dwg
- 大小:3.61 MB
- 文档页数:1
《水污染控制工程》课程设计学院:专业:XX:学号:指导老师:目录引言41设计任务及设计资料5 1.1设计任务与内容51.2设计原始资料51.2.1城市气象资料51.2.2地质资料51.2.3设计规模51.2.4进出水水质62、设计说明书6 2.1去除率的计算62.1.1溶解性BOD的去除率65的去除率:72.1.2 CODr2.1.3.SS的去除率:72.1.4.总氮的去除率:72.1.5.磷酸盐的去除率82.2城市污水处理工艺选择82.3、污水厂总平面图的布置92.4、处理构筑物设计流量(二级)92.5、污水处理构筑物设计92.5.1.中格栅和提升泵房(两者合建在一起)9 2.5.2、沉沙池102.5.3、厌氧池112.5.4、缺氧池112.5.5、好氧曝气池112.5.6、二沉池122.6、污泥处理构筑物的设计计算122.6.1污泥泵房122.6.2污泥浓缩池122.7、污水厂平面,高程布置132.7.1平面布置132.7.2管线布置132.7.3 高程布置143 污水厂设计计算书14 3.1污水处理构筑物设计计算143.1.1泵前中格栅143.1.2污水提升泵房163.1.3、泵后细格栅173.1.3、沉砂池183.1.4、厌氧池203.1.5、缺氧池计算203.1.6、好氧曝气池的设计计算213.1.8、二沉池283.2 污泥处理部分构筑物计算313.2.1污泥浓缩池设计计算:313.3、高程计算363.3.1污水处理部分高程计算:363.3.2高程图见CAD图363.3.3污水处理厂工艺流程图与总平面布置图36参考文献37XX市污水处理厂A/A/O工艺设计作者:闫赛红,指导教师:孙丰霞(XX农业大学资源与环境学院)【摘要】随着社会进步,人们对于城市污水的处理的要求愈加严格。
除了基本的去除污水中BOD和SS的要求外,通常还要求脱氮除磷,以保护水体环境。
本设计即采用了众多脱氮除磷工艺中较为经济合理的AAO工艺对进入污水厂的污水进行处理。
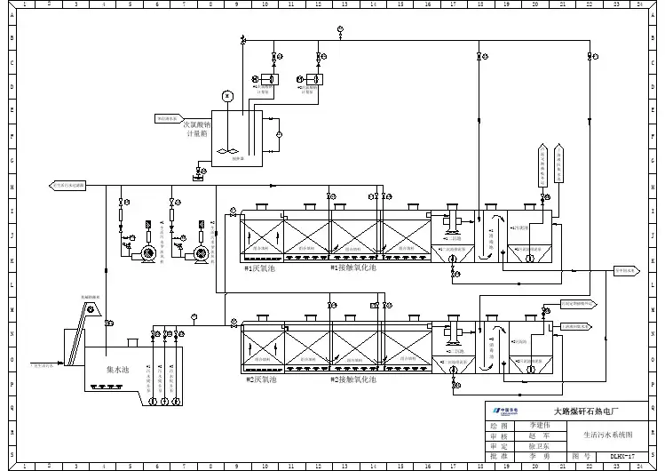
本设计污水处理厂综合设计包括15个图纸,十分全面,具体详见报告后附图。
本报告附图全面详细。
图纸内容如下:A2O池,初沉池,幅流式二沉池,隔栅,工艺简单图,工艺流程图(高程图),回转耙式格栅除污机图,平面布置图,污泥浓缩池,厌氧消化池,钟式沉砂池等。
全为CAD制图。
下载后复制放大或打印可看清!题目20000m3/d城市污水处理厂综合设计专业: 环境工程年级: 2005级学号: 3105001286姓名: 莫笑伟指导教师:2008年12 月摘要我国水体污染主要来自两方面,一是工业发展超标排放工业废水,二是城市化中由于城市污水排放和集中处理设施严重缺乏,大量生活污水未经处理直接进入水体造成环境污染。
工业废水近年来经过治理虽有所减少,但城市生活污水有增无减,占水质污染的51%以上。
我国水体污染主要来自两方面,一是工业发展超标排放工业废水,二是城市化中由于城市污水排放和集中处理设施严重缺乏,大量生活污水未经处理直接进入水体造成环境污染。
工业废水近年来经过治理虽有所减少,但城市生活污水有增无减,占水质污染的51%以上。
本设计要求处理水量为20000m3/d的城市生活污水,设计方案针对已运行稳定有效的A2/O活性污泥法工艺处理城市生活污水。
A2O工艺由于不同环境条件,不同功能的微)能生物群落的有机配合,加之厌氧、缺氧条件下,部分不可生物降解的有机物(CODNB被开环或断链,使得N、P、有机碳被同时去除,并提高对COD的去除效果。
它可以同NB--时完成有机物的去除,硝化脱氮、磷的过量摄取而被去除等功能,脱氮的前提是NH3N应完全硝化,好氧池能完成这一功能,缺氧池则完成脱氮功能。
厌氧池和好氧池联合完成除磷功能。
关键词:城市生活污水,活性污泥,A2/O目录摘要 (III)目录 (IV)第一章设计概述 ······································································- 7 -1设计任务 ······································································- 7 - 2设计原则 ······································································- 7 - 3设计依据 ······································································- 8 - 第二章工艺流程及说明 ·····························································- 8 -1工艺方案分析 ································································- 8 - 2工艺流程 ······································································- 9 - 3流程各结构介绍 ·····························································- 9 -3.1格栅······························································································· - 9 -3.2沉砂池··························································································- 10 -3.3初沉池··························································································- 10 -3.4生物化反应池··············································································- 10 -3.5二沉池··························································································- 12 -3.6浓缩池··························································································- 12 - 第三章构筑物设计计算 ··························································· - 12 -1格栅 ·········································································· - 12 -1.1设计说明······················································································- 12 -1.2设计计算······················································································- 13 -2沉砂池 ······································································· - 16 -2.1设计说明······················································································- 16 - 3初沉池 ······································································· - 17 -3.1设计说明······················································································- 17 -3.2设计计算······················································································- 17 - 4生化池 ······································································· - 19 -4.1设计说明······················································································- 19 -4.2设计计算······················································································- 19 - 5二沉池 ······································································· - 26 -5.1设计说明······················································································- 26 -5.2设计计算······················································································- 26 - 6液氯消毒 ···································································· - 29 -6.1设计说明······················································································- 29 -6.2设计计算······················································································- 29 - 7污泥浓缩池 ································································· - 30 -7.1设计说明······················································································- 30 -7.2设计计算······················································································- 30 -8 污泥消化池 ································································· - 31 -8.1设计说明······················································································- 31 -8.2设计计算······················································································- 32 - 9浓缩污泥提升泵房 ························································ - 38 -9.1设计选型······················································································- 38 -9.2提升泵房······················································································- 38 -9.3污泥回流泵站··············································································- 38 -10污泥脱水间 ······························································· - 39 -10.1设计说明······················································································- 39 -11鼓风机房 ·································································· - 39 - 12恶臭处理系统 ···························································· - 39 -12.1设计说明······················································································- 39 -12.2设计计算······················································································- 39 -12.3风机选型······················································································- 40 - 第四章污水处理厂总体布置 ····················································· - 41 -1总平面布置 ································································· - 41 -1.1总平面布置原则··········································································- 41 -1.2总平面布置结果··········································································- 41 -2高程布置································································································- 42 -2.1高程布置原则··············································································- 42 - 第五章参考文献 ···································································· - 42 -第一章设计概述1设计任务本次课程设计的主要任务是完成某城市污水厂的A2/O工艺设计处理生活污水,处理水量为20000m3/d,按近期规划人口10万人计算(自定)。
本设计污水处理厂综合设计包括15个图纸,十分全面,具体详见报告后附图。
本报告附图全面详细。
图纸内容如下:A2O池,初沉池,幅流式二沉池,隔栅,工艺简单图,工艺流程图(高程图),回转耙式格栅除污机图,平面布置图,污泥浓缩池,厌氧消化池,钟式沉砂池等。
全为CAD制图。
下载后复制放大或打印可看清!题目20000m3/d城市污水处理厂综合设计专业: 环境工程年级: 2005级学号: 3105001286姓名: 莫笑伟指导教师:2008年12 月摘要我国水体污染主要来自两方面,一是工业发展超标排放工业废水,二是城市化中由于城市污水排放和集中处理设施严重缺乏,大量生活污水未经处理直接进入水体造成环境污染。
工业废水近年来经过治理虽有所减少,但城市生活污水有增无减,占水质污染的51%以上。
我国水体污染主要来自两方面,一是工业发展超标排放工业废水,二是城市化中由于城市污水排放和集中处理设施严重缺乏,大量生活污水未经处理直接进入水体造成环境污染。
工业废水近年来经过治理虽有所减少,但城市生活污水有增无减,占水质污染的51%以上。
本设计要求处理水量为20000m3/d的城市生活污水,设计方案针对已运行稳定有效的A2/O活性污泥法工艺处理城市生活污水。
A2O工艺由于不同环境条件,不同功能的微)能生物群落的有机配合,加之厌氧、缺氧条件下,部分不可生物降解的有机物(CODNB被开环或断链,使得N、P、有机碳被同时去除,并提高对COD的去除效果。
它可以同NB--时完成有机物的去除,硝化脱氮、磷的过量摄取而被去除等功能,脱氮的前提是NH3N应完全硝化,好氧池能完成这一功能,缺氧池则完成脱氮功能。
厌氧池和好氧池联合完成除磷功能。
关键词:城市生活污水,活性污泥,A2/O目录摘要 (III)目录 (IV)第一章设计概述 ······································································- 7 -1设计任务 ······································································- 7 - 2设计原则 ······································································- 7 - 3设计依据 ······································································- 8 - 第二章工艺流程及说明 ·····························································- 8 -1工艺方案分析 ································································- 8 - 2工艺流程 ······································································- 9 - 3流程各结构介绍 ·····························································- 9 -3.1格栅······························································································· - 9 -3.2沉砂池··························································································- 10 -3.3初沉池··························································································- 10 -3.4生物化反应池··············································································- 10 -3.5二沉池··························································································- 12 -3.6浓缩池··························································································- 12 - 第三章构筑物设计计算 ··························································· - 12 -1格栅 ·········································································· - 12 -1.1设计说明······················································································- 12 -1.2设计计算······················································································- 13 -2沉砂池 ······································································· - 16 -2.1设计说明······················································································- 16 - 3初沉池 ······································································· - 17 -3.1设计说明······················································································- 17 -3.2设计计算······················································································- 17 - 4生化池 ······································································· - 19 -4.1设计说明······················································································- 19 -4.2设计计算······················································································- 19 - 5二沉池 ······································································· - 26 -5.1设计说明······················································································- 26 -5.2设计计算······················································································- 26 - 6液氯消毒 ···································································· - 29 -6.1设计说明······················································································- 29 -6.2设计计算······················································································- 29 - 7污泥浓缩池 ································································· - 30 -7.1设计说明······················································································- 30 -7.2设计计算······················································································- 30 -8 污泥消化池 ································································· - 31 -8.1设计说明······················································································- 31 -8.2设计计算······················································································- 32 - 9浓缩污泥提升泵房 ························································ - 38 -9.1设计选型······················································································- 38 -9.2提升泵房······················································································- 38 -9.3污泥回流泵站··············································································- 38 -10污泥脱水间 ······························································· - 39 -10.1设计说明······················································································- 39 -11鼓风机房 ·································································· - 39 - 12恶臭处理系统 ···························································· - 39 -12.1设计说明······················································································- 39 -12.2设计计算······················································································- 39 -12.3风机选型······················································································- 40 - 第四章污水处理厂总体布置 ····················································· - 41 -1总平面布置 ································································· - 41 -1.1总平面布置原则··········································································- 41 -1.2总平面布置结果··········································································- 41 -2高程布置································································································- 42 -2.1高程布置原则··············································································- 42 - 第五章参考文献 ···································································· - 42 -第一章设计概述1设计任务本次课程设计的主要任务是完成某城市污水厂的A2/O工艺设计处理生活污水,处理水量为20000m3/d,按近期规划人口10万人计算(自定)。
《水污染控制工程》课程设计学院:专业:姓名:学号:指导老师:目录引言 (4)1设计任务及设计资料 (5)1.1设计任务与内容 (5)1.2设计原始资料 (5)1.2.1城市气象资料 (5)1.2.2地质资料 (5)1.2.3设计规模 (5)1.2.4进出水水质 (6)2、设计说明书 (6)2.1去除率的计算 (6)2.1.1溶解性BOD的去除率 (6)5的去除率: (7)2.1.2 CODr2.1.3.SS的去除率: (7)2.1.4.总氮的去除率: (7)2.1.5.磷酸盐的去除率 (8)2.2城市污水处理工艺选择 (8)2.3、污水厂总平面图的布置 (9)2.4、处理构筑物设计流量(二级) (9)2.5、污水处理构筑物设计 (9)2.5.1.中格栅和提升泵房(两者合建在一起) (9)2.5.2、沉沙池 (10)2.5.3、厌氧池 (11)2.5.4、缺氧池 (11)2.5.5、好氧曝气池 (11)2.5.6、二沉池 (12)2.6、污泥处理构筑物的设计计算 (12)2.6.1污泥泵房 (12)2.6.2污泥浓缩池 (12)2.7、污水厂平面,高程布置 (13)2.7.1平面布置 (13)2.7.2管线布置 (13)2.7.3 高程布置 (14)3 污水厂设计计算书 (14)3.1污水处理构筑物设计计算 (14)3.1.1泵前中格栅 (14)3.1.2污水提升泵房 (16)3.1.3、泵后细格栅 (17)3.1.3、沉砂池 (18)3.1.4、厌氧池 (20)3.1.5、缺氧池计算 (20)3.1.6、好氧曝气池的设计计算 (21)3.1.8、二沉池 (28)3.2 污泥处理部分构筑物计算 (31)3.2.1污泥浓缩池设计计算: (31)3.3、高程计算 (36)3.3.1污水处理部分高程计算: (36)3.3.2高程图见CAD图 (36)3.3.3污水处理厂工艺流程图与总平面布置图 (36)参考文献 (37)泰安市污水处理厂A/A/O工艺设计作者:闫赛红,指导教师:孙丰霞(山东农业大学资源与环境学院)【摘要】随着社会进步,人们对于城市污水的处理的要求愈加严格。
《水污染控制工程》课程设计学院:专业:姓名:学号:指导老师:目录引言 (4)1设计任务及设计资料 (5)1.1设计任务与内容 (5)1.2设计原始资料 (5)1.2。
1城市气象资料 (5)1.2.2地质资料 (5)1.2.3设计规模 (5)1.2。
4进出水水质 (6)2、设计说明书 (6)2.1去除率的计算 (6)2。
1.1溶解性BOD的去除率 (6)5的去除率: (7)2.1.2 CODr2.1。
3.SS的去除率: (7)2。
1.4.总氮的去除率: (7)2。
1.5。
磷酸盐的去除率 (8)2.2城市污水处理工艺选择 (8)2.3、污水厂总平面图的布置 (9)2.4、处理构筑物设计流量(二级) (9)2。
5、污水处理构筑物设计 (9)2.5。
1。
中格栅和提升泵房(两者合建在一起) (9)2。
5。
2、沉沙池 (10)2.5.3、厌氧池 (11)2.5。
4、缺氧池 (11)2。
5。
5、好氧曝气池 (11)2.5.6、二沉池 (12)2.6、污泥处理构筑物的设计计算 (12)2。
6。
1污泥泵房 (12)2。
6.2污泥浓缩池 (12)2。
7、污水厂平面,高程布置 (13)2.7.1平面布置 (13)2。
7.2管线布置 (13)2。
7.3 高程布置 (14)3 污水厂设计计算书 (14)3。
1污水处理构筑物设计计算 (14)3。
1.1泵前中格栅 (14)3.1.2污水提升泵房 (16)3.1.3、泵后细格栅 (17)3.1.3、沉砂池 (18)3.1.4、厌氧池 (20)3。
1。
5、缺氧池计算 (20)3。
1.6、好氧曝气池的设计计算 (21)3.1。
8、二沉池 (28)3。
2 污泥处理部分构筑物计算 (31)3。
2。
1污泥浓缩池设计计算: (31)3.3、高程计算 (36)3.3.1污水处理部分高程计算: (36)3.3。
2高程图见CAD图 (36)3。
3。
3污水处理厂工艺流程图与总平面布置图 (36)参考文献 (37)泰安市污水处理厂A/A/O工艺设计作者:闫赛红,指导教师:孙丰霞(山东农业大学资源与环境学院)【摘要】随着社会进步,人们对于城市污水的处理的要求愈加严格。
《水污染控制工程》课程设计学院:专业:姓名:学号:指导老师:目录引言...........................................................1设计任务及设计资料...........................................1.1设计任务与内容 ...................................................................................................1.2设计原始资料 .......................................................................................................1.2.1城市气象资料 ................................................................................................1.2.2地质资料 ........................................................................................................1.2.3设计规模 ........................................................................................................1.2.4进出水水质 ....................................................................................................2、设计说明书..................................................2.1去除率的计算 .......................................................................................................2.1.1溶解性BOD的去除率....................................................................................5的去除率:............................................................................................2.1.2 CODr的去除率: ............................................................................................................... 总氮的去除率: ....................................................................................................... 磷酸盐的去除率 .......................................................................................................2.2城市污水处理工艺选择 .......................................................................................2.3、污水厂总平面图的布置 ....................................................................................2.4、处理构筑物设计流量(二级) ............................................................................2.5、污水处理构筑物设计 ........................................................................................ 中格栅和提升泵房(两者合建在一起) ............................................................... 2.5.2、沉沙池 .........................................................................................................2.5.3、厌氧池 .........................................................................................................2.5.4、缺氧池 .........................................................................................................2.5.5、好氧曝气池 .................................................................................................2.5.6、二沉池 .........................................................................................................2.6、污泥处理构筑物的设计计算 ............................................................................2.6.1污泥泵房 ........................................................................................................2.6.2污泥浓缩池 ....................................................................................................2.7、污水厂平面,高程布置 ....................................................................................2.7.1平面布置 ........................................................................................................2.7.2管线布置 ........................................................................................................2.7.3 高程布置 .......................................................................................................3 污水厂设计计算书.............................................3.1污水处理构筑物设计计算 ...................................................................................3.1.1泵前中格栅 ....................................................................................................3.1.2污水提升泵房 ................................................................................................3.1.3、泵后细格栅 .................................................................................................3.1.3、沉砂池 .........................................................................................................3.1.4、厌氧池 .........................................................................................................3.1.5、缺氧池计算 .................................................................................................3.1.6、好氧曝气池的设计计算 .............................................................................3.1.8、二沉池 .........................................................................................................3.2 污泥处理部分构筑物计算 ..................................................................................3.2.1污泥浓缩池设计计算: ................................................................................3.3、高程计算 ............................................................................................................3.3.1污水处理部分高程计算: ..............................................................................3.3.2高程图见CAD图 ............................................................................................3.3.3污水处理厂工艺流程图与总平面布置图 ....................................................参考文献.......................................................泰安市污水处理厂A/A/O工艺设计作者:闫赛红,指导教师:孙丰霞(山东农业大学资源与环境学院)【摘要】随着社会进步,人们对于城市污水的处理的要求愈加严格。
《水污染控制工程》课程设计学院:专业:XX:学号:指导老师:目录引言41设计任务及设计资料5 1.1设计任务与内容51.2设计原始资料51.2.1城市气象资料51.2.2地质资料51.2.3设计规模51.2.4进出水水质62、设计说明书6 2.1去除率的计算62.1.1溶解性BOD的去除率65的去除率:72.1.2 CODr2.1.3.SS的去除率:72.1.4.总氮的去除率:72.1.5.磷酸盐的去除率82.2城市污水处理工艺选择82.3、污水厂总平面图的布置92.4、处理构筑物设计流量(二级)92.5、污水处理构筑物设计92.5.1.中格栅和提升泵房(两者合建在一起)9 2.5.2、沉沙池102.5.3、厌氧池112.5.4、缺氧池112.5.5、好氧曝气池112.5.6、二沉池122.6、污泥处理构筑物的设计计算122.6.1污泥泵房122.6.2污泥浓缩池122.7、污水厂平面,高程布置132.7.1平面布置132.7.2管线布置132.7.3 高程布置143 污水厂设计计算书14 3.1污水处理构筑物设计计算143.1.1泵前中格栅143.1.2污水提升泵房163.1.3、泵后细格栅173.1.3、沉砂池183.1.4、厌氧池203.1.5、缺氧池计算203.1.6、好氧曝气池的设计计算213.1.8、二沉池283.2 污泥处理部分构筑物计算313.2.1污泥浓缩池设计计算:313.3、高程计算363.3.1污水处理部分高程计算:363.3.2高程图见CAD图363.3.3污水处理厂工艺流程图与总平面布置图36参考文献37XX市污水处理厂A/A/O工艺设计作者:闫赛红,指导教师:孙丰霞(XX农业大学资源与环境学院)【摘要】随着社会进步,人们对于城市污水的处理的要求愈加严格。
除了基本的去除污水中BOD和SS的要求外,通常还要求脱氮除磷,以保护水体环境。
本设计即采用了众多脱氮除磷工艺中较为经济合理的AAO工艺对进入污水厂的污水进行处理。