led180w电源测试报告
- 格式:doc
- 大小:363.00 KB
- 文档页数:12
180W LED路灯电源规格:
(有需要请加QQ:598960940 详谈,谢谢您的支持!) IC: SSC9512S+SA7527
PCB尺寸: L 178mm*W 54mm
电源电气参数特性
项目参数
输入电压AC 100-240V
输入频率 47-63HZ
输出电压DC 38±2V(根据LED VF值不同可做调整)
功率因素≥0.96
110V ac ≥91%(Full Load)
转换效率
220V ac ≥93%(Full Load)
纹波≤400mV
输出负载≥4.8A
输入过压保护 300±10%V AC
输出短路保护 输出短路时,输入功率≤8W
输出过流保护≤7A
开机延迟时间 ≤5000ms
关机维持时间≥10ms
高压测试1800V AC 60S 5mA ,初级对次级,无击穿及飞弧现象(带外壳); 3000V AC 60S 5mA ,初级对次级,无击穿及飞弧现象(裸机)。
绝缘测试500V直流电压3秒钟后进行测试,绝缘电阻不小于50 MΩ工作环境 -35℃ ~ +60℃
储存环境 -40℃ ~ +85℃
温升测试报告:
PCB顶层图:。
样品描述及说明1.本产品已取得CCC证书,证书号为2004010901113842, 原报告号:C-002-04-2760,C-002-04M-0667,C-002-04M-0773,C-002-04M-0715,C-002-06M-0278,C-002-06M-0328 ,C-002-06M-0383,C-002-06M-0433,C-002-06M-0528,C-002-06M-0700,C-002-06M-0860,C-002-07M-0026,C-002-07M-0164,C-002-07M-0557,C-002-07M-0742,C-002-07M-0786,C-002-07M-0934,C-002-07M-1055,C-002-07M-1154,C-002-08M-0325,C-002-08M-0568,C-002-08M-0755,本次为变更申请, 变更内容如下:序号和名称变更前变更后1.增加主板型号详见C-002-04-2760,C-002-04M-0667,C-002-04M-0773,C-002-04M-0715,C-002-06M-0278,C-002-06M-0328 ,C-002-06M-0383,C-002-06M-0433,C-002-06M-0528,C-002-06M-0700,C-002-06M-0860,C-002-07M-0026,C-002-07M-0164,C-002-07M-0557,C-002-07M-0742,C-002-07M-0786,C-002-07M-0934,C-002-07M-1055,C-002-07M-1154,C-002-08M-0325,C-002-08M-0568,C-002-08M-0755报告和变更确认表详见原报告和变更确认表增加:1)型号:L-IQ45 规格:IQ45生产厂:lenovo2)型号:L-IG41M 规格:IG41生产厂:lenovo2.电线组件详见C-002-04-2760,C-002-04M-0667,C-002-04M-0773,C-002-04M-0715,C-002-06M-0278,C-002-06M-0328 ,C-002-06M-0383,C-002-06M-0433,C-002-06M-0528,C-002-06M-0700,C-002-06M-0860,C-002-07M-0026,C-002-07M-0164,C-002-07M-0557,C-002-07M-0742,C-002-07M-0786,C-002-07M-0934,C-002-07M-1055,C-002-07M-1154,C-002-08M-0325,C-002-08M-0568,C-002-08M-0755报告和变更确认表详见原报告和变更确认表增加:1)型号规格:FM-010+FF-01 10A 250V~(配227IEC53 3×0.75mm2, 227IEC53 3×1mm2), FM-010+FF-02 10A 250V~(配227IEC53 3×0.75 mm2,227IEC53 3×1 mm2),FM-010+FF-07 10A 250V~(配227IEC53 3×0.75 mm2,227IEC53 3×1 mm2),FM-011+FF-01 10A 250V~(配227IEC53 3×0.75 mm2,227IEC53 3×1 mm2),FM-011+FF-02 10A 250V~(配227IEC53 3×0.75 mm2,227IEC53 3×1 mm2),FM-011+FF-07 10A 250V~(配227IEC53 3×0.75 mm2,227IEC53 3×1 mm2)生产厂:鸿海精密工业股份有限公司证书号:2008010101292226BO 详见C-002-04-2760,C-002-04M-0667,C-002-04M-0773,C-002-04M-0715,C-002-06M-0278,C-002-06M-0328 ,C-002-06M-0383,C-002-06M-0433,C-002-06M-0528,C-002-06M-0700,C-002-06M-0860,C-002-07M-0026,C-002-07M-0164,C-002-07M-0557,C-002-07M-0742,C-002-07M-0786,C-002-07M-0934,C-002-07M-1055,C-002-07M-1154,C-002-08M-0325,详见原报告和变更确认表增加:1)型号:CH10N 规格:Class 1 Laser Product 生产厂:HITACHI-LG DATASTORAGE ,INC证书号:SE-58581C-002-08M-0568,C-002-08M-0755报告和变更确认表4.DVDRW 详见C-002-04-2760,C-002-04M-0667,C-002-04M-0773,C-002-04M-0715,C-002-06M-0278,C-002-06M-0328 ,C-002-06M-0383,C-002-06M-0433,C-002-06M-0528,C-002-06M-0700,C-002-06M-0860,C-002-07M-0026,C-002-07M-0164,C-002-07M-0557,C-002-07M-0742,C-002-07M-0786,C-002-07M-0934,C-002-07M-1055,C-002-07M-1154,C-002-08M-0325,C-002-08M-0568,C-002-08M-0755报告和变更确认表详见原报告和变更确认表增加:1)型号:DH-6E2S规格:Class 1 Laser Product 生产厂:LITEON OPTO Technology (Guang Zhou) Co.,Ltd证书号:PTUV-0236972)型号:BH20N规格:Class 1 Laser Product 生产厂:HITACHI-LG DATASTORAGE ,INC证书号:SE-55313故本次不进行试验,其他数据详见原报告和变更确认表。
自制电源所有备注符号单位建议输输入电压范Vin交流:110-240V(85-264V)V开机 80±5 关机75±5,输入电压频freq47-63HZ HZ输入电流3Iin220V电压输入时,最大0.76A A突入电流inrush220V电压输入时,冷机启动最大60A功率因数PFC95%A输输出电压1Vout V输出电压范1Vout(rg)36-50VDC V额定输出电3Io(rated)A峰值输出电流Io(pk)3A 恒流误差0.5%最小输出电Io(min)0输出功率1Pout最大150W W纹波和噪音2N&R最大150mV mV最大电压过冲3shoot最大1.5V V项目详细内容根据负载自动调整,Vomax=50VDC 恒压误差0.5%暂无LED负载,用DC Load模拟, 实际应用LED LOAD 或灯条模拟3A负荷调节效应3最大0.5%%输入变动效3最大0.5%%温度飘逸drift变换3最小90%开机上升时间3turn on最大90ms关机保持时间3hold up最小4ms修改规格最小值至 10mS 保过电流保护OCP 3.1A 关闭输出,重启后恢复DC LOAD 模拟过电压保护OVP151.5V 关闭输出,重启后恢复需打开BOX测试,规格输出短路保SHORT需短路测试,打嗝模式,异常情况解除后可自动过热HOT105℃保护 关闭输出,异常情况解除后自动恢应EMI(传CE达到标准EN-55022 B级EMI(辐RE达到标准EN-55022 B级快速瞬变输3EFT全相位,双极性,通过1.2KV静电泄放3ESD IEC-1000-4-2雷击输入3Surge IEC-1000-4-5输入跌落和变动(ACcycledrop)3Dip&Via IEC-1000-4-11(当AC电掉电10mS时容易产生闪烁)需增加PFC输出电容容量解决此问题,此问题由hold up time 定义较小引起输入动态响3Ta最大1%%工作温度-35~85℃℃最高变化是0.02%每摄氏度工作湿度310~90% 可以正常工作%储藏温度-40~95℃℃储藏湿度5~95%%冷却方式cooling自然冷却振动试验3viab 物理跌落试3shock50mm高度自由跌落于30mm厚度的木板三次,安标准符合IEC950,EN60950&GB4943-2001耐压强度3输入和输出:高压3000V 测试一分钟,漏电流定义3000VAC绝缘阻抗3输入和输出端子:500VDC测量时,绝缘电阻值漏电流3在240Vac输入,满负荷工作下,小于1mA.物长*宽*高见结构图纸性平均无故障3MTBF*寿命3Life放置于40℃环境,240V电压输入,满负荷持续安规器件安全认证备注2.纹波和噪声测试于电源的输出端子100mm处,示波器设置20MHZ带宽,探头加有10UF/50V电容抑制杂讯。
杭州中为光电技术有限公司ZWL-9107卧式分布光度计测试报告page 1 total 6实测参数: 道 路 灯 具 光 度 数 据U: v, I: mA, P: W, PF:,实检光通量: *1 lm灯具名称外形尺寸制造厂商灯具描述灯具型号发光口面灯具重量(kg)测试编号保护角(°)光 度 数 据光 源 数 据型号标称功率(w)额定电源电压(v)额定光通量(lm)灯具内光源数(只)实测电源电压(v)峰值光强(cd)灯具光效率(lm/w)灯具总光通量(lm)峰值光强位置(C, γ)上射光通比(%)下射光通比(%)η路边向上(%)η路边向下(%)η屋边向上(%)η屋边向下(%)4135.040.006291.7130.0°,40.0°0.00100.000.0066.280.0033.72测试区域:半球面测试距离(m):8C角间隔(°):30γ角间隔(°): 5.0环境温度(°C):测试人员:备注:环境湿度(%):测试日期:杭州中为光电技术有限公司ZWL-9107卧式分布光度计测试报告page 2 total 6道路灯具等光强图(圆形网图)测试区域:半球面测试距离(m):8C角间隔(°):30γ角间隔(°): 5.0环境温度(°C):测试人员:备注:环境湿度(%):测试日期:杭州中为光电技术有限公司ZWL-9107卧式分布光度计测试报告page 3 total 6水 平 等 照 度 曲 线安装高度(m):8安装仰角(°):15测试区域:半球面测试距离(m):8C角间隔(°):30γ角间隔(°): 5.0环境温度(°C):测试人员:备注:环境湿度(%):测试日期:杭州中为光电技术有限公司ZWL-9107卧式分布光度计测试报告page 4 total 6灯 具 利 用 系 数 曲 线测试区域:半球面测试距离(m):8C角间隔(°):30γ角间隔(°): 5.0环境温度(°C):测试人员:备注:环境湿度(%):测试日期:灯 具 环 带 光 通 量杭州中为光电技术有限公司ZWL-9107卧式分布光度计测试报告page 5 total 6γ/I(cd)\C(°)04590135180225270315γ范围φ环(lm)φ总(lm)5213019811850206421271830181718970-546.6946.6910214520601850221421811771167918645-10140.61187.30152205214124302237226416961481177110-15236.15423.45202294261425012561245715421242164815-20338.92762.3725256827342403265228021342737155420-25439.591201.9630300026102093259831301156276142225-30517.991719.9535333228291674277233101045113140130-35596.432316.38403369285611282767324245191.593535-40644.052960.43453247242011282272319423773.069140-45627.773588.2050319318811471749301110959.538145-50563.694151.8955330015321131494271481.965.319050-55496.764648.65601871108499.21075227680.669.812955-60420.025068.6765187173395.4719170283.878.110960-65325.645394.3170164053099.853*******.874.297.965-70270.625664.93751139533105541124589.967.299.570-75236.895901.8280685161109168124511173.611975-80185.246087.068531017311418218214185.814780-85117.886204.949025215289.617717713985.814385-9086.786291.729590-9510095-100105100-105110105-110115110-115120115-120125120-125130125-130135130-135140135-140145140-145150145-150155150-155160155-160165160-165170165-170175170-175180175-180测试区域:半球面测试距离(m):8C角间隔(°):30γ角间隔(°): 5.0环境温度(°C):测试人员:备注:环境湿度(%):测试日期:灯 具 光 强 分 布 数 据 表杭州中为光电技术有限公司ZWL-9107卧式分布光度计测试报告page 6 total 6γ/I(cd)\C(°)030609012015018021024027030033001946194619461946194619461946194619461946194619465213018412121185022761852212718051855181719601835102145185722631850256718622181179117501679190018281522051857242524302613186222641732166114811722181920229426842545250125242598245716111473124214841812252568293825312403243928652802152411617371295181230300033901830209318523344313014268852761034181135333238271830167418523692331012068851131034176840336941351578112817423793324281585.891.51331738453247399284811289383606319440667.273.088.3129350319334123491473533145301115760.859.579.468355330028512121132252763271410162.765.378.7301601871202114799.21701980227692.269.169.885.1172651871134911695.41191320170287.780.078.184.513470164095510599.892.2972149487.780.074.283.2113751139955112105109972124596.683.267.290.910880685196125109138198124512110173.61061328531020813811416020518214813485.81221719025217612789.614720817715811985.8101186测试区域:半球面测试距离(m):8C角间隔(°):30γ角间隔(°): 5.0环境温度(°C):测试人员:备注:环境湿度(%):测试日期:。
Datasheet: 123-3565RS Pro 180W Digital Bench Power Supply, Dual Output, 2 x 0 to30 V dc, 2 x 0 to 3 AThe IPS series of bench power supplies from RS Pro are general purpose linear DC power supplies with flexible output voltage and current combinations. The IPS-2303 model has two independent isolated output channels and an output of 180 W. It offers protection from reverse polarity alongside overload protection. This bench power supply unit has an output ON/OFF switch that helps to protect users. It keeps the case and the load safe from unexpected conditions and ensures an excellent level of safety during operation. Tracking mode switches enable current and voltage to be output in either parallel or in series.This bench power supply also features an automated cooling fan. Under low load or no load conditions, a fan control circuit reduces the noise from the unit ensuring quiet operation. Applications:This bench power supply is general-purpose, all in one solution, making it incredibly versatile and suitable for a range of applications and environments. It is lightweight and compact which allows you to take it on any job with you.Suitable applications include:•Education•Laboratories (such as science student labs, R&D labs or engineering labs)•Industry•Electronic design•Component testing•System power modules•ManufacturingFeatures:• 4 x 3 digit LED displays provide a clear and easy to read display. You can easily monitor two outputs of voltage or current at the same time using the display.•This power supply offers stable and clean power, providing 0.01% load and line regulation with low ripple and noise.•The ON/OFF output switch protects load devices from damage during setting adjustment. The power output can easily be switched off while settings are changed, and power switched back on once the settings have been updated.•The intelligent integrated fan helps to regulate noise during operation, reducing acoustic noise to create a quieter environment.•The application range can be extended without the need for any additional power supplies. Tracking and automatic series/parallel features extend the series to 60 V/3A in series and to 30 V/ 6 A in parallel.•Polarity protection protects against the damage caused by misconnection.Supplied with:User manual, power cord and test leadsBenefits:This benchtop power supply is incredibly accurate, flexible and safe. It provides clean, stable outputs with low ripple and noise. Utilising ring transformers and smaller surface mount components, this is a lightweight and more compact unit than many of its counterparts.。
室内灯具光度数据C角度范围: 0度 - 360度C角度间隔: 22.5度γ角度范围: 0度 - 180度γ角度间隔: 0.5度测试速度: 中速测试系统: 远方(EVERFINE)GO-SPEX500_V1系统 V2.0.291环境温度:25.3℃环境湿度:65.0%测试距离:3.000米 [K=1.0000]测试人员:tankai测试日期:2014-10-13备注:灯具环带光通量和亮度限制曲线环带光通量:γ5 0- 5 10 5- 10 15 10- 15 20 15- 20 25 20- 25 30 25- 30 35 30- 35 40 35- 40 45 40- 45 50 45- 50 55 50- 55 60 55- 60 65 60- 65 70 65- 70 75 70- 75 80 75- 80 85 80- 85 90 85- 90 95 90- 95 100 95-100 105100-105 110105-110 115110-115 120115-120 125120-125 130125-130 135130-135 140135-140 145140-145 150145-150 155150-155 160155-160 165160-165 170165-170 175170-175 180175-180C0C45C90C135C180C225C270C315γ(°)Φ环Φ总%lum,lamp 单位:°光强:cd 球泡灯:变化不超过 25% 点的比率 = 44.5 %单位:lm8.0317.985 6.906 5.691 5.969 6.8687.7217.7760.15300.15300.03,0.0312.6212.699.9187.9898.50810.8711.2211.830.64080.79380.13,0.1317.0818.3314.7812.0712.6415.4115.6015.95 1.557 2.3510.39,0.3921.5924.1920.4815.8317.5921.0021.1220.86 2.954 5.3050.89,0.8925.5930.5027.5520.4321.9825.8726.9026.25 4.85510.16 1.7,1.729.7937.2133.7426.2425.8930.3931.6731.757.16917.33 2.9,2.8934.0943.7239.0431.9529.2435.1536.4137.289.79727.13 4.55,4.5338.6050.1444.5437.6732.4741.1741.0043.1712.7639.88 6.68,6.6642.8156.6249.8044.0636.7347.8445.4248.9916.0755.959.38,9.3446.3562.4954.3850.0440.4653.9148.9553.7119.5875.5312.7,12.649.0366.6757.4253.9543.1958.6450.7557.4022.8198.3416.5,16.450.9869.9059.3257.1645.1662.9651.1860.0025.63124.020.8,20.752.3472.6960.4759.7046.8066.1251.5362.0228.05152.025.5,25.453.4674.9860.6962.0648.3369.2052.0063.5930.14182.230.5,30.454.2276.2159.9463.6949.1971.4251.7864.2331.78213.935.9,35.754.2976.8859.2164.7149.6372.9951.5464.4032.91246.841.4,41.253.5876.6958.3965.0649.4473.7051.0863.9233.54280.447,46.852.2975.4057.1664.5648.8473.3950.2762.7433.51313.952.6,52.450.9873.7355.8463.7248.1672.5949.7061.4932.96346.858.1,57.949.6572.2255.0662.9747.5671.9149.8860.5632.19379.063.5,63.348.3470.2054.9162.1947.0070.8850.1859.3031.25410.368.8,68.546.7567.6254.8660.8946.2368.9849.8757.4729.94440.273.8,73.545.0264.3354.3458.9645.0566.6849.4655.1728.20468.478.5,78.242.9760.5553.6656.4743.3663.4948.5452.3926.10494.582.9,82.640.3556.0553.3053.4441.1759.8247.1148.9623.65518.286.9,86.537.5650.8952.3249.9238.7555.7244.9645.3420.94539.190.4,9034.4745.0749.4645.9135.9750.5741.3540.1918.03557.293.4,9330.9237.4743.4640.0232.7843.7535.1532.6014.76571.995.9,95.523.9429.8935.3732.6026.6834.9827.3924.4111.12583.097.7,97.416.8321.0225.1723.4919.8023.9918.3915.017.417590.599,98.610.0712.9713.3011.2113.0313.089.6917.697 4.019594.599.6,99.34.294 5.794 6.005 4.123 5.810 5.833 4.369 2.888 1.671596.299.9,99.60.48310.56140.50380.42180.46930.47360.39700.39990.4170596.6100,99.60.18360.19000.20030.18670.18690.18480.17280.16410.0350596.6100,99.60.11780.11610.11780.12090.11090.11760.11680.11120.0102596.6100,99.60.12170.12430.12580.12300.12090.12530.12150.12170.0028596.6100,99.6C 角度范围: 0度 - 360度C 角度间隔: 22.5度γ角度范围: 0度 - 180度γ角度间隔: 0.5度测试速度: 中速测试系统: 远方(EVERFINE)GO-SPEX500_V1系统 V2.0.291环境温度:25.3℃环境湿度:65.0%测试距离:3.000米 [K=1.0000]测试人员:tankai测试日期:2014-10-13备注:工作面利用系数和灯具概算曲线C角度范围: 0度 - 360度C角度间隔: 22.5度γ角度范围: 0度 - 180度γ角度间隔: 0.5度测试速度: 中速测试系统: 远方(EVERFINE)GO-SPEX500_V1系统 V2.0.291环境温度:25.3℃环境湿度:65.0%测试距离:3.000米 [K=1.0000]测试人员:tankai测试日期:2014-10-13备注:墙面和天花板利用系数C角度范围: 0度 - 360度C角度间隔: 22.5度γ角度范围: 0度 - 180度γ角度间隔: 0.5度测试速度: 中速测试系统: 远方(EVERFINE)GO-SPEX500_V1系统 V2.0.291环境温度:25.3℃环境湿度:65.0%测试距离:3.000米 [K=1.0000]测试人员:tankai测试日期:2014-10-13备注:UGR(Unified Glare Rating)数据表反射比:天花板墙面工作面房间尺寸交叉(Viewed crosswise)向前(Viewed endwise)0.70.70.50.50.20.20.70.70.30.30.20.20.50.50.50.50.20.20.50.50.30.30.20.20.30.30.30.30.20.2x = 2H y = 2H3H 4H 6H 8H 12H4H 2H3H 4H 6H 8H 12H8H 4H6H 8H 12H12H 4H6H 8H 10.9 9.8 12.1 10.9 11.8 10.6 13.0 11.8 14.1 12.9 14.2 13.2 15.2 14.3 15.0 14.1 16.1 15.2 17.3 16.3 15.9 15.2 16.9 16.2 16.8 16.0 17.8 17.1 19.0 18.2 17.8 17.3 18.7 18.2 18.7 18.2 19.6 19.1 20.8 20.3 18.8 18.4 19.7 19.3 19.7 19.3 20.6 20.3 21.8 21.5 19.9 19.7 20.8 20.6 20.9 20.7 21.8 21.6 23.0 22.8 12.2 11.4 13.2 12.4 13.0 12.3 14.1 13.3 15.2 14.5 15.7 14.7 16.6 15.6 16.6 15.6 17.5 16.5 18.7 17.7 17.7 16.6 18.5 17.4 18.6 17.5 19.4 18.3 20.6 19.6 19.7 18.7 20.4 19.4 20.7 19.7 21.4 20.4 22.7 21.7 20.8 19.9 21.5 20.6 21.7 20.9 22.4 21.6 23.7 22.9 22.0 21.3 22.6 22.0 22.9 22.3 23.6 22.9 24.9 24.2 18.5 17.7 19.2 18.4 19.5 18.7 20.2 19.4 21.4 20.6 21.0 20.0 21.5 20.6 21.9 21.0 22.5 21.6 23.8 22.9 22.3 21.3 22.8 21.8 23.3 22.3 23.8 22.8 25.2 24.2 23.8 22.8 24.2 23.3 24.8 23.8 25.3 24.3 26.6 25.6 18.7 18.1 19.3 18.7 19.6 19.0 20.3 19.7 21.6 21.0 21.3 20.5 21.8 21.1 22.3 21.5 22.8 22.1 24.1 23.4 22.8 22.023.322.423.823.024.323.425.624.8不同间隔布灯时,观察者位置引起的UGR 变化:S = 1.0H + 0.1 / - 0.1+ 0.1 / - 0.1 1.5H + 0.2 / - 0.3+ 0.2 / - 0.2 2.0H+ 0.4 / - 0.5+ 0.2 / - 0.3依据CIE Pub.117计算,表格已按598.8lm 光源光通进行修正(8log(F/F0) = -1.8).C 角度范围: 0度 - 360度C 角度间隔: 22.5度γ角度范围: 0度 - 180度γ角度间隔: 0.5度测试速度: 中速测试系统: 远方(EVERFINE)GO-SPEX500_V1系统 V2.0.291环境温度:25.3℃环境湿度:65.0%测试距离:3.000米 [K=1.0000]测试人员:tankai测试日期:2014-10-13备注:UF利用系数表反射比 / REFLECTANCE天花板墙壁工作面0.80.70.20.80.50.20.80.30.20.70.70.20.70.50.20.70.30.20.50.70.20.50.50.20.50.30.2室形指数利用系数 UTILIZATION FACTORS(%) k(RI) x RCR = 5k = 0.6034211332201329181240.8042281940261835241771.00493525463324403121101.25564132523930453427131.50624737574435493931162.00705646655243554538202.50756252695849595043233.00796758736354625447264.00857566786962665953305.0088797282746769635733 ROOM INDEX UF(总)UF(直接)依据标准文件 DIN EN 13032-2 2004安装距高比 SHRNOM = 1.25悬挂灯C角度范围: 0度 - 360度C角度间隔: 22.5度γ角度范围: 0度 - 180度γ角度间隔: 0.5度测试速度: 中速测试系统: 远方(EVERFINE)GO-SPEX500_V1系统 V2.0.291环境温度:25.3℃环境湿度:65.0%测试距离:3.000米 [K=1.0000]测试人员:tankai测试日期:2014-10-13备注:灯 具 等 光 强 曲 线-90-90-80-80-70-70-60-60-50-50-40-40-30-30-20-20-10-10101020203030404050506060707080809090水 平 角 度(DEG)垂 直 角 度(D E G )Imax:78.09(H66.0,V-70.0) (At:C=22.5,Gamma=82.0)单位: cd5% 3.90410% 7.80915% 11.7120% 15.6225% 19.5230% 23.4335% 27.3340% 31.2445% 35.1450% 39.0455% 42.9560% 46.8565% 50.7670% 54.6675% 58.5780% 62.4785% 66.3890% 70.2895% 74.191.AVG=8.071,MIN=5.8202.AVG=8.556,MIN=5.4333.AVG=9.248,MIN=5.420锥面光通量(90度):55.951 lm%lum = 9.4%%lamp = 9.3%锥面光通量(120度):123.97 lm %lum = 20.8%%lamp = 20.7%C 角度范围: 0度 - 360度C 角度间隔: 22.5度γ角度范围: 0度 - 180度γ角度间隔: 0.5度测试速度: 中速测试系统: 远方(EVERFINE)GO-SPEX500_V1系统 V2.0.291环境温度:25.3℃环境湿度:65.0%测试距离:3.000米 [K=1.0000]测试人员:tankai测试日期:2014-10-13备注:灯具有效平均照度图1.219m243.84cm11.98,16.35lx2m400.00cm4.452,6.075lx3m600.00cm1.979,2.700lx4m800.00cm1.113,1.519lx5m1000.00cm0.7124,0.9720lx高度Eavg,Emax直径光束角:90.00度光通输出:55.95 lm注:曲线为灯具在不同投射距离下的照射区域及区域内平均照度.C角度范围: 0度 - 360度C角度间隔: 22.5度γ角度范围: 0度 - 180度γ角度间隔: 0.5度测试速度: 中速测试系统: 远方(EVERFINE)GO-SPEX500_V1系统 V2.0.291环境温度:25.3℃环境湿度:65.0%测试距离:3.000米 [K=1.0000]测试人员:tankai测试日期:2014-10-13备注:平 面 等 照 度 曲 线131.2'40.00m105.0'32.00m32.00m 105.0' 78.7'24.00m52.5'16.00m16.00m 52.5' 26.2' 8.00m0.0' 0.00m0.00m 0.0' 26.2' 8.00m52.5'16.00m16.00m 52.5' 78.7'24.00m105.0'32.00m32.00m105.0'131.2'40.00m安装高度: 33'(10.0m)3% 0.0072lx 0.0006727fc 5% 0.0121lx 0.001121fc10% 0.0241lx 0.002242fc 30% 0.0724lx 0.006727fc50% 0.1207lx 0.01121fcC 角度范围: 0度 - 360度C 角度间隔: 22.5度γ角度范围: 0度 - 180度γ角度间隔: 0.5度测试速度: 中速测试系统: 远方(EVERFINE)GO-SPEX500_V1系统 V2.0.291环境温度:25.3℃环境湿度:65.0%测试距离:3.000米 [K=1.0000]测试人员:tankai测试日期:2014-10-13备注:LED筒灯平均亮度报告注:依据标准 GB/T 29293-2012 计算C角度范围: 0度 - 360度C角度间隔: 22.5度γ角度范围: 0度 - 180度γ角度间隔: 0.5度测试速度: 中速测试系统: 远方(EVERFINE)GO-SPEX500_V1系统 V2.0.291环境温度:25.3℃环境湿度:65.0%测试距离:3.000米 [K=1.0000]测试人员:tankai测试日期:2014-10-13备注:平面照度曲线C角度范围: 0度 - 360度C角度间隔: 22.5度γ角度范围: 0度 - 180度γ角度间隔: 0.5度测试速度: 中速测试系统: 远方(EVERFINE)GO-SPEX500_V1系统 V2.0.291环境温度:25.3℃环境湿度:65.0%测试距离:3.000米 [K=1.0000]测试人员:tankai测试日期:2014-10-13备注:光 强 分 布 数 据 表格表--1单位: cdC 角度范围: 0度 - 360度C 角度间隔: 22.5度γ角度范围: 0度 - 180度γ角度间隔: 0.5度测试速度: 中速测试系统: 远方(EVERFINE)GO-SPEX500_V1系统 V2.0.291环境温度:25.3℃环境湿度:65.0%测试距离:3.000米 [K=1.0000]测试人员:tankai测试日期:2014-10-13备注:I(cd)1000 lm K = 1d/h 0123908070605040302010321lx5N F = 1000 lmK = 0.7Hcc = 0.8 mHfc = 0.0 mEave = 100 lxPcc Pw Pfc705030503020。
---LED电源(恒流)测试报告评戈乐电性能测试报告Electronic Performance Test Report拟制仃ested by)黄秋霞(Qiuxia Huang)日期(Date)2015-10-16审核(Approv Marey 日期(Date) ed by)评戈尔---LED电源(恒流)测试报告1概述 (3)(Summary)2测试地点、时间、人员 (3)(Test place, Time, Pers onn el)3测试引用标准 (3)(Guide)3.1技术指标要求 (3)(Tech ni cal Norm Requireme nt)3.2测试方法 (3)(Test Criterio n)4测试设备 (3)(Test Equipme nt)5结论 (3)(Test Result6问题报告 (3)(Problem Repor)7测试内容和结果 (4)(Test Items and Resu l t7.1常温环境电气性能测试 (4)(Electro nic performa nee Test at Normal Temperature7.2高温环境电气性能测试 (5)(Electro nic performa nee Test at High Temperatur)e7.3低温环境电气性能测试 (6)(Electro nic performa nee Test at Low Temperature8附录 (7)(Appe ndix)8.1输出电流测试值 (7)(Output Curre nt Test Values)8.2效率测试数据记录 (7)(Record of Efficie ncy Test Date)8.3电压调整率计算 (8)---LED电源(恒流)测试报告(Li ne Voltage Calculatio n)评戈尔---LED电源(恒流)测试报告8.4负载调整率计算 (8)(Load Regulati on Calculati on)8.5输出电流精度计算 (9)(Calculatio n of Output Current Accuracy )8.6 绝缘电压和绝缘电阻测试 (9)(In sulati on voltage and In sulatio n Resista nee Test)8.7波形记录 (10)(Waveform Recordi ng)8.7.1常温波形 (10)(Waveform at Normal Temperature)8.7.2高温波形 (10)(Waveform at High Temperature)8.7.3低温波形 (11)(Waveform at Low Temperature)评戈尔---LED 电源(恒流)测试报告1 概述(Summary )1PCS EWP200C1050LED4P 样机进行电性能测试(Electro nic Performa nee Test for Product 1PCS EWP200C1050LED4P)2 测试地点、时间、人员(Test place, Time, Personnel)测试时间(Test time : 2015-10-15测试地点(Test place :测试中心(Test Center) 测试人员(Test perso nn 创:黄秋霞(Qiuxia Hua ng)3测试引用标准(Guide )3.1 技术指标要求(Technical Norm Requirement产品设计规格书,DZ-CS3-003 A 版电源测试规范,DZ-YF-004 A 版电子分公司LED 驱动电源验证 评审检测标准(Product Design specification; <DZ-CS3-003 version A-Test Regulation of Power Supply 〉; <DZ-YF-004 vers ion A-Validatio n Testi ng Stan dard of LED Power Supply of Electro nic Branch Compa ny>)3.2 测试方法仃 est Criterion)DZ-CS3-003 A 版电源测试规范(<DZ-CS3-003 version A-Test Regulation of Power Supply>)4 测试设备(Test Equipment)5 结论(Results)回通过(Pass)』不通过(Fail) )6 问题报告(Problem Report)伊戈尔电气股份有限公司评戈尔---LED电源(恒流)测试报告7 测试内容和结果(Test Items and Results)7.1 常温环境电气性能测试(Electronic performance Test at Nomal Temperature)表7-1 常温工作测试结果(Results of Test at Nomal Temperature @25C伊戈尔电气股份有限公司---LED 电源(恒流)测试报告EAGI^LRISE 挣戈尔EAGL^R(SE 评戈尔伊戈尔电气股份有限公司---LED电源(恒流)测试报告7.2 高温环境电气性能测试(Electronic performance Test at High Temperature)试验样机带满载并置于恒温恒湿箱中,箱内温度设45C,湿度设为95%RH,稳定工作4h后进行电性能测试及开关机测试。
LED灯具安全EMC测试报告讲解LED灯具安全与电磁兼容性(EMC)测试报告对于电气和电子设备的制造商非常重要。
该测试报告评估了LED灯具在电磁环境中的性能和安全性能,以确保其符合相关的电磁兼容性标准和法规要求。
下面将对LED灯具安全EMC测试报告进行详细讲解。
首先,LED灯具安全EMC测试报告通常包括以下几个主要部分:测试目的和范围、测试仪器和设备、测试方法和标准、测试结果和评估、结论和建议等。
测试目的和范围部分明确说明了测试的目的和范围,例如,评估LED灯具在电磁环境中的性能和安全性能,包括辐射发射、电磁感应和静电电容等。
测试仪器和设备部分列出了用于测试的各种仪器和设备,如频谱分析仪、电磁辐射测试系统、电磁兼容性测试设备等。
这些仪器和设备是进行测试的关键工具,确保测试的准确性和可靠性。
测试结果和评估部分是整个报告的核心内容,描述了LED灯具在各项测试中的具体结果。
这些测试结果通常以图表和数据的形式呈现,包括辐射发射测试、电磁感应测试和静电电容测试等。
评估部分对测试结果进行分析和解释,评估是否符合相关的电磁兼容性标准和法规要求。
结论和建议部分对测试结果进行总结和归纳,给出具体的结论和建议。
如果测试结果符合要求,LED灯具可以获得相应的合规证书。
如果存在不符合要求的情况,建议对相关的电路设计、故障处理和防护措施进行改进。
总体而言,LED灯具安全EMC测试报告对于验证和保证LED灯具在电磁环境中的性能和安全性能非常重要。
通过评估和验证LED灯具的电磁兼容性,可以确保其正常工作并不会对周围设备和环境造成干扰。
因此,制造商应重视并遵守相关的电磁兼容性标准和法规要求,并且定期进行安全EMC测试,以确保产品的合规性和可靠性。
恒流型LED驱动电源测试标准——初稿文件说明:1. 适用范围本标准规定了公司恒流型LED驱动电源产品的查验实验操作的技术要求,实验方式,判定规那么。
本标准适用于本公司内LED灯具之恒流型驱动电源部份的查验。
2.参照标准灯的操纵装置第一部份:一样要求和平安要求GB17743-2007 电气照明和类适设备的无线电骚扰特性的限制和测量方式电磁兼容、限值、谐波电流发射限值(设备每相输入电流≤6A)目录一电路性能测试术语概念1.1.1.电流调整率输入电压在额定范围内转变时,输出电流之转变率。
通常以一正常的固定负载下,由输入电压转变所造成其输出电压误差率(deviation)的百分比,如以下公式所示:Current Regulation(%)=I0(max)-I0(min) / I0(nor) ×100%I0(min): 最低输入电压时的输出电电流。
I0(max) : 最高输入电压时的输出电电流。
I0(nor) : 正常输入电压时的输出电电流。
1.1.2. 负载调整率:负载调整率的概念为驱动电源于输出负载电压转变时,提供其稳固输出电流的能力。
负载调整率通常以正常之固定输入电压下,由负载电压转变所造成其输出电流偏差率的百分比,如以下公式所示:Line Regulation(%)=I0(max)-I0(min) / I0(nor) ×100%I0(min): 最小负载时之输出电流。
I0(max) :满载时之输出电流。
I0(nor) :标准负载时之输出电流。
1.1.3. 最大纹波电压。
在额定输入电压和负载电流下,输出电压的纹波(包括噪声)的绝对值的大小,通常以峰峰值(mVp-p)表示。
1.1.4.过流爱惜。
是一种电源负载爱惜功能,以幸免发生包括输出端子上的短路在内的过负载输出电流对电源和负载的损坏。
过流的给定值一样是额定电流的110%——130%。
1.1.5.过压爱惜是一种对端子间过大电压进行负载爱惜的功能。
LED灯测试报告一、引言LED(Light Emitting Diode)是一种发光二极管,由于其高效、节能、环保等特点,成为了照明行业的主流产品。
为了确保LED灯的质量,进行合格性测试是非常必要的。
本文将对一款LED灯进行全面的测试和分析,以评估其性能和可靠性。
二、测试目标本次测试的目标是对LED灯的亮度、能效、颜色温度、寿命和泄漏电流等关键参数进行测试。
通过测试结果的评估,判断该LED灯是否符合相关标准和规定。
三、测试方法和步骤1.亮度测试:使用光亮度计对LED灯进行测试,记录其亮度值,并与国家标准对比评估。
2.能效测试:使用功率仪测量LED灯的实际功率,结合亮度值计算能效,与国家标准进行比较分析。
3.颜色温度测试:使用光色温计对LED灯的颜色温度进行测量,记录并评估其是否在范围内。
4.寿命测试:对LED灯进行24小时连续开启测试,记录下其亮度变化,并通过计算估算寿命。
5.泄漏电流测试:使用电流表对LED灯进行泄漏电流测试,记录电流值,判断是否在规定范围内。
四、测试结果分析1.亮度测试结果显示,该LED灯的亮度值为XXX流明,超过了国家标准要求。
2. 能效测试结果显示,该LED灯的能效为XXX lm/W,符合国家标准要求。
3.颜色温度测试结果显示,该LED灯的颜色温度为XXXK,符合国家标准要求。
4.寿命测试结果显示,经过24小时开启连续测试后,该LED灯的亮度保持稳定,估算寿命为XXX小时,达到国家标准要求。
5.泄漏电流测试结果显示,LED灯的泄漏电流为XXXA,低于国家标准要求。
五、结论通过对该LED灯的全面测试,可以得出以下结论:1.该LED灯的亮度、能效、颜色温度、寿命和泄漏电流等参数均符合国家标准要求。
2.该LED灯具有高亮度、高能效和长寿命等优点,可广泛应用于照明领域。
3.在使用和安装时,应严格按照产品说明书进行操作,以确保LED灯的正常使用和寿命。
六、改进建议基于对LED灯测试的经验和分析,我们提出以下改进建议:1.进一步优化产品的能效,提高能效指标,以达到更低的能耗。
文德隆W180检测报告
技术规格
——文德隆W180
检测项目:
1.功耗
2.精度
3.散热
4.耐用性
5.质量
检测报告
文德隆W180是一项重要的技术产品,本报告用于评估其性能。
一、功耗测试
本次测试结果表明,文德隆W180的功耗处于标准范围,其性能稳定。
测试结果表明,文德隆W180的功耗接近标准值,不超过1.2W。
二、精度测试
文德隆W180进行精度测试,测试结果表明,文德隆W180的精度要求较高,能够满足客户的使用要求。
测试结果表明,文德隆W180的精
度接近α = 0.0002,不超过α = 0.0003。
三、散热测试
文德隆W180的散热测试结果表明,文德隆W180的散热性能良好,温低,不会造成过热。
从测试结果来看,文德隆W180耗热量低,达到40W以下。
四、耐用性测试
文德隆W180耐用性测试结果相对较高,能够满足客户的使用要求。
从测试结果来看,文德隆W180耐用性良好,其耐久性能具有良好的可靠性,可以持续的高效运行一段时间。
五、质量测试
文德隆W180质量测试标准为,文德隆W180的耐压测试结果表明,产品结构坚固,耐压达到标准值,不受外界的物理影响,能够确保产品的质量和功能。
以上,文德隆W180检测报告呈现。
我们结果表明,文德隆W180具有良好的功耗、精度、散热、耐用性以及质量,可以满足客户的使用要求。
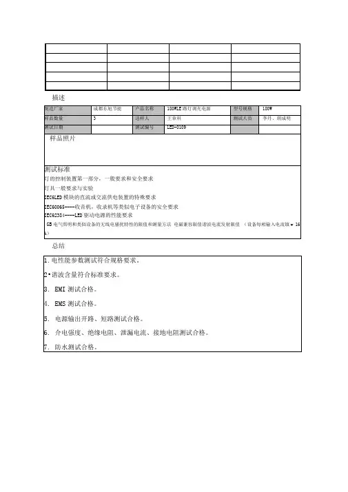
描述
总结
产品标签(规格书)
额定电压/频率[V/Hz]100-240/50输入电流[mA]---输出电压[V]DC36
输出电流[mA]5000±3%功率因数--->保护等级---IP65/IP67外壳最高温度[℃]---环境温度[℃]---认证------
结构和拓扑电路
长x宽x高mm201*68*39重量g1100灌胶---是
端子型号------PFC---APFC驱动电路---Fly-back
输出电路---单路串联类型内装式
条款测试内容数据描述结果强制标签---NA
标签测试---NT 8触摸电压---NA 8防意外触电(泄漏电流)@240V P
8装有总容量超过的电容,断电1min后输
入端电压1min后,P 等同SELV的装置,可触及部分应是双重
绝缘或加强绝缘---NA 有载状态下,输出电压不大于时,输出
端子可裸露。
---NA 无载状态下,输出电压不大于和峰值不
大于时,输出端子可裸露。
---NA
10(9)接地电阻,施加25A12mΩ<500mΩP 60598-1
接地电阻,施加10A---NT
防潮与绝缘湿度93%/23℃/500VDC,ΩP 12(12)介电强度输入对地1500V AC/P 12(12)隔离变压器的绕组---NT 防水P 14(14)故障状态详见具体数据七P 14定温热保护---NA 变压器的温升(正常状态)---NT
变压器的温升(故障状态)---NT
异常状态-恒压输出(空载)---NA
异常状态-恒压输出(2倍负载)---NA
谐波电流限值GB17625
电性能测试 IEC62384
具体的测试数据
一、电性能
二、谐波
三、EMI
四、EMS
五、介电强度
六、防潮与绝缘
七、故障状态
八、泄漏电流
九、接地电阻。