起重机的基本参数(文书特制)
- 格式:doc
- 大小:237.50 KB
- 文档页数:7
起重机的基本参数起重机是一种用于搬运重物的机械设备,广泛应用于工地、码头、港口等地。
起重机的基本参数包括起重量、起升高度、起升速度、工作半径、回转角度、工作循环等。
下面将分别介绍这些参数及其意义。
1.起重量:起重量是起重机能够承载的最大重量。
不同型号的起重机具有不同的起重量,一般从几十吨到几千吨不等。
起重量的大小决定了起重机能够承载的物体的重量大小。
2.起升高度:起升高度是指起重机能够将物体抬起的高度。
不同型号的起重机的起升高度也不相同,一般从几十米到数百米。
起升高度的大小取决于起重机所应用的领域和工作要求。
3.起升速度:起升速度是指起重机在起升物体时的速度。
起升速度一般以米/秒为单位。
起重机的起升速度一般较快,既能满足工作需求,也不会延长物体的悬空时间。
4.工作半径:工作半径是指起重机作业时转臂的有效半径。
起重机工作半径的大小取决于起重机所应用的领域和工作要求。
工作半径的大小决定了起重机能够覆盖的范围。
5.回转角度:回转角度是指起重机旋转转臂的范围。
回转角度通常是360度,也有一些特殊类型的起重机可以实现超过360度的回转范围。
回转角度的大小可以使起重机灵活调整位置,适应作业需求。
6.工作循环:工作循环是指起重机连续工作的时间和频率。
常见的工作循环包括A3、A4、A5等级,表示起重机的可连续使用时间和频率。
工作循环的设定可以保证起重机的安全运行和延长寿命。
除了上述基本参数外,起重机还有一些其他的参数和特性。
例如,起重机的自重是指起重机本身的重量,可以影响起重机的移动和运输;工作速度是指起重机在移动、转动等操作中的速度,可以根据需求进行调整;控制方式是指起重机的操控方式,可以采用手动、遥控或自动化等方式。
总而言之,起重机的基本参数包括起重量、起升高度、起升速度、工作半径、回转角度、工作循环等,这些参数决定了起重机的性能和适用范围。
在选择和应用起重机时,需要根据具体需求和工作环境来综合考虑这些参数。
投标设备主要技术参数一、QD双梁式桥式(吊钩)起重机1、起重量:10t2、工作级别:A53、轨高:9000mm4、跨度:25500mm5、起升速度:10.1米/min6、大车运行速度:约30~74.3m/min(三档调速)7、小车运行速度:约20~43.8m/min(三档调速)8、操作方式:遥控加司机室操纵9、供电方式:滑轨10、结构形式:QD双梁桥式(吊钩)二、QD双梁式桥式(吊钩)起重机1、起重能力:20t(主钩)5t(副钩)2、工作级别:A53、轨高:9000mm4、跨度:25500mm5、提升速度:7.2m/min(主钩) 15.3m/min(副钩三档调速)6、大车运行速度:约40~87.6m/min(三档调速)7、小车运行速度:约20~44.2m/min(三档调速)8、操作方式:遥控加司机室操纵9、供电方式:滑轨10、结构形式:QD双梁式桥式(吊钩)投标设备性能描述一、双梁桥式起重机技术说明我公司本着结构合理,工艺先进、经济实用、安全可靠、操作方便合理、高效节能、维修方便的原则,遵照国家起重机设计规范及有关标准,结合需方工艺条件和技术要求,确保产品质量,让用户满意。
产品用途:下料车间和机加工车间技术说明内容如下:制造过程中,严格按照GB3811-2008《起重机设计规范》的要求进行设计,产品技术指标、质量标准达到GB/T14405-1993《通用桥式起重机》规定的质量要求。
操纵室为大视野,配有航空座椅,操作方便、环境舒适,使用性能稳定,动作灵敏,安全可靠。
一、机构部分:本起重机由主梁、小车、大车运行机构、司机室、电气系统等组成。
一般规定1)使用特殊钢制作的机械部件均需作必要的热处理;2)起重机上使用的钢材必须满足国家标准,并应具有合格证;3)铸造件和锻造件质地应均匀,不得有气孔、夹渣、裂纹等缺陷;4)采用适当的焊接方法和消除应力方法以使焊接部分的残余应力为最小;5)应使开口部或切口部的应力集中为最小;6)主要承载的腹板厚度不得小于6mm。
起重机技术参数起重机是一种用于搬运重物的机械设备,广泛应用于工业、建筑和港口等领域。
起重机的性能与技术参数直接影响着其使用效果和安全性能。
本文将从起重机的载荷能力、工作半径、起升高度、工作速度等方面,分析起重机的技术参数。
一、载荷能力起重机的载荷能力是指起重机能够承受的最大重量。
它是衡量起重机性能的重要指标之一。
载荷能力的大小取决于起重机的结构强度、起重机臂的长度、起重机的工作半径等因素。
一般来说,起重机的载荷能力越大,其应用范围就越广。
载荷能力常用吨位来表示,如10吨、50吨等。
二、工作半径起重机的工作半径是指起重机臂的水平距离,即起重物体距离起重机转台中心的水平距离。
工作半径的大小直接影响着起重机的工作范围和灵活性。
工作半径越大,起重机的作业范围就越广。
一般来说,起重机的工作半径可以通过伸缩臂或变幅机构来调整。
三、起升高度起升高度是指起重机起重臂能够达到的最大高度。
起升高度的大小与起重机的结构高度、起重臂的长度等因素有关。
一般来说,起升高度越高,起重机的作业范围就越大。
起升高度通常以米为单位来表示。
四、工作速度工作速度是指起重机在工作过程中各项动作的速度,包括起升速度、变幅速度、行走速度等。
工作速度的快慢直接影响着起重机的工作效率和作业时间。
一般来说,起重机的工作速度越快,其作业效率就越高。
工作速度通常以米/秒为单位来表示。
五、安全保护装置为了确保起重机的安全运行,起重机通常配备了各种安全保护装置,如重载保护装置、高度限位装置、起升限位装置等。
这些装置可以对起重机的各项操作进行监测和控制,一旦发生异常情况,可以及时停机并发出警报,保证操作人员的安全。
六、控制方式起重机的控制方式有多种,常见的有手动控制和无线遥控两种。
手动控制需要操作人员亲自上台操作起重机,需要相应的操作经验和技能。
而无线遥控则可以通过遥控器对起重机进行控制,操作更加灵活方便。
选择何种控制方式需要根据具体的工作环境和操作要求来决定。
起重机数据及公式起重机是一种用于吊装和搬运重物的机械设备。
它由吊臂、起重机构、行走机构和控制系统等组成。
起重机的性能和运行参数通常通过一些数据和公式来描述和计算。
下面将详细介绍起重机的数据及公式。
1. 起重机的基本参数:- 额定起重量:起重机能够安全吊装的最大重量。
- 最大起升高度:起重机能够达到的最大起升高度。
- 起升速度:起重机起升负载的速度。
- 行走速度:起重机在地面上行驶的速度。
- 旋转速度:起重机旋转的速度。
2. 起重机的公式:- 起重机的额定载荷计算公式:额定载荷 = 起重机自重 + 起重机结构部件重量 + 起重机额定起重量。
- 起重机的起升速度计算公式:起升速度 = (额定起重量 / 起重机额定起升量) ×额定起升速度。
- 起重机的行走速度计算公式:行走速度 = (额定起重量 / 起重机额定载荷) ×额定行走速度。
- 起重机的旋转速度计算公式:旋转速度 = (额定起重量 / 起重机额定载荷) ×额定旋转速度。
3. 起重机的数据采集与监测:- 起重机的载荷传感器:用于测量起重机吊钩上的载荷重量。
- 起重机的倾斜传感器:用于监测起重机是否倾斜。
- 起重机的高度传感器:用于测量起重机的高度。
- 起重机的速度传感器:用于测量起重机的速度。
4. 起重机的安全控制:- 起重机的重量限制器:用于监测起重机的载荷,当超过额定载荷时发出警报或停止操作。
- 起重机的高度限制器:用于监测起重机的高度,当超过最大起升高度时发出警报或停止操作。
- 起重机的速度限制器:用于监测起重机的速度,当超过额定速度时发出警报或停止操作。
5. 起重机的维护与保养:- 定期检查起重机的结构和关键部件是否有损坏或磨损。
- 检查起重机的润滑系统,确保润滑油的充足和正常工作。
- 清洁起重机的外表和内部,防止灰尘和杂物对起重机的影响。
以上是关于起重机数据及公式的详细介绍。
起重机的数据和公式可以帮助工程师和操作人员计算起重机的性能和运行参数,从而确保起重机的安全和高效运行。
起重机数据及公式起重机是一种用于吊装、搬运和抓取重物的机械设备。
它通常由支架、起升机构、行走机构、电气系统和控制系统等组成。
起重机的设计和使用需要考虑到多种因素,包括起重机的类型、工作条件、分量限制、高度限制等。
本文将详细介绍起重机的数据和公式,以匡助您更好地了解和使用起重机。
1. 起重机的基本参数起重机的基本参数包括额定起分量、最大起升高度、最大起升速度、最大行走速度等。
这些参数是根据起重机的设计和创造标准确定的。
根据不同的起重机类型和规格,这些参数会有所不同。
以下是一些常见起重机的基本参数示例:- 起重机类型:塔式起重机- 额定起分量:10吨- 最大起升高度:60米- 最大起升速度:60米/分钟- 最大行走速度:10米/分钟2. 起重机的力学计算起重机的力学计算是用来确定起重机在工作过程中所受到的力和力矩。
这些计算可以匡助我们选择合适的起重机,确保其能够安全和有效地完成工作任务。
以下是一些常见的起重机力学计算公式示例:- 起重机的起升力计算公式:起升力 = 起重物分量 + 起升机构自重 + 起升机构附加负荷- 起重机的倾覆力矩计算公式:倾覆力矩 = 起重物分量 ×起升高度 × sin(倾覆角度)3. 起重机的稳定性计算起重机的稳定性计算是用来确定起重机在工作过程中的稳定性和安全性。
这些计算可以匡助我们选择合适的支撑方式和工作条件,以确保起重机不会倾覆或者发生其他意外情况。
以下是一些常见的起重机稳定性计算公式示例:- 起重机的稳定性计算公式:倾覆力矩 < 抗倾覆力矩其中,抗倾覆力矩可以通过起重机的设计参数和支撑方式来确定。
4. 起重机的电气计算起重机的电气计算是用来确定起重机所需的电气功率和电气设备。
这些计算可以匡助我们选择合适的电气设备,确保起重机的正常运行和安全性。
以下是一些常见的起重机电气计算公式示例:- 起重机的电气功率计算公式:电气功率 = 起升功率 + 行走功率 + 旋转功率 + 其他功率其中,起升功率、行走功率和旋转功率可以根据起重机的设计参数和工作条件来确定。
起重机械基本功能参数有哪些?答:起重机械的基本功能参数主要包括:起重量、起重力矩、起升高度、工作速度、工作幅度、起重臂倾角、起重机总重、轮压等。
什么是起重量?什么是额定起重量?什么是有效起重量?答:被提升起的被吊物质量称为起重量。
起重机允许起升物料的最大质量连同起重机取物装置质量的总和称为额定起重量。
起重机的取物装置本身的重量(除吊钩以外),一般应包括抓斗、起重电磁铁、平衡梁、钢水包以及各种辅助吊具等对于幅度可变的起重机,根据幅度规定起重机的额定起重量。
有效起重量是指起重机能吊起的物料或设备的净质量。
起重机标牌上标定的起重量是起重机额定起重量。
起重机吊运超过额定起重量的被吊物件叫超负荷。
什么叫起重力矩?什么叫额定起重力矩?什么叫倾翻力矩?答:起重量G与幅度L的乘积称为起重力矩(载荷力矩)。
额定起重力矩指额定起重量与幅度的乘积。
倾翻力矩是指起吊物的重力与其至倾翻线距离的乘积。
起重机起升高度的具体指向是什么?答:起重机吊具最高工作位置与起重机的水平地平面之间的垂直距离称为起重机的起升高度。
什么叫跨度?答:桥式起重机两端梁车轮踏面中心线间的距离称为起重机的跨度。
起重机工作速度有哪些?各指什么?答:工作速度指起重机在额定载荷下稳定运行的速度。
包括起升速度,大(小)车运行速度、变幅速度和旋转速度等。
额定起升速度:指起升机构电动机在额定转速时,取物装置的上升速度。
大车运行速度:指桥式起重机大车运行机构电动机在额定转速时,起重机整机的运行速度。
小车运行速度:指桥式起重机小车运行机构电动机在额定转速时,起重小车的运行速度。
变幅速度:指臂架式起重机在稳定状态下,额定载荷在变幅平面内水平位移的平均速度。
起重臂伸缩速度:指液压起重机的起重臂伸出(或回缩)时,其尖部沿臂架纵向中心线移动的速度。
行驶速度:指流动式起重机在道路行驶状态下,起重机由自身动力驱动的最大运行速度。
回转速度:指臂架式起重机在旋转机构电动机为额定转速时,起重机转动部分的回转角速度(最大幅度、额定载荷)。
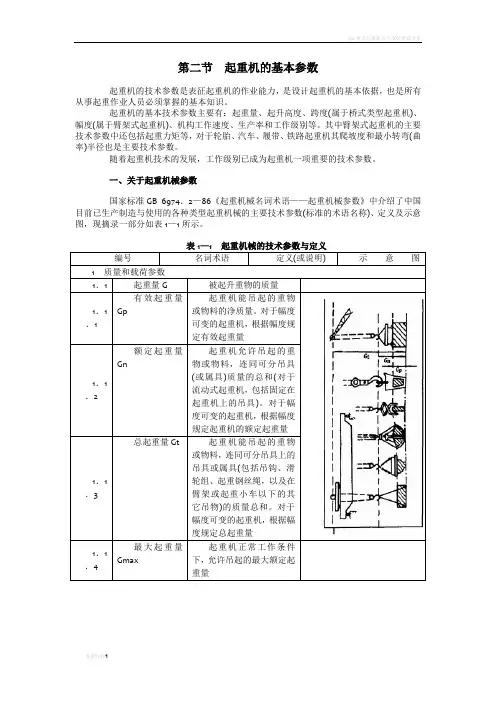
第二节起重机的基本参数起重机的技术参数是表征起重机的作业能力,是设计起重机的基本依据,也是所有从事起重作业人员必须掌握的基本知识。
起重机的基本技术参数主要有:起重量、起升高度、跨度(属于桥式类型起重机)、幅度(属于臂架式起重机)、机构工作速度、生产率和工作级别等。
其中臂架式起重机的主要技术参数中还包括起重力矩等,对于轮胎、汽车、履带、铁路起重机其爬坡度和最小转弯(曲率)半径也是主要技术参数。
随着起重机技术的发展,工作级别已成为起重机一项重要的技术参数。
一、关于起重机械参数国家标准GB 6974.2—86《起重机械名词术语——起重机械参数》中介绍了中国目前已生产制造与使用的各种类型起重机械的主要技术参数(标准的术语名称)、定义及示意图,现摘录一部分如表1—1所示。
编号名词术语定义(或说明)示意图1 质量和载荷参数1.1起重量G被起升重物的质量1.1.1有效起重量Gp起重机能吊起的重物或物料的净质量。
对于幅度可变的起重机,根据幅度规定有效起重量1.1.2额定起重量Gn起重机允许吊起的重物或物料,连同可分吊具(或属具)质量的总和(对于流动式起重机,包括固定在起重机上的吊具)。
对于幅度可变的起重机,根据幅度规定起重机的额定起重量1.1.3总起重量Gt起重机能吊起的重物或物料,连同可分吊具上的吊具或属具(包括吊钩、滑轮组、起重钢丝绳,以及在臂架或起重小车以下的其它吊物)的质量总和。
对于幅度可变的起重机,根据幅度规定总起重量1.1.4最大起重量Gmax起重机正常工作条件下,允许吊起的最大额定起重量1.2起重力矩M幅度L和相应起吊物品重力Q的乘积1.3起重倾覆力矩M A起吊物品重力Q和从载荷中心线至倾覆线距离A的乘积1.4起重机总质量Go包括压重、平衡重、燃料、油液、润滑剂和水等在内的起重机各部分质量的总和1.5轮压P一个车轮传递到轨道或地面上的最大垂直载荷(按工况不同,分为工作轮压和非工作轮压)2 起重机尺寸参数2.1幅度L起重机置于水平场地时,空载吊具垂直中心线至回转中心线之间的水平距离(非回转浮式起重机为空载吊具垂直中心线至船艏护木的水平距离)2.1.1最大幅度Lmax起重机工作时,臂架倾角最小或小车在臂架最外极限位置时的幅度2.1.2最小幅度Lmin臂架倾角最大或小车在臂架最内极限位置时的幅度2.2悬臂有效伸缩距l离悬臂最近的起重机轨道中心线到位于悬臂端部吊具中心线之间的距离2.3起升高度H起重机水平停车面至吊具允许最高位置的垂直距离。
起重机的基本参数起重机的基本参数起重机的技术参数是表征起重机的作业能力,是设计起重机的基本依据,也是所有从事起重作业人员必须掌握的基本知识。
起重机的基本技术参数主要有:起重量、起升高度、跨度(属于桥式类型起重机)、幅度(属于臂架式起重机)、机构工作速度、生产率和工作级别等。
其中臂架式起重机的主要技术参数中还包括起重力矩等,对于轮胎、汽车、履带、铁路起重机其爬坡度和最小转弯(曲率)半径也是主要技术参数。
随着起重机技术的发展,工作级别已成为起重机一项重要的技术参数。
一、关于起重机械参数国家标准GB 6974.2—86《起重机械名词术语——起重机械参数》中介绍了中国目前已生产制造与使用的各种类型起重机械的主要技术参数(标准的术语名称)、定义及示意图,现摘录一部分如表1—1所示。
表1—1 起重机械的技术参数与定义编号名词术语定义(或说明) 示意图1.1.3 总起重量Gt起重机能吊起的重物或物料,连同可分吊具上的吊具或属具(包括吊钩、滑轮组、起重钢丝绳,以及在臂架或起重小车以下的其它吊物)的质量总和。
对于幅度可变的起重机,根据幅度规定总起重量1.1.4 最大起重量Gmax起重机正常工作条件下,允许吊起的最大额定起重量1.2 起重力矩M幅度L和相应起吊物品重力Q的乘积1.3 起重倾覆力矩M A起吊物品重力Q和从载荷中心线至倾覆线距离A的乘积1.4 起重机总质量Go包括压重、平衡重、燃料、油液、润滑剂和水等在内的起重机各部分质量的总和1.5 轮压P 一个车轮传递到轨道或地面上的最大垂直载荷(按工况不同,分为工作轮压和非工作轮压)2 起重机尺寸参数2.1 幅度L 起重机置于水平场地时,空载吊具垂直中心线至回转中心线之间的水平距离(非回转浮式起重机为空载吊具垂直中心线至船艏护木的水平距离)2.1.1 最大幅度Lmax起重机工作时,臂架倾角最小或小车在臂架最外极限位置时的幅度2.1.2 最小幅度Lmin臂架倾角最大或小车在臂架最内极限位置时的幅度2.2 悬臂有效伸缩距l离悬臂最近的起重机轨道中心线到位于悬臂端部吊具中心线之间的距离2.3 起升高度H起重机水平停车面至吊具允许最高位置的垂直距离。
第二节起重机的基本参数起重机的技术参数是表征起重机的作业能力,是设计起重机的基本依据,也是所有从事起重作业人员必须掌握的基本知识。
起重机的基本技术参数主要有:起重量、起升高度、跨度(属于桥式类型起重机)、幅度(属于臂架式起重机)、机构工作速度、生产率和工作级别等。
其中臂架式起重机的主要技术参数中还包括起重力矩等,对于轮胎、汽车、履带、铁路起重机其爬坡度和最小转弯(曲率)半径也是主要技术参数。
随着起重机技术的发展,工作级别已成为起重机一项重要的技术参数。
一、关于起重机械参数国家标准GB 6974.2—86《起重机械名词术语——起重机械参数》中介绍了中国目前已生产制造与使用的各种类型起重机械的主要技术参数(标准的术语名称)、定义及示意图,现摘录一部分如表1—1所示。
编号名词术语定义(或说明) 示意图1 质量和载荷参数1.1 起重量G 被起升重物的质量1.1.1 有效起重量Gp 起重机能吊起的重物或物料的净质量。
对于幅度可变的起重机,根据幅度规定有效起重量1.1.2 额定起重量Gn 起重机允许吊起的重物或物料,连同可分吊具(或属具)质量的总和(对于流动式起重机,包括固定在起重机上的吊具)。
对于幅度可变的起重机,根据幅度规定起重机的额定起重量1.1.3 总起重量Gt 起重机能吊起的重物或物料,连同可分吊具上的吊具或属具(包括吊钩、滑轮组、起重钢丝绳,以及在臂架或起重小车以下的其它吊物)的质量总和。
对于幅度可变的起重机,根据幅度规定总起重量1.1.4 最大起重量Gmax起重机正常工作条件下,允许吊起的最大额定起重量1.2 起重力矩M 幅度L和相应起吊物品重力Q的乘积1.3 起重倾覆力矩M A起吊物品重力Q和从载荷中心线至倾覆线距离A的乘积1.4 起重机总质量Go 包括压重、平衡重、燃料、油液、润滑剂和水等在内的起重机各部分质量的总和1.5 轮压P 一个车轮传递到轨道或地面上的最大垂直载荷(按工况不同,分为工作轮压和非工作轮压)2 起重机尺寸参数2.1 幅度L 起重机置于水平场地时,空载吊具垂直中心线至回转中心线之间的水平距离(非回转浮式起重机为空载吊具垂直中心线至船艏护木的水平距离)2.1.1 最大幅度Lmax 起重机工作时,臂架倾角最小或小车在臂架最外极限位置时的幅度2.1.2 最小幅度Lmin 臂架倾角最大或小车在臂架最内极限位置时的幅度2.2 悬臂有效伸缩距l 离悬臂最近的起重机轨道中心线到位于悬臂端部吊具中心线之间的距离2.3 起升高度H 起重机水平停车面至吊具允许最高位置的垂直距离。
起重机主要参数:额定起重量最大起重量跨度(桥梁架型起重机支承中心线之间的水平距离)幅度(起重机械置于水平场地时,回转中心线和空载吊具中心线之间的水平距离)起重力矩(幅度和相应的起吊载荷的乘积)起升高度和下降深度(起重机械水平停车面至吊具允许最高位置垂直距离)运动速度起重机工作级别:表明起重机工作在时间方面的繁忙程度和在吊重方面满载程度的参数,按主起升机构确定,A1~A3——轻;A4~A5——中;A6~A7——重;A8——特重。
起重机的可靠性及使用寿命——起重机的可靠性是指起重机的综合质量特性:无故障性:是指起重机在一定使用时间内,保持无故障正常作业的质量特性;耐久性:是指起重机在规定的技术保养和修理条件下,保持正常工作能力,直到极限状态的质量特性;维修性:是指起重机防止故障、探明故障原因、排除故障、恢复机器正常工作的质量特性;保全性:是指起重机在保存和运输过程中以及过程之后,保持无故障性、耐久性、维修性的能力的质量特性。
起重机主要零部件:吊具钢丝绳及索具滑轮及滑轮组卷筒齿轮与减速器制动装置联轴器车轮与轨道吊钩组就是吊钩与动滑轮的组合体,吊钩组有长型与短型两种,长型吊钩组采用普通的钩柄较短的短吊钩,支承在吊钩横梁上,滑轮支承在单独的滑轮轴上。
它的高度较大,使有效起升高度减小。
起重电磁铁、真空吸盘、抓斗这三类吊具的自身质量,均须包括在起重机的额定起重量内。
一定要用重物质量与这类吊具自身质量之和去衡量起重机是否超载。
否则将造成事故。
1. 无特殊要求的起重电磁铁,安全系数一般为2,即可以规定搬运载荷不大于吸引力的一半。
2. 高温钢材的装卸,起吊高温钢材时,钢材的传热使起重电磁铁温度上升,造成吸力下降,而且钢材本身的磁性恶化,使吸力降低。
在730℃时完全失去磁性,这时任何强力磁性也吸不住物体。
3. 吸吊生锈的钢材或夹层钢板会降低吸力,属于危险作业。
4. 起吊废钢时,应尽量使起重电磁铁放平5. 极度弯曲或参差不齐的钢材,以及吸附面上有氧化皮、砂土或有夹层的钢材,不可起吊。
起重机数据及公式起重机是一种用于搬运和举升重物的机械设备,广泛应用于各种工业领域。
在使用起重机时,了解起重机的相关数据和公式是非常重要的,可以匡助我们计算起重机的承载能力、稳定性和效率等参数。
下面将介绍起重机的常用数据和公式。
1. 起重机的基本数据(1) 额定起分量(SWL):起重机的额定起分量是指起重机设计和创造时所规定的最大起分量,单位通常为吨(t)。
(2) 最大起升高度:起重机能够达到的最大起升高度,单位通常为米(m)。
(3) 幅度:起重机臂架的长度,即起重物体离起重机旋转中心的水平距离,单位通常为米(m)。
(4) 起重机自重:起重机本身的分量,单位通常为吨(t)。
(5) 起重机的工作速度:包括起升速度、行走速度和回转速度,单位通常为米/分钟(m/min)或者米/小时(m/h)。
2. 起重机的稳定性计算(1) 起重机的稳定性是指起重机在起重作业时保持平衡的能力。
稳定性计算主要涉及到起重机的支撑面积、重心位置和倾覆力矩等参数。
(2) 起重机的支撑面积:起重机支撑面积是指起重机支撑装置(如轮胎、履带等)与地面接触的面积,通常使用平方米(m²)作为单位。
(3) 起重机的重心位置:起重机的重心位置是指起重机整体重心所在的位置,通常以距离起重机旋转中心的水平距离来表示,单位为米(m)。
(4) 起重机的倾覆力矩:起重机在工作时可能会受到倾覆力矩的作用,倾覆力矩是指起重机受到的倾覆力矩大小和方向。
计算倾覆力矩需要考虑起重机的重心位置、起重物的重心位置以及倾覆力的大小等因素。
3. 起重机的承载能力计算(1) 起重机的承载能力是指起重机能够承受的最大分量。
承载能力的计算需要考虑起重机的结构强度、工作状态、起升高度、幅度等因素。
(2) 起重机的结构强度:起重机的结构强度是指起重机各部件(如臂架、起重机钢丝绳等)能够承受的最大力矩或者拉力。
结构强度的计算需要根据起重机的设计参数和材料强度进行分析。
(3) 起重机的工作状态:起重机在不同的工作状态下,其承载能力可能会有所不同。
1、电动葫芦双梁半门式起重机:主要技术参数:1、(1)起重量:Gn=5t+ 5t(2)跨度:S=13.5m(3)轨高:H=6m(4)两梁中心距:7.5m(5)起升高度:> 4.5m(4)工作速度:起升速度:8 m/mi n小车运行速度:20m/min大车运行速度:30m/min(5)工作级别:A5(6)操纵方式:遥控+线控(7)大车钢轨:43Kg/m(8)大车最大轮压:上轨w 75KN下轨w 87KN(9)轨面以上高度:w 2800mm或按招标方提供的数据(10)轨道外侧的端梁宽度:w 230mm(11)电源:380V± 10% /50H Z三相四线(12)装机容量:设计确定(含照明)(13)供电方式:安全滑触线3、5t电动单梁桥式起重机主要技术参数:1、起重量:5t2、跨度(轨距):13.5m3、起升高度:8m4、起升速度:8m/mi n6大车行走速度:30m/mi n7、最大轮压:V 33 KN8、轨道型号:38Kg/m9、主电源导电型式:安全滑触线380v ± 10% 50Hz10、葫芦供电:软缆闭式供电11、操作型式:地面操作摇控操作,悬缆操作盒保留12、电动葫芦:锥形鼠笼形四、环境条件1、电源:380v± 10% 50Hz2、环境温度:5°〜40°3、室内工作4、相对湿度:平均相对湿度80% 性能要求:1、主梁:主梁采用箱形结构,端梁与主梁焊接联接其钢结构满足强度,刚度及稳定性要求,焊接质量符合GB3323-87标准要求,金属结构用钢材应进行表面除锈处理,质量达到Sa2.5级。
2、起重机的设计、制造应符合GB3811和JB/T1306-94标准的有关规定。
3、大车行走:三合一传动形式,两侧行走驱动应同步。
减速器齿轮副硬度不低于GB10095中规定8-8-7级4、主要零部件4.2起重机大车运行车轮应符合JB/T6392.2的规定4.3起重机应装有符合GB6164.2规定的橡胶缓冲器同跨车间,装有防撞限位装置,车间轨道两端装防撞装置。
第二节起重机的基本参数
起重机的技术参数是表征起重机的作业能力,是设计起重机的基本依据,也是所有从事起重作业人员必须掌握的基本知识。
起重机的基本技术参数主要有:起重量、起升高度、跨度(属于桥式类型起重机)、幅度(属于臂架式起重机)、机构工作速度、生产率和工作级别等。
其中臂架式起重机的主要技术参数中还包括起重力矩等,对于轮胎、汽车、履带、铁路起重机其爬坡度和最小转弯(曲率)半径也是主要技术参数。
随着起重机技术的发展,工作级别已成为起重机一项重要的技术参数。
一、关于起重机械参数
国家标准GB 6974.2—86《起重机械名词术语——起重机械参数》中介绍了中国目前已生产制造与使用的各种类型起重机械的主要技术参数(标准的术语名称)、定义及示意图,现摘录一部分如表1—1所示。
编号名词术语定义(或说明) 示意图
1 质量和载荷参数
1.1 起重量G 被起升重物的质量
1.1.1 有效起重量Gp 起重机能吊起的重物或物
料的净质量。
对于幅度可变
的起重机,根据幅度规定有
效起重量
1.1.2 额定起重量Gn 起重机允许吊起的重物或
物料,连同可分吊具(或属
具)质量的总和(对于流动式
起重机,包括固定在起重机
上的吊具)。
对于幅度可变
的起重机,根据幅度规定起
重机的额定起重量
1.1.3 总起重量Gt 起重机能吊起的重物或物
料,连同可分吊具上的吊具
或属具(包括吊钩、滑轮组、
起重钢丝绳,以及在臂架或
起重小车以下的其它吊物)
的质量总和。
对于幅度可变
的起重机,根据幅度规定总
起重量
1.1.4 最大起重量
Gmax
起重机正常工作条件下,允
许吊起的最大额定起重量
1.2 起重力矩M 幅度L和相应起吊物品重
力Q的乘积
1.3 起重倾覆力矩M A起吊物品重力Q和从载荷
中心线至倾覆线距离A的
乘积
1.4 起重机总质量Go 包括压重、平衡重、燃料、
油液、润滑剂和水等在内的
起重机各部分质量的总和
1.5 轮压P 一个车轮传递到轨道或地
面上的最大垂直载荷(按工
况不同,分为工作轮压和非
工作轮压)
2 起重机尺寸参数
2.1 幅度L 起重机置于水平场地时,空
载吊具垂直中心线至回转
中心线之间的水平距离(非
回转浮式起重机为空载吊
具垂直中心线至船艏护木
的水平距离)
2.1.1 最大幅度Lmax 起重机工作时,臂架倾角最
小或小车在臂架最外极限
位置时的幅度
2.1.2 最小幅度Lmin 臂架倾角最大或小车在臂
架最内极限位置时的幅度
2.2 悬臂有效伸缩距l 离悬臂最近的起重机轨道
中心线到位于悬臂端部吊
具中心线之间的距离
2.3 起升高度H 起重机水平停车面至吊
具允许最高位置的垂直距
离。
——对吊钩和货叉,算至
它们的支承表面;
——对其它吊具,算至它
们的最低点(闭合状态)。
对桥式起重机,应是空载
置于水平场地上方,从地面
开始测定其起升高度。
2.4 下降深度h 吊具最低工作位置与起
重机水平支承面之间的垂
直距离。
——对吊钩和货叉,从其
支承面算起,
——对其它吊具,从其最
低点算起(闭合状态)。
桥式起重机从地平面起
算下降深度。
应是空载置于
水平场地上方,测定其下降
深度。
2.5 起升范围D 吊具最高和最低工作位置
之间的垂直距离(D=H+h)
2.6 起重臂长度Lb 起重臂根部销轴至顶端定
滑轮轴线(小车变幅塔式起
重机为至臂端形位线)在起
重臂纵向中心线方向的投
影距离
2.7 起重机倾角在起升平面内,起重臂纵向
中心线与水平线的夹角。