总线电话使用说明书
- 格式:doc
- 大小:97.00 KB
- 文档页数:3
AFN-FH18消防电话AFN-FH18消防电话使用说明书(V1.0 2008.4)一、概述AFN-FH18消防电话是一种总线式智能设备,内置微处理器,性能稳定,工作可靠。
采用一路智能通讯回路,一路语音总线回路,单机容量60点。
消防电话用于消防工作区域之间通话用的通讯主机。
消防电话分机可安装于可能发生火灾的报警现场,主机则安装于集中控制室或值班室等地的控制柜上,可保证发生火灾的报警现场与集中控制室之间及时、准确地保持联系。
消防电话系统采用大屏幕点阵式液晶显示,具有时间、事件纪录功能,掉电不丢失,系统自带日历/时钟,掉电不丢失,检测线路短路、断路的功能。
可以采用自成一套控制器的方案,也可以通过485通讯的方式与FS5050进行联网。
AFN-FH18消防电话满足国家标准GB16806-2006《消防联动控制系统》的相关要求。
消防对讲电话型号中AFN代表公司产品的标号,FH18为公司产品代号。
二、技术参数1.主机编号:AFN-FH182.检测型号:AFN-FH183.结构型号:嵌入式4.环境温度:-10℃~50℃5.环境湿度:10%~95%(不结露)6.工作电源:AC220V 50Hz7.备用电源:DC12V ̄7AH 铅酸蓄电池两节8.消耗功率:监视状态:10W 满载状态:20W9.外型尺寸:长:482.6mm 宽:132.5mm10.通讯总线线路和语音总线:1.2km(线截面积≥1.5mm2),800m(线截面积≥1.0mm2)11.中文白色背光液晶显示12.RS485接口一个三、结构特征与工作原理1.消防对讲单元控制面板说明 如图3-12.工作原理消防电话采用双总线进行通信和通话,通过对消防电话的操作,可以方便查询系统的各种信息,并能播放任意一段录音。
通过主机可以很方便的呼叫分机和电话插孔,并可以进行多方通话,同时电话分机和电话插孔也可以很方便的呼叫主机,由主机决定是否与正在呼叫的分机和插孔通话,只要双方开始正式通话,录音机将自动打开进行录音,录音时间长达30分钟以上,同时系统还有线路的检测、保护功能。
如有你有帮助,请购买下载,谢谢!安装使用说明书消防电话主机(总线)大连欣洋电子设备有限公司目录1.概述错误!未定义书签。
2.性能特点错误!未定义书签。
3.技术指标错误!未定义书签。
4.使用方法错误!未定义书签。
4.1 系统时钟设置错误!未定义书签。
4.2 分机电话登记错误!未定义书签。
4.3 记录查询错误!未定义书签。
4.4 分机电话查询错误!未定义书签。
4.5 分机故障报警选择错误!未定义书签。
4.6 消声操作错误!未定义书签。
4.7 自检操作错误!未定义书签。
4.8 模块操作错误!未定义书签。
4.9 放音操作错误!未定义书签。
4.10主机叫分机操作错误!未定义书签。
4.11分机叫主机操作错误!未定义书签。
5.设备安装与系统接线错误!未定义书签。
5.1 设备安装错误!未定义书签。
5.2 系统接线错误!未定义书签。
6.使用与维护错误!未定义书签。
6.4、本主机应有专人管理维护,定期进行功能检检。
如发现问题请及时通知本公司或特约维修单位派人检查处理。
大连欣洋电子设备有限公司如有你有帮助,请购买下载,谢谢!电话:0传真:0邮编:116100地址:大连市金州新区金弯路229号1、概述XY1000DH消防电话主机(总线)是消防电话系统的主要控制部分,它与消防电话分机配合使用组成消防电话系统。
该消防电话系统的电话分机采用普通电话,给消防电话系统设计带来了极大的方便。
该主机适用于总线布线的消防建筑。
其面板示意图见图一。
图一、外型图示意图2、性能特点2.1通过电话模块直接连接普通电话机。
2.2主机振铃通过蜂鸣器完成,分机振铃通过模块直接控制。
2.3主机设呼叫指示灯,通过LCD显示呼叫分机号。
2.4主机通过按键呼叫分机,通过LCD显示呼出分机号。
6、使用与维护6.1、使用前必须认真阅读本说明书。
6.2、开机前认真检查主机电源线,主机与外部设备接线是否正确无误。
6.3、系统开通调试简单流程图:查线→接通电源→校时→登记分机→检查分机→摘主机(主机拨号音)→呼叫分机(主机回铃音)→检查分机振铃和模块指示灯(运行灯常亮)→摘分机→检查通主机话(回铃音停)、主机通话灯(亮)、模块通话灯(亮)→挂断主机→检查分机忙音、模块通话灯(灭)→挂断分机→检查模块运行灯(闪亮)→摘分机(分机回铃音)→检查主机振铃、主机呼叫灯(亮)、模块运行灯(常亮)→摘主机→检查分机通话(回铃音停)、主机通话灯(亮)、呼叫灯(灭)、主机振铃(停)、模块通话灯(亮)→挂断分机→检查主机忙音、主机通话灯(灭)、模块通话灯(灭)、模块运行灯(闪亮)→挂断主机→调试结束。
使用手册UID820CAN2.0B总线通讯数字I/O及PWM输入输出控制器UID820[知识产权保护声明]使用UIROBOT产品前请注意以下三点:•UIROBOT的产品均达到UIROBOT使用手册中所述的技术功能要求。
•UIROBOT愿与那些注重知识产权保护的客户合作。
•任何试图破坏UIROBOT器件代码保护功能的行为均可视为违反了知识产权保护法案和条列。
如果这种行为导致在未经UIROBOT授权的情况下,获取软件或其他受知识产权保护的成果,UIROBOT有权依据该法案提起诉讼制止这种行为。
[免责声明]本使用手册中所述的器件使用信息及其他内容仅为您提供便利,它们可能在未来版本中被更新。
确保应用符合技术规范,是您自身应负的责任。
UIROBOT对这些信息不作任何形式的声明或担保,包括但不限于使用情况、质量、性能、适销性或特定用途的适用性的声明或担保。
UIROBOT对因这些信息及使用这些信息而引起的后果不承担任何责任。
如果将UIROBOT器件用于生命维持和/或生命安全应用,一切风险由买方自负。
买方同意在由此引发任何一切伤害、索赔、诉讼或费用时,会维护和保障UIROBOT免于承担法律责任和赔偿。
未经UIROBOT同意,不得以任何方式转让任何许可证。
[商标和外观设计声明]UIROBOT 的名称和徽标组合为UIROBOT Ltd.在中国和其他国家或地区的注册商标。
UIROBOT的UIM24XXX系列步进电机(控制)控制器和UIM25XX系列转换控制器外观设计均已申请专利保护。
[联系方式]上海优爱宝智能机器人科技股份有限公司地址:上海浦东新区亮秀路112号Y2座202-203室电话:021 – 61182435 (销售/市场); 61182432(总机)传真:021 – 61182431邮箱:****************网址:[ UID820产品订购说明]在订购UID820产品时请按以名下格式提供产品号,以便我们准确及时地为您提供产品:UID820产品牌号820UID类别UID输入输出控制类系列8路I/O2路可配置PWM输出0 路模拟量输入第 2 页M820160322CN UI Robot Technology Co. Ltd.数字I/O及PWM输入输出控制器UID820多功能IO端口特性-单机8路多功能TTL数字量输入/ 输出,可指令配置,实时调整-单机2路独立PWM输出,可指令配置,实时调整,基频0.01 ~ 5000Hz,占空比分辨率0.5%-最大800路TTL数字量输入/输出(100个UID820组网)-最大200路独立PWM输出(100个UID820组网)-可与UIM242步进电机控制器混合组网-配合相应的继电器模块,可对开关阀,比例阀和直流电机的执行器件进行控制-配合相应的电平转换模块,可接受多种行程开关,限位开关和传感器输入嵌入式微处理机-内置高性能嵌入式微处理器系统-指令结构简单直观-免费提供基于MS Windows 的VC源代码和指令封装动态链接库CAN2.0通讯特性-主动CAN 2.0, 全网络仅用一对双绞线(两根导线)-1百万通讯比特率,10公里通讯距离-可连接节点高达100个-采用差分总线,具有很强的抗噪特性电气特性-宽电压输入6~40VDC简介UID820是CAN总线型数字端口输入输出控制器,采用优爱宝的SimpleCAN通讯协议。
线,消防电话总机应在100秒内报出该智能插孔“离线”。
连接好该智能插孔后,应能恢复正常。
5.模拟通话试验:使智能插孔处于正常监视状态并呼叫总机,总机应答启动后,该智能插孔应能正常启动并通话。
将消防电话总机复位,该智能插孔应能恢复到正常监视状态。
六、常见故障与排除当报出智能插孔“离线”时,原因可能有智能插孔地址错误,存在总线断线,智能插孔被摘除或损坏等,可检查对应智能插孔地址是否正确,总线线路是否正常,对应的智能插孔是否松动、端子螺钉是否打紧等。
当报出智能插孔“故障”时,原因可能是语音信号线短路、断路。
如有其它用户不能排除的故障,请致电本公司的技术服务人员或维护保养单位的技术人员。
非专业人员不得私自拆卸。
七、维护与保养1.安装前应妥善保管,采取相应的防尘、防潮、防腐蚀等措施。
2.每半年进行一次模拟实验,测试分机是否工作正常。
八、注意事项1.智能插孔应安装牢固,其导线连接必须可靠。
2.在进行维护保养时,应避免损坏智能插孔。
AFN-FH04消防电话插孔使用说明书(V1.0 2019.07)一、概述AFN-FH04消防电话插孔是一种总线式智能编址设备(以下简称智能插孔),内置微处理器,性能稳定,工作可靠。
智能插孔连接对讲总机,具有检测线路短路、断路的功能,用于消防区域的通讯。
智能插孔型号中AFN代表公司产品的标号,FH04为公司产品代号。
二、技术特性1.工作电压:DC24V(DC20V~DC28V)2.监视电流:小于3mA3.动作电流:25mA4.触点电压:DC12~15V5.编址方式:电子编码,FLASH存储6.重 量:91g7.外形尺寸:长:86mm 宽:86mm 厚:47.5mm8.安装孔距:60mm9.环境温度:-10℃~50℃10.环境湿度:10%~95%(不结露)11.线 制:无极性两总线连接12.指示灯:红色指示灯,巡检时闪亮绿色指示灯呼叫和通话时常亮13.壳体材料和颜色:ABS,象牙白14.执行标准:GB 16806-2006《消防联动控制系统》三、外形特征与工作原理1.智能插孔外形示意图如图1:图12.工作原理智能插孔内嵌微功耗处理器,完成与消防电话总机进行通话等数据交换功能。
GST-TS-Z01A消防电话主机安装使用说明书(Ver.2.0,2001.12)海湾安全技术有限公司目录一、概述 (3)二、特点 (3)三、技术特性 (3)四、结构特征 (3)五、使用及操作 (4)六、应用设计 (5)七、注意事项 (7)一、概述GST-TS-Z01A型总线制消防电话主机是为消防专用而设计开发的总线制通讯系统,通过它可迅速实现对火灾的人工确认,并可及时掌握火灾现场情况及进行其它必要的通讯联络,便于指挥灭火及恢复工作。
完整的系统由设置在消防控制中心的GST-TS-Z01A型总线制消防电话主机和火灾报警控制器、现场的LD-8304总线制编码消防电话专用模块、LD-8312总线制消防电话插座(或J-SAP-8402手动报警按钮(含电话插座)及TS-100A型总线制电话分机构成,火灾报警控制器可选用JB-QG-GST5000型火灾报警控制器。
二、特点1.数码管显示月、日、时、分实时时间,采用24小时制;2.主机可通过火灾报警控制器呼叫固定分机;3.分机摘机即呼叫主机,这时,主机振铃直至主机摘机;4.通话开始时,请求录音灯闪烁提示录音,按放音1/录音键后开始录音,并自动记下录音时的时间;录音最多可分两段,总录音时间长度200秒钟;5.放音时自动显示所放录音段的录制时间,放音结束自动恢复显示实时时间;6.设有音频输出插孔,供外部保存录音使用;7.有总线输出过流保护,用蜂鸣器和发光管指示输出过流,并有消音功能;8.自动抹音功能:录音段最长保存时间为3天,超过保存时间的录音段将被自动抹去以备下次录音。
抹音期间,录音指示灯常亮。
三、技术特性1.工作电压:DC24V,允许范围:DC20V~DC28V2.馈电输出:输出总线电压DC24V±10%,最大输出电流0.25A3.静态功耗≈1W4.录音时间:200秒钟5.线制:消防电话主机与LD-8304总线制编码消防电话专用模块、LD-8312型电话插座或J-SAP-8402手动报警按钮(含电话插孔)之间为无极性二总线连接6.使用环境:温度:-10℃~+50℃相对湿度 95%,不凝露7.外形尺寸:前面板:485mm×133mm;箱体:133mm×242mm×410mm四、结构特征1.电话主机面板示意图如图1所示:图1 电话主机面板示意图五、使用及操作1.自检与消音电话主机上电即开始自检,即依次点亮数码管的每一段和工作、请求录音、过流指示灯,并伴有短促的蜂鸣声。
YJG32-95消防电话系统使用说明书(执行标准GB16806-2006)安装、使用设备前,请阅读本使用说明书1. 概述 (1)1.1 产品特点 (1)1.2 主要用途及使用范围 (1)1.4 使用环境条件及工作条件 (1)1.5 对环境及能源的影响 (1)2. 结构特征与工作原理 (1)3. 技术特性 (2)3.1 电话主机 (2)3.2 电话分机 (2)3.3 电话模块 (3)4. 尺寸、重量 (3)5.安装、调试 (3)6.使用及操作 (3)6.1电话主机 (3)6.2电话分机 (7)6.3电话模块 (7)7.故障分析与排除 (7)8. 安全保护装置及事故处理 (7)9. 保养与维修 (7)10. 包装、贮存 (7)11. 开箱及检查 (7)12. 产品三包服务办法: (7)1. 概述消防电话系统是指当应用现场出现紧急情况时(如:火警、匪警及其它突发性灾害事件),它能提供方便的通讯手段,分布在应用现场的分机可以呼叫主机,及时与控制中心取得联系;主机也可以呼叫位于现场的分机了解现场情况。
系统可以详细记录呼叫、接通时间及通话内容。
1.1 产品特点♉ 系统配备的消防电话YJG3295 主机,它可以与分机进行可靠的通讯,并且详细记录呼叫、通话时间及内容。
可在紧急情况直接呼叫119,可接通来自外线的呼叫。
可对在线的分机进行一次登记并保持运行过程中的实时检测,对登记存在的分机出现通讯故障可快速作出报警,便于日常的维护。
♉ 系统配备YJGF3295A 分机可以呼叫主机,接听来自主机的呼叫;配备YJGF3040B 话机手柄和YJGF3295C 电话模块插孔可以呼叫电话主机。
♉ 本系统主机采用两总线制,可挂接95个独立地址编码的分机及模块,通讯可靠性高,便于维护。
1.2 主要用途及使用范围♉ 用于现场出现紧急情况时(如:火警、匪警及其它突发性灾害事件),它能提供方便的通讯手段,分布在应用现场的分机可以呼叫主机,及时与控制中心取得联系,主机可以呼叫位于现场的分机了解现场情况,系统可以详细记录呼叫、接通时间及通话内容。
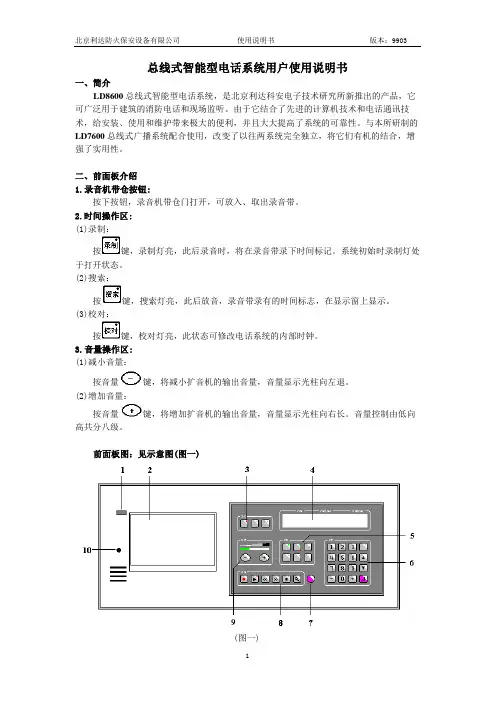
总线式智能型电话系统用户使用说明书一、简介LD8600 总线式智能型电话系统,是北京利达科安电子技术研究所新推出的产品,它可广泛用于建筑的消防电话和现场监听。
由于它结合了先进的计算机技术和电话通讯技术,给安装、使用和维护带来极大的便利,并且大大提高了系统的可靠性。
与本所研制的LD7600 总线式广播系统配合使用,改变了以往两系统完全独立,将它们有机的结合,增强了实用性。
二、前面板介绍1.录音机带仓按钮:按下按钮,录音机带仓门打开,可放入、取出录音带。
2.时间操作区:(1)录制:按键,录制灯亮,此后录音时,将在录音带录下时间标记。
系统初始时录制灯处于打开状态。
(2)搜索:按键,搜索灯亮,此后放音,录音带录有的时间标志,在显示窗上显示。
(3)校对:按键,校对灯亮,此状态可修改电话系统的内部时钟。
3.音量操作区:(1)减小音量:按音量键,将减小扩音机的输出音量,音量显示光柱向左退。
(2)增加音量:按音量键,将增加扩音机的输出音量,音量显示光柱向右长。
音量控制由低向高共分八级。
前面板图:见示意图(图一)(图一)1. 录音机仓门开关 6. 数字输入区2. 录音机磁带仓 7. 复位键3. 时间操作区 8. 录音机操作区4. 数据显示区 9. 音量调节区5. 电话功能操作区 10. 值班话机插孔4.录音机操作区:(1)录音:按键,录音灯亮,进入录音状态。
(2)放音:按键,放音灯亮,进入放音状态。
(3)快退:按键,快退灯亮,磁带快速后倒。
(4)快进:按键,快进灯亮,磁带快速前进。
(5)停止:按键,停止灯亮,停止录音机正在进行的一切操作。
5.麦克风开关:按键,麦克风灯亮,开启主机的内置喇叭,当接通电话后,可直接听到电话线上的声音。
6.电话功能操作区:(1)监听设置:按键,监听设置灯亮,进入监听设置状态;再按键,监听设置灯灭,退出监听设置状态。
详细操作见主要功能使用说明的相应部分。
(2)查询:按键,查询灯亮,进入模块查询状态;再按键,查询灯灭,退出模块查询状态。
ZH4581总线制火警电话主机注意事项注意:请阅读本说明书中以及机器上标明的所有警告及说明事项。
本机使用DC24V 消防专用直流电源供电,不会对使用者造成人身安全事故。
但是,不正确的使用却可能损坏机器。
如果您遵从以下有关安装、使用以及保养的操作步骤,系统会处于良好工作状态。
本机是完全半导体化的装置,并无用户可以修理的部件。
1. 阅读:使用说明书在打开本机的包装后,请仔细阅读使用说明书,并遵从所有操作及其说明事项。
2. 电源:作为消防产品,您应该使用有主备电源供电的直流消防电源(DC24V)为主机供电,若使用交流电源或高于直流30V 的电源可能会造成机器损坏。
关机后再开机应间隔5 秒以上 3. 热源:主机放置场所为室内正常大气条件。
必须远离热源,如暖风机、热调节器、加热炉以及其它发热产品(包括大型音频功率放大器等)4. 水分及潮气:使用本系统,应避免在极其潮湿的地下室或类似场所使用。
5.结露:潮气结露时通电有损于本机使用,特别是将本机由寒冷的室外搬至温暖的室内时,液晶显示屏由于结露而不显示,应在室内静置半小时后通电使用。
6.阳光:必须避免夏日强烈阳光暴晒液晶显示屏。
当显示屏表面温度超过50 度时,有可能造成永久性损坏。
7.接地:为在通话时得到清晰的通话质量,应将后面板接地端子(与机箱外壳连通)良好接大地。
严禁接在交流220V 的安全保护地上。
在不影响其它设备运行情况下,也可与DC24V 供电的负极连通。
8.自检:系统运行正常后,应定期检测主机的声光部件。
方法是:按“测试”键,观察所有显示部件应闪亮、喇叭报警,按“自动119”键,可接通市话外线报时台,并听到报时声。
有异常时应及时与我们联系并修理。
山东众海公共安全器材有限公司 地址:济南市工业北路81号 邮编:250100 电话:(0531)88697110 88697119系统综述ZH4581总线制火警电话系统是我公司生产的消防通信设备。
在火警电话主机的总线上,并接具有地址编码的ZH4580总线制电话分机,构成完善的火警紧急通信系统,适用于建筑内发生火灾或紧急情况时与中心控制室保持通讯或调度指挥之用。
GST-TS-Z01A 消防电话主机安装使用说明书(V (Ver.er.er.22.0,0,20020020011.12)海湾安全技术有限公司目录1概述 (1)2特点 (1)3技术特性 (1)4结构特征 (1)5使用及操作 (2)6应用设计 (3)7注意事项 (5)1概述GST-TS-Z01A型总线制消防电话主机是为消防专用而设计开发的总线制通讯系统,通过它可迅速实现对火灾的人工确认,并可及时掌握火灾现场情况及进行其它必要的通讯联络,便于指挥灭火及恢复工作。
完整的系统由设置在消防控制中心的GST-TS-Z01A型总线制消防电话主机和火灾报警控制器、现场的LD-8304总线制编码消防电话专用模块、LD-8312总线制消防电话插座(或J-SAP-8402手动报警按钮(含电话插座)及TS-100A型总线制电话分机构成,火灾报警控制器可选用JB-QG-GST5000型火灾报警控制器。
2特点(1)数码管显示月、日、时、分实时时间,采用24小时制;(2)主机可通过火灾报警控制器呼叫固定分机;(3)分机摘机即呼叫主机,这时,主机振铃直至主机摘机;(4)通话开始时,请求录音灯闪烁提示录音,按放音1/录音键后开始录音,并自动记下录音时的时间;录音最多可分两段,总录音时间长度200秒钟;(5)放音时自动显示所放录音段的录制时间,放音结束自动恢复显示实时时间;(6)设有音频输出插孔,供外部保存录音使用;(7)有总线输出过流保护,用蜂鸣器和发光管指示输出过流,并有消音功能;(8)自动抹音功能:录音段最长保存时间为3天,超过保存时间的录音段将被自动抹去以备下次录音。
抹音期间,录音指示灯常亮。
3技术特性(1)工作电压:DC24V,允许范围:DC20V~DC28V(2)馈电输出:输出总线电压DC24V±10%,最大输出电流0.25A(3)静态功耗≈1W(4)录音时间:200秒钟(5)线制:消防电话主机与LD-8304总线制编码消防电话专用模块、LD-8312型电话插座或J-SAP-8402手动报警按钮(含电话插孔)之间为无极性二总线连接(6)使用环境:温度:-10℃~+50℃相对湿度≤95%,不凝露(7)外形尺寸:前面板:485mm×133mm;箱体:133mm×242mm×410mm4结构特征电话主机面板示意图如图1所示:GST-TS-Z01A消防电话主机图1电话主机面板示意图5使用及操作(1)自检与消音电话主机上电即开始自检,即依次点亮数码管的每一段和工作、请求录音、过流指示灯,并伴有短促的蜂鸣声。
路漫漫其修远兮,吾将上下而求索- 百度文库GST-TS-Z01A消防电话主机安装使用说明书(Ver.2.0,2001.12)海湾安全技术有限公司目录一、概述 (3)二、特点 (3)三、技术特性 (3)四、结构特征 (3)五、使用及操作 (4)六、应用设计 (5)七、注意事项 (7)一、概述GST-TS-Z01A型总线制消防电话主机是为消防专用而设计开发的总线制通讯系统,通过它可迅速实现对火灾的人工确认,并可及时掌握火灾现场情况及进行其它必要的通讯联络,便于指挥灭火及恢复工作。
完整的系统由设置在消防控制中心的GST-TS-Z01A型总线制消防电话主机和火灾报警控制器、现场的LD-8304总线制编码消防电话专用模块、LD-8312总线制消防电话插座(或J-SAP-8402手动报警按钮(含电话插座)及TS-100A型总线制电话分机构成,火灾报警控制器可选用JB-QG-GST5000型火灾报警控制器。
二、特点1.数码管显示月、日、时、分实时时间,采用24小时制;2.主机可通过火灾报警控制器呼叫固定分机;3.分机摘机即呼叫主机,这时,主机振铃直至主机摘机;4.通话开始时,请求录音灯闪烁提示录音,按放音1/录音键后开始录音,并自动记下录音时的时间;录音最多可分两段,总录音时间长度200秒钟;5.放音时自动显示所放录音段的录制时间,放音结束自动恢复显示实时时间;6.设有音频输出插孔,供外部保存录音使用;7.有总线输出过流保护,用蜂鸣器和发光管指示输出过流,并有消音功能;8.自动抹音功能:录音段最长保存时间为3天,超过保存时间的录音段将被自动抹去以备下次录音。
抹音期间,录音指示灯常亮。
三、技术特性1.工作电压:DC24V,允许范围:DC20V~DC28V2.馈电输出:输出总线电压DC24V±10%,最大输出电流0.25A3.静态功耗≈1W4.录音时间:200秒钟5.线制:消防电话主机与LD-8304总线制编码消防电话专用模块、LD-8312型电话插座或J-SAP-8402手动报警按钮(含电话插孔)之间为无极性二总线连接6.使用环境:温度:-10℃~+50℃相对湿度 95%,不凝露7.外形尺寸:前面板:485mm×133mm;箱体:133mm×242mm×410mm四、结构特征1.电话主机面板示意图如图1所示:GST-TS-Z01A消防电话主机图1 电话主机面板示意图五、使用及操作1.自检与消音电话主机上电即开始自检,即依次点亮数码管的每一段和工作、请求录音、过流指示灯,并伴有短促的蜂鸣声。
TC3032火警电话总机安装使用说明书拟制:审核:批准:共8 页营口天成消防设备有限公司2006年6月7日一、概述TC3032火警电话总机,是火灾报警紧急通信控制设备,在火灾或紧急情况下,使消防报警监控室人员与现场保持通信联络。
它以无极性二总线方式与TCD310总线制电话机或TCD300总线制电话模块连接,通过DTMF双音频信号远程遥控TCD310总线制电话机或TCD300总线制电话模块,它工作在音频段,具有抗外界干扰能力强,信号传输准确、可靠性高的优点。
电话总机通过拨号方式,呼叫外部分机;分机摘机就可以呼叫电话总机,电话总机上能显示分机地址。
它具有使用简单、直观、方便的特点。
电话总机内置电子录音机,通话时能自动进行录音,并可以永久保存。
电话总机接入市话外线时,相当于普通电话机,能接听外线电话,也可以直接拨打119火警台。
TCD310总线制电话机和TCD300总线制电话模块采用电子编码方式,。
TC3032火警电话总机能为它们进行编址。
简单的无极性二总线布线方式和总线过流保护措施,极大方便了工程的安装、调试和维护,降低了工程的成本。
用户根据实际工程需要,选用TCD310总线制电话机和TCD300总线制电话模块的数量,最多可以到90个只。
TCD300电话模块可以实现普通电话分机数量的扩展,一只电话模块的输出可以带多只普通无编码插孔式电话机。
TC3032火警电话总机采用标准面板式结构,通常装入控制柜中与其它消防报警设备组合在一起使用。
二、技术参数工作电压:DC24V±15%工作电流:≤1200mA ;保护电流:≥3A空载电流:≤190mA控制方式:无极性二总线,DTMF双音频信号控制电话分机频率响应:300~3400Hz(±3dB)录音时间:2分钟,共八段负载能力:最大输出1A,接90台总线电话分机或电话模块输出保护:≥1.5A工作环境:温度,0℃~+45℃;相对湿度,≤90%RH总线长度:小于1500M总线电压:DC24V显示方式:四位数码管显示分机总数和分机地址结构方式:3U标准式面板,全封闭壳体。
HTCC-1消防电话系统用户手册目 录第1章概述 (2)1.1产品特点 (1)1.2主要用途及使用范围 (1)1.3使用环境条件及工作条件 (1)第2章技术特性 (1)2.1主要性能 (1)2.2主要参数 (1)第3章结构特征 (2)3.1外形及结构尺寸 (2)3.2面板说明 (2)3.3 液晶屏显信息 (3)3.4面板按键说明: (3)第4章安装、调试 (3)4.1 布线要求: (3)4.2 主机功能检查 (4)4.3 接线说明 (4)第5章使用与操作 (4)5.1电话主机设置 (4)5.2系统操作 (5)5.3系统查询 (6)5.4消防电话分机 (6)第6章故障分析与排除 (7)6.1电话总机故障与排除 (7)6.2电话分机故障与排除 (7)第7章安全保护装置及事故处理 (7)第8章保养与维护 (7)第9章包装、贮存 (7)第10章开箱及检查 (8)第1章概述HTEL-P型总线消防电话总机,可连接HTEL-□分设备组成消防电话报警系统。
HTEL-P采用液晶中文显示,配有电子录音。
执行GB16806-2006标准。
1.1产品特点●HTEL-P消防电话总机,它与分机进行可靠的通讯,并且详细记录呼叫、通话时间及内容。
可在紧急情况直接呼叫119,可接通来自外线的呼叫。
可对在线的分机进行一次登记并保持运行过程中的实时检测,对登记存在的分机出现通讯故障可快速作出报警,便于日常的维护。
●系统配备HTEL-E分机可以呼叫主机,接听来自主机的呼叫;配备TCC-G3040B话机手柄和HTEL-PJ电话模块插孔可以呼叫电话主机。
●本系统主机采用两总线制,可挂接95个独立地址编码的分机及模块,通讯可靠性高,便于维护。
1.2主要用途及使用范围●用于现场出现紧急情况时(如:火警、匪警及其它突发性灾害事件),它能提供方便的通讯手段,分布在应用现场的分机可以呼叫总机,及时与控制中心取得联系,总机可以呼叫位于现场的分机了解现场情况,系统可以详细记录呼叫、接通时间及通话内容。
AFN-FH06消防电话分机使用说明书(V1.0 2015.01)一、概述AFN-FH06消防电话分机(以下简称分机)是一种总线式智能编址设备,内置微处理器,性能稳定,工作可靠。
分机与总机连接开路时总机能报开路故障,用于消防区域通讯。
分机型号中AFN代表公司产品的标号,FH06为公司产品代号。
二、技术特性1.工作电压:18~28V2.监视电流:小于3mA3.动作电流:20mA4.触点电压:DC10~12V5.编址方式:电子编码,FLASH存储6.重量:360g7.底座尺寸:长:154mm 宽:86mm 厚:24mm话机尺寸:长:226.4mm 宽:91mm 厚:60.1mm8.安装孔距:100mm9.环境温度:-10℃~50℃10.环境湿度:10%~95%(不结露)11.线制:无极性两总线连接12.指示灯:红色指示灯,巡检时闪亮;绿色指示灯呼叫时闪亮,通话时常亮13.壳体材料和颜色:ABS,红色14.执行标准:GB16806-2006 《消防联动控制系统》远见创新精专信实1三、外形特征与工作原理1.分机外形示意图如图1:图12.工作原理分机内嵌微功耗处理器,完成与消防电话总机进行通话等数据交换功能。
接收到消防电话总机的呼叫命令后,未摘机时,分机绿色指示灯闪亮;摘机后,分机吸合输出继电器,将绿色指示灯设置为常亮。
四、布线与安装1.安装方法方法是直接把分机底座固定在预安装位置。
底座示意图如图2:远见创新精专信实3图22.接线示意图如图3:消防电话主机图33.布线方式分机的总线连接采用并联方式,总线拓扑结构支持线型连接、鱼骨型连接等。
鱼骨型连接中,不宜出现多级分支的情况。
4.导线要求应采用截面积不小于1.0mm2的RV或RVS线。
一般要求使用双绞线。
五、运行与调试1.安装前,先将分机写好地址。
2.按照消防电话总机的编程关系将写好地址的分机安装到对应位置并参照图3连接。
3.开机运行。
正常监视状态下,每隔一段时间,消防电话分机的红色指示灯应闪亮一次。