住宅工程质量分户验收表、分户验收记录表
- 格式:doc
- 大小:283.50 KB
- 文档页数:29
住宅工程质量分户验收表分验户表重庆市建设工程质量监督总站监制住宅工程质量分户验收汇总表分验汇总表注:1 本表完善后由工程建设各方留存并送质量监督机构备案。
2 验收结论中应明确验收不合格的户号及协商处理情况。
分户验收记录表一楼地面、墙面和顶棚(一)分验表1-1重庆市建设工程质量监督总站监制填表说明1.现浇楼板厚度及裂缝检验方法:板厚及裂缝检查均在主体结构施工过程中分别进行测量和目测检查。
板面裂缝检查目测高度宜距地1.5m左右,俯视检查;板底裂缝检查应站立室内地面仰视目测检查。
检查数量:自然间全数检查。
其中板厚检查起居室和卧室测点应不少于5点,其中一个测点应布置在房间中部,即4角点加1中心点;其余房间、阳台各测不少于3点,即在房间或阳台一条对角线上2角点加1中心点;角部测点宜在墙角(或板角)距墙面(或板角)长、宽两个方向均约500mm处。
注:检查单元的确定应按每户或每层楼的公共部分走道和楼梯间进行划分。
分户验收记录表一楼地面、墙面和顶棚(二)分验表1-2重庆市建设工程质量监督总站监制填表说明2.楼地面面层空鼓面积不大于400cm2,且每自然间不多于2处者可不计。
检验方法:空鼓用小锤锤击检查;坡度泼水检查,表面平整度、缝格平直度、接缝高低差和宽度目测观察检查,必要时辅以相应的检查工具进行检查;其它面层外观质量目测观察并结合手摸、脚踩等方式检查。
检查数量:自然间和阳台全数检查,公共部分走道和楼梯间按层检查;其中地面空鼓检查数量每间房间及阳台、公共部分走道和楼梯间应各不少于5处,其中一处应布置在房间或阳台、公共部分走道和楼梯间中部,即4角部加1中心处,每处面积约1m2范围。
初装饰工程的卫生间不检查空鼓。
注:检查单元的确定应按每户或每层楼的公共部分走道和楼梯间进行划分。
分户验收记录表一楼地面、墙面和顶棚(三)分检表1-3重庆市建设工程质量监督总站监制填表说明3.墙面面层空鼓面积不大于400cm2,且每自然间不多于2处者可不计。
住宅工程质量分户验收记录表住宅工程质量分户验收记录表项目名称:___________________楼栋号:____________________单元号:____________________层号:______________________户号:______________________验收日期:___________________验收人员:___________________一、基本情况:1. 房屋建筑面积:______________________2. 房屋户型:__________________________3. 竣工日期:__________________________4. 建筑结构:__________________________5. 住宅工程施工单位:___________________6. 监理单位:__________________________7. 甲方代表:__________________________8. 设计单位:__________________________二、户内环境验收:1. 户内照明:□合格□不合格2. 户内通风:□合格□不合格3. 户内噪声:□合格□不合格4. 室内地面平整度:□合格□不合格5. 室内墙面平整度:□合格□不合格6. 室内天花板平整度:□合格□不合格7. 室内门窗安装:□合格□不合格8. 室内卫生间设施:□合格□不合格9. 室内卫生间排水:□合格□不合格三、户外环境验收:1. 户外景观绿化:□合格□不合格2. 户外排水系统:□合格□不合格3. 路面平整度:□合格□不合格4. 停车场设施:□合格□不合格5. 外墙装饰材料:□合格□不合格6. 外墙漏水情况:□合格□不合格7. 户外门窗安装:□合格□不合格8. 外墙防水层:□合格□不合格四、其他验收事项:1. 电气设施:□合格□不合格2. 给排水设施:□合格□不合格3. 供暖设施:□合格□不合格4. 通风设施:□合格□不合格5. 地下室防水:□合格□不合格6. 消防设施:□合格□不合格7. 隔音设施:□合格□不合格8. 门窗密封性:□合格□不合格五、验收结论:根据以上验收情况,本次住宅工程质量分户验收结果为:□合格□基本合格□不合格六、问题整改要求:1. 验收不合格项整改要求及期限:_________________________七、验收意见:1. 验收人员意见:___________________________2. 甲方代表意见:___________________________3. 施工单位意见:___________________________4. 监理单位意见:___________________________八、备注:1. 其他需要补充的内容:___________________________2. 其他需要说明的事项:___________________________3. 验收附件清单:______________________________以上是住宅工程质量分户验收记录表,通过对各项质量验收内容进行记录,可以确保住宅工程的质量和安全。
最新住宅工程质量分户验收记
录表(总10页)
-CAL-FENGHAI.-(YICAI)-Company One1
-CAL-本页仅作为文档封面,使用请直接删除
住宅工程质量分户验收记录表(1)
(室内空间、构件尺寸、室内地面与墙面等质量)
注:1、室内以每户为一个检查单元。
2、工程中增加或不包含的项目应在验收记录中增加或删除。
3、本表一式一份,在单位工程竣工验收过程中使用后,施工单位存档使用
住宅工程质量分户验收记录表(3)
(公共部份质量)
注:1、室内以每户为一个检查单元。
2、工程中增加或不包含的项目应在验收记录中增加或删除。
3、本表一式一份,在单位工程竣工验收过程中使用后,施工单位存档使用
住宅工程质量分户验收记录表(4)
(安装工程量)
:
注:1、工程中增加或不包含的项目应在验收记录中增加或删除
2、本表一式一份,在单位工程竣工验收过程中使用后,施工单位存档使用
住宅工程质量分户验收结果表(5)
注: 1、工程中增加或不包括的项目应在验收记录中增加或删除。
2、本表格一式一份,住宅工程交互使用时,《住宅工程质量分户验收结果表》应当作为《住宅质量保证书》的附件一并交给业主。
住宅工程质量分户验收总表(6)
住宅工程质量分户验收记录表(2)(成品住宅室内装修工程质量)
注:1、室内以每户为一个检查单元
2、工程中增加或不包含的项目应在验收记录中增加或删除;
3、本表一式一份,在单位工程竣工验收过程中使用后,施工单位存档使用。
附表:1
住宅工程质量分户验收申请表
单位工程名称
致(建设单位):
我方已按设计和合同约定的工作内容完成工程,
住宅实体质量经自检合格,已达到住宅工程质量分户验收条件,请组织口主体结构阶段口竣工验收阶段分户验收。
项目负责人:
施工单位项目部(章)
年月日监理单位意见:
经核查,该工程已达到/未达到住宅工程质量分户验收条件,口同意□不同意申请验收。
项目总监理工程师:
监理单位项目部(章)
年月日
建设单位签收:
项目负责人:
年月日
附表:2
住宅工程质量分户验收记录表工程名称房(户)号建设单位监理单位
施工单位
2.施工单位项目负责人、总监理工程师需签字并加盖个人注册执业印章。
3.验收过程中可根据户型、装修配置等特点增加验收项目。
附表:3
住宅工程质量分户验收情况汇总表。
总页第页住宅工程质量分户验收记录表(二)楼地面、墙面、顶棚检查表单位工程名称:住宅工程质量分户验收记录表(三)门窗安装检查单位工程名称:说明:1、窗台高度尺寸满足设计及相关强制性条文。
楼地面粗装修的应考虑装饰层的厚度,2、门窗扇开启性能及密封条安装,开关灵活、关闭密室、无变形,推拉门窗扇必须有防脱落措施,密封条不得脱槽;3、门安装必须牢固;配件齐全、牢固、位置正确,功能满足使用要求;门框的正、侧面垂直度3㎜;表面应洁净,无划痕、碰伤。
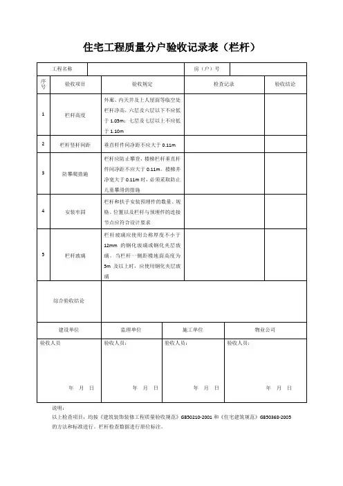
栏杆及护栏检查表单位工程名称:1、材料规格,图纸用材与现场实际及材料合格证明等文件资料相对应,为符合设计要求;2、栏杆稳定性及表面质量,栏杆安装牢固、不晃动、形状与施工图纸栏杆详图或设计变更相符,栏杆表面洁净、平整、大面积无划痕、碰伤、污染,为符合要求,反之为不符合要求;3、防攀爬措施,现场实际未有违反行为规范、规程及有关标准的内容在检查记录中填写,“未发现违规情况”,反之,注明违规内容;4、栏杆高度,从可踏面开始丈量,栏杆高度尺寸满足设计及相关强制性条文要求为合格。
5、竖杆净距,满足设计及相关强制性条文要求为合格,反之,不合格。
6、本表适用于室内及公共部分的栏杆及护栏检查记录。
防水工程检查表单位工程名称:填表说明:通过屋面淋水及有防水要求的楼面蓄水等功能试验,观测是否有渗水现象,并在检查记录中明确描述,未出现渗水现象,结论栏中填写符合要求,反之,填写不符合要求。
室内层高、开间净尺寸检查表单位工程名称:1、室内应做到办成品、成品保护良好,外观完好无损,外交差污染,做到窗净地洁2、楼层层高每个共测五点,其中距四角500㎜(对角线)(各测一点,中间测一点。
实测净高平均值不应小于设计值20㎜,[H-(H1+H2+H3+H4+H5)≦20㎜,同一房间现对净高差不超过20-30㎜,且不得有明显缺陷为合格,反之为不合格。
3、房间轴线每间共测其同意房间开间、进深相对净距偏差不超过10㎜,且不得有明显缺陷为合格,反之为不合格。
附表住宅工程质量分户验收规则验收项目、内容、检查方法及参照标准、条文)管道堵塞管道坡度地漏水封观察检查尺量检查室内电气安装建: 节(保温)插座相序、接地使用“漏电开关测试仪”逐个检查户内配电箱(盘)观察和开、关触电保护器动作照明试验通电检查等电位外窗传热系数、气密性能检验保温层烟囱道设置及附件观察检查检查检验报告观察检查或小锤轻击烟雾或火苗试验观察检查GB50242-2002第5.2.3生活污水塑料管道的坡度必须符合设计或本规范表5.2.3的规定。
表5.2.3生活污水塑料管道的坡度:1、管径50mm, 标准坡度25%。
,最小坡度12%。
;2、管径75mm,标准坡度15%。
,最小坡度8%o;3、管径110mm,标准坡度12%,最小坡度6%;4、管径125mm,标准坡度1O%o,最小坡度5%;5、管径160mm,标准坡度7%o,最小坡度4%0。
GB50242-2002第7.2.1排水栓和地漏的安装应平止、牢固,低于排水表面,周边无渗漏。
地漏水封高度不得小于50m“漏电开关测试仪”无接错显示m oGB50303-2002第22.1.2插座接线应符合下列规定:1单相两孔插座,面对插座的右孔或上孔与相线连接,左孔或下孔与零线连接;单相三孔插座,面对插座的右孔与相线连接,左孔与零线连接;2单相三孔、三相四孔及三相五孔插座的接地(PE)或接零(PEN)线接在上孔。
插座的接地端子不与零线端子连接。
同一场所的三相插座,接线的相序一致。
3接地(PE)或接零(PEN )线在插座间不串联连接。
第3.1.7接地(PE)或接零(PEN)支线必须单独与接地(PE)或接零(PEN)干线相连接,不得串联连接。
(强条)GB50303-2002第6.1.9照明配电箱(盘)安装应符合卜列规定:1箱(盘)内配线整齐,无绞接现象。
导线连接紧密,不伤芯线,不断股。
垫圈下螺丝两侧压的导线截面积相同,同一端子上导线连接不多于 2根,防松垫圈等零件齐全;2箱(盘)内开关动作灵活可靠,带有漏电保护的回路,漏电保护装置动作电流不大于30mA,动作时间不大于0.13照明箱(盘)内,分别设置零线(N)和保护地线(PE线)汇流排,零线和保护地线经汇流排配出。
模板工程过程分户质量验收检查记录表(一)页脚内容1混凝土工程过程分户质量验收检查记录表(二)工程名称:页脚内容2页脚内容3页脚内容4门窗工程过程分户质量验收检查记录表(四)页脚内容5工程名称:页脚内容6页脚内容7地盘管工程过程分户质量验收检查记录表(五)工程名称:页脚内容8页脚内容9工程名称:页脚内容10页脚内容11页脚内容121、过程分户质量验收由项目监理部负责组织施工单位、建设单位项目部进行验收,验收结果报建设单位工程管理部存档。
2、过程分户质量验收内容以德大地产工程管理部2011年3月9日制定的各项表格为基础,以前表格同时废止。
之前形成的过程分户验收资料作为存档资料,未形成的以本表为准。
依据施工规范、规程和设计图纸、分户验收文件的规定组织验收。
3、过程分户质量验收与施工中的各项检查不矛盾,均在施工过程中进行质量控制。
4、本表为德大地产各工程项目建设的质量验收通用表格,表内实际发生的项目必须全数检查和验收,不得漏项和漏检。
5、要求表格内各项检查结果真实有效,检查数据来自工程实际,不得弄虚作假。
6、对过程分户质量验收中发现的质量问题依据国家、省现行验收标准及设计要求进行整改,合格后方可组织分户验收。
7、按建筑平面图分户号建立分户档案。
页脚内容138、各单位验收意见栏内签字确认为手签。
9、各单位验收人员必须对验收工作认真负责,严格把好质量验收关,对分户验收工作要实事求是,不得降低质量标准。
如将不合格点、项按合格标准验收,一经核实,将追究验收人的责任。
页脚内容14。
表1住宅工程质量分户验收表表2住宅工程质量分户验收汇总表表3住宅工程质量分户验收问题记录表工程名称:验收时间:建设单位项目负责人:监理单位项目总监:施工单位项目经理:表4住宅工程质量分户验收记录表(空间尺寸)工程名称:说明:1、H1—H5代表房间净高尺寸,L1—L5代表房间开间和进深尺寸,L值宜取500mm;2、偏差为实测值与推算值之差的绝对值,不得超过15mm;极差为实测值中最大值与最小值之差,不得超过2.5mm;抽测不合格点数据在表内用笔圈出;3、使用钢卷尺或测距仪按上图规定进行检查,数据进行原位标注。
表5住宅工程质量分户验收记录表(楼地面、墙面、顶棚、门窗、防水)说明:1、裂缝、空鼓、爆灰、装饰等外观检查项目,均按《建筑装饰装修工程质量验收规范》GB50210-2001和《建筑地面工程施工质量验收规范》GB50209-2002、《住宅建筑规范》GB50368-2005的方法和标准进行;2、材料环保性能根据各地地方规定,核查相关资料进行检查;3、在分户验收时,外窗做人工淋水试验(第三~四层(有挑檐的每一层)设置一条横向淋水带,淋水时间不少于一小时后进户目测观察渗漏情况),外墙、坡屋面可在中雨后或持续淋水2小时后目测观察检查;平屋面、有防水要求的地面做蓄水试验(蓄水深度不低于20mm,24小时后目测观察检查)。
根据检查情况如实填写试验结果。
4、窗台高度检查数据进行原位标注。
表6住宅工程质量分户验收记录表(栏杆)说明:以上检查项目,均按《建筑装饰装修工程质量验收规范》GB50210-2001和《住宅建筑规范》GB50368-2005的方法和标准进行。
栏杆检查数据进行原位标注。
表7住宅工程质量分户验收记录表(给排水、电气)说明:以上检查项目,均按《建筑给水排水及采暖工程施工质量验收规范》GB50242-2002、《建筑电气工程施工质量验收规范》GB50303-2002和《住宅建筑规范》GB50368-2005的方法和标准进行。
住宅工程质量分户验收记录(室内)注:1、偏差为实测值与推算值之差的绝对值;极差为实测值中最大值与最小值之差,抽测不合格点数据在表内用红笔圈出。
2、室内每户为一个检查单元,每个检查单元填写本表一张,检查完毕及时签字;本表一式三份,建设(监理)、施工、住户(《住宅工程质量保证书》的附件)各一份。
注:1、偏差为实测值与推算值之差的绝对值;极差为实测值中最大值与最小值之差,抽测不合格点数据在表内用红笔圈出。
2、室内每户为一个检查单元,每个检查单元填写本表一张,检查完毕及时签字;本表一式三份,建设(监理)、施工、住户(《住宅工程质量保证书》的附件)各一份。
注:1、偏差为实测值与推算值之差的绝对值;极差为实测值中最大值与最小值之差,抽测不合格点数据在表内用红笔圈出。
2、室内每户为一个检查单元,每个检查单元填写本表一张,检查完毕及时签字;本表一式三份,建设(监理)、施工、住户(《住宅工程质量保证书》的附件)各一份。
注:1、偏差为实测值与推算值之差的绝对值;极差为实测值中最大值与最小值之差,抽测不合格点数据在表内用红笔圈出。
2、室内每户为一个检查单元,每个检查单元填写本表一张,检查完毕及时签字;本表一式三份,建设(监理)、施工、住户(《住宅工程质量保证书》的附件)各一份。
注:1、偏差为实测值与推算值之差的绝对值;极差为实测值中最大值与最小值之差,抽测不合格点数据在表内用红笔圈出。
2、室内每户为一个检查单元,每个检查单元填写本表一张,检查完毕及时签字;本表一式三份,建设(监理)、施工、住户(《住宅工程质量保证书》的附件)各一份。
注:1、偏差为实测值与推算值之差的绝对值;极差为实测值中最大值与最小值之差,抽测不合格点数据在表内用红笔圈出。
2、室内每户为一个检查单元,每个检查单元填写本表一张,检查完毕及时签字;本表一式三份,建设(监理)、施工、住户(《住宅工程质量保证书》的附件)各一份。
注:1、偏差为实测值与推算值之差的绝对值;极差为实测值中最大值与最小值之差,抽测不合格点数据在表内用红笔圈出。
住宅工程质量分户验收表分验户表住宅工程质量分户验收汇总表分验汇总表注:1 本表完善后由工程建设各方留存并送质量监督机构备案。
2 验收结论中应明确验收不合格户号及协商处理情况。
分户验收记录表一楼地面、墙面和顶棚(一)分验表1-1重庆市建设工程质量监督总站监制填表说明1.现浇楼板厚度及裂缝检验方法:板厚及裂缝检查均在主体结构施工过程中分别进行测量和目测检查。
板面裂缝检查目测高度宜距地1.5m左右,俯视检查;板底裂缝检查应站立室内地面仰视目测检查。
检查数量:自然间全数检查。
其中板厚检查起居室和卧室测点应不少于5点,其中一个测点应布置在房间中部,即4角点加1中心点;其余房间、阳台各测不少于3点,即在房间或阳台一条对角线上2角点加1中心点;角部测点宜在墙角(或板角)距墙面(或板角)长、宽两个方向均约500mm处。
注:检查单元确定应按每户或每层楼公共部分走道和楼梯间进行划分。
分户验收记录表一楼地面、墙面和顶棚(二)分验表1-2重庆市建设工程质量监督总站监制填表说明2.楼地面面层空鼓面积不大于400cm2,且每自然间不多于2处者可不计。
检验方法:空鼓用小锤锤击检查;坡度泼水检查,表面平整度、缝格平直度、接缝高低差和宽度目测观察检查,必要时辅以相应检查工具进行检查;其它面层外观质量目测观察并结合手摸、脚踩等方式检查。
检查数量:自然间和阳台全数检查,公共部分走道和楼梯间按层检查;其中地面空鼓检查数量每间房间及阳台、公共部分走道和楼梯间应各不少于5处,其中一处应布置在房间或阳台、公共部分走道和楼梯间中部,即4角部加1中心处,每处面积约1m2范围。
初装饰工程卫生间不检查空鼓。
注:检查单元确定应按每户或每层楼公共部分走道和楼梯间进行划分。
分户验收记录表一楼地面、墙面和顶棚(三)分检表1-3重庆市建设工程质量监督总站监制填表说明3.墙面面层空鼓面积不大于400cm2,且每自然间不多于2处者可不计。
检验方法:空鼓用小锤锤击检查;其它面层外观质量目测并结合手摸、尺量检查。
检查数量:自然间和阳台全数检查,公共部分走道和楼梯间按层检查;其中抹灰空鼓沿墙面长、宽两个方向每个墙面各测不少于3处,即墙面两端加中间部位,每处面积约1m2范围;当单片墙长度超过3m时,每增加1m应增加1处,均匀布点。
初装饰工程有防水层部位不检查空鼓。
4.顶棚检验方法:抹灰空鼓用小锤锤击检查;其它面层外观质量站立室内地面仰视目测检查为主,有条件时结合尺量拉线检查。
检查数量:自然间和阳台全数检查,公共部分走道和楼梯间按层检查;其中抹灰空鼓检查数量每间房间及阳台、公共部分走道和楼梯间应各不少于5处,其中一处应布置在房间或阳台、公共部分走道和楼梯间中部,即4角部加1中心处,每处面积约1m2范围。
注:检查单元确定应按每户或每层楼公共部分走道和楼梯间进行划分。
分户验收记录表二门窗安装分验表2重庆市建设工程质量监督总站监制填表说明1、外窗台高度:检验方法:尺量检查检查数量:全数检查。
2、门窗开启性能:检验方法:手扳、尺量和观察检查检查数量:全数检查。
3、门窗密封性能:检验方法:手扳和观察检查检查数量:全数检查。
4、门窗防、排水性能:检验方法:观察检查检查数量:全数检查。
5、门窗玻璃安装:检验方法:手扳和观察检查检查数量:全数检查。
6、门窗节能:检验方法:尺量和观察检查,必要时剖开或拆开检查。
检查数量:全数检查。
注:检查单元确定应按每户或每层楼公共部分走道和楼梯间进行划分。
分户验收记录表三栏杆安装分验表3重庆市建设工程质量监督总站监制填表说明1、栏杆安装:检验方法:手扳检查检查数量:全数检查。
2、栏杆高度、栏杆间距:检验方法:尺量检查检查数量:每片栏杆不少于一处。
3、防攀爬措施:检验方法:观察检查检查数量:全数检查。
4、栏板玻璃:检验方法:观察检查玻璃上安全认证标识;尺量检查。
检查数量:全数检查。
注:检查单元确定应按每户或每层楼公共部分走道和楼梯间进行划分。
分户验收记录表四分验表4重庆市建设工程质量监督总站监制填表说明1.屋面检验方法:屋面渗漏和积水采用蓄水或雨后观察检查,蓄水检查最浅蓄水深度不得小于20mm,蓄水时间不得小于24小时。
检查数量:全数检查。
2.外墙检验方法:雨后或淋水后目测观察检查。
检查数量:全数检查。
3.卫生间检验方法:蓄水检查,最浅处蓄水深度不得小于20mm,蓄水时间不得小于24小时。
检查数量:全数检查。
4.厨房检验方法:有防水要求时采用蓄水检查(同卫生间)。
检查数量:全数检查。
5.阳台检验方法:泼水检查。
检查数量:全数检查。
注:检查单元确定应按每户或每层楼公共部分走道和楼梯间进行划分。
分户验收记录表五室内主要空间尺寸(一)分验表5-1重庆市建设工程质量监督总站监制填表说明1.套内净尺寸偏差检验方法:尺量或仪器等检查,墙面之间净距测点宜在离地1m高左右,距墙角500mm处。
检查数量:自然间全数检查;房间内墙面之间净距按每个房间长、宽两个方向各测不少于2点;室内净高起居室和卧室测点应不少于5点,其中一个测点应布置在房间中部,即4角点加1中心点;其余房间各测不少于4点,即4角点。
角部测点宜在墙角(或板角)距墙面(或板角)长、宽两个方向均约500mm处。
非矩形房间内墙面净距尺寸偏差测点由分户验收小组自行确定。
有坡度房间不测室内净高。
注:检查单元确定应按每户或每层楼公共部分走道和楼梯间进行划分。
分户验收记录表五分验表5-2重庆市建设工程质量监督总站监制填表说明2.公共部分走道和楼梯间墙面净距检验方法:尺量或仪器等检查,墙面之间净距测点宜在离地1m高左右,距墙角500mm处,墙面凸出物处,应增加测点。
检查数量:公共部分走道和楼梯间墙面之间净距按每层分别各测不少于2点。
注:检查单元确定应按每户或每层楼公共部分走道和楼梯间进行划分。
分户验收记录表六给排水工程分验表6重庆市建设工程质量监督总站监制填表说明1、管道及其配件安装(1)管道安装应平整牢固,支吊架间距符合规范要求质量要求:钢管管道支架最大间距塑料管及复合管支架最大间距铜管管道支架最大间距金属管道立管管卡:楼层高度小于或等于5m ,每层必须安装1个;楼层高度大于5m ,每层不得少于2个;管卡安装高度,距地面应为1.5-1.8m 。
金属排水管道固定件间距:横管不大于2m ,立管不大于3m 。
楼层高度小于等于4m ,可安装1个固定件。
排水塑料管道支吊架最大间距检验方法:安装牢固目测观察或手扳检查;支、吊架间距尺量检查。
检查数量:全数检查。
(2)管道坡度、坡向 质量要求:生活污水铸铁管道坡度生活污水塑料管道坡度检验方法:用坡度尺或水平尺、拉线和尺量检查。
检查数量:全数检查。
(3)伸缩节、阻火圈、清扫口质量要求:排水塑料管必须按设计要求装设伸缩节。
如设计无要求时,伸缩节应每层设置,间距不得大于4m,且应靠近汇水点设置。
高层建筑中明设排水塑料管道应按设计要求设置阻火圈或防火套管。
生活污水管道上设置检查口或清扫口,应符合下列规定:1)在立管上应每隔一层设置一个检查口,但在最底层和有卫生器具最高层必须设置。
2)在连接2个及2个以上大便器或3个及3个以上卫生器具污水横管上应设置清扫口;当污水横管敷设在下一层套内空间时,其清扫口应设于本层。
3)转角小于1350污水横管上,应设置清扫口或检查口。
检验方法:目测观察检查。
检查数量:全数检查。
(4)套管质量要求:管道穿过墙壁和楼板,应设置套管。
安装在楼板内套管,其顶部应高出装饰地面20mm;安装在卫生间及厨房内套管,其顶部应高出装饰面50mm;安装在墙壁内套管其两端与饰面相平。
穿墙套管与管道缝隙宜用阻燃密实材料填实,穿楼板套管与管道缝隙应用阻燃密实材料和防水油膏填实。
检验方法:目测观察检查。
检查数量:全数检查。
(5)给水暗埋管道标识、给水口位置检验方法:目测观察检查。
检查数量:全数检查。
2、地漏和存水弯检验方法:型式及设置目测观察检查,有效水封深度尺量检查。
检查数量:全数检查。
3、功能性试验检验方法:通水试验,目测观察检查。
检查数量:全数检查。
注:检查单元确定应按每户进行划分。
分户验收记录表七电气工程(一)分验表7-1重庆市建设工程质量监督总站监制填表说明1、线路敷设检验方法:打开配电箱目测观察并与设计图纸进行核对检查。
检查数量:配电箱内进出导线全数检查。
2、配电箱安装(1)电气元件规格、型号、数量检验方法:目测观察并与设计图纸进行核对检查。
检查数量:全数核对检查。
(2)配电箱内电气元件标识及电气元件现场动作试验检查方法:目测观察并与设计图纸进行核对检查,以及现场动作试验检查。
检查数量:全数核对检查;每个空气开关现场开、关动作不少于2次。
(3)配电箱接地检查检验方法:目测观察检查。
检查数量:全数检查。
注:检查单元确定应按每户进行划分。
分户检验记录表七电气工程(二)分验表7-2重庆市建设工程质量监督总站监制填表说明3、灯具安装(1)距地高度小于2.4m灯具检查检验方法:拆开灯具目测观察检查。
检查数量:全数检查。
(2)照明系统通电检查质量要求:灯具选择正确,光源无损坏,灯具与控制开关对应正确。
检验方法:通电检查。
检查数量:全数检查。
4、开关插座、弱电终端设备安装(1)开关、插座型式选择及接线检查质量要求:当接插有触电危险家用电器电源时,采用能断开电源带开关插座,开关断开相线;潮湿场所采用密封型并带保护地线触头保护型插座。
导线按相分色,相序正确,插座接地线无串联连接接现象。
检验方法:开关、插座型式目测观察并与设计图纸进行核对检查;接线拆开开关、插座进行检查。
检查数量:开关、插座型式全数检查;插座接线拆开数量每个回路不少于1个,且每户总数不少于4个;开关接线拆开数量每个回路不少于1个,且每户总数不少于4个。
(2)开关操作检查检验方法:现场动作试验检查。
检查数量:每个开关现场动作试验不少于2遍。
(3)插座漏电保护检查质量要求:除空调插座外其它插座回路按要求设置漏电保护装置。
漏电保护装置动作电流不大于30mA,动作时间不大于0.1s。
检验方法:带漏电保护插座用适配仪表进行漏电开关模拟动作试验。
检查数量:全数检查。
(4)弱电出线口、终端插座、终端设备位置符合设计要求检验方法:目测观察检查。
检查数量:全数检查。
5.等电位联结检验方法:目测观察检查。
检查数量:全数检查。
注:检查单元确定应按每户进行划分。
分户验收记录表八建筑节能及其它分验表8重庆市建设工程质量监督总站监制填表说明1.保温层厚度检验方法:保温层施工完成后用钢针插入或剖开尺量检查。
检查数量:每套住宅检查不少于3处。
2.保温层固定措施检验方法:锚固件施工完成后观察检查、尺量检查。
检查数量:每套住宅检查不少于3处,每处不小于1㎡。
3、厨房、卫生间通风检验方法:目测观察并与设计图纸进行核对检查。