电力服务收费标准附表
- 格式:docx
- 大小:155.75 KB
- 文档页数:8
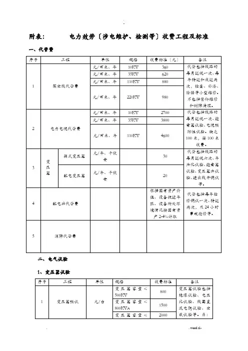
范文范例参考附表:电力服务(涉电维护、检测等)收费项目及标准一、代管费序项目单位规格收费标准备注号元/ 百米、年10kV120元/ 百米、年35kV260代管包括线路的每月巡视一次、每年特巡和夜巡二次等。
不足1架空线代管费元/ 百米、年110kV32050 米不收费;超过 50 米按百米收费。
元/ 百米、年220kV360元/ 百米、年10kV700代管包括线路的每月巡视一次、2电力电缆代管元/ 百米、年35kV800避雷试验、电缆预防性试验。
不足 50 米不收费;超过 50 米按百元/ 百米、年110kV900米收费。
变箱式变压器元 / 年、千伏安15代管包括线路的每月巡视六次、3压年油化试验、避雷试验、变压器器配电变压器元 / 年、千伏安9油试验、进出线开调试等。
根据固定资产价值、设备投运年代管包括每年检修调试一次,特限、设备所4配电站收费代管巡二次,及24 小时事故抢修处环境情况等。
按固定资产2~4%计取二、电气试验1、变压器试验序项目单位规格收费标准备注号变压器容量≤800变压器试验包括绝缘试500kVA验、电压比试验、线圈1变压器预试元/ 台变压器容量≤1500直流电阴试验、空载试800kVA验等。
另:特种变压器变压器容量≤2000加收 50%;有载调压变3200kVA压器加收20%;三绕组元/ 台变压器容量≤2000电力变压器乘以系数800kVA 1.2 ;单项电力变压器2变压器交接试验变压器容量≤组如配有备用相变压器元 / 台27003200kVA乘以系数 1.2 ;若为三变压器预试( 35kV)元 / 台变压器容量≤3500相干式变压器、整流变压器乘以系数 0.8 6300kVA3变压器预试( 35kV)元/ 台变压器容量>5000 6300kVA变压器预试( 110kV)元 / 台变压器容量≤6500 31500kVA变压器预试( 110kV)元 / 台变压器容量>900031500kVA4变压器检查元 / 次120不含电压器试验5变压器调档元 / 次4002、避雷器、电容器试验范文范例参考序号项目规格单位收费标准110kV(普通型)元/ 组15010kV(氧化锌型)元/ 组20035kV(普通型)元/ 组30035kV(氧化锌型)元/ 组600避雷器试验110kV(普通型)元/ 组700110kV(氧化锌型)元/ 组900220kV(普通型)元/ 组1100220kV(氧化锌型)元/ 组1300计数器元/ 组20 210kV(普通型)元/ 组15010kV(氧化锌型)元/ 组20035kV(普通型)元/ 组50035kV(氧化锌型)元/ 组900避雷器交接试验110kV(普通型)元/ 组950110kV(氧化锌型)元/ 组1300220kV(普通型)元/ 组1400220kV(氧化锌型)元/ 组1800计数器元/ 组30 335kV元/ 组250耦合电容器试验110kV元/ 组400220kV元/ 组9004耦合电容器交接试35kV元/ 组500 110kV元/ 组900验220kV元/ 组20005静电电容器试验10kV 及以下元/ 组1800 35kV元/ 组4200备注:电容器试验包括:绝缘电阻、介质损测量、并联电路交流耐压试验、配合冲击合闸检查试验。
【电力服务收费项目及标准】电力维护收费标准附表:电力服务(涉电维护、检测等)收费项目及标准一、代管费序号项目单位规格收费标准备注 1 架空线代管费元/百米、年 10kV 120 代管包括线路的每月巡视一次、每年特巡和夜巡二次等。
不足50米不收费;超过50米按百米收费。
元/百米、年 35kV 260 元/百米、年 110kV 320 元/百米、年220kV 360 2电力电缆代管元/百米、年 10kV 700代管包括线路的每月巡视一次、避雷试验、电缆预防性试验。
不足50米不收费;超过50米按百米收费。
元/百米、年 35kV 800元/百米、年 110kV 900 3变压器箱式变压器元/年、千伏安15 代管包括线路的每月巡视六次、年油化试验、避雷试验、变压器油试验、进出线开调试等。
配电变压器元/年、千伏安 9 4 配电站收费代管根据固定资产价值、设备投运年限、设备所处环境情况按固定资产2~4%计取代管包括每年检修调试一次,特巡二次,及24小时事故抢修等。
二、电气试验 1、变压器试验序号项目单位规格收费标准备注1变压器预试元/台变压器容量W 500kVA 800变压器试验包括绝缘试验、电压比试验、线圈直流电阴试验、空载试验等。
另:特种变压器加收50%;有载调压变压器加收20%;三绕组电力变压器乘以系数1.2;单项电力变压器组如配有备用相变压器乘以系数1.2;若为三相干式变压器、整流变压器乘以系数 0.8变压器容量W 800kVA 1500变压器容量W 3200kVA 2000 2变压器交接试验元/ 台变压器容量W 800kVA 2000元/台变压器容量W 3200kVA 2700 3变压器预试(35kV)元/台变压器容量W 6300kVA 3500变压器预试(35kV)元/台变压器容量〉6300kVA 5000变压器预试(110kV)元/台变压器容量W 31500kVA 6500 变压器预试(110kV)元/台变压器容量〉31500kVA 9000 4变压器检查元/ 次120不含电压器试验 5 变压器调档元/次 400 2、避雷器、电容器试验序号项目规格单位收费标准 1 避雷器试验 10kV(普通型)元/组150 10kV (氧化锌型)元/组200 35kV (普通型)元/组300 35kV (氧化锌型)元/组600 110kV (普通型)元/组700 110kV (氧化锌型)元/组900 220kV (普通型)元/组1100 220kV (氧化锌型)元/组 1300 计数器元/组 20 2 避雷器交接试验10kV (普通型)元/组150 10kV (氧化锌型)元/组200 35kV (普通型)元/组500 35kV(氧化锌型)元/组900 110kV(普通型)元/组950 110kV (氧化锌型)元/组1300 220kV (普通型)元/组1400220kV (氧化锌型)元/组1800计数器元/组30 3耦合电容器试验35kV元/组250 110kV元/组400 220kV元/组900 4耦合电容器交接试验35kV元/组500 110kV元/组900 220kV元/组2000 5 静电电容器试验10kV及以下元/组1800 35kV元/组4200备注:电容器试验包括:绝缘电阻、介质损测量、并联电路交流耐压试验、配合冲击合闸检查试验。
附表:电力服务(涉电维护、检测等)收费项目及标准一、代管费
二、电气试验
1、变压器试验
2、避雷器、电容器试验
3、电缆试验
4、开关试验
5、接地装置试验
6、互感器试验
7、母线试验
8、消弧线圈试验
9、核相(高压核相)
10、高压电机试验
11、互感器二次通电及特性试验、仪表、二次回路测绝缘
12、继电器校验
13、继电保护二次回路正确性检查、绝缘试验、整组传动、定校
14、110KVGIS设备
15、微机保护以上保护的基数上乘以2系数;进口保护在以上保护的基数上乘以3系数。
三、工程安全技术措施及安全用具试验
四、油样化验
五、用户内部盘表检、校、修理
六、10KV配电变压器修理(单位:元/次台)
七、客户内部计量装置维护收费标准
供电部门对客户内部、属客户资产的计量等装置开展有偿检验、维护和修理等服务。
1、10KV0.2级互感器城内运输费为64元/台。
2、35KV0.2级互感器城内运输费为160元/台。
八、客户内部继电保护整定等项目收费标准
九、带电作业。
电力服务(涉电维护、检测等)收费项目及标准附表: 电力服务(涉电维护、检测等)收费项目及标准一、代管费序号项目单位规格收费标准备注元/百米、年 10KV 120 代管包括线路的每月巡视元/百米、年 35KV 260 一次、每年特巡和夜巡二次1 架空线代管费元/百米、年 110KV 320 等.。
不足50米,不收费;元/百米、年 220KV 360 超过50米,按百米收费.代管包括线路的每月巡视元/百米、年 10KV 700一次、避雷器试验、电缆预元/百米、年 35KV 800 2 电力电缆代管费防性试验.。
不足50米,不元/百米、年收费;超过50米,按百米收110KV 900 费.代管包括线路的每月箱式变压器元/年、千伏安 15 变巡视六次、年油化试3 压验、避雷器试验、变压器器油试验、进出线开调配电变压器元/年、千伏安 9试等。
根据固定资产价代管包括每年检修调值、设备投运年配电站 4 试一次~特巡二次~及限、设备所处环代管费境情况按固定资24小时事故抢修等。
产2-4%计取二、电气试验1、变压器试验序号项目单位规格收费标准备注变压器容量?800 500KVA元/台变压器容量?1 变压器预试 1500 800KVA 变压器试验包括绝缘试验、元/台变压器容量?电压比试验、线圈直流电阴2000 3200KVA 试验、空载试验等。
另:特变压器容量?种变压器加收50%,有载调压元/台 2000 800KVA 变压器加收20%,三绕组电力2 变压器交接试验变压器乘以系数1.2,单项电变压器容量?元/台2700 力变压器组如配有备用相变3200KVA压器乘以系数1.2,若为三相变压器容量?变压器预试,35KV, 元/台 3500 干式变压器、整流变压器乘6300KVA以系数0.8。
变压器容3 变压器预试,35KV, 元/台 5000 量>6300KVA变压器容量?变压器预试,110KV, 元/台 6500 31500KVA变压器容变压器预试,110KV, 元/台 9000 量>31500KVA4 变压器检查元/次 120 不含变压器试验5 变压器调档元/次 400 2、避雷器、电容器试验序号项目规格单位收费标准,元,10KV,普通型, 元/组 15010KV,氧化锌型, 元/组 20035KV,普通型, 元/组 30035KV,氧化锌型, 元/组 600 1 避雷器试验 110KV,普通型, 元/组 700110KV,氧化锌型, 元/组 900220KV,普通型, 元/组 1100220KV,氧化锌型, 元/组 1300计数器元/组 2010KV,普通型, 元/组 15010KV,氧化锌型, 元/组 20035KV,普通型, 元/组 50035KV,氧化锌型, 元/组 900 2 避雷器交接试验 110KV,普通型, 元/组 950 110KV,氧化锌型, 元/组 1300220KV,普通型, 元/组 1400220KV,氧化锌型, 元/组 1800计数器元/组 3035KV 元/组 250 3 耦合电容器试验 110KV 元/组 400220KV 元/组 90035KV 元/组 500 4 耦合电容器交接试验 110KV 元/组 900220KV 元/组 200010KV及以下元/组 1800 5 静电电容器试验 35KV 元/组 4200 备注:电容器试验包括:绝缘电阻、介质损测量、并联电容器交流耐压试验、配合冲击合闸检查试验。
电力服务(涉电维护、检测等)收费项目及标准附表: 电力服务(涉电维护、检测等)收费项目及标准一、代管费序号项目单位规格收费标准备注元/百米、年 10KV 120 代管包括线路的每月巡视元/百米、年 35KV 260 一次、每年特巡和夜巡二次1 架空线代管费元/百米、年 110KV 320 等.。
不足50米,不收费;元/百米、年 220KV 360 超过50米,按百米收费.代管包括线路的每月巡视元/百米、年 10KV 700一次、避雷器试验、电缆预元/百米、年 35KV 800 2 电力电缆代管费防性试验.。
不足50米,不元/百米、年收费;超过50米,按百米收110KV 900 费.代管包括线路的每月箱式变压器元/年、千伏安 15 变巡视六次、年油化试3 压验、避雷器试验、变压器器油试验、进出线开调配电变压器元/年、千伏安 9试等。
根据固定资产价代管包括每年检修调值、设备投运年配电站 4 试一次~特巡二次~及限、设备所处环代管费境情况按固定资24小时事故抢修等。
产2-4%计取二、电气试验1、变压器试验序号项目单位规格收费标准备注变压器容量?800 500KVA元/台变压器容量?1 变压器预试 1500 800KVA 变压器试验包括绝缘试验、元/台变压器容量?电压比试验、线圈直流电阴2000 3200KVA 试验、空载试验等。
另:特变压器容量?种变压器加收50%,有载调压元/台 2000 800KVA 变压器加收20%,三绕组电力2 变压器交接试验变压器乘以系数1.2,单项电变压器容量?元/台2700 力变压器组如配有备用相变3200KVA压器乘以系数1.2,若为三相变压器容量?变压器预试,35KV, 元/台 3500 干式变压器、整流变压器乘6300KVA以系数0.8。
变压器容3 变压器预试,35KV, 元/台 5000 量>6300KVA变压器容量?变压器预试,110KV, 元/台 6500 31500KVA变压器容变压器预试,110KV, 元/台 9000 量>31500KVA4 变压器检查元/次 120 不含变压器试验5 变压器调档元/次 400 2、避雷器、电容器试验序号项目规格单位收费标准,元,10KV,普通型, 元/组 15010KV,氧化锌型, 元/组 20035KV,普通型, 元/组 30035KV,氧化锌型, 元/组 600 1 避雷器试验 110KV,普通型, 元/组 700110KV,氧化锌型, 元/组 900220KV,普通型, 元/组 1100220KV,氧化锌型, 元/组 1300计数器元/组 2010KV,普通型, 元/组 15010KV,氧化锌型, 元/组 20035KV,普通型, 元/组 50035KV,氧化锌型, 元/组 900 2 避雷器交接试验 110KV,普通型, 元/组 950 110KV,氧化锌型, 元/组 1300220KV,普通型, 元/组 1400220KV,氧化锌型, 元/组 1800计数器元/组 3035KV 元/组 250 3 耦合电容器试验 110KV 元/组 400220KV 元/组 90035KV 元/组 500 4 耦合电容器交接试验 110KV 元/组 900220KV 元/组 200010KV及以下元/组 1800 5 静电电容器试验 35KV 元/组 4200 备注:电容器试验包括:绝缘电阻、介质损测量、并联电容器交流耐压试验、配合冲击合闸检查试验。
附表:电力效劳〔涉电维护、检测等〕收费工程及标准一、代管费
二、电气试验
1、变压器试验
2、避雷器、电容器试验
3、电缆试验
4、开关试验
5、接地装置试验
6、互感器试验
7、母线试验
8、消弧线圈试验
9、核相〔高压核相〕
10、高压电机试验
11、互感器二次通电及特性试验、仪表、二次回路测绝缘
12、继电器校验
13、继电保护二次回路正确性检查、绝缘试验、整组传动、定校
14、110KVGIS设备
15、微机保护以上保护的基数上乘以2系数;进口保护在以上保护的基数上乘以3系数。
三、工程平安技术措施及平安用具试验
四、油样化验
五、用户部盘表检、校、修理
六、10KV配电变压器修理〔单位:元/次台〕
七、客户部计量装置维护收费标准
2、35KV0.2级互感器城运输费为160元/台。
八、客户部继电保护整定等工程收费标准
九、带电作业。
电力服务(涉电维护、检测等)收费项目及标准附表: 电力服务(涉电维护、检测等)收费项目及标准一、代管费序号项目单位规格收费标准备注元/百米、年 10KV 120 代管包括线路的每月巡视元/百米、年 35KV 260 一次、每年特巡和夜巡二次1 架空线代管费元/百米、年 110KV 320 等.。
不足50米,不收费;元/百米、年 220KV 360 超过50米,按百米收费.代管包括线路的每月巡视元/百米、年 10KV 700一次、避雷器试验、电缆预元/百米、年 35KV 800 2 电力电缆代管费防性试验.。
不足50米,不元/百米、年收费;超过50米,按百米收110KV 900 费.代管包括线路的每月箱式变压器元/年、千伏安 15 变巡视六次、年油化试3 压验、避雷器试验、变压器器油试验、进出线开调配电变压器元/年、千伏安 9试等。
根据固定资产价代管包括每年检修调值、设备投运年配电站 4 试一次~特巡二次~及限、设备所处环代管费境情况按固定资24小时事故抢修等。
产2-4%计取二、电气试验1、变压器试验序号项目单位规格收费标准备注变压器容量?800 500KVA元/台变压器容量?1 变压器预试 1500 800KVA 变压器试验包括绝缘试验、元/台变压器容量?电压比试验、线圈直流电阴2000 3200KVA 试验、空载试验等。
另:特变压器容量?种变压器加收50%,有载调压元/台 2000 800KVA 变压器加收20%,三绕组电力2 变压器交接试验变压器乘以系数1.2,单项电变压器容量?元/台2700 力变压器组如配有备用相变3200KVA压器乘以系数1.2,若为三相变压器容量?变压器预试,35KV, 元/台 3500 干式变压器、整流变压器乘6300KVA以系数0.8。
变压器容3 变压器预试,35KV, 元/台 5000 量>6300KVA变压器容量?变压器预试,110KV, 元/台 6500 31500KVA变压器容变压器预试,110KV, 元/台 9000 量>31500KVA4 变压器检查元/次 120 不含变压器试验5 变压器调档元/次 400 2、避雷器、电容器试验序号项目规格单位收费标准,元,10KV,普通型, 元/组 15010KV,氧化锌型, 元/组 20035KV,普通型, 元/组 30035KV,氧化锌型, 元/组 600 1 避雷器试验 110KV,普通型, 元/组 700110KV,氧化锌型, 元/组 900220KV,普通型, 元/组 1100220KV,氧化锌型, 元/组 1300计数器元/组 2010KV,普通型, 元/组 15010KV,氧化锌型, 元/组 20035KV,普通型, 元/组 50035KV,氧化锌型, 元/组 900 2 避雷器交接试验 110KV,普通型, 元/组 950 110KV,氧化锌型, 元/组 1300220KV,普通型, 元/组 1400220KV,氧化锌型, 元/组 1800计数器元/组 3035KV 元/组 250 3 耦合电容器试验 110KV 元/组 400220KV 元/组 90035KV 元/组 500 4 耦合电容器交接试验 110KV 元/组 900220KV 元/组 200010KV及以下元/组 1800 5 静电电容器试验 35KV 元/组 4200 备注:电容器试验包括:绝缘电阻、介质损测量、并联电容器交流耐压试验、配合冲击合闸检查试验。
. .附表:电力服务(涉电维护、检测等)收费项目及标准一、代管费完美格式eord. .。
线开调试等、电气试验二、变压器试验1完美格式eord. .、电容器试验避雷器2、完美格式eord . .、电缆试验3完美格式eord. .开关试验4、接地装置试验5、完美格式eord. .6、互感器试验7、母线试验8、消弧线圈试验完美格式eord. .9、核相(高压核相)10、高压电机试验11、互感器二次通电及特性试验、仪表、二次回路测绝缘12、继电器校验完美格式eord. .、整组传动定校、继电保护二次回路正确性检查、绝缘试验、13完美格式eord. .110KVGIS设备14、进口保护在以上保护的基数上乘系数;15、微机保护以上保护的基数上乘以2 。
系数以3 工程安全技术措施及安全用具试验三、完美格式eord. .令克棒安全试验完美格式eord . .)元/次台配电变压器修理六、10KV(单位:完美格式eord. .户资产的计量等装置开展有偿检验完美格式eord. .台。
/10KV0.2级互感器城内运输费为64元1、台。
级互感器城内运输费为160元/2、35KV0.2、完美格式eord. .完美格式eord . .完美格式eord . .。
力人依然比你努而是那些比你牛×几倍的努力是自己奋斗的足迹。
7、压力不是有人比你,。
光明最金钱权利的奴隶;应学会做、权利的主人。
、什么时候离近?那就是你觉得黑暗太黑的时候、最值得欣赏的风景,钱。
我不知道你学、来们索性就还会有,我们做赠语意见是您宝贵谢谢双文档您的光欢迎临,Word下载后可修改编辑击可删除页眉页脚!希望您提出的意见,你的我进步的动力。
;、如果与不做都会有人笑如果做不好与做得好人笑,那么我做得更好,给人笑吧!现在你不玩命的,以后命玩。
、我年少轻狂,只知道胜者为王、不要做金、。
电力服务(涉电维护、检测等)收费项目及标准附表: 电力服务(涉电维护、检测等)收费项目及标准一、代管费序号项目单位规格收费标准备注元/百米、年 10KV 120 代管包括线路的每月巡视元/百米、年 35KV 260 一次、每年特巡和夜巡二次1 架空线代管费元/百米、年 110KV 320 等.。
不足50米,不收费;元/百米、年 220KV 360 超过50米,按百米收费.代管包括线路的每月巡视元/百米、年 10KV 700一次、避雷器试验、电缆预元/百米、年 35KV 800 2 电力电缆代管费防性试验.。
不足50米,不元/百米、年收费;超过50米,按百米收110KV 900 费.代管包括线路的每月箱式变压器元/年、千伏安 15 变巡视六次、年油化试3 压验、避雷器试验、变压器器油试验、进出线开调配电变压器元/年、千伏安 9试等。
根据固定资产价代管包括每年检修调值、设备投运年配电站 4 试一次~特巡二次~及限、设备所处环代管费境情况按固定资24小时事故抢修等。
产2-4%计取二、电气试验1、变压器试验序号项目单位规格收费标准备注变压器容量?800 500KVA元/台变压器容量?1 变压器预试 1500 800KVA 变压器试验包括绝缘试验、元/台变压器容量?电压比试验、线圈直流电阴2000 3200KVA 试验、空载试验等。
另:特变压器容量?种变压器加收50%,有载调压元/台 2000 800KVA 变压器加收20%,三绕组电力2 变压器交接试验变压器乘以系数1.2,单项电变压器容量?元/台2700 力变压器组如配有备用相变3200KVA压器乘以系数1.2,若为三相变压器容量?变压器预试,35KV, 元/台 3500 干式变压器、整流变压器乘6300KVA以系数0.8。
变压器容3 变压器预试,35KV, 元/台 5000 量>6300KVA变压器容量?变压器预试,110KV, 元/台 6500 31500KVA变压器容变压器预试,110KV, 元/台 9000 量>31500KVA4 变压器检查元/次 120 不含变压器试验5 变压器调档元/次 400 2、避雷器、电容器试验序号项目规格单位收费标准,元,10KV,普通型, 元/组 15010KV,氧化锌型, 元/组 20035KV,普通型, 元/组 30035KV,氧化锌型, 元/组 600 1 避雷器试验 110KV,普通型, 元/组 700110KV,氧化锌型, 元/组 900220KV,普通型, 元/组 1100220KV,氧化锌型, 元/组 1300计数器元/组 2010KV,普通型, 元/组 15010KV,氧化锌型, 元/组 20035KV,普通型, 元/组 50035KV,氧化锌型, 元/组 900 2 避雷器交接试验 110KV,普通型, 元/组 950 110KV,氧化锌型, 元/组 1300220KV,普通型, 元/组 1400220KV,氧化锌型, 元/组 1800计数器元/组 3035KV 元/组 250 3 耦合电容器试验 110KV 元/组 400220KV 元/组 90035KV 元/组 500 4 耦合电容器交接试验 110KV 元/组 900220KV 元/组 200010KV及以下元/组 1800 5 静电电容器试验 35KV 元/组 4200 备注:电容器试验包括:绝缘电阻、介质损测量、并联电容器交流耐压试验、配合冲击合闸检查试验。
附表:电力服务(涉电维护、检测等)收费项目及标准
二、电气试验
1、变压器试验
2、避雷器、电容器试验
3、电缆试验
4、开关试验
5、接地装置试验
6、互感器试验
7、母线试验
8、消弧线圈试验
9、核相(高压核相)
10、高压电机试验
11、互感器二次通电及特性试验、仪表、二次回路测绝缘
12、继电器校验
13、继电保护二次回路正确性检查、绝缘试验、整组传动、定校
14、110KVGIS设备
15、微机保护以上保护的基数上乘以2系数;进口保护在以上保护的基数上乘以3系数。
三、工程安全技术措施及安全用具试验
四、油样化验
五、用户内部盘表检、校、修理
六、10KV配电变压器修理(单位:元/次台)
七、客户内部计量装置维护收费标准
供电部门对客户内部、属客户资产的计量等装置开展有偿检验、维护和修理等服务。
1、10KV0.2级互感器城内运输费为64元/台。
2、35KV0.2级互感器城内运输费为160元/台。
八、客户内部继电保护整定等项目收费标准
九、带电作业。
【电力服务收费项目及标准】电力维护收费标准【电力服务收费项目及标准】电力维护收费标准附表:电力服务(涉电维护、检测等)收费项目及标准一、代管费序号项目单位规格收费标准备注 1 架空线代管费元/百米、年 10kV 120 代管包括线路的每月巡视一次、每年特巡和夜巡二次等。
不足50米不收费;超过50米按百米收费。
元/百米、年35kV 260 元/百米、年110kV 320 元/百米、年220kV 360 2 电力电缆代管元/百米、年 10kV 700 代管包括线路的每月巡视一次、避雷试验、电缆预防性试验。
不足50米不收费;超过50米按百米收费。
元/百米、年 35kV 800 元/百米、年 110kV 900 3 变压器箱式变压器元/年、千伏安15 代管包括线路的每月巡视六次、年油化试验、避雷试验、变压器油试验、进出线开调试等。
配电变压器元/年、千伏安 9 4 配电站收费代管根据固定资产价值、设备投运年限、设备所处环境情况按固定资产2~4%计取代管包括每年检修调试一次,特巡二次,及24小时事故抢修等。
二、电气试验 1、变压器试验序号项目单位规格收费标准备注 1 变压器预试元/台变压器容量≤ 500kVA 800 变压器试验包括绝缘试验、电压比试验、线圈直流电阴试验、空载试验等。
另:特种变压器加收50%;有载调压变压器加收20%;三绕组电力变压器乘以系数1.2;单项电力变压器组如配有备用相变压器乘以系数1.2;若为三相干式变压器、整流变压器乘以系数0.8 变压器容量≤800kVA 1500 变压器容量≤ 3200kVA 2000 2 变压器交接试验元/台变压器容量≤ 800kVA 2000 元/台变压器容量≤ 3200kVA 2700 3 变压器预试(35kV)元/台变压器容量≤ 6300kVA 3500 变压器预试(35kV)元/台变压器容量>6300kVA 5000 变压器预试(110kV)元/台变压器容量≤ 31500kVA 6500 变压器预试(110kV)元/台变压器容量> 31500kVA 9000 4 变压器检查元/次 120 不含电压器试验 5 变压器调档元/次400 2、避雷器、电容器试验序号项目规格单位收费标准 1 避雷器试验 10kV (普通型)元/组 150 10kV(氧化锌型)元/组200 35kV(普通型)元/组300 35kV(氧化锌型)元/组600 110kV(普通型)元/组700 110kV(氧化锌型)元/组900 220kV (普通型)元/组 1100 220kV (氧化锌型)元/组 1300 计数器元/组20 2 避雷器交接试验10kV(普通型)元/组150 10kV(氧化锌型)元/组200 35kV(普通型)元/组500 35kV(氧化锌型)元/组900 110kV(普通型)元/组950 110kV(氧化锌型)元/组1300 220kV (普通型)元/组 1400220kV(氧化锌型)元/组 1800 计数器元/组 30 3 耦合电容器试验 35kV 元/组 250 110kV 元/组 400 220kV 元/组 900 4 耦合电容器交接试验 35kV 元/组 500 110kV 元/组 900 220kV 元/组 2000 5 静电电容器试验 10kV及以下元/组 1800 35kV 元/组 4200 备注:电容器试验包括:绝缘电阻、介质损测量、并联电路交流耐压试验、配合冲击合闸检查试验。
附表:电力服务(涉电维护、检测等)收费项目及标准一、代管费
二、电气试验
1、变压器试验
2、避雷器、电容器试验
3、电缆试验
4、开关试验
5、接地装置试验
6、互感器试验
7、母线试验
8、消弧线圈试验
9、核相(高压核相)
10、高压电机试验
11、互感器二次通电及特性试验、仪表、二次回路测绝缘
12、继电器校验
13、继电保护二次回路正确性检查、绝缘试验、整组传动、定校
14、110KVGIS设备
15、微机保护以上保护的基数上乘以2系数;进口保护在以上保护的基数上乘以3系数。
三、工程安全技术措施及安全用具试验
四、油样化验
五、用户内部盘表检、校、修理
六、10KV配电变压器修理(单位:元/次台)
七、客户内部计量装置维护收费标准
供电部门对客户内部、属客户资产的计量等装置开展有偿检验、维护和修理等服务。
1、10KV0.2级互感器城内运输费为64元/台。
2、35KV0.2级互感器城内运输费为160元/台。
八、客户内部继电保护整定等项目收费标准
九、带电作业。
附表:电力服务(涉电维护、检测等)收费项目及标准一、代管费序号项目1架空线代管费2电力电缆代管费箱式变压器变3压器配电变压器4配电站代管费单位规格元 / 百米、年10KV元 / 百米、年35KV元 / 百米、年110KV元 / 百米、年220KV元 / 百米、年10KV元 / 百米、年35KV元 / 百米、年110KV元/ 年、千伏安元/ 年、千伏安收费标准(元)备注360代管包括线路的620每月巡视一次、每880年特巡和夜巡两次,检查、补漆、980除锈等小型维修。
不包括登杆维修和树障清理。
2700代管包括线路的3800每月巡视一次、避雷器试验、电缆预防性试验。
不足4600100 米,接 100 米收费。
30代管包括线路的每月巡视六次、年油化试验、避雷器20试验、变压器油试验、进出线开调试等。
根据固有资产价代管包括每年检值、设备投运年修调试一次、特巡限、设备所处环两次,及 24 小时境情况按固有资事故抢修等。
产 2-4%计取5消障代管费二、电气试验1、变压器试验序号项目单位规格收费标准备注变压器容量≤800变压器试验包括500KV绝缘试验、电压1变压器预试元 / 台变压器容量≤1500比试验、线圈直800KVA流电阴试验、空变压器容量≤2000载试验等。
另:3200KVA特种变压器加收2变压器交接试验元 / 台变压器容量≤200050% ;有载调压500KV变压器加收变压器容量≤ 2700 20% ;三绕组电元 / 台力变压器乘以系800KVA变压器预试变压器容量≤ 3500数 1.2;单项电力( 35KV )元 / 台变压器组如配有6300KVA35)变压器容量≤5000备用相变压器乘变压器预试( 元 / 台以 1.2;若为三相6300KVA3变压器预试变压器容量≤ 6500干式变压器、整( 110KV ) 元 / 台流变压器乘以系31500KV A变压器预试 变压器容量≤ 9000数 0.8。
( 110KV )元 / 台31500KV A4变压器检查 元 / 次 120 5 变压器调档元 / 次4002、避雷器、电容器试验序号项目规格单位 收费标准(元)10KV (普通型) 元 /组 150 10 KV (氧化锌型) 元 /组 200 35 KV (普通型) 元 /组 40035 KV (氧化锌型)元 /组 800 1避雷器试验110 KV (普通型) 元 /组 800 110 KV (氧化锌型) 元 /组 1000 220 KV (普通型) 元 /组 1100 220 KV (氧化锌型)元 /组 1300 计数器元 /组 20 10KV (普通型) 元 /组 150 10 KV (氧化锌型) 元 /组 300 35 KV (普通型) 元 /组 60035 KV (氧化锌型)元 /组 1000 2避雷器交接试验110 KV (普通型) 元 /组 1100 110 KV (氧化锌型) 元 /组 1300 220 KV (普通型) 元 /组 1400 220 KV (氧化锌型)元 /组 1800 计数器 元 /组 3035KV元 /组 250 3耦合电容器试验110 KV 元 /组 400220 KV元 /组 900耦合电容器交接35KV 元 /组 500 4110 KV 元 /组 900 试验220 KV元 /组 20005静电电容器试验10KV 及以下元 /组 1800 35KV元 /组4200备注:电容器试验包括:绝缘电阻、介质损测量、并联电容器交流耐压试验、配合冲击合闸检查试验。
3、电缆试验序号项目单位规格收费标准(元)备注元 /组1KV以下800电力电缆试1电力电缆试验元 /组3-10KV1500验包括:绝缘元 /组35KV6500电阻、泄漏电元 /组110KV9000流、交流耐压元 /组3-10KV780等试验。
2电力电缆交接试验元 /组35KV5500元 /组110KV85003电力电缆参数试验元110KV11000 220KV170004架空线路参数试验元110KV7000 220KV100004、开关试验序号项目单位规格收费标准(元)备注1隔离开关试验元 / 组35KV以下700元 / 组220KV以下16002负荷开关试验元 / 组35KV以下1400按隔离开关试验的收元 / 组220KV以下3200费标准的 2 倍计收5、接地装置试验序号项目单位规格收费标准(元)备注1接地极元 / 根根1202接地网元 /系统(网)系统(网)28006、互感器试验序号项目规格单位收费标准(元)10KV元 /只2001互感器交换试验35 KV元 /只700 110 KV元 /只1500 220 KV元 /只200 10KV元 /只1002互感器预防性试验35 KV元 /只350 110 KV元 /只750 220 KV元 /只10007、母线试验序号项目规格单位收费标准(元)0.4KV元/每段2001母线交接试验10 KV元/每段50035 KV元/每段8000.4KV元/每段1002母线预防性试验10 KV元/每段25035 KV元/每段4508、消弧线圈试验序号项目规格单位收费标准(元)1消弧线圈交接试验消弧线圈元 /只680 2消弧线圈预防性试验消弧线圈元 /只440 9、核相(高压核相)序号项目规格收费标准备注(元)10KV元 /只500 1交接性试验核相35 KV元 /只800110 KV元 /只100010KV元 /只350 2预防性试验核相35 KV元 /只500110 KV元 /只700 10、高压电机试验序号项目规格收费标准备注(元)1高压电机交接试验10KV元 /只750 35 KV元 /只12002高压电机预防性试验10KV元 /只500 35 KV元 /只80011、互感器二次通电及特性试验、仪表、二次回路测绝缘序号项目单位收费标准(元)1互感器伏安性测试及二次通电试验元 /每回300 2仪表回路正确性检查及绝缘电阻测试、通电试验元 /每回150 3二次回路测绝缘电阻元 /每回50 12、继电器校验序号规格单位收费标准(元)1电流继电器校验元 /只40 2电压继电器校验元 /只80 3中间继电器校验元 /只30 4信号继电器校验元 /只50 5时间继电器校验元 /只50 6差动继电器校验元 /只300 7负序电压(电流)继电器校验元 /只240 8功率方向继电器校验元 /只300 9转子继电器校验元 /只22010反时限过电流继电器校验元 /只15011脉冲信号继电器校验元 /只24012重合闸继电器校验元 /只24013低周率继电器校验元 /只30014同期继电器校验元 /只30015瓦斯继电器校验元 /只320016电话继电器校验元 /只3017位置继电器校验元 /只3018绝缘监察继电器校验元 /只60019防跳继电器校验元/只500 13、继电保护二次回路正确性检查、绝缘试验、整组传动、定校序号规格单位收费标准110KV线路保护元 /每回650 210KV主变保护元 /每回1000 335KV线路保护元 /每回950 435KV主变保护元 /每回1400 535KV 中央信号保护元 /每回1000 610KV 、 35KV 备自投元 /每回800 7110KV 线路保护元 /每回2200 8110KV 主变保护元 /每回2600 9110KV 中央信号保护元 /每回3200 10110KV 备自投元 /每回2300 14、110KVGIS设备序号规格单位收费标准1交流耐压元 /每回路25000 2电压互感器元 /每台1620 3电流互感器元 /每台1620 4开关元 /每台1000 5回路电阻元 /全回路3000 15、微机保护以上保护的基数上乘以 2 系数;进口保护在以上保护的基数上乘以3 系数。
三、工程安全技术措施及安全用具试验序号项目单位规格收费标准(元)1工程安全技术措施费按工程总造价的 2%元 / 根10KV402令克棒安全试验元 / 根35 KV60元 / 根110 KV80元 / 根220 KV100元 / 根10KV403验电笔安全试验元 / 根35 KV60元 / 根110 KV80元 / 根220 KV1004绝缘鞋安全试验元 / 双30 5绝缘手套安全试验元 / 双30 6接地棒安全试验元 / 组607其他绝缘工具安全试验元 / 根110 KV80元 / 件220 KV100四、油样化验序号项目单位收费标准(元)1绝缘油样简化试验元 /瓶60 2绝缘油样耐压试验元 /瓶20 3绝缘油样色谱试验元 /瓶1204绝缘油样油介质损试验元 /瓶2405绝缘油样微水试验元 /瓶2406绝缘油样电阻率试验元 /瓶1207绝缘油样含气量试验元 /瓶1208绝缘油样界面张力试验元 /瓶1209绝缘油过滤元公斤2五、用户内部盘表检、校、修理序号项目单位规格收费标准(元)元 /次低压用户新装容量500KV A 以上800用户内部盘表元 /次低压用户新装容量500KV A 以下480 1检、校、修理元 /次10KV高压用户单电源800元 /次10KV高压用户双电源1600元 /次35KV 电压用户由双方协商六、 10KV 配电变压器修理(单位:元/次台)序收费容量( KV A)号项目5010020031540050063080010001600 1小修10401360160017602000240032003600520065602吊芯2160256032003520424053606400912011360 2000检修3一般4320560064807440888011440132001816022960 3200检修4现场33604000448052006000752088801280016000 2800大修说明: 1、小修指一般渗漏油处理:添加油;更换硅胶、置部分铜螺母、圈;外壳一般性清洗;预防性试验(含油简化)。
2、吊芯检修指芯体吊芯检查、缺陷处理及清洗;渗漏油处理;更换硅胶、配置部分铜螺母、垫圈、外壳一般性清洗;油过滤、添加油;吊芯前、后试验二次(含油简化);场内起吊、运输; 3、一般大修指芯体检查、检修及清洗;芯体干燥;更换所有密封垫及部分配件;换油;外壳清洗、检漏、油漆;检修前、后试验二次(含油简化)。
4、现场大修指芯体大修、缺陷处理及清洗;渗漏油处理;更换所有密封垫及部分配件;油过滤、添加油;检修前、后试验二次(含油简化)。
七、客户内部计量装置维护收费标准供电部门对客户内部、属客户资产的计量等装置开展有偿检验、维护和修理等服务。
序号项目名称收费标准备注1计量二次回路检查160 元 /单元每一套表为一单元210KV0.2 级互感器检查校验160 元/台310KV0.2 级互感器耐压试验80 元/台435KV0.2 级互感器检查试验240 元/台535KV0.2 级互感器修理120 元/台635KV0.2 级互感器耐压试验160 元/台710KV0.2 级互感器检查试验400 元/台810KV0.2 级互感器修理200 元/台910KV0.2 级互感器耐压试验240 元/台1010KV0.2 级互感器现场更换480 元/台1135KV0.2 级互感器现场更换800 元/台12220KV 电流互感器现场校验800 元/台13电压互感器检查校验按协议1、 10KV0.2级互感器城内运输费为64元/台。