技术质量部经理岗位说明书
- 格式:doc
- 大小:112.00 KB
- 文档页数:3
技术质量部岗位职责技术质量部经理全面管理本部门的工作,负责公司生产和开发中的技术、工艺及质量。
1.负责技术质量部管理工作,分配工作任务、检查和督促落实;2.负责公司全面的质量管理工作;3.制定并组织实施公司质量纲要,健全质量管理体系,制定和完善质量管理目标负责制,确保产品质量的稳定提高;4.负责公司自主开发产品的技术工作;5.解决或会商解决生产中的工艺及技术难题;6.负责对外技术支撑及质量控制;7.组织部门人员对生产中的工艺、技术创新及跟进;8.组织公司及本部门员工培训、学习,提高业务水平;9.完成公司上级领导交办的工作。
经理助理协助本部门经理负责公司生产中的工艺及质量。
1. 在质量部经理领导下,负责主持本部门的日常管理工作,组织并督促部门人员全面完成本部职责范围内的各项工作任务;2. 负责组织质量检验标准,质量管理制度的拟订、修改、检查、指导、协调、监督、控制及执行;3. 落实质量管理目标负责制,每月负责召开本部门技术质量工作会议并汇总记录记要;4. 负责组织编制季、月、周产品质量报告,组织实施公司质量纲要,负责产品质量提高与改进等工作;5. 负责对公司产品在生产过程中的质量进行实施、监督、检查、协调、考核,及时处理和解决各种质量纠纷;6. 发生质量异常时,负责组织质量人员与生产人员进行分析与改进;7. 负责指导及实施轻微的一般不合格品返工、返修工作;8. 负责换料材料的确认并签字;9. 负责组织建立和健全质量岗位责任制。
明确各岗位职责、权力和义务;10. 完成公司上级领导交办的工作。
质量主管协助本部门经理负责公司生产中的质量。
1. 督导生产部门质量体系的贯彻落实;2. 按QC工程图(计划)督导、检查生产中的质量工作并记录;3. 负责收集及统计每天各生产线(工位)的质量;4. 安排、检查QC、IQC、OQC、专检员的每天工作及临时工作;5. 负责根据OQC检验情况,完善生产过程中的专检准确性和完整性;6. 发生质量异常时,协助本部门经理助理进行分析与改进;7. 负责员工上岗前的考核及资格的认定;8. 协助经理助理换料材料的确认签字;9. 负责QC、IQC、OQC、专检员的培训考核与提高工作;10. 完成公司上级领导交办的工作。
生物技术质量部经理岗位职责目的:明确质量部经理职责范围和权限。
岗位名称:质量部经理直接上级:总经理下属岗位:化验室、质检员。
岗位本职:在总经理领导下,负责制定和完善公司质量保证体系及其运作,切实保证产品质量。
一、主要职责:1 负责审核物料、中间产品和成品的内控标准和检验操作规程,审核取样和留样管理程序,并监督执行。
2 审批各项质量标准、检验操作程序、批检验记录及化验室各项SOP。
3 负责对重要偏差报告进行审核和处理,决定物料和中间产品的使用,做到不合格原料不投料,不合格中间产品不流入下道工序。
4 审核成品发放前批生产、批检验记录,决定成品发放,对不合格成品出厂负责。
5 负责评价原料、中间产品及成品质量稳定性,为审批物料贮存期、有效期提供依据。
6 审定包装材料的设计与印刷。
7 督促化验室及时对物料、中间产品和成品按批准的取样规程,检验操作规程进行检验、留样。
8 负责同物料管理部对主要物料供应商质量体系进行质量评审。
9 负责制定化验室和质检员的职责。
10 指导评价化验室、质检员的工作。
11 审核不合格品物料的处理程序。
12 跟进、监督产品生产记录的记录工作,对已完成的生产记录进行审核,负责中试产品现场核查的接待工作。
13 负责协调、统筹公司相关部门接待相关监管部门。
14 完成公司安排的其它工作。
二、领导责任1 对公司质量管理体系正常运转负责。
2 对质量部所有人员的纪律行为、管理秩序负责。
3 对因管理不当造成的经济损失负直接责任。
4 对公司所有质量档案的收集、建立、保管负责。
5 对监管部门的现场审核、检查负主要责任。
6 对直接下级的纪律行为、工作程序、整体精神面貌负责。
三、权利:1 在质量管理上,有一票否决权。
2 有权对仓库、车间的质量业务进行指导。
3 有权拒绝不合格物料投产、不合格中间产品流入下道工序,不合格成品出厂。
4 有权对检验不及时,结果不准确的工作人员进行批评,或造成重大损失的人员提出处理意见。
质保部经理岗位说明书一、岗位概述质保部经理是在企业内部,负责质量保障领域的管理和技术支持方面工作的专业人员。
质保部经理需要通过制定和执行质量保障体系,确保产品和服务符合相关标准和法律法规,同时提高企业的质量水平,增强顾客信心和满意度。
质保部经理还需要带领团队成员进行质量管理,协调各个部门间的沟通与协同,确保企业向更高效率和更高品质转型。
二、岗位职责1.制定和实施质量保证程序——质保部经理需要对企业的质量体系和流程进行梳理,制定符合国家和公司标准的质量标准体系和流程,通过内部审核和外部审核确保体系和流程贯彻实施,达到有效的质量保障。
2.指导和带领质量团队——质保部经理需要指导和管理下属团队成员,确保工作的顺利进行,培养团队的实力和协作精神,以提高团队的业务技能和效率。
3.维护营销支持——质保部经理需要与市场部紧密合作,为产品销售做出有效的贡献,为客户提供优质的服务和产品,同时参与市场的调研和反馈,为营销策略进一步优化提供有价值的建议。
4.质量分析和改进——质保部经理需要对产品的质量状况和消费者反馈进行深入分析,发现和解决问题,进行流程改进,提高工作效率和服务品质。
5.跟踪和反馈——质保部经理需要跟踪各个部门的质量指标和流程,收集数据进行分析,正面引导MG总经理,并及时反馈问题。
三、岗位要求1.教育背景——本科及以上学历,机械、化学、材料工程或相关专业毕业;2.专业技能——掌握国家质量标准,熟悉相关行业法律法规;熟悉ISO9000、TS/16949等质量认证标准并能够引导公司的系统建设与日常运营管理工作;具有项目管理经验与能力。
3.工作经验——有相关领域三年以上工作经验,拥有办公自动化的使用和操作能力,熟练运用SPC、FMEA、8D、符号图等常用的品质工具,具有较强的沟通能力和团队协作精神。
4. 规范和严谨性——执行机制严密,工作认真细致,具有较好的分析思维,判断能力和问题解决能力。
5.其他——有较强的团队领导能力、危机处理能力和创新思维能力。
一、岗位职责1.部门经理1.1.适任条件1)熟悉国家及行业主管部门的有关法律、法规;2)各项工程的设计、会审与竣工验收工作3)熟悉具备钻井、轮机、机械设计以及电气相应知识,具备施工方案、工艺的编制审核能力;4)能够随时有效的处理项目中出现的技术问题,技术全面;5)具有满足工作需要的计算机能力。
1.2.职责1)负责质量技术部的全面工作,向主管经理报告工作.2)负责并组织中心各项工程的设计、会审与竣工验收工作;3)审核施工工艺操作规程、技术标准,监督在施工过程中对有关人员进行技术培训、技术指导和检查;4)负责工程质量的监督检查和验证工作;5)组织开展中心的质量体系文件评审及对中心合同中技术部分的评审工作;6)组织开展对不合格项目的控制,对质量问题的调查、分析和处理以及纠正和预防措施的检查落实;7)组织本单位新技术的推广及应用,加强对相关专业的员工的技术培训工作,不断提高员工的技术水平和素质,提升本单位的竞争实力.8)组织做好项目完工验收后的技术质量的反馈信息的收集工作。
9)组织承揽项目的技术支持工作。
10)组织参与重要项目的施工调研和技术准备工作.11)完成本单位领导交办的其他工作。
2.技术管理(机械)2.1.适任条件1)掌握机械制造、石油、钻井、等专业知识。
2)具有一定的设计、机械项目施工方案及施工工艺的编写审核能力;3)具有丰富的指导机械施工项目的能力;4)具有良好的协调管理和沟通能力,以及满足工作需要的计算机能力。
2.2.职责1)组织中心承揽维修项目的相关专业方面的技术工作,向组长报告工作;2)负责参与或安排承揽项目施工前的调研和各项准备工作.3)负责编写或组织承揽项目的施工方案、施工工艺、作业流程、技术规范、调试大纲、检验标准和生产作业计划。
4)全力配合经营主管做好或组织做好承揽项目的施工前的技术准备工作。
5)按照生产部要求指导承揽项目的现场施工,研究并解决生产中的技术问题,指导和协助质量检验员做好质量控制和管理工作,把好质量关,指导和协助安全员做好安全环保工作,把好安全关,指导和协助本单位有关岗位人员做好施工项目的工期控制工作及项目成本估算及预算的编制和审核工作。
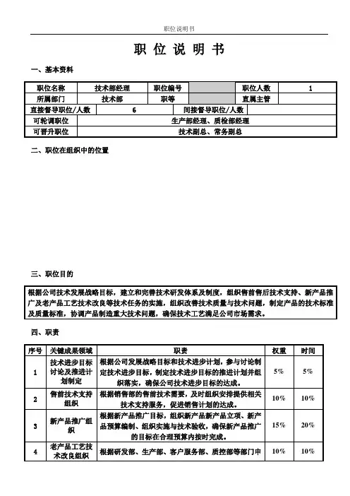
技术质量部经理岗位职责
技术质量部经理是企业中负责技术质量指导工作的一种管理职务,其主要职责包括以下几个方面:
一、技术标准制定与推广
1. 根据公司战略目标和市场需求,制定适合公司内部的技术性标准和规范,以确保产品的质量符合行业要求和用户需求;
2. 通过组织技术研讨会和工作坊等形式,推广先进的实践技术和方法,以提高公司整体技术水平和质量竞争力。
二、技术审核和提升
1. 对公司成果的研究、开发、生产等过程进行技术审核,以确保质量合规,并在必要时提出改进建议;
2. 针对技术方案或产品出现的技术性问题,及时组织技术人员进行研发,对原有技术方案进行升级,以提高产品品质。
三、品质管理
1. 制定企业品质管理方针、标准和流程,对产品相关的流程、活动和项目进行把关和监管,确保产品的质量;
2. 对公司内部的生产过程中出现的技术能力瓶颈进行提升,以缩短生产周期并减少回款时间,为公司的发展和利益服务。
四、问题解决和预防措施
1. 及时处理存在的技术性问题,并联合其他部门采取有效的措施,确保问题不会再次出现;
2. 技术质量经理还负责分析当前产品或服务的市场反应情况,预测可能发生的质量问题或产品缺陷,提前发现并预防。
五、技术人才培养
1. 对技术人员进行培训和教练,以提高企业整体技术人员的能力;
2. 通过创造良好的工作氛围和团队协作机制,激发员工的工作热情,提高员工的工作效率和质量。
以上是技术质量部经理的主要职责,他/她需要在企业的技术质量管理和控制方面发挥重要的作用,推进企业的发展和质量竞争力提高。
质量部经理岗位职责说明书本文旨在详细描述质量部经理的岗位职责和职责范围,以便确保团队成员对其职责有清晰的理解和明确的工作目标。
职位概述质量部经理是质量管理团队的核心成员,负责制定和执行质量管理政策、流程和策略,以确保产品和服务的质量符合相关标准和客户要求。
该岗位需要全面的质量管理知识、卓越的领导能力以及协调跨部门合作的能力。
职责详述1.质量管理策略制定与执行作为质量部经理,您需要制定适合组织的质量管理策略,并确保团队成员理解和遵守这些策略。
您需要定期评估策略的有效性,并根据市场和行业变化进行调整。
同时,您还需要制定质量目标和计划,并确保其与组织整体目标一致。
2.质量体系建设与管理您将负责建设和管理质量体系,确保所有质量管理活动符合相关质量标准和法规要求。
您需要制定和更新质量手册、程序文件,并确保其适用于整个组织。
您还需要组织内外审计,监督和改进质量管理体系,以确保其高效性和持续改进。
3.质量培训与教育作为质量部经理,您需要制定培训与教育计划,以提升组织成员的质量意识和技能水平。
您将组织和实施内部培训,确保员工了解和理解质量管理体系和质量目标。
您还将组织外部培训,以确保团队成员了解最新的质量管理技术和趋势。
4.质量数据分析与报告您将负责收集和分析质量数据,并根据数据结果制定相关报告。
您需要监控质量指标和关键绩效指标,及时发现和解决质量问题。
您还将向高层管理层汇报质量情况,并提出改进建议,以确保质量目标的实现。
5.供应商质量管理作为质量部经理,您将与供应商建立和维护良好的合作关系,以确保供应链质量的稳定性。
您需要评估和选择供应商,并与其协商质量要求和标准。
您还将监督供应商的质量绩效,并对供应商进行评估和认证。
6.质量问题解决与客户投诉处理您将负责组织和协调质量问题的解决工作,包括非合格品的处置、质量事故的调查等。
您还将处理客户的投诉,并与相关部门合作解决问题,以确保客户满意度和组织声誉。
7.团队管理与发展作为质量部经理,您将领导质量管理团队,指导和协调团队成员的工作。
技术部经理岗位职责1.在总经理的领导下,对本公司的技术管理工作全面负责,并负责对计划、质量、安全等方面的管理。
2.贯彻执行国家技术政策、法令、规范、规程及各级管理标准条例。
3.参加工程的设计交流、图纸会审。
参加编制本工程的施工组织设计、施工方案、特殊分部分项工程的作业设计,参加编制进度计划、作业计划。
负责向项目管理人员进行技术交底。
4.制定质量、安全技术措施,督促和指导管理人员、施工人员认真执行施工组织设计,作业设计及各类技术措施、计划。
帮助总经理做好施工生产文明施工管理。
5.负责管理工程的计算、试验和测量工作。
6.深入施工现场,及时发现和解决施工中存在的问题,有权制止施工生产、技术、质量、安全方面的一切违章行为,并提出处理意见交经理认可后执行。
配合经理对项目的管理人员、施工人员进行考核。
7.负责技术资料管理,督促施工管理人员及时、正确地记好施工日志,并办理施工技术文件,负责审核施工档案资料,绘制施工图,组织整理竣工档案资料归档手续。
8.参加和组织质量、安全工作的项目自检、事故调查和处理及办理。
9.完成上级领导交代的其他相关任务。
技术部经理岗位职责(2)技术部经理是企业中负责技术部门的管理者,他们的主要职责是推动技术部门的运转和发展,确保技术团队能够顺利地完成项目并提供高质量的技术支持。
下面是技术部经理的一些主要职责:1.技术规划和战略制定:技术部经理需要与高层领导合作,确定技术部门的长远发展目标和战略计划。
他们需要了解企业的业务需求和行业趋势,制定相应的技术规划,确保技术部门能够满足业务发展的需要。
2.团队管理和人员发展:技术部经理负责管理技术团队的日常工作,包括任务分配、目标设定、绩效评估等。
他们需要为团队成员搭建一个良好的工作环境,培养团队合作精神和技术能力,激励团队成员不断学习和提高。
3.项目管理:技术部经理需要协调并监督技术团队的项目开发和实施工作。
他们需要与其他部门的领导和客户沟通,确定项目范围和需求,并制定相应的项目计划和时间表。
质量部经理岗位工作说明书第一部分岗位规格说明书一、基本资料岗位名称:质量部经理所属部门:质量部岗位编号: 直接上级:生产副总经理直接下级:分析日期:2015-09—28岗位简述:完善公司的质量管理体系和制度建设,监督各部门严格按照质量管理规定的要求进行生产经营,对生产及生产记录进行指导,负责本部门日常工作事务和费用控制。
二、岗位职责(一)工作责任1.依据公司发展目标制定本部门具体工作计划,报请总经理审批并施行;2。
负责组织生产全过程的质量监督、质量检验工作;3. 负责组织质量事故的调查处理,督促整改措施的落实;4。
负责组织对主要物料供应商质量体系进行评估;5。
负责组织产品质量分析活动;6。
负责物料、成品的放行批准;7. 负责收回产品、退回产品、不合格品处理意见的批准;8。
负责组织对产品稳定性的评价工作;9。
负责组织质量管理文件的制定、修订、审核工作及相关质量文件的审核工作,报请总经理批准并施行;10. 负责定期组织实施公司质量体系自检计划,将检查结果及时报告总经理,对自检整改情况进行检查;11。
负责公司验证管理工作,并组织实施本部门的验证工作;12。
负责本部门员工的管理、培训;13. 负责制定本部门各岗位的绩效考核细则,报请总经理审批并施行;14。
负责组织本部门的质量及专业知识培训计划的制定、实施;15。
负责公司年度培训计划的审核,对培训计划执行情况进行监督;16。
负责公司各项管理制度在本部门的贯彻落实;17. 负责本部门费用计划与控制;18. 负责本部门的日常管理工作;19. 完成领导安排的其他工作(二)工作内容:1、在分管副总经理领导下,负责主持本部的全面工作,组织并督促部门人员全面完成本部职责范围内的各项工作任务。
2、贯彻落实本部岗位责任制和工作标准,密切与市场、技术、财务、生产等部门的工作联系,加强与有关部门的协作配合工作;3、负责组织生产部管理制度的拟订、修改、检查、监督、控制及实施执行;4、负责组织编制年、季、月度工作计划。
技术质量部项目副经理岗位安全职责
一、按照“管理业务必须管安全”原则,对职责范围内的安全工作负责;组织或参加编制施工组织设计,编制、审核施工方案,对危险性较大的分部、分项工程组织方案论证会,并对落实情况进行监督。
二、负责安全技术规程、规范、标准的有效执行。
结合施工特点,组织项目施工安全技术交底,并对落实情况进行监督。
三、推广使用新技术、新工艺、新材料、新设备时,主持或参加编制安全技术操作规程和对作业人员的安全技能培训。
四、组织安全防护设施和设备的验收。
五、参加安全生产检查,负责对施工中存在的不安全因素,从技术方面提出整改意见和办法,并予以消除。
六、按照“谁主管、谁负责”和安全生产“五同时”原则对分管部门和施工区域的安全生产工作负责。
七、在保证安全的前提下组织指挥生产,发现违反安全生产制度和安全技术规程者,应及时制止,并通知有关人员共同处理。
八、生产中出现不安全因素、险情和事故时,要果断正确处理,防止事态扩大,并通知有关部门共同处理。
九、参加施工项目危险源辨识工作,落实纠正与预防措施和应急救援预案中各项要求,并对实施情况进行自查。
十、履行国家安全生产法律法规规定的其它义务和责任。