土方回填施工检查记录文本
- 格式:doc
- 大小:102.50 KB
- 文档页数:6
引言概述:挡土墙回填土是挡土墙施工中的一个重要环节,对于挡土墙的稳定性和承载能力有着重要的影响。
为了确保挡土墙回填土的质量符合相关要求,需要进行质量检验记录。
本文是挡土墙回填土检验批质量检验记录的第二部分,旨在详细记录挡土墙回填土的质量检验过程和结果。
正文内容:一、回填土的材料要求1.回填土的原材料应符合相关标准和规定,包括土壤类型、颗粒分布、含水率等指标。
要求回填土的粒径符合设计要求,不得出现大块状物质。
2.挖掘回填土的场地应符合环境要求,应排除任何混入杂质的可能。
二、回填土的施工要求1.回填土的垂直度应符合设计要求,避免出现明显的高低差,防止因不均匀沉降导致挡土墙偏倾。
2.回填土的压实性能要求适当,需要根据挡土墙的高度和土质特性进行合理的压实控制。
确保回填土具有足够的稳定性和承载能力。
三、回填土的质量检验1.抽取样品进行实验室测试,包括土颗粒的含量、含水率、压实度等指标。
测试结果应符合设计要求。
2.根据工程需要,对回填土进行现场检测。
包括密实度、坍落度、承载能力等指标的测试,以确保回填土的实际质量满足设计要求。
四、回填土的质量检验记录1.检验记录应详细记录每一次回填土的检验情况,包括日期、检验项目、检验方法、检验结果等内容。
2.检验记录中应注明实际测试数值与设计要求之间的差异,并进行评价和分析。
3.检验记录应签字确认,并保存至项目档案中,以备查验。
五、回填土质量不合格的处理1.若回填土质量不符合设计要求,应及时通知工程负责人,采取相应的措施进行整改。
2.若整改后再次检验仍不符合要求,应重新选择回填土材料进行施工。
3.合格的回填土应及时进行覆盖和保护,以免受到外界环境的污染和损坏。
总结:挡土墙回填土检验批质量检验记录是确保挡土墙工程质量的重要措施。
本文详细阐述了回填土的材料要求、施工要求、质量检验和质量检验记录,提供了对挡土墙回填土质量的全面控制和监督。
通过合理的检验和记录,能够及时发现和解决回填土质量问题,确保挡土墙具有良好的稳定性和承载能力,为工程的安全运行提供保障。
土方回填监理旁站记录范本
土方回填监理旁站记录范本
时间:XXXX年XX月XX日
位置:XX施工现场
监理人员:XXX
施工单位:XXX有限公司
土方回填工程进度:土方回填完成度达到XX%
1. 工作内容
本次旁站主要是对土方回填工程进行监督和检查,包括填方土调查、填方土判定、土方回填施工质量等方面。
2. 工作人员
本次旁站的主要工作人员为监理人员XXX,施工方代表XXX和土方回
填质量检查人员XXX。
3. 填方土调查
在本次旁站期间,监理人员对填方土进行了调查,测量了其含水率和密度等参数,并与设计要求进行比对,发现填方土整体达到了设计要求,并没有出现异常情况。
4. 填方土判定
监理人员对填方土进行了判定,发现填方土合格率达到了100%。
土方回填的压实度也达到了设计要求,未出现明显变形或开裂等情况。
5. 土方回填施工质量
本次旁站还对土方回填的施工质量进行了检查,发现施工方按照设计要求进行了施工,细节处理得到了较好的把控。
其中涉及到的边坡护面、排水系统、道路平整度等均符合相关要求。
6. 其他问题
无
7. 总结
本次旁站监理人员对土方回填施工进行了全面的检查和监督,验收工作得到了圆满完成。
同时监理人员还就土方回填工程中存在的问题进行了及时反馈和建议,为施工单位提供了更好的指导意见。
土方回填强制性条文执行检查记录表1. 背景土方回填是指在土地开发或者建设工程中,将原土地上挖掘出来的土方重新填回挖掘坑中,用于平整地表或者填充地基的一种施工方式。
为了确保土方回填工作符合相应的法律法规和标准,执行检查记录表被制定并执行。
2. 目的本记录表的目的是为了记录土方回填工作的执行情况,确保土方回填工作符合相关法规和标准,确保工程质量和环境安全,方便监理或检查人员进行审核和整改。
3. 执行检查记录表执行检查记录表按照土方回填工作的重要环节分为多个部分,以下是一个示例:3.1 回填物料的选择和储存序号检查事项是否符合要求备注1回填土种类选择是否符合要求是/否2回填土质量是否符合要求是/否3回填土储存是否安全是/否3.2 回填作业现场管理序号检查事项是否符合要求备注1施工现场是否有明确标识是/否2施工现场是否有安全警示标志是/否3施工现场是否符合环境保护要求是/否3.3 回填作业操作要求序号检查事项是否符合要求备注1回填作业人员是否持证上岗是/否2回填作业是否按照操作要求进行是/否3回填作业是否与其他工序协调配合是/否3.4 回填质量检验序号检查事项是否符合要求备注1回填土密实度是否合格是/否2回填土压实度是否合格是/否3回填土含水率是否合格是/否4. 结论在执行检查过程中,如果发现问题或不符合要求的地方,请立即做出整改和改进,并及时记录在备注栏中。
监理或检查人员应根据记录表的情况,对整改措施进行跟踪和监督,确保问题得以解决,并提高土方回填工作的质量和安全性。
以上就是土方回填强制性条文执行检查记录表的示例。
该记录表对土方回填工作的关键环节进行了全面的检查,能够有效地帮助监理或检查人员进行审核和整改。
为了保证工程质量和环境安全,执行检查记录表的使用是非常重要的。
土方回填施工检查记录日期:XXXX年XX月XX日施工单位:XXX建筑工程有限公司项目名称:XXX工程施工地点:XXX地区检查人员:XXX一、检查目的本次检查的目的是对土方回填施工进行全面检查,以确保施工过程符合相关规范要求,确保回填土质量达到设计要求,并及时发现和解决存在的问题,确保施工质量。
二、检查内容1.施工过程是否符合设计要求,是否使用规范的施工工艺和设备。
2.施工现场是否存在不良现象,如违规行为、危险品乱放等。
3.回填土质量是否达到设计要求,是否存在杂物混入的情况。
4.施工过程中是否按照规定进行记录和报验。
三、检查结果根据本次检查的情况,总结如下:1.施工过程:施工单位在土方回填过程中采用了规范的施工工艺和设备,没有出现违规行为。
施工人员严格按照设计要求进行施工,工作效率高,施工质量可靠。
2.现场情况:施工现场整洁有序,危险品得到妥善存放和处理,没有出现人员和财产安全事故的情况。
施工单位对施工现场进行了有效的管控。
3.土方质量:回填土质量达到设计要求,土壤稳定性良好。
经现场抽查,未发现明显的杂物混入情况。
4.记录和报验:施工单位认真记录施工过程中的关键数据,并及时上报给质检部门进行验收。
四、存在问题和建议1.检查过程中未发现明显的问题,但为了进一步确保施工质量,建议施工单位在施工完成后对回填土进行抽样检测,以确保土质量达到要求。
2.施工单位应加强对施工人员的培训,提高他们的安全意识和质量意识,以防止发生安全事故和施工质量不合格的情况。
3.施工单位在施工过程中应规范记录和报验工作,确保数据的准确性和及时性。
五、后续措施根据本次检查的情况,施工单位应采取以下措施:1.对施工人员进行培训,提高他们的安全意识和质量意识。
2.加强对施工现场的管理,确保施工过程的安全和质量。
3.对回填土进行抽样检测,确保土质量达到要求。
4.规范记录和报验工作,确保数据的准确性和及时性。
施工现场检查记录检查日期: [填写检查日期]检查人员: [填写检查人员姓名]检查现场信息- 工程名称: [填写工程名称]- 工程地点: [填写工程地点]- 工程负责人: [填写工程负责人姓名]- 施工单位: [填写施工单位名称]- 检查目的: [填写检查目的,例如安全检查、质量检查等]检查内容1. 安全检查:- 确保施工现场周边安全措施是否到位,如围挡、警示牌等;- 检查施工人员是否佩戴个人防护用品,如安全帽、安全鞋等;- 检查高处作业是否采取必要的安全措施,如安全网、安全带等;- 检查施工现场是否存在明火、易燃物品等安全隐患。
2. 质量检查:- 检查施工现场的施工质量是否符合相关标准和规范;- 检查施工过程中使用的材料是否符合质量要求;- 检查施工过程中的施工工艺是否正确执行;- 检查施工现场是否存在质量缺陷和整改情况。
检查结果和整改意见1. 安全检查结果:- [填写安全检查结果,如安全问题、安全隐患等]- [提出必要的整改意见]2. 质量检查结果:- [填写质量检查结果,如质量问题、质量缺陷等]- [提出必要的整改意见]检查结论根据本次检查结果,施工现场存在一些安全和质量方面的问题,需要施工单位及时进行整改。
施工单位应按照整改意见进行整改,并在整改完成后通知检查人员进行复查。
复查日期: [填写复查日期]复查人员: [填写复查人员姓名]复查结果根据复查结果,施工现场的安全和质量问题已得到有效整改,并符合相关要求。
工程可以继续进行施工。
---以上是本次施工现场检查记录,请相关人员认真落实整改要求,确保施工现场的安全和质量。
XXX回填施工检查记录
本文是一份土方回填施工检查记录,记录了XXX餐厅的
填料设计要求、实际情况以及试验结果等信息。
根据设计要求,填料分层铺设厚度为30cm,需要进行2
遍碾压,覆盖全轴线,边坡坡度无要求。
本次检查的部位为粉土回填土第一层。
施工单位为XXX,使用机械进行施工,填料标高为-1.2m。
在实际情况方面,分层施工上下层搭接长度符合要求,使用蛙式打夯机进行碾压,填筑情况良好。
现场试验结果显示,试验点数为2,最大干密度和压实系数均达到设计值,最优含水量为%。
表面平整度良好,含水量实测值为%。
检查的结论为合格。
此外,本文还记录了回填土第二层和第三层的施工情况和试验结果,均符合设计要求并通过检查。
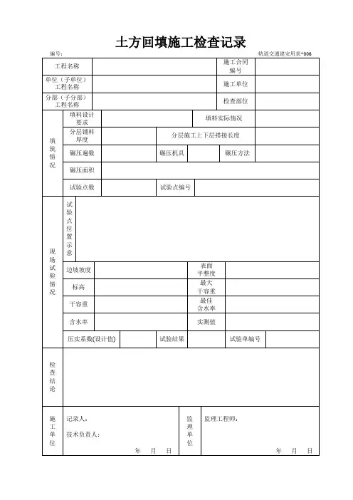
XXX回填施工检查记录
工程名称:XXX餐厅
填料设计要求:分层铺料厚度30cm,碾压遍数2,全轴线无边坡坡度
检查部位:粉土回填土第四层
施工单位:XXX
填料实际情况:采用机械将粉土回填至标高-1.2m
分层施工上下层搭接长度符合设计要求
采用蛙式打夯机和碾压机具进行碾压,填筑情况良好
表面平整度现场试验情况:试验点位于示意图中,共2个试验点
最大干密度和压实系数(设计值)符合要求,最优含水量为(%)
试验结果表明,表面平整度和含水量实测值(%)符合设计要求
试验单编号检查:无异常情况
结论:该部位的土方回填施工符合设计要求
监理工程师(建设单位代表):年月日
施工记录人:年月日
监理(建设单位设)单位:。
沟槽土方回填旁站记录范文工程名称:[具体工程名称]日期:[年/月/日]天气:[天气状况]一、工程基本情况。
今天旁站的是沟槽土方回填施工。
这个沟槽是为了铺设[管道类型或者其他设施用途]而挖的,沟槽长度大概有[X]米,宽度在[具体宽度]左右,深度差不多[深度数值]米。
二、施工情况。
1. 回填材料。
一大早就看到运来了好多回填土,这些土看起来还挺干净的,没有什么大石头或者垃圾啥的。
施工负责人说这土是从专门的取土点拉来的,经过了检验,符合回填的要求。
我还特地抓起一把土看了看,手感还不错,湿度也比较合适,不是那种湿哒哒的泥巴,也不是干得一捏就散的土。
2. 回填机械和人员。
现场有一台小型挖掘机在作业,那家伙就像个大力士一样,一铲子下去就能挖起不少土。
不过操作这挖掘机的师傅可不含糊,动作熟练得很,每次都能准确地把土放到沟槽里合适的位置。
除了挖掘机师傅,还有几个工人拿着铁锹在旁边帮忙,把挖掘机没放好的土给整平整。
这些工人也挺辛苦的,大太阳底下(如果是晴天的话)一直忙活着,身上的衣服都被汗水湿透了。
3. 回填过程。
那个打夯机可有意思了,“突突突”地响着,就像一个跳动的小精灵,在土面上一上一下地跳动着,把土打得特别紧实。
我看到工人师傅操作打夯机的时候特别认真,每个角落都不放过,就像给土地做按摩一样,把每一寸土都照顾得妥妥当当的。
三、质量情况。
1. 土料质量。
前面说过土料看起来比较干净,在回填过程中我也一直观察着,没有发现土料里夹杂着树枝、塑料袋之类的杂物。
而且土料的含水量感觉很适中,没有出现过干或者过湿导致无法压实的情况。
2. 回填厚度和压实度。
关于回填厚度,施工人员测量得很勤快,我也抽检了几次,基本上都在规定的[X]厘米误差范围内。
压实度方面,虽然不能直接看出来,但是从打夯机工作的时候,土面的下沉情况以及压实后的坚实程度来看,感觉压实得还不错。
施工单位也说他们会按照规范要求进行压实度检测,等检测结果出来了就知道具体情况了。
土方回填工程隐蔽验收记录编号:钢筋工程隐蔽验收记录编号:混凝土工程隐蔽验收记录编号:砌体工程隐蔽验收记录编号:防水工程隐蔽验收记录编号:吊顶工程隐蔽验收记录编号:门窗工程隐蔽验收记录编号:给水与排水工程隐蔽验收记录编号:电气工程隐蔽验收记录编号:地基基础分部工程质量验收记录编号:地基基础分部工程质量安全和功能检验资料核查及主要功能抽查记录地基基础分部工程观感质量检查验收记录子分部工程质量验收记录分项工程质量验收记录基础砌体检验批划分报验记录土方开挖工程检验批质量验收记录GB50202—2002 YN010101□□土方回填工程检验批质量验收记录GB50202-2002YN010102□□混凝土灌注桩(钢筋笼)检验批质量验收记录GB50202-2002(Ⅰ) YN010405□□混凝土灌注桩检验批质量验收记录水泥砂浆防水层工程检验批质量验收记录GB50208-2002 YN010502□□卷材防水层工程检验批质量验收记录GB50208—2002 YN010503□□涂料防水工程检验批质量验收记录GB50208—2002 YN010504□主体结构分部工程质量验收记录主体结构分部工程质量控制资料核查记录主体结构分部工程质量安全和功能检验资料核查及主要功能抽查记录主体结构分部工程观感质量检查验收记录子分部工程质量验收记录钢筋安装检验批划分报验记录模板安装工程检验批质量验收记录GB50204-2002(Ⅰ) YN010601□□ YN020101□□模板拆除工程检验批质量验收记录GB50204—2002钢筋加工工程检验批质量验收记录GB50204—2002钢筋安装工程检验批质量验收记录GB50204-2002混凝土原材料及配合比检验批质量验收记录GB50204-2002混凝土施工检验批质量验收记录GB50204—2002现浇混凝土结构外观尺寸偏差检验批质量验收记录GB50204-2002砖砌体(混水)工程检验批质量验收记录GB50203-2002填充墙砌体工程检验批质量验收记录GB50203-2002建筑装饰装修分部工程质量控制资料核查记录建筑装饰装修分部工程质量安全和功能检验资料核查及主要功能抽查记录建筑装饰装修分部工程观感质量检查验收记录一般抹灰检验批划分报验记录一般抹灰工程检验批质量验收记录GB50210—2001 YN030201□□装饰抹灰工程检验批质量验收记录GB50203—2001 (Ⅰ) YN030301□□金属门窗(钢门窗)安装工程检验批质量验收记录金属门窗(铝合金门窗)安装工程检验批质量验收记录金属门窗(涂色镀锌钢板门窗)安装工程检验批质量验收记录。
土方工程施工验收记录模板项目名称:XX土方工程施工验收记录验收单位:XX公司验收时间:XXXX年XX月XX日一、项目概况1. 项目基本情况项目名称:XX土方工程项目地址:XX市XX区XX路XX号工程规模:XX平方米工程内容:XX土方施工二、施工单位1. 施工单位信息施工单位名称:XX施工公司施工单位负责人:XX联系电话:XXX-XXXXXXXXX施工单位施工资质证书号:XXXXXXX三、工程质量验收1. 施工方案审核验收人员查阅了施工单位提交的施工方案,确认其符合相关规范要求。
2. 施工资料、设备验收验收人员查看了施工单位提供的施工资料和设备,确认其数量和质量完好。
3. 施工过程监督验收人员对施工过程进行了监督,确认施工单位符合工程质量管理要求。
4. 施工工艺验收验收人员查阅了施工单位施工工艺文件,确认其符合规范要求。
5. 施工质量验收验收人员对施工现场进行了实地查看,并对土方工程完成质量进行了评估,确认符合验收标准。
6. 施工安全验收验收人员对施工现场安全措施进行了检查,确认施工过程中没有发生安全事故。
四、验收结果1. 本次施工验收结果为合格。
五、验收意见1. 建议施工单位在未来施工过程中加强质量管理,确保施工质量。
六、验收记录1. 验收人员签字:______________2. 验收日期:XXXX年XX月XX日以上为本次土方工程施工验收记录,特此确认。
验收单位:XX公司签字:______________ 日期:XXXX年XX月XX日施工单位:XX施工公司签字:______________ 日期:XXXX年XX月XX日注:本验收记录为有效文档,如有争议,以验收结果为准。
土方回填施工检查记录1土方回填施工检查记录1一、施工单位:________二、工程名称:________三、施工地点:________四、施工日期:________检查对象:检查内容:检查结果:处理意见:五、检查员:_______单位:_______六、施工单位措施情况1.施工单位是否按照设计要求进行回填施工?-是:_______-否:_______如果是,请继续填写以下内容;如果否,请填写处理意见部分。
-压缩土:_______-膨胀土:_______-填方土:_______-其他:_______3.是否按照要求进行分层回填?-是:_______-否:_______如果是,请填写以下内容;如果否,请填写处理意见部分。
4.每层回填土方的厚度和密实度是否符合要求?- 厚度:_______(cm)-密实度:_______(%)如果符合,请说明具体数值;如果不符合,请填写处理意见部分。
5.是否对每层回填土方进行湿润处理?-是:_______-否:_______如果是,请填写以下内容;如果否,请填写处理意见部分。
6.是否按照要求进行振动加固处理?-是:_______-否:_______如果是,请填写以下内容;如果否,请填写处理意见部分。
7.振动加固处理的方式和时间是否符合要求?-时间:_______如果符合,请说明具体方式和时间;如果不符合,请填写处理意见部分。
八、处理意见:1.填方土方不符合设计要求,建议施工单位重新选择填方土方,并进行合适的处理措施。
2.回填土方厚度未达到要求,建议施工单位增加回填土方的厚度,并重新进行密实工作。
3.湿润处理未进行,建议施工单位对回填土方进行适当的湿润处理,以提高土方的密实度。
4.振动加固处理方式和时间不符合要求,建议施工单位根据设计要求进行适当的振动加固处理。
九、检查结果:1.检查结果:-合格:_______-不合格:_______2.不合格原因:_______十、施工单位的整改情况:1.施工单位是否进行了整改?-否:_______2.整改情况说明:_______十一、建设单位意见:建设单位检查意见:_______十二、备注:。
注:1.本表由施工项目专业质量检查员填写,监理工程师(建设单位项目技术负责人)组织项目专业质量(技术)负责人进行验收。
2.记录中定量项目填写数据,定性项目“符合规范要求”用√标注,结果和结论栏由本人签字。
注:1.本表由施工项目专业质量检查员填写,监理工程师(建设单位项目技术负责人)组织项目专业质量(技术)负责人进行验收。
2.记录中定量项目填写数据,定性项目“符合规范要求”用√标注,结果和结论栏由本人签字。
注:1.本表由施工项目专业质量检查员填写,监理工程师(建设单位项目技术负责人)组织项目专业质量(技术)负责人进行验收。
2.记录中定量项目填写数据,定性项目“符合规范要求”用√标注,结果和结论栏由本人签字。
注:1.本表由施工项目专业质量检查员填写,监理工程师(建设单位项目技术负责人)组织项目专业质量(技术)负责人进行验收。
2.记录中定量项目填写数据,定性项目“符合规范要求”用√标注,结果和结论栏由本人签字。