隐蔽工程检查记录(沟槽回填)
- 格式:doc
- 大小:80.50 KB
- 文档页数:6
A15 编号:
隐蔽工程验收记录
新桥街道国鼎路北段拓宽及保障性安
工程名称 居(G-14、G-15)工程一 分部(子分部)工程名称
给水工程
附属绿化工程
建设单位温州市新桥新农村建设投资有限公司 分项工程名称 管道基础
施工单位
中国建筑第七工程局有限公司
检验批名称 DN65(消防)给水管管道基础
注:本页无法绘图,必须另加附图。
A15
编号:
隐蔽工程验收记录
规格、尺寸 断面如图所示
型号、数量
轴线
高程
厚度
隐检内容: 1、轴线 2、高程 隐蔽简图:
o'
示.
下 7
900 /
给水管道基础断面图
以上项目已经我单位自检合格。
请建设、监理单位于 年 月 日前来我现场检查核验。
检 查 □同意隐蔽
验 质量问题:
收 意
见 □不同意,整改后重新报验
参 加 检 查 人 员 签 字
监理工程师:
(建设单位项目技术负责人)
施工单位项目专业质量检查员:
检 查 内 容
说 明 或 简 图
中砂回填
A15编号:
隐蔽工程验收记录。
隐蔽工程检查验收记录
质检表4年月日
隐蔽工程检查验收记录
质检表4年月日
隐蔽工程检查验收记录
质检表4年月日
隐蔽工程检查验收记录
质检表4
隐蔽工程检查验收记录
质检表4年月日
隐蔽工程检查验收记录
质检表4年月日
隐蔽工程检查验收记录
质检表4
隐蔽工程检查验收记录
质检表4年月日
隐蔽工程检查验收记录
质检表4
年月日
隐蔽工程检查验收记录
质检表4
隐蔽工程检查验收记录
质检表4年月日
隐蔽工程检查验收记录
质检表4年月日。
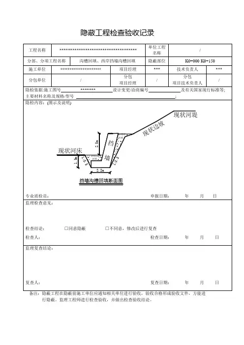
隐蔽工程检查验收记录编号:001工程名称庐山东路道路改造工程附属工程(污水管道)施工单位九江市公交集团建筑安装工程公司隐检项目污水管道回填隐检范围K0+600~K0+670污水管隐检内容及检查情况1.回填沙符合设计要求;2.沟槽无带水回填;3.回填高度达到设计高程,表面平整;4.回填时管道及附属构造物无损伤、沉降、位移现象。
施工单位验收意见符合设计及规范要求质检员:年月日监理单位验收意见监理工程师:年月日隐蔽工程检查验收记录编号:工程名称庐山东路道路改造工程附属工程(污水管道)施工单位九江市公交集团建筑安装工程公司隐检项目污水管道回填隐检范围K0+670~K0+815污水管隐检内容及1.回填沙符合设计要求;隐蔽工程检查验收记录编号:隐检内容及检查情况1.回填沙符合设计要求;2.沟槽无带水回填;3.回填高度达到设计高程,表面平整;4.回填时管道及附属构造物无损伤、沉降、位移现象。
施工单位验收意见符合设计及规范要求质检员:年月日监理单位验收意见监理工程师:年月日隐蔽工程检查验收记录编号:工程名称庐山东路道路改造工程附属工程(污水管道)施工单位九江市公交集团建筑安装工程公司隐检项目污水管道回填隐检范围K0+970~K1+105污水管隐检内容及检查情况1.回填沙符合设计要求;2.沟槽无带水回填;3.回填高度达到设计高程,表面平整;隐蔽工程检查验收记录编号:隐检内容及检查情况1.回填沙符合设计要求;2.沟槽无带水回填;3.回填高度达到设计高程,表面平整;4.回填时管道及附属构造物无损伤、沉降、位移现象。
施工单位验收意见符合设计及规范要求质检员:年月日监理单位验收意见监理工程师:年月日隐蔽工程检查验收记录编号:工程名称庐山东路道路改造工程附属工程(污水管道)施工单位九江市公交集团建筑安装工程公司隐检项目污水管道回填隐检范围K1+255~K1+400污水管隐检内容及检查情况1.回填沙符合设计要求;2.沟槽无带水回填;3.回填高度达到设计高程,表面平整;隐蔽工程检查验收记录编号:隐检内容及检查情况1.回填沙符合设计要求;2.沟槽无带水回填;3.回填高度达到设计高程,表面平整;4.回填时管道及附属构造物无损伤、沉降、位移现象。
怎样填写隐蔽工程检查记录隐蔽工程是指在施工过程中上道工序被下道工序所掩盖,无法再次进行其自身的质量检查的部位。
对隐蔽工程进行检查,并通过表格的形式将工程隐蔽检查项目的隐蔽内容、质量情况、检查意见、复查意见等记录下来,形成隐蔽工程检查记录,作为以后各项建筑安装工程合理利用、维护、改造、扩建等重要的技术资料。
隐蔽工程不可以逆向作业,隐蔽工程被后续工序隐蔽后,其施工质量很难检验及认定,如果不认真做好隐蔽工程的验收检查,就容易给工程留下隐患,为了做好隐蔽工程的检查,保证前后工序顺利进行,凡未经隐蔽工程检查或检查不合格的工程,不得进行下道工序的施工,隐蔽工程检查记录要做到内容简练、明了,数据准确、可靠,隐蔽工程检查的程序明确。
隐蔽工程检查程序隐蔽工程施工完成后,由现场专业工程师进行自检,填写自检记录,自检合格报专职质检工程师进行检查,专职质检工程师检查合格填写隐蔽工程检查记录表,由项目技术负责人组织,监理工程师及有关分包单位、企业内的质量检查员、施工员参加验收.监理工程师验收提出整改要求,整改后需复验的必须通知监理工程师复验。
地基基础和结构分部所含分项工程及重大或特殊部位还要邀请有关设计人员、质量监督人员、企业技术负责人、专业技术负责人共同参加验收。
自检不合格不得报验.监理工程师验收不合格不得进行下一道工序施工。
未经监理工程师验收不得进行下一道工序施工。
若检查存在问题,则在验收结论中给予明示。
对存在的问题,必须按处理意见进行处理。
隐蔽工程检查的依据资料:(1)施工图纸、设计说明;(2)图纸会审记录、设计变更材料;(3)施工及验收规范、质量检验评定标准以及有关设计施工规程;(4)材料、构件、设备出厂合格证、检验报告或材料复试报告;(5)有关分项工程质量验收记录。
隐蔽工程具体包括:建筑地基基础工程一、土方工程:基槽、房心回填前检查基底清理、基底标高、基底处理情况等。
二、排桩墙支护工程三、水泥土桩墙支护工程四、锚杆及土钉墙支护工程五、钢或混凝土支撑系统六、地下连续墙工程七、沉井(箱)八、降水与排水九、灰土地基工程十、土工合成材料地基十一、粉煤灰地基十二、强夯地基十三、注浆地基十四、预压地基十五、振冲地基十六、高压喷射注浆地基十七、水泥土搅拌桩地基十八、土和灰土挤密桩复合地基十九、水泥粉煤灰碎石桩复合地基二十、夯实水泥土桩复合地基二十一、砂桩地基二十二、静力压桩二十三、先张法预应力管桩二十四、混凝土预制桩二十五、钢桩二十六、混凝土灌注桩地下防水工程隐蔽内容一、防水混凝土工程1、检查混凝土的结构厚度,迎水面钢筋保护层厚度;2、混凝土的变形缝、施工缝、后浇带、穿墙螺栓,预埋件等设置的位置、形式和构造等;3、人防出口止水做法;二、水泥砂浆防水层三、卷材防水层1、防水层基层、防水材料规格、厚度、铺设方式、阴阳角处理、搭接密封处理等;2、变形缝、穿墙管道等细部构造等情况。
排水管道基槽土石方隐蔽工程检查验收记录日期:xxxx年xx月xx日地点:工地xx号楼xx层一、项目概况本次检查为排水管道基槽土石方隐蔽工程的检查验收工作,旨在确保土石方施工质量符合要求,基槽平整、坚固,以保证排水管道的正常运行和工程的安全性。
二、参与人员1. 工程监理人员:xxx三、检查内容1.基槽开挖和土石方填筑情况;2.土石方填筑的压实情况;3.基槽土石方施工过程中的排水措施等。
四、检查过程1.准备工作:检查人员首先查看了项目的设计图纸和相应的施工方案,了解到基槽开挖深度应符合设计要求,并对土石方施工的数量和质量有了初步了解。
2.实地检查:根据项目情况,检查人员到达现场,进行了详细的实地检查。
检查内容包括开挖深度、基槽土石方填筑情况、土石方的压实情况、排水措施等。
同时,对相关施工单位进行了询问,了解到施工过程中的具体操作和注意事项。
3.记录数据:检查人员对各项指标进行了录入,并拍摄了工地的照片作为记录。
4.检查结果:基槽开挖深度、土石方填筑情况符合设计要求,无明显泥浆、水分渗漏,土石方填筑均匀、紧实,基槽内排水系统完善且处于正常运行状态。
五、存在问题与整改意见1.开挖过程中出现少量泥浆渗漏现象,对施工单位进行了告知,施工方已进行整改,并进行了临时排水措施。
2.施工单位在土石方填筑过程中未严格按照设计要求进行压实,告知施工方加大压实力度,确保土石方填筑的坚固性。
3.施工单位在施工过程中存在未按要求及时清理基槽内的泥浆和杂物的情况,要求施工方加强施工管理,保持基槽内的清洁。
六、总结与建议通过本次检查,基槽土石方施工的质量基本符合要求,但仍存在细节问题需要整改。
对施工单位进行了整改意见的通知,要求其按要求加强施工管理,确保工程质量。
下一步,建议施工方按照整改意见进行整改,并将整改情况及时报告给建设单位和监理人员,确保隐蔽工程的质量和进度。
隐蔽工程检查验收记录质检表4
隐蔽工程检查验收记录质检表4
隐蔽工程检查验收记录质检表4
年
月日
隐蔽工程检查验收记录质检表4
隐蔽工程检查验收记录质检表4
隐蔽工程检查验收记录质检表4
隐蔽工程检查验收记录质检表4
隐蔽工程检查验收记录质检表4
隐蔽工程检查验收记录质检表4
隐蔽工程检查验收记录质检表4
隐蔽工程检查验收记录质检表4
隐蔽工程检查验收记录质检表4
隐蔽工程检查验收记录质检表4
隐蔽工程检查验收记录质检表4
隐蔽工程检查验收记录质检表4
隐蔽工程检查验收记录质检表4
隐蔽工程检查验收记录质检表4
隐蔽工程检查验收记录质检表4
隐蔽工程检查验收记录质检表4。
隐蔽工程检测验收记录填写标准检查验收意见栏写: 经检查合格, 同意进入下道工序处理情况及结论栏写: 无施工单位下面时间填写: 需与检验批时间一致, 一般写做完的时间, 不能超过监理验收时间。
钢筋分项应比模板分项提前, 混填土分项应在现浇结构拆除全部模板后及砼试块标养强度出来后的时间取较大值确定。
验收内容及自检情况栏写: (参照以下)土方路基: 某某部位经检查路基压实度、弯沉值符合设计要求, 土路基路床纵断高程、路床中线偏位、路床平整度、路床宽度、路床横坡、边坡均符合设计和规范要求。
路床平整、坚实, 无显著轮迹、翻浆、波浪、起皮等现象, 路堤边坡密实、稳定、平顺。
经自检合格, 申请进入下一道工序。
分部工程路基分项工程土方路基路基处理: 某某部位经检查换填材料质量符合设计要求, 换填材料虚铺厚度为每层30㎝ , 分层回填、分层碾压, 压实度达到了设计要求。
经自检合格, 申请进入下一道工序。
分部工程路基分项工程路基处理鱼塘清淤: 某某部位经检查鱼塘清淤达到了淤泥底面, 清淤完成后表面无多余的腐殖土及淤泥;塘底已挖好排水沟和集水井, 按设计要求已挖好台阶跟相邻地面衔接。
经自检合格, 申请进入下一道工序。
分部工程路基分项工程路基处理沟槽、基坑划分:凡图示沟槽底宽在3m以内, 且沟槽长大于槽宽3倍以上的为沟槽;沟槽长小于槽宽3倍, 且图示基坑底面积在20m2以内的为基坑。
凡图示沟槽度宽3m以外, 坑底面积20m2以外, 均按挖土方计算。
沟槽(箱涵土方)开挖: 某某部位经检查沟槽原状地基土未扰动、受水浸泡, 槽底地基承载力满足设计要求;槽底高程、槽底中线每侧宽度、沟槽边坡均符合设计要求。
经自检合格, 申请进入下一道工序。
分部工程管道土方工程(箱涵土方工程)分项工程管道沟槽开挖(箱涵土方开挖)沟槽(箱涵土方)回填: 某某部位经检查回填材料符合设计要求, 沟槽(箱涵)未带水回填, 回填密实, 回填土压实度符合设计要求;回填达到了设计高程, 表面平整, 回填时管道(箱涵)及附属构筑物无损伤、沉降、位移。
沟槽回填-隐蔽验收记录(排水)
项目背景
为确保排水系统的正常运行和施工质量,进行沟槽回填的隐蔽验收工作。
本文档记录了沟槽回填工作的过程和相关信息。
施工过程
1. 施工人员按照设计图纸和规范要求进行沟槽开挖和管道铺设工作。
2. 沟槽回填施工前,进行现场勘测,确保回填材料的质量和数量满足要求。
3. 确保排水系统各部位的阀门、接头、支架等安装完好,并按照规范进行检查和测试。
4. 开始回填工作前,对沟槽内的杂物、积水进行清理、排除。
5. 回填材料的选择和配比应符合设计要求和规范,确认材料质量合格后方可使用。
6. 按照施工方案,逐层进行沟槽回填,确保填实均匀,充实度符合要求。
隐蔽验收记录
为保证工程质量,进行沟槽回填的隐蔽验收记录如下:
隐蔽验收结果
经过隐蔽验收,沟槽回填工作符合要求并顺利完成。
如有不合格项,已采取相应措施进行整改。
结论
本文档详细记录了沟槽回填工作的隐蔽验收过程和结果,保障排水系统的正常运行和施工质量。
沟槽回填-隐蔽验收记录(排水)
项目背景
为确保排水工程的质量和安全,特进行沟槽回填工程的隐蔽验收。
本记录用于记录隐蔽验收的过程和结果。
隐蔽验收内容
1. 沟槽回填材料的选择与使用是否符合相关规范要求。
2. 沟槽回填施工工艺是否正确执行。
3. 沟槽回填后的结果是否符合要求,如回填均匀度、回填材料的密实度等。
隐蔽验收过程
1. 对已完成的沟槽回填进行全面检查。
2. 检查沟槽回填材料的种类、规格和数量是否符合设计要求。
3. 检查回填材料是否符合要求,并进行抽样检验。
4. 检查回填工艺是否按照施工方案执行。
5. 检查回填均匀度和回填材料的密实度,并记录检测数据。
隐蔽验收结果记录
1. 沟槽回填的隐蔽验收结果符合要求,无任何质量问题。
2. 沟槽回填的隐蔽验收结果存在以下问题,并进行记录:
- 回填材料种类、规格或数量不符合要求。
- 回填均匀度或密实度不符合要求。
隐蔽验收结论
经隐蔽验收,沟槽回填工程符合相关规范要求,可进入下一阶段工程。
隐蔽验收记录签署
隐蔽验收记录经以下人员签署:
- 项目负责人:
- 监理工程师:
- 施工单位代表:
备注
在隐蔽验收过程中,如发现任何质量问题,应立即通知相关责任人进行处理,确保工程的质量和安全。
基础挖土验槽隐蔽工程检查验收记录
工程名称:建设单位:图号:
隐蔽部位:施工单位:隐蔽日期:年月日
专业技术负责人:质量检查员:填表人:
注:本表适用于基础挖土验槽隐蔽工程。
说明
基础挖土验槽隐蔽工程验收内容:
1.基坑内地下水以及地表水情况及其处理情况。
2.基坑(槽)开挖尺寸(长、上下口宽、深)、有无加宽、加深、换土等情况。
3.基土遇有坑、井、人工土、障碍物等的数量、位置及清除情况。
4.地下遇有电缆、旧的管道、旧房基等位置、数量及处理情况。
5.遇有流砂等不良地基的处理。