室外燃气管道工程施工图设计要点
- 格式:docx
- 大小:29.26 KB
- 文档页数:11
燃气设计审查要点1.目的对燃气专业设计施工图质量进行有效的控制,确保工程设计在满足国家规范、规定的前提下,作到安全、经济、具有较强的可操作性。
2.范围适用于新建、改建、扩建的一般工业和民用建筑中燃气设计审查。
3.职责由项目部负责管理,其他相关部门参与实施工作。
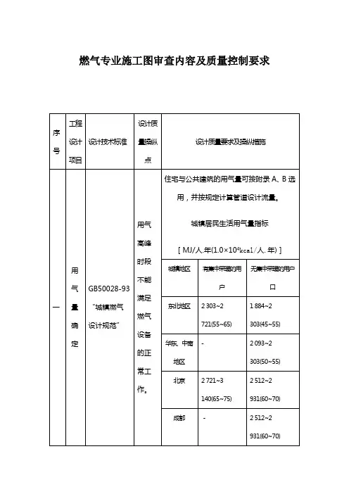
4. 内容4.1. 检查依据4.1.1 中华人民共和国国家标准《城镇燃气设计规范》GB50028-934.2. 审查内容4.2.1 设计文件审查4.2.1.1 设计依据是否充分,是否有初步设计审查会议纪要、初步设计批文、建设单位对本专业施工图设计的要求及主管部门批文;4.2.1.2 施工图设计深度是否满足施工要求;4.2.1.3 签署、出图章及有关专业会签是否符合规定。
4.2.2 管道设计审查4.2.2.1 燃气管道布置;4.2.2.2 进户管设置;4.2.2.3 燃气管坡度;4.2.2.4 燃气管安装及调试;4.3 审查要点4.3.1 燃气设计审查要点4.3.1.1 燃气引入管不得敷设在卧室、浴室、地下室、易燃或易暴品的仓库、有腐蚀性介质的房间、配电间、变电室、电缆沟、烟道和进风道等地方。
GB50028-93第7.2.10条4.3.1.2 燃气引入管进入密闭室时,密闭室必须改造,并设置换气口,其通风换气次数每小时不得小于3次。
GB50028-93第7.2.11条4.3.1.3 燃气引入管穿过建筑物基础、墙、管沟时,均应设置在套管中,并应考虑沉降的影响,必要时应采取补偿措施。
GB50028-93第7.2.13条4.3.1.4 燃气引入管的最小公称直径,应符合下列要求:A.当输送人工煤气和矿井气等燃气时,不应小于25mm;B.当输送天然气和液化石油气等燃气时,不应小于15mm。
GB50028-93第7.2.14条4.3.1.5 建、构筑物内部的燃气管道应明设。
当建筑或工艺有特殊要求时,可暗设,但必须便于安装和检修。
GB50028-93第7.2.16条4.3.1.6 暗设燃气管道应符合下列要求:A.暗设的燃气管道的管槽应设活动门和通风口,暗设的燃气管道的管沟应设活动盖板,并填充干沙;B.管道应有防腐绝缘层;C.燃气管道不得敷设在可能渗入腐蚀性介质的管沟内;D.当敷设燃气管道的管沟与其他管沟相交时,管沟之间应密封,燃气管道应敷设在钢套管中;E.敷设燃气管道的设备层和管道井应通风良好,每层的管道井应设与楼板耐火极限相同的防火隔断层,并应有进出方便的检修门。
燃气工程设计图纸绘制及技术文件编制说明根据设计工作中的实际需要,进一步统一公司内部燃气工程制图规则,统一设计计算文本和咨询类技术文件的编制,结合现行标准要求,制定本说明。
一、设计图纸绘制(一)一般要求1.设计图纸应满足各设计阶段相应的设计深度要求。
2.图面应合理选择比例,突出重点,布置匀称,凡能用图样和图形符号表达清楚的内容,不宜采用文字说明。
3.当一张图内布置两个及以上图样时,按平面图在下,正剖面图在上,侧剖面图、详图在右的原则绘制。
4.当一张图内布置两个及以上平面图时,宜按流程的顺序或下层平面图在下,上层平面图在上的原则绘制。
5.图样说明布置在图面的右侧或下方。
当图样说明在下方时,图幅右侧从上到下宜为图例、设备一览表、标题栏。
图样说明应包含:(1)设计条件(设计依据);(2)设计技术参数(温度、压力、流量等);(3)材料要求;(4)设计采用的施工规范及主要施工质量要求;(5)安装检验要求;(6)其他要说明的问题。
6.厂站采用的管道代号、线型和图形符号宜列在工艺流程图图纸的右上侧;小区、庭院输配管道的图例所采用的管道代号、线型和图形符号宜列在平面图图纸的右上侧。
7.平面图上应有指北针,宜绘制在平面图的右上角。
8.室内工程应标注相对标高,室外工程标注绝对标高,在标注相对标高时,应与总图一致,标高应标注在管道的起止点、转角点、连接点、变坡点、变径点及交叉点,标高的标注采用等腰三解形,腰高2.5~5mm。
9.同一张图或一套图纸中,同一种用途的线宽、汉字、数字、字母、图例、术语、图形符号、管道代号等的绘制方法应一致,字体高度 3.5~5.0mm,文字高度与宽度比为0.5~0.7。
10.图线线型分粗、中、细三种,相应线宽为b、0.5b、0.25b(如:1.0、0.5、0.25;1.4、0.7、0.35;2.0、1.0、0.5)。
单线绘制的管道横断面用细线圆表示,圆直径宜为粗实线的2.5~3倍。
11.尺寸标注:尺寸线间距可为5~10mm,尺寸界线应超出尺寸线2~3mm。
目录第一章基本规定4第一节绘图基本要求及设计图例 4一、燃气专业制图的一般规定 (4)三、燃气专业设计制图标准 (6)四、燃气专业设计图例见附录一。
........ 错误!未定义书签。
第二节燃气管道施工图设计文件10一、设计文件组成: (10)二、设计文件内容: (10)三、填写的几点要求: (11)四、施工图上的说明内容: (11)五、设计文件的格式规定: (11)第三节常用技术标准12一、国家标准 (12)二、行业标准 (16)三、标准应用: (17)第二章燃气管道施工图设计19第一节设计需收集的资料19一、室内燃气管道施工图设计需收集的资料 (19)二、室外燃气管道施工图设计需收集的资料 (19)三、调压器室燃气管道施工图设计需收集的资料 (20)四、锅炉房(直燃机)燃气管道施工图设计需收集的资料 (20)五、燃气管道跨越工程支撑设计需收集的资料(工艺专业提供给结构专业) (21)第二节管材及附件的选用21一、室内燃气管道的管材及管件选用 (21)二、室外燃气管道的管材及管件选用 (22)三、聚乙烯管材、管件的使用规定 (22)四、穿跨越工程管材的选用 (23)第三节设计参数及计算方法24一、燃气小时计算流量的确定 (24)二、燃气管道摩擦阻力计算 (26)三、低压燃气管网压降及压降分配 (28)四、常用燃气管道规格的计算 (28)第四节施工图设计要点32一、室内燃气管道工程施工图设计要点: (32)(一)管线位置 (32)(二)阀门位置 (32)(三)活接头位置 (33)(四)套管的设置 (33)(五)管卡或支架(托架)的设置 (33)(六)燃气表的安装 (33)(七)燃气燃烧器具的安装 (33)(八)对燃具给排气设施和排烟设施的安装要求 (34)(九)商业用户、工业企业设计要点 (35)(十)锅炉房(直燃机)燃气管道设计要点 (35)(十一)对于高层建筑的室内燃气管道系统应考虑的问题:.. 36(十二)特殊场所安装燃气设施的要求: (37)(十三)燃气管道及设备的防雷、防静电设计应符合下列要求: (38)(十四)室内燃气管道施工图需要注意的事项有: (39)二、室外燃气管道工程施工图设计要点: (40)(一)高、中压管线的平面布置原则 (40)(二)高压管道设计需注意的事项: (41)(三)中压管道设计需注意的事项: (42)(四)低压管网的平面布置原则 (43)(五)中、低压庭院管网设计应注意的几点: (44)(六)设计室外架空燃气管道应注意的几点: (46)(七)管道的纵断面布置原则 (47)三、调压室燃气管道施工图设计要点: (47)第五节主要设备的选用和安装48一、燃气计量表 (48)(一)燃气计量装置选型的基本原则 (48)(二)燃气计量表装置的设置要求 (49)(三)燃气表安装位置确定 (49)(四)燃气表的保护装置 (50)(五)燃气表的安装场所 (51)二、调压装置的安装 (51)(一)调压装置的选择原则 (51)(二)调压装置的设置要求 (51)(三)调压装置的工作环境 (52)(四)调压器的安装调试应按照设备说明书和有关要求进行。
燃气专业施工图审查内容及质量控制要求
三户
内
燃
气
管
敷
设
GB50028-97
“城镇燃气
设计规范”
1、燃
气泄
漏。
2、不
易检
修。
3、不
安全
易中
毒与
爆炸。
4、管
道布
置不
整齐,
影响
装修
1、燃气引入管不得敷设在卧室、浴室、地
下室、配电间、变电室、电缆光、烟道、进
风道内。
2、燃气引入管应设在厨房或者走廊等通风
良好的非居住房间内。
3、燃气引入管最小公称直径应符合下列要
求:
1)人工煤气不应小于25MM.
2)天然气与液化石油气不小于15MM。
4、室内燃气管应明设。
5、燃气管穿越楼板、楼梯平台、墙壁时,
务必安装在套管中。
6、燃气管道敷设高度(从地面至管道底部)
应符合下列要求:
1)有人行走的地方,敷设高度不应小于
2.2M.
2)有车通行的地方,敷设高度不应小于
4.5M。
7、明设的燃气管道应用支架、管卡或者吊
卡固定。
各项目能够根据以上内容选择确定顾客敏感点。
燃气管道施工图设计文件一、设计文件组成:1.室内中、低压燃气管道施工图设计文件组成:封面、图纸目录、设计说明书(包括设计、安装、验收说明及要求)、设备材料表、室内燃气管道平面布置图、燃气管道安装系统图、局部管道安装详图(放大图)、水力计算图。
2. 室外中、低压燃气管道施工图设计文件组成:封面、图纸目录、设计说明书、设备材料表、燃气管道平面布置图、燃气管道安装系统图或断面图(城市主要中压管道必须绘制断面图)、局部或节点详图(放大图)、安装标准(包括设计、施工说明、管件、设备安装要求或标准图)、水力计算图。
采取区域调压的一定要有调压柜大样图。
3.水力计算图:所有民用户、商业用户和工业用户的设计都应该通过水力计算来进行管道规格的选取。
低压管网直接接用户或单个调压箱所带户数大于或等于200户、设计中有高层楼栋的燃气工程设计均应配有水力计算图。
二、设计文件内容:1. 封面:按标准格式填写。
2. 图纸目录:图纸名称按下列序号填写:1、图纸目录2、设计说明书3、设备材料表4、XXX天然气管道平面图5、XXX天然气管道系统图6、……………………………3. 设计说明书:内容包括设计依据、设计概况、设计参数、管材及附属设备的选择、施工及验收的要求和执行的标准。
4. 设备材料表:1)设备:主要包括调压柜(调压箱)、计量表、阀门、补偿器(型号、参数)2)管材(材质、标准)3)管件(材质、标准)4)其它:包括托架、警示带、示踪线5. 施工图:内容包括管道平面置图、系统图、纵断图、定向视图、局部管道安装详图、水力计算图。
三、填写的几点要求:1.在图纸目录中按图号的顺序填写,实际张数、折合标准张按实际情况填写,并算出合计数。
2.对管件的性能参数标注要齐全。
设备的名称、规格、型号标注要齐全。
3.对所执行的标准标注要准确。
4.其它项:档案号、图号、阶段、页次、日期填写齐全。
四、施工图上的说明内容:1. 图中的标注方式及基准面的选取;2. 管道的埋深;3. 对于室内燃气管道工程应给出室内、外的高差;4. 对于庭院工程应给出引入管的管径;5. 对设计概况作说明;6. 设计说明书中没有包括的具体工程的一些特殊做法及要求;7. 施工中应注意的一些问题;8. 施工及验收应遵循的规范、标准。
燃气管道工程施工图的编制要点燃气管道工程是现代城市建设中非常重要的一项工作,它涉及到了人们日常生活所必需的能源供应。
而燃气管道工程施工图的编制则是该工程的核心环节之一。
燃气管道工程施工图的编制是指根据设计方案和设计要求,将燃气管道工程的设计信息按照一定规范和要求绘制成图纸的过程。
这一过程需要工程师具备一定的专业知识和经验,以确保施工图在契合设计要求的同时能够直观地传达给施工方。
首先,施工图的编制需要充分了解设计方案和设计要求。
设计方案是指根据工程需求和城市规划要求所制定的关于燃气管道工程的总体设计方案。
而设计要求则是指对燃气管道工程的各项技术指标和施工要求的具体规定。
只有充分了解这些信息,施工图才能够真实地反映工程的实际需求。
其次,在施工图的编制过程中,需要考虑到燃气管道的特点和要求。
燃气管道是一种特殊的工程,对安全性和可靠性要求非常高。
因此,在绘制施工图时,必须确保管道的连接点、支撑点等关键部位的合理布置和设计,以保证工程的稳定性和安全性。
还有,施工图的编制过程中,需要充分考虑到材料和设备的选择和配备。
燃气管道工程的材料和设备对工程的质量和效果有着直接的影响。
因此,在绘制施工图时,必须按照设计要求选择合适的材料和设备,并将其合理地融入到施工图中。
此外,在施工图的编制过程中,还要考虑到工程的施工顺序和方法。
施工图不仅要反映工程的设计要求,还要指导施工方进行实际的施工作业。
因此,在绘制施工图时要合理考虑工程的施工顺序和方法,并将其清晰地呈现出来,以方便施工方阅读和理解。
最后,施工图的编制还要与施工方进行充分的沟通和协商。
施工图是设计方案的具体呈现,是沟通设计方案和施工方之间的重要桥梁。
因此,在绘制施工图时,工程师需要与施工方进行充分的沟通和协商,确保施工图的准确性和可操作性。
总之,燃气管道工程施工图的编制是一项非常重要的工作,它关系到整个工程的质量和效果。
在编制施工图时,工程师需要充分了解设计方案和设计要求,考虑管道的特点和要求,选择合适的材料和设备,并合理考虑工程的施工顺序和方法。
燃气管道工程技术手册(2009年版)设计证书编号:311023-sj甲级二00九年十二月前言为了保证设计人员的设计能力和设计水平,满足我院业务发展的需要,同时为了统一本院设计标准、规范设计内容,提高整体设计质量和工作效率特制定本手册。
本手册的编制是本着贯彻国家和地方有关方针、政策、法律、法规和强制性标准,有利于我院技术进步的原则,积极采用推荐国家强制性标准和行业标准。
在严格执行现行国家及行业标准的基础上,本手册意在为设计人员提供更多必要的设计参数,在保证设计施工图的合理性、降低消耗、减少浪费方面起到一定的作用。
同时结合公司发展方向,广泛征求了相关人员的意见,进行整理、分析,力求使手册更具有实用性、合理性和指导性。
此次本手册的内容主要包括了城镇中低压燃气管网、城市居民用户、商业用户及工业用户燃气工程等常规业务的设计基本知识和相关技术要求。
手册中引用了大量国家和行业标准的有关内容,这些标准、规范在引用时应注意当前的有效版本,引用的有关内容将随着标准的修订而被修改,均以最新的标准版本为准。
由于各相目公司遍布全国各地,各地区的情况和习惯做法又千差万别,所以设计人员应在严格遵守国家及行业标准、规范的前提下,对手册的内容灵活运用。
在手册执行的过程中,我们诚恳地希望大家将遇到的问题及时反馈给设计分院,以便使手册的内容得到不断的补充、修改和完善。
目录第一章基本规定3第一节绘图基本要求及设计图例 3一、燃气专业制图的一般规定 (3)三、燃气专业设计制图标准 (5)四、燃气专业设计图例见附录一。
.................... 错误!未定义书签。
第二节燃气管道施工图设计文件9一、设计文件组成: (9)二、设计文件内容: (9)三、填写的几点要求: (10)四、施工图上的说明内容: (10)五、设计文件的格式规定: (10)第三节常用技术标准11一、国家标准 (11)二、行业标准 (15)三、标准应用: (16)第二章燃气管道施工图设计18第一节设计需收集的资料18一、室内燃气管道施工图设计需收集的资料 (18)二、室外燃气管道施工图设计需收集的资料 (18)三、调压器室燃气管道施工图设计需收集的资料 (19)四、锅炉房(直燃机)燃气管道施工图设计需收集的资料 (19)五、燃气管道跨越工程支撑设计需收集的资料(工艺专业提供给结构专业)20第二节管材及附件的选用20一、室内燃气管道的管材及管件选用 (20)二、室外燃气管道的管材及管件选用 (21)三、聚乙烯管材、管件的使用规定 (21)四、穿跨越工程管材的选用 (22)第三节设计参数及计算方法23一、燃气小时计算流量的确定 (23)二、燃气管道摩擦阻力计算 (25)三、低压燃气管网压降及压降分配 (27)四、常用燃气管道规格的计算 (27)第四节施工图设计要点31一、室内燃气管道工程施工图设计要点: (31)(一)管线位置 (31)(二)阀门位置 (31)(三)活接头位置 (32)(四)套管的设置 (32)(五)管卡或支架(托架)的设置 (32)(六)燃气表的安装 (32)(七)燃气燃烧器具的安装 (32)(八)对燃具给排气设施和排烟设施的安装要求 (33)(九)商业用户、工业企业设计要点 (34)(十)锅炉房(直燃机)燃气管道设计要点 (34)(十一)对于高层建筑的室内燃气管道系统应考虑的问题: (35)(十二)特殊场所安装燃气设施的要求: (36)(十三)燃气管道及设备的防雷、防静电设计应符合下列要求: (37)(十四)室内燃气管道施工图需要注意的事项有: (38)二、室外燃气管道工程施工图设计要点: (39)(一)高、中压管线的平面布置原则 (39)(二)高压管道设计需注意的事项: (40)(三)中压管道设计需注意的事项: (41)(四)低压管网的平面布置原则 (42)(五)中、低压庭院管网设计应注意的几点: (43)(六)设计室外架空燃气管道应注意的几点: (45)(七)管道的纵断面布置原则 (46)三、调压室燃气管道施工图设计要点: (46)第五节主要设备的选用和安装47一、燃气计量表 (47)(一)燃气计量装置选型的基本原则 (47)(二)燃气计量表装置的设置要求 (48)(三)燃气表安装位置确定 (48)(四)燃气表的保护装置 (49)(五)燃气表的安装场所 (50)二、调压装置的安装 (50)(一)调压装置的选择原则 (50)(二)调压装置的设置要求 (50)(三)调压装置的工作环境 (51)(四)调压器的安装调试应按照设备说明书和有关要求进行。
燃气设计准则(施工图阶段)
一、室外燃气设计原则
1、室外埋地燃气管需避开构筑物基础、大树根系等园区设施。
如果无法避免,应采取预埋套管或砌筑沟槽埋设。
2、室外燃气管道穿过排水管、热力管沟、联合地沟、其他用途的沟槽都要敷设在套管内。
3、市政入小区中压管道关断地埋阀门,不宜布置在容易破坏的位置。
4、室外燃气管道埋设深度,道路下埋深不小于90㎝,其他不小于60㎝.
5、燃气调压箱需选择在上部无窗和无盖板的净面墙上,左右距离用户门窗洞口不小于50cm。
6、架空管道的设计不能影响业主空间,架空管道距离窗不小于30cm。
7、园区地埋燃气管道与给排水管道、热力管道、其他燃气管道和敷设在导管内的电缆垂直距离不小于15cm,距离直埋电缆垂直距离不小于50cm.
8、园区地埋燃气管道与地下管道及构筑物的水平最小距离如下表
二、室内燃气设计原则
1、民用燃气用户受理条件:1)由卧室、起居室(厅)、厨房和卫生间等组成的套型,其使用面积不应小于30㎡(厨房使用面积不小于4㎡);由兼起居的卧室、厨房和卫生间等组成的最小套型,其使用面积不应小于22㎡(厨房使用面积不小于3.5㎡)。
3、燃气立管及表布置应与厨房烟道或灶具同侧
4、燃气立管宜布置在外墙位置,方便燃气直接入户,不影响客户私有空间;燃气立管如不贴外墙设置,室外管道入户宜采用高进,管中心标高为板下10 cm
5、室内燃气设备与其他设施的距离。
燃气施工图总说明(部分)8)液压试验应缓慢升压,待达到稳定压力后,稳压10min,再将实验压力降至设计压力,停压30min,以压力不降,无漏液为合格。
9)试验结束后,应及时拆除盲板、膨胀节限位设施,排尽积液。
排液时应防止形成负压,并不得随意排放。
10)当实验中发现漏液时,不得带压处理。
消除缺陷后,应重新进行试验。
气压试验应遵守以下规定:1)承受内压钢管及有色金属管的试验应力应为设计压力的 1.15倍.2)严禁使试验温度接近金属的脆性转变温度。
3)实验前,必须用空气进行预实验,试验压力宜为0.2MPa。
4)实验前,应逐步缓慢增加压力,当压力升至试验压力的50%时,如未发现异状或泄漏,继续按试验压力的10%逐级升压,每级稳压3min,直至试验压力。
稳压20min,再将压力降至设计压力,停压时间更具查漏工作需要而定。
以发泡剂检验不漏为合格。
泄露性试验应按下列规定进行:1)泄露性试验应在压力试验合格后进行。
试验介质宜采用空气。
2)泄露性试验应为设计压力。
3)泄露性试验可结合试车工作,一并经行。
4)泄露性试验应重点检验阀门填料函、法兰或螺纹连接处、放空阀、排气阀、排水阀等。
以发泡剂检验不漏为合格。
5)经气压试验合格,且在试验后未经拆卸过的管道可不进行漏压试验。
6.10设备及管道涂色管道和设备的涂色标准和要求参见《油气田地面管线和设备涂色标准》SY/T0043-2006的有关规定。
LNG出储罐制造商涂漆,储罐表面为白色遮光漆,到站时避免破坏涂漆,汽化器和加热器为防锈铝,不用涂色;其他管道、设备涂色见表:6.11 其他(1)全部设备和材料必须提供出厂合格说明,且其中的技术指标和内容符合国家有关技术标准。
(2)压力容器不许经技术质量监督部门检验合格后安装。
(3)储罐的基础采用非燃烧隔热保护层,其耐火等级不低于2小时。
(4)工艺装置区操作平台,管道跨行桥可根据现场实际情况制作安装。
(5)工艺设备与管道必须经行静电接地,与电气接地网进行良好焊接,法兰处以导线做跨接,接地装置详见电气图纸。
***小区室内外燃气管道工程施工组织设计***********有限公司二0一七年三月目录一、工程概况 (1)二、工期及质量目标 (1)三、施工准备情况 (1)四、施工规范及验评标准…………………………………………4五、施工总体组织部署设计………………………………………5六、主要分部、分项施工方法……………………………………9七、季节性施工措施 (19)八、质量保证体系及质量保证措施 (21)九、质量通病防治措施 (31)十、工期保证措施 (33)十一、安全生产和文明施工措施 (34)十二、降低成本、提高经济效益措施 (38)十三、主要施工机械、材料、劳动力安排 (41)十四、施工进度计划 (41)十五、施工总平面布置图 (42)十六、环境保护措施 (42)附表一:拟投入本工程的主要施工设备表附表二:劳动力计划表附表三:计划开、竣工日期和施工进度网络图附表四:施工总平面图附表五:临时用地表一、工程概况本工程为**燃气工程,建设单位为*******,地点在****小区。
1、工程主要内容:本工程为中、低压煤气管网项目,包括小区二、三期燃气室内、外管道。
2、工程特点:工程量较大,质量要求高,必须保证一次合格,避免产生返修现象。
二、工期及质量目标1、工期目标:2017年3月25日计划开工,2017年4月25日计划竣工,投标单位施工进度计划目标按31日历天安排。
2、质量目标:合格,力争优良。
⑴各分项工程质量合格率100%,优良率大于95%。
⑵各分部工程质量优良率100%。
⑶调试投运一次成功。
三、施工准备情况㈠现场平面布置及临时设施详见施工总平面布置图。
㈡现场材料、设备的贮存保管,按本单位的管理制度执行。
同时,配备相应管理人员。
㈢劳动力配备1、各施工班组主要以专业工种人员形成建制,以专业施工人员为主,并配制一定数量的辅助人员。
本工程施工各阶段人员配备详见劳动力安排一览表。
2、为确保本工程的工期和质量目标,对下列各岗位、工种的上岗条件确定如下:⑴各专业施工班长,应当有本专业施工10年以上施工经验,并具有较强的施工组织领导能力。
燃气管道工程设计完全手册(doc 83页)目录第一章燃气设计基本规定 (1)第一节绘图基本要求及设计图例 (1)1.燃气专业制图的一般规定 (1)2.设计文件标识 (3)3.常用绘图比例 (5)4.燃气专业设计制图标准 (6)5.设计图例 (12)第二节燃气管道施工图设计文件组成 (12)1.燃气管道施工图设计文件组成 (12)2.燃气管道施工图设计文件组成的内容 (13)3.对设计文件内容填写的几点要求 (14)4.施工图上的说明内容 (14)5.设计文件的格式规定 (15)第三节燃气管道施工图设计常用技术标准 (15)1.国家标准 (15)2.行业标准 (23)3.参考资料 (26)第二章燃气管道施工图设计 (29)第一节施工图设计需收集的资料 (29)8.低压燃气管道单位长度的摩擦阻力损失计算: (60)9.室外常用管道规格计算: (62)第四节施工图设计要点 (63)1.室内燃气管道工程施工图设计要点: (63)2.室外燃气管道工程施工图设计要点: (81)3.调压室燃气管道施工图设计要点: (90)4锅炉房燃气管道工程施工图设计要点: (93)第五节穿跨越工程设计要点 (94)一、管道穿越工程 (94)二、管道跨越工程 (113)第六节管材及附件的选用 (123)1.室内燃气管道的管材及管件选用. 1232.室外燃气管道的管材及管件选用. 1243.穿跨越工程管材的选用见第五节。
(125)4.阀门的选用 (125)5.补偿器的选用 (125)6.凝水缸的选用原则 (125)第七节调压装置 (126)1.调压器的作用和性能参数 (126)2.调压器的选择 (133)3.调压箱(站)设计说明 (133)4.调压装置的选择 (136)6. 调压站(箱)的工艺设计 (140)7.调压器的安装调试应按照设备说明书和有关要求进行。
(142)8.其它有关调压站的设计要求见《城镇燃气设计规范》。
(142)第八节计量装置 (142)1.城市燃气流量计的类型及特点 (142)2.燃气计量装置的选型 (149)3.燃气计量装置设置要求 (155)4.燃气表安装位置确定 (155)5.燃气表的保护装置 (157)6.燃气表的安装场所: (158)第九节法兰、垫片、紧固件 (159)室内天然气管道施工图设计总说明 (204)室外天然气管道施工图设计总说明 (213)本手册引用标准:GB50028—93 城镇燃气设计规范(2002年版)GB16914—1997 燃气燃烧器具安全技术通则GB50235—97 工业金属管道工程施工及验收规范GB50236 现场设备、工业管道焊接工程施工及验收规范GB16802 城镇燃气调压器GB3323—87 钢融化焊对接接头射线照相和质量分级GB50251—94 输气管道工程设计规范GB50041—92 锅炉房设计规范CJJ12—99 家用燃气燃烧器具安装及验收规程CJJ63—95 聚乙烯燃气管道工程技术规程CJJ94—2003 城镇燃气室内工程施工及验收规范CJJ33—89 城镇燃气管道施工及验收规范SY/T0015.1—98 原油和天然气输送管道穿跨越工程设计规范穿越工程SY/T0015.2 —98 原油和天然气输送管道穿跨越工程设计规范跨越工程SY0470 石油天然气管道跨越工程施工及验收规范SY/T4079—95 石油天然气管道穿越工程施工及验收规范第一章燃气设计基本规定第一节绘图基本要求及设计图例1.燃气专业制图的一般规定1.1设计图纸幅面及尺寸1.1.1标准图幅图纸按尺寸(图幅)大小分为五个规格,分别为A0、A1、A2、A3、A4,尺寸大小见表-1。
燃气管道工程设计、施工技术规定是指在燃气管道工程的设计和施工过程中,所需遵守的技术规范和标准。
以下是一般情况下的燃气管道工程设计、施工技术规定的主要内容:
1. 设计部分:
- 根据燃气需求量确定管道规格和材料选用;
- 确定管道布置方案,包括管道走向、交叉与并行规定等;
- 设计和确定阀门、法兰、管件等设备的选型和布置;
- 确定管道的保温、防腐、防护等措施;
- 设计和确定管道的支吊架和管道固定方法;
- 编制燃气管道施工图纸和技术文件。
2. 施工部分:
- 进行现场勘查和测量,确保管道布置符合设计要求;
- 进行土建工程,包括开挖沟槽、铺设管道基础等;
- 进行管道安装,包括焊接、连接、支吊架安装等;
- 进行管道调试和压力测试,确保管道安全可靠;
- 进行管道保温、防腐、防护等工作;
- 编制施工记录和技术交底。
以上是一般的燃气管道工程设计、施工技术规定的主要内容,具体的规定还需要根据当地的法律法规和相关标准进行制定和执行。
同时,为了确保燃气管道工程的质量和安全,还需要进行相关的验收和监督工作。
第 1 页共 1 页。
施工方案一、工程名称:二、工程简况:三、主要施工方法及措施:(一)、室外燃气管道安装1、管位测量放线应根据施工图的管位进行放线。
2、管沟开挖施工前,管道占地宽度范围内的杂草、石块、树木等要清除干净。
使用挖掘机开挖时,其场地内沟、坎、陡坡等应予以平整,以便通行。
3、管道连接管道连接前应对管材、管件及管道附属设备按设计要求进行核对,并应在施工现场进行外观检查,管材表面伤痕深度不应超过管材壁厚的10%。
聚乙烯管材切割时,应采用专用的切管工具,切割端面应平整、光滑、无毛刺。
聚乙烯管材、管件的连接应采用热熔对接连接或电熔连接;聚乙烯管道与金属管道或金属附件连接,应采用钢塑转换接头连接。
4、管沟回填(1) 管道埋深应符合设计要求。
(2) 管道在沟内不得有悬空现象,应清除沟内积水;(3) 管道防腐绝缘应检查,发现碰伤擦破,应立即修补;管道两侧及管顶以上0.5 米内的回填土,不得含有碎石、砖块、垃圾等杂物。
回填土应分层夯实。
5、管道的吹扫和试压燃气管道安装完毕后,均应进行吹扫与试压。
吹扫与试压介质采用压缩空气。
管道吹扫(1) 吹扫时应在吹扫管道末端加同径阀门做吹扫口,吹扫口应设在开阔地段并加固。
(2) 每次吹扫的长度不宜超过500m。
(3) 吹扫应反复进行数次,确认吹净以白布检验合格为止,同时做好纪录。
管道试压(1) 试压注意事项①燃气管道的强度试验压力为设计压力的1.5 倍;②进行强度试验时,达到试验压力后,稳压1 小时,无降压为合格。
(2) 气密性试验①气密性试验应在强度试验合格后进行,试验压力应遵守下列规定:试验压力应为设计压力的1.15 倍。
②埋入地下燃气管道的气密性试验宜在回填至管顶以上0.5m 后进行。
③气密性试验时间宜为24 小时。
(二)、室内燃气管道安装1、室内燃气管道系统一般为用户引入管、干管(立管) 、支管、燃气表组成,管材采用镀锌钢管。
2、室内燃气管道的连接形式一般采用丝扣连接3、室内燃气管道的安装要求①用户引入管引入管穿过建筑物基础隔墙或管沟时应设置在套管内,在套管内的管段不应有接头,套管与燃气管之间应用柔性防水材料填实。
室外工程审图要点为加强室外管网、景观绿化工程设计管理,提高设计质量,强化设计成本管控,制定室外工程审图要点。
一、室外管网审图要点(一)室外雨污水工程1、审查总设计说明:包括管道材质、连接方式、检查井材质及砌筑方式是否符合设计任务书要求,管道材质是否经济合理。
2、审核雨水管道管径是否合理,雨水重现期是否符合规范要求,并根据汇水面积核算雨水管径。
3、对雨污水管道坡度、走向、化粪池容积进行审核、计算,确保无浪费。
4、审查雨污水管道基础处理做法是否经济合理。
5、核对市政接口位置、高程设计是否与甲方提供接口位置及高程一致,并在说明中注明施工时复核现场实际高程。
6、审查压力排水入雨污水外网接驳点位置是否合理,避免压力排水管道过长造成浪费。
7、审查雨污水检查井位置是否符合设计任务书要求,检查井尽量设置在小区景观绿化带上,尽量避免在单元门口处和小区道路中设置。
8、审查雨水篦子、景观雨水收水口位置、数量是否满足排水量,景观雨水管网设计要依据室外雨水管网进行设计,避免雨水盲区或低洼积水点。
9、审核雨污水管道高程表,排水管道的检查井编号、井距、管径、坡度、地面设计标高、管底标高等是否有错漏,对地形复杂的排水管道以及管道交叉较多的给排水管道,应绘制管道纵断面图,图中应标示出设计地面标高、管道标高、管径、坡度、井距、井号、井深,并标出交叉管的管径、位置、标高。
(二)室外消防工程1、审查总说明:消防水源路数、接口位置、布置方式是否符合规范要求;室外消防用水量、管材、连接方式、规范选用是否符合规范要求。
2、审查建筑室外消火栓的数量、布置位置、保护半径是否符合要求,审查人防工程、地下工程出入口是否设置室外消火栓且距离符合要求。
3、审查水泵接合器是否分室内消防高低区;喷淋系统设置数量、做法及图集选用是否符合要求,说明中是否体现对永久性标志铭牌的约定。
4、审查室外消防管道材质、连接方式、与市政接口或消防系统接口位置是否符合要求。
(三)室外给水工程(主要审查自来水公司二次设计图)1、审查室外给水说明、规范选用、材料、连接方式是否符合设计任务书要求。
燃气施工图设计需收集的资料说明一、室内燃气管道施工图设计需收集的资料:1、居民住宅楼1)安装燃器具的建筑物的土建专业(建筑、结构)施工图:(包括平面、立面、剖面)2)安装燃器具的建筑物的其它专业(给排水、供电、供暖等)施工图:(包括平面、系统)3)室内需要的燃气种类、工作压力、燃器具燃气耗能量、燃器具类型、特殊设备要求(符合中燃公司设计规范要求),其它有关资料可由双方协商确定。
2、商业及工业用户:1)安装天然气管道房间的建筑平、立、剖面图2)设计委托书中有关燃气种类。
用气设备的数量及工作压力、用气特点等3)用气设备说明书4)安装用气设备的建筑物的其它专业(给排水、供电、供暖等)施工图:(包括平面、系统)二、室外燃气管道施工图设计需收集的资料:1、中压燃气管道施工图设计资料:1)规划部门批准的中压燃气管网规划,及中压干管的敷设批准文件2)敷设中压燃气干管的道路两侧的公共建筑(包括餐厅、旅馆、医院、学等校),工厂企业(燃具种类、燃气耗量)数量及其分布、发展规划3)敷设中压燃气干管的道路两侧的住宅区建设、规划资料、带状图4)中压燃气干管穿越的城市道路、铁路、河流的现状图纸和规划资料5)道路工程地质资料(应包括土壤防腐程度)6)与燃气管道平行或交叉的其它管线(各类电缆、给排水、热水、雨水、蒸汽等管线)的位子、管径、埋深的情况7)沿线带状区域测量图及道路建设平、断面规划或设计施工图(竣工图)、街道交通量及运输干线的分布情况8)当地的气候情况:北方最大的冻土厚度,南方的低温资料等2、中压支管及低压燃气管道(包括庭院管道)的施工图设计收集资料:1)规划部门批准的中压支管的敷设位置批准文件2) 敷设燃气干管的道路两侧的住宅、公共建筑(包括餐厅、旅馆、医院、学等校),工厂企业(燃具种类、燃气耗量)数量及其分布、发展规划,主要考虑管径的选取和管道支管的预留3)燃气管道穿越的城市道路、铁路、河流的现状和规划资料4)道路工程地质资料(应包括土壤防腐程度)5)各小区室外综合管网的布置图及专业的外网施工图6)城市道路建设平、断面规划或设计施工图(竣工图)7)与新建燃气管道连接的已建燃气管道的位置、管径、埋深等资料(竣工图)8)拟设调压装置周围建筑物情况和地下管线资料等9)当地的气候情况:北方最大的冻土厚度,南方的低温资料等。
室外燃气管道工程施工图设计要点
室外燃气管道工程施工图设计要点
由于输配系统各级管网的输气压力不同。
其设施和防火安全的要求也不同,而且各自的功能也有所区别,故应按各自的特点进行布置。
管道位置采用相对位置控制。
(一)高、中压管线的平面布置原则
城市高中压管线一般在《城市燃气利用初步设计》或《城市燃气专项规划》中作出整体考虑,设计时应以当地相关部门批准的正式文件为依据。
有未涉及处则可按下述原则进行布置,在得到当地相关部门的正式批准后方可进行施工图设计。
1、高压管道宜布置在城市边缘或市内有足够埋管安全距离的地带,并应连接成环网,以提高高压供气的可靠性。
2、中压管道应布置在城市用气区便于与低压环网连接的规划道路上,但应尽量避免沿车辆来往频繁或闹市区的主要交通干线敷设。
3、中压管网应布置成环。
4、高、中压管道的布置,应考虑对大型用户直接供气的可能性,并应使管道通过这些地区时尽量靠近这些用户;同时应考虑调压室的布点位置,尽量使管道靠近各调压室。
5、高、中压管道应尽量避免穿越铁路或河流等大型障碍物,以减少工程量和投资。
注:a. 如果对燃气管道采取行之有效的保护措施,δ<9.5mm的燃气管道也可采用表中B行的水平净距。
b. 水平净距是指管道外壁到建筑物出地面处外墙面的距离。
建筑物是指平常有人的建筑物。
c. 当燃气管道压力与表中数不同时,可采用直线方程内插法确定水平净距。
3、高压燃气管道的布置应符合下列要求:
①高压燃气管道不宜进入城市四级地区;不宜从县城、卫星城、镇或居民居住区中间通过。
②高压燃气管道不应通过军事设施、易燃易爆品仓库、国家重点文物保护单位的安全保护区、飞机场、火车站、海(河)港码头。
当受条件限制管道必须在本款所列区域通过时,必须采取安全防护措施。
③高压燃气管道宜采用埋地方式敷设。
当个别地段需要采用架空敷设时,必须采取安全防护措施。
④高压燃气管道阀门的设置:
a. 在高压燃气干管上,应设置分段阀门;分段阀门的最大间距:以四级地区为主的管段不应大于8km;以三级地区为主的管段不应大于13 km;以二级地区为主的管段不应大于24 km;以一级地区为主的管段不应大于32 km。
b. 在高压燃气支管的起点处,应设置阀门。
c. 燃气管道阀门的选用应符合有关国家现行标准。
应选择适用于燃气介质的阀。
d.在防火区内关键部位使用的阀门,应具有耐火性能。
需要通过清管器或电子检管器的阀门,应选用全通径阀门。
(三)中压管道设计需注意的事项:
1、钢质燃气管道管顶覆土(有套管以套管顶计):车行道≥1m;非车行道≥0.8m;PE管因为地温对其影响非常大,而且我国南方有些地区地温比较高,所以应适当增加埋深,但最小覆土深度不得小于0.6m,并必须保证埋深在土壤冰冻线以下。
埋设在以后可能修路的土路上的燃气管道应按规划路面标高考虑或适当加大管道埋深。
确定管道埋深时,设计人员应根据设计规范和现场实际情况综合考虑安全性、经济性和施工难易程度。
2、根据土壤性质、腐蚀性能确定管道的防腐材料和防腐等级。
目前国内钢质燃气管道外防腐层的种类有环氧煤沥青、冷缠防腐胶带、热缠防腐胶带、聚乙烯防腐层和环氧粉末喷涂等。
设计可根据当地土壤腐蚀情况、管材材质选取、当地施工习惯等多方面因素选择合理的防腐材料。
防腐技术执行现行国家标准《城镇燃气埋地钢制管道腐蚀控制技术规程》CJJ95-2003、《埋地钢质管道聚乙烯防腐层技术标准》SY/T0413—2002、《钢制管道聚乙烯粘胶带防腐层技术标准》SY/T0414-98及《埋地钢制管道环氧煤沥青防腐层技术标准》SY/T0447-96的规定。
防腐等级不低于加强级绝缘防腐。
3、新建的高压、次高压、公称直径大于或等于100mm的中压管道和公称直径大于或等于200mm的低压管道必须采用防腐层辅以阴极保护的腐蚀控制系统。
管道运行期间阴极保护不应间断。
执行《埋
地钢制管道强制电流阴极保护设计规范》SY/T0036-200、《埋地钢制管道牺牲阳极阴极保护设计规范》SY/T0019-97及《长输管道阴极保护工程施工及验收规范》SYJ4006-90的规定。
4、阀门的设置:
在中压燃气干管上,应设置分段阀门,一般直管段上每隔2~3公里设置一个分段阀门,并在阀门两侧设置放散管。
在燃气支管的起点处,应设置阀门,在支管段设置放散管。
阀门推荐选用球阀或燃气专用直埋闸阀。
5、套管的设置:
地下燃气管道从排水管沟、热力管沟、隧道及其他各种用途槽内穿过时,应将管道敷设在套管内,且套管伸出构筑物外壁不应小于“地下燃气管道与建筑物、构筑物或相邻管道之间的水平净距”要求。
穿越铁路或高速公路的燃气管道应加套管,穿越电车轨道或城镇主要干道时宜敷设在套管或管沟内。
套管内径应比燃气管道外径大于100mm以上。
在重要地段套管端部要安装检漏管。
套管两端应采用柔性的防腐、防水材料密封。
6、施工及验收执行:
《聚乙烯燃气管道工程技术规程》CJJ63-2008
《埋地钢质管道聚乙烯防腐层技术标准》SY/T0413-2002
《城镇燃气输配工程施工及验收规范》CJJ33-2005
《工业金属管道工程施工及验收规范》GB50235-97
《现场设备、工业管道焊接工程施工及验收规范》GB50236-98。
(四)低压管网的平面布置原则
1、低压管道的输气压力低,沿程压力降的允许值也较低,故低压管网的成环边长一般宜控制在300-600米之间。
2、低压管道除以环状管网为主体布置外,也允许存在枝状管道。
3、给低压管网供气的相邻调压室之间的连通管道的管径,应大于相邻管网的低压管道管径。
4、对于城市的老区,低压管道宜沿大街小巷敷设;对于城市的新建区,低压管道宜敷设在街坊内,而只将主干管连接成环网。
5、低压管道可以沿街道的一侧敷设,也可以双侧敷设。
6、低压管道应按规划道路布线,并应与道路轴线或建筑物的前沿相平行,尽可能避免在高级路面的街道下敷设。
(五)中、低压庭院管网设计应注意的几点:
1、保证燃气管道与热力管、给排水管、电力电缆等相邻管道的安全净距,如果间距不能满足要求,应采取有效的安全防护措施。
防护措施主要指:增加管壁厚度(聚乙烯管、球墨铸铁管和钢骨架聚乙烯管不采取此项措施)、提高防腐等级、减少接口数量、加强检验(100%无损探伤)等。
2、若在中压管线上接线,选择接点位置时,在考虑方便施工的同时,还应考虑使调压箱之前的中压管线尽量短。
3、管径的确定要合理,对以后工程的预留应统一规划,避免选择的管径过大。
注:表2-4-5和表2-4-6规定除地下燃气管道与热力管的净距不适用于聚乙烯燃气管道和钢骨架聚乙烯塑料复合管道外,其他规定均适用。
聚乙烯燃气管道于热力管道的净距应按国家现行标准《聚乙烯燃气管道工程技术规程》CJJ63-2008执行。
(六)设计室外架空燃气管道应注意的几点:
1、中压和低压燃气管道,可沿建筑耐火等级不低于二级的住宅或公共建筑的外墙敷设;次高压B、中压和低压燃气管道,可沿建筑耐火等级不低于二级的丁、戊类生产厂房的外墙敷设。
2、沿建筑物外墙的燃气管道距住宅或公共建筑物中不应敷设燃气管道的房间门、窗洞口的净距:中压管道不应小于0.5m,低压管道不应小于0.3m。
燃气管道距生产厂房建筑物门、窗洞口的净距不限。
3、架空燃气管道与铁路、道路、其它管线交叉时的垂直净距不应小于表2-4-3的规定。
架空燃气管道过铁路、道路时应设置明显的警示标志。
4、应考虑架空直管段过长时采取补偿措施(自然补偿和补偿器补偿,并尽可能选用前者)。
5、如燃气管道需要与其它管道共架敷设应考虑燃气管道与其它管道之间的间距。
对特殊位置的架空管道(如空旷地带、高空放散管等)应考虑管道接地。
6、架空燃气管道的固定件间距应适当缩小。
(七)管道的纵断面布置原则
1)输送湿燃气的管道,不论是干管还是支管,其坡度一般不小于0.003。
布线时,最好能使管道的坡度和地形相适应。
凝水缸之间的间距一般不大于500m。
在道路中间、交叉路口以及操作困难的地
方,凝水缸应设置在附近合适的地点。
输送干燃气的管道,没有坡度的要求。
只有在特殊地段才考虑设置凝水缸。
2)燃气管道不得在地下穿过房屋或其它建筑物,不得平行敷设在有轨电车轨道之下,也不得与其它地下设施上下并置。
3)在一般情况下,燃气管道不得穿过其它管道本身,如因特殊情况需要穿过其它大断面管道(污水干管、雨水干管、热力管沟等)时,需征得有关方面同意,同时燃气管道必须安装在钢套管内。
4)燃气管道与其它各种构筑物以及管道相交时,应保持安全的垂直净距。
在距相交构筑物或管道外壁2m以内的燃气管道上不应有接头、管件和附件。