预焙阳极生产工艺流程
- 格式:doc
- 大小:37.50 KB
- 文档页数:4
商用预焙阳极是一种广泛应用于电解铝工业的关键材料。
它是通过预先煅烧石墨电极而制成的,具有优异的导电性、耐腐蚀性和高温稳定性。
本文将从预焙阳极的定义、制备过程、特点及广泛应用等方面进行详细介绍。
一、预焙阳极的定义商用预焙阳极是指在电解铝生产中使用的经过煅烧处理的石墨电极。
它由高纯度的石墨材料制成,具有均匀的结构和良好的导电性能。
预焙阳极是电解铝过程中的关键材料,它在电解槽中提供电流,使氧化铝还原为金属铝。
二、制备过程商用预焙阳极的制备过程包括选材、混合、成型、煅烧等步骤。
1. 选材:选取高纯度的石墨作为原材料,确保阳极的导电性和耐腐蚀性。
2. 混合:将石墨材料与粘结剂进行混合,形成可塑性较好的糊状物料。
3. 成型:将混合物料进行成型,通常采用挤压或浇注的方式。
通过成型,使得阳极具备所需的形状和尺寸。
4. 煅烧:将成型的阳极进行高温处理,通常在石墨电炉中进行。
煅烧过程中,石墨材料会经历结晶化和致密化,提高导电性和耐腐蚀性。
三、特点商用预焙阳极具有以下几个显著特点:1. 优异的导电性:预焙阳极由高纯度石墨制成,具有良好的导电性能,能够有效传递电流,提供充足的电解效果。
2. 耐腐蚀性:预焙阳极经过煅烧处理后,其表面形成致密的氧化膜,能够有效抵御电解槽中的腐蚀作用,延长阳极的使用寿命。
3. 高温稳定性:商用预焙阳极能够在高温环境下保持较好的稳定性,不易变形和破裂,确保电解铝生产的连续性和稳定性。
四、广泛应用商用预焙阳极在电解铝工业中应用广泛,它是电解槽中的关键部件,对于提高电解效率和降低能耗具有重要意义。
1. 电解铝产业:商用预焙阳极是电解铝生产过程中不可或缺的材料。
它能够稳定地传递电流,还原氧化铝为金属铝,保证电解槽中的正常运行。
2. 能源储存:商用预焙阳极也被广泛应用于能源储存领域。
例如,锂离子电池中的负极材料就可以采用预焙阳极,以提高电池的导电性和循环寿命。
3. 其他工业领域:商用预焙阳极还可以应用于其他一些需要高导电性、高耐腐蚀性和高温稳定性的领域,如化工、冶金等行业。
预培阳极成型生产工艺流程
预焙阳极成型生产工艺流程包括以下步骤:1.以石油化工副产品石油焦为骨料,煤化工副产品煤沥青为黏结剂,混合和成型形成生坯。
2.将生坯进行热处理,使黏结剂碳化,提高机械强度和抗氧化性。
3.将碳化后的生坯进行焙烧,得到预焙阳极成品。
预焙阳极生产具有“料重工轻”的特点,石油焦占预焙阳极总重量的80%以上,煤沥青为黏结剂。
预焙阳极成型系统工程包括沥青烟气净化系统工程,收集并处理成型机及均温箱在生产过程中产生的沥青烟气及粉尘。
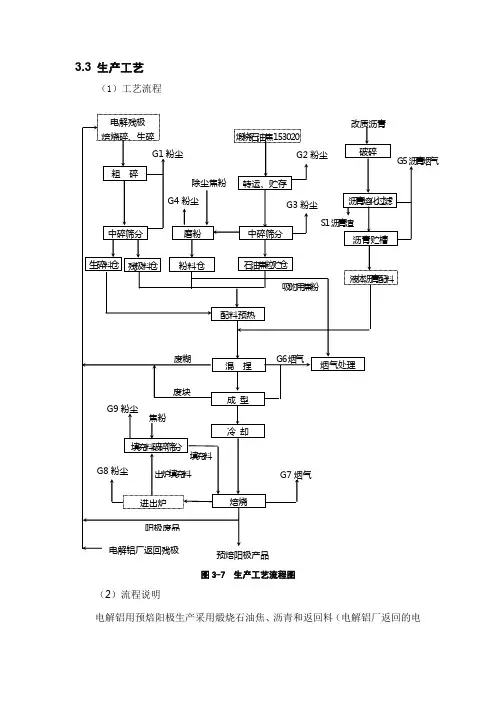
3.3 生产工艺(1)工艺流程图3-7 生产工艺流程图(2)流程说明电解铝用预焙阳极生产采用煅烧石油焦、沥青和返回料(电解铝厂返回的电解残极、焙烧碎料、生碎料)为原料。
原料经破碎、筛分、配料,生产出生阳极,再经焙烧得到预焙阳极产品。
(1)原料贮运预焙阳极生产所用主要原料煅烧石油焦,由带式输送机从集团公司料仓运来卸入Ф17⨯20m贮仓内,用料时由设置在仓下的电磁振动给料机经带式输送机输送到生阳极制造工序使用。
(2)返回料处理生产过程中产生焙烧碎料、生碎料和电解铝厂返回的电解残极共用一套返回料处理系统,由500吨残极破碎机粗碎至100mm以下粒度,再由一台反击式破碎机中碎筛分至20mm以下粒度后,然后经斗式提升机直接送入料仓待用。
焙烧碎料、残极碎料用于配料,生碎料进入混捏工段。
(3)液体沥青制备由汽车运来固体改质沥青经颚式破碎机破碎,送入沥青熔化罐内,用高温导热油间接加热熔化,经过滤机过滤滤去杂质后进入液体沥青接收槽,再用输送泵送到2座Ф8⨯8m沥青保温贮罐内,单座贮罐贮存容量为400t。
使用时由沥青输送泵输送至生阳极车间用于配料。
(4)生阳极制造生阳极制造包括中碎筛分、磨粉、配料、混捏和成型冷却等生产工序。
①中碎筛分本项目设2个石油焦中碎、筛分系统和1个残极返回料中碎、筛分系统。
石油焦(或残极料)分别由电磁振动给料机给料,经带式输送机、斗式提升机送入一台双层水平振动筛和一台单层水平振动筛(残极为1台二层水平振动筛)筛分处理,粒度大于12mm的料返回中间料仓,再由电磁振动给料机给料进入双辊破碎机(残极进入反击式破碎机)中碎后再重新筛分。
12~6mm,6~3mm的粒度料可直接进入相应配料仓,也可返回双辊破碎机重新中细碎至3mm以下,便于生产灵活调节。
粒度料有3种,为12~6mm、6~3mm、3~0mm,6~3mm、3~0mm的料除直接进入配料仓外,还有部分送经磨粉机磨粉成粉料。
生碎料在残极处理工段经两级破碎到20mm以下粒度后,经带式输送机,斗式提升机,直接运入生碎料仓使用。
一种预焙阳极炭块的制备工艺
摘要:
一、预焙阳极炭块的制备工艺概述
二、原料的选择与处理
三、预焙阳极炭块的生产工艺流程
四、预焙阳极炭块的性能与应用
五、总结
正文:
一、预焙阳极炭块的制备工艺概述
预焙阳极炭块是一种用于电解铝工业的炭素材料,以其优良的导电性能和抗高温腐蚀性能而成为电解槽的关键部件。
本文旨在介绍一种预焙阳极炭块的制备工艺,包括原料选择、处理、生产工艺流程以及性能与应用等方面的内容。
二、原料的选择与处理
预焙阳极炭块的主要原料包括石油焦、沥青焦、无烟煤、降灰处理的无烟煤、果壳炭化原料等。
这些原料需经过筛选、破碎、煅烧等处理过程,以满足生产工艺的要求。
三、预焙阳极炭块的生产工艺流程
预焙阳极炭块的生产工艺主要包括混合、成型、焙烧和冷却等步骤。
首先将处理好的原料进行混合,然后通过成型工艺制成一定规格的阳极炭块。
接着将炭块进行焙烧,使其形成稳定的几何形状。
最后,对焙烧后的炭块进行冷却
处理。
四、预焙阳极炭块的性能与应用
预焙阳极炭块具有优良的导电性能、抗高温腐蚀性能以及稳定的几何形状。
它广泛应用于电解铝行业,作为电解槽的阳极材料,对提高电解槽的电流效率、降低阳极消耗以及提高原铝质量具有重要作用。
五、总结
本文介绍了一种预焙阳极炭块的制备工艺,包括原料选择与处理、生产工艺流程以及性能与应用等方面的内容。
3.3 生产工艺(1)工艺流程图3-7 生产工艺流程图(2)流程说明电解铝用预焙阳极生产采用煅烧石油焦、沥青和返回料(电解铝厂返回的电解残极、焙烧碎料、生碎料)为原料。
原料经破碎、筛分、配料,生产出生阳极,再经焙烧得到预焙阳极产品。
(1)原料贮运预焙阳极生产所用主要原料煅烧石油焦,由带式输送机从集团公司料仓运来卸入Ф17⨯20m贮仓内,用料时由设置在仓下的电磁振动给料机经带式输送机输送到生阳极制造工序使用。
(2)返回料处理生产过程中产生焙烧碎料、生碎料和电解铝厂返回的电解残极共用一套返回料处理系统,由500吨残极破碎机粗碎至100mm以下粒度,再由一台反击式破碎机中碎筛分至20mm以下粒度后,然后经斗式提升机直接送入料仓待用。
焙烧碎料、残极碎料用于配料,生碎料进入混捏工段。
(3)液体沥青制备由汽车运来固体改质沥青经颚式破碎机破碎,送入沥青熔化罐内,用高温导热油间接加热熔化,经过滤机过滤滤去杂质后进入液体沥青接收槽,再用输送泵送到2座Ф8⨯8m沥青保温贮罐内,单座贮罐贮存容量为400t。
使用时由沥青输送泵输送至生阳极车间用于配料。
(4)生阳极制造生阳极制造包括中碎筛分、磨粉、配料、混捏和成型冷却等生产工序。
①中碎筛分本项目设2个石油焦中碎、筛分系统和1个残极返回料中碎、筛分系统。
石油焦(或残极料)分别由电磁振动给料机给料,经带式输送机、斗式提升机送入一台双层水平振动筛和一台单层水平振动筛(残极为1台二层水平振动筛)筛分处理,粒度大于12mm的料返回中间料仓,再由电磁振动给料机给料进入双辊破碎机(残极进入反击式破碎机)中碎后再重新筛分。
12~6mm,6~3mm的粒度料可直接进入相应配料仓,也可返回双辊破碎机重新中细碎至3mm以下,便于生产灵活调节。
粒度料有3种,为12~6mm、6~3mm、3~0mm,6~3mm、3~0mm的料除直接进入配料仓外,还有部分送经磨粉机磨粉成粉料。
生碎料在残极处理工段经两级破碎到20mm以下粒度后,经带式输送机,斗式提升机,直接运入生碎料仓使用。
实 习 报 告 一、前言自1886年美国的Hall 和法国的Heroult 发明炼铝的基本方法—— Hall-Heroult 高温熔盐电解炼铝法以来,铝电解工业无论在工艺技术水平,还是在生产规模以及在自动化程度上均取得了突飞猛进的发展;尤其在近30年间,铝电解生产的电流效率由80%多提高到现在最高水平的96%,一个多世纪以来,工业铝电解槽经历了由小型预焙阳极电解槽、侧插式自焙阳极电解槽、上插式自焙阳极电解槽到大型预焙阳极电解槽的发展阶段;在自动化控制程度上,成功地开发出了控制精度高、系统鲁棒性好、具有明显的增产节能效果的电解过程控制系统。
全世界年铝产量由二十世纪初期的6000吨/年发展到二十世纪末期的2000多万吨/年。
铝电解生产过程中需要消耗大量的炭素材料,这些炭素材料因电解槽类型、电解生产用途、对其性能要求的不同,其规格型号有别,但生产工艺大同小异。
铝电解用炭素材料主要包括:1)、预焙阳极2)、底部炭块3)、侧部炭块4)、炭缝糊其中以炭素阳极的消耗量为主。
我国铝电解用炭素阳极的生产始于1963年,在郑州铝厂(现长城铝业公司)试生产成功。
此后我国铝电解用炭素阳极生产迅速发展,白银铝厂、包头铝厂、青海铝厂、贵州铝厂、平果铝业公司、青海铝厂二期扩建的配套炭阳极生产车间、云南铝厂等阳极生产线的相继建成投产,使我国目前铝用炭素阳极的年产量较十年前成倍增长,形成了我国铝电解用炭素阳极生产的成熟技术和规模,并相继建立了两个系列的炭阳极质量标准:振动成型系列的GB8741-88和挤压成型系列的YB2809-78。
Hall-Heroult 炼铝法的典型特点之一是阳极属于消耗性阳极,阳极的基本设计型式从整预焙炭素阳极的生产工艺及设备实习报告【最新资料,WORD 文档,可编辑修改】体上划分为两种:自焙阳极和预焙阳极。
随着人们对铝工业规模化、现代化生产认识的提高和对环境保护意识的增强,预焙阳极铝电解槽取代自焙阳极铝电解槽已成为世界铝工业发展的必然趋势。
铝电解预焙阳极工艺流程下载温馨提示:该文档是我店铺精心编制而成,希望大家下载以后,能够帮助大家解决实际的问题。
文档下载后可定制随意修改,请根据实际需要进行相应的调整和使用,谢谢!并且,本店铺为大家提供各种各样类型的实用资料,如教育随笔、日记赏析、句子摘抄、古诗大全、经典美文、话题作文、工作总结、词语解析、文案摘录、其他资料等等,如想了解不同资料格式和写法,敬请关注!Download tips: This document is carefully compiled by theeditor. I hope that after you download them,they can help yousolve practical problems. The document can be customized andmodified after downloading,please adjust and use it according toactual needs, thank you!In addition, our shop provides you with various types ofpractical materials,such as educational essays, diaryappreciation,sentence excerpts,ancient poems,classic articles,topic composition,work summary,word parsing,copy excerpts,other materials and so on,want to know different data formats andwriting methods,please pay attention!铝电解预焙阳极是铝生产过程中的重要材料,主要用于铝电解槽中作为阳极材料。
预焙阳极炭块
预焙阳极炭块是一种重要的原材料,主要用于铝电解生产中的阳极材料。
预焙阳极炭块的生产过程主要包括原材料的选择、混合、成型、煅烧和冷却等步骤。
原材料的选择是预焙阳极炭块生产中的一个关键环节,主要包括焦炭、石油焦和木质素等。
这些原材料需要先经过筛选、破碎和混合等工艺处理,然后与其他添加剂一起混合,形成均匀的混合料。
成型是预焙阳极炭块生产的另一个关键环节,主要有挤压成型和压块成型两种方式。
挤压成型是将混合料送入挤出机,通过挤压成型机构进行成型。
压块成型则是将混合料放入模具中,然后进行压制。
煅烧是预焙阳极炭块生产的核心环节,主要是将成型好的块状物料放入煅烧炉中进行高温处理。
在煅烧过程中,原材料将发生化学反应,产生一定的孔隙度和热稳定性。
此外,煅烧过程中还需要控制氧气浓度、炉温和炉内气氛等参数,确保预焙阳极炭块的质量。
冷却是预焙阳极炭块生产的最后一个步骤,主要是将煅烧好的阳极炭块放置在冷却室中进行自然冷却。
冷却过程中,阳极炭块需要保持一定的温度梯度,避免产生裂纹。
冷却完成后,阳极炭块可以进行检验和包装,最终用于铝电解生产中的阳极材料。
- 1 -。
预焙阳极生产工艺流程
清晰
一、预焙阳极生产原理
预焙阳极是通过对铜箔腐蚀,通过印刷制作出特定形状,形状可以通
过绝缘层来定义的电阻。
预焙阳极的制作流程,包括在电阻表面印刷膜后,根据膜的不同选择,焊接在裸片上,然后在阳极表面滚动使阳极固定在产
品上,再加热并通过化学添加剂腐蚀阳极,完成预焙阳极的制作。
二、工艺流程
(1)设计好具体的预焙阳极件。
(2)根据预焙阳极件的特性,选择合适的绝缘层,确定是否需要定
型绝缘层,定型是通过滚动压膜完成的。
(3)焊接膜到裸片上。
(4)将已焊接的膜件进行滚动定型,以满足膜件特定的形状。
(5)将定型后的膜件固定在产品上。
(6)在阳极表面烘烤,并加入必要的化学添加剂,实现预焙阳极的
腐蚀。
(7)检测预焙阳极,确保是否符合设计要求。
三、技术要求
(1)阳极的位置固定要稳定,确保阳极的形状、尺寸、电阻及重量
等数据精确无误;
(2)预焙阳极的腐蚀速度,要求准确控制,确保电阻值的一致性;
(3)必须保证绝缘膜件的电气性能符合要求,确保阳极的长期稳定性;
(4。
一种预焙阳极炭块的制备工艺
摘要:
1.预焙阳极炭块的概述
2.预焙阳极炭块的制备工艺
2.1 原料准备
2.2 配料混合
2.3 成型
2.4 焙烧
2.5 冷却和加工
3.预焙阳极炭块的应用
4.结论
正文:
一、预焙阳极炭块的概述
预焙阳极炭块是铝电解槽中不可或缺的关键材料,对铝电解工艺的稳定性和经济性有着重要影响。
预焙阳极炭块主要用于铝电解槽的阳极材料,具有优良的导电性能和抗高温腐蚀性能。
二、预焙阳极炭块的制备工艺
2.1 原料准备
预焙阳极炭块的主要原料为石油焦、沥青焦和煤沥青。
石油焦作为骨料,沥青焦作为黏结剂,煤沥青用于提高炭块的抗高温腐蚀性能。
2.2 配料混合
将石油焦、沥青焦和煤沥青按照一定的配比进行混合,并加入适量的辅助
原料,如硫磺、锌等,以提高炭块的性能。
2.3 成型
将混合好的原料进行成型,通常采用挤压法或模压法。
成型过程中需要控制压力、温度和时间,以保证炭块的质量和密度。
2.4 焙烧
成型后的炭块进行焙烧,以提高炭块的强度和稳定性。
焙烧过程中需要控制温度、时间和气氛,以保证炭块的质量和性能。
2.5 冷却和加工
焙烧后的炭块进行冷却和加工,如切割、打磨等,以满足不同的应用需求。
三、预焙阳极炭块的应用
预焙阳极炭块在铝电解工艺中具有广泛的应用,是现代炼铝方法中不可或缺的关键材料。
预焙阳极炭块的质量和性能直接影响铝电解槽的运作状况和技术经济指标。
四、结论
预焙阳极炭块的制备工艺对于铝电解工艺的稳定性和经济性具有重要意义。
一种低电阻率预焙阳极生产的方法
一、原材料准备:
1.阳极材料:氧化石墨或金属锰碳精细粉末,阴极材料:氧化铂粉末;
2.电解液:1mol/L的硫酸镁溶液及3mol/L的硫酸银或3mol/L的溴化钠溶液;
3.预期电阻率:低于2μΩ•cm。
二、工艺准备:
1.硫酸镁溶液中浓度稳定:利用不断加入硫酸镁,使浓度保持在1mol/L;
2.适宜的浴温控制:电解液温度一般在30℃~60℃左右,此温度以保持硫酸镁溶液中离子活度、电解液中阳极和阴极电位差、表面能与界面张力等;
3.金属锰碳精细粉末的稀释:利用饱和的银硫酸溶液稀释粉末,使其能更好的进行浸渍电解洗净。
三、预焙阳极生产:
1.预焙前洗涤:将加氢、稀释、酸化、洗涤处理后的材料放入柔性电极前,以考察硝酸、酯溶剂等类型洗涤剂,将氧化铂材料洗涤干净,以保证表面均匀;
2.电解:将洗涤净的材料放入硫酸镁溶液中,电流密度为0.05-0.1A/cm2,电解时间一般在15min左右;
3.电阻率测量:根据阳极电极的表面状态和电阻,来判断阳极的电阻率是否达标,如达到预期电阻,可进行下一步操作。
如果电阻率未达标,则可继续加大电流,或加长电解时间。
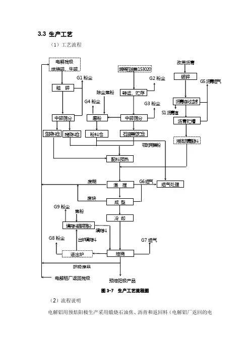
3.3 生产工艺
(1)工艺流程
图3-7 生产工艺流程图
(2)流程说明
电解铝用预焙阳极生产采用煅烧石油焦、沥青和返回料(电解铝厂返回的电
解残极、焙烧碎料、生碎料)为原料。
原料经破碎、筛分、配料,生产出生阳极,再经焙烧得到预焙阳极产品。
(1)原料贮运
预焙阳极生产所用主要原料煅烧石油焦,由带式输送机从集团公司料仓运来卸入Ф17⨯20m贮仓内,用料时由设置在仓下的电磁振动给料机经带式输送机输送到生阳极制造工序使用。
(2)返回料处理
生产过程中产生焙烧碎料、生碎料和电解铝厂返回的电解残极共用一套返回料处理系统,由500吨残极破碎机粗碎至100mm以下粒度,再由一台反击式破碎机中碎筛分至20mm以下粒度后,然后经斗式提升机直接送入料仓待用。
焙烧碎料、残极碎料用于配料,生碎料进入混捏工段。
(3)液体沥青制备
由汽车运来固体改质沥青经颚式破碎机破碎,送入沥青熔化罐内,用高温导热油间接加热熔化,经过滤机过滤滤去杂质后进入液体沥青接收槽,再用输送泵送到2座Ф8⨯8m沥青保温贮罐内,单座贮罐贮存容量为400t。
使用时由沥青输送泵输送至生阳极车间用于配料。
(4)生阳极制造
生阳极制造包括中碎筛分、磨粉、配料、混捏和成型冷却等生产工序。
①中碎筛分
本项目设2个石油焦中碎、筛分系统和1个残极返回料中碎、筛分系统。
石油焦(或残极料)分别由电磁振动给料机给料,经带式输送机、斗式提升机送入一台双层水平振动筛和一台单层水平振动筛(残极为1台二层水平振动筛)筛分处理,粒度大于12mm的料返回中间料仓,再由电磁振动给料机给料进入双辊破碎机(残极进入反击式破碎机)中碎后再重新筛分。
12~6mm,6~3mm的粒度料可直接进入相应配料仓,也可返回双辊破碎机重新中细碎至3mm以下,便于生产灵活调节。
粒度料有3种,为12~6mm、6~3mm、3~0mm,6~3mm、3~0mm的料除直接进入配料仓外,还有部分送经磨粉机磨粉成粉料。
生碎料在残极处理工段经两级破碎到20mm以下粒度后,经带式输送机,斗式提升机,直接运入生碎料仓使用。
②磨粉
为保证阳极产品的致密性,生阳极制造时需要加入一定比例的粉料(约45%左右)填充粒料之间的间隙。
粉料主要来源为收尘系统收集的焦粒粉尘、石油焦中碎筛分出的部分细碎粒(6~0mm)。
来料由磨粉机粉碎成粉料。
磨粉采用四台6R4427摆式磨粉机。
由电磁振动给料机定量喂入摆式磨粉机内,从磨粉机出来的含尘气体经风选器分选后,粗粒子料被分离后返回磨粉机再磨,合格细粉经旋风收料器收集后送入粉料配料仓,循环风经通风机进入磨粉机用于循环生产。
磨粉过程中产生的多余风经净化处理后排入大气。
粉料除用于配料之外,部分粉料用作混捏、成型过程沥青烟气的吸附剂,用于沥青烟气的吸附处理,吸附沥青烟气后直接进入混捏工段。
③配料、混捏、均温、成型冷却
焦炭粒子料、粉料、残极粒子料分别由各自配料仓底部的给料机及漏斗秤按配方要求称量,再汇入复核秤。
由螺旋输送机将配好的原料运往预热混捏机上层加热锅内加热。
经30~40min将混合料加热到170~180℃后,热混合料和生碎料、液体粘结剂沥青一起加入预热混捏机下层的混捏锅中混捏,液体沥青用电子漏斗秤计量,采用减量法。
配料全过程采用微机自动控制。
混捏选用双搅拌、双加热4000升预热混捏机。
每次可混捏糊料 3.8~4.5吨,混捏周期为30~40min。
混捏好的糊料卸入活底糊料箱,经电动平板小车、桥式起重机送入糊料均温箱均温处理。
成型采用固定台式振动成型机。
用料时,将均温箱内糊料直接送入成型机称量斗中计量,而后进入成型机振动台振动成型。
成型炭块经检测合格后进入冷却输送机冷却,冷却后的生阳极块经辊道输送机输送到炭块库贮存。
不合格的生阳极块用叉车送到返加料处理系统。
生阳极制造全生产线采用PLC自动控制,也可手动控制。
(5)阳极焙烧
生阳极块经板式输送机送入焙烧车间,经碳块编组站编为7块一组,置于专用的编组架上,产品装炉时由多功能机组一次夹2组碳块(共14块)装入焙烧炉。
填充料的装、出炉操作,采用1台多功能机组和1台填充料专用装出炉机组共同完成。
生阳极的焙烧采用一台54室敞开式焙烧炉,共设3个火焰系统,每个火焰系统6室运转,焙烧曲线为26~30h/室,每个炉室8个炉箱,炉箱尺寸
5300mm(长)×800mm(宽)×5600mm(深),每箱装3层,每层装7块,每个炉室装168块。
焙烧炉用焦炉煤气作为燃料。
按编制的时间表,将装好生阳极炭块的焙烧炉室接入加热系统,加热系统烟气温度为1200℃,整个加热升温过程用计算机进行控制。
经156~180小时完成加热焙烧后切断热源脱离加热系统,对炉室进行强制冷却,冷却到规定的时间后出炉。
生阳极炭块装入焙烧室时,需要在炭块四周和顶部填充焦粉,以防止炭块在高温焙烧时接触空气氧化。
加热系统的火道采用负压运行,部分填充焦粉、生阳极炭块高温焙烧过程原料沥青中的挥发份等从焙烧室缝隙吸入火道被燃烧。
阳极焙烧分4个区,工作区-冷却区-加热区-预热区。
6个室一周转。
工作区为1个室,冷却区为1个室,加热区为1个室,预热区为3个室。
工作区为装、出阳极区,冷却在冷却区由鼓风机强制通风冷却,风在冷却阳极的同时,自身也得到预热,热风作为加热区的一次空气助燃,燃烧后的废气进入预热区预热阳极。
焙烧阳极出炉时,首先用填充料装出炉机组去除覆盖在阳极上的填充料,然后用多功能机组将两个炉箱内的阳极(共14块)一次吊出送到清理站解组并清理,由阳极清理机组的机械刮刀机械清理,同时抽风吸尘。
经清理及测试后合格的阳极炭块送到碳块库由堆垛天车堆垛贮存,外售。
在焙烧过程中,从焙烧炉排出的含有沥青焦油及粉尘的焙烧烟气进入净化系统处理。