噪声预测章节计算公式
- 格式:doc
- 大小:51.00 KB
- 文档页数:3
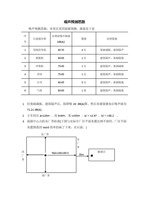
噪声预测思路噪声预测思路:本项目采用面源预测,源强见下表1 经基础减振、建筑隔声后,按降噪20 dB(A)算,然后各源强叠加后噪声级为71.21 dB(A)。
2 主车间长a=120m ,高b=9m ,宽c=55m 。
a/π=2.87 ,b/π=38.2 。
3 面源中心点距各厂界距离(下图与实际中厂区平面布置比例不相符,厂区平面布置图我用word 简单的画了下来,在后面。
)西厂界 北厂界南厂界声环境影响面源预测模式采用公式如下:当r≤a/π时,噪声传播途中的声压级值与距离无关,基本无明显衰减;当a/π≤r≤b/π时,声源面可近似为线源,预测公式为:L(r)=L(r0)-10log(r/r0)-ΔL;当r≥b/π时,可近似认为声源为点源,预测公式为:L(r)=L(r0)-20log(r/r0)-ΔL;r0 =1m,ΔL=0 面源中心源强叠加后噪声级为71.21dB(A) (1)西厂界:a/π≤r1≤b/π ,则L(r1)=L(r0)-10log(r/r0)-ΔL =71.21-14.98-0=56.23 dB(A) (2)北厂界:r2≥b/π ,则L(r2)=L(r0)-20log(r/r0)-ΔL=71.21-36.26-0=34.95 dB(A) (3)南厂界:r3≥b/π ,则L(r3)=L(r0)-20log(r/r0)-ΔL=71.21-38.4-0=32.81 dB(A) (4)东厂界:r4≥b/π ,则L(r4)=L(r0)-20log(r/r0)-ΔL=71.21-44.4-0=26.81 dB(A) (5)敏感点:r5≥b/π ,则L(r5)=L(r0)-20log(r/r0)-ΔL=71.21-45.82-0=25.39 dB(A)。
环评噪声自动计算公式环评噪声自动计算公式1. 噪声计算公式•声级计算公式:L = 10 * log10 (P/P0),其中L为声级(dB),P为声压(Pascal),P0为参考声压(通常取值1* 10^-12 Pascal)。
•声功率级计算公式:Lw = L + 10 * log10 (A/A0),其中Lw为声功率级(dB),A为振幅,A0为参考振幅(通常取值1 * 10^-12)。
2. 环评噪声自动计算公式•环评噪声计算公式:Ltotal = Lsource -10 * log10 (S / R),其中Ltotal为总噪声水平(dB),Lsource为源噪声水平(dB),S为源和接收点之间的距离(米),R为参考距离(通常取值1米)。
3. 举例说明假设有一个工厂,位于源噪声点与接收点之间的距离为300米。
该工厂噪声源的噪声水平为80dB。
根据环评噪声计算公式,可以计算出总噪声水平。
首先,将源噪声水平代入计算公式中: Ltotal = 80 - 10 *log10(300 / 1)根据计算公式,可以推导出结果: Ltotal = 80 - 10 * log ≈因此,该工厂的总噪声水平约为。
4. 小结通过环评噪声计算公式,可以定量地计算源与接收点之间的噪声水平。
通过该公式,可以帮助评估噪声对环境的影响,并为环评工作提供参考依据。
5. 公式的应用范围•环评噪声自动计算公式适用于环境评估工作中对噪声影响的评估。
•该公式可以应用于各类噪声源,包括工厂、交通等引起的噪声。
•计算公式可用于不同距离范围内的噪声评估,只需要根据具体情况调整源和接收点之间的距离值。
6. 环评噪声计算公式的优点•通过使用环评噪声计算公式,可以快速、准确地计算噪声水平,节省了手动计算的时间和努力。
•该公式具有较高的精度和可靠性,能够提供真实可信的噪声数据。
•简单的计算公式使得噪声评估工作更易于操作和理解。
7. 环评噪声计算公式的局限性•环评噪声计算公式基于简化的模型,无法考虑到复杂的环境因素和噪声传播路径的影响。
如何噪音计算公式
噪音计算公式dB = 10 log Ø (Ø 为音能比值,Ø 与距离r 平方成反比)。
公式表示为:噪声系数NF=输入端信噪比/输出端信噪比,单位常用“dB”。
在放大器的噪声系数比较低的情况下,通常放大器的噪声系数用噪声温度(T)来表示。
放大电路不仅把输入端的噪声放大,而且放大电路本身也存在噪声。
所以,其输出端的信噪比必小于输入端信噪比。
在放大器中,内部噪声与外部噪声愈小愈好。
放大电路本身噪声越大,它的输出端信噪比越小于输入端信噪比,NF就越大。
Lpi——第i个噪声源在受声点P出的声级;
Lwi——第i个噪声源的声功率级;
Lp总——受声点P出的总声级;
ΔL1——噪声随传播距离的衰减;
ΔL2——噪声被空气吸收的衰减;
ΔL3——墙壁屏障效应衰减;
ΔL4——户外建筑物屏障效应衰减。
扩展资料:
此外,噪声系数还具有下列特点:
(1)此参数不包括负载对输出噪声的贡献。
(2)噪声系数密切依赖于信号源的内阻。
(3)无噪声二端口的噪声系数为1。
(4)一个含噪声二端口总是会将其自身噪声添加到信号源的噪声,这种贡献可用(F-1)来估计。
换言之,噪声系数总大于1。
(5)如果没有信号源内部阻抗的信息,噪声系数的概念是没有意义的。
(6)相对于S/N,噪声系数更便利于测量和计算,因为没有必要知道信号的振幅。
此外,由噪声系数的表达式可推导m信号源电阻的最优值,而对于S/N,信号源电阻最优值是零。
3、噪声源强和预测模式:导则没有推荐噪声源强计算公式,主要两个模式,一般采用较保守的预测模式。
声评价导则推荐采用2006版交通部规范预测模式。
FWHM 模式:15米处噪声源强i 型车辆行驶于昼间或夜间,预测点接收到小时交通噪声值按式(5.3.1-1)计算:(L Arq )i =13)lg(100-∆+∆+∆-+路面纵坡距离L L L uTN L i i W (5.3.1—1) 式中:(L Arq )i ——i 型车辆行驶于昼间或夜间,预测点接收到小时交通噪声值,dB ;i W L 0——第i 型车辆的平均辐射声级,dB ;i N ——第i 型车辆的昼间或夜间的平均小时交通量(按附录B 计算),辆/h ; u ——i 型车辆的平均行驶速度,km /h ;T ——L Arq 的预测时间,在此取lh ;ΔL 距离——第i 型车辆行驶噪声,昼间或夜间在距噪声等效行车线距离为r 的预测点处的距离衰减量,dB ;ΔL 纵坡——公路纵坡引起的交通噪声修正量,dB ;ΔL 路面——公路路面引起的交通噪声修正量,dB 。
2006版交通部规范:7.5米噪声源强车速的确定:两种方法,公式法,2006版交通部规范;经验法:调查项目区域同等级高速公路的实际运营速度经验值:设计时速2、噪声预测软件:CADNAA噪声修正:路面、坡度的修正;障碍物附加衰减量(包括由路基、桥梁、路堑和声屏障等形成的声影区的衰减;农村房屋衰减量我的理解:噪声水平距离预测时可不考虑障碍物附加衰减量、声屏障等,但在环境敏感点预测时应考虑道路两侧路段状况、障碍物附加衰减量小型车:63-140km/h中型车:53-100km/h大型车:48-90km/h城市道路,可在类比实测的基础上进行对于40km/h 及以下的设计时速的道路预测,车速取设计时速进行预测车型比折算系数:4、噪声传播规律一般大型车辆所占车流量比例增加10%,噪声增加2dB(A)左右。
车辆流噪声辐射和车速的关系基本上是车辆速度每增加1倍,噪声增加5-6 dB(A)左右;控制车辆速度可以明显降低车辆和车辆流噪声辐射,只适用于70km/h以下车速。
4.2.3.2噪声影响预测(1)噪声预测模式评价采用《环境影响评价技术导则—声环境》(HJ2.4-2009)中推荐的预测模式,噪声预测模式如下:i )点声源衰减模式:)()(0r L r L p p =-)lg(200r rii )建设项目声源在预测点产生的等效声级贡献值(eqg L )计算公式:)101lg(101.0∑Ai L ii eqg t T L = 式中:L eqg —建设项目声源在预测点的等声级贡献值,dB (A ); LAi —i 声源在预测点产生的A 声级,dB (A ); T —预测计算的时间段,s ;t i —i 声源在T 时间段内的运行时间,s 。
iii )预测点的预测等效声级(eq L )计算公式:)lg10lg10lg(101.01.0eqgeqgL L eq L +=式中:L eqg —建设项目声源在预测点的等效声级贡献值,dB (A ); L eqb —预测点的背景值,dB (A )。
将相邻的两噪声合并成一个噪声源后,各噪声源经距离衰减后,到各噪声监测点的贡献值,再将各监测点的各噪声源的贡献值进行叠加,最终得到厂界贡献值。
各预测点到声源的距离见表4-18,声源到预测点贡献值见表4-19,噪声影响预测结果见表4-20。
表4-18 主要噪声源与预测点的距离 单位:m表4-19 声源到预测点贡献值表4-20 工程运行期噪声预测结果一览表单位:dB(A)磨选区破碎区由上表4-20的预测结果可知:预测结果满足《声环境质量标准》(GB3098-2008)中2类标准,对周围声环境影响较小。
欢迎您的下载,资料仅供参考!致力为企业和个人提供合同协议,策划案计划书,学习课件等等打造全网一站式需求。
4.2.3.2 噪声影响预测(1)噪声预测模式评价采用《环境影响评价技术导则—声环境》 (HJ2.4-2009) 中推荐的预测 模式,噪声预测模式如下:i)点声源衰减模式:L p (r) L p (r 0 ) - 20 lg(r r 0 )ii)建设项目声源在预测点产的等效声级贡献值( L eqg )计算公式:L eqg 10 lg(T 1i100. 1L A i)=式中: L eqg —建设项目声源在预测点的等声级贡献值, dB (A);LAi —i 声源在预测点产生的 A 声级, dB (A);T —预测计算的时间段, s ;t i —i 声源在 T 时间段内的运行时间, s 。
iii)预测点的预测等效声级( L eq )计算公式:L eq 10lg(10lg 0.1L eqg 10lg 0.1L eqg )式中: L eqg —建设项目声在预测点的等+效声级贡献值, dB (A);L eqb —预测点的背景值, dB (A) 。
将相邻的两噪声合并成一个噪声源后, 各噪声源经距离衰减后, 到各噪声监 测点的贡献值, 再将各监测点的各噪声源的贡献值进行叠加, 最终得到厂界贡献 值。
各预测点到声源的距离见表 4-18,声源到预测点贡献值见表 4-19,噪声影 响预测结果见表 4-20。
表 4-18 主要噪声源与预测点的距离 单位: m磨选区 选铁车间 选钛车间 尾矿输送 破碎区2# 55 95 110 6#1# 65 65 80 5#3# 70 65 65 7#4# 50 40 30 8#表 4-19 声源到预测点贡献值表 4-20 工程运行期噪声预测结果一览表 单位: dB (A)磨选区西北厂界 1#45.945.242.8947.6647.21 西南厂界 2# 46.6 46.0 43.84 48.4548.06 东南厂界 3# 46.6 46.1 42.56 48.0447.69 东北厂界 4#破碎区46.4 46.2 46.3 49.3649.26由 上 表 4-20 的 预 测 结 果 可 知: 预 测 结 果 满 足 《 声 环 境 质 量 标 准 》 (GB3098-2008)中 2 类标准,对周围声环境影响较小。
噪声计算公式范文1.声压级(SPL)计算公式:声压级是噪声强度的常用指标,通常以分贝(dB)为单位。
声压级的计算公式如下:SPL = 20 * log10(p/p0)其中,SPL为声压级,p为声压,p0为参考声压(通常为20微帕)。
2. 声功率级(Sound Power Level)计算公式:声功率级用于描述噪声源的总发声能力,通常以分贝(dB)为单位。
声功率级的计算公式如下:SWL = 10 * log10(P/P0)其中,SWL为声功率级,P为声功率,P0为参考声功率(通常为10^-12瓦)。
3.噪声指数计算公式:噪声指数用于综合考虑不同频率范围内的声压级。
常用的噪声指数计算公式有以下几种:- 均方根声压级(Root Mean Square Sound Pressure Level,RMS SPL):RMSSPL=√[1/(n*∑(10^0.1*L_i))]其中,L_i为频率为i的频谱级,n为频谱的总数量。
- 均方根声能级(Root Mean Square Sound Energy Level,RMS SEL):RMS SEL = 10 * log10[1/(n*∏(10^(-0.1*L_i/10)))]其中,L_i为频率为i的频谱级,n为频谱的总数量。
- 均方根声压级增益(Root Mean Square Sound Pressure Level Gain,RMS SPL Gain):RMS SPL Gain = RMS SPL - L0其中,RMSSPL为均方根声压级,L0为参考声压级。
4.声频谱计算公式:声频谱是指不同频率范围内噪声的分布情况。
常用的声频谱计算公式有以下几种:- A频谱权重调整(A-weighted Spectrum Adjustment):LA=L+KA其中,L为原始频谱级,KA为A频谱的校正系数。
- C频谱权重调整(C-weighted Spectrum Adjustment):LC=L+KC其中,L为原始频谱级,KC为C频谱的校正系数。
第1篇随着我国城市化进程的加快,建筑工地越来越多,施工噪声污染问题日益突出。
为了有效控制和预测工程施工噪声,本文将介绍一种工程施工噪声预测公式,旨在为相关领域的工程师和研究人员提供参考。
一、背景工程施工噪声主要来源于机械设备、运输车辆、人员作业等。
噪声污染对周边居民的生活、工作和健康产生严重影响。
因此,对工程施工噪声进行预测和治理具有重要意义。
二、预测公式1. 噪声预测公式根据声学原理,工程施工噪声预测公式如下:Lp = Lw + 10lg(S) + 10lg(r) + K式中:Lp 为预测的噪声级(dB)Lw 为声源声功率级(dB)S 为声源面积(m²)r 为预测点与声源的距离(m)K 为修正系数,根据实际情况确定2. 声源声功率级(Lw)计算声源声功率级计算公式如下:Lw = Lp - 10lg(4πr²) - 10lg(1.22)式中:Lp 为声源声功率级(dB)r 为声源半径(m)3. 声源面积(S)计算声源面积计算公式如下:S = πr²式中:S 为声源面积(m²)r 为声源半径(m)4. 修正系数(K)确定修正系数K根据实际情况确定,主要包括以下因素:(1)声源类型:不同类型的声源,其修正系数不同;(2)声源数量:声源数量越多,修正系数越大;(3)声源位置:声源位置对噪声传播影响较大,需要根据实际情况调整修正系数;(4)声波传播条件:声波传播条件如大气温度、湿度等对噪声传播影响较大,需要根据实际情况调整修正系数。
三、应用工程施工噪声预测公式在实际应用中,可根据以下步骤进行:1. 确定声源类型、数量、位置等信息;2. 根据声源类型、数量等信息,计算声源声功率级(Lw);3. 根据声源半径,计算声源面积(S);4. 根据预测点与声源的距离,计算预测点处的噪声级(Lp);5. 考虑修正系数K,调整预测噪声级。
四、结论本文介绍的工程施工噪声预测公式,为相关领域的工程师和研究人员提供了预测工程施工噪声的方法。
目录一、相关标准及公式 (3)1)基本公式 (3)2)声音衰减 (4)二、吸声降噪 (5)1)吸声实验及吸声降噪 (6)2)共振吸收结构 (7)三、隔声 (8)1)单层壁的隔声 (8)2)双层壁的隔声 (9)3) 隔声测量................................... 错误!未定义书签。
4)组合间壁的隔声及孔、缝隙对隔声的影响 (10)5)隔声罩 (10)6)隔声间 (10)7)隔声窗 (11)8)声屏障 (11)9)管道隔声量 (12)四、消声降噪 (12)1)阻性消声器 (12)2)扩张室消声器 (14)3)共振腔式消声器 (15)4)排空放气消声器 (13)压力损失 (13)气流再生噪声 (13)五、振动控制 (16)1)基本计算 (16)2)橡胶隔振器(软木、乳胶海棉) (16)3)弹簧隔振器 (18)重要单位: 1N/m=1kg/s2 1r/min=1/60HZ 标准大气压1.013*105 气密度5273.2=1.29 1.01310PT ρ⨯⨯⨯基准声压级Po=10*105 基准振动加速度10-6m/s2 1Mpa=1000000N/m2倍频程测量范围: 中心频率两侧70.7%带宽;1/3倍频程测量范围: 中心频率两侧23.16%带宽 一、相关标准及公式 1)基本公式声速331.50.6c t =+ 声压与声强的关系22P I=cv cρρ= 其中v wA =,单位:W/m 2声能密度和声压的关系,由于声级密度I cε=,则22P c ερ= J/m 3质点振动的速度振幅p Iv c pρ== m/s《环境影响噪声控制工程—洪宗辉P11》 A 计权响应与频率的关系见下表《注P350》等效连续A 声级0.1110lg10AiL eq ti tiiL =∆∆∑∑ ti ∆第i 个A 声级所占用的时间昼夜等效声级0.10.1(10)5310lg 101088dnL L dn L +⎡⎤=+⎢⎥⎣⎦22:00~7:00为晚上本底值90L ,2109050()60AeqL L L L -=+如果有N 个相同声音叠加,则总声压级为110lg p p L L N =+ 如果有多个声音叠加10110lg(10)PIL Np i L ==∑声压级减法101010lg(1010)PT PB L L PS L =-背景噪声(振动)修正值2)声音衰减 (1)点声源常温时球面声波扩散的表达式210lg4p w QL L rπ=+ 半径分别为r 1和r 2两点的扩散声压级差2120lg d r A r = 自由空间120lg 11p w L L r =-- 半自由空间120lg 8p w L L r =--(2)线声源声压级:110lg 3p w L L r =--半径分别为r 1和r 2两点的扩散声压级差2110lg d r A r = 声屏障计算规范 (3)有限长线声源如果测得在0r 处的声压级为0()P L r ,设线声源长为l 0,那么距r 处的声压: 当000r l r l >>且时,可近似简化为()0()()20/P P o L r L r r r =-,即在有限长线声源的远场,有限长线声源可当作点声源处理。
噪声公式集合范文噪声公式是用于计算和描述噪声信号特性的数学方程式。
噪声是指信号中持续存在的随机波动,这些波动在信号传输和处理过程中会引入干扰和误差。
噪声公式可以用于分析和预测噪声对信号质量的影响,以及设计和优化噪声抑制方法。
下面是一些常见的噪声公式集合:1.高斯白噪声公式高斯白噪声是一种具有高度随机性和均匀分布的噪声信号。
其数学表达式为:n(t) = A * cos(2πft + θ)其中,n(t)是噪声随时间变化的函数,A是噪声的幅度,f是噪声的频率,θ是噪声的相位。
高斯白噪声的功率谱密度是常数,与频率无关。
2.瑞利噪声公式瑞利噪声是一种特定频率范围内的噪声,常见于无线通信系统中。
其数学表达式为:n(t) = A * cos(2πft + φ)其中,n(t)是噪声信号,A是噪声的幅度,f是噪声的频率,φ是噪声的初始相位。
瑞利噪声的功率谱密度呈现逆幂律分布。
3.瑞白噪声公式瑞白噪声是瑞利和高斯噪声的叠加,常见于无线通信系统中。
其数学表达式为:n(t) = A1 * cos(2πf1t + φ1) + A2 * cos(2πf2t + φ2)其中,n(t)是噪声信号,A1和A2是噪声的幅度,f1和f2是噪声的频率,φ1和φ2是噪声的初始相位。
4. AWGN(Additive White Gaussian Noise)噪声公式AWGN噪声是指在信号传输和处理过程中加入的均值为零、方差无限大的高斯白噪声。
其数学表达式为:n(t)=B*W(t)其中,n(t)是噪声信号,B是噪声的幅度,W(t)是符合高斯分布的白噪声。
5.激光强度噪声公式激光强度噪声是指激光器输出的强度存在的随机波动。
其数学表达式为:I(t)=I0+ΔI(t)其中,I(t)是激光强度随时间的变化,I0是激光器的平均强度,ΔI(t)是噪声部分。
这些公式是噪声信号特性的数学描述,可以帮助工程师和研究人员深入理解噪声的产生和传播机制,从而采取适当的措施来抑制和降低噪声对信号质量的影响。
在现代社会,随着城市化进程的加快和工业的发展,工程施工噪声污染已经成为影响人们生活质量的一个重要因素。
为了有效控制和治理工程施工噪声污染,需要对工程施工噪声进行预测,以便提前采取相应的措施。
本文将介绍工程施工噪声预测公式及其应用。
一、工程施工噪声预测公式工程施工噪声预测主要依据声学原理和噪声传播规律。
噪声预测公式可以表示为:L = Lp - 20log(d/r) - 10log(v/c) + K其中:L:预测点的噪声级(单位:分贝,dB);Lp:声源的噪声级(单位:分贝,dB);d:预测点与声源的距离(单位:米,m);r:参考距离(单位:米,m),一般取1米;v:声速(单位:米/秒,m/s),一般取340米/秒;c:声传播损失系数,又称声学参数,一般取1;K:环境噪声级修正系数,根据环境条件进行取值。
二、公式应用1. 确定声源的噪声级声源的噪声级Lp可以根据声源的类型和特性进行确定。
例如,常见的机械设备噪声级一般在80dB左右,而大型施工设备噪声级可达100dB以上。
2. 计算预测点与声源的距离预测点与声源的距离d是影响噪声传播的重要因素。
在实际工程中,需要根据施工现场的具体情况进行测量和计算。
3. 确定声速和声传播损失系数声速v和声传播损失系数c是影响噪声传播速度和衰减的重要参数。
在一般情况下,空气中的声速取340米/秒,声传播损失系数取1。
4. 计算环境噪声级修正系数环境噪声级修正系数K是根据施工现场的环境条件进行取值。
例如,在噪声敏感区域,如居民区、学校等,环境噪声级修正系数取较大值,以保证施工噪声对周围环境的影响得到有效控制。
5. 计算预测点的噪声级将上述参数代入噪声预测公式,即可计算出预测点的噪声级L。
根据计算结果,可以针对性地采取隔音、降噪等措施,以减少工程施工噪声对周围环境的影响。
三、总结工程施工噪声预测公式是一种有效的方法,可以帮助我们预测和控制工程施工噪声污染。
在实际应用中,需要根据施工现场的具体情况进行参数选取和计算,以确保预测结果的准确性和可靠性。
噪声常用计算定律整汇总噪声计算定律是指使用数学公式和计算方法来预测和估计噪声的特征和级别。
这些定律的应用领域非常广泛,包括电子设备、通信系统、机械结构、航空航天等等。
下面是一些常用的噪声计算定律的整理:1.总噪声计算定律:总噪声计算定律是指多个噪声源贡献的噪声总和可以通过求平方和的方式进行计算。
对于N个独立噪声源,总噪声为:Nt=√(N1^2+N2^2+...+Nn^2)2.热噪声计算定律:热噪声是由于温度导致的电子器件内部粒子运动引起的噪声。
热噪声的功率谱密度与电阻值和温度有关。
根据热噪声计算定律,热噪声的功率谱密度可用公式Nt=4kTR计算,其中k为玻尔兹曼常数,T为温度,R为电阻值。
3.白噪声计算定律:白噪声是具有平均功率谱密度的噪声,其功率谱密度在所有频率上都是均匀的。
按白噪声计算定律,白噪声的功率谱密度为常数值,可用公式Nt=K计算,其中K为功率谱密度常数。
4.加性噪声计算定律:加性噪声是指在信号传输过程中添加到信号中的噪声。
按加性噪声计算定律,噪声的总功率等于各个噪声源功率的总和。
5.比例噪声计算定律:比例噪声是指在一些设备或系统中,噪声与信号的幅度成比例关系。
按比例噪声计算定律,信噪比的增益因子为正比例噪声比。
6.系统噪声计算定律:系统噪声是指在整个系统中存在的噪声。
按系统噪声计算定律,系统噪声可以通过各个部分的噪声贡献之和来计算。
7.噪声带宽计算定律:噪声带宽是指信号传输中的频带范围,通常用于描述噪声的频谱特性。
噪声带宽可以通过频率计算定律来计算,即频率的上界减去频率的下界。
8.高斯噪声计算定律:高斯噪声是一种概率分布为高斯分布的随机噪声。
按高斯噪声计算定律,高斯噪声的功率谱密度可以用公式Nt = K * exp(-f^2 / 2σ^2)计算,其中K为功率谱密度常数,f为频率,σ为噪声标准差。
9.相位噪声计算定律:相位噪声是指随机噪声引起的相位变化。
按相位噪声计算定律,相位噪声可以用单边功率谱密度来计算。
噪声计算公式范文
噪声源强度是指噪声源产生的声能大小,常用单位是分贝(dB)。
传播路径距离是指噪声从源头到接收点的传播距离,常用单位是米(m)。
环境因素包括空气传播损耗、反射、折射等影响噪声传播的因素。
常见的噪声计算公式有以下几种:
1.自由场传播模型:
L = L0 - 20log(r) - αr
其中,L是接收点的噪声水平(dB),L0是源点的噪声水平(dB),r是源点到接收点的距离(m),α是传播路径衰减系数。
2.装备噪声模型:
L = L0 - 10log(Q/Q0)
其中,L是接收点的噪声水平(dB),L0是源点的噪声水平(dB),Q是接收点的装备噪声(Pa),Q0是源点的装备噪声(Pa)。
3.防护屏障衰减模型:
L = L0 + 20log(d/D)
其中,L是接收点的噪声水平(dB),L0是源点的噪声水平(dB),d是接收点与屏障之间的距离(m),D是屏障的表观宽度(m)。
4.建筑物传播模型:
L = L0 - 10log(1 + f) - 20log(r)
其中,L是接收点的噪声水平(dB),L0是源点的噪声水平(dB),f是建筑物反射差(-1~0),r是源点到接收点的距离(m)。
5.交通噪声模型:
L = L0 + 20log(v) + 10log(h)
其中,L是接收点的噪声水平(dB),L0是源点的噪声水平(dB),v是车辆速度(km/h),h是接收点的高度差(m)。
噪声计算公式可以根据具体情况选择合适的模型进行计算,但需要注意的是,噪声计算公式只是近似计算噪声水平的方法,实际情况可能受到多种因素的影响,如地形、气象条件等,因此在实际应用中需要结合实测数据进行修正和验证。
史上最强大的噪声分析常用计算公式汇总1.比噪声指数(SIR):SIR是用来测量噪声强度的一种计算方法,是用来衡量噪声和信号的比率。
具体的公式为:SIR= 10×log10(Pnoise/Psignal)其中,Pnoise是噪声的能量幅度,而Psignal则是信号的能量幅度。
2.噪声污染指数(NPI):NPI是用来衡量噪声污染程度的指数,它可以表示接触点与原来没有噪声污染的情况下的增加的能量值。
NPI可以使用以下公式来评估:NPI= 10×log10 [(Pnoise+Psignal)/Pn]其中,Pn是没有噪声污染的能量,而Pnoise和Psignal分别是噪声和信号的能量幅度。
3.噪声指数(Ln):Ln是定量分析噪声强度的一种指标,它可以用以下公式来求出:Ln= 10×log10(Pnoise)其中,Pnoise是噪声能量幅度。
4.噪声/信噪比(SNR):SNR是用来衡量噪声与信号的比率。
它可以使用下面的方程来求出:SNR= 10×log10 (Pnoise/Psignal)其中,Pnoise是噪声能量,而Psignal是信号的能量。
5.噪声幅度比(NRB):NRB用来衡量噪声能量与全局能量的比率,可用以下方程求出:NRB= 10×log10 [(Pnoise+Psignal)/P]其中,Pnoise和Psignal是噪声和信号的能量,而P则是全局能量。
6.噪声损耗指数(Lm):Lm是用来衡量噪声频带损耗的一种分析方法,其公式如下:Lm= 10×log10(Pnoise/P’noise)其中。
4.2.3.2噪声影响预测
(1)噪声预测模式
评价采用《环境影响评价技术导则—声环境》(HJ2.4-2009)中推荐的预测模式,噪声预测模式如下:
i )点声源衰减模式:
)()(0r L r L p p =-)lg(200r r
ii )建设项目声源在预测点产生的等效声级贡献值(eqg L )计算公式:
)101
lg(
101.0∑Ai L i
i eqg t T L = 式中:L eqg —建设项目声源在预测点的等声级贡献值,dB (A ); LAi —i 声源在预测点产生的A 声级,dB (A ); T —预测计算的时间段,s ;
t i —i 声源在T 时间段内的运行时间,s 。
iii )预测点的预测等效声级(eq L )计算公式:
)lg
10lg
10lg(101.01.0eqg
eqg
L L eq L +=
式中:L eqg —建设项目声源在预测点的等效声级贡献值,dB (A ); L eqb —预测点的背景值,dB (A )。
将相邻的两噪声合并成一个噪声源后,各噪声源经距离衰减后,到各噪声监测点的贡献值,再将各监测点的各噪声源的贡献值进行叠加,最终得到厂界贡献值。
各预测点到声源的距离见表4-18,声源到预测点贡献值见表4-19,噪声影响预测结果见表4-20。
表4-18 主要噪声源与预测点的距离 单位:m
表4-19 声源到预测点贡献值
表4-20 工程运行期噪声预测结果一览表单位:dB(A)
磨选区
破碎区
由上表4-20的预测结果可知:预测结果满足《声环境质量标准》(GB3098-2008)中2类标准,对周围声环境影响较小。