“三宝、四口”安全防护方法及要求通用版
- 格式:docx
- 大小:70.51 KB
- 文档页数:9
“三宝”、“四口”防护“三宝”防护:安全帽、安全带、安全网的正确使用;“四口”防护:楼梯口、电梯井口、预留洞口、通道口等各种洞口的防护应符合要求;1、安全帽1)安全帽是防冲击的主要用品,要具有一定强度的帽壳和帽衬缓冲结构组成,可以承受和分散落物的冲击力,并保护或减轻由于杂物从高处坠落至头部的撞击伤害;2)人体颈椎冲击承受能力是有限度的,国家标准规定:用5kg钢锤自1m高度落下进行冲击试验,头模受冲击力的最大值不应超过500kg;耐穿透性能用3kg钢锥自1m高度落下进行试验,钢锥不得与头部接触;3)帽衬顶端至帽壳顶内面的垂直间距为20~25mm,帽衬至帽壳内侧面的水平间距为5~20mm。
4)安全帽在保证承受冲击力的前提下,要求越轻越好,重量不应超过400g。
帽壳表面光滑,易于滑走落物。
5)安全帽必须是正规生产厂生产,有许可证编号,有检查合格证等。
不得购买劣质产品。
6)戴安全帽时,必须系紧下颚系带,防止安全帽坠落失去防护作用。
安全帽在冬季佩带在防寒帽外时,应随头型大小调节紧牢帽箍,保留帽衬与帽壳之间缓冲作用的空间。
2、安全网(略)3、安全带1)使用安全带要正确悬挂。
a架子工使用的安全带绳长限定在1.5~2m。
b应做垂直悬挂,要高挂低用比较安全,当做水平位置悬挂使用时,要注意摆动碰撞,不宜低挂高用;不应将绳打结使用,不应将钩直接挂在不牢固物体或直接挂在非金属墙上,防止绳被割断。
c关于安全带的标准(略)安全带一般使用五年应报废。
使用两年后,按批量抽检,以80kg重量,自由坠落试验,不破断为合格。
4、“四口”(略)(八)项目施工安全内业管理1、施工现场安全基础管理资料必须按局的要求标准整理,做到真实准确、齐全;2、作书面记录和签字的问题。
归纳起来具体有四个方面的意义:1)有利于规范安全生产检查、活动、教育及其各项安全生产管理行为。
2)有利于从程序上保证书面记录的内容完整、全面、真实,有利于安全管理部门更好地掌握本单位或各被检查单位安全生产的实际情况。
“三宝”、“四口”防护措施
一、“三宝”使用规划
1、现场使用的安全带、安全网、安全帽必须是专业厂家生产,有安全标志,已取得市安全监督站准用证的产品。
2、强化“三保”使用规章制度,制定严格的处罚措施,保证进入现场的每个人员必须佩戴安全帽,参与高出作业的人员必须系挂安全带,工程外侧使用密目安全网封闭防护。
二、“四口”防护计划
1、由专职安全员根据施工图纸、施工规划、脚手架、塔吊等相关因素的结合形式,确定“四口”的位置、数量、危险程度,制定严密的防护措施,报项目技术负责人审批后实施。
2、楼梯口采用Φ48钢管搭设标准防护脚手架,应做到搭设牢固、稳定、连续严密不得存在缺口,立杆间距不大于2米。
3、电梯井设置专用定型防护门,封闭牢固、严密,电梯井内每隔两层不大于10米设一道网。
4、预留洞口采用利用楼板受力钢筋或埋设钢筋网片的形式,形成平面防护网。
5、通道口采用脚手架搭设双层防护棚,竹笆满铺,上面覆盖高强竹胶板的防护措施,由专职安全员负责确定安全防护棚搭设位置、面积,并制定搭设方案,报项目技术负责人审核,项目经理审批后实施。
6、建筑物楼层及屋面临边防护采用搭设防护栏杆,外挂安全密目网的方式进行全封闭立体防护。
“三宝”使用及“四口”防护措施一、“三宝”的使用1、凡进入施工现场的所有人员,都必须配戴安全帽,作业中不得将安全帽脱下,搁置一旁,或当坐垫使用。
配戴的安全帽必须符合国家标准GTB-2811《安全帽》标准。
要正确使用安全帽,要扣好帽带调整帽衬间距,勿使轻易松脱或颤动摇晃。
缺衬带或破损的安全帽不准使用。
2、安全带应符合《安全带》规定标准。
使用时要高挂低用防止摆动碰撞,绳子不能打结,钩子要挂在连接环上。
当发现有异常时立即更换。
换新绳时要加绳套。
使用3米以上的长绳要回缓冲口,在攀登高空作业中安全带应有牢固挂钩设施。
安全带要妥善保管,不可接触高温,强酸,强碱,尖锐物体。
3、安全网在使用过程中要配备专人负责保养及时做检查和维修。
网内的坠落物要经常清理,保持网体洁净。
使用的安全网须做定期检验发现问题立即更换。
二、“四口”防护1、楼板层面及平台处的洞口边长大于25厘米,用坚实盖板盖设并设锁扣。
2、楼梯未端平台用钢管夹竹排封闭,设防护围栏并在洞口下方张挂安全平网。
3、墙面等处的竖向洞口设防护开关门。
素材2:“四口”、“五临边”防护措施(一)洞口防护措施1.孔洞防护(1)1.5m×1.5m以下的孔洞应预埋通长钢筋网或加固定盖板。
(2)1.5m×1.5m以上的孔洞,四周必须设两道护身栏杆,中间支挂水平安全网。
2.电梯井口防护电梯井口必须设高度不低于1.2m的金属防护门。
电梯井内首层和首层以上每隔四层设一道水平安全网,安全网应封闭严密,未经上级主管技术部门批准,电梯井内不得做垂直运输通道和拉圾通道。
3.楼梯踏步及休息平台口防护楼梯踏步及休息平台处必须设两道牢固防护栏杆或用立挂安全网做防护,回转式楼梯间应支设首层水平安全网。
4.阳台边防护阳台栏板应随层安装,不能随层安装的,必须设两道防护栏杆或立挂安全网封闭。
(二)临边防护措施建筑物楼层临边四周柱子边、井架与建筑物通道侧边、外脚手架边、框架结构梁边和施工作业层柱子边,无维护结构时,必须设两道防护栏杆,或立挂安全网加一道防护栏杆。
安全文明施工中的三宝、四口、五临边、三清、六好
安全文明施工中的三宝、四口、五临边、三清、六好:
1)“三保”防护(安全帽、安全带、安全网):
(1)凡进入施工现场人员,必须正确佩戴安全帽。
安全帽要经常检查,不符合要求的坚决报废。
(2)凡在2m及2m以上高处作业,必须系好安全带。
安全带上的各种部件不得任意拆掉和随意更换。
(3)安全网的规格、材质必须符合国家标准,使用前要认真检验。
2)“四口”(楼梯口、电梯口、通道口、预留洞口)防护:
(1)楼梯踏步拆模后,沿楼梯设1.2m高双层护身栏杆。
(2)在工程的东西两侧各设一个通道口,并搭设防护棚。
棚的宽度大于出入口,长度不小于3m。
棚顶用5cm厚木板铺满,其余暂不通行的单元入口临时封闭,封闭要牢固严密。
(3)预留洞口要用盖板盖严,固定牢固。
(4)通道口、楼梯口要有醒目的示警标志,夜间挂红灯示警。
3)“五临边”(沟、坑,槽和深基础周边;楼层周边;楼梯侧边;平台或阳台边;屋面周边)防护:
(1)基坑四周设置防护栏杆,夜间挂红灯示警。
(2)通往屋面周边、框架周边、斜马道两侧边、卸料平台两侧边都必须设置1.2m高的双层护栏,并挂安全网。
(3)电梯口和楼梯侧边必须安装临时防护栏杆,在安装正式栏杆前,不得拆除。
(4)上料平台除两侧设防护栏杆外,平台口还应设置安全门或活动防护栏杆。
(5)各种临近防护必须安装牢固,经检查验收后方可使用,任何人都无权私自随意挪动和
4)三清:下工活底清;料具底数清;工完场地清。
5)六好:施工准备好;设备管理好;工程质量好;安全生产好;完成进度好;生活管理好。
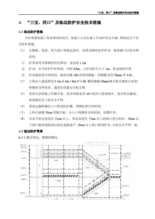
A “三宝、四口”及临边防护安全技术措施A.1临边防护措施为有效避免施工伤害事故的发生,使施工人员在施工作业时有安全感,特制定以下安全防护措施:(1)凡楼板、屋面、较大洞口等临边部位,均搭设钢管扣件护身。
临街敞口以密目网封闭。
①护身采用合格钢管扣件搭设,身高度1.2m②护身:水平防护栏杆两道,步距0.6m,立杆间距不大于2m,要求锚固牢固③护身满挂密目网封闭,根部设置180高度挡脚板,挡脚板采用50mm厚木板。
(2)主体出入通道搭设3.5m高4m×6m护头棚,棚顶满铺50mm脚手板并做防尘处理,两侧密目网封闭。
通道处设置安全标志牌。
(3)采用全封闭施工外脚手架,密目网要求用16#铅丝与架体绑牢,密目网无漏洞。
架体操作层下挂安全平网。
(4)垂直运输机械出入口搭设防护栅,两侧挂密目网封闭。
(5)上料台满铺50cm厚脚手板,出入口两侧密目网封闭,设置护身。
(6)对水平短边宽度在25cm以上、竖向高度在75cm以上的洞口进行防护。
50cm以下洞口临时砌筑或以固定盖板盖严。
50cm以上洞口搭设护身,并挂安全平网一道。
A.2临边防护简图A.2.1楼层周边、楼梯两侧边A.2.2出顶间、露台、斜屋面外侧边A.2.3斜料平台外侧边A.2.4接料平台周边A.2.5基坑周边A.2.6洞口防护B 施工现场维护措施B.1现场维护组织与管理B.1.1现场维护组织机构成立以项目经理为组长的现场维护小组,成员为施工工长、器材员、保卫、管理员、民工队长。
做好项目管理人员的岗位职责分工,做到各负其责,各司其责。
B.1.2各施工阶段现场维护措施(1)在开工准备阶段,作好平面布置及施工道路,组织机具进场、临建搭设。
及时与环卫、消防部门联系,进行环卫、消防申请。
(2)基础施工阶段,对进出车辆使用封盖运输,严禁洒漏,带泥上路,对现场存土采用绿色防尘网苫盖。
(3)主体施工阶段,抓好高空作业、临边及四口防护、架体搭设、建筑物内施工用电安全的各项安全管理。
三宝、四口防护制度是指在疫情期间,为了保护公众的生命安全和身体健康,采取的一系列防疫措施。
下面将详细介绍三宝、四口防护制度的内容和意义。
一、三宝防护制度1.宝一:洗手洗手是防止传染病传播的最基本也是最重要的措施之一。
正确的洗手方法包括:用肥皂和流动的水彻底洗手,至少20秒钟;注意清洗双手的每一个部位,包括手指间、手背和手腕等;洗手后使用纸巾或手帕擦干双手,用纸巾关掉水龙头。
2.宝二:戴口罩戴口罩可以有效阻止病毒和细菌通过空气传播。
在疫情期间,公共场所和人群聚集的地方戴口罩是必要的防护措施。
选择合适的口罩,确保口罩紧贴面部,不留空隙;避免触摸和调整口罩,以免污染;佩戴时间不宜过长,一般为4小时左右,口罩湿润或变形时即可更换。
3.宝三:保持距离保持社交距离是减少疫情传播的重要措施。
在公共场所与他人保持至少1米的距离;避免近距离接触、握手和拥抱;避免参加人多拥挤的聚会和活动;避免长时间停留在有人员密集的场所。
二、四口防护制度四口防护制度是指在家庭居住环境中,采取的一系列防疫措施,以保护家庭成员的健康。
1.每日必做四件事家庭成员每日必须做到四件事:测量体温、洗手、佩戴口罩、通风。
测量体温是及时了解身体健康状态的重要手段,对出现症状或发热的人员应及时就诊。
洗手是防止交叉感染的基本要求,家庭成员每次返回家中、接触外界物品后都应洗手。
佩戴口罩是在家中与其他成员交流时的防护措施,尤其是对患病或接触过患病人员的人员要重视。
通风是保持室内空气流通的重要方法,可以有效减少病毒和细菌的滋生。
2.个人物品分开家庭成员应将个人物品进行分开,避免共用物品造成交叉感染。
个人物品包括衣物、毛巾、餐具等,在使用过后应及时清洗和消毒。
3.分区分时用餐在家庭用餐时,应采取分区分时的方式,避免交叉感染。
家庭成员可以分成几个小组,每组在特定区域用餐,并定期进行消毒。
避免共食或用餐不同时导致食品交叉污染。
4.外出防护家庭成员外出时,应佩戴口罩、勤洗手,避免接触人群和公共物品。
三宝、四口防护制度范本一、概述本制度的目的是为了保障企业员工的安全和健康,防止事故的发生并减少工作风险。
在执行工作任务的过程中,员工应遵循三宝和四口的防护要求,确保自身的安全和他人的安全。
本制度适用于所有岗位和部门。
二、三宝防护原则1. 头部防护:(1)佩戴符合标准的安全头盔;(2)头盔应具备良好的抗冲击性能和防滑功能;(3)头盔使用过程中不得进行私自改装,如帽沿拆卸等;(4)佩戴头盔应固定好扣带,确保稳固。
2. 手部防护:(1)根据工作场景选择适合的手部防护用品,如手套、手部防护油膜等;(2)根据不同工作任务及安全风险,选择相应的手部防护级别;(3)正确佩戴手套,确保手部充分覆盖;(4)手套严禁以破损或过期方式使用。
3. 足部防护:(1)穿戴符合标准的安全鞋或安全靴,确保舒适和保护;(2)严禁穿着拖鞋、高跟鞋等不符合防护要求的鞋类;(3)安全鞋或安全靴鞋面应保持干燥、整洁和无损坏;(4)长时间使用后的安全鞋或安全靴应及时更换。
三、四口防护原则1. 口部防护:(1)在特殊环境下,如有粉尘、有害气体等工作场所,应佩戴防护口罩;(2)佩戴防护口罩时应确保鼻、嘴、下巴完全覆盖;(3)佩戴口罩过程中,注意保持适当呼吸和呼出。
2. 耳部防护:(1)在噪音环境下工作的工作岗位,应佩戴防护耳塞或耳罩;(2)佩戴耳塞或耳罩时,应正确插入耳道或套牢头部;(3)在听力受损或耳部感觉异常时,应尽快停止工作并咨询医生。
3. 眼部防护:(1)在有尘埃、异物飞溅等眼部安全风险的环境下,应佩戴防护眼镜或面罩;(2)佩戴防护眼镜或面罩时应确保完全包裹眼部;(3)使用防护眼镜时,应避免频繁触摸镜片,避免划伤眼部。
四、违规处罚措施对违反三宝和四口防护原则的员工,将按照公司的相关规定进行处理:1.第一次违规:口头警告,并进行必要的安全教育;2.第二次违规:书面警告,并进行必要的安全培训;3.第三次违规:扣除绩效奖金,并进行严肃的安全处罚;4.情节严重的违规行为,将依法纳入公司的纪律处分程序。
三字词语
三宝及四口防护措施
一、安全帽:
1)凡进入施工现场人员,必须戴安全帽,并系紧帽带。
2)操作机械时要束紧袖口,扣紧上衣,严禁披发,女工发辫应挽入帽内。
3)安全帽应定期检查,使用时系好帽带,不合格和严禁使用。
二、安全网:
建筑工程中高度在4m以上都要架设和张挂安全网,安全网的质量必须符合国家标准。
1)首层安全网:距地面最低的第一道网叫首层网,规定距地4m。
在整个施工过程中不得拆除,施工高度为六层以下,总高度不超过18m时,首层网应是一道伸出建筑物3~5m宽的固定安全网,超过六层,总高超过18m时,首层网伸出建筑物的宽度不能小于5m。
首层网最低距地面或坚硬物体高度,网宽为3m时,不小于3m,网宽6m时不小于5m。
2)层间安全网:首层网与施工作业层之间搭设的固定安全网称为层间网,在整个施工过程中不得拆除,自首层网开始,随着施工层的升高每隔四层都要搭设层间网一道,当负载高度在5m或5m以下时,其宽度应不小于2.5m,负载高度为5~10m时,宽度为3m,如遇到搭设6m宽首层网有困难时而不得减小其宽度时,层间网应适当加密,即每三层固定一道安全网。
随着施工高度上升的安全网又称随层网,当外脚手架只有一步设置脚手板时,板下一定要设随层网,否则,应在固定安全网层设满铺架层,在脚手架外侧,采用全封闭式立网,立网上口应高出施工工作面1.2m以上,多层建筑中的临边防护都应加设立网防护,立网下口要牢固扎结,固定点的间距应不大于50cm,下边沿应设挡脚板,立网平面与施工作业面边缘的最大间隙不得超过10cm.
3)
页脚内容1。
某工程安全防护方案(三宝、四口、临边、用电、脚手架)一、安全防护的重点:1、“三宝”防护:安全帽、安全带、安全网。
2、“四口”防护:楼梯口、电梯口、通道口、预留洞口。
3、临边防护。
4、脚手架防护:模板支架采用碗扣式快拆脚手架,外脚手架采用落地式脚手架。
5、电气设施的防护。
6、各种机具设备的防护。
二、防护措施及方法:1、“三宝”防护:1)安全帽的佩戴①凡进入施工现场的所有人员,必须正确佩戴安全帽。
作业中不得将安全帽脱下,搁置一旁,或当坐垫使用。
②安全帽使用前要认真检查帽壳、帽衬有无损坏现象,装配圈要牢固,顶绳要系紧。
缺衬带或破损的安全帽禁止使用。
③要正确佩戴安全帽。
戴帽时要系紧下颌带,调整好帽衬间距,误使轻易松脱或颠动摇晃。
④安全帽购买,必须按国家标准规定,检查是否备有产品检验合格证。
严禁购买和使用不合格产品。
2)安全带的使用①凡在2m及其以上高处作业,必须系好安全带。
②使用时要高挂低用,当做水平位置悬挂使用时,要注意摆动碰撞,不应将绳子打结使用,钩子挂在连接环上。
③不得采购和使用不合格的安全带。
④安全带一般使用五年应报废。
使用两年后,按批量抽验。
3)安全网的使用工程施工过程中沿建筑物四周外脚手架均挂合格的密目式安全网进行全封闭,内侧脚手架与墙体间搭设兜网,操作层内侧挂立网。
拆除时,操作工人系好安全带,自上而下进行,由专人进行监护,设警戒区并挂“禁止通行”等安全标志。
2、“四口”防护:楼梯模板拆除后立即搭设护栏,采用钢架管单排搭设1.2m高双横杆。
楼板、屋面、平台等平面上不同大小的预留洞口分别用坚实的木盖板盖设,并保证盖板不挪动移位,边长在1.5m以上的洞口,必须在洞口四周设高度1.2m的双道横杆护身栏杆,洞口下张设安全平网。
通道口要搭设安全防护棚,棚宽大于出入口宽度,长度不小于5m,高度为3m,用钢架管搭设,棚顶采用50mm厚的架板满铺并固定牢固,棚体两侧设防护栏杆,用密目网封闭。
3、临边防护:1)未安装栏板的阳台、料台和物料提升机、外用电梯与建筑物相连接的通道两侧等部位,必须设置防护栏杆,高度为1.2m,挂安全立网封闭,栏杆底部设150mm高挡脚板。
“三宝”、“四口”、“五临边”防护措施一、安全帽1、进入施工现场作业区必须按要求佩戴好安全帽,安全帽必须有合格证、生产厂家许可证、出厂时间。
2、应正确使用安全帽,扣好帽带,不准使用缺衬、缺带及破损的安全帽。
3、安全帽应符合GB2811-89标准。
二、安全网1、施工现场必须使用密目式安全网,架子外侧、楼层临边等处用密目式安全网封闭或栏护。
安全网宜放在杆件的里侧。
2、密目式安全网必须满足2000目/10cm×10cm,做耐贯穿试验不穿透,6×1.8m的单张网重量应在3kg以上,并应尽量满足环境效果要求。
3、安全网必须有产品生产许可证和质量合格证以及建筑安全监督管理部门发放的准用证等。
严禁使用无证不合格的产品。
4、安全网应绷紧、扎牢、拼接严密,不得使用破损的安全网。
三、安全带1、施工现场搭架等高处作业均应系安全带。
安全带应符合GB6095-85标准并有合格证书,生产厂家经劳动部门批准,并做好定期检验。
积极推广使用可卷式安全带。
2、安全带应高挂低用,挂在牢固可靠处,不准将绳打结使用。
安全带使用后有专人负责,存在干燥、通风的仓库内。
四、楼梯口楼梯口、边设置1.2m高防护栏杆和30cm高踢脚杆,杆件的里侧挂密目式安全网。
各种洞口应设置牢固的围护,防护栏杆等防坠落设施,通道附近夜间还应设置红灯警示。
五、预留洞口、坑井防护1、1.5m2以内的预留洞口、坑井用固定盖板防护,1.5m2以上的洞口四周设18cm高踢脚杆和0.6m、1.2m两道水平杆,栏杆里侧挂密目式安全网围护,洞口处张挂水平安全网。
2、洞口、坑井防护设施应定型化、工具化,不得采用竹片式防护。
六、通道口防护1、进出建筑物主体通道口、井架或物料提升机进口处,应搭设防护棚。
棚宽大于道口,两端各长出1m,垂直长度2m,棚顶搭设二层(采用脚手片的,铺设方向应互相垂直),间距大于30cm。
2、场地内、外道路中心线与建筑物(或外架)边缘距离分别小于5m和7.5m的,应搭设通道防护棚,棚顶搭设二层(采用脚手片的,铺设方向应互相垂直),间距大于30cm,底层下方张挂安全网。
“三宝、四口”与临边防护方案一、“三宝、四口”所包含的内容“三宝”即指:安全帽、安全网、安全带。
“四口”即指:楼梯口、电梯口、预洞口、通道口二、“三宝”的材质要求及使用方法1、安全帽1)、材质要求:采用具有一定强度的帽壳和帽衬缓冲结构组成。
帽壳采用半球形,表面光滑,易于滑走落物,前部的帽舌尺寸为10~55MM,其部分的帽沿尺寸为10~35MM。
帽衬至帽壳内侧面的水平间距为5~20MM。
2)、使用方法:佩带安全帽时,必须系紧下颚系带,防止安全帽坠落失去防护作用。
随头型大小调节帽箍,保留帽衬与帽壳之间缓冲作用的空间。
2、安全网1)、密目式安全网其构造要求为:网目密度不应低于2000目/100CM2,有耐穿性试验。
2)、落地式双排脚手架的外排杆用密目网封闭。
3)、每张安全网有国家指定的监督部门批量验证和工厂检验合格证。
3、安全带1)、材质要求:腰带和吊绳破力不应低于1.5KN,使用期限一般为五年,两年后应抽检。
2)、使用要求:架工使用的安全带绳长限定在1.5~2M,使用时应垂直悬挂,高挂低用。
当做水平位置悬挂使用时,要注意摆动碰撞。
三、“四口”的防护要求1、楼梯口、电梯口的防护:1)、设置防护栏杆,电梯井口除设置固定栅门外,还应在电梯井内每隔两层(不大于10M)设置一道安全平网,平网内无杂物,网与井壁间隙不大于10CM。
2)、防护栏杆、防护栅门应符合规范规定,整齐牢固、形成工具化、定型化。
安全可靠、整齐美观、周转使用。
2、预洞口、坑、井防护1)、对孔洞口(水平孔洞短边尺寸大于2.5CM,竖向洞高度大于75CM的)都要进行防护。
2)、较小洞口可临时砌死或用定型盖板盖严,较大洞口可采用穿于砼板内的钢筋构成防护网,上面满铺笆或脚手板,边长在1.5M以上的洞口,张挂安全平网,并在四周设防护栏杆。
3、通道口的防护1)、防护棚顶棚材料采用5CM厚木板或相当于5CM厚木板强度的其他材料,两侧应沿栏杆架用密目安全网封严。
“三宝、四口”安全防护措施一、“三宝”安全防护措施:1、安全帽:任何进入施工区都必须戴好安全帽,并扣好帽带。
2、安全带:参加高空作业的工作人员必须系好安全带,并禁止穿拖鞋、高跟鞋或赤脚。
3、安全网安全防护:主要是用来防护人和物的坠落。
(1)、安全网在使用中必须每周进行一次外观检查,看连接部位是否脱落等。
(2)、当安全网受到较大荷载冲击后,应更换新网或及时进行检查,看有无严重变形、磨损、断裂等,确认无误方可使用。
(3)、按GB5725-85规定使用中每3个月应进行试验绳强力试验。
(4)、应保证立网的高度不得低于1.2m(5)、网平面与支撑作业人员的面的边缘处最大间隙不得超过10CM。
二、“四口”安全防护措施:1、楼梯口的安全防护:(1)、焊接简易楼梯栏杆,可用¢12㎜,长1200㎜的钢筋,垂直焊接在楼梯踏步的预埋件上,上端焊接与楼梯坡度平行水平钢筋,也可安装预制楼梯扶手代替临时防护。
(2)、绑扎栏杆:在两段楼梯的缝中,两端各立一根站杆。
由于某种原因楼梯没跟上施工的高度,这个部位就形成一个大孔洞,这时应在每层铺一片大网,将孔洞封严。
2、电梯口的安全防护;电梯口的安全防护分两个方面。
一是电梯门口的防护;二是电梯井内的防护。
电梯门口防护用¢12MM钢筋,根据电梯门口的尺寸焊接单扇门或双扇门,高度为 1.2M,将门焊接在墙板的钢筋上。
一般一次性焊接固定为好,不宜做活门,目的是防止门被打开后,无人及时关闭,这样实际上还是不起防护作用。
电梯口上方在作业时下方应满铺大网,防止掉入。
3、预留口的安全防护:(1)、一般1M见方以下预留口,可用¢10MM钢筋,焊接钢筋网,固定在预留口上面,网孔边长在8CM左右,以防止掉物,也可在上面满铺木方或用有标志的盖板盖严。
(2)、较大的预留口,应按尺寸做成防护围栏,高度 1.2M。
围栏周围有登高作业,可设大网将下面预留口封严。
特殊型预留要采用脚手杆及跳板将预留口封严。
“三宝、四口、五临边”防护措施
1、“三宝”:施工现场配备齐全安全帽、安全带、安全网。
施工人员必须佩带安全帽,正确系好安全带。
2、“四口”(楼梯口、电梯井口、预留洞口、通道口)防护措施:
楼梯临边防护
(1)楼梯口的防护:在楼梯踏步和休息平台边搭设1.2m高的双层栏杆。
(2)电梯井口的防护:
电梯井防护
(3)预留洞口防护:1.5m×1,5m以下孔洞,预埋通长钢筋网片和固定盖板。
1.5mX1.5m以上孔洞,四周应设两道护身拦杆,每层挂水平安全网。
洞口防护(25≡W短边尺寸W500πw )洞口防护(50Mffi≤短边尺寸
洞口防护(短边尺寸Z1500E)
预留洞口防护
(4)通道口的防护
3、“五临边”(基坑临边、楼层及屋面周边、施工电梯口临边、阳台及雨棚临边等)防护措施:
(1)无外架防护的层面周边,框架工程楼层周边,上下跑道及斜道的两侧边,卸料平台的侧边称为五临边,设1.2m高双层防护拦杆。
(2)基坑临边防护:
为保证施工人员安全,基坑边采用钢管防护栏杆,每隔4m左右设一钢管立杆,打入土内深度70cm,离基坑边缘距离60cm,防护栏杆上杆距地1.2m,下杆距地0.6m,水平搭设好扶手栏杆,挂好标牌,严禁任意拆除。
“三宝”、“四口”防护
1、进入施工现场人员正确佩戴安全帽,杜绝使用缺衬、缺带及破损的安全帽。
并按公司标准要求对不同工种采用不同颜色的安全帽进行管理。
2、安全帽、安全带使用具有生产许可证的产品,安全网和密目网使用具有产品许可证和质量检验合格证并经当地质量技术监督局和建管局审查认可使用的产品。
安全带由专人负责存放在干燥、通风的仓库里。
3、临边和“四口”均按规定设置防护栏杆和防护盖板,并在防护栏杆上涂刷标志颜色(禁止标志颜色采用红、白相间,警告标志用黄、黑相间)。
4、通道口、预留洞口均采用定型化、工具化的防护设施,1.5平方米以内的预留洞口、坑井用固定盖板防护,1.5平方米以上的洞口,四周设护栏,护栏高1米,设三道水平杆。
5、外架架体下方施工通道、作业工场施工升降机底层出入口处上方等搭设双层防护棚,棚宽大于通道口,棚顶满铺脚手片。
三宝四口防护及临边防护措施1、“三宝”安全措施1)正确使用安全“三宝”,凡进入施工现场生产工作人员,百分之百必须戴安全帽,系好帽带,高处或靠边缘处作业按规定使用安全带,外墙脚手架要搭安全挡板,架设安全网。
2)使用安全帽注意事项:安全帽的作用就是保护头部减免伤害,安全帽是由帽壳和帽衬两部分组成的,这两者共同配合,起到挡住外来冲击物并缓冲,分散外来的冲击作用,以保证保护戴帽者的目的。
A、凡进入建筑工地的所有人员必须佩带安全帽,而不论何时何地必须戴好安全帽。
B、确保安全帽的规格要求:(1)垂直距离(即戴帽情况下,帽衬顶端与帽壳定面的水平距离),规定条件测量值应在25~50mm之间。
(2)水平距离(即戴帽情况下,帽箍与帽壳内顶面的垂直距离),规定条件测量其值应在5~20mm之间。
(3)佩带高度(即在戴帽情况下,帽箍底边至头帽端的垂直距离)按规定条件测量,其值应在80~90mm之间。
C、戴上安全帽必须结牢下颚带,以保护不会因碰撞而碰掉安全帽,或在万一附落头部向下时,安全帽也不致脱离头部。
D、不要摘下安全帽当垫座,以防帽壳变形,影响帽的缓冲性能。
E、帽壳已有裂缝或已破坏,要及时更换。
2、“四口”安全措施进行洞口作业以及在因工程和工序需要而产生的,使人与物有坠落危险或危及人身安全的其他洞口进行高空作业时,必须按下列规定设置防护设施。
A)板与墙的洞口,必须设置牢固的盖板,防护栏杆,安全网或其他防坠落和防护措施。
B)楼梯间未安装扶手时,必须设置防护栏杆,防护栏杆用钢筋焊接,楼梯间要有良好的照明。
C)土方开挖后的基坑或未回填土的基坑,以及上人孔、天窗、地板门等处,均应按洞口防护设置稳固的盖件或围栏。
D)施工现场通道附近的各类洞口与坑槽等处,除设置防护设施与安全标志外,夜间还应红灯示警。
3、临边防护安全措施对临边高处作业,必须设置防护措施:基坑周边,尚未安装栏杆或栏板的阳台,卸料台与挑平台边,雨篷与挑檐边,无外脚手架的屋面等处,都必须设置防护栏杆。
操作规程编号:YTO-FS-PD807
“三宝、四口”安全防护方法及要求
通用版
In Order T o Standardize The Management Of Daily Behavior, The Activities And T asks Are Controlled By The Determined Terms, So As T o Achieve The Effect Of Safe Production And Reduce Hidden Dangers.
标准/ 权威/ 规范/ 实用
Authoritative And Practical Standards
“三宝、四口”安全防护方法及要
求通用版
使用提示:本操作规程文件可用于工作中为规范日常行为与作业运行过程的管理,通过对确定的条款对活动和任务实施控制,使活动和任务在受控状态,从而达到安全生产和减少隐患的效果。
文件下载后可定制修改,请根据实际需要进行调整和使用。
“三宝”安全防护方法技术要求:
为确保工程施工作业人员的安全及实现安全生产管理目标,必须正确使用安全帽、安全带、安全网。
针对事故多发部位采取特殊的防护措施式施工中必须的条件,本项目部结合经验和要求提出以下注意事项:
一、安全帽
1、在发生物体打击的事故分析中,由于部戴安全帽而造成伤害者占事故总数的90%,无论工地有多少人员,只要有一人部戴安全帽,就存在着被落物打击而造成伤亡的隐患。
2、关于安全帽的标准
(1)安全帽式防冲击的主要用品,它式采用具有一定强度的帽壳和帽衬缓冲结构组成。
可以随和分散落物的冲击力,并保护或减轻由于高出坠落头部先着地面的撞击伤害。
(2)人体颈椎冲击随能力式有一定限度的,国际规
定:用5kg钢锤自1m高度落下进行冲击试验。
头模所受冲击力的最大值部应超过500kg;耐穿透性能3kg 钢锥自1m高度落下进行试验,钢锥不应与头模接触。
(3)帽壳采用半球形,表面光滑,易于滑走落物。
前部的帽舌尺寸为10~55mm,其余部分的帽沿尺寸为10~35mm。
(4)帽衬顶端至帽壳顶内面的垂直间距
20~25mm,帽衬至帽壳内侧面的水平间距为5~20mm (5)安全帽在保证随冲击力的前提下,要求越轻越好,重量部应高过400g。
(6)每顶安全帽上应有:制造厂名称、商标、型号;制造年、月:许可证编号。
每顶安全帽出厂时,必须有检验部门批量验证和工厂检验合格证。
3、佩戴安全帽时,必须系紧下颚系带,防止安全帽坠落失去防护作用,不同头型或冬季佩戴在防寒帽外时,应随头型大小调节紧牢帽箍,保留衬与帽壳之间缓冲作用的空间。
二、安全网
1、工程施工过程中,为防止落物和减少污染,必须采用密目式安全网对建筑物建造全封闭。
(1)外脚手架施工时,在落地式单排或双排脚手架的外派杆,随脚手架的升高用密目网封闭。
(2)黑脚手架施工时,在建筑物外侧距离10cm搭设单排脚手架,随脚手架升高(高出作业面1.5m)用密目网封闭。
当防护架距离建筑物尺寸较大时,应同时做好脚手架与建筑物每层之间的水平防护。
(3)当采用升降脚手架或悬挑脚手架施工时,除用密目网将升降脚手架或悬挑脚手架进行封闭外,还应对下部暴露出的建筑物的门窗等孔洞及框架柱之间的临边,按临边防护的标准进行防护。
2、关于密目式安全立网
(1)密目式安全网用于立网,其构造为:网目密度部应低于2000目/100c㎡。
(2)耐贯穿性试验。
用长6m,宽18m的密目网,紧绑在地面倾斜30°的试验框架上。
网面绷紧。
将直径48~51mm、重5kg的脚手管,距框架中心3m高度自由落下、钢管部贯穿为合格标准。
(3)冲击试验。
用长6m宽1.3m的密目网,绷紧在刚性试验水平架上。
将长100cm。
低面积2800c㎡,重100kg的人形砂包方向为长边平行于密目网的长边,砂包位置为距网中心高度1.5m自由落下,网绳不断裂。
(4)每张安全网出厂前,必须有国家制定的监督检验部门批量验证和工厂检验合格证。
3、由于目前安全网厂家多,有些厂家部能保障产品
质量,以致给安全生产带来隐患。
为此,强调各地建筑安全监督部门尖加强管理。
安全网必须有建筑安全监督部门颁发的准用证。
三、安全带
1、安全带主要用于防止人体坠落的防护用品,它同安全帽-样式适用于个人的防护用品,无论工地内独立悬空作业的有多少人员,只要有一个不按规定佩戴安全带,就存在着坠落的隐患。
2、适用安全带应正确悬挂
(1)架子工使用的安全带绳长限定在1.5~2m。
(2)应做垂直悬挂,高挂低用较为安全;当做水平位置悬挂使用时,要注意摆动碰撞;不宜低挂高用;部应将绳打结使用,以免绳结受力后剪断;不应将钩直接挂在部牢固物和直接挂在非金属绳上,防止绳被隔断。
3、关于安全带的标准
(1)冲击力的大小主要由人体体重和附落距离而定,坠落距离与安全挂绳长度有关。
使用3m以上长绳应加缓冲器,单腰带式安全冲击试验荷载不超过9.0KN。
(2)做冲击负荷试验,对架子工安全带,抬高1m 试验,以100kg重量栓挂,自由坠落不破断为合格。
(3)腰带和吊绳破断力不应低于1.5KN。
(4)安全带的带体上应缝有永久字样的商标、合格
证和检验证。
合格证上应注明:产品名称、生产年月、拉力试验、冲击试验、制厂名、检验员姓名。
(5)安全带一般使用五年应报废、使用两年后,按批量抽验,以80kg重量,自由坠落试验,不破断为合格。
4、关于速差式自控器(可卷式安全带)
(1)速差式自控器是装有一定绳长的盒子,作业时可随意拉出绳索使用,坠落时凭速度的变化引起自控。
(2)速差式自控器固定悬挂在作业点上方,操作者可将自控器内的绳索系在安全带上,自由拉出绳索使用,在一定位置上作业,工作完毕向上移动,绳索自行缩入自控器内。
发生坠落时自控器受速度影响控对坠落者进行保护。
(3)速差式自控器在1.5m距离以内自控为合格。
“四宝”安全防护方法技术要求:
“四口”是指建筑施工中的楼梯口、预留洞口、通道口、电梯井口,它是工人施工作业中经常接触的区域,也式最容易发生事故的要害部位,由此做好“四口”的安全防护工作式保证施工安全的一个重要环节。
下面介绍“四口”的安全防护措施:
一、楼梯口、电梯井口的安全防护
1、《建筑施工高处作业安全技术规范》(JGJ80-91)规定:进行洞口作业以及因工程工序需要而产出的,
使人与物有坠落危险或危及人身安全的其他洞口进行高处作业时,必须按规定设置防护设施。
2、楼梯口应设置防护栏杆;电梯井口除设置固定栅门外,(门栅网格的间距不应大于15cm)还应在电梯井内每隔两层(不大于10m)设置一道安全平网。
平网内无杂物,网与井隔间隙不大于10cm。
当防护高度超过一个标准层时,不得采用脚手板等硬质材料做水平防护。
3、防护栏杆、防护栅门应符合规范规定,整齐牢固,与现场规范化管理相适应。
防护设施在施工组织设计重有设计、整齐美观,周转使用。
二、预留洞口、坑、井防护
1、按照《建筑施工高处作业安全技术规范》
(JGJ80-91)规定,对孔洞口(水平孔洞短边尺寸大于2.5cm的,坚向孔洞口大小及作业条件,在施工组织设计重分别进行设计规定,并在一个单位或在一个施工现场中形成定型化、不允许由作业人员随意找材料盖上的临时做法,防止由于不严密不牢固而存在事故隐患。
3、较小的洞口可临时砌死或用定型改版盖严;较大的洞口可采用穿于混凝土板内的钢筋构成防护网,上面满铺竹笆或脚手板;边长在1.5m以上的洞口,张挂安全平网并在四周设防护栏杆或作业条件设计耕合理的防护措施。
三、通道口的安全防护
1.在建工程地面入口处和施工现场在施工人员流动密集的通道上方,应设置防护棚,防止因落物产生的物体打击事故。
2、防护棚顶部材料可采用5cm厚木板或相当于5cm 厚木板强度的其他材料,两侧应沿栏杆架用密目式安全网封严。
出入口处防护棚的长度应视建筑物高度而定,符合坠落半径的尺寸要求。
建筑高度h=2~5m时,坠落半径R为2m;
h=5~15时,坠落半径R为3m;
h=15~30m时,坠落半径R为4m;
h>30m时,坠落半径R为5m以上。
3、当使用竹笆等强度较低材料时,应采用双层防护棚,以使落物达到缓冲。
4、防护棚上部严禁堆放材料,若因场地狭小,防护棚兼作物料堆放架时,必须经计算确定,按设计图纸验收。
临边安全防护方法技术要求:
1、《建筑施工高处作业安全技术规范》(JGJ80-91)规定;施工现场中,工作面边沿无防护设施或围护设施高度低于80cm时,都要按规定搭设临边防护栏杆。
2、临边防护栏杆搭设要求:
(1)防护栏杆由上、下两道横杆及栏杆柱组成,上杆离地面高度为1.0~1.2m,下杆离地面高度为0.5~0.6m。
横杆长度大于2m时,必须加设栏杆柱。
(2)栏杆柱的固定及其与横杆的连接,其整体构造应使防护栏杆在上杆任何处,能经受任何方向的1000N外力。
(3)防护栏杆必须自上而下用密目网封闭,或在栏杆下边设置严密固定的高度不低于18cm的挡脚板。
(4)当临边外侧临街道时,除设置防护栏杆外,敞口立面必须采取满挂密目网作全封闭处理。
该位置可输入公司/组织对应的名字地址
The Name Of The Organization Can Be Entered In This Location。