地下室防水工程作业指导书.
- 格式:pdf
- 大小:160.36 KB
- 文档页数:10
颁布日期:2018.05.01作业指导书建筑防水工程基层平整度允许偏差检验1.目的为了进一步规范建筑防水工程基层质量检验,根据相关规范的要求,以及实际操作过程的经验,编制该检验作业指导书,作为使用各种相关测量仪器开展检验工作的依据。
2.适用范围适用于采用各种常用测量仪器检测建筑防水工程基层平整度偏差。
3.引用标准《建筑防水工程现场检测技术规范》(JGJ/T 299-2013)《住宅室内防水工程技术规范》(JGJ 298-2013)4.检测仪器设备4.1靠尺:长度2m,分辨率1mm。
4.2塞尺:量程0.02-1.00mm,分辨率0.02mm。
5.抽样规定5.1按检验批:5.1.1新建建筑屋面、外墙和地下工程检测单元的划分应符合国家现行有关验收规范规定,新建建筑室内防水工程检测单元的划分应符合下表:表5.1.1颁布日期:2018.05.015.1.2既有建筑室内防水工程检测单元划分符合表5.1.1,既有建筑的屋面、外墙和地下等防水工程检测单元应按防水层面积划分,并符合下表:表5.1.25.1.3测区划分每个检测单元的测区数量不应少于3个,且每个测区的面积不得小于10 m2,检测单元面积不足10 m2的,应作为一个测区。
对于建筑室内防水工程的自然间和水池,可从每个检测单元中随机抽取一个自然间和水池作为一个测区。
每个测区的测点数量不应少于3个。
5.2按委托方委托范围检验。
6.允许偏差基层表面平整度允许偏差不宜大于4mm:7.检验方法7.1基层平整度颁布日期:2018.05.01作业指导书2m靠尺和塞尺检查:在所抽样区域测点位置,沿着横向将靠尺放在基层表面,塞尺测量靠尺和较低位置的缝隙宽度,精确至0.1mm,测量若干次,记录靠尺横向摆放所测最大间隙。
继续沿纵向再重复上述测量,分别记录。
取纵横向读数最大值作为该测点平整度检测值,精确至0.1mm。
以各测点检测值的最大值作为该测区基层平整度检测结果,并以各测区检测结果的最大值为该检测单元基层平整度的检测结果。
作业指导书()萧山开元·名都大酒店工程地下室防水施工方案编制:审核:批准:宁波华丰建设集团股份有限公司2002年7月目录一、工程概述二、SBS改性沥青卷材施工方案三、质量保证措施四、施工注意事项地下室防水施工方案一、地下室防水工程概述开元·名都大酒店工程地下室主要分主楼和裙房地下室。
其中主楼地下室为二层,其外墙和局部地下室屋顶主要采用SBS改性沥青系卷材防水;裙房为一层,无地下室屋顶,其地下室外墙采用SBS改性沥青系卷材防水。
下面主要介绍一下SBS改性沥青系卷材的施工方案,其他防水方案详见开元·名都大酒店工程施工组织设计方案。
二、SBS改性沥青系卷材施工(一)、施工准备1、材料(1)铺贴沥青卷材,应使用同种类沥青胶结材料,不得混用。
(2)沥青胶结材料的软化点,应比基层及防水层周围介质的温度最高高出20~25℃,软化点最低不应低于40℃。
(3)SBS改性沥青油毡冷作业的配套材料为氯丁橡胶或再生橡胶改性沥青的汽油溶液做胶结剂,主要用于油毡与基层、油毡与油毡接缝的粘结。
(7)工业汽油,主要用于胶结料的稀释,沥青冷底子油配制。
冷底子油主要用于热熔法粘贴SBS卷材。
2、作业条件(1)表面干燥、降排水参照有关规定执行。
(2)基层表面清洁平整,用2m直尺检查,最大空隙不应大于5mm,不得有空鼓、开裂及起砂、脱皮等缺陷,空隙只允许平缓变化。
(3)平面铺贴卷材,宜使基层表面干燥,满涂冷底子油,待冷底子油干燥后,方可铺贴。
(4)SBS卷材、基层处理剂、有机溶剂等,均属易燃物品,存放和操作应远离火源,并不得在阴暗处存放,防止发生意外。
(5)卷材铺贴不得在雨天和大风环境中施工,最佳施工温度5℃以上。
(二)、SBS改性沥青油毡操作工艺1、铺贴改性沥青油毡防水层时,可采用煤油喷灯或热空气等进行加热熔接。
2、冷粘贴施工。
(1)、清理基层:在施工前,应将基层表面的突起物铲除,并将尘土杂物等彻底清除干净。
地下室外墙防水卷材施工作业指导书1概况及适用范围1.1 概况1.1.1卷材防水层一般应采用高聚物改性沥青防水卷材和合成高分子防水卷材,用于建筑物地下室铺设在结构主体底板垫层至墙体顶端的基面上,在外围形成封闭防水层。
1.1.2卷材防水层为一或二层。
高聚物改性沥青防水卷材厚度不应小于3mm,单层使用时,厚度不应小于4mm,双层使用时,厚度不应小于1.5mm,双层使用时,总厚度不应小于2.4mm。
A.阴阳角处应做成圆弧或450(1350)折角,其尺寸视卷材品质确定。
在转角处、阴阳角等特殊部位,应增贴1~2层相同的卷材,宽度不宜小于500mm。
B.防水卷材厚度选用应符合下表的规定。
1.2 适用范围:卷材防水层适用于受侵蚀性介质作用或受振动作用的地下工程,铺设在混凝土结构主体的迎水面上。
卷材材质,性能厚度应符合设计和规范要求。
2施工准备2.1 施工前应做好防水基层、防水材料及有关施工机具的准备工作。
2.2 为了保评正常施工,施工期间必须采取有效措施使基坑内地下水位降低到垫层以下不少于300mm处,基坑内不允许有积水。
2.3 地下室外墙找平层施工前的基层处理。
2.3.1基层面上的泥土浮浆必须铲除,冲洗干净,对高凸处的混凝土凿去修平。
2.3.2所有穿墙管件、卫生设备等必须安装牢固,接缝严密收头圆滑,不得有任何松动现象。
2.3.3对突出墙面的螺栓必须割掉,凿除木垫决,割进墙面20mm,;对割除的螺拴端头用1:2水泥防水砂装修平。
2.3.4隔衣浇水润湿。
2.4 找平层走工前应先刷界面剂,界面剂的配合比为干粉:水=4:1,应搅拌均匀成厚糊状(稠度为l00—120mm),用铁板均匀涂抹在基层面,厚度约2mm左右,过10—20分钟稍干后(视气温而弄)立即进行水泥砂浆找平层施工。
找平层厚度大于10mm叶应分两次粉刷,阴阳角应做成圆弧形或钝角。
若采用高聚物改性沥青卷材,钝角边长宜不小于50mm,若采用高分子卷材阴阳角圆弧半径不小于2cm。
本文部分内容来自网络整理,本司不为其真实性负责,如有异议或侵权请及时联系,本司将立即删除!== 本文为word格式,下载后可方便编辑和修改! ==防水作业指导书篇一:防水作业指导书************************************SBS改性沥青防水作业指导书******************************************二○○三年三月十八日施工单位(盖章)批准:审核:编制:******************************SBS高聚物改性沥青防水作业指导书前言:高聚物改性沥青防水技术是全国建筑业10项新技术之一,它作为当前一项比较先进的防水技术,是建筑工程技术发展的要求,代表了目前防水工程的发展方向。
它的主要特点是:(1)SBS高聚物改性沥青防水卷材主要以高聚物改性后的沥青为涂盖层,对改善沥青的低温性能有很大的贡献,可使沥青在-25℃时仍有一定的柔度而耐高温性能在90℃~100℃,扩大了卷材应用的温度范围,同时提高了沥青的强度、延度和卷材的耐老化的能力,延长了使用寿命。
(2)SBS防水卷材的胎体比以前使用的以纸为胎基的卷材性能有很大改进,不易出现胎基腐烂,并提高了延伸率。
(3)卷材厚度有所改进,比纸胎卷材厚,可采用双层或单层做法即可达到防水要求,施工简便,污染大大降低。
(4)卷材表面的保护层可降低卷材的工作温度,起到延长卷材寿命的作用。
屋面防水工程是重要的一个分项工程,它关系到建筑物使用功能的正常运行和建筑物的使用寿命,为确保3#、5#楼工程最终质量目标的实现,实现对业主的承诺,树立公司在郑州市场的良好形象,针对本工程的特点,并在充分调研同类型优质工程的基础上,决定要把屋面工程作为重要的质量闪光点。
现对SBS高聚物改性沥青卷材防水技术在3#、5#楼中的应用,形成统一的做法和标准,作为工艺纪律,请各部门认真贯彻执行。
一、屋面防水工程简介******高层住宅楼屋面设计为Ⅱ级防水,分上人屋面与不上人屋面。
地下室防水施工方案地下室防水施工方案编制单位:XXX编制时间:2020年2月20日目录1.施工概述2.施工材料3.施工工艺4.施工注意事项1.施工概述地下室防水是保障建筑物结构安全的重要措施。
本方案适用于吉安市某新建住宅小区地下室防水施工。
2.施工材料防水涂料:选择质量优良、适用于混凝土结构的聚氨酯防水涂料。
防水卷材:选用SBS改性沥青防水卷材,具有良好的柔韧性和耐久性。
其他材料:包括底漆、防水胶带等。
3.施工工艺1)表面处理:清除地下室墙面和地面的杂物,确保表面干燥、平整。
2)底漆处理:在地下室墙面和地面上涂刷底漆,增强防水涂料和防水卷材的附着力。
3)涂料处理:在底漆干燥后,用刷子或滚筒将聚氨酯防水涂料均匀涂刷于地下室墙面和地面。
4)卷材处理:将SBS改性沥青防水卷材铺设在墙面和地面上,并用火烧枪进行热熔,使其与墙面和地面紧密贴合。
5)防水胶带处理:在防水卷材的接缝处和角落处使用防水胶带进行密封处理。
4.施工注意事项1)施工前应检查材料质量,确保符合要求。
2)施工过程中要注意安全,避免火源和高温。
3)施工完成后要进行检查,确保防水效果良好。
4)施工人员应具备相应的防水施工技能和经验。
第一章编制依据本文档旨在规范地下室防水施工的各项要求和措施,以确保工程质量和安全。
编制依据包括国家相关标准和规范,以及工程实际情况。
第二章地下室防水概况地下室防水是指在地下室建筑中采取各种措施,防止地下水和降雨水渗入建筑物内部,从而保护建筑物的结构和使用功能。
地下室防水应根据地下室的具体情况进行设计和施工。
第三章施工部署为确保施工进度和质量,需要进行材料准备和施工进度计划的制定。
在施工过程中,需要按照基面要求和施工步骤进行施工,并针对地下室特殊地方和结构自防水进行相应的措施。
第一节材料准备施工前需要准备好各种防水材料,包括防水涂料、防水卷材等。
材料的选择应根据地下室的具体情况和设计要求进行选择。
第二节施工进度计划为确保施工进度和质量,需要制定详细的施工进度计划,并按照计划进行施工。
地下室防水工程施工方案一、施工准备1.1 工程前期准备在进行地下室防水工程前,需做好以下准备工作: - 确定施工单位,并签订施工合同; - 提前购置所需材料和工具,保证施工进度; - 对施工场地进行清理及勘测,确保施工环境安全; - 制定详细的施工计划,合理安排施工流程。
1.2 施工人员配备•施工队伍应具备相关的防水工程施工经验;•配备足够数量的施工人员,确保施工进度;•确保施工人员具备相关的安全防护意识。
二、施工工艺2.1 地下室结构处理在进行地下室防水工程时,首先需对地下室结构进行处理,包括填缝处理、墙面处理等,确保地下室结构的完整性。
2.2 防水材料选择根据地下室的具体情况,选择合适的防水材料,如聚氨酯涂料、沥青防水涂料等,以达到有效的防水效果。
2.3 施工工艺•将选定的防水材料按照施工规范进行涂刷或铺设;•保证施工现场通风良好,确保材料的质量;•对施工现场进行定期检查,及时处理施工过程中的问题。
三、施工质量控制3.1 施工过程监控在地下室防水工程施工过程中,需对施工质量进行持续监控,确保施工符合设计要求。
3.2 施工验收完成地下室防水工程后,需进行施工质量验收,确保施工质量达到标准要求。
四、施工安全措施4.1 安全防护在施工过程中,需严格执行安全操作规程,做好安全防护工作,确保施工人员和施工环境的安全。
4.2 突发事件处理在施工过程中如遇突发事件,需及时组织应急处理,保障施工人员和施工环境的安全。
五、施工总结地下室防水工程施工完成后,需进行总结,对施工工艺、质量控制、安全防护等方面进行评估,为后续施工工作提供参考经验。
地下室承台桩头防水施工作业指导书一、编制依据:建筑工程防水施工手册及〈〈地下室防水工程技术规范》GB50108 — 2001 ;〈〈地下防水工程质量验收规范》GB50208-2002 ;及其它设计、施工过程中涉及的相关规范、规程。
二、工程概况:(略)三、防水部位及材料的确定:防水材料应具有较高的抗拉强度和延伸性,良好的耐高、低温性能和优良的抗腐蚀性;与基面应形成良好的粘接力。
根据要求采用SBS3mm厚防水卷材两层作法。
四、施工部署:为确保工程质量、安全及施工进度米取以下措施:设立临时组织机构:1、本工程由董付启负责组织协调工作,陈怀生负责施工生产兼技术指导,王国雨负责质量检查,武国强负责现场安全、消防工作。
2、结合工程特点,组织经验丰富、持有上岗证的工人进行操作。
五、施工准备工作:1、材料审查:经理部出具各类人员上岗证以及材料供应的检测报告、合格证、说明书、防伪标志。
2、材料复试:材料依据计划进场后,经理部试验员,在甲方监理的监督下依据规定取样送检,待复试合格后方可使用。
3、施工前组织专业班组认真学习有关施工规范及本施工方案并进行详细的书面交底。
4、结构施工单位在底板垫层及保护墙施工时,对阴阳角及管道根等细部用1:3水泥砂浆抹成r>50mm的光滑圆角,以使防水卷材粘接牢固。
5、底板防水施工时由结构单位搭设临时马道及安全护栏,以便材料运输和确保人员通行安全。
6、地下室垫层及外墙基面,办理文字交接检,执行贯标要求。
六、施工要点:1、施工阶段划分:依据设计图纸及施组设计,确定为该工程地下室,防水分为两个阶段:底板防水(内粘法)施工为第一阶段:外墙防水(外粘法)施工为第二阶段。
2、防水构造及留槎(1)结构施工单位在垫层四周依据测量定位,砌筑永久保护墙和临时保护墙,并抹灰找平。
(2)结构外墙碌浇筑完毕后,及时用1 : 3水泥砂浆找平,以备第二阶段防水施工。
七、施工工艺:(—)工艺流程:1、底板防水:采用空铺法。
防水施工作业指导书1、适用范围本作业指导书适用于地铁车站防水施工。
2、施工准备组织有关管理人员和技术人员审核主体结构防水施工图,熟悉和掌握设计意图和技术要求,参加由甲方代表主持,专家、监理、设计参加的防水设计技术交底。
在施工前,由结构自防水施工队和结构外侧柔性防水层施工队做出书面技术、安全交底,然后施工队技术负责人对工班长及操作人员做出书面技术、安全交底。
3、施工方法防水混凝土①防水混凝土施工前应做好降排水工作,不得在有积水的环境中浇筑混凝土。
②防水混凝土应分层连续浇筑,分层厚度不得大于500mm。
③宜优先采用钢模板,模板的安装应执行GB50204《混凝土结构工程质量验收规范》、GB50299《地下铁道工程施工及验收规范》的规定,确保安装牢固。
混凝土浇筑前应对支架、模板、钢筋、保护层和预埋件等分别进行检查和验收,模板内的杂物、积水和钢筋上的污垢应清理干净;模板如有缝隙、应填塞严密,模板内面应涂刷脱模剂。
混凝土浇筑区域及其浇筑顺序等应考虑工程设计条件、混凝土供给能力、运输、浇筑机械能力、气候条件、施工管理水平等因素。
④防水混凝土拌合物应采用机械搅拌,搅拌时间不宜小于2min,混凝土搅拌应均匀。
掺加外加剂时,搅拌时间应根据外加剂的技术要求确定。
⑤防水混凝土拌合物在运输后如出现离析,必须进行二次搅拌。
当坍落度损失后不能满足施工要求时,应加入原水胶比的水泥浆或掺加同品种的减水剂进行搅拌,严禁直接加水。
⑥入模混凝土的塌落度不宜超过160mm。
顶梁等配筋密集的部位以及隧道的拱部,混凝土的入模塌落度可适当放宽,但不宜超过200mm。
⑦高温季节应尽量降低混凝土的入模温度(不宜超过30°C),尽量避开高温段浇筑混凝土,宜在气温较低的夜间浇筑混凝土。
⑧防水混凝土应采用机械振捣,应避免漏振、欠振和超振。
⑨厚度大于800mm的明挖法车站的底板(含底梁)、暗挖车站的底梁和顶梁;厚度大于500mm(含500mm)的车站的侧墙和顶板(或拱部衬砌),必须按照大体积混凝土考虑,采取混凝土缓凝措施。
防水工程作业指导书一、施工准备1、熟悉图纸、设计变更及相关规范、图集。
(1)施工依据:《地下防水工程施工技术标准》(ZJQ08-SGJB 208-2005),《地下工程防水技术规范》(GB50108-2008),《住宅室内防水工程技术规范》(JGJ298-2013)。
(2)验收依据:《地下防水工程质量验收规范》(GB50208-2011)。
2、项目(生产)副经理根据总工期进度计划编制防水工程施工进度计划,组织施工队伍及材料、机具进场,并给现场施工管理人员、施工队伍交底,。
3、技术负责人(工长)编制防水施工方案、样板施工计划,总工审核,项目经理批准,交底给现场施工管理人员。
4、工长或施工员编制防水施工技术交底,安全员编制防水施工安全技术交底,总工(技术负责人)审批,交底给施工班组。
5、工长编制月度物资计划,施工员编制日常物资计划,均报总工、合约经理审核,项目经理审批,交到物资部,由工程部、合约部、物资部三方留底归档。
6、测量主管(测量员)完成标高复核,引测测量基准点,将施工区域范围移交给施工队伍负责人。
7、项目部必备检测工具:卷尺、游标卡尺、壁纸刀、腻子刀。
二、现场施工及验收1、生产经理、总工(技术负责人)、工长、施工员全程参与样板间施工。
2、生产经理、工长(施工员)根据施工方案要求,负责落实材料堆放场地,提供工作面,根据工期进度计划要求组织工人、材料进场。
3、物资进场,施工员、材料员会同监理单位共同验收,材料员收集物资质量证明文件并交给取样员,取样员会同监理见证员现场见证取样,并负责取回检测报告。
主材为我单位提供时,施工员编制物资进场验收记录,材料员编制汇总物资进场记录。
4、测量员现场复核定位点、线、标高,并编制测量复核记录。
总工(技术负责人)完成技术复核。
5、施工员、质检员完成基层隐蔽自检后,质量总监(质检员)向监理单位报验,会同监理工程师完成验收,并完成隐蔽工程验收记录。
6、工长、施工员监查现场进度、质量,编制物资进场计划、区段施工进度计划、防水施工记录,下发整改通知单,对发现严重质量问题、违反规范强条施工行为及时上报副经理(生产)、总工(技术负责人)处理,落实、协调、解决影响施工生产问题。
防水施工作业指导书一、前言防水工程是建筑工程中十分重要的一个环节,其质量的好坏直接关系到建筑物的使用寿命和使用安全。
因此,严格把控防水工程施工质量,是确保建筑工程质量、避免安全事故发生的必要手段。
本文将从防水施工前准备、防水材料选择、防水施工方法等方面阐述,对防水施工作业进行指导。
二、防水施工前准备1.施工前检查防水施工前,施工人员应认真地检查施工现场,包括墙体、地面、天花板等,确保基础结构符合设计要求、表面平整度达标,一切元素都处于正确的位置和状态。
2.制定施工方案针对实际情况,制定合理的防水施工方案。
根据设计要求,确定防水层厚度、施工方法和材料,确保施工过程和防水质量达到预期要求。
3.准备施工材料和工具准备各种防水材料,包括防水涂料、防水卷材、钢化玻璃胶等,确保质量优良、规格一致,并预先加工好材料。
另外,也要准备好所需的施工工具,确保施工过程中不出现材料和工具缺失的情况。
三、防水材料选择在选择防水材料时,应考虑具体的施工材料和工艺,同时也要考虑防水层的使用寿命、性能指标和材料质量等问题。
具体建议如下:1.根据需求选择材料根据防水施工的实际需求和工艺要求,选择合适的防水材料,如沥青防水涂料、聚氨酯涂料、防水卷材等,同时也要注意材料的性能指标和质量。
2.保证材料的质量材料质量是保证防水层质量的前提,因此应在购买材料时,选择正规的厂家,确保材料具有相关质量认证,另外,还要合理保管,避免材料老化、变质等现象,影响防水效果。
四、防水施工方法在防水施工过程中,应该注意以下几点:1.基层处理在施工防水层前,需要对基层进行处理,包括清理、处理暴露缺陷、修补等,以保证基层表面平整度和基础坚固、牢固。
2.涂层施工对于涂层防水施工,应分几遍进行,每层涂料干燥后再进行下一层施工,以保证每层涂料能够够充分的干燥,避免出现涂料开裂、老化等情况。
3.卷材施工在防水卷材施工过程中,需注意卷材的接缝处理,使用熔接机将两条卷材通过热压连接在一起,确保接缝处牢固密实,防止渗漏。
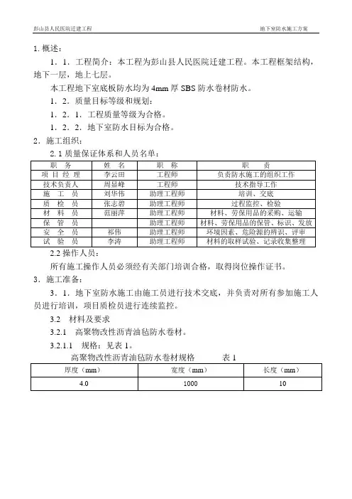
1.概述:1.1.工程简介:本工程为彭山县人民医院迁建工程。
本工程框架结构,地下一层,地上七层。
本工程地下室底板防水均为4mm厚SBS防水卷材防水。
1.2.质量目标等级和规划:1.2.1.工程质量等级为合格。
1.2.2.地下室防水目标为合格。
2.施工组织:2.1质量保证体系和人员名单:2.2操作人员:所有施工操作人员必须经有关部门培训合格,取得岗位操作证书。
3.施工准备:3.1.地下室防水施工由施工员进行技术交底,并负责对所有参加施工人员进行培训,项目质检员进行连续监控。
3.2 材料及要求3.2.1 高聚物改性沥青油毡防水卷材。
3.2.1.1 规格:见表1。
3.2.1.2 技术性能:见表2。
3.2.2 配套材料:3.2.2.1 氯丁橡胶沥青胶粘剂,氯丁橡胶加入沥青及溶剂配制而成的黑色液体。
用于油毡接缝的粘结。
3.2.2.2 橡胶沥青乳液:用于卷材粘结。
3.2.2.3 橡胶沥青嵌缝膏:用于特殊部位的嵌固密封。
3.2.2.4 汽油、二甲苯等:用于清洗工具及污染部位。
3.3 主要用具:3.3.1 清理用具:高压吹风机、小平铲、笤帚。
3.3.2 操作工具、电动搅拌器、油毛刷、铁桶、汽油喷灯或专用火焰喷枪、压子、手持压滚、铁辊、剪刀、量尺、1500mmφ30管(铁、塑料)、划(放)线用品。
3.4 作业条件:3.4.1 施工前审核图纸,编制防水工程施工方案,并进技术交底。
地下防水工程必须由专业队施工,操作人员持证上岗。
3.4.2 铺贴防水层的基层必须按设计施工完毕,并经养护后干燥,含水率不大于9%;基层应平整、牢固,不空鼓开裂、不起砂。
3.4.3 防水层施工涂底胶底(冷底子油),应将基层表面清理干净。
3.4.4 施工用材料均匀易燃,因而应准备好相应的消防器材。
4.操作工艺:基层处理涂刷基层处理剂(附加层)SBS防水卷材铺贴卷材收头处理保护层施工。
基层处理:铺贴SBS防水卷材前,应对基层进行检查验收,表面应平整、干燥、干净,细部构造处理达到设计要求。
防水施工作业指导书目录一、适用范围: (3)二、防水施工质量要求 (3)三、施工工序与工艺流程 (3)3.1底板结构防水施工工艺 (4)3.2侧墙防水施工 (5)3.3顶板防水施工 (6)3.4施工缝防水施工 (7)3.5变形缝防水施工 (11)3.6立柱桩、穿墙管件和管井防水 (17)3.7其他特殊防水 (19)3.8背贴式止水带施工技术要求 (19)3.9遇水膨胀止水胶施工技术要求 (20)3.10全断面注浆管 (21)3.11聚硫密封胶 (22)3.12接水盒 (22)3.13防水材料搭接 (23)四、资源配置 (24)4.1人员配置 (24)4.2材料配置 (24)五、质量控制及检验 (29)六、安全及环保要求 (31)6.1安全要求 (31)8.2环保措施 (34)防水施工作业指导书一、适用范围:本作业指导书适用于明挖段及管幕结构法段主体结构防水施工。
二、防水施工质量要求⑴主体结构防水等级为二级,不容许漏水,结构表面可有少量湿渍,总湿渍面积不应大于总防水面积的2‰;任意100m²防水面积上的湿渍不超过3处,单个湿渍的最大面积不大于0.20m²。
平均渗水量不大于0.05L/(m2.d),任意100m ²防水面积上的渗漏量不大于0.15L/(m2.d)。
设备用房防水等级为一级,不容许渗水,结构表面无湿渍。
⑵主体结构采用C40防水钢筋混凝土,设计年限100年;防水混凝土的设计抗渗等级:P10。
三、施工工序与工艺流程结构防水施工工艺流程如图3.1。
图3.1:施工工序与工艺流程图各阶段施工工艺如下:3.1底板结构防水施工工艺本工程主体结构底板采用预铺反粘式防水卷材,施工缝、倒角等处加强层采用高分子双面自粘防水卷材。
⑴工艺流程清理基层→阴阳角倒角施工→擦干明水→定位、弹线→铺设反粘式防水卷材→施工缝、倒角处铺设高分子双面自粘防水卷材→检查验收→防水保护层施工。
⑵铺设前基岩检查内容:①铺设防水卷材的基面应平整,在铺设防水卷材前应进行基层处理,处理方法可采用细石混凝土抹面的方法,处理后的基层应满足如下条件:D/L≤1/10其中:D—相邻两凸面间凹进去的深度;L—相邻两凸面间的距离②基面上不得有尖锐的毛刺部位,特别是混凝土表面经常出现尖锐的石子、钢筋头、钉子等硬物,应从根部割除,并在割除部位用水泥砂浆覆盖处理干净,避免浇筑混凝土时刺破防水卷材。
防水处理作业指导书文件编号:-06-受控状态:分发号:编制:审核:批准:年月日发布年月日实施1 目的严格控制防水工程施工过程质量,确保工程使用后不出现影响整体结构、使用功能和环境的缺陷,以满足规定要求。
2 适用范围本作业指导书适用于Ⅰ级防水要求的基础工程(地下工程),未规定蓄水试验和平屋顶防水工程的施工过程控制(其他防水工程施工可参照执行)。
3 职责工程技术科、质量安全部、办公室、项目经理部、项目负责人的职责按本公司编制的《特殊施工过程作业指导书》规定的职责实施本作业指导书的各项内容。
4 地下防水工程防水处理主要施工作业方法和步骤4.1地下防水处理主要作业方法4.1.1常规方法按地下防水工程防水形式分为:利用构件自身防水(自体防水)、采用不同材料的附加防水层(附加防水)和排水防水法。
⑴自体防水法——利用结构本身的防水性进行防水的施工方案;如:防水混凝土,它既是防水体,又是承重、围护结构。
⑵附加防水法——在构件结构表面附加防水层的方法,达到水与构件隔离而防水的目的;如:水泥砂浆、沥青、卷材、膨润土、钢板、塑料板等防水层。
⑶排水防水法——利用肓沟、渗排水层等防水方法。
4.2作业的依据4.2.1工程项目施工图及设计文件4.2.2防水处理施工方案(或施工组织设计)、作业指导书;4.2.3依据的技术标准:GB50208-2002《地下防水工程质量验收规范》,GB50108-2001《地下工程防水技术规范》等。
4.3地下防水工程流程4.3.1本节提供了部份地下防水工程处理常用方法的施工过程工艺流程图(图1、2、3、4、5),具体实施过程中,在需要时项目技术负责人应相合相关规程、规范和设计文件,以及施工现场条件等进行必要的细化和补充,并在施工方案中予以体现。
4.3.2其他防水处理方法应根据相关规程、规范、规定,设计文件规定的防水层结构构造和人员、设备、材料、现场条件等由项目经理部在编制施工方案时具体制定。
4.4地下防水工程处理步骤4.4.1施工前设备4.4.1.1组织图纸会审:项目经理部在工程承包合同签订后,及时会同业主(监理)、设计等单位进行图纸会审,明确地下防水工程处理的各项要求,做好记录。
地下室防水施工方案一、前言地下室作为建筑中容易受到潮湿和渗水影响的区域,防水施工显得尤为重要。
本文将介绍地下室防水施工的相关方案,以确保地下室的防水效果达到最佳状态。
二、材料准备在进行地下室防水施工前,首先需要准备以下材料: - 防水涂料 - 防水胶带 - 防水卷材 - 输水管道材料 - 封堵材料 - 防水涂料刷、油漆刷等施工工具 - 清洁用具三、施工步骤1. 地下室表面清理在进行防水施工前,需清理地下室表面,确保表面无尘、干燥,排除任何杂物或障碍物。
2. 确定防水施工方式根据地下室的结构、材质和情况,选择合适的防水施工方式,常见的有涂料防水、卷材防水、注浆防水等。
3. 防水涂料施工选用适合地下室环境的防水涂料,按照涂料说明书上的施工步骤进行防水涂料的施工。
4. 防水卷材施工若选择卷材防水方式,需要将卷材按照规定铺设在地下室表面,并留意卷材之间的接缝处理。
5. 输水管道防水对于地下室内的输水管道,应特别加强防水措施,使用专用的防水胶带或涂料进行防水处理。
6. 封堵处理对地下室可能存在的裂缝、孔洞等进行封堵处理,确保地下室结构的完整性和防水效果。
7. 防水涂料二次施工部分情况下需要进行防水涂料的二次施工,以提高防水效果和耐久性。
四、验收和保养完成防水施工后,需要进行验收,确保施工质量符合要求。
同时,定期对地下室的防水层进行保养和检查,及时处理发现的问题,以维持地下室的防水效果。
五、结语地下室防水施工是保障建筑结构安全和耐久性的重要环节。
选择合适的防水施工方案,并严格按照施工步骤进行施工,将有助于确保地下室的防水效果,避免因渗水问题带来的损失和困扰。
地下室防水工程施工方案—副本一、项目背景地下室防水工程施工方案是在地下室建设中至关重要的一环。
有效的防水工程设计和施工可以确保地下室在多年的使用中不受潮湿、渗漏的困扰,保护建筑结构的安全和稳定。
本文将详细介绍地下室防水工程的施工方案。
二、施工准备在进行地下室防水工程之前,需要做好充分的施工准备工作。
这包括: - 检查并修复地下室结构缺陷; - 清理地下室表面杂物和污物; - 针对地下室不同部位设计相应的防水方案; - 准备好需要使用的防水材料和工具。
三、施工步骤1. 地下室墙体处理地下室墙体是防水的重点部位之一。
首先,对地下室墙体进行密封处理,修补裂缝和漏水点。
然后,涂刷防水涂料或者植筋防水,确保墙体完全密封。
2. 地下室地面处理地下室地面的防水工程也非常关键。
首先,需对地下室地面进行找平处理,填充凹坑和缺损。
接着,铺设防水卷材或者进行涂料防水处理,确保地面不受地下水渗透。
3. 排水系统设置为了有效排除地下室内的积水,需要设置合理的排水系统。
在地下室边缘设置排水沟,并将排水管道导向外部排水口,防止积水对地下室造成损害。
四、施工质量检验完成地下室防水工程施工后,需进行严格的质量检验。
检查地下室墙体、地面和排水系统是否符合设计要求,是否存在漏水隐患。
必要时进行修补和加固,确保地下室防水效果达标。
五、施工总结地下室防水工程的施工是一项细致而重要的工作,只有在施工过程中严格执行设计要求和施工规范,才能确保地下室长期不受潮湿、渗漏的干扰。
希望本文介绍的地下室防水工程施工方案能为相关从业人员提供一定的参考和指导。