最新《特种设备安装改造维修告知书》
- 格式:doc
- 大小:51.00 KB
- 文档页数:3
特种设备安装改造维修告知单背景特种设备是指在生产、生活中,具有一定危险性和特殊性,需要特殊的安全保护措施和管理的设备,包括压力容器、锅炉、电梯、起重机械、危险化学品储罐等。
安装、改造和维修特种设备需要高度重视安全保障和操作规程,并提供充分的交底告知。
目的为了确保特种设备安装、改造、维修工作的安全可靠,特制定此告知单,向工作人员充分说明特种设备使用的基本要求、注意事项和应急措施,使工作人员掌握专业知识和操作技能,增强安全意识,防范事故的发生。
告知内容安装要求1.在进行特种设备安装前,必须检查设备的质量和规格等参数是否符合要求,是否有操作规程、安全技术文件、检验报告、安全告知书等相关资料。
2.在安装过程中,应按安全技术文件的要求和设备的实际情况,采取先进的工具和方法,配备专业的人员,建立安全监控系统,确保可能的危险源得到有效的清除和控制。
3.完成特种设备的安装后,必须对设备进行全面的检验、试运转和调整,保证其工作稳定、性能良好,不存在安全隐患。
改造要求1.在进行特种设备改造工作前,必须进行全面评估和技术论证,确定改造方案,并报经有关部门同意。
2.按照改造方案要求和技术要求,制定操作规程和安全措施,配备必要的设备和工具,组织专业人员进行操作。
3.改造完成后,必须进行全面试运行和调整,确保设备运行正常,性能稳定,不存在安全隐患。
维修要求1.在进行特种设备维修工作前,必须对设备进行全面评估,确定维修方案,并建立操作规程和安全措施。
2.按照操作规程和安全措施,配备必要的工具和设备,组织专业人员进行维修。
3.维修完成后,必须进行试运行和安全检查,确保设备安全运行。
注意事项1.严格遵守国际、国家和地区的法律法规和运行管理规定,不得超负荷运行、超过使用寿命、未经许可擅自进行改造和维修。
2.严格实行设备日常检查和维护,保证设备的安全和工作性能。
3.坚持每年进行设备的定期检验,对设备进行全面评估和检查,确保设备的运行安全和可靠。
特种设备安装改造维修告知单告知单编号:施工单位:(加盖公章)设备名称设备制造单位全称设备安装地点许可证编号安装日期施工单位全称施工类别联系人许可证编号电话分别填固定和许可证有效期传真移动电话地址邮编使用单位全称联系人电话传真地址邮编1: 。
关于简化《特种设备安装改造维修告知书》的通知(质检办特函〔 2009〕1186 号)各省、自治区、直辖市质量技术监督局:根据《特种设备安全监察条例》规定,为了进一步方便企业,简化手续,规范特种设备安装改造维修告知行为,现对特种设备安装改造维修告知及接受告知的特种设备安全监督管理部门提出如下要求:一、告知性质根据《特种设备安全监察条例》规定,特种设备安装、改造、维修的施工单位(以下简称:施工单位)以书面形式告知直辖市或设区的市的特种设备安全监督管理部门后即可施工,告知不属于行政许可。
二、告知方式和内容(一)告知方式主要包括 送达、邮寄、传真、电子邮件或网上告知(二)施工单位应填写《特种设备安装改造维修告知单》(见附件)。
三、接受告知的特种设备安全监督管理部门职责(一)接受告知的特种设备安全监督管理部门应公布告知机构的地址、邮编、传真或电子邮件地址。
有条件的应建立网上接受告知系统,可采取网上接受告知。
(二)安全监督管理部门收到告知后,应及时审查,对无问题的将告知文件存档,并将有关情况通知负责办理使用登记的机构和按照特种设备安全技术规范规定需要监检的检验机构即可。
(三)对于不符合要求的,应立即与施工单位联系,确认其违反规定的,应责令停止施工,必须在有关问题纠正后,才可继续施工。
(四)安全监督管理部门在处理告知时应当便利施工单位为原则,不得任意增加本通知附件以外的告知内容。
自本通知发出之日起,施工单位在从事特种设备安装改造维修时,可以按照附件内容进行告知。
此前关于特种设备安装改造维修告知要求与本文不一致的,以此为准。
请各省、自治区、直辖市质量技术监督局将此通知转发有关单位。
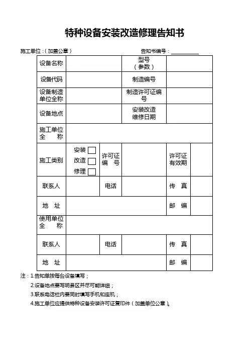
特种设备安装改造修理告知书注:1.告知单按每台设备填写;2.设备地点要写明县区并尽可能详细;3.联系电话栏内要同时填写手机和座机;4.施工单位应提供特种设备安装许可证复印件(加盖单位公章)。
特种设备安装改造修理告知接收函赣特告函〔①〕A第号②:你(单位)提供的③特种设备④施工告知及相关材料收到。
根据《中华人民共和国特种设备安全法》(《特种设备安全监察条例》)规定,予以接收。
请你(单位)及时与实施监督检验的特种设备检验机构联系。
出厂编号:⑤使用单位:⑥(特种设备安全监察机构章)年月日经办人:联系电话:抄送:⑦备注:本函一式三份,施工单位、接收机构和监检机构各存一份。
电梯基本信息录入表起重机械基本信息录入表大型游乐设施基本信息录入表JXTJ214.2-2017 编号:机电类特种设备报检申报表报检登记编号:填写说明一、《特种设备安装改造修理告知书》一式三份,施工单位、监察机构、检验机构各一份,填写必须准确、真实、完整(告知书编号由施工单位自行编写),不得涂改,否则不予接收。
自2013年10月1日后,特种设备施工告知以此告知书样式为准,其他样式不予接收。
二、告知接收函请施工单位按下面要求填写。
填写接收函时,请对照函中数字,按下面要求填写:○1四位数的年份;○2施工单位全称;○3特种设备台数及种类,如2台电梯;○4填写施工类别(安装、改造、修理中的一类);○5出厂编号或制造编号、产品编号,若为多台,按顺序填写;○6使用单位或建设单位规范全称;○7填写实施监督检验的检验机构名称,一般填写江西省特种设备检验检测研究院(防爆或A类游乐施设等暂不填)。
三、由施工单位将接收函、告知书、安装改造维修许可证复印件(加盖公章)按顺序装订成册,函放最上面,交市局存档。
四、电梯、起重机械、大型游乐设施基本信息录入表主要用于检验信息录入用,相关内容由施工单位负责会同产权、使用单位填写,填写时注意以下几点:1.所有字体加粗栏不需填写;2.产权单位和使用单位不论相同与否都应按公章规范填写全称,其地址按照营业执照上的地址填写(需明确县区),单位相同,地址相同。
特种设备安装改造维修告知单新版告知书
Coca-cola standardization office【ZZ5AB-ZZSYT-ZZ2C-ZZ682T-ZZT18】
特种设备安装改造维修告知单(注1)
告知单编号(注2):
施工单位:(加盖公章)
注1:告知单按每台安装、改造、维修的设备各填写一张。
注2:告知单编号为:制造单位设备编号+施工单位施工工号+年份(4位)
注3:按安装、改造、维修分别填写。
施工单位应提供特种设备许可证书复印件(加盖单位公章)。
特种设备安装改造维修告知单(注1)
告知单编号(注2):
施工单位:(加盖公章)
注1:告知单按每台安装、改造、维修的设备各填写一张。
注2:告知单编号为:制造单位设备编号+施工单位施工工号+年份(4位)
注3:按安装、改造、维修分别填写。
施工单位应提供特种设备许可证书复印件(加盖单位公章)。
特种设备安装改造维修告知书
施工单位:(加盖公章)
注1:告知单按每台安装、改造、维修的设备各填写一张。
注2:告知单编号为:制造单位设备编号+施工单位施工工号+年份(4位)。
注3:按安装、改造、维修分别填写。
施工单位应提供特种设备许可证书复印件(加盖单位公章)。
第二步
特种设备检验所报检(出具检验报告)
第三步
注册登记
使用单位申请办理使用登记时,应到向登记机关提供以下资料,并且对其真实性负责:(一)《特种设备使用注册登记表》;
(二)使用单位组织机构代码证书(营业执照)或者起重机械产权所有者(指公民个人拥有)的身份证(复印件1份);
(三)产品质量合格证明(包括出厂合格证、数据表、制造许可证);
(四)安装监督检验证书或者首次检验报告;
(五)特种设备安全管理人员和作业人员的名录(列出姓名、身份证号、特种设备作业人员证件号码及其持证种类、类别和项目)或者人员的证件复印件;
(六)安全管理制度及应急预案。
*所有资料盖上使用单位公章
特种设备使用登记表。
特种设备安装改造维修告知书填写说明1 适用范围特种设备安装改造维修告知书分为两种形式。
本表(TSZS002-2003)适用下列情况:(1)额定蒸汽压力大于等于2.5MPa(表压)的蒸汽锅炉安装;(2)压力管道的安装;(3)客运索道的安装;(4)同时安装、改造、维修设备同种类数量在5台(包括5台)以上;(5)与土建工程同时施工的电梯、大型游乐设施的安装、改造、维修;(6)与土建工程同时施工的压力管道的改造、维修。
本告知书的送达和意见的通知都应当采取可靠的方式,以便能够做到有据可查。
2 封面2.1 施工单位:填写承担施工工程的施工单位全称,必须与取得施工许可资格的单位名称一致,并盖公章。
2.2 设备种类:按锅炉、压力容器、压力管道、电梯、起重机械、客运索道、大型游乐设施,分设备的种类填写。
2.3 施工类别:按安装、改造、维修分别填写。
2.4 告知日期:填写拟向特种设备安全监察机构告知的日期,包括年月日(下同)。
3 第1页3.1 工程情况填写整个工程的基本情况。
3.1.1 工程名称:填写整个工程名称。
3.1.2 建设单位名称:填写进行工程的建设单位,有些工程的建设单位,本身就是设备的使用单位。
3.1.3 建设单位地址:填写建设单位的详细地址,包括省(自治区、直辖市)、市(地)、区(县)、路(街道、社区、乡、)、号、(村)。
3.1.4 工程负责人:填写建设单位的工程负责人。
3.1.5 电话:填写建设单位工程负责人联系的电话。
3.1.6 工程设计单位:填写工程的设计单位,如压力管道工程、锅炉房及其有关设备改造、维修设计等单位。
3.1.7 合同编号:填写施工单位与建设单位签订的本工程有效合同编号。
3.1.8 合同签订日期:填写施工单位于建设单位签订合同的日期。
3.1.9 主要施工项目:填写施工的主要项目,如整体安装、汽包修理、燃烧系统改造、汽水系统改造等。
设备数:填写该合同签订的施工设备的总数。
工程计划施工日期开工:填写整个工程的计划开工日期。
特种设备安装改造修理告知书注:1.告知单按每台设备填写;2.设备地点要写明县区并尽可能详细;3.联系电话栏内要同时填写手机和座机;4.施工单位应提供特种设备安装许可证复印件(加盖单位公章)。
特种设备安装改造修理告知接收函赣特告函〔①〕A第号②:你(单位)提供的③特种设备④施工告知及相关材料收到。
根据《中华人民共和国特种设备安全法》(《特种设备安全监察条例》)规定,予以接收。
请你(单位)及时与实施监督检验的特种设备检验机构联系。
出厂编号:⑤使用单位:⑥(特种设备安全监察机构章)年月日经办人:联系电话:抄送:⑦备注:本函一式三份,施工单位、接收机构和监检机构各存一份。
电梯基本信息录入表起重机械基本信息录入表大型游乐设施基本信息录入表JXTJ214.2-2017 编号:机电类特种设备报检申报表报检登记编号:填写说明一、《特种设备安装改造修理告知书》一式三份,施工单位、监察机构、检验机构各一份,填写必须准确、真实、完整(告知书编号由施工单位自行编写),不得涂改,否则不予接收。
自2013年10月1日后,特种设备施工告知以此告知书样式为准,其他样式不予接收。
二、告知接收函请施工单位按下面要求填写。
填写接收函时,请对照函中数字,按下面要求填写:○1四位数的年份;○2施工单位全称;○3特种设备台数及种类,如2台电梯;○4填写施工类别(安装、改造、修理中的一类);○5出厂编号或制造编号、产品编号,若为多台,按顺序填写;○6使用单位或建设单位规范全称;○7填写实施监督检验的检验机构名称,一般填写江西省特种设备检验检测研究院(防爆或A类游乐施设等暂不填)。
三、由施工单位将接收函、告知书、安装改造维修许可证复印件(加盖公章)按顺序装订成册,函放最上面,交市局存档。
四、电梯、起重机械、大型游乐设施基本信息录入表主要用于检验信息录入用,相关内容由施工单位负责会同产权、使用单位填写,填写时注意以下几点:1.所有字体加粗栏不需填写;2.产权单位和使用单位不论相同与否都应按公章规范填写全称,其地址按照营业执照上的地址填写(需明确县区),单位相同,地址相同。
特种设备安装改造维修告知书注:.告知单按每台设备填写;.设备地点要写明县区并尽可能详细;.联系电话栏内要同时填写手机和座机;.施工单位应提供特种设备安装许可证复印件(加盖单位公章)。
特种设备安装改造维修告知接收函赣特告函〔〕第号:你(单位)提供的特种设备施工告知及相关材料收到。
根据《中华人民共和国特种设备安全法》(《特种设备安全监察条例》)规定,予以接收。
请你(单位)及时与实施监督检验的特种设备检验机构联系。
出厂编号:使用单位:(特种设备安全监察机构章)年月日经办人:联系电话:抄送:备注:本函一式三份,施工单位、接收机构和监检机构各存一份。
电梯基本信息录入表起重机械基本信息录入表大型游乐设施基本信息录入表机电类特种设备报检申报表报检登记编号:个人整理精品文档,仅供个人学习使用一、《特种设备安装改造维修告知书》一式三份,施工单位、监察机构、检验机构各一份,填写必须准确、真实、完整(告知书编号由施工单位自行编写),不得涂改,否则不予接收。
自年月日后,特种设备施工告知以此告知书样式为准,其他样式不予接收。
二、告知接收函请施工单位按下面要求填写。
填写接收函时,请对照函中数字,按下面要求填写:—四位数的年份;—施工单位全称;—特种设备台数及种类,如台电梯;—填写施工类别(安装、改造、维修中的一类);—出厂编号或制造编号、产品编号,若为多台,按顺序填写;—使用单位或建设单位规范全称;—填写实施监督检验的检验机构名称,一般填写江西省特种设备检验检测研究院(防爆或类游乐施设等暂不填)。
三、由施工单位将接收函、告知书、安装改造维修许可证复印件(加盖公章)按顺序装订成册,函放最上面,交市局存档。
四、电梯、起重机械、大型游乐设施基本信息录入表主要用于检验信息录入用,相关内容由施工单位负责会同产权、使用单位填写,填写时注意以下几点:.所有字体加粗栏不需填写;.产权单位和使用单位不论相同与否都应按公章规范填写全称,其地址按照组织机构代码上的地址填写(需明确县区),单位相同,地址相同。
TSZS002-2003特种设备安装改造维修告知书施工单位:设备种类:施工类别:告知日期:国家质量监督检验检疫总局制TSZS003-2003特种设备安装改造维修告知书国家质量监督检验检疫总局制特种设备安装改造维修告知书填写说明1 适用范围特种设备安装改造维修告知书分为两种形式。
本表为第二种(TSZS003-2003),适用下列情况:(1)额定蒸汽压力小于2.5MPa(表压)的蒸汽锅炉安装;(2)同时安装、改造、维修设备同种类数量在4台以下;(3)与土建工程不同时施工的特种设备改造、维修等。
本告知书的送达和意见的通知都应当采取可靠的方式,以便能够做到有据可查。
2 第1页2.1主要施工项目:填写施工的主要项目,整体安装、汽包修理、燃烧系统改造、汽水系统改造等。
2.2 施工类别:按安装、改造、维修分别填写。
2.3 设备种类:按设备的种类填写,如锅炉、压力容器、压力管道、电梯、起重机械、客运索道、大型游乐设施等。
2.4 设备类别:按特种设备目录规定的设备类别填写。
可见特种设备制造申请书附录1。
2.5 设备级别:按照有关规定,按许可将设备分为等级,如锅炉分为A、B、C、D级等,填写所属的级别。
2.6 设备品种(型式):填写申请制造设备产品的品种(型式),应当按其所制定的相关规程、规则要求填写。
2.7 设备名称:按设备的实际名称填写。
2.8 设备型号(参数):按设备的型号或者参数填写,如果没有可不填写。
2.9 设备代码:目前,在设备使用注册时,按照使用登记注册,赋予了一个注册编号。
今后,这种编号应该从制造开始赋予,使设备具有一个唯一号码,无论在安装、改造、维修、使用、检验检测都使用该号码。
现时,在还没有推广设备制造编排设备代号时,以使用注册号作为设备代码填写。
2.10 单位内编号:填写使用单位对设备的内部编号。
2.11 设备地点:填写设备在建设(使用)单位内部实际安装、使用地点。
2.12 制造编号:可填写制造产品出厂编号。
特种设备安装改造维修告知单
告知单编号:
施工单位:(加盖公章)
关于简化《特种设备安装改造维修告知书》的通知
(质检办特函〔2009〕1186号)
各省、自治区、直辖市质量技术监督局:
根据《特种设备安全监察条例》规定,为了进一步方便企业,简化手续,规范特种设备安装改造维修告知行为,现对特种设备安装改造维修告知及接受告知的特种设备安全监督管理部门提出如下要求:
一、告知性质
根据《特种设备安全监察条例》规定,特种设备安装、改造、维修的施工单位(以下简称:施工单位)以书面形式告知直辖市或设区的市的特种设备安全监督管理部门后即可施工,告知不属于行政许可。
二、告知方式和内容
(一)告知方式主要包括:送达、邮寄、传真、电子邮件或网上告知。
(二)施工单位应填写《特种设备安装改造维修告知单》(见附件)。
三、接受告知的特种设备安全监督管理部门职责
(一)接受告知的特种设备安全监督管理部门应公布告知机构的地址、邮编、传真或电子邮件地址。
有条件的应建立网上接受告知系统,可采取网上接受告知。
(二)安全监督管理部门收到告知后,应及时审查,对无问题的将告知文件存档,并将有关情况通知负责办理使用登记的机构和按照特种设备安全技术规范规定需要监检的检验机构即可。
(三)对于不符合要求的,应立即与施工单位联系,确认其违反规定的,应责令停止施工,必须在有关问题纠正后,才可继续施工。
(四)安全监督管理部门在处理告知时应当便利施工单位为原则,不得任意增加本通知附件以外的告知内容。
自本通知发出之日起,施工单位在从事特种设备安装改造维修时,可以按照附件内容进行告知。
此前关于特种设备安装改造维修告知要求与本文不一致的,以此为准。
请各省、自治区、直辖市质量技术监督局将此通知转发有关单位。
附件:特种设备安装改造维修告知单
二〇〇九年十二月三十一日
附件:
特种设备安装改造维修告知单(注1)
告知单编号(注2):施工单位:(加盖公章)
注1:告知单按每台安装、改造、维修的设备各填写一张。
注2:告知单编号为:制造单位设备编号+施工单位施工工号+年份(4位)。
注3:按安装、改造、维修分别填写。
施工单位应提供特种设备许可证书复印件(加盖单位公章)。