人体工程学附录摘要(人体尺寸+椅子尺寸)
- 格式:doc
- 大小:185.00 KB
- 文档页数:5
1、墙面尺寸(1)踢脚板高;80—200mm。
(2)墙裙高:800—1500mm。
(3)挂镜线高:1600—1800(画中心距地面高度)mm。
2.餐厅(1) 餐桌高:750—790mm。
(2) 餐椅高;450—500mm。
(3) 圆桌直径:二人500mm.二人800mm,四人900mm,五人1100mm,六人1100-1250mm,八人1300mm,十人l500mm,十二人1800mm。
(4) 方餐桌尺寸:二人700×850(mm),四人1350×850(mm),八人2250×850(mm),(5) 餐桌转盘直径;700—800mm。
餐桌间距:(其中座椅占500mm)应大于500mm。
(7) 主通道宽:1200—1300mm。
内部工作道宽:600—900mm。
(9) 酒吧台高:900—l050mm,宽500mm。
(10) 酒吧凳高;600一750mm。
3.商场营业厅(1)单边双人走道宽:1600mm。
(2)双边双人走道宽:2000mm。
(3)双边三人走道宽:2300mm。
(4)双边四人走道宽;3000mm。
(5)营业员柜台走道宽:800mm。
营业员货柜台:厚600mm,高:800—l 000mm。
(7)单*背立货架:厚300—500mm,高:1800—2300mm。
双*背立货架;厚;600—800mm,高:1800—2300mm(9)小商品橱窗:厚:500—800mm,高:400—1200mm。
(10)陈列地台高:400—800mm。
(11)敞开式货架:400—600mm。
(12)放射式售货架:直径2000mm。
(13)收款台:长:1600mm,宽:600mm4.饭店客房(1)标准面积:大:25平方米,中:16—18平方米,小:16平方米。
(2)床:高:400—450mm,床*高:850—950mm。
(3)床头柜:高500—700mm;宽:500—800mm。
(4)写字台:长;1100—1500mm;宽450—600mml高700—750mm。
人体工程学是室内设计中必不成少的一门专业常识,懂得人体工程学可以使装修设计尺寸更相符人们的曰常行动和须要.人体工程学内容重要包含以下几点:*人体尺度*人体行动区域*经常应用家具装备尺寸*建筑尺度规范*视觉心理和空间一.人体尺度人体尺度,即人体在室内完成各类动作时的运动规模.设计人员要依据人体尺度来肯定门的高宽度.踏步的高宽度.窗台阳台的高度.家具的尺寸及间距.楼梯平台.家内净高等室心坎尺寸.经常应用的室内尺寸如下:支持墙体:厚度0.24m室内隔墙断墙体:厚度0.12m大门:门高2.0~2.4m,门宽0.90~0.95m室内门:高1.9~2.0m阁下.宽0.8~0.9m门套厚度0.1m厕所.厨房门:宽0.8~0.9m.高1.9~2.0m室内窗:高1.0m 阁下窗台距地面高度0.9~1.0m室外窗:高1.5m 窗台距地面高度1.0m玄关:宽1.0m.墙厚0.24m阳台:宽1.4~1.6m.长3.0~4.0m(一般与客堂的长度雷同)踏步:高0.15~0.16m.长0.99~1.15m.宽0.25m;扶手宽0.01m.扶手间距0.02m.中央的歇息平台宽1.0m.二.经常应用家具尺寸;卧房:单人床:宽0.9m.1.05m.1.2m;长 1.8m.1.86m.2.0m.2.1m;高0.35m~0.45m.双人床:宽1.35m.1.5m.1.8m,长.高同上.圆床:直径1.86m.2.125m .2.424m.矮柜:厚度0.35~0.45m.柜门宽度0.3~0.6m.高度0.6m.衣柜:厚度0.6~0.65m.柜门宽度0.4~0.65m.高度2.0~2.2m.客堂:沙发:厚度0.8~0.9m.坐位高0.35~0.42m.背高0.7~0.9m.单人式:长0.8~0.9m双人式:长1.26~1.50m三人式:长1.75~1.96m四人式:长2.32~2.52m茶几:小型长方:长0.6~0.75m.宽0.45~0.6m.高度0.33~0.42m大型长方:长1.5~1.8m.宽0.6~0.8m.高度0.33~0.42m圆型:直径0.75/0.9/1.05/1.2m,高度0.33~0.42m正方型:宽0.75/0.9/1.05/1.20/1.35/1.50m,高度0.33~0.42,但边角茶几有时稍高一些,为0.43~0.5m书房:书桌:厚度0.45~0.7m(0.6m最佳).高度0.75m.书架:厚度0.25~0.4m.长度0.6~1.2m.高度 1.8~2.0m,下柜高度0.8~0.9m餐厅:椅凳:座面高0.42~0.44m.扶手椅内宽于0.46m餐桌:中式一般高0.75~0.78m.西式一般高0.68~0.72m厨房:橱柜*作台:高度0.89~0.92m平面*作区:厚度0.4~0.6m抽油烟机与灶的距离:0.6~0.8m*作台上方的吊柜:距地面最小距离>1.45m.厚度0.25~0.35m.吊柜与*作台之间的距离>0.55m卫生间:盥洗台:宽度为0.55~0.65m.高度为0.85m.盥洗台与浴缸之间应留约0.76m宽的通道.淋浴房:一般为0.9X0.9m.高度2.0~2.0m抽水马桶:高度0.68m.宽度0.38~0.48m .进深0.68~0.72m.墙面尺寸(1)踢脚板高;80—200mm.(2)墙裙高:800—1500mm.(3)挂镜线高:1600—1800(画中间距地面高度)mm.2.餐厅(1) 餐桌高:750—790mm.(2) 餐椅高;450—500mm.(3)圆桌直径:二人500mm.二人800mm,四人900mm,五人1100mm,六人1100-1250mm,八人1300mm,十人l500mm,十二人1800mm.(4) 方餐桌尺寸:二人700×850(mm),四人1350×850(mm),八人2250×850(mm),(5) 餐桌转盘直径;700—800mm.餐桌间距:(个中座椅占500mm)应大于500mm.(7) 主通道宽:1200—1300mm.内部工作道宽:600—900mm.(9) 酒吧台高:900—l050mm,宽500mm.(10) 酒吧凳高;600一750mm.3.商场营业厅(1)单边双人走道宽:1600mm.(2)双边双人走道宽:2000mm.(3)双边三人走道宽:2300mm.(4)双边四人走道宽;3000mm.(5)营业员柜台走道宽:800mm.营业员货柜台:厚600mm,高:800—l 000mm.(7)单*背立货架:厚300—500mm,高:1800—2300mm.双*背立货架;厚;600—800mm,高:1800—2300mm(9)小商品橱窗:厚:500—800mm,高:400—1200mm.(10)陈列地台高:400—800mm.字串9(11)封闭式货架:400—600mm.(12)放射式售货架:直径2000mm.(13)收款台:长:1600mm,宽:600mm4.饭铺客房(1)尺度面积:大:25平方米,中:16—18平方米,小:16平方米.(2)床:高:400—450mm,床*高:850—950mm.(3)床头柜:高500—700mm;宽:500—800mm.(4)写字台:长;1100—1500mm;宽450—600mml高700—750mm.(5)行李台,长9l0—1070mm宽500mm高400mm.衣柜:宽:800—1200mm高1600—2000mm深500mm.(7)沙发:宽:600一800mm高:350—400mm*背高1000mm衣架高:1700—1900mm.5.卫生间(1)卫生间面积;3—5平方米.(2)浴缸长度;一般有三种1220.1520.1680mm;宽;720mm,高450mm.(3)坐便;750×350(mm).(4)冲洗器:690×350(mm).(5)盟洗盆:550×410(mm).淋浴器高:2100mm.(7)化装台;长:1350mm;宽450 mm.6.会议室(1)中间会议室客容量:会议桌边长600(mm).(2)环式高等会议室客容量;环形内线长700—l 000mm.(3)环式会议室办事通道宽:600—800mm.7.交通空间(1)楼梯间歇息平台净空:等于或大于2100mm.(2)楼梯跑道净空:等于或大于2300mm.(3)客房走廊高;等于或大于2400mm. 字串5(4)两侧设座的分解式走廊宽度等于或大于2500mm.(5)楼梯扶手高;850—1100mm.门的经常应用尺寸:宽:850—1000mm.(7)宙的经常应用尺寸;宽;400—1800mm,(不包含组合式窗子)窗台高;800—1200mm.8.灯具(1)大吊灯最小高度:2400mm.(2)壁灯高:1500—1800mm.(3)反光灯槽最小直径:等于或大于灯管直径两倍.(4)壁式床头灯高:1200—1400mm.(5)照明开关高:1000mm.9.办公家具(1)办公桌:长:1200—1600mm:宽:500—650mm 5高;700—800mm.(2)办公椅:高;400—450mm长×宽:450×450(mm).(3)沙发:宽:600—800mm;高:350—400mm;*不和:1000mm.(4)茶几;前置型:900×400×400(高)( mm);中间型:900x 900×400(mm).700×700×400(mm);阁下型:600×400×400(mm).(5)书橱:高:1800mm,宽:1200—1500mm;深:450—500mm.书架:高:1800mm 6宽:1000—1300mm ;深:350—450mm室内设计与人体工程学的尺寸工业设计中人体工程学的尺寸在装潢工程设计时,必定要斟酌室内空间.家具陈设等与人体尺度的关系问题,为了便利装潢室内设计,这里介绍一些经常应用的尺寸数据.1.墙面尺寸(1)踢脚板高;80—200mm.(2)墙裙高:800—1500mm.(3)挂镜线高:1600—1800(画中间距地面高度)mm.2.餐厅(1) 餐桌高:750—790mm.(2) 餐椅高;450—500mm.(3) 圆桌直径:二人500mm.二人800mm,四人900mm,五人1100mm,六人1100-1250mm,八人1300mm,十人l500mm,十二人1800mm.(4) 方餐桌尺寸:二人700×850(mm),四人1350×850(mm),八人2250×850(mm),(5) 餐桌转盘直径;700—800mm.餐桌间距:(个中座椅占500mm)应大于500mm.(6) 主通道宽:1200—1300mm.内部工作道宽:600—900mm.(7) 酒吧台高:900—l050mm,宽500mm.(8) 酒吧凳高;600一750mm.3.商场营业厅(1)单边双人走道宽:1600mm.(2)双边双人走道宽:2000mm.(3)双边三人走道宽:2300mm.(4)双边四人走道宽;3000mm.(5)营业员柜台走道宽:800mm.(6)营业员货柜台:厚600mm,高:800—l 000mm.(7)单*背立货架:厚300—500mm,高:1800—2300mm.(8)双*背立货架;厚;600—800mm,高:1800—2300mm(9)小商品橱窗:厚:500—800mm,高:400—1200mm.(10)陈列地台高:400—800mm.(11)封闭式货架:400—600mm.(12)放射式售货架:直径2000mm.(13)收款台:长:1600mm,宽:600mm4.饭铺客房(1)尺度面积:大:25平方米,中:16—18平方米,小:16平方米.(2)床:高:400—450mm,床*高:850—950mm.(3)床头柜:高500—700mm;宽:500—800mm.(4)写字台:长;1100—1500mm;宽450—600mml高700—750mm.(5)行李台,长9l0—1070mm宽500mm高400mm.(6) 衣柜:宽:800—1200mm高1600—2000mm深500mm.(7)沙发:宽:600一800mm高:350—400mm*背高1000mm(8)衣架高:1700—1900mm.5.卫生间(1)卫生间面积;3—5平方米.(2)浴缸长度;一般有三种1220.1520.1680mm;宽;720mm,高450mm.(3)坐便;750×350(mm).(4)冲洗器:690×350(mm).(5)盟洗盆:550×410(mm).(6) 淋浴器高:2100mm.(7)化装台;长:1350mm;宽450 mm.6.会议室(1)中间会议室客容量:会议桌边长600(mm).(2)环式高等会议室客容量;环形内线长700—l 000mm.(3)环式会议室办事通道宽:600—800mm.7.交通空间(1)楼梯间歇息平台净空:等于或大于2100mm.(2)楼梯跑道净空:等于或大于2300mm.(3)客房走廊高;等于或大于2400mm.(4)两侧设座的分解式走廊宽度等于或大于2500mm.(5)楼梯扶手高;850—1100mm.(6) 门的经常应用尺寸:宽:850—1000mm.(7)宙的经常应用尺寸;宽;400—1800mm,(不包含组合式窗子)(8)窗台高;800—1200mm.8.灯具(1)大吊灯最小高度:2400mm.(2)壁灯高:1500—1800mm.(3)反光灯槽最小直径:等于或大于灯管直径两倍.(4)壁式床头灯高:1200—1400mm.(5)照明开关高:1000mm.9.办公家具(1)办公桌:长:1200—1600mm:宽:500—650mm 5高;700—800mm.(2)办公椅:高;400—450mm长×宽:450×450(mm).(3)沙发:宽:600—800mm;高:350—400mm;*不和:1000mm.(4)茶几;前置型:900×400×400(高)( mm);中间型:900x 900×400(mm).700×700×400(mm);阁下型:600×400×400(mm).(5)书橱:高:1800mm,宽:1200—1500mm;深:450—500mm.书架:高:1800mm 6宽:1000—1300mm ;深:350—450mm.人体工程学部分工业设计尺寸家具设计的根本尺寸(单位:厘米)衣橱:深度:一般60~65;推拉门:70,衣橱门宽度:40~65推拉门:75~150,高度:190~240矮柜:深度:35~45,柜门宽度:30-60电视柜:深度:45-60,高度:60-70单人床:宽度:90,105,120;长度:180,186,200,210双人床:宽度:135,150,180;长度180,186,200,210圆床:直径:186,212.5,242.4(经常应用)室内门:宽度:80-95,病院120;高度:190,200,210,220,240厕所.厨房门:宽度:80,90;高度:190,200,210窗帘盒:高度:12-18;深度:单层布12;双层布16-18(现实尺寸)沙发:单人式:长度:80-95,深度:85-90;坐垫高:35-42;背高:70-90双人式:长度:126-150;深度:80-90三人式:长度:175-196;深度:80-90四人式:长度:232-252;深度80-90茶几:小型,长方形:长度60-75,宽度45-60,高度38-50(38最佳)中型,长方形:长度120-135;宽度38-50或者60-75正方形:长度75-90,高度43-50大型,长方形:长度150-180,宽度60-80,高度33-42(33最佳)圆形:直径75,90,105,120;高度:33-42方形:宽度90,105,120,135,150;高度33-42书桌:固定式:深度45-70(60最佳),高度75运动式:深度65-80,高度75-78书桌下缘离地至少58;长度:起码90(150-180最佳)餐桌:高度75-78(一般),西式高度68-72,一般方桌宽度120,90,75;长方桌宽度80,90,105,120;长度150,165,180,210,240圆桌:直径90,120,135,150,180书架:深度25-40(每一格),长度:60-120;下大上小型下方深度35-45,高度80-90运动未及顶高柜:深度45,高度180-200木隔间墙厚:6-10;内角材排距:长度(45-60)*90室内经常应用尺寸:1.墙面尺寸(1)踢脚板高;80—200mm.(2)墙裙高:800—1500mm.(3)挂镜线高:1600—1800(画中间距地面高度)mm.2.餐厅(1) 餐桌高:750—790mm.(2) 餐椅高;450—500mm.(3) 圆桌直径:二人500mm.二人800mm,四人900mm,五人1100mm,六人1100-1250mm,八人1300mm,十人l500mm,十二人1800mm.(4) 方餐桌尺寸:二人700×850(mm),四人1350×850(mm),八人2250×850(mm),(5) 餐桌转盘直径;700—800mm.(6) 餐桌间距:(个中座椅占500mm)应大于500mm.(7) 主通道宽:1200—1300mm.( 内部工作道宽:600—900mm.(9) 酒吧台高:900—l050mm,宽500mm.(10) 酒吧凳高;600一750mm.3.商场营业厅(1)单边双人走道宽:1600mm.(2)双边双人走道宽:2000mm.(3)双边三人走道宽:2300mm.(4)双边四人走道宽;3000mm.(5)营业员柜台走道宽:800mm.(6)营业员货柜台:厚600mm,高:800—l 000mm.(7)单*背立货架:厚300—500mm,高:1800—2300mm.(双*背立货架;厚;600—800mm,高:1800—2300mm(9)小商品橱窗:厚:500—800mm,高:400—1200mm.(10)陈列地台高:400—800mm.(11)封闭式货架:400—600mm.(12)放射式售货架:直径2000mm.(13)收款台:长:1600mm,宽:600mm4.饭铺客房(1)尺度面积:大:25平方米,中:16—18平方米,小:16平方米.(2)床:高:400—450mm,床*高:850—950mm.(3)床头柜:高500—700mm;宽:500—800mm.(4)写字台:长;1100—1500mm;宽450—600mml高700—750mm.(5)行李台,长9l0—1070mm宽500mm高400mm.(6)衣柜:宽:800—1200mm高1600—2000mm深500mm.(7)沙发:宽:600一800mm高:350—400mm*背高1000mm(衣架高:1700—1900mm.5.卫生间(1)卫生间面积;3—5平方米.(2)浴缸长度;一般有三种1220.1520.1680mm;宽;720mm,高450mm.(3)坐便;750×350(mm).(4)冲洗器:690×350(mm).(5)盟洗盆:550×410(mm).(6)淋浴器高:2100mm.(7)化装台;长:1350mm;宽450 mm.6.会议室(1)中间会议室客容量:会议桌边长600(mm).(2)环式高等会议室客容量;环形内线长700—l 000mm.(3)环式会议室办事通道宽:600—800mm.7.交通空间(1)楼梯间歇息平台净空:等于或大于2100mm.(2)楼梯跑道净空:等于或大于2300mm.(3)客房走廊高;等于或大于2400mm.(4)两侧设座的分解式走廊宽度等于或大于2500mm.(5)楼梯扶手高;850—1100mm.(6)门的经常应用尺寸:宽:850—1000mm.(7)宙的经常应用尺寸;宽;400—1800mm,(不包含组合式窗子) (窗台高;800—1200mm.8.灯具(1)大吊灯最小高度:2400mm.(2)壁灯高:1500—1800mm.(3)反光灯槽最小直径:等于或大于灯管直径两倍.(4)壁式床头灯高:1200—1400mm.(5)照明开关高:1000mm.9.办公家具(1)办公桌:长:1200—1600mm:宽:500—650mm 5高;700—800mm.(2)办公椅:高;400—450mm长×宽:450×450(mm).(3)沙发:宽:600—800mm;高:350—400mm;*不和:1000mm.(4)茶几;前置型:900×400×400(高)( mm);中间型:900x 900×400(mm).700×700×400(mm);阁下型:600×400×400(mm).(5)书橱:高:1800mm,宽:1200—1500mm;深:450—500mm.(6)书架:高:1800mm 6宽:1000—1300mm ;深:350—450mm在作图中愿望大家能严厉按照现实尺寸来做只有如许图才干做到真正的真实施工起来就不会消失太大的问题这是作为一个设计师最根本的保持!!。
人体工学尺寸参考1.人体工程学尺寸参考2.作者:柱子设计发表时间:2007-6-8 20:27:003.人体工程学尺寸参考:4.1、体重:(男:68.9 女:56.7)5.2、身高:(男:173.5 女:159.8)6.3、座直臀至头顶的高度:(男:90.7 女:84.8)7.4、两肘间的宽度:(男:41.9 女:38.4)8.5、肘下支撑物的高度:(男:24.1 女:23.4)9.6、座姿大腿的高度:(男:14.5 女:13.7)10.7、座姿膝盖至地面的高度:(男:54.4 女:49.8)11.8、坐姿臀部至腿弯的长度:(男:49.0 女:48.0)12.9、坐姿臀宽:(男:35.6 女:36.3)13.1、墙面尺寸14.(1)踢脚板高;80—200(2)墙裙高:800—150015.(3)挂镜线高:1600—1800(画中心距地面高度)16.2、餐厅17.(1) 餐桌高:750—79018.(2) 餐椅高:450—50019.(3) 圆桌直径:二人 500,二人 800,四人 900,五人1100,六人 1100-1250,八人 1300,十人 l500,十二人 180020.(4) 方餐桌尺寸:二人700×850,四人1350×850,八人2250×85021.(5) 餐桌转盘直径:700—80022.(6)餐桌间距:(其中座椅占500)应大于50023.(7) 主通道宽:1200—130024.内部工作道宽:600—90025.(9) 酒吧台高:900—l050,宽50026.(10) 酒吧凳高:600一75027.3、商场营业厅28.(1)单边双人走道宽:160029.(2)双边双人走道宽:200030.(3)双边三人走道宽:230031.(4)双边四人走道宽:300032.(5)营业员柜台走道宽:80033.(6)营业员货柜台:厚600,高:800—l00034.(7)单背立货架:厚300—500,高:1800—230035.(8)双背立货架;厚:600—800,高:1800—230036.(9)小商品橱窗:厚:500—800,高:400—120037.(10)陈列地台高:400—80038.(11)敞开式货架:400—60039.(12)放射式售货架:直径200040.(13)收款台:长:1600,宽:6001、墙面尺寸(1)踢脚板高;80—200mm。
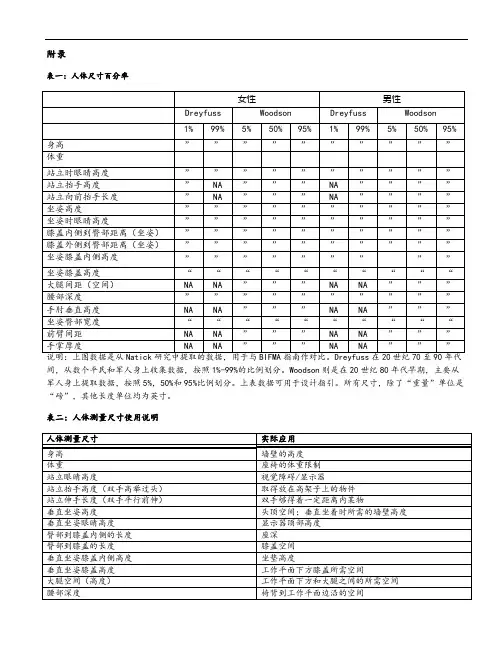
附录
表一:人体尺寸百分率
间,从数个平民和军人身上收集数据,按照1%-99%的比例划分。
Woodson则是在20世纪80年代早期,主要从军人身上提取数据,按照5%,50%和95%比例划分。
上表数据可用于设计指引。
所有尺寸,除了“重量”单位是“磅”,其他长度单位均为英寸。
表二:人体测量尺寸使用说明
手肘垂直高度扶手、键盘或书写平面的高度
坐姿臀部宽度坐垫宽度
前臂间距坐垫宽度和扶手间距
手掌厚度操作杆、凹槽所需的手部空间
图1 BIFMA指南中使用的人体工程学尺寸
表三:BIFMA指南数据和Allsteel椅子数据对比
明细
尺寸BIFMA指南数据ALLSTEEL椅子数据坐垫高度A膝盖内侧高度+足部空间””“”
座深
B 臀部到膝盖内侧长度+所需
空间
≤”(固定座背椅子);
包含“(可调节椅子)
“”
坐垫宽度C坐姿臀部宽度+衣物厚度≥18““椅背高度D无≥““椅背宽度E腰部宽度““
椅背腰靠
F无最常用“”(坐垫内外)调整范围适应背高,自动调节技术
扶手高度
G 手肘高度“”
“”
““
扶手长度H无无“
扶手间距
I 坐姿臀部宽度+衣物厚度18“(固定座背的椅子)
包含18”(可调节的椅子)
“”
表四:产品情况一览表
表五:其他椅子规格。
人体工程学尺寸对照表室内常用尺寸:1、墙面尺寸(1)踢脚板高;80—200mm。
(2)墙裙高:800—1500mm。
(3)挂镜线高:1600—1800(画中心距地面高度)mm。
2.餐厅(1) 餐桌高:750—790mm。
(2) 餐椅高;450—500mm。
(3) 圆桌直径:二人500mm.二人800mm,四人900mm,五人1100mm,六人1100-1250mm,八人1300mm,十人l500mm,十二人1800mm。
(4) 方餐桌尺寸:二人700×850(mm),四人1350×850(mm),八人2250×850(mm),(5) 餐桌转盘直径;700—800mm。
(6)餐桌间距:(其中座椅占500mm)应大于500mm。
(7) 主通道宽:1200—1300mm。
(8)内部工作道宽:600—900mm。
(9) 酒吧台高:900—l050mm,宽500mm。
(10) 酒吧凳高;600一750mm。
3.商场营业厅(1)单边双人走道宽:1600mm。
(2)双边双人走道宽:2000mm。
(3)双边三人走道宽:2300mm。
(4)双边四人走道宽;3000mm。
(5)营业员柜台走道宽:800mm。
(6)营业员货柜台:厚600mm,高:800—l 000mm。
(7)单*背立货架:厚300—500mm,高:1800—2300mm。
(8)双*背立货架;厚;600—800mm,高:1800—2300mm(9)小商品橱窗:厚:500—800mm,高:400—1200mm。
(10)陈列地台高:400—800mm。
(11)敞开式货架:400—600mm。
(12)放射式售货架:直径2000mm。
(13)收款台:长:1600mm,宽:600mm4.饭店客房(1)标准面积:大:25平方米,中:16—18平方米,小:16平方米。
(2)床:高:400—450mm,床*高:850—950mm。
(3)床头柜:高500—700mm;宽:500—800mm。
人体工程学附录摘要(人体尺寸+椅子尺寸)-标准化文件发布号:(9456-EUATWK-MWUB-WUNN-INNUL-DDQTY-KII附录间,从数个平民和军人身上收集数据,按照1%-99%的比例划分。
Woodson则是在20世纪80年代早期,主要从军人身上提取数据,按照5%,50%和95%比例划分。
上表数据可用于设计指引。
所有尺寸,除了“重量”单位是“磅”,其他长度单位均为英寸。
图1 BIFMA指南中使用的人体工程学尺寸明细尺寸BIFMA指南数据ALLSTEEL椅子数据坐垫高度A膝盖内侧高度+足部空间””“”座深B 臀部到膝盖内侧长度+所需空间≤”(固定座背椅子);包含“(可调节椅子)“”坐垫宽度C坐姿臀部宽度+衣物厚度≥18““椅背高度D无≥““椅背宽度E腰部宽度““椅背腰靠F无最常用“”(坐垫内外)调整范围适应背高,自动调节技术扶手高度G手肘高度“”“”““扶手长度H无无“扶手间距I 坐姿臀部宽度+衣物厚度18“(固定座背的椅子)包含18”(可调节的椅子)“”椅子数据尺寸ZODY IMPROVHE/TAGX99LOOK坐垫高度15””X X X x 坐垫深度调节<”X X X X 坐垫宽度>18“X X X x 坐垫角度调节0°-4°X X X X 坐垫前沿“流水型”设计要求有X X X x 椅背最低倾仰角度(至少可向前调整10°,向后调整15°)>10°X X X X 椅背高度>“X X X X 椅背宽度>“X X X X 扶手长度>6“X X X X 扶手宽度>2“X X X X。
人体工程学是室内设计中必不可少的一门专业知识,了解人体工程学可以使装修设计尺寸更符合人们的曰常行为和需要.人体工程学内容主要包括以下几点:*人体尺度*人体行为区域*常用家具设备尺寸*建筑尺度规范*视觉心理和空间一、人体尺度人体尺度,即人体在室内完成各种动作时的活动范围.设计人员要根据人体尺度来确定门的高宽度、踏步的高宽度、窗台阳台的高度、家具的尺寸及间距、楼梯平台、家内净高等室内心尺寸。
常用的室内尺寸如下:支撑墙体:厚度0。
24m室内隔墙断墙体:厚度0。
12m大门:门高2.0~2。
4m,门宽0。
90~0.95m室内门:高1。
9~2。
0m左右、宽0.8~0.9m门套厚度0。
1m厕所、厨房门:宽0.8~0。
9m、高1.9~2。
0m室内窗:高1.0m 左右窗台距地面高度0。
9~1。
0m室外窗:高1.5m 窗台距地面高度1。
0m玄关:宽1。
0m、墙厚0.24m阳台:宽1。
4~1。
6m、长3.0~4.0m(一般与客厅的长度相同)踏步:高0。
15~0。
16m、长0。
99~1。
15m、宽0。
25m;扶手宽0.01m、扶手间距0。
02m、中间的休息平台宽1。
0m。
二、常用家具尺寸;卧室:单人床:宽0.9m、1.05m、1。
2m;长1.8m、1.86m、2.0m、2。
1m;高0。
35m~0。
45m。
双人床:宽1。
35m、1.5m、1。
8m,长、高同上。
圆床:直径1。
86m、2。
125m 、2.424m.矮柜:厚度0.35~0。
45m、柜门宽度0。
3~0。
6m、高度0。
6m.衣柜:厚度0。
6~0.65m、柜门宽度0。
4~0.65m、高度2。
0~2.2m.客厅:沙发:厚度0.8~0。
9m、坐位高0。
35~0。
42m、背高0.7~0。
9m。
单人式:长0.8~0。
9m双人式:长1。
26~1。
50m三人式:长1.75~1.96m四人式:长2。
32~2。
52m茶几:小型长方:长0.6~0。
75m、宽0。
45~0.6m、高度0。
人体工程学的尺寸参考人体尺寸:1、体重:(男:68.9 女:56.7)2、身高:(男:173.5 女:159.8)3、座直臀至头顶的高度:(男:90.7 女:84.8)4、两肘间的宽度:(男:41.9 女:38.4)5、肘下支撑物的高度:(男:24.1 女:23.4)6、座姿大腿的高度:(男:14.5 女:13.7)7、座姿膝盖至地面的高度:(男:54.4 女:49.8)8、坐姿臀部至腿弯的长度:(男:49.0 女:48.0)9、坐姿臀宽:(男:35.6 女:36.3)1、墙面尺寸(1)踢脚板高;80—200(2)墙裙高:800—1500(3)挂镜线高:1600—1800(画中心距地面高度)2、餐厅(1) 餐桌高:750—790(2) 餐椅高:450—500(3) 圆桌直径:二人 500,三人 800,四人 900,五人1100,六人 1100-1250,八人 1300,十人 l500,十二人 1800(4) 方餐桌尺寸:二人700×850,四人1350×850,八人2250×850(5) 餐桌转盘直径:700—800(6)餐桌间距:(其中座椅占500)应大于500(7) 主通道宽:1200—1300内部工作道宽:600—900(9) 酒吧台高:900—l050,宽500(10) 酒吧凳高:600一7503、商场营业厅(1)单边双人走道宽:1600(2)双边双人走道宽:2000(3)双边三人走道宽:2300(4)双边四人走道宽:3000(5)营业员柜台走道宽:800(6)营业员货柜台:厚600,高:800—l000(7)单背立货架:厚300—500,高:1800—2300(8)双背立货架;厚:600—800,高:1800—2300(9)小商品橱窗:厚:500—800,高:400—1200(10)陈列地台高:400—800(11)敞开式货架:400—600(12)放射式售货架:直径2000(13)收款台:长:1600,宽:6004、饭店客房(1)标准面积:大:25平方米,中:16—18平方米,小:16平方米(2)床:高400—450 床背高:850—950(3)床头柜:高500—700;宽:500—800(4)写字台:长1100—1500 宽450—600 高700—750(5)行李台:长9l0—1070 宽500 高400(6)衣柜:宽800—1200 高1600—2000 深500(7)沙发:宽 600一800 高350—400 背高1000(8)衣架高:1700—19005、卫生间(1)卫生间面积:3—5平方米(2)浴缸:长度一般有三种1220、1520、1680;宽720;高450(3)坐便:750×350 (4)冲洗器:690×350 (5)盟洗盆:550×410(6)淋浴器高:2100(7)化妆台:长1350 宽4506、交通空间(1)楼梯间休息平台净空:等于或大于2100(2)楼梯跑道净空:等于或大于2300(3)客房走廊高:等于或大于2400(4)两侧设座的综合式走廊宽度:等于或大于2500(5)楼梯扶手高;850—1100 (6)门的常用尺寸:宽:850—1000(7)窗的常用尺寸;宽400—1800 (不包括组合式窗子);窗台高800—12007、灯具(1)大吊灯最小高度:2400(2)壁灯高:1500—1800(3)反光灯槽最小直径:等于或大于灯管直径两倍(4)壁式床头灯高:1200—1400(5)照明开关高:10008、办公家具(1)办公桌:长1200—1600 宽:500—650 高700—800(2)办公椅:高400—450 长×宽450×450(3)沙发:宽600—800 高350—400 背面1000(4)茶几:前置型:900×400×400(高) 中心型:900 ×900×400、700×700×400;左右型:600×400×400(5)书柜:高:1800,宽:1200—1500;深:450—500(6)书架:高1800 宽1000—1300 深350—450人体工程学是室内设计中必不可少的一门专业知识,了解人体工程学可以使装修设计尺寸更符合人们的曰常行为和需要。
人体工程学附录摘要(人体尺寸+椅子尺寸)-标准化文件发布号:(9456-EUATWK-MWUB-WUNN-INNUL-DDQTY-KII附录间,从数个平民和军人身上收集数据,按照1%-99%的比例划分。
Woodson则是在20世纪80年代早期,主要从军人身上提取数据,按照5%,50%和95%比例划分。
上表数据可用于设计指引。
所有尺寸,除了“重量”单位是“磅”,其他长度单位均为英寸。
图1 BIFMA指南中使用的人体工程学尺寸明细尺寸BIFMA指南数据ALLSTEEL椅子数据坐垫高度A膝盖内侧高度+足部空间””“”座深B 臀部到膝盖内侧长度+所需空间≤”(固定座背椅子);包含“(可调节椅子)“”坐垫宽度C坐姿臀部宽度+衣物厚度≥18““椅背高度D无≥““椅背宽度E腰部宽度““椅背腰靠F无最常用“”(坐垫内外)调整范围适应背高,自动调节技术扶手高度G手肘高度“”“”““扶手长度H无无“扶手间距I 坐姿臀部宽度+衣物厚度18“(固定座背的椅子)包含18”(可调节的椅子)“”椅子数据尺寸ZODY IMPROVHE/TAGX99LOOK坐垫高度15””X X X x 坐垫深度调节<”X X X X 坐垫宽度>18“X X X x 坐垫角度调节0°-4°X X X X 坐垫前沿“流水型”设计要求有X X X x 椅背最低倾仰角度(至少可向前调整10°,向后调整15°)>10°X X X X 椅背高度>“X X X X 椅背宽度>“X X X X 扶手长度>6“X X X X 扶手宽度>2“X X X X。
工业设计中人体工程学的尺寸在装饰工程设计时,必然要考虑室内空间、家具陈设等与人体尺度的关系问题,为了方便装饰室内设计,这里介绍一些常用的尺寸数据。
1、墙面尺寸(1)踢脚板高;80—200mm。
(2)墙裙高:800—1500mm。
(3)挂镜线高:1600—1800(画中心距地面高度)mm。
2.餐厅(1) 餐桌高:750—790mm。
(2) 餐椅高;450—500mm。
(3) 圆桌直径:二人500mm.二人800mm,四人900mm,五人1100mm,六人1100-1250mm,八人1300mm,十人l500mm,十二人1800mm。
(4) 方餐桌尺寸:二人700×850(mm),四人1350×850(mm),八人2250×850(mm),(5) 餐桌转盘直径;700—800mm。
餐桌间距:(其中座椅占500mm)应大于500mm。
(6) 主通道宽:1200—1300mm。
内部工作道宽:600—900mm。
(7) 酒吧台高:900—l050mm,宽500mm。
(8) 酒吧凳高;600一750mm。
3.商场营业厅(1)单边双人走道宽:1600mm。
(2)双边双人走道宽:2000mm。
(3)双边三人走道宽:2300mm。
(4)双边四人走道宽;3000mm。
(5)营业员柜台走道宽:800mm。
(6)营业员货柜台:厚600mm,高:800—l 000mm。
(7)单*背立货架:厚300—500mm,高:1800—2300mm。
(8)双*背立货架;厚;600—800mm,高:1800—2300mm(9)小商品橱窗:厚:500—800mm,高:400—1200mm。
(10)陈列地台高:400—800mm。
(11)敞开式货架:400—600mm。
(12)放射式售货架:直径2000mm。
(13)收款台:长:1600mm,宽:600mm4.饭店客房(1)标准面积:大:25平方米,中:16—18平方米,小:16平方米。
人体工程学尺寸对照表室内常用尺寸:1、墙面尺寸(1)踢脚板高;80—200mm。
(2)墙裙高:800—1500mm。
(3)挂镜线高:1600-1800(画中心距地面高度)mm。
2.餐厅(1)餐桌高:750—790mm。
(2)餐椅高;450-500mm。
(3) 圆桌直径:二人500mm.二人800mm,四人900mm,五人1100mm,六人1100-1250mm,八人1300mm,十人l500mm,十二人1800mm。
(4) 方餐桌尺寸:二人700×850(mm),四人1350×850(mm),八人2250×850(mm),(5) 餐桌转盘直径;700—800mm.(6)餐桌间距:(其中座椅占500mm)应大于500mm。
(7)主通道宽:1200-1300mm。
(8)内部工作道宽:600—900mm。
(9) 酒吧台高:900—l050mm,宽500mm。
(10)酒吧凳高;600一750mm。
3.商场营业厅(1)单边双人走道宽:1600mm.(2)双边双人走道宽:2000mm。
(3)双边三人走道宽:2300mm。
(4)双边四人走道宽;3000mm。
(5)营业员柜台走道宽:800mm.(6)营业员货柜台:厚600mm,高:800-l 000mm.(7)单*背立货架:厚300—500mm,高:1800-2300mm。
(8)双*背立货架;厚;600—800mm,高:1800-2300mm(9)小商品橱窗:厚:500-800mm,高:400-1200mm。
(10)陈列地台高:400-800mm。
(11)敞开式货架:400—600mm。
(12)放射式售货架:直径2000mm。
(13)收款台:长:1600mm,宽:600mm4.饭店客房(1)标准面积:大:25平方米,中:16-18平方米,小:16平方米.(2)床:高:400—450mm,床*高:850—950mm。
(3)床头柜:高500-700mm;宽:500—800mm.(4)写字台:长;1100-1500mm;宽450-600mml高700—750mm。
人体工程学尺寸对照表室常用尺寸:1、墙面尺寸(1)踢脚板高;80—200mm。
(2)墙裙高:800—1500mm。
(3)挂镜线高:1600—1800(画中心距地面高度)mm。
2.餐厅(1) 餐桌高:750—790mm。
(2) 餐椅高;450—500mm。
(3) 圆桌直径:二人500mm.二人800mm,四人900mm,五人1100mm,六人1100-1250mm,八人1300mm,十人l500mm,十二人1800mm。
(4) 方餐桌尺寸:二人700×850(mm),四人1350×850(mm),八人2250×850(mm),(5) 餐桌转盘直径;700—800mm。
(6)餐桌间距:(其中座椅占500mm)应大于500mm。
(7) 主通道宽:1200—1300mm。
(8)部工作道宽:600—900mm。
(9) 酒吧台高:900—l050mm,宽500mm。
(10) 酒吧凳高;600一750mm。
3.商场营业厅(1)单边双人走道宽:1600mm。
(2)双边双人走道宽:2000mm。
(3)双边三人走道宽:2300mm。
(4)双边四人走道宽;3000mm。
(5)营业员柜台走道宽:800mm。
(6)营业员货柜台:厚600mm,高:800—l 000mm。
(7)单*背立货架:厚300—500mm,高:1800—2300mm。
(8)双*背立货架;厚;600—800mm,高:1800—2300mm(9)小商品橱窗:厚:500—800mm,高:400—1200mm。
(10)列地台高:400—800mm。
(11)敞开式货架:400—600mm。
(12)放射式售货架:直径2000mm。
(13)收款台:长:1600mm,宽:600mm4.饭店客房(1)标准面积:大:25平方米,中:16—18平方米,小:16平方米。
(2)床:高:400—450mm,床*高:850—950mm。
(3)床头柜:高500—700mm;宽:500—800mm。
一.人体各部尺寸身高1700,宽度600,厚度300;坐高400,座位进深400-450;人体通行宽度760二.客厅沙发坐垫710×500,扶手宽150,坐垫高300-400;单人沙发长1000,宽700;双人沙发长1600,宽700;三人沙发长2200,宽700;沙发及人体通行,总进深1000-1200茶几高300-400,沙发距茶几400;鞋柜:竖向放鞋每层400,水平放鞋每层200,进深250三.卧室衣柜高度分为4部分,下部抽屉400,中间衣柜1300,上部300,顶部至房顶。
每扇门宽600,进深600单人床宽1000、1200,双人床1500、1800,长度2000,床高400-600,床头厚度100-250;床头柜长500-600,进深400,高度平齐于床;梳妆台高760,台面进深500,含人总进深700-1000四.书房书桌高760;书桌距离书架最近750;书架高度小于1800,下部书柜高度760;书架进深350,书柜进深500五.餐厅a)四人餐桌直径900-1200,方桌边长1000;六人餐桌1400×2400b)就座区宽600-700,进深450-600,座椅靠背距后墙应该在300以上,人员通行宽度760c)四人圆桌含座椅,(不含通行区)直径应该在2400以上d)餐桌高760;吊灯距离桌面最近700,餐椅高400-450;餐椅平面450×450六.厨房a)橱柜操作台高800,台面进深600;吊柜1400,进深300,抽油烟机下表面1600;单侧橱柜,通道宽1100,双侧橱柜,通道宽1200;电冰箱:面宽600,进深600;抽油烟机:面宽750,进深500七.卫生间台盆上表面高度1000,(儿童700);台面进深500-600(儿童450);镜子下沿高1050(儿童800);浴缸长1300-1700,宽700,高450;花洒高度2000;坐便:750×350;纸巾盒高度:600;纸巾盒距坐便300。
附录
表一:人体尺寸百分率
间,从数个平民和军人身上收集数据,按照1%-99%的比例划分。
Woodson则是在20世纪80年代早期,主要从军人身上提取数据,按照5%,50%和95%比例划分。
上表数据可用于设计指引。
所有尺寸,除了“重量”单位是“磅”,其他长度单位均为英寸。
表二:人体测量尺寸使用说明
站立伸手长度(双手平行前伸)双手够得着一定距离内某物
垂直坐姿高度头顶空间;垂直坐着时所需的墙壁高度
垂直坐姿眼睛高度显示器顶部高度
臀部到膝盖内侧的长度座深
臀部到膝盖的长度膝盖空间
垂直坐姿膝盖内侧高度坐垫高度
垂直坐姿膝盖高度工作平面下方膝盖所需空间
大腿空间(高度)工作平面下方和大腿之间的所需空间
腰部深度椅背到工作平面边沿的空间
手肘垂直高度扶手、键盘或书写平面的高度
坐姿臀部宽度坐垫宽度
前臂间距坐垫宽度和扶手间距
手掌厚度操作杆、凹槽所需的手部空间
图1 BIFMA指南中使用的人体工程学尺寸
表三:BIFMA指南数据和Allsteel椅子数据对比
明细
尺寸BIFMA指南数据ALLSTEEL椅子数据坐垫高度A膝盖内侧高度+足部空间15.0”-19.9”15.0“-22.25”
座深
B 臀部到膝盖内侧长度+所需
空间
≤16.9”(固定座背椅子);
包含16.9“(可调节椅子)
15.0“-18.0”
坐垫宽度C坐姿臀部宽度+衣物厚度≥18“18.0“
椅背高度D无≥12.2“24.0“
椅背宽度E腰部宽度14.2“16.0“
椅背腰靠F无最常用5.9“-9.8”(坐垫内调整范围适应背高,
表四:产品情况一览表
表五:其他椅子规格
(注:专业文档是经验性极强的领域,无法思考和涵盖全面,素材和资料部分来自网络,供参考。
可复制、编制,期待你的好评与关注)。