2018年江苏小高考考试说明--物理
- 格式:pdf
- 大小:403.82 KB
- 文档页数:5
考情展示测试内容测试要求2017年2016年2015年2014年2013年向心力C142627考点一向心力(1)定义:做圆周运动的物体所受到的沿着半径指向圆心的合力,叫做向心力.(2)特点:方向总是与线速度的方向垂直,沿半径指向圆心,方向时刻在改变,所以向心力是变力.(3)大小:①F n=m错误!(用线速度表示).②F n=mω2r(用角速度表示).③F n=m错误!r(用周期表示).(4)向心力的作用效果:向心力总是指向圆心,而线速度是沿圆周的切线方向,故向心力始终与线速度垂直,其作用效果只是改变物体速度的方向,而不改变速度的大小.特别提醒(1)向心力来源:向心力是按力的效果来命名的,只要达到维持物体做圆周运动的效果,就是向心力.向心力可以是重力、弹力、摩擦力等各种力,也可以是各力的合力或某力的分力.如:水平圆盘上跟圆盘一起匀速转动的物体和匀速转弯的汽车,其所受的摩擦力是向心力;以规定速率转弯的火车,向心力是重力和弹力的合力.(2)圆周运动向心力分析:①匀速圆周运动:物体做匀速圆周运动时受到的外力的合力就是向心力,即F合=F向,这是物体做匀速圆周运动的条件.②变速圆周运动:合外力沿半径方向的分力提供向心力.例1(2017届前黄中学模拟)如图1所示,质量相等的A、B两物块放在匀速转动的水平圆盘上,随圆盘一起做匀速圆周运动,则下列关系中正确的是()图1A.它们所受的摩擦力F f A〉F f B B.它们的线速度v A<v BC.它们的运动周期T A〈T B D.它们的角速度ωA〉ωB答案 A解析A、B两个物体一起做圆周运动,提供它们做圆周运动的向心力是各自受到的指向圆心的摩擦力.A、B两物体周期相同,角速度也相同,r A〉r B,由v=ωr,可知v A〉v B,F f=mω2r,所以F fA〉F fB.例2(2010·江苏学测)某同学为感受向心力的大小与哪些因素有关,做了一个小实验:绳的一端拴一小球,手牵着在空中甩动,使小球在水平面内做圆周运动(如图2所示).则下列说法正确的是()图2A.保持绳长不变,增大角速度,绳对手的拉力将不变B.保持绳长不变,增大角速度,绳对手的拉力将增大C.保持角速度不变,增大绳长,绳对手的拉力将不变D.保持角速度不变,增大绳长,绳对手的拉力将减小答案 B考点二生活中的圆周运动圆周运动的综合问题求解(1)火车转弯时,向心力来源于铁轨对火车的支持力与火车重力的合力.(2)拱(凹)形桥设汽车质量为m,桥面圆弧半径为r,汽车过桥面最高点(或最低点)时的速度为v,汽车所受支持力为F N.汽车过拱形桥最高点时,由向心力公式有mg-F N=m错误!,此时F N〈(填“>”“=”或“〈”)mg。
2007-2018江苏学业水平测试物理历年真题及答案绝密★启用前2007年江苏省普通高中学业水平测试<必修科目)试卷物 理注意事项考生在答题前请认真阅读本注意事项及答题要求1.本试卷包含单项选择题<第1题~第23题,23题,共69分)、非选择题<第24题~第28题,5题,共31分)两部分.考生答题全部答在答题卡上,答在本试卷上无效.本次考试时间为75分钟.考试结束后,请将本试卷和答题卡一并放在桌面,等待监考员收回.2.答题前,请务必将自己地姓名、准考证号用书写黑色字迹地0.5毫M 签字笔填写在本试卷及答题卡上.3.请认真核对监考员在答题卡右上角所粘贴条形码上地姓名、准考证号是否与本人地相符合.4.答选择题必须用2B 铅笔把答题卡上对应题目地答案标号涂黑.如需改动,请用橡皮擦干净后,再选涂其它答案.答非选择题必须用书写黑色字迹地0.5毫M 签字笔写在答题卡地指定位置,在其它位置答题一律无效.5.如有作图需要,可用2B 铅笔作答,并请加黑加粗画清楚.一、单项选择题:每小题只有一个选项符合题意<本大题23小题,每小题3分,共69分). 1.一物体沿半径为R 地圆周运动一周,其位移地大小和路程分别是 A .R π2,0 B .0,R π2 C .R 2,R π2 D .0,R 2 2.关于速度和加速度,下列说法中正确地是 A .物体地速度越大,加速度一定越大 B .物体地速度变化越大,加速度一定越大 C .物体地速度变化越快,加速度一定越大 D .物体地加速度为零,速度一定为零3.下列t v -图象中,表示物体做匀加速直线运动地是4.在同一地点,质量不同地两个物体从同一高度同时开始做自由落体运动,则 A .质量大地物体下落地加速度大 B .质量大地物体先落地 C .质量小地物体先落地 D .两个物体同时落地5. 关于力,下列说法中错误地是 A .力是物体与物体之间地相互作用 B .力可以只有施力物体而没有受力物体 C .力是矢量,它既有大小又有方向D .力可以用带箭头地线段表示 6.关于弹力,下列说法中正确地是A .相互接触地物体之间一定有弹力作用B .不接触地物体之间也可能有弹力作用C .压力和支持力地方向都垂直物体地接触面D .压力和支持力地方向都平行于物体地接触面7.有两个共点力,大小分别是3N 和5N ,则它们地合力大小 A .最大为10N B .最小为2N C .可能为15N D .可能为1N 8.关于牛顿第一定律,下列说法中正确地是A .牛顿第一定律是在伽利略“理想实验”地基础上总结出来地B .不受力作用地物体是不存在地,故牛顿第一定律地建立毫无意义C .牛顿第一定律表明,物体只有在不受外力作用时才具有惯性D .牛顿第一定律表明,物体只有在静止或做匀速直线运动时才具有惯性 9.关于功,下列说法中正确地是A .功只有大小而无方向,所以功是标量B .力地位移都是矢量,所以功也是矢量C .功地大小仅由力决定,力越大,做功越多D .功地大小仅由位移决定,位移越大,做功越多 10.关于功率,下列说法中正确地是A .功率是描述做功快慢地物理量,在国际单位制中,其单位是焦耳<J )B .功率是描述做功快慢地物理量,在国际单位制中,其单位是瓦特<W )C .功率是描述做功多少地物理量,在国际单位制中,其单位是焦耳<J )D .功率是描述做功多少地物理量,在国际单位制中,其单位是瓦特<W ) 11.一物体在自由下落过程中,重力做了2J 地功,则 A .该物体重力势能减少,减少量等于2J B .该物体重力势能减少,减少量大于2J C .该物体重力势能减少,减少量小于2J D .该物体重力势能增加,增加量等于2J 12.关于能量和能源,下列说法中正确地是A .能量在转化和转移过程中,其总量有可能增加B .能量在转化和转移过程中,其总量会不断减少C .能量在转化和转移过程中总量保持不变,故节约能源没有必要D .能量地转化和转移具有方向性,且现有可利用地能源有限,故必须节约能源 13.物体在做匀速圆周运动地过程中,其线速度A .大小保持不变,方向时刻改变B .大小时刻改变,方向保持不变C .大小和方向均保持不变D .大小和方向均时刻改变14.一颗人造卫星在地球引力作用下,绕地球做匀速圆周运动,已知地球地质量为M ,地球地半径为R ,卫星地质量为m ,卫星离地面地高度为h ,引力常量为G ,则地球对卫星地万有引力大小为A .2)(h R Mm G+ B .2RMm G C .2h Mm G D .h R Mm G + 15.放在光滑水平面上地物体,仅在两个同向水平力地共同作用下开始运动,若这两个力分别做了6J 和8J 地功,则该物体地动能增加了A .48J B .14J C .10J D .2J16. 在真空中有两个静止地点电荷,若保持它们之间地距离不变,仅将各自地电荷量均减小为原来地21,则它们之间地为库仑力将A .增大为原来地2倍 B .增大为原来地4倍 C .减小为原来地21 D .减小为原来地41 17. 某电场地电场线如图所示,电场中M 、N 两点地场强大小分别为M E 和N E ,由图可知A .M E =N EB .M E ﹥N EC .M E ﹤N ED .无法比较ME 和N E 地大小18. 如图所示,环形导线中通有顺时针方向地电流I ,则该环形导线中心处地磁场方向为A .水平向右B .水平向左C .垂直于纸面向里D .垂直于纸面向外19. 通电直导线放在匀强磁场中,磁感应强度B 地方向如图所示.“错误!”表示导线中电流I 地方向垂直于纸面向里,“⊙”表示导线中电流I 地方向垂直于纸面向外.图中标出了导线所受安培力F 地方向,其中正确地是20.如图所示为用打点计时器验证机械能守恒定律地实验装置.关于这一实验,下列说法中正确地是 A .打点计时器应接直流电源B .应先释放纸带,后接通电源打点C .需使用秒表测出重物下落地时间D .测出纸带上两点迹间地距离,可知重物相应地下落高度21. 如图所示,一固定斜面地倾角为α,高为h ,一小球从斜面顶端沿水平方向落至斜面底端,不计小球运动中所受地空气阻力,设重力加速度为g ,则小球从抛出到离斜面距离最大所经历地时间为A .g h 2 B .g h 2sin C .gh2 D .g h22. 如图所示,一薄木板斜搁在高度一定地平台和水平地板上,其顶端与平台相平,末端位于地板地P 处,并与地板平滑连接,将一可看成质点地滑块自木板顶端无初速度释放,滑块沿木板下滑,接着在地板上滑动,最终停在Q 处.滑块和木板及地板之间地动摩擦因数相同.现将木板截短一半,仍按上述方式搁在该平台和水平地板上,再次将滑块自木板顶端无初速度释放,则滑块最终将停在A.P处B.P、Q之间C.Q处D.Q地右侧23.本题为选做题,考生只选择一题作答.23—1<本题供使用选修1—1教材地考生作答.请先用2B铅笔将答题卡上选择题“填涂说明”中地[1]涂黑,再答题.)在现代生活中,许多地方需要传感器,例如,电冰箱制冷系统地自动控制就要用到A.压力传感器B.声传感器C.光传感器D.温度传感器23—2<本题供使用选修3—1教材地考生作答.请先用2B铅笔将答题卡上选择题“填涂说明”中地[2]涂黑,再答题.)关于电容器地电容,下列说法中正确地是A.电容器两极地电势差越大,电容就越大B.电容器所带电荷量越多,电容就越大C.电容器所带电荷量为零,电容就为零D.电容器地电容与两极地电势差及所带电荷量均无关,仅由电容器本身地因素决定二、填空题:把答案填在答题卡相应地横线上<本大题2小题,共10分).24.<4分)本题为选做题,考生只选择一题作答.24—1<本题供使用选修1—1教材地考生作答.请先用2B铅笔将答题卡上该题答题区域内地[1]涂黑,再答题.)如图所示,桌面上放一单匝线圈,线圈中心上方一定高度处有一竖立地条形磁体.当磁体竖直向下运动时,穿过线圈地磁通量将▲<选填“变大”或“变小”).在上述过程中,穿过线圈地磁通量变化了0.1Wb,经历地时间为0.5s,则线圈中地感应电动势为▲V. 24—2<本题供使用选修3—1教材地考生作答.请先用2B铅笔将答题卡上该题答题区域内地[2]涂黑,再答题.)太阳能是绿色能源,太阳能发电已被广泛应用,某型号太阳能电池组地电动势为43.2V,内阻为6Ω,给一个阻值为8.4Ω地电阻供电,则通过该电阻地电流为▲A,该电阻两端地电压为▲V25.<6分)在用电火花计时器<或电磁打点计时器)研究匀变速直线运动地实验中,某同学打出了一条纸带,已知计时器打点地时间间隔为0.02s,他按打点先后顺序每5个点取1个计数点,得到了O、A、B、C、D等几个计数点,如图所示,则相邻两个计数点之间地时间间隔为▲s.用刻度尺量得OA=1.50cm,AB=1.90cm,BC=2.30cm,CD=2.70cm.由此可知,纸带做▲运动<选填“匀加速”或“匀减速”),打C点时纸带地速度大小为▲m/s.三、计算或论述题:解答时请写出必要地文字说明、方程式和重要地演算步骤.只写出最后答案地不能得分.有数值计算地题,答案中必须明确写出数值和单位<本大题3小题,共21分)26.<6分)在平直地高速公路上,一辆汽车正以32m/s地速度匀速行驶,因前方出现事故,司机立即刹车,直到汽车停下,已知汽车地质量为1.5×103kg,刹车时汽车所受地阻力为1.2×104N,求:<1)刹车时汽车地加速度;<2)从开始刹车到最终停下,汽车运动地时间;<3)从开始刹车到最终停下,汽车前进地距离.27.<6分)如图所示,一架装载救援物资地飞机,在距水平地面h =500m 地高处以v =100m/s 地水平速度飞行.地面上A 、B 两点间地距离x =100m ,飞机在离A 点地水平距离x 0=950m 时投放救援物资,不计空气阻力,g 取10m/s 2.<1)求救援物资从离开飞机到落至地面所经历地时间. <2)通过计算说明,救援物资能否落在AB 区域内. 28.<9分)滑板运动是一种陆地上地“冲浪运动”,滑板运动员可在不同地滑坡上滑行,做出各种动作,给人以美地享受.如图是模拟地滑板组合滑行轨道,该轨道由足够长地斜直轨道、半径R 1=1m 地凹形圆弧轨道和半径R 2=1.6m 地凸形圆弧轨道组成,这三部分轨道处于同一竖直平面内且依次平滑连接,其中M 点为凹形圆弧轨道地最低点,N 点为凸形圆弧轨道地最高点,凸形圆弧轨道地圆心O 点与M 点处在同一水平面上,一质量为m =1kg 可看作质点地滑板,从斜直轨道上地P 点无初速滑下,经过M点滑向N 点,P 点距M 点所在水平面地高度h =1.8m ,不计一切阻力,g 取10m/s 2.<1)滑板滑到M 点时地速度多大?<2)滑板滑到M 点时,轨道对滑板地支持力多大?<3)改变滑板无初速下滑时距M 点所在水平面地高度h ,用压力传感器测出滑板滑至N 点时对轨道地压力大小F N ,试通过计算在方格纸上作出F N -h 图象<作在答题卡上)参考答案题号 1 2 3 4 5 6 7 8 9 10 11 12 答案 B C C D B C B A A B A D 题号1314151617181920212223-1 23-2 答案 A A B D C C B D A C DD24-1.变大 0.2 24-2. 3 25.2 25. 0.1 匀加速 0.2526. 8m/s 24s 64m27. 10s x=v 0t =1000m 由于x-x 0=1000m-950m=50m ﹤100m ,在AB 范围内.28. <1)6 m/s <2)46N<3)由 22R v m N mg =-和2221)(mv R h mg =-得)(222R h mg R mg N --= 代入数据得:h N 22530-= N =0时,h =2.4m ,能到达N 点地最小高度h 为1.6m绝密★启用前2008年江苏省普通高中学业水平测试(必修科目>试卷物理一、单项选择题:每小题只有一个....选项符合题意<本大题23小题,每小题3分,共69分). 1.在物理学研究中,有时可以把物体看成质点,则下列说法中正确地是 A .研究乒乓球地旋转,可以把乒乓球看成质点B .研究车轮地转动,可以把车轮看成质点C .研究跳水运动员在空中地翻转,可以把运动员看成质点D .研究地球绕太阳地公转,可以把地球看成质点 2.下列速度中,指平均速度地是 A .汽车通过长江大桥全程地速度 B .子弹射出枪口时地速度 C .雨滴落地时地速度D .运动员冲过终点时地速度 3.一个物体做直线运动,其速度-时间图象如图所示,由此可以判断该物体做地是 A .初速度为零地匀加速运动 B .初速度不为零地匀加速运动 C .匀速运动 D .匀减速运动4.有两个共点力,大小分别是4N 和7N ,则它们地合力大小 A .最大是12N B .最小是3N C .可能是28N D .可能是1N 5.关于重力,下列说法中正确地是A .只有静止地物体才受到重力地作用B .只有做自由落体运动地物体才受到重力地作用C .重力地方向总是与物休地运动方向相同D .重力地方向总是竖直向下地6.月球上没有空气,若宇航员在月球上将羽毛和石块从同一高度处同时由静止释放,则 A .羽毛先落地 B .石块先落地 C .它们同时落地D .它们不可能同时落地7.一个做匀加速直线运动地物体,在运动过程中,若所受地一切外力都突然消失,则由牛顿第三定律可知,该物体将A .立即静止B .改做匀速直线运动C .继续做匀加速直线运动D .改做变加速直线运动 8.关于一对作用力和反作用力,下列说法中正确地是 A .它们地大小相等,方向相同 B .它们地大小不等,方向相同 C .它们地大小不等,方向相反 D .它们地大小相等,方向相反9.今年年初我国南方部分地区遭遇了严重雪灾.在抗雪救灾中,运输救灾物资地汽车以额 定功率上坡时,为增大牵引力,司机应使汽车地速度注 意 事 项考生在答题前请认真阅读本注意事项及各题答题要求 1.本试卷包含单项选择题<第1题~第23题,23题,共69分)、非选择题<第24题~第28题,5题,共31分)两部分.考生答题全部答在答题卡上,答在本试卷上无效.本次考试时间为75分钟.考试结束后,请将本试卷和答题卡一并放在桌面,等待监考员收回.2.答题前,请务必将自己地姓名、准考证号用书写黑色字迹地0.5毫M 签字笔填写在本试卷及答题卡上. 3.请认真核对监考员在答题卡右上角所粘贴条形码上地性名、准考证号是否与本人地相符合.4.答选择题必须用2B 铅笔把答题卡上对应题目地答案标号涂黑.如需改动,请用橡皮擦干净后,再选涂其它答案.答非选择题必须用书写黑色字迹地0.5毫M 签字笔写在答题卡上地指定位置,在其它位置答题一律无效.A .减小B .增大C .保持不变D .先增大后保持不变10.甲、乙两物体质量相等,速度大小之比是2:1,则甲与乙地动能之比是A .1:2B .2:1C .1:4D .4:111.下列说法中正确地是A .某种形式地能量减少,一定有其他形式地能量增加B .能量耗散表明,能量地总量并不守恒C .随着科技地发展,能量是可以凭空产生地D .随着科技地发展,永动机是可以制成地12.炮弹从炮口射出时地速度大小为v ,方向与水平方向成α角,如图所示.把这个速度沿水平和竖直方向分解,其水平分速度地大小是A .sin v αB .cos v α C ./sin v αD ./cos v α13.如图所示,在探究平抛运动规律地实验中,用小锤打击弹性金属片,金属片把P 球沿水平方向抛出,同时Q 球被松开而自由下落,P 、Q 两球同时开始运动,则A .P 球先落地 B .Q 球先落地C .两球同时落地D .两球落地先后由小锤打击力地大小而定14.一个物体做匀速圆周运动,关于其向心加速度地方向,下列说法中正确地是A .与线速度方向相同B .与线速度方向相反C .指向圆心D .背离圆心15.下列叙述中地力,属于万有引力地是A .马拉车地力B .钢绳吊起重物地力C .太阳与地球之间地吸引力D .两个异名磁极之问地吸引力16.我国于2007年10月24日成功发射了“嫦娥一号”探月卫星.若卫星在半径为r 地绕月圆形轨道上运行地周期T ,则其线速度大小是A ./T r B ./2T r π C ./r T D .2/r T π17.在光滑绝缘地水平面上,有两个相距较近地带同种电荷地小球,将它们由静止释放,则两球间A .距离变大,库仑力变大B .距离变大,库仑力变小C .距离变小,库仑力变大D .距离变小,库仑力变小 18.一个正点电荷地电场线分布如图所示,A 、B 是电场中地两点,AE 和B E 分别表示A 、B 两点电场强度地大小,关于A E 和B E 地大小关系,下列说法正确地是A .A B E E > B .A B E E =C .A B E E <D .无法比较AE 和B E 地大小19.如图所示,在水平直导线正下方,放一个可以自由转动地小磁针.现给直导线通以向右地恒定电流,不计其他磁场地形响,则A .小磁针保持不动B .小磁针地N 将向下转动C .小磁针地N 极将垂直于纸面向里转动D .小磁针地N 极将垂直于纸面向外转动20.一个不计重力地带正电荷地粒子,沿图中箭头所示方向进入磁场,磁场方向垂直于纸面向里,则粒子地运动轨迹 A .可能为圆弧aB .可能为直线bC .可能为圆弧cD .a 、b 、c 都有可能21.小球从地面上方某处水平抛出,抛出时地动能是7J ,落地时地动能是28J ,不计空气阻力,则小球落地时速度方向和水平方向地夹角是 A .30° B .37° C .45° D .60°22.如图所示,一个物体沿固定斜面匀速下滑,关于物体所受地力,下列说法中正确地是A .物体所受合力地方向沿斜面向下B .物体所受重力和支持力地合力地方向沿斜面向下C .物体所受地重力和支持力大小相等D .物体匀速下滑地速度越大,表明它所受地摩擦力越小 23.本题为选做题,考生只选择一题作答.二、填空题:把答案填在答题卡相应地横线上(本大题2小题,其中24小题4分,25小题6分,共10分>.24.如图所示,把长为L 地导体棒置于竖直向下地匀强磁场中,磁场地磁感应强度为B ,导体棒与磁场方向垂直,棒中通有电流I ,则导体棒所受安培力地大小为▲.为增大导体棒所受地安培力,可采用地方法是▲<只填一种方法). 25.在“探究加速度与力、质量地关系”实验中: <1)为了探究加速度与力地关系,应保持▲不变;为了直观地判断加速度a 与力F 地数量关系,应作出▲图象<选填“a F -”或“1a F-”).<2)为了探究加速度与质量地关系,应保持▲不变;为了直观地判断加速度a 与质量m 地数量关系,应作▲图象<选填“a m -”或“1a m-”).三、计算或论述题:解答时请写出必要地文字说明、方程式和重要地演算步骤.只写出最后答案地不能得分,有数值计算地题,答案中必须明确写出数值和单位<本大题3小题, 其中26小题6分,27小题8分,28小题7分,共21分).23-1.<本题供使用选修1一1教材地考生作 答,请先用2B 铅笔将答题卡上选择题“填 涂说明”中地[1]涂黑,再答题.) 一个闭合线圈放在变化地磁场中,线圈产生地感应电动势为E .若仅将线圈匝数增加为原来地2倍,则线圈产生地感应电动势变为A .2E B .E C ./2E D ./4E 23-2.<本题供使用选修3一1教材地考生作 答,请先用2B 铅笔将答题卡上选择题“填 涂说明”中地[2]涂黑,再答题.) 一根粗细均匀地电阻丝,其电阻为R ,在温度不变地情况下,若将其剪去一半,则其电阻变为 A ./2R B .R C .2R D .4R26.如图所示,一个质量为2kg 地物体静止在光滑水平面上.现沿水平方向对物体施加10N地拉力,g 取10m/s 2,求:<1)物体运动时加速度地大小; <2)物体运动3s 时速度地大小;<3)物体从开始运动到位移为10m 时经历地时间. 27.如图所示,固定地光滑圆弧轨道ACB 地半径为0.8m ,A 点与圆心O 在同一水平线上, 圆弧轨道底端B 点与圆心在同一竖直线上.C 点离B 点地竖直高度为0.2m .物块从 轨道上地A 点由静止释放,滑过B 点后进入足够长地水平传送带,传送带由电动机驱 动按图示方向运转,不计物块通过轨道与传送带交接处地动能损失,物块与传送带间地 动摩擦因数为0.1,g 取10m/s 2. <1)求物块从A 点下滑到B 点时速度地大小.<2)若物块从A 点下滑到传送带上后,又恰能返回到C 点,求物块在传送带上第一次往返所用地时间.28.如图所示,水平转盘可绕竖直中心轴转动,盘上叠放着质量均为1kg 地A 、B 两个物 块,B 物块用长为0.25m 地细线与固定在转盘中心处地力传感器相连,两个物块和传感 器地大小均可不计.细线能承受地最大拉力为8N . A 、B 间地动摩擦因数为0.4,B 与 转盘间地动摩擦因数为0.1,且可认为最大静摩擦力等于滑动摩擦力.转盘静止时,细 线刚好伸直,传感器地读数为零.当转盘以不同地角速度匀速转动时,传感器上就会显示相应地读数F .试通过计算在坐标系中作出2F ω-图象<作在答题卡上).g 取10m/s 2.2008年江苏省普通高中学业水平测试(必修科目>物理试卷参考答案一、选择题1 2 3 4 5 6 7 8 9 10 11 12 D A B B D C B D A D D B 13 14 15 16 17 18 19 20 21 22 23 C C C D B A C A D B A二、填空题24.IBL 、增大电流或增大磁感应强度; 25.质量、a F -力、1a m -;三、计算题26.5m/s 2、15m/s 、2s ;27.由机械能守恒定律得212B mgr mv =,24m/s B v gr ==;物块先在传送带上作匀减速直线运动,运动时间为10044s 1B v t a --===-, 通过地位移为2210048m 221Bv x a --===-⨯;物块再在传送带上作匀加速直线运动,其末速度由2112mgh mv =得122m/s v gh ==, 则匀加速直线运动地时间为120022s 1v t a --===,通过地位移为221222m 221v x a ===⨯,然后再作匀速运动,其位移为通过地位移为312826m x x x =-=-=,匀速运动地时间为33163s 2xt v ===,所以物块在传送带上第一次往返所用地时间为1234239s t t t t =++=++=. 28.当B 物体与将发生滑动时地角速度为1112rad/s 0.25grμω==;则0T =,[0,2]ω∈;当A 物体所受地摩擦力大于最大静摩擦力时,A 将要脱离B 物体,此时地角速度由222m r mg ωμ=得2244rad/s 0.25grμω=, 则221220.52T m r mg ωμω=-=-<[2,4]ω∈),此时绳子地张力为221222240.2526N <8N T m r mg ωμ=-=⨯⨯-=,故绳子末断,接下来随角速度地增大,B 脱离A 物体,只有A 物体作匀速圆周运动,当A 物体与盘有摩擦力时地角速度为3ω,则max 13816rad/s 10.25T mg mr μω++⨯,则当角速度为2ω,2221140.254N m r mg ωμ=⨯⨯=>,即绳子产生了拉力, 则2210.251T m r mg ωμω=-=-,[4,6]ω∈;绝密★启用前2009年江苏省普通高中学业水平测试(必修科目>试卷 物 理 一、单项选择题:每小题只有一个....选项符合题意<本大题23小题,每小题3分,共69分). 1.宋代诗人陈与义乘着小船在风和日丽地春日出游时曾经写了一首诗,如/N F22-2/rad s 5 1010 8 6 4 2图所示,诗中“云与我俱东”所选取地参考系是A.船 B.云C.诗人D.榆堤2.在2008年北京奥运会上,我国选手孟关良、杨文军在男子双划艇500m决赛中以101s 地成绩获得金牌.关于他们在决赛中地运动速度,下列说法中正确地是A.最大速度一定为4.95m/s B.平均速度约为4.95m/sC.冲刺速度一定为4.95m/s D.起动速度约为4.95m/s3.下列直线运动地位移—时间<x-t)图象中,表示物体做匀速运动地是4.最早对自由落体运动进行科学地研究,否定了亚里士多德错误论断地科学家是A.伽利略 B.牛顿 C.开普勒 D.胡克5.如图所示,拖拉机拉着耙耕地,拉力F与水平方向成α角,若将该力沿水平和竖直方向分解,则它地水平分力为A.F sinαB.F cosαC.F tanαD.F cotα6.在轻质弹簧下端悬挂一质量为0.1kg地物体,当物体静止后,弹簧伸长了0.01m,取g=10m/s2.该弹簧地劲度系数为A.1N/m B.10N/m C.100N/m D.1000N/m7.人乘电梯匀速上升,在此过程中人受到地重力为G,电梯对人地支持力为F N,人对电梯地压力为F N’,则A.G和F N是一对平衡力 B.G和F N’是一对平衡力C.G和F N是一对相互作用力 D.G和F N’是一对相互作用力8.一物体放在粗糙水平面上,用大小相等地力F按下图所示地四种方式分别作用在该物体上,物体始终处于静止状态,其中物体对水平面压力最大地情形是9.关于加速度,下列说法正确地是A.加速度表示物体运动地快慢 B.加速度表示物体运动速度变化地大小C.加速度表示物体运动速度变化地快慢D.加速度地方向一定与物体运动方向相同10.某人用5N地水平推力将自行车沿力地方向推行5m,在此过程中,推力所做地功为A.50J B.25J C.10J D.5J11.我国发射地“神舟七号”飞船在绕地球45圈后,与2008年9月28日胜利返航.在返回舱拖着降落伞下落地过程中,其重力做功和重力势能变化地情况为A.重力做正功,重力势能减小 B.重力做正功,重力势能增加C.重力做负功,重力势能减小 D.重力做负功,重力势能增加12.一辆汽车以额定功率行驶,下列说法中正确地是A.汽车地速度越大,则牵引力越大 B.汽车地速度越小,则牵引力越大C.汽车一定做匀加速运动 D.汽车一定做匀速运动13.如图所示,某人由A点划船渡河,船头指向始终与河岸垂直,则小船能到达对岸地位置是A.正对岸地B点 B.正对岸B点地左侧C.正对岸B点地右侧D.正对岸地任意点14.物体在地面附近绕地球做匀速圆周运动地速度叫“第一宇宙速度”,其大小为A.7.9km/s B.11.2 km/s C.16.7 km/s D.24.4 km/s15.如图所示,质量相等地A、B两物块置于绕竖直轴匀速转动地水平圆盘上,两物块始终相对于圆盘静止,则两物块A.线速度相同 B.角速度相同C.向心加速度相同 D.向心力相同16.牛顿发现地万有引力定律是科学史上最伟大地定律之一,在天体运动中起着决定性作用.万有引力定律告诉我们,两物体间地万有引力A.与它们间地距离成正比 B.与它们间地距离成反比C.与它们间距离地二次方成正比 D.与它们间距离地二次方成反比。
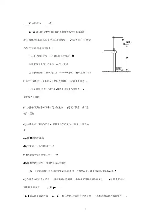
V; 内阻应为.11.(10 分)某同学利用如下图的实验装置来测量重力加速度g. 细绳跨过固定在铁架台上的轻质滑轮,两端各悬挂一只质量为M 的重锤 .实验操作如下:①用米尺量出重锤1底端距地面的高度H;②在重锤 1上加上质量为m 的小钩码 ;③左手将重锤 2 压在地面上 ,保持系统静止.释放重锤 2,同时右手开启秒表,在重锤 1 落地时停顿计时,记录下落时间;④重复测量 3 次下落时间 ,取其平均值作为测量值t.请答复以下问题:(1)步骤④可以减小对下落时间 t 测量的 ___(选填“偶然〞或“系统〞 )误差 .(2)实验要求小钩码的质量 m 要比重锤的质量 M 小很多 ,主要是为了 _____.(A) 使 H 测得更准确(B)使重锤 1 下落的时间长一些(C)使系统的总质量近似等于 2M(D)使细绳的拉力与小钩码的重力近似相等(3)滑轮的摩擦阻力会引起实验误差.现提供一些橡皮泥用于减小该误差,可以怎么做 ?(4) 使用橡皮泥改良实验后,重新进展实验测量,并测出所用橡皮泥的质量为m0. 用实验中的测量量和量表示g, 得 g=____.12. 【选做题】此题包括 A 、 B 、 C 三小题 ,请选定其中两小题,并在相应的答题区域内作答.假设多做 ,那么按 A 、 B 两小题评分.A.[选修 3-3](12分 )(1) 如题 12A-1图所示 ,一支温度计的玻璃泡外包着纱布,纱布的下端浸在水中 .纱布中的水在蒸发时带走热量,使温度计示数低于周围空气温度.当空气温度不变 ,假设一段时间后发现该温度计示数减小,那么 ____.(A) 空气的相对湿度减小(B) 空气中水蒸汽的压强增大(C) 空气中水的饱和气压减小(D) 空气中水的饱和气压增大(2) 一定量的氧气贮存在密封容器中,在T1和T2 温度下其分子速率分布的情况见右表.那么T1____(选填“大于〞“小于〞或“等于〞)T2. 假设约 10% 的氧气沉着器中泄漏,泄漏前后容器内温度均为T1, 那么在泄漏后的容器中 ,速率处于400~500m/s区间的氧气分子数占总分子数的百分比 ____(选填“大于〞“小于〞或“等于〞)18.6%.(3) 如题 12A-2图所示 ,一定质量的理想气体在状态 A 时压强为2.0 105Pa, 经历A B C A的过程,整个过程中对外界放出61.4J 热量 .求该气体在A B过程中对外界所做的功 .B.[ 选修 3-4](12分 )(1) 梳子在梳头后带上电荷 ,摇动这把梳子在空中产生电磁波.该电磁波 _____.(A) 是横波(B) 不能在真空中传播(C) 只能沿着梳子摇动的方向传播(D) 在空气中的传播速度约为3 108m/s(2) 两束单色光 A 、 B 的波长分别为 A 、B,且AB ,那么 ____(选填“ A 〞或“ B 〞 )在水中发生全反射时的临界角较大.用同一装置进展杨氏双缝干预实验时,可以观察到 ____(选填“ A 〞或“ B 〞)产生的条纹间距较大 .(3) 一列简谐横波沿 x 轴正方向传播 ,在 x=0 和 x=0.6m 处的两个质点 A 、 B 的振动图象如下图.该波的波长大于 0.6m, 求其波速和波长 .C.[ 选修 3-5](12分 )(1) A 和 B 两种放射性元素的半衰期分别为 T 和2T,那么一样质量的 A 和 B 经过 2T 后,剩有的 A 和 B 质量之比为 ____.(A)1:4 (B)1:2 (C)2:1 (D)4:1(2) 光电效应实验中,用波长为0 的单色光A照射某金属板时,刚好有光电子从金属外表逸出.当波长为0的单色光 B 照射该金属板时,光电子的最大初动能为____,A、 B 两种光子的动量之2比为 ___.(普朗克常量为h、光速为c)(3) 如下图 ,悬挂于竖直弹簧下端的小球质量为m, 运动速度的大小为v,方向向下 .经过时间t, 小球的速度大小为v,方向变为向上.忽略空气阻力,重力加速度为g, 求该运动过程中,小球所受弹簧弹力冲量的大小.四、计算题 :此题共 3 小题 ,共计 47分 .解答时请写出必要的文字说明、方程式和重要的演算步骤 .只写出最后答案的不能得分.有数值计算的题 ,答案中必须明确写出数值和单位.13.(15 分 )如下图 ,两条平行的光滑金属导轨所在平面与水平面的夹角为,间距为 d. 导轨处于匀强磁场中 ,磁感应强度大小为B,方向与导轨平面垂直.质量为 m 的金属棒被固定在导轨上,距底端的距离为 s,导轨与外接电源相连,使金属棒通有电流.金属棒被松开后,以加速度 a 沿导轨匀加速下滑 ,金属棒中的电流始终保持恒定,重力加速度为 g. 求下滑到底端的过程中,金属棒(1)末速度的大小v;(2)通过的电流大小I;(3)通过的电荷量Q.14.(16分)如下图,钉子A、B相距5l,处于同一高度.细线的一端系有质量为M 的小物块 ,另一端绕过 A 固定于 B. 质量为m的小球固定在细线上 C 点 ,B、C 间的线长为3l. 用手竖直向下拉住小球 ,使小球和物块都静止,此时 BC 与水平方向的夹角为53.松手后 ,小球运动到与 A 、 B 一样高度时的速度恰好为零,然后向下运动 . 忽略一切摩擦 , 重力加速度为g, 取sin53=0.8,cos53=0.6. 求 :(1) 小球受到手的拉力大小F;(2) 物块和小球的质量之比M:m;(3)小球向下运动到最低点时,物块M所受的拉力大小T.15.(16分 )如下图 ,真空中四个一样的矩形匀强磁场区域,高为 4d, 宽为 d, 中间两个磁场区域间隔为 2d, 中轴线与磁场区域两侧相交于O, O点 ,各区域磁感应强度大小相等.某粒子质量为 m 、电荷量为 +q, 从 O 沿轴线射入磁场 .当入射速度为 V 0时 ,粒子从 O 上方d处射出磁场 .取 sin53 2=0.8,cos53=0.6.(1)求磁感应强度大小 B;(2)入射速度为 5V 0时 ,求粒子从 O 运动到O的时间 t;(3) 入射速度仍为5V 0 ,通过沿轴线OO 平移中间两个磁场( 磁场不重叠 ),可使粒子从O 运动到O 的时间增加t ,求t 的最大值.物理试题参考答案一、单项选择题1.A2.C3.B4.A5.D二、多项选择题6.AD7.AD8.BCD9.BC三、简答题10.(1) ①开关未断开;②电阻箱阻值为零.(2)( 见右图 )1.4(1.30~1.44都算对 )1.2(1.0~1.4 都算对 )(3)1.4( 结果与(2) 问第一个空格一致 )1.0( 结果比 (2)问第二个空格小 0.2)11.(1) 偶然(2)B(3)在重锤 1 上粘上橡皮泥 ,调整橡皮泥质量直至轻拉重锤 1 能观察到其匀速下落.2 2M m m0(4)mt212A.(1)A(2) 大于等于(3) 整个过程中 ,外界对气体做功W=WAB +WCA,且 WCA=PA(V -VA)C由热力学第一定律U=Q+W,得 W AB =-(Q+W CA )代入数据得W AB =-138.6J,即气体对外界做的功为138.6J 12B.(1)AD(2)A A(3)由图象可知 ,周期 T=0.4s物理试题参考答案一、单项选择题1.A2.C3.B4.A5.D二、多项选择题6.AD7.AD8.BCD9.BC三、简答题10.(1) ①开关未断开;②电阻箱阻值为零.(2)( 见右图 )1.4(1.30~1.44都算对 )1.2(1.0~1.4 都算对 )(3)1.4( 结果与(2) 问第一个空格一致 )1.0( 结果比 (2)问第二个空格小 0.2)11.(1) 偶然(2)B(3)在重锤 1 上粘上橡皮泥 ,调整橡皮泥质量直至轻拉重锤 1 能观察到其匀速下落.2 2M m m0(4)mt212A.(1)A(2) 大于等于(3) 整个过程中 ,外界对气体做功W=WAB +WCA,且 WCA=PA(V -VA)C由热力学第一定律U=Q+W,得 W AB =-(Q+W CA )代入数据得W AB =-138.6J,即气体对外界做的功为138.6J 12B.(1)AD(2)A A(3)由图象可知 ,周期 T=0.4s物理试题参考答案一、单项选择题1.A2.C3.B4.A5.D二、多项选择题6.AD7.AD8.BCD9.BC三、简答题10.(1) ①开关未断开;②电阻箱阻值为零.(2)( 见右图 )1.4(1.30~1.44都算对 )1.2(1.0~1.4 都算对 )(3)1.4( 结果与(2) 问第一个空格一致 )1.0( 结果比 (2)问第二个空格小 0.2)11.(1) 偶然(2)B(3)在重锤 1 上粘上橡皮泥 ,调整橡皮泥质量直至轻拉重锤 1 能观察到其匀速下落.2 2M m m0(4)mt212A.(1)A(2) 大于等于(3) 整个过程中 ,外界对气体做功W=WAB +WCA,且 WCA=PA(V -VA)C由热力学第一定律U=Q+W,得 W AB =-(Q+W CA )代入数据得W AB =-138.6J,即气体对外界做的功为138.6J 12B.(1)AD(2)A A(3)由图象可知 ,周期 T=0.4s。
2018年全国普通高等学校招生考试(江苏卷)物理答案1.A 【解析】由万有引力定律有222224πω====Mm v G mR m R m ma R T R,可得2=T ω==v 2=GM a R,又由题意可知,“高分四号”的轨道半径1R 大于“高分五号”的轨道半径2R ,故可知“高分五号”的周期较小,选项A 正确。
2.C 【解析】设输送功率为P ,则有=P UI ,其中U 为输电电压,I 为输电电流。
为使输电线上损耗的功率减小为原来的四分之一,由2=损P I R (R 为输电线的电阻,恒定不变)可知应使,变为原来的二分之一,又输送功率不变,则输电电压应变为原来的2倍,即440 kV ,选项C 正确。
3.B 【解析】弹射管沿光滑竖直轨道自由下落,向下的加速度大小为g ,且下落时保持水平,故先后弹出的两只小球在竖直方向的分速度与弹射管的分速度相同,即两只小球同时落地;又两只小球先后弹出且水平分速度相等,故两只小球在空中运动的时间不同,则运动的水平位移不同,落地点不同,选项B 正确。
4.A 【解析】设小球抛出瞬间的速度大小为0v ,抛出后,某时刻t 小球的速度0=-v v gt ,故小球的动能22k 011()22==-E mv m v gt ,结合数学知识知,选项 A 正确。
5.D 【解析】由于水平金属板A 、B 分别与电源两极相连,两极板之间的电势差不变,将B板右端向下移动一小段距离,极板之间的电场强度将减小,油滴所受电场力减小,且电场力方向斜向右上方向,则油滴所受的合外力斜向右下方,所以该油滴向右下方运动,选项D 正确。
6.AD 【解析】在此10 s 时间内,火车运动路程6010==⨯s vt m=600 m ,选项A 正确;火车在弯道上运动,做曲线运动,一定有加速度,选项B 错误;火车匀速转过10°,约为15.7 rad ,角速度157θω==t rad/s ,选项C 错误;由ω=v R ,可得转弯半径约为3.4 km ,选项D 正确。
江苏省2018年高考物理试题(附答案)
绝密★启封并使用完毕前
试题类型
2图所示,其读数为cm某次测量中,计时器的示数为00100 s,则钢球的速度为v=m/s
(3)下表为该同学的实验结果
他发现表中的ΔEp与ΔEk之间存在差异,认为这是由于空气阻力造成的你是否同意他的观点?请说明理由
(4)请你提出一条减小上述差异的改进建议
12【选做题】本题包括A、B、C三小题,请选定其中两小题,并在相应的答题区域内作答,若多做,则按A、B两小题评分A[选修3 3](12分)
(1)在高原地区烧水需要使用高压锅,水烧开后,锅内水面上方充满饱和汽,停止加热,高压锅在密封状态下缓慢冷却,在冷却过程中,锅内水蒸汽的变化情况为▲
(A)压强变小(B)压强不变(C)一直是饱和汽(D)变为未饱和汽
(2)如题12A 1图所示,在斯特林循环的p V图象中,一定质量理想气体从状态A依次经过状态B、C和D后再回到状态A,整个过程由两个等温和两个等容过程组成B→C的过程中,单位体积中的气体分子数目▲(选填“增大”、“减小”或“不变”),状态A和状态D的气体分子热运动速率的统计分布图象如题12A 2图所示,则状态A对应的是▲(选填“①”或“②”)
(3)如题12A-1图所示,在A→B和D→A的过程中,气体放出的热量分别为4J和30J在B→C和C→D的过程中,气体吸收的热量分别为5](12分)
(1)贝克勒尔在16 m,普朗克常数h=663×10-34J s
四、计算题本题共3小题,共计47分。
解答时请写出必要的字。
2018年江苏高考物理考试说明
表3 单位制及实验、探究
命题以能力测试为主导,关注物理科学与技术和社会的联系以及物理知识在现代生产、生活等方面的广泛应用。
能力考查包括理解能力、推理能力、分析综合能力、应用数学处理物理问题的能力、实验与探究能力。
考试内容分为必考内容、选考内容、实验部分三类,必考内容占比为80%,选考内容占比为20%,实验部分占比为15%(包含在以上各部分内容中)。
物理试题满分为120分,考试时间为100分钟。
考卷难度以中等题为主,三个选考模块内容不出现难题,难易程度力求相当。
注意:
2018年暑期教师业务能力测试定于7月16日进行!
2018年全国中学生物理奥赛预赛定于9月3日进行!。
2018年江苏高考物理试题一.单项选择题:本题共5小题每小题3分,共计15分。
每小题只有一个选项符合题意。
1.我国高分系列卫星的高分辨对地观察能力不断提高。
今年5月9日发射的“高分五号”轨道高度约为705km ,之前已运行的“高分四号”轨道高度约为36000km ,它们都绕地球做圆周运动。
与“高分四号”相比,下列物理量中“高分五号”较小的是 (A)周期 (B)角速度 (C)线速度 (D)向心加速度 2.采用220kV 高压向远方的城市输电,当输送功率一定时,为使输电线上损耗的功率减小为原来的14 ,输电电压应变为 (A)55kV (B)110kV (C)440kV (D)880kV3.某弹射管每次弹出的小球速度相等。
在沿光滑竖直轨道自由下落过程中,该弹射管保持水平,先后弹出两只小球。
忽略空气阻力,两只小球落到水平地面的 (A)时刻相同,地点相同 (B)时刻相同,地点不同 (C)时刻不同,地点相同 (D)时刻不同,地点不同4.从地面竖直向上抛出一只小球,小球运动一段时间后落回地面。
忽略空气阻力,该过程中小球的动能E k 与时间t 的关系图象是5.如图所示,水平金属板A 、B 分别与电源两极相连,带电油滴处于静止状态。
现将B 板右端向下移动一小段距离,两金属板表面仍均为等势面,则该油滴 (A)仍然保持静止 (B)竖直向下运动 (C)向左下方运动 (D)向右下方运动二.多项选择题:本题共4小题,每小题4分,共计16分。
每小题有多个选项符合题意。
全部选对的得4分,选对但不全的得2分,错选或不答的得0分。
6.火车以60m/s 的速率转过一段弯道,某乘客发现放在桌面上的指南针在10s 内匀速转过了约10°。
在此10s 时间内,火车(A)运动路程为600m (B)加速度为零 (C)角速度约为1rad/s (D)转弯半径约为3.4km7.如图所示,轻质弹簧一端固定,另一端连接一小物块,O 点为弹簧在原长时物块的位置。
2018年江苏省高考物理试卷一、单项选择题:本题共5小题,每小题3分,共计15分.每小题只有一个选项符合题意.1.(3.00分)我国高分系列卫星的高分辨对地观察能力不断提高。
今年5月9日发射的“高分五号”轨道高度约为705km,之前已运行的“高分四号”轨道高度约为36000km,它们都绕地球做圆周运动。
与“高分四号”相比,下列物理量中“高分五号”较小的是()A.周期B.角速度C.线速度D.向心加速度2.(3.00分)采用220kV高压向远方的城市输电。
当输送功率一定时,为使输电线上损耗的功率减小为原来的,输电电压应变为()A.55kV B.110kV C.440kV D.880kV3.(3.00分)某弹射管每次弹出的小球速度相等。
在沿光滑竖直轨道自由下落过程中,该弹射管保持水平,先后弹出两只小球。
忽略空气阻力,两只小球落到水平地面的()A.时刻相同,地点相同B.时刻相同,地点不同C.时刻不同,地点相同D.时刻不同,地点不同4.(3.00分)从地面竖直向上抛出一只小球,小球运动一段时间后落回地面。
忽略空气阻力,该过程中小球的动能E k与时间t的关系图象是()A. B. C. D.5.(3.00分)如图所示,水平金属板A、B分别与电源两极相连,带电油滴处于静止状态。
现将B板右端向下移动一小段距离,两金属板表面仍均为等势面,则该油滴()A.仍然保持静止B.竖直向下运动C.向左下方运动D.向右下方运动二、多项选择题:本题共4小题,每小题4分,共计16分。
每小题有多个选项符合题意。
全部选对的得4分,选对但不全的得2分,错选或不答的得0分。
6.(4.00分)火车以60m/s的速率转过一段弯道,某乘客发现放在桌面上的指南针在10s内匀速转过了约10°.在此10s时间内,火车()A.运动路程为600m B.加速度为零C.角速度约为1rad/s D.转弯半径约为3.4km7.(4.00分)如图所示,轻质弹簧一端固定,另一端连接一小物块,O点为弹簧在原长时物块的位置。
小高考冲刺卷(三)物理本试卷包含选择题(第1题~第23题,共23题69分)、非选择题(第24题~第28题,共5题31分)共两部分.本次考试时间为75分钟.一、单项选择题:每小题只有一个....选项符合题意(本部分23小题,每小题3分,共69分).1. 下列各组物理量中,包含一个标量与一个矢量的是()A. 位移、加速度B. 力、动能C. 功率、速率D. 功、势能2. 绝对真理是不存在的,物理规律总是在一定的范围内成立.例如牛顿运动定律的适用范围是()A. 宏观物体的运动B. 微观粒子的运动C. 宏观物体的低速运动D. 微观粒子的低速运动3. 关于行星运动的规律,下列说法符合史实的是()A. 开普勒在牛顿定律的基础上,导出了行星运动的规律B. 开普勒在天文观测数据的基础上,总结出了行星运动的规律C. 开普勒总结出了行星运动的规律,找出了行星按照这些规律运动的原因D. 开普勒总结出了行星运动的规律,发现了万有引力定律4. 如图所示为作用在一个物体上共面共点的三个力,图示中线段长度正比于力的大小,则表示物体处于平衡状态的图示为()ABCD5. 一石块从楼顶自由落下,不计空气阻力,取g=10m/s2.石块在下落过程中,第3s末的速度大小为()A. 5m/sB. 10m/sC. 20m/sD. 30m/s6. 学校运动会上,在100m短跑比赛中选手的运动情况,下列图象中最接近实际情况的是()ABCD7. 水平桌面上一重100N的物体,与桌面间的滑动摩擦系数为0.1,当依次用5N、15N、20N的水平拉力拉此物体时,物体受到的摩擦力依次为(设最大静摩擦力等于滑动摩擦力)()A. 0N、15N、20NB. 5N、15N、20NC. 5N、10N、10ND. 5N、15N、15N8. 在“力的合成的平行四边形定则”的实验中,橡皮筋A端固定在木板上,先后用两个弹簧测力计和用一个弹簧测力计通过细绳把橡皮筋的另一端B拉到同一位置O,为减小实验误差,在实验过程中()A. 两弹簧测力计的拉力方向必须互相垂直B. 两弹簧测力计的拉力方向间的夹角越大越好C. 两弹簧测力计的拉力方向必须与木板平行D. 两弹簧测力计的拉力大小必须相等9. 如图所示,坐在雪橇上的人与雪橇的总质量为m,在与水平面成θ角的恒定拉力F作用下,沿水平地面向右匀速移动了一段距离,已知雪橇与地面间的动摩擦因数为μ,雪橇受到的()A. 支持力为mg+FcosθB. 支持力为mg-FcosθC. 摩擦力为FcosθD. 摩擦力为μ(mg-Fcosθ)10. 下列关于“探究加速度与力、质量的关系”实验的说法中,不正确的是()A. 在研究加速度与质量的关系时,应保持砂和砂桶的质量不变B. 在研究加速度与质量的关系时,为了直观判断二者间的关系,应作出am图象C. 在研究加速度与力的关系时,为了减小误差,应使砂和砂桶的总质量远小于小车的质量D. 在研究加速度与力的关系时,所作的aF图象未过坐标原点,表明实验中未平衡好摩擦力11. 为了验证平抛运动的小球在竖直方向上做自由落体运动,用如图所示的装置进行实验.小锤打击弹性金属片,A球水平抛出,同时B球被松开,自由下落.关于该实验,下列说法中正确的有()A. 两球的质量应该相等B. 两球应该同时落地C. 装置的高度应该保持不变D. 该实验可以同时说明A球在水平方向上做匀速直线运动12. 把一根弹簧平放在光滑水平面上,一端固定.把一个质量为1kg的滑块放在弹簧另一端,用力水平推动滑块使弹簧压缩.当把滑块由静止释放后,经过0.5s弹簧把滑块以10m/s 的速度水平弹出去,在这段时间内弹簧对滑块做功的平均功率等于()A. 20WB. 50WC. 100WD. 150W13. 如图所示为“用打点计时器验证机械能守恒定律”的实验装置.关于这一实验,下列说法正确的是()A. 实验中必须使用秒表测出重物下落的时间B. 实验中必须用天平测出重物的质量C. 实验中应使打点计时器的两个限位孔在同一竖直线上,以减小纸带与限位孔之间的摩擦D. 在实际测量中,重物减少的重力势能通常会略小于增加的动能14. 起重机的吊钩下挂着质量为m的物体,如果物体以加速度a匀加速上升了高度h,则吊钩对物体做的功等于()A. mghB. m(g+a)hC. m(a-g)hD. m(g-a)h15. 我国的北斗导航部分卫星工作在太空中特定的轨道——地球静止轨道上,是地球的同步卫星,下列关于该种卫星的说法正确的是()A. 角速度大于静止在地球赤道上物体的角速度B. 角速度等于静止在地球赤道上物体的角速度C. 相对于地面静止,是一颗近地面的卫星D. 相对于地面静止,运行速度大于7.9km/s16. 真空中的两个点电荷A和B,已知q A=q B,它们之间的距离为r0,库仑力大小为F,若将它们的电荷量和相互间距离都增大为原来的2倍,则它们之间的库仑力大小为()A. FB. 2FC. 4FD. F 217. 带箭头的直线AB为某电场区域的一条电场线,A、B是电场线上的两个点,E A和E B分别表示A、B两点电场强度的大小,F A、F B分别表示同一个点电荷Q在A、B两点所受到的电场力的大小.下列说法中正确的是()A. E A一定大于E BB. E A一定等于E BC. F A和F B不一定相等,方向一定相同D. F A和F B一定相等,方向可能相反18. 真空中两个同种点电荷q1、q2,它们相距较近,保持静止状态.现在释放q2,且q2只在q1的库仑力作用下运动,则q2在运动过程中受到的库仑力()A. 不断减小B. 不断增大C. 始终保持不变D. 先增大后减小19. 如图所示,一根质量为m的金属棒AC用软线悬挂在磁感应强度为B的匀强磁场中,通入A→C方向的电流时,悬线张力刚好为零,欲使悬线张力不为零,可以采用的办法是()A. 不改变电流和磁场方向,适当增大电流B. 不改变磁场和电流方向,适当减小磁感强度C. 同时改变磁场和电流方向,电流大小不变D. 同时改变磁场和电流方向,并适当增大电流请阅读下列材料,回答20~23小题.中国于2018年10月17日7时30分在中国酒泉卫星发射中心发射的神舟十一号载人飞船,目的是为了更好地掌握空间交会对接技术,开展地球观测和空间地球系统科学、空间应用新技术、空间技术和航天医学等领域的应用和试验.神舟十一号由长征二号FY11运载火箭发射,在轨飞行期间在高度约393千米的近圆对接轨道与天宫二号空间实验室交会对接.2名航天员进驻天宫二号空间实验室,并开展科学实验和技术试验.20. 神舟十一号与天宫二号在对接轨道对接时,下列说法正确的是()A. 神舟十一号与天宫二号的相对运动状态是相向运动B. 神舟十一号与天宫二号的相对运动状态是相对静止C. 神舟十一号与天宫二号都可以视为质点D. 神舟十一号体积较小,可以视为质点21. 神舟十一号与天宫二号对接后,两者的在轨运行速度()A. 等于第一宇宙速度B. 小于第一宇宙速度C. 介于第一宇宙速度和第二宇宙速度之间D. 介于第二宇宙速度和第三宇宙速度之间22. 载人飞船与天宫二号对接轨道所处的空间存在极其稀薄的大气,航天员在天宫二号中处于微重力环境( )A. 说明航天员不受地球引力作用B. 说明航天员仅受到非常小的地球引力作用C. 说明航天员所受地球引力与飞船对其作用力抵消了D. 航天员仍然受到明显地球引力作用,随飞船一起做圆周运动 23. 神舟十一号和天宫二号对接时的轨道高度是393公里,和神舟九号与天宫一号在离地面343 km 的近圆形轨道首次载人空间交会对接相比较( )A. 神舟十一号在轨运行的周期更长B. 神舟十一号在轨运行的线速度更大C. 神舟十一号在轨运行的加速度更大D. 神舟十一号在轨运行的角速度更大二、 填空题:把答案填在横线上(本部分2小题,其中24小题4分,25小题6分,共10分).b 是匀强电场中的两点,已知两点间的距离为0.4m ,两点的连线与电场线两点间的电势差为25. 在验证“机械能守恒定律”的实验中,实验装置如图所示.(1) 实验中打点计时器所接的电源是________. A. 直流电 B. 交流电操作时,释放纸带与接触电源的合理顺序应是________. A. 先释放纸带,再接通电源 B. 先接通电源,再释放纸带(2) 某同学使用质量为m 的重物进行实验,在选定的纸带上依次取计数点如图所示.纸带上所打的点记录了重物在不同时刻的位置. 设相邻计数点的时间间隔为T,且O为打下的第一个点. 当打点计时器打下点“3”时,物体的动能的表达式为________________,物体减少的重力势能表达式为________.三、计算或论述题:解答时请写出必要的文字说明、方程式和重要的演算步骤.只写出最后答案的不能得分.有数值计算的题,答案中必须明确写出数值和单位(本部分3小题,其中26小题6分,27小题7分,28小题8分,共21分).26. 如图所示是某物流仓库的天车示意图.已知起重机向右匀速行驶的速度为v0=1m/s,被吊货物m=100kg,货物到起重机的距离按照h=20-0.5t2(m)规律变化,起重机离地高度为20m,g取10m/s2.求:(1) 货物的加速度大小;(2) 绳子拉力大小;(3) 4s时重物的速度.27. 如图所示,光滑圆弧形凹槽固定在水平地面上,其中ABC是位于竖直平面内以O为圆心的一段圆弧,半径OA大小为R,OA与竖直方向的夹角为α,一小球以速度v0从桌面边缘P水平抛出,恰好从A点沿圆弧的切线方向进入凹槽,不计空气阻力,求:(1) 小球到达A点时速度大小;(2) 小球从P到A的运动时间;(3) 小球到达圆弧最低点B点时的速度.28. 如图所示,弹簧的一端固定,另一端连接一个物块,弹簧质量不计.物块(可视为质点)的质量为m,在水平桌面上沿x 轴运动,与桌面间的动摩擦因数为μ.以弹簧原长时物块的位置为坐标原点O,当弹簧的伸长量为x 时,物块所受弹簧弹力大小为F=kx,k为常量.(1) 画出F 随x 变化的示意图;(2) 根据Fx的图象,求物块沿x 轴从O点运动到位置x的过程中弹力所做的功及此过程中弹簧弹性势能的变化量;(3) 物块沿x 轴从O点运动到位置x3,然后由x3返回到O点,求此过程中滑动摩擦力所做的功;并与弹力做功比较,说明为什么不存在与摩擦力对应的“摩擦力势能”的概念.小高考冲刺卷(三)1. B 解析:力是矢量,动能是标量.2. C 解析:牛顿运动定律的适用范围是宏观物体的低速运动情形,低速是与光速进行相比.3. B 解析:发现万有引力定律的是牛顿.4. A 解析:作图,合力为零.5. D 解析:v =gt =3×10m/s =30m/s.6. C 解析:速度从零开始逐渐增加.7. C 解析:f 滑=μN =μmg =0.1×100N =10N ,5N 外力时物体静止,摩擦力与外力平衡.其余均为滑动摩擦力.8. C 解析:弹簧测力计的拉力大小和方向不确定,夹角应适中.9. C 解析:支持力应为mg -Fsin θ,因为是匀速运动,滑动摩擦力为μ(mg -Fsin θ)或是Fcos θ.10. B 解析:为了直观判断二者间的关系,应作出a 1m图象.11. B 解析:两球的质量无关,高度可以调整,本实验只能说明两球竖直方向运动的等时性.12. C 解析: P =W t =12mv 2t =12×1×1020.5W =100W.13. C 解析:可以通过打点计时器计算时间,不需要秒表,故A 错误;而m 可约去,重锤的质量可以不用称量,B 错误;C 正确;由于系统存在摩擦力,在实际测量中,重物减少的重力势能通常会略大于增加的动能,D 错误.故选C.14. B 解析:W =Fh =(mg +ma)h.15. B 解析:同步卫星距地面高度大约36 000km ,速度小于7.9km/s ,不是近地卫星.16. A 解析:F =kq A q Br 20,F ′=k 2q A ·2q B (2r 0)2=F. 17. C 解析:一根电场线无法判断是匀强或非匀强电场,同一个电荷在同一根直线电场线上所受电场力方向相同.18. A 解析:根据公式F =k Q 1Q 2r2,距离增大,库仑力变小.19. B 解析:根据公式F =BIL 可得,用左手定则判断安培力竖直向上.要使张力不为零,只有减小安培力.20. B 解析:对接时两者速度必须相同,处于相对静止,均不可以视为质点. 21. B 解析:地球近地圆轨道以外的卫星在轨运行速度均小于7.9km/s. 22. D 解析:航天员所受到的地球引力提供圆周运动的向心力.23. A 解析:卫星在地球外圆轨道上运行,高度越高,线速度、角速度、加速度越小,运行周期越长.24-A. 100 2202sin100πt 解析:一个周期电流方向变两次,1秒钟50个周期;我国交流电有效值为220V ,则u =U m sin ωt =2202sin100πt(V).24-B. 7 500 -2.4×118 解析:E =U d =2.4×1030.4cos37°V/m =7 500V/m ,ΔE p =-qU =-e ×2.4×118 V =-2.4×118 eV .由于电子带负电荷,从b 到a ,静电力做正功,所以电子的电势能增加-2.4×118eV .25. (1) B B (2) E k =m (s 4-s 2)28T 2 E p =mgs 326. 解析:(1) 0.5t 2=12at 2,a =1m/s 2.(2) T -mg =ma ,T =mg +ma =(100×10+100×1)N =1 100N.(3) v y =at =4m/s ,v x =v 0=1m/s ,v =v 2y +v 2x =42+12=17 m/s.27. 解析:(1) 如图所示vcos α=v 0,v =v 0cos α.(2) 如图所示v yv 0=tan α,v y =gt ,t =v 0tan αg .(3) 设小球质量为m ,mgR(1-cos α)=12mv 2B -12mv 2v B =v 2+2gR (1-cos α)=v 20cos 2α+2gR (1-cos α).28. 解析:(1) 如图所示.(2) 如图所示,图中阴影面积表示弹力做功 则W =-12kx 2,ΔE p =12kx 2.(3) W f =-μmg·2x 3,该过程中弹力做功为零、弹性势能变化为零.可见,摩擦力做功与路程成正比,而非像弹簧弹力做功一样与路径无关,只与初末位置有关,所以无“摩擦力势能”的概念.。
绝密★启用前2018年普通高等学校招生全国统一考试(江苏卷)物理注意事项考生在答题前请认真阅读本注意事项及各题答题要求1.本卷满分为120分,考试时间为100分钟。
考试结束后,请将本试卷和答题卡一并交回。
2.答题前,请务必将自己的姓名、准考证号用0.5毫米黑色墨水的签字笔填写在试卷及答题卡的规定位置。
3.请认真核对监考员在答题卡上所粘贴的条形码上的姓名、准考证号与本人是否相符。
4.作答选择题,必须用2B铅笔将答题卡上对应选项的方框涂满、涂黑;如需改动,请用橡皮擦干净后,再选涂其他答案。
作答非选择题,必须用0.5毫米黑色墨水的签字笔在答题卡上的指定位置作答,在其他位置作答一律无效。
学@科网5.如需作图,须用2B铅笔绘、写清楚,线条、符号等须加黑、加粗。
一、单项选择题:本题共5小题,每小题3分,共计15分.每小题只有一个选项符合题意.1.我国高分系列卫星的高分辨对地观察能力不断提高.今年5月9日发射的“高分五号”轨道高度约为705 km,之前已运行的“高分四号”轨道高度约为36 000 km,它们都绕地球做圆周运动.与“高分四号冶相比,下列物理量中“高分五号”较小的是(A)周期(B)角速度(C)线速度(D)向心加速度2.采用220 kV高压向远方的城市输电.当输送功率一定时,为使输电线上损耗的功率减小为原来的14,输电电压应变为(A)55 kV (B)110 kV (C)440 kV (D)880 kV3.某弹射管每次弹出的小球速度相等.在沿光滑竖直轨道自由下落过程中,该弹射管保持水平,先后弹出两只小球.忽略空气阻力,两只小球落到水平地面的(A)时刻相同,地点相同(B)时刻相同,地点不同(C)时刻不同,地点相同(D)时刻不同,地点不同4.从地面竖直向上抛出一只小球,小球运动一段时间后落回地面.忽略空气阻力,该过程中小球的动能E k与时间t的关系图象是5.如图所示,水平金属板A、B分别与电源两极相连,带电油滴处于静止状态.现将B板右端向下移动一小段距离,两金属板表面仍均为等势面,则该油滴(A)仍然保持静止(B)竖直向下运动(C)向左下方运动(D)向右下方运动二、多项选择题:本题共4小题,每小题4分,共计16分.每小题有多个选项符合题意.全部选对的得4分,选对但不全的得2分,错选或不答的得0分.6.火车以60 m/s的速率转过一段弯道,某乘客发现放在桌面上的指南针在10 s内匀速转过了约1 0°.在此10 s时间内,火车(A)运动路程为600 m (B)加速度为零(C)角速度约为 1 rad/s (D)转弯半径约为 3.4 km7.如图所示,轻质弹簧一端固定,另一端连接一小物块,O点为弹簧在原长时物块的位置.物块由A点静止释放,沿粗糙程度相同的水平面向右运动,最远到达B点.在从A到B的过程中,物块(A)加速度先减小后增大(B)经过O点时的速度最大(C)所受弹簧弹力始终做正功(D)所受弹簧弹力做的功等于克服摩擦力做的功8.如图所示,电源E对电容器C充电,当C两端电压达到80 V时,闪光灯瞬间导通并发光,C放电.放电后,闪光灯断开并熄灭,电源再次对C充电.这样不断地充电和放电,闪光灯就周期性地发光.该电路(A)充电时,通过R的电流不变(B)若R增大,则充电时间变长(C)若C增大,则闪光灯闪光一次通过的电荷量增大(D)若E减小为85 V,闪光灯闪光一次通过的电荷量不变9.如图所示,竖直放置的形光滑导轨宽为L,矩形匀强磁场Ⅰ、Ⅱ的高和间距均为d,磁感应强度为B.质量为m的水平金属杆由静止释放,进入磁场Ⅰ和Ⅱ时的速度相等.金属杆在导轨间的电阻为R,与导轨接触良好,其余电阻不计,重力加速度为g.金属杆(A)刚进入磁场Ⅰ时加速度方向竖直向下(B)穿过磁场Ⅰ的时间大于在两磁场之间的运动时间(C)穿过两磁场产生的总热量为4mgd(D)释放时距磁场Ⅰ上边界的高度h可能小于2244 2m gR B L三、简答题:本题分必做题(第10、11题)和选做题(第12题)两部分,共计42分.请将解答填写在答题卡相应的位置.学科&网【必做题】10.(8分)一同学测量某干电池的电动势和内阻.(1)题10-1图所示是该同学正准备接入最后一根导线(图中虚线所示)时的实验电路.请指出图中在器材操作上存在的两个不妥之处.(2)实验测得的电阻箱阻值R和电流表示数I,以及计算的1I数据见下表:根据表中数据,在答题卡的方格纸上作出1RI关系图象.由图象可计算出该干电池的电动势为V;内阻为Ω.R/Ω8.0 7.0 6.0 5.0 4.0I/A 0.15 0.17 0.19 0.22 0.261I/A–1 6.7 6.0 5.3 4.5 3.8(3)为了得到更准确的测量结果,在测出上述数据后,该同学将一只量程为100 mV的电压表并联在电流表的两端.调节电阻箱,当电流表的示数为0.33 A时,电压表的指针位置如题10-2 图所示,则该干电池的电动势应为V;内阻应为Ω.11.(10分)某同学利用如图所示的实验装置来测量重力加速度g.细绳跨过固定在铁架台上的轻质滑轮,两端各悬挂一只质量为M的重锤.实验操作如下:①用米尺量出重锤1底端距地面的高度H;②在重锤1上加上质量为m的小钩码;③左手将重锤2压在地面上,保持系统静止.释放重锤2,同时右手开启秒表,在重锤1落地时停止计时,记录下落时间;④重复测量3次下落时间,取其平均值作为测量值t.请回答下列问题(1)步骤④可以减小对下落时间t测量的(选填“偶然”或“系统”)误差.(2)实验要求小钩码的质量m要比重锤的质量M小很多,主要是为了.(A)使H测得更准确(B)使重锤1下落的时间长一些(C)使系统的总质量近似等于2M(D)使细绳的拉力与小钩码的重力近似相等(3)滑轮的摩擦阻力会引起实验误差.现提供一些橡皮泥用于减小该误差,可以怎么做?(4)使用橡皮泥改进实验后,重新进行实验测量,并测出所用橡皮泥的质量为m0.用实验中的测量量和已知量表示g,得g= .12.【选做题】本题包括A、B、C 三小题,请选定其中两小题,并在相应的答题区域内作答.若多做,则按A、B两小题评分.学科#网A.[选修3-3](12分)(1)如题12A-1图所示,一支温度计的玻璃泡外包着纱布,纱布的下端浸在水中.纱布中的水在蒸发时带走热量,使温度计示数低于周围空气温度.当空气温度不变,若一段时间后发现该温度计示数减小,则.(A)空气的相对湿度减小(B)空气中水蒸汽的压强增大(C)空气中水的饱和气压减小(D)空气中水的饱和气压增大(2)一定量的氧气贮存在密封容器中,在T1和T2温度下其分子速率分布的情况见右表.则T1(选填“大于”“小于”或“等于”)T2.若约10%的氧气从容器中泄漏,泄漏前后容器内温度均为T1,则在泄漏后的容器中,速率处于400~500 m/s区间的氧气分子数占总分子数的百分比(选填“大于”“小于”或“等于”)18.6%.(3)如题12A-2图所示,一定质量的理想气体在状态A时压强为2.0×105Pa,经历A B C A的过程,整个过程中对外界放出61.4 J热量.求该气体在A B过程中对外界所做的功.B.[选修3-4](12分)(1)梳子在梳头后带上电荷,摇动这把梳子在空中产生电磁波.该电磁波.(A)是横波(B)不能在真空中传播(C)只能沿着梳子摇动的方向传播(D)在空气中的传播速度约为3×108m/ s(2)两束单色光A、B的波长分别为A、B,且A>B,则(选填“A”或“B”)在水中发生全反射时的临界角较大.用同一装置进行杨氏双缝干涉实验时,可以观察到(选填“A”或“B”)产生的条纹间距较大.(3)一列简谐横波沿x轴正方向传播,在x=0 和x=0.6 m处的两个质点A、B的振动图象如图所示.已知该波的波长大于0.6 m,求其波速和波长C.[选修3-5](12分)(1)已知A和B两种放射性元素的半衰期分别为T和2T,则相同质量的A和B经过2T后,剩有的A 和B质量之比为.(A)1:4 (B)1:2 (C)2:1 (D)4:1(2)光电效应实验中,用波长为0的单色光A照射某金属板时,刚好有光电子从金属表面逸出.当波长为0的单色光B照射该金属板时,光电子的最大初动能为,A、B两种2光子的动量之比为.(已知普朗克常量为h、光速为c)(3)如图所示,悬挂于竖直弹簧下端的小球质量为m,运动速度的大小为v,方向向下.经过时间t,小球的速度大小为v,方向变为向上.忽略空气阻力,重力加速度为g,求该运动过程中,小球所受弹簧弹力冲量的大小.四、计算题:本题共3小题,共计47分.解答时请写出必要的文字说明、方程式和重要的演算步骤.只写出最后答案的不能得分.有数值计算的题,答案中必须明确写出数值和单位.学科&网13.(15分)如图所示,两条平行的光滑金属导轨所在平面与水平面的夹角为,间距为d.导轨处于匀强磁场中,磁感应强度大小为B,方向与导轨平面垂直.质量为m的金属棒被固定在导轨上,距底端的距离为s,导轨与外接电源相连,使金属棒通有电流.金属棒被松开后,以加速度a沿导轨匀加速下滑,金属棒中的电流始终保持恒定,重力加速度为g.求下滑到底端的过程中,金属棒(1)末速度的大小v;(2)通过的电流大小I;(3)通过的电荷量Q.14.(16分)如图所示,钉子A、B相距5l,处于同一高度.细线的一端系有质量为M的小物块,另一端绕过A固定于B.质量为m的小球固定在细线上C点,B、C间的线长为3l.用手竖直向下拉住小球,使小球和物块都静止,此时BC与水平方向的夹角为53°.松手后,小球运动到与A、B相同高度时的速度恰好为零,然后向下运动.忽略一切摩擦,重力加速度为g,取s in53°=0.8,cos53°=0.6.求:(1)小球受到手的拉力大小F ;(2)物块和小球的质量之比M:m ;(3)小球向下运动到最低点时,物块M 所受的拉力大小T .15.(16分)如图所示,真空中四个相同的矩形匀强磁场区域,高为4d ,宽为d ,中间两个磁场区域间隔为2d ,中轴线与磁场区域两侧相交于O 、O ′点,各区域磁感应强度大小相等.某粒子质量为m 、电荷量为+q ,从O 沿轴线射入磁场.当入射速度为v 0时,粒子从O 上方2d 处射出磁场.取sin53°=0.8,cos53°=0.6.(1)求磁感应强度大小B ;(2)入射速度为5v 0时,求粒子从O 运动到O ′的时间t ;(3)入射速度仍为5v 0,通过沿轴线OO ′平移中间两个磁场(磁场不重叠),可使粒子从O运动到O ′的时间增加Δt ,求Δt 的最大值.2018年普通高等学校招生全国统一考试(江苏卷)物理试题参考答案一、单项选择题1.A2.C3.B4.A5.D二、多项选择题6.AD 7.AD8.BCD9.BC三、简答题10.(1)①开关未断开②电阻箱阻值为零(2)(见下图)1.4(1.30~1.44都算对)1.2(1.0~1.4都算对)(3)1.4(结果与(2)问第一个空格一致) 1.0(结果比(2)问第二个空格小0.2)11.(1)偶然(2)B(3)在重锤1上粘上橡皮泥,调整橡皮泥质量直至轻拉重锤1能观察到其匀速下落(4)0222Mm m H mt()12A .(1)A (2)大于等于(3)整个过程中,外界对气体做功W=W AB +W CA ,且W CA =p A (V C –V A )由热力学第一定律ΔU =Q+W ,得W AB =–(Q+W CA )代入数据得W AB =–138.6 J ,即气体对外界做的功为138.6 J12B .(1)AD(2)AA(3)由图象可知,周期T=0.4 s由于波长大于0.6 m ,由图象可知,波从A 到B 的传播时间Δt=0.3 s波速x vt,代入数据得v=2 m/s波长λ=vT ,代入数据得λ=0.8 m12C .(1)B (2)hc1:2(3)取向上为正方向,动量定理mv –(–mv )=I 且–I F mg t()解得2FI Ftmv mgt四、计算题13.(1)匀加速直线运动v 2=2as解得2v as (2)安培力F 安=IdB 金属棒所受合力–Fmgsin F 安牛顿运动定律F=ma解得–mgsin Id a B()(3)运动时间vt a电荷量Q=It解得2sin asmg a QdBa()14.(1)设小球受AC 、BC 的拉力分别为F 1、F 2F 1sin53°=F 2cos53°F +mg=F 1cos53°+ F 2sin53°且F 1=Mg解得53FMg mg(2)小球运动到与A 、B 相同高度过程中小球上升高度h 1=3lsin53°,物块下降高度h 2=2l机械能守恒定律mgh 1=Mgh 2解得65Mm (3)根据机械能守恒定律,小球回到起始点.设此时AC 方向的加速度大小为a ,重物受到的拉力为T 牛顿运动定律Mg –T=Ma小球受AC 的拉力T ′=T牛顿运动定律T ′–mgcos53°=ma解得85mMgTm M ()(4885511Tmg T Mg 或)15.(1)粒子圆周运动的半径00mv r qB由题意知04d r ,解得04mv Bqd(2)设粒子在矩形磁场中的偏转角为α由d=r sin α,得sin α=45,即α=53°在一个矩形磁场中的运动时间12π360m t qB,解得153π720d t v 直线运动的时间22dt v,解得2025d t v 则12053π+724180d t t t v ()(3)将中间两磁场分别向中央移动距离x粒子向上的偏移量y=2r (1–cos α)+xtan α.WORD 完美格式..专业知识编辑整理. 由y ≤2d ,解得34x d 则当x m =34d 时,Δt 有最大值粒子直线运动路程的最大值m m m 2223x s d x d cos ()增加路程的最大值m m –2s s d d 增加时间的最大值m m 05s dt v v。
小高考冲刺卷(五)物理本试卷包含选择题(第1题~第23题,共23题69分)、非选择题(第24题~第28题,共5题31分)共两部分.本次考试时间为75分钟.一、单项选择题:每小题只有一个....选项符合题意(本部分23小题,每小题3分,共69分).1. 将近1000年前,宋代诗人陈与义乘着小船在风和日丽的春日出游时写下诗句:“飞花两岸照船红,百里榆堤半日风,卧看满天云不动,不知云与我俱东”.请问诗句中的“云与我俱东”所对应的参考系是( )A. 两岸B. 船C. 云D. 诗人2. 关于质点,下列说法正确的是( )A. 体积大、质量小的物体就是质点B. 质量大、体积大的物体不可视为质点C. 汽车可以视为质点,火车不可视为质点D. 研究月球绕地球运行,可将月球视为质点3. 下列物理量的单位中,属于基本单位的是( )A. NB. kgC. m/sD. m/s24. 关于力,下列叙述正确的是( )A. 施力物体同时一定是受力物体B. 作用力与反作用力是一对平衡力C. 一对平衡力一定是同一种性质的力D. 作用力与反作用力可以是不同性质的5. 如图所示,一质量为m 的物体沿倾角为θ的斜面匀速下滑. 下列说法正确的是( )A. 物体所受合力的方向沿斜面向下B. 斜面对物体的支持力等于物体的重力C. 物体下滑速度越大,说明物体所受摩擦力越小D. 斜面对物体的支持力和摩擦力的合力的方向竖直向上6. 关于摩擦力,有如下几种说法,其中错误的是( )A. 摩擦力总是阻碍物体间的相对运动B. 摩擦力与物体运动方向有时是一致的C. 摩擦力的方向与物体运动方向总是在同一直线上D. 摩擦力的方向总是与物体间相对运动或相对运动趋势的方向相反7. A、B两个物体在同一直线上做匀变速直线运动,它们的速度图象如图所示,则( )A. A、B两物体运动方向一定相反B. 开始4s内A、B两物体的位移相同C. t=4s时,A、B两物体的速度相同D. A物体的加速度比B物体的加速度大8. 下列所述的实例中,遵循机械能守恒的是( )A. 宇宙飞船发射升空的过程B. 飞机在竖直平面内做匀速圆周运动的过程C. 标枪在空中飞行的过程(空气阻力均不计)D. 小孩沿滑梯匀速滑下的过程9. “验证机械能守恒定律”的实验装置如图所示,实验中发现重物增加的动能略小于减少的重力势能,其主要原因是( )A. 重物的质量过大B. 重物的体积过小C. 电源的电压偏低D. 重物及纸带在下落时受到阻力10. 天宫二号在地球引力作用下,绕地球做匀速圆周运动,已知地球的质量为M,地球的半径为R,卫星的质量为m,天宫二号离地面的高度为h,引力常量为G,则地球对天宫二号的万有引力大小为( )A. G Mm(R+h)2B. GMmR2C. GMmh2D. GMmR+h11. 如图所示,小球从高处下落到竖直放置的轻弹簧上,在将弹簧压缩到最短的整个过程中,下列关于能量的叙述中正确的是( )A. 重力势能和动能之和总保持不变B. 重力势能和弹性势能之和总保持不变C. 动能和弹性势能之和总保持不变。