全国计算机技术与软件专业技术资格(水平)考试及答案(下午试卷)
- 格式:doc
- 大小:281.50 KB
- 文档页数:9
2021年上半年全国计算机技术与软件专业技术资格(水平)考试《系统规划与管理师(高级)》下午考试真题试卷(案例)案例分析题(请阅读案例背景,按试题要求进行解答)试题一(25分)【说明】阅读下列说明,回答问题1至问题4,将解答填入答题纸的对应栏内。
某企业随着业务的蓬勃发展,对企业信息化的要求也越来越高,但是该企业IT部门人员短缺,各种新技术的应用处于摸索阶段,对IT的管理处于被动的“救火阶段”,运维人员技术力量难以支撑运维事件的频发。
经统计当月数据,服务事件总数100件,其中80件事件为超时恢复,故障响应率和解决率不尽人意。
由于没有体系化的管理流程,导致运维人员不能预估风险并制定相应措施,运维服务质量难以保证,急需专业运维团队给予支持,从根本上解决运维服务质量的问题。
对于IT服务运维来说,对服务质量进行度量和评价,对服务项目进行风险评估和管理是服务各个相关方都需要重点关注的内容。
【问题1】(9分)以下三幅画分别对应三个成语,描述了IT服务运维现状,请根据图形以及说明文字,找出它们所对应的服务质量指标的名称,并填入对应的答题纸栏内①事件可追溯性②重大事件发生情况③及时恢复率④服务可用性⑤关键业务就绪程度⑥及时响应率⑦及时解决率⑧主动服务监控(1)运愁维卧:运维服务就是要坚守岗位。
A.①②③④⑤⑥B.②③④⑤⑥⑦C.③④⑤⑥⑦⑧D.①③④⑥⑦⑧(2)唯唯诺诺:凡事要讲证据,空口无凭。
A.①B.①②C.②③④D.④⑤⑥⑦(3)喜从天降:在外度假,也要随时关注运维指标。
A.①②③④⑤⑥⑦B.①③④⑤⑥⑦⑧C.②③④⑤⑥⑦⑧D.①②③④⑤⑥⑧【问题2】(8分)(1)请计算本项目服务按时恢复的事件比率。
(2)请列出服务连续性指标除了服务按时恢复的事件比率外,还有哪些指标?【问题3】(5分)风险监控有哪些方法?【问题4】(5分)请结合案例判断下列对错,对的打√,错的打×。
(1)服务绩效评价是供需双方都需要的,但因服务的无形性、不可分离性、差异性,导致服务衡量难以量化。
软考下午试题答案近年来,软件工程师的需求量逐渐增加,软考成为了衡量软件开发人员能力的重要指标。
下午试题作为软考的一部分,考查了考生在软件工程领域的知识和技能。
本文将为大家提供软考下午试题的参考答案,希望对考生有所帮助。
一、题型一:单项选择题1. A software development project is divided into iterations. Each iteration starts with a ____________ and ends with a _______.A) milestone, releaseB) release, milestoneC) milestone, deliveryD) delivery, milestone答案:C) milestone, delivery2. In the software development life cycle, the integration testing is performed after _________ testing and before _________ testing.A) unit, systemB) system, unitC) unit, acceptanceD) acceptance, unit答案:A) unit, system3. What is the primary purpose of version control in software configuration management?A) To track changes made to softwareB) To manage software development teamsC) To document software requirementsD) To review software defects答案:A) To track changes made to software二、题型二:简答题1. 请简述敏捷开发方法中Scrum的核心概念和流程。
全国计算机技术与软件专业技术资格(水平)考试下半年软件设计师下午试卷(考试时间14:00~16:30 共150分钟)1.在答题纸指定位置填写你所在省、自治区、直辖市、筹划单列市名称。
2.在答题纸指定位置填写准考证号、出生年月日和姓名。
3.答题纸上除填写上述内容外只能写解答。
4.本试卷共7道题,试题一至试题四是必答题,试题五至试题七选答1道。
每题15分,满分75分。
5.解答时笔迹务必清晰,笔迹不清时,将不评分。
6.仿照下面例题,将解答写在答题纸相应栏内。
例题下半年全国计算机技术与软件专业技术资格(水平)考试日期是(1)月(2)日。
由于对的解答是“11月3日”,故在答题纸相应栏内写上“11”和“3”(参看下表)。
试题一(共15分)阅读如下阐明和图,回答问题1至问题4,将解答填入答题纸相应栏内。
【阐明】某高校欲开发一种成绩管理系统,记录并管理所有选修课程学生平时成绩和考试成绩,其重要功能描述如下:1. 每门课程均有3到6个单元构成,每个单元结束后会进行一次测试,其成绩作为这门课程平时成绩。
课程结束后进行期末考试,其成绩作为这门课程考试成绩。
2. 学生平时成绩和考试成绩均由每门课程主讲教师上传给成绩管理系统。
3. 在记录学生成绩之前,系统需要验证这些成绩与否有效。
一方面,依照学生信息文献来确认该学生与否选修这门课程,若没有,那么这些成绩是无效;如果她确选修了这门课程,再依照课程信息文献和课程单元信息文献来验证平时成绩与否与这门课程所包括单元相相应,如果是,那么这些成绩是有效,否则无效。
4. 对于有效成绩,系统将其保存在课程成绩文献中。
对于无效成绩,系统会单独将其保存在无效成绩文献中,并将详细状况提交给教务处。
在教务处没有给出详细解决意见之前,系统不会解决这些成绩。
5. 若一门课程所有有效平时成绩和考试成绩都已经被系统记录,系统会发送课程完毕告知给教务处,告知该门课程成绩已经齐全。
教务处依照需要,祈求系统生成相应成绩列表,用来提交考试委员会审查。
一、选择题1.在软件工程中,需求分析阶段的主要任务是:A.确定软件开发方法B.编写软件代码C.确定软件系统的功能需求和非功能需求(正确答案)D.进行软件测试2.下列哪项不是数据库管理系统(DBMS)的主要功能?A.数据定义(正确答案)B.数据查询C.数据更新D.数据安全与维护3.在计算机网络中,TCP/IP协议栈的哪一层负责数据包的路由选择?A.应用层B.传输层C.网络层(正确答案)D.数据链路层4.下列关于软件测试的描述中,哪一项是不正确的?A.单元测试主要测试模块内部的功能和逻辑。
B.集成测试关注模块之间的接口和交互。
C.系统测试验证整个系统的性能和功能。
D.验收测试由开发人员进行,以确保软件满足用户需求。
(正确答案)5.在面向对象编程中,下列哪项不是多态性的体现?A.子类重写父类的方法B.通过接口引用实现类的对象C.使用类的静态方法调用(正确答案)D.使用父类引用指向子类对象6.下列哪种数据结构最适合用于实现堆栈(Stack)?A.链表B.队列C.二叉树D.数组(正确答案)7.在计算机网络中,下列哪项技术用于将多个局域网(LAN)连接成一个更大的网络?A.交换机B.路由器(正确答案)C.集线器D.中继器8.关于软件生命周期模型,下列哪项描述是错误的?A.瀑布模型强调阶段间的顺序性和依赖性。
B.螺旋模型结合了原型法和瀑布模型的特点。
C.增量模型允许在软件开发的早期阶段就交付部分功能。
D.敏捷开发模型不关注客户需求的变化和快速响应。
(正确答案)。
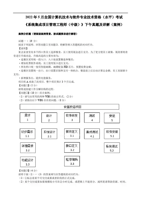
2022年5月全国计算机技术与软件专业技术资格(水平)考试《系统集成项目管理工程师(中级)》下午真题及详解(案例)案例分析题(请阅读案例背景,按试题要求进行解答)试题一(19 分)阅读下列说明,回答问题1至问题3,将解答填入答题纸的对应栏内。
【说明】某企业食堂有多个档口供员工选择餐食,员工使用现金进行支付。
为了更方便员工就餐,现需要将食堂进行升级改造。
升级改造的主要内容为:·选餐区采用统一的入口,入口处放置餐盘和餐具;·增加收费软件系统,员工使用饭卡进行支付;·所有档口统一使用智能碗碟,碗碟配备FID芯片,预置收费金额;·选餐区设置统一出口,出口设置识别和支付一体机台,餐盘放上后自动计算总金额,员工直接刷卡支付;·新增服务台,提供充值服务。
项目组A承接了此项目,整个项目预计3个月完成。
【问题1】(5分)请简述创建工作分解结构的过程。
【问题2】(10分)结合案例:(1)请写出常用的两种WBS的表示形式。
(2分)(2)请指出以下WBS存在的问题。
(8分)【问题3】(4分)请将下面(1)—(3)的答案填写在答题纸的对应栏内。
(1)①标志着某个可交付成果或者阶段的正式完成,(2)某个交付成果如果规模较小可在②小时完成,或逻辑上不能再分,或所需请帮助资源、时间、成本可估算可控制的特征,那么它就可能被当作⑨。
”③的编码设计与①存在对应关系、其每一层代表编码的某一位数,有一个分配给它特定的代码数字。
【参考答案】【问题1】(5分)请简述创建工作分解结构的过程。
答:(1)识别和分析可交付成果及相关工作。
(2)确定WBS的结构和编排方法。
(3)自上而下逐层细化分解。
(4)为WBs组件制定和分配标识编码。
(5)核实可交付成果分解的程度是否恰当。
【问题2】(10分)结合案例:(1)请写出常用的两种WBS的表示形式。
(2分)(2)请指出以下WBS存在的问题。
(8分)答:(1)分级的树形结构、表格形式(2)存在的问题如下:21.分解未包括项目管理工作2.2、功能设计分解有误,相同层次的工作单元应有相同性质,应分解到设计部分2.3、测试分解不够完整,比如测试还有内测试、测试报告制定等2.4、安装分解不够全面,未包括培训工作【问题3】(4分)请将下面(1)—(3)的答案填写在答题纸的对应栏内。
选择题
在计算机系统中,负责解释和执行程序指令的部件是:
A. 输入设备
B. 输出设备
C. 中央处理器(CPU)
D. 存储器
下列关于计算机网络的说法中,错误的是:
A. 计算机网络可以实现资源共享
B. 计算机网络中的节点是指计算机
C. 计算机网络必须依赖于通信线路
D. 计算机网络中,数据传输速度只与通信线路有关
关于算法的描述,以下哪项是正确的?
A. 算法必须有输入
B. 算法必须有输出
C. 算法必须包含循环结构
D. 算法只能用一种编程语言实现
在数据库系统中,关系表中的每一行通常被称为:
A. 字段
B. 记录
C. 索引
D. 键
下列哪种软件不属于操作系统?
A. Windows
B. Linux
C. Android
D. Photoshop
填空题
在软件开发中,______是指将软件需求转换为设计、编码、测试和维护的过程。
答案:软件开发过程
______是一种特殊的树形结构,每个节点最多只有两个子节点。
答案:二叉树
在计算机网络中,______协议用于实现不同网络之间的通信。
答案:IP
数据库管理系统的简称是______。
答案:DBMS
______是计算机中用于临时存储数据和程序指令的内存设备。
答案:RAM(随机存取存储器)
简答题
请简述计算机系统的基本组成。
什么是数据结构?请列举两种常见的数据结构并简要说明其特点。
请简述计算机网络的主要功能。
什么是软件测试?请列举两种常用的软件测试方法。
请简述软件工程的基本原理。
2021年11月全国计算机技术与软件专业技术资格(水平)考试《系统集成项目管理工程师(中级)》下午考试真题及详解案例分析题(请阅读案例背景,按试题要求进行解答)试题一(18分)阅读下列说明,回答问题1至问题3,将解答填入答题纸的对应栏内。
【说明】A公司承接了某信息系统建设项目,任命小张为项目经理在项目启动阶段,小张编制了风险管理计划,组织召开项目成员会议对项目风险进行了识别并编制了项目风险清单。
随后,小张根据自己多年的项目实施经验,将项目所有的风险按照时间先后顺序制定了风险应对计划,并亲自负责各项应对措施的执行。
风险及应对措施的部分内容如下:风险1:系统上线后运行不稳定或停机造成业务长时间中断应对措施1:系统试运行前开展全面测试。
应对措施2:成立应急管理小组,制定应急预案。
风险2:项目中期人手出现短期不足造成项目延期。
应对措施3:提前从公司其它部门协调人员。
风险3:设备到货发生损坏,影响项目进度。
应对措施4:购买高额保险。
风险4:人员技能不足。
应对措施5:提前安排人员参加原厂技术培训。
……项目实施过程中,公司相关部门反馈,设备发生损坏的概率低,建议降低保额;原厂培训价格过高,建议改为非原厂培训。
小张坚持原计划没有进行调整。
系统上线后发生故障停机,由于缺少应急预案造成业务长时间中断,公司高层转达了客户的投诉,也表达了对项目成本管理的不满。
【问题1】(10分)结合案例,请指出小张在项目风险管理各个过程中存在的问题。
【问题2】(5分)请指出以上案例中提到的应对措施1-5分别采用了什么风险应对策略。
【问题3】(3分)请将下面(1)~(3)的答案填写在答题纸的对应栏内。
风险具有一些特性。
其中,(1)指风险是一种不以人的意志为转移,独立于人的意识之外存在;(2)指由于信息的不对称,未来风险事件发生与否难以预测;(3)指风险性质会因时空各种因素变化而有所变化。
【参考答案】【问题1】(10分)结合案例,请指出小张在项目风险管理各个过程中存在的问题。
2022年11月全国计算机技术与软件专业技术资格(水平)考试《系统集成项目管理工程师(中级)》下午考试真题及详解案例分析题(请阅读案例背景,按试题要求进行解答)试题一(18分)阅读下列说明,回答问题1至问题3,将解答填入答题纸的对应栏内。
【说明】某小家电生产厂家研发一款新设备,部分WBS如下表:关键时间节点如下:项目质量经理小张,依据项目WBS和关键时间节点,制定了项目质量管理计划,计划中明确了关键质量检查时间和检查方法。
尤其是针对故障修复过程,给出了详细的BUG跟踪流程和关闭标准。
随后安排QA小王按照质量管理计划进行检查,并安排测试人员小李进行相关的测试工作,强调不符合关闭标准的BUG一定严格跟踪开发人员返工修改。
【问题1】(8分)(1)结合案例,如果你是质量经理,流程图、核查表、帕累托图可以帮助你检查案例中的哪些质量问题?(2)除了以上3个质量工具,请写出7种质量工具中的另外4个质量工具。
【问题2】(6分)(1)请指出质量成本中一致性成本和非一致性成本都包含哪些成本;(2)案例中提到的质量活动涉及的成本都属于哪类质量成本。
【问题3】(4分)判断下列选项的正误(填写在答题纸的对应栏内,正确的选项填写“√”,错误的选项填写“×”)。
(1)案例中的WBS采用了分级树形结构的表示形式。
(2)小王按照质量管理计划进行检查属于质量保证过程的工作。
(3)小李进行相关的测试工作属于质量控制过程的工作。
(4)统计抽样的抽样频率和规模不需要预先在质量规划中规定,可根据项目执行情况,临时确定并调整。
【参考答案】【问题1】(8分)(1)结合案例,如果你是质量经理,流程图、核查表、帕累托图可以帮助你检查案例中的哪些质量问题?(2)除了以上3个质量工具,请写出7种质量工具中的另外4个质量工具。
〖答〗:(1)流程图:有助于了解和估算一个过程的质量成本。
核查表:用于收集数据的查对清单,有效地收集关于潜在质量问题的有用数据。
选择题在计算机体系结构中,哪一层负责将高级语言编写的程序转换为机器语言?A. 应用层B. 表示层C. 编译器层(正确答案)D. 硬件层关于软件测试,以下哪种测试方法主要关注功能是否按照需求规格说明书正确实现?A. 性能测试B. 兼容性测试C. 功能测试(正确答案)D. 安全测试在软件开发过程中,哪种模型允许在获得一组需求后立即开始开发工作,并且随着项目的进展,可以逐步添加更多的功能?A. 瀑布模型B. 螺旋模型C. 增量模型(正确答案)D. 原型模型哪种数据结构允许以接近常数的时间复杂度进行插入、删除和查找操作?A. 链表B. 哈希表(正确答案)C. 栈D. 队列在关系型数据库中,哪种操作可以用来合并两个或多个表中的行,基于这些表之间的共同字段?A. JOIN(正确答案)B. SELECTC. INSERTD. UPDATE以下哪种编程语言是一种面向对象的、跨平台的程序设计语言,常用于开发大型应用程序?A. C语言B. Java(正确答案)C. HTMLD. CSS在计算机网络中,哪一层负责数据包的路由选择和网络拥塞控制?A. 应用层B. 传输层C. 网络层(正确答案)D. 数据链路层关于软件维护,以下哪种活动属于适应性维护?A. 修正软件中的错误B. 改进软件性能以提高处理速度C. 修改软件以适应新的操作系统环境(正确答案)D. 增强软件功能以满足新的业务需求在软件开发中,哪种图用于表示系统中类之间的关系,包括继承、实现和关联等?A. 用例图B. 类图(正确答案)C. 活动图D. 状态图。
2022年11月全国计算机技术与软件专业技术资格(水平)考试《系统集成项目管理工程师(中级)》下午考试真题及详解案例分析题(请阅读案例背景,按试题要求进行解答)试题一(18分)阅读下列说明,回答问题1至问题3,将解答填入答题纸的对应栏内。
【说明】某小家电生产厂家研发一款新设备,部分WBS如下表:关键时间节点如下:项目质量经理小张,依据项目WBS和关键时间节点,制定了项目质量管理计划,计划中明确了关键质量检查时间和检查方法。
尤其是针对故障修复过程,给出了详细的BUG跟踪流程和关闭标准。
随后安排QA小王按照质量管理计划进行检查,并安排测试人员小李进行相关的测试工作,强调不符合关闭标准的BUG一定严格跟踪开发人员返工修改。
【问题1】(8分)(1)结合案例,如果你是质量经理,流程图、核查表、帕累托图可以帮助你检查案例中的哪些质量问题?(2)除了以上3个质量工具,请写出7种质量工具中的另外4个质量工具。
【问题2】(6分)(1)请指出质量成本中一致性成本和非一致性成本都包含哪些成本;(2)案例中提到的质量活动涉及的成本都属于哪类质量成本。
【问题3】(4分)判断下列选项的正误(填写在答题纸的对应栏内,正确的选项填写“√”,错误的选项填写“×”)。
(1)案例中的WBS采用了分级树形结构的表示形式。
(3)小李进行相关的测试工作属于质量控制过程的工作。
(4)统计抽样的抽样频率和规模不需要预先在质量规划中规定,可根据项目执行情况,临时确定并调整。
试题二(20分)阅读下列说明,回答问题1至问题4,将解答填入答题纸的对应栏内。
【说明】某项目的网络资源计划如图所示,已知每位工程师的日均成本为400元/天。
【问题1】(5分)请计算项目的工期及关键路径,并说明活动E最晚应在哪天开始。
依据是什么?【问题2】(8分)第9日工作结束时,项目组已完成ABC三项工作,D工作完成了三分之一,E工作完成了二分之一,其余工作尚未开展,此时人力资源管理部门统计总人力成本为9800元。
全国计算机技术与软件专业技术资格(水平)考试试题(附答案)一、选择题(共75题)1、信息系统的( )是指系统更可能存在着丧失结构功能秩序的特性A、可用性B、开放性C、脆弱性D、稳定性正确答案:C2、( )可以将计算机的服务器网络内存及有储等实体资源抽象、封装、规范化并呈现出来,打破实体结构间不可切割的障碍,使用户更好地使用这些资源A、虚拟化技术B、人工智能技术C、传感技术D、区块链技术正确答案:A3、构建国家综合信息基础设施的内容不包括( )A、加快宽带网络优化升级和区域协调发展B、大力提高教育水平C、建设安全可靠的信息应用基础设施D、加快推进三网融合正确答案:B4、关于我国企业信息化发展战略要点的描述,不正确的是( )A、注重以工业化带动信息化B、充分发挥政府的引导作用C. 高度重视信息安全D、地制宜推进企业信息化正确答案:A5、通过网络把实体店的团队优惠信息推送给互联网用户,从而将这些用户转换为试题客户,这种模式称为( )A、B2BB、C2CC、B2CD、O20正确答案:D6、实施( )是企业落实《中国制造 2025》战略规划的重要途径A、大数据B、云计算C、两从深度融合D、区块链正确答案:C7、( )是从特定形式的数据中,集中提炼只是的过程A、数据分析B、数据抽取C、数据转换D、数据挖掘正确答案:D8、( )不属于人工智能的典型应用A、自动驾驶B、送餐机器人C、非接触测温计D、无人超市正确答案:C9、数据可视化技术主要应用于大数据处理的( )环节A、知识展现B、数据分析C、计算处理D、存储的管理正确答案:A10、ITSSC 信息技术服务标准定义的 IT 服务生命周期包括( )A、计划、执行、检查、改进B、规划设计,资源配置,服务运营,持续改进监督管理C、服务战略,规划设计,部署实施,服务运营,持续改进D、规划设计,部署实施,服务运营,持续改进,监督管理正确答案:D11、信息系统开发过程中,( )适合在无法全面提出用户需求的情况下,通过反复修复改动态响应用户需求来实现用户的最终需求A、结构化方法B、原型法C、瀑布法D、面向过程法正确答案:B12、软件质量管理过程中( )的目的是确保构造了正确的产品即满足其特定的目的A、软件验证B、软件确认C、管理评审D、软件审计正确答案:B13、( )是现实世界中实体的形式化描述,将实体的属(数据)和操作函数封装在一起A.服务B、类C、接口D、消息正确答案:B14、ODBC 和 JDBC 是典型的( )A、分布式对象中间件B、事务中间件C、面向消息中间件D、数据库访问中间件正确答案:D15、关于数据仓库的描述正确的是( )A、与数据库相比,数据仓库的数据相对稳定B、与数据库相比,数据库的数据相对冗余C、与数据库相比,数据仓库的主要任务是实时业务处理D、与数据仓库相比,数据库的主要任务是支持管理决策正确答案:A16、JAVAEE 应用服务器运行环境不包括( )A、容器B、编译器C、组件D、服务正确答案:B17、在 DSI 七层协议中( )的主要功能是路由选择A、物理层B、数据链路层C、传输层D、网络层正确答案:D18、( )不属于网络链路传输控制技术A、SANB、令牌C 、FDDID、ISDN正确答案:A19、通过控制网络上的其他计算机,对目标逐级所在网络服务不断进行干扰,改变其正笔的作业流程,执行无关程序使系统变瘫痪,这种行为属于( )A.、系统漏洞B、网络瘟疫C、拒绝服务供给D、种植病毒正确答案:C20、( )可以组织非新人地址的访问,但无法控制内部网络之间的违规行为A、防火墙B、扫描器C、防毒软件D.、安全审计系统正确答案:A21、云计算中心提供的虚拟主机和存储服务属于( )A、DaasB、PaasC、SaasD、laas正确答案:D22、研究计算机怎样模拟或实现人数的学习行为,以获取新的知识或技能,重新组织已有知识使之不断改善自身的性能,( )是人工智能技术的核心A、人机交互B、计算机视觉C、机器学习D、虚拟现实正确答案:C23、关于物联网的描述正确的是( )A、物联网中的"网"是指物理上独立于互联网的网格B、物联网中的"物"是指客观世界的物品,包括人、商品、地里环境等C、二维码技术是物联网架构中的应用层技术D、应用软件是物联网产业链中需求最大和最基础的环节正确答案:B24、关于项目目标和项目特点的描述,不正确的是( ) A、项目具有完整生命周期和明确日期 B、项目具有临时性、独特性、渐进明细的特点 C、项目目标可分在过程性和成果性目标 D、项目通常是实现组织战略计划的一种手段正确答案:C25、作为一个优秀项目经理,不需要( )A、了解客户的业务需求B、组建一个和谐的团队C、注重客户和用户参与D、精通项目相关的技术正确答案:D26、关于项目管理办公室(PMO)的描述,不正确的是∶( )A、可以为某个项目设立一个 PMOB、支持性 PMO 通过各种手段要求项目服从于任何组织结构C、PMO 不受组织结构的影响,可以存在于任何组织结构中D、PMO 可以为所有项目的进行集中的配置管理正确答案:B27、关于管理过程的描述,不正确的是( )A、5 个项目过程组具有明确的依存关系B、过程组不受项目的阶段,但与项目阶段存在一定的关系C、一般来说,监督和控制过程组花费项目预算最多D、启动过程组包括制定项目章程和识别干系人两个过程正确答案:C28、关于项目建议书的描述,不正确的是∶( )A.项目建议书不能和可行性研究报告合并B 项目建议书是国家或上级主管部门选择项目的依据C.项目建议书是对拟建项目提出的框架性的总体设想D.项目建议书内容可以进行扩充和裁剪正确答案:A29.项目可行性研究报告不包括( )∶A.项目建设的必要性B.总体设计方案C.项目实施进度D.项目绩效数据正确答案:D30、( )需要对项目的技术、经济、环境及社会影响等进行深入调查研究,是一项费时费力且需要一定资金支持的工作A、机会可行性研究B、详细可行性研究C、初步可行性研究D、研究报告的编写正确答案:B31、( )该行为属于招标人与投标人串通投标A.投标人之间约定中标人B.对潜在投标人或者中标人采取不同的资格审表或者评标标准C.不同投标人的投标文件相互混装D.招标人授意投标人撤换,修改招标文件正确答案:D32、某系统集成供应商与客户签署合同应通过( )可以将组织对合同的责任转移到项目组A.项目建议书B.内部立项制度C.可行性报告D 项目投标文件正确答案:B33.( )的过程是为实现项目目标而领导和执行项目管理计划中所确定的工作A.制度项目管理计划B.指导与管理项目工作C.监控项目工作D.实施整体变更控制正确答案:B34.( )不属于项目章程的作用A.确定项目经理,明确项目经理的权力B.正式确认项目的存在,给项目已合法的地位C 规定项目总体目标,包括范围、时间、质量等D 指导项目的执行,监控和收尾工作正确答案:D35. 关于项目管理计划用途的描述,不正确的是∶( )A 明确项目目的,是项目启动的依据B.为项目绩效考核和项目控制提供基准C.记录制订项目计划所依据的假设条件D.促进项目干系人之间的沟通正确答案:A36.( )不属于实施已批准变更的活动A.纠正措施B.预防措施C.缺陷补救D 影响分析正确答案:D37、( )是确定两种或两种以上变数间相互依赖的变量关系的一种统计分析方法A、趋势分析B、因果图C、回归分析D、帕累托图正确答案:C38、正确的变更控制管理流程是∶( )A、变更请求一 CCB 审批(同意)一评估影响→执行变更→分发新文档一→记录变更实施情况B、变更请求一评估影响→CCB 审批(同意)→分发新文档一执行变更一记录变更实施情况C、变更请求一 CCB 审批(同意)→执行变更→评估影响→记录实施变更情况→分发新文档D、变更请求一评估影响一 CCB 审批(同意)→执行变更→记录变更实施情况→分发新文档正确答案:D39. 关于范围管理计划的描述,不正确的是∶( )A、用于规划,跟踪和报告各种需求活动B、作为制定项目管理计划过程的主要依据C、范围管理计划可以是非正式的D、规定了入户制定详细范围说明书正确答案:A40.范围说明书的内容不包括( )A 项目目标与产品范围描述B. 项目需求与项目边界C. 项目交付成果与干系人清单D. 假设条件与项目制约因素正确答案:C41.( )可用来确定可交付成果是否符合需求和验收标准A、投票B、观察C、检查D、访谈正确答案:C42、某软件项目执行过程中,客户希望增加几项小功能,开发人员认为很容易实现,项目经理首先应该( )A、安排开发人员进行修改B、发起变更申请C、建议客户增加预算D、获得管理层同意正确答案:B43. 项目章程中规定的项目审批要求和( ),会影响项目的进度管理。
全国计算机技术与软件专业技术资格(水平)考试试题(附答案)一、选择题(每题2分,共40分)1. 以下哪个不属于计算机硬件系统的主要组成部分?A. CPUB. 内存C. 硬盘D. 操作系统答案:D2. 在计算机中,下列哪种存储器属于只读存储器?A. ROMB. RAMC.硬盘D. U盘答案:A3. 在计算机中,下列哪种语言是高级语言?A. 汇编语言B. 机器语言C. C语言D. 二进制语言答案:C(以下题目省略,共20题)二、填空题(每题2分,共40分)1. 计算机网络的目的是实现______和______。
答案:数据传输、资源共享2. 在计算机中,内存的作用是用于______。
答案:存储程序和数据3. 计算机操作系统的五大功能是:______、______、______、______和______。
答案:处理机管理、存储管理、设备管理、文件管理和用户接口(以下题目省略,共20题)三、判断题(每题2分,共20分)1. 计算机的运算速度是指计算机每秒钟所能执行的指令数。
()答案:正确2. 在计算机中,硬盘的存储容量越大,计算机的运行速度越快。
()答案:错误3. 计算机病毒是一种人为编制的破坏计算机正常工作的程序。
()答案:正确(以下题目省略,共10题)四、简答题(每题5分,共25分)1. 简述计算机软件的分类及作用。
答案:计算机软件分为系统软件和应用软件两大类。
系统软件是指管理计算机硬件和软件资源,为用户提供操作界面和运行环境的软件。
其主要作用是调度、监控和维护计算机系统的正常运行。
例如:操作系统、编译器、数据库管理系统等。
应用软件是指为解决特定问题而设计的软件。
其主要作用是完成用户提出的具体任务。
例如:文字处理软件、表格处理软件、图形处理软件等。
2. 简述计算机网络的拓扑结构及其特点。
答案:计算机网络的拓扑结构主要有星形、总线形、环形、树形和网状等。
(1)星形拓扑:中心节点为网络的通信控制中心,任意两个节点之间的通信都要经过中心节点。
子任务预算〔万元〕需求调研系统实施1.835.2最悲观0.54三点估算工期〔周〕最可能17最乐观1.51.62023 年11 月全国计算机技术与软件专业技术资格〔水平〕考试《系统集成工程治理工程师〔中级〕》下午考试真题试卷案例分析题〔请阅读案例背景,按试题要求进展解答〕试题一〔18 分〕阅读以下说明,答复以下问题1 至问题3,将解答填入答题纸的对应栏内。
【说明】A 公司承接了某信息系统建设工程,任命小张为工程经理在工程启动阶段,小张编制了风险治理打算,组织召开工程成员会议对工程风险进展了识别并编制了工程风险清单。
随后,小张依据自己多年的工程实施阅历,将工程全部的风险依据时间先后挨次制定了风险应对打算,并亲自负责各项应对措施的执行。
风险及应对措施的局部内容如下:风险1:系统上线后运行不稳定或停机造成业务长时间中断应对措施1:系统试运行前开展全面测试。
应对措施2:成立应急治理小组,制定应急预案。
风险2:工程中期人手消灭短期缺乏造成工程延期。
应对措施3:提前从公司其它部门协调人员。
风险3:设备到货发生损坏,影响工程进度。
应对措施4:购置高额保险。
风险4:人员技能缺乏。
应对措施5:提前安排人员参与原厂技术培训。
……工程实施过程中,公司相关部门反响,设备发生损坏的概率低,建议降低保额;原厂培训价格过高,建议改为非原厂培训。
小张坚持原打算没有进展调整。
系统上线后发生故障停机,由于缺少应急预案造成业务长时间中断,公司高层转达了客户的投诉,也表达了对工程本钱治理的不满。
【问题1】〔10 分〕结合案例,请指出小张在工程风险治理各个过程中存在的问题。
【问题2】〔5 分〕请指出以上案例中提到的应对措施1-5 分别承受了什么风险应对策略。
【问题3】〔3 分〕请将下面〔1〕~〔3〕的答案填写在答题纸的对应栏内。
风险具有一些特性。
其中,〔1〕指风险是一种不以人的意志为转移,独立于人的意识之外存在;〔2〕指由于信息的不对称,将来风险大事发生与否难以推想;〔3〕指风险性质会因时空各种因素变化而有所变化。
全国计算机技术与软件专业技术资格(水平)考试2020年下半年网络工程师下午试卷及参考答案(考试时间14:00~16:30 共150 分钟)1.在答题纸的指定位置填写你所在的省、自治区、直辖市、计划单列市的名称。
2.在答题纸的指定位置填写准考证号、出生年月日和姓名。
3.答题纸上除填写上述内容外只能写解答。
4.本试卷共4 道题,都是必答题,满分75 分。
5.解答时字迹务必清楚,字迹不清时,将不评分。
6.仿照下面例题,将解答写在答题纸的对应栏内。
试题一(共20分)阅读以下说明,回答问题1至问题3,将解答填入答题纸对应的解答栏内。
【说明】某校园宿舍WLAN网络拓扑结构如图1-1所示,数据规划如表1-1内容所示。
该网络采用敏捷分布式组网在每个宿舍部署一个AP,AP连接到中心AP,所有AP和中心AP统一由AC进行集中管理,为每个宿舍提供高质量的WLAN网络覆盖。
图1-1表1-1【问题1】(10分)补充命令片段的配置。
1.Router 的配置文件[Huawei] sysname Router[Router] vlan batch(1)[Router] interface gigabitethernet 1/0/0[Router GigabitEthernet 1/0/0] port link-type trunk[Router GigabitEthernet 1/0/0] port trunk allow-pass vlan 101 [Router GigabitEthernet 1/0/0] quit[Router] interface vlanif 101[Router-Vlanifl01]ip address (2)[Router-Vlanifl01]quit2.AC的配置文件#配置AC和其他网络设备互通[HUAWEI]sysname (3)[AC] vlan batch 100 101[AC] interface gigabitethernet 0/0/1[AC-GigabitEthernet0/0/1] port link -type trunk[AC-GigabitEthernet0/0/1] port trunk pvid vlan 100[AC-GigabitEthernet0/0/1] port trunk allow-pass vlan 100 [AC-GigabitEthernet0/0/1] port-isolate(4) //实现端口隔离[AC-GigabitEthernet0/0/1] quit[AC] interface gigabitethernet 0/0/2[AC-GigabitEthernet0/0/2] port link-type trunk[AC-GigabitEthernet0/0/2] port trunk allow-pass vlan 101 [AC-GigabitEthernet0/0/2] quit#配置中心AP和AP上线[AC] wlan[AC-wlan-view] ap-group name ap-groupl[AC-wlan-ap-group-ap-group1] quit[AC-wlan-view] regulatory-domain-profile name default[AC-wlan-regulate-domain-default] country-code (5)[AC-wlan-regulate domain-default] quit[AC-wlan-view]ap-group name ap-group1[AC-wlan-ap-group-ap-group1] regulatory-domain-profile(6)Warning: Modifying the country code will clear channel, power and antenna gain configOf the config send reset the AP Continue?[Y/N]:y[AC-wlan-ap-group-ap-group1]quit[AC-wlan-view]quit[AC]capwap source interface(7)[AC] wlan[AC-wlan-view] ap auth mode mac-auth[AC-wlan-view] ap-id 0 ap-mac 68a8-2845-62fd//中心AP的MAC地址[AC-wlan-ap-0] ap-name central APWarning: This operation may cause AP reset Continue?[Y/N]:y[AC-wlan-ap-0] ap-group ap-group1Warning: This operation may cause AP reset.If the country code changes,it will clear channel,power and antenna gain configuration s of the radio,Whether to continue?[Y/N]:y[AC- wlan-ap-0] quit其他相同配置略去#配置WLAN业务参数[AC-wlan-view] security-profile name wlan-net[AC-wlan-sec-prof-wlan-net] security wpa-wpa2 psk pass-phrase(8) aes [AC-wlan-sec-prof-wlan-net] quit[AC-wlan-view] ssid-profile name wlan-net[AC-wlan-ssid-prof-wlan-net] ssid(9)[AC-wlan-ssid-prof-wlan-net] quit[AC-wlan-view] vap-profile name wlan-net[AC-wlan-vap-prof-wlan-net] forward-mode tunnel[AC-wlan-vap-prof-wlan-net] service-vlan vlan-id(10)[AC-wlan-vap-prof-wlan-net] security-profile wlan-net[AC-wlan-vap-prof-wlan-net] ssid-profile wlan-net[AC-wlan-vap-prof-wlan-net] quit[AC-wlan-view] ap-group name ap-group1[AC-wlan-ap-group-ap-groupl] vap-profile wlan-net wlan 1 radio 0 [AC-wlan-ap-group-ap-group1] vap-profile wlan-net wlan 1 radio 1 [AC-wlan-ap-group-ap-group1] quit【问题2】(6分)上述网络配置命令中,AP的认证方式是(11)方式,通过配置(12)配置。
全国计算机技术与软件专业技术资格(水平)考试2005年上半年程序员下午试卷(考试时间 14:00~16:00共150分钟)1、在答题纸的指定位置填写你所在的省、自治区、直辖市、计划单列市的名称。
2、在答题纸的指定位置填写准考证号、出生年月日和姓名。
3、答题纸上除填写上述内容外只以写解答。
4、本试卷共8道题,试题一至试题三是必答题,试题四至试题五选答1道,试题六至试题八选答1道,每题15分,满分75分。
试题六至试题八选答1道。
每题15分,满分75分。
5、解答时字迹务必清楚,字迹不清时,将不评分。
6、仿照下面例题,将解答写在答题纸的对应栏内。
例题2005年上半年全国计算机技术与软件专业技术资格(水平)考试日期是(1)月(2)日。
因为正确的解答是“5月29日”,故在答题纸的对应栏内写上“5”和“29”(参看下表)。
试题一(15分,每空3分)阅读以下说明和流程图,回答问题1至问题2将解答填入答题纸的对应栏内。
[说明]设8位二进制代码B0B1...B7中的最高位B0为奇偶校验位。
对于任何给定的代码B1B2...B7,可按下式计算偶校验位:B0= B1 ○+ B2○+...○+ B7其中,“”表示“异或”运算。
下面的流程图描述了计算偶校验位的过程。
[流程图]描述。
[问题1]将流程图中的(1)~(4)处补充完整。
[问题2]若按下式计算奇校验位,则上述流程图中的(1)处应填(5)。
+1三B0= B1 ○+ B2○+...○+ B7○【答案】(1)0 (2)1;7;1 (3)Bi (4)B0 (5) 1试题二(15,每空3分)阅读以下函数说明和C语言函数,将应填入(n)处的字句写在答题纸的以应栏内。
[函数2.1说明]函数int funl(int m,int n)的功能是:计算并返回正整数m和n的最大公约数。
[函数2.1]int funl (int m, int n){while ( (1) ){if(m﹥n) m=m-n;else n=n-m;}(2);}[函数2.2说明]函数long fun2(char*str)的功能是:自左至右顺序取出非空字符串str中的数字字符形成一个十进制整数(最多8位)。
例如,若字符串str的值为“f3g8d5.ji2e3p12fkp”,则函数返回值为3852312。
[函数2.2]long fun2(char *str){ int i=0;long k=0;char*p=str;while(*p!=¹/0¹&& (3) ) {if(*p ›=¹0¹&&*p ‹=¹9¹){k= (4) +*p-¹0¹;++ i;}(5);}Return k;}【答案】(1)m!=n (2)return n (3)i<8 (4)k*10 (5)++p试题三(15分,每空3分)阅读以下说明和C语言函数,将应填入(n)处的字句写在答题纸的对应栏内。
[说明]一棵非空二叉树中“最左下”结点定义为:若树根的左子树为空,则树根为“最左下”结点;否则,从树根的左子树根了发,沿结点的左孩子分支向下查找,直到某个结点不存在左孩子时为止,该结点即为此二叉树的“最左下”结点。
例如,下图所示的以A为根的二叉树的“最左下”结点为D,以C为根的子二叉树中的“最左下”结点为C。
二叉树的结点类型定义如下:Typedef struct BSTNode{int data;struct BSTNode *lch;//结点的左、右孩子指针}*BSTree;函数BSTree Find_Del (BSTree root)的功能是:若root 指向一棵二叉树的根结点,则找出该结点的右子树上的“最左下”结点*p,并从树下删除以*p为根的子树,函树返回被删除子树的根结点指针;若该树根的右子树上不存在“最左下”结点,则返回空指针。
[函数]BSTree Find_Del(BSTree root){ BSTree p,pre;if (!root)return NULL; /*root指向的二叉树为空树*/(1); /*令p指向根结点的右子树*/if (!o) return NULL;(2) ; /*设置pre的初值*/Pre=p;p= (3) ;}if ( (4) = =root) /*root的右子树根为“最左下”结点*/pre-›rch=NULL;else(5) = NULL; /*删除以“最左下”结点为根的子树*/}【答案】(1)p=root -> rch (2) pre=root (3) p = p ->lch(4) pre (5) pre ->lch试题四(15分,每空3分)阅读以下说明和C语言函数,将应填入(n)处的字句写在答题纸的对应栏内。
[说明]假设一个剧场有N*N个座位,顾客买票时可以提出任意有效的座号请求。
下面用二维数组a[N][N],模拟剧场中的座位,a[][N],int R,int*row,int *col)的功能是:在部分票已售出的情况下,找出剧场中的R*R个空座位,要求这些座位的排列形成一个正方形。
若找到满足要求的一个座位排列,则函数返回1,并算出该正方左上角的行、列号;若未找到,返回0。
例如,一个7×7个座位的剧场如下图(a)所示,已售出部分座位的剧场如下图(b)所示,图中阴影部分表示已售出的座位,从图(b)中找出的3×3正方形空座位如图(c)中斜线区所示。
[函数]int Find(int a[][N],int R ,int *row,int*coo){int I,j,k,c,t; int FOUND=0;for (i=0;!FOUND &&i‹N-R+1;i++){ /*从第0排开始查找*/(1);ww hile(j‹N-R+1 &&! FOUND) {for(k=0; (2) &&a[i][j+k]==0;k+1;/*查找第i排连续的R个座位*/if(k›=R){ /*找到第i排连续的R个空座位*/for(c=0;c‹R;c++){ 查找其余的R*(R-1)个座位*/for(t=1;t‹R;t++if(a[ (3) ][j+c]!=0break;if(t‹R)break;}/*for*/If( (4) )FOUND=1;}/* if*/(5);}/*while*/}/*for i*/if(FOUND){*row = i–1; *col = j–1; /*计算正方形区域的左上角坐标*/return 1;}return 0;【答案】(1)j=0 (2)k<R (3)i+t (4)c==R (5)j++试题五(15分,没空3分)阅读以下说明及Visual Basic 程序代码,将应填入(n)处的字句写在答题纸的对应栏内。
[说明]甲乙两地之间的铁路线上有二十多个火车站,为方便乘客查询票价,特开发了火车票价查询程序,其运行窗口如下图所示,乘客只要通过两个下拉列表框分别选择起点与终点站名,再单击“查询”按钮,则票价文本框中就会显示相应的票价。
在开发过程中,设选择起点和终点站名的组合框(ComboBox)名分别为ST和SP,显示票价的文本框(TextBox)名为Price,“查询”按钮(CommandButton)名为Query;设ST 与SP中的诸列表项完全相同,且都是从甲地开始依次排列,从第i站到第j站的票价存放在二维对称矩陈P的元素P(i,j)中,假设从甲地到第i站行驶的距离存放在d(i)中,火车票价等于其行驶距离乘以C(常数)。
[Visual Basic代码]Dim p(30,30) A s Single ‘通用声明Const C=0.2Private Sub Form load()Dim d(30) As Single(1)= “甲地” ‘在ST组合框中设置首个列表项…… ‘在ST和SP中设置其他列表项(若干行语句)…… ‘对数组d(i)赋值(若干行语句)For i=0 to ST. (2) -1‘对ST中各列表项循环For j=0 to SP. (2) -1‘对SP中各列表项循环(这两处填写内容相同)P(i,j)= (3)Next jNext iEnd SubPrivate Sub query_Click()i= (4) ¹组合框ST中选择的当前项编号j=…… ¹组合框SP中选择的当前项编号(语句略)(5)= str$(p(i,j))End Sub【答案】(1)ST.List(0) (2)ListCount (3) C*(d(j)-d(i))(4) ST.ListIndex (5) Price.Text试题六(15分,每空3分)阅读以下说明、Java代码和HTML文档,将应填入(n)处的字句写在答题纸的对应栏内。
[说明]当用户启动html浏览器并首次打开下面的html文档时,Java Applet小程序在显示面板上显示字符串“Welcome!”;当html页面被其它窗口遮挡后再次显示时,小程序在显示面板上显示“Welcome back!”。
[Java代码]import java.awt.*;import java.applet.*;prblic class HelloApplet extends (1) {prblic void paint( (2) ){g.drawString(message,10,20);message=。
“welcome back!”;}Prblic void (3) (){message=“Welcome!”;}Private (4) message;}[HTML文档]‹html›<head><title>HTML Test HelloApplet Page</title></head><body>Test HelloApplet 小程序〈br><appletcodebase=”.”code=” (5) ”name=”TestApplet”width=”400”height=”300”></applet></body></html>【答案】(1)Applet (2)Graphics g (3)paint (4)String (5)HelloApplet.class试题七(15分,每空3分)阅读以下说明及Visral Basic 程序代码,将应填入(n)处的字句写在答题纸的对应栏内。
[说明]某个文本件中存放了若干个非零数值有效数据,每个数据占一行,最后一行以数字“0”作为结束标志。