评标办法及实施细则1.1总说明
- 格式:pdf
- 大小:167.91 KB
- 文档页数:4
评标定标实施细则评标定标实施细则是指在招标过程中,根据招标文件的要求,对投标文件进行评审和定标的具体操作规程。
本文将详细介绍评标定标实施细则的标准格式,包括评标定标的基本要素、评标定标的程序和具体操作步骤。
一、评标定标的基本要素评标定标的基本要素包括评标定标的目的、评标定标的原则和评标定标的基本内容。
1. 评标定标的目的评标定标的目的是确保招标过程的公平、公正和透明,保证最终中标人的选择符合招标文件的要求,以获得最佳的招标结果。
2. 评标定标的原则评标定标的原则包括公开、公平、公正、透明、竞争和效益原则。
评标定标过程中应遵循这些原则,确保所有投标人在公平的竞争环境下进行投标,并根据其符合招标文件要求的程度进行评审和定标。
3. 评标定标的基本内容评标定标的基本内容包括评标定标的程序、评标定标的标准和评标定标的评审办法。
这些内容将在下文中详细介绍。
二、评标定标的程序评标定标的程序包括评标和定标两个阶段。
1. 评标阶段评标阶段是对投标文件进行评审,根据招标文件的要求对投标人的资格、技术能力、经验、财务状况等进行综合评估。
评标阶段的具体步骤包括:(1)开标:在评标委员会的监督下,公开拆开投标文件的密封封套,确认投标文件的完整性和合法性。
(2)资格审查:对投标人的资格进行审查,包括法律资格、技术能力、经验、财务状况等方面的评估。
(3)技术评审:对投标人的技术方案进行评审,根据招标文件的技术要求,评估投标人的技术能力和方案的可行性。
(4)商务评审:对投标人的商务条件进行评审,包括价格、交货期、售后服务等方面的考虑。
(5)综合评审:综合考虑以上评审结果,对投标人进行综合评估,确定符合招标文件要求的投标人。
2. 定标阶段定标阶段是根据评标阶段的评审结果,确定最终中标人。
定标阶段的具体步骤包括:(1)评标报告编制:评标委员会根据评标阶段的评审结果,编制评标报告,详细说明每一个投标人的评审情况和评审意见。
(2)评标结果公示:将评标报告在规定的公示期限内公示,公示内容包括中标人的名称、中标金额等信息。
本评标办法海豚湾梦幻水上乐园《弱电综合布线及系统集成项目》方案投标评标办法根据海豚湾弱电系统需求分析,我方制定了,海豚湾梦幻水上乐园《综合布线及系统集成》项目采购说明,依据“采购说明”提交投标方案及投标预算报价。
特制定以下评标方法。
一、评标原则评委会将依据招标文件的要求和招标项目的特点,全面充分地审阅所有投标人的投标文件,认真听取招标人和投标人的意见,通过对投标人的资质、胜任程度、投标报价、工期、质量标准、施工组织设计、社会信誉、以往业绩和对投标书的响应程度等进行综合评议,按照公平、公正、科学、择优的原则,实事求是、客观公正地对各投标文件进行评审比较,进行综合排序,从而确定出每一方案的优劣性和报价的合理性,推荐技术和报价均最优的为中标单位。
一、评标委员会1、评标委员会依法组建,负责投标文件的评审活动,向招标人按名次推荐中标候选人3名。
2、评标委员会由5人以上单数在开标前组成。
评标负责人由招标人指定。
3、评标专家应符合下列条件:(1)从事相关专业领域工作满八年并具有高级职称或者同等专业水平;(2)熟悉招标投标的有关法律法规,并且具有与招标项目相关的实践经验;(3)能够认真、公正、诚实、廉洁地履行职责;(4)评标委员会成员应当客观、公正地履行职责,遵守职业道德,对所提出的评审意见承担个人责任。
二、评标程序本招标评标程序分为初步评审、详细评审与确定中标人。
初步评审通过的投标人,方可进入详细评审与打分阶段。
评标采用百分法。
百分法评标内容由技术标和商务标两部分组成。
投标文件技术标部分内容为招标文件要求投标文件提供的施工组织设计部分;商务标部分内容为招标文件要求投标文件提供的施工组织设计以外的其它部分。
本次评标技术标为40分,商务标分为综合部分和投标报价,综合部分为20分,投标报价为40分,总分值为100分。
一、技术标评分(满分40分)1)技术方案设计(30分)(1) 整体解决方案是否最优(10分):①解决方案是否采用成熟、先进的国内主流技术和产品2分②总体架构的合理性2分③解决方案是否结合了本工程的实际情况,并体现工程特色3分④解决方案是否体现了最佳的性能价格比3分(2) 系统的性能指标(10分):根据系统的整体性能指标和设备单体性能指标的综合分析评定,酌情给分。
附件:评标细则评标办法本工程采用综合评估法。
开标后,若发现投标文件不响应招标文件实质性要求的,其投标文件可不作评审,按无效投标处理。
评委根据评审标准对标书进行评审打分并按规定的计算方法,计算出各投标人的综合得分。
评审委员会按照各家综合得分由高到低顺序向招标人推荐1至3名中标候选人,并标明排序。
如综合得分相同,以评标价较低的优先,评标价相同时采用抽签方式确定排序。
一、报价部分分值为75分:(一)确定评标基准价1、经初步评审合格的有效投标文件的投标报价低于所有有效投标文件的投标报价平均值下浮5%(不含5%)的,不参与评标基准价的计算。
2、以其余有效投标文件的投标报价的算术平均值为 A(若7≤其余有效投标文件<10家时,去掉其中的一个最高值和一个最低值后取算术平均值为 A;若其余有效投标文件≥10 家时,去掉其中的二个最高值和二个最低值后取算术平均值为 A)。
3、评标基准价=A×KA=有效投标文件报价的算术平均值K为下浮系数,取值范围 96%,96.5%,97%,在开标时随机抽取确定。
说明:1、有效投标文件是指评标委员会初步评审合格的投标文件;评标价指经澄清、补正和修正算术错误的投标报价。
2、不参与评标基准价计算的有效投标文件均不影响其评标及推荐为中标候选人。
3、相关数值及评标基准价计算方法(如有,先抽计算方法)的抽取在招标人(招标代理机构)完成评标准备工作,评标委员会完成初步评审后进行。
抽取人为招标人代表,在开标现场随机抽取,初步评审不合格的投标文件不参与评标基准价的计算。
4、相关数值抽取后,在抽取现场确定评标基准价,评标基准价确定后不因招投标当事人质疑、投诉、复议以及其他任何情形而改变(计算错误可作调整)。
(二)投标报价得分对有效投标人的投标报价打分,评标价等于评标基准价的报价得满分,其他有效投标价比评标基准价偏差1%扣减0.6分,偏离不足1%的,按照插入法计算得分,分值保留两位小数。
二、技术部分21分评标委员会根据以下评审要点,对投标文件进行评分:(一)图纸部分(16分):注:1、对不同方案进行比对,如存在有不该出现的雷同情况的,作废标处理。
附件A:评标办法一、总则(一)依照《中华人民共和国招标投标法》及《评标委员会和评标方法暂行规定》,结合本工程特点,制定本办法。
(二)评标委员会按本办法的规定和招标文件要求,结合项目特点,应对投标人的投标报价、投标工期、工程质量、企业信誉、项目管理班子配备、施工组织设计的内容进行综合评议,能最大限度地满足招标文件规定的各项综合评价的指标进行评审。
(三)评标工作按以下程序进行:1.符合性审查(初步评审);2.澄清(若有必要);3.技术文件、商务文件评审;4.提出评审意见,综合评分,写出评标报告。
二、评标委员会(一)评标委员会由招标人依法组建,负责评标活动,向招标人推荐中标候选人。
评标委员会成员名单于开标前确定。
评标委员会成员名单在中标结果确定前保密。
(二)评标委员会由招标人以及有关技术、经济等方面的专家组成,成员人数为五人以上的单数,其中技术、经济等方面的专家不得少于成员总数的三分之二。
评标委员会设负责人的,评标委员会负责人由评标委员会成员推举产生或者由招标人确定。
评标委员会负责人与评标委员会的其他成员有同等的表决权。
(三)评标委员会的专家成员从省级以上人民政府有关部门提供的专家名册或招标代理机构的专家库内的相关专家名单中采取随机抽取的方式确定。
(四)评标专家应符合下列条件:1.从事相关专业领域工作满八年并具有高级职称或者同等专业水平;2.熟悉有关招标投标的法律法规,并具有与招标项目相关的实践经验;3.能够认真、公正、诚实、廉洁地履行职责。
(五)有下列情形之一的,不得担任评标委员会成员:1.投标人或者投标人主要负责人的近亲属;2.项目主管部门或者行政监督部门的人员;3.与投标人有经济利益关系,可能影响对投标公正评审的;4.曾因在招标、评标以及其他与招标投标有关活动中从事违法行为而受过行政处罚或刑事处罚的。
(六)评标委员会成员应当客观、公正地履行职责,遵守职业道德,对所提出的评审意见承担个人责任。
评标委员会成员不得与任何投标人或者与招标结果有利害关系的人进行私下接触,不得收受投标人、中介人和其他利害关系人的财物或者其他好处。
评标办法(综合评分法)1、评标办法1.1评委会成员依据招标文件的要求,先对所有投标人提交的投标文件进行初审,初审内容如下:进行初审。
投标人在投标文件中提供的相应资料(围串标评审部分除外)应当能够满足本项目初审相应要求;有一项不符合初审评审标准的,作无效标处理。
1.2未通过初审的投标人不进行下一步评审,评委对通过初审的投标文件作进一步的详细评审。
详细评审的基本步骤和基本要求如下:1.2.1详细评审:是指对招标文件做出了实质性响应的投标文件就技术、资信等诸多因素进行评审打分。
1.2.1.1详细评审(满分65分)。
评委应对通过初审的投标人进行详细评审,并分别填写评分表。
具体评分标准如下:1.2.1.2详细评审得分为:各评委对每一个投标人的每一个指标项打分,将每一项得分相加得出该投标人总分;汇总全体评委的评分表,并求出某一投标人的得分平均值,保留至小数点后两位数,第三位四舍五入,得到该投标人的详细评审得分。
1.2.1.3未通过初审的投标人不进入报价评审,评委只对通过初审的投标人进入报价评审。
1.2.1.4评委会只在通过初审的投标人中选择中标候选人,未通过初审的投标人不予考虑。
1.2.2报价评审(报价满分35分)(报价评审保留至小数点后两位数,第三位四舍五入)1.2.2.1当通过初审的投标人报价报价出现下列情形之一时,视为无效报价,作无效标处理:(1)出现有选择报价或两个及以上报价方案;(2)开标一览表未按照招标文件要求签署盖章的;(3)报价清单数量与招标文件给出的清单数量不一致的;(4)投标报价超过最高投标限价的;(5)应视为无效报价的其他情形。
1.2.2.2在评审过程中,评委会发现投标人的报价明显不合理或者明显低于其他投标报价,有可能影响服务质量和不能诚信履约的,应当要求其当场提供书面文件予以解释说明,并提交相关证明材料;否则,评委会认定该投标报价为无效报价,作无效标处理,不得推荐为中标候选人。
(投标人投标时,自行决定是否另行携带投标报价合理性的证明材料,投标人单方面承担由于未携带证明材料而产生的一切风险和后果。
新乐市人民政府办公室关于印发《新乐市“双盲”评标办法实施细则》的通知文章属性•【制定机关】新乐市人民政府办公室•【公布日期】2023.01.06•【字号】•【施行日期】2023.01.06•【效力等级】地方规范性文件•【时效性】现行有效•【主题分类】行政法总类综合规定正文新乐市人民政府办公室关于印发《新乐市“双盲”评标办法实施细则》的通知各乡镇人民政府、长寿街道办事处,经济开发区管委会,市政府有关部门:《新乐市“双盲”评标办法实施细则》已经市政府领导同意,现印发给你们,请结合实际认真组织落实。
新乐市人民政府办公室2023年1月6日新乐市“双盲”评标办法实施细则为遏制招投标活动中围标、串标、虚假投标等各种不规范行为,营造公平竞争的市场环境,最大限度减少人为干预因素,根据省住房和城乡建设厅《关于进一步规范国有资金投资房屋建筑和市政基础设施工程项目招标投标工作的若干意见》(冀建建·市〔2019〕5号)和石家庄市委办公室、石家庄市人民政府办公室印发的《关于进一步深化“放管服”改革的实施方案》通知(2021—55)、石家庄市住房和城乡建设局《关于开展房屋建筑和市政基础设施工程招标投标改革试点的通知》(石住建规〔2020〕1号)等文件精神,结合我市实际,现制定“双盲”评标办法实施细则如下:一、“双盲”评标适用范围凡本市范围内全部或者部分使用本级财政性资金、中央和省市补助性资金(含国债资金)投资或以财政性资金作为还款来源或还款担保的借贷性资金投资的,依法必须进行招标的建设工程项目(包括建筑物和构筑物的新建、改建、扩建、装修、拆迁、修缮等),应采用“双盲”评标进行招投标。
涉及国家安全、国家秘密、抢险救灾或者属于利用扶贫资金实行以工待赈、需要使用民工等特殊情况,不适宜进行招标的项目,可不适用本实施细则。
二、“双盲”评标程序(一)招标前审核1.招标人提出申请。
招标人提出项目招标申请,并填写招标登记表。
2.审阅招标文件。
评标办法、评标办法实施细则评标办法综合评估法评标办法详见评标程序、原则、办法序号评审项目标准分评分标准1 投标报价60分投标人的价格分统一按下列公式计算:投标报价得分=(评标基准价/ 投标报价)×60 。
评标基准价是指满足招标文件要求且投标价格最低的投标报价。
除低于成本价的投标报价被拒绝外,最低报价得60分。
得分结果由高分到低分依次排列为各自最终得分。
2 招标文件响应程度25分商务标响应情况5分不能实质性满足招标文件重要商务条款要求的为无效标书。
满足招标文件重要商务条款的得3分,以此为基础,投标人重要商务条款优于招标文件规定的相应商务条款的,每有一项加1分,投标人一般商务条款优于招标文件规定的相应商务条款的,每有一项加0.5分,两项加分至标准分时为止;投标人一般商务条款低于招标文件规定的相应商务条款的,每有一项减0.5分,减完为止。
技术标响应情况(技术指标、参数)20分不能实质性满足招标文件重要技术指标、参数要求的为无效标书。
满足招标文件重要技术指标、参数要求的得10分,以此为基础,投标人重要技术指标、参数优于招标文件规定的相应技术指标、参数的,每有一项加1分,投标人一般技术指标、参数优于招标文件规定的相应技术指标、参数的,每有一项加0.5分,两项加分至标准分时为止;投标人一般技术指标、参数低于招标文件规定的相应技术指标、参数的,每有一项减0.5分,减完为止。
3 依法纳税5分依法纳税、缴纳养老保险、医疗保险,有一项给1分,有两项给3分,有三项给5分。
(以近期连续三月缴费凭证为准)4 类似业绩5分近三年每有一项同类货物或服务业绩的得1分,得够标准分为止(提供中标通知书或合同书完整复印件)。
5 售后服务5分售后服务承诺详细、具体,满足用户要求且优于其他投标人售后服务承诺,在当地有服务机构的得5分;售后服务承诺周到,具有服务体系的得3分;售后服务体系不完备的得1分。
开标会议纪律及注意事项1、全体与会人员应保持会场秩序井然,严禁大声喧哗、交头接耳。
评标办法前附表范本附件2:评标办法评标办法前附表备注:(1)除评标价和履约信誉评分项外,评标委员会成员对投标⼈商务和技术各项因素的评分⼀般不得低于招标⽂件规定该因素满分值的60%;评分低于满分值60%的,评标委员会成员应当在评标报告中作出说明。
(2)评标价的评分权重不宜超过10% 。
评标办法正⽂1.总则1.1 为规范本项⽬施⼯监理评标⼯作,根据《中华⼈民共和国招标投标法》、《中华⼈民共和国招标投标法实施条例》、《评标委员会和评标⽅法暂⾏规定》、《公路⼯程建设项⽬招标投标管理办法》等有关规定,并结合本项⽬招标⽂件,制订本评标办法。
1.2 评标活动遵循公平、公正、科学、择优的原则。
1.3 评标活动应在严格保密的情况下进⾏。
评标⼈员必须严格遵守保密规定,不得和投标⼈串通,不得泄露与评标活动有关的情况,不得索贿受贿,不得参加可能影响公正评标的任何活动。
评标期间投标⼈不得⼲扰评标⼯作,不得采⽤⾏贿或其他不正当⼿段影响评标。
1.4 本项⽬评标采⽤综合评估法。
2.评标组织及职责2.1 评标委员会组成招标⼈依法组建评标委员会。
评标委员会由招标⼈代表和从湖北省公共资源交易中⼼专家库交通⾏业⼦库中随机抽取的评标专家共同组成,⼈数为7⼈,其中评标专家5⼈,招标⼈代表2⼈。
评标委员会开始⼯作之前应由评标委员会推举产⽣⼀名主任评标委员,负责协调、组织评标委员会成员开展评标⼯作。
2.2 评标委员会职责(1)对投标⽂件进⾏初步评审、资格审查;(2)确定评审需澄清、核实的内容;(3)进⾏商务、技术和财务的详细评审;(4)综合评分并推荐中标候选⼈;(5)建议是否重新招标;(6)完成书⾯评标报告提交招标⼈。
3. 评审程序3.1 评标准备评标委员会开始评标⼯作之前,必须⾸先认真研读招标⽂件;招标⼈应当向评标委员会提供招标⽂件、评标办法和评标所需的其他重要信息与数据,协助评标委员会了解和熟悉招标项⽬的如下内容:(1)招标项⽬的⼯程规模、标准和⼯程特点;(2)招标⽂件规定的评标办法;(3)招标⽂件规定的其他与评标有关的内容。
第六章、评标办法1. 总则1.1 根据《中华人民共和国政府采购》、《中华人民共和国政府采购法实施条例》、《四川省政府采购评审工作规程》等相关法律法规、规章制度,结合招标项目特点制定本评标办法。
1.2 评标工作由招标采购单位负责组织,具体评标事务由招标采购单位依法组建的评标委员会负责。
评标委员会由采购人代表和有关技术、经济等方面的专家组成。
1.3 评标工作应遵循公平、公正、科学及择优的原则,并以相同的评标程序和标准对待所有的投标人。
1.4 评标委员会按照招标文件规定的评标方法和标准进行评标,并独立履行下列职责:(一)审查供应商投标文件、响应文件、报价文件等是否满足采购文件要求,并作出公正评价;(二)根据需要要求供应商对投标文件、响应文件、报价文件等有关事项作出澄清;(三)推荐中标、成交候选供应商名单,或者受采购人委托确定中标、成交供应商;(四)向采购人、采购执行机构、财政部门或者其他监督部门报告非法干预评审工作的行为;(五)法律、法规和规章规定的其他职责。
1.5评审委员会享有下列权利(一)对采购项目有关的政策制度和有关情况的知情权;(二)对供应商投标文件、响应文件、报价文件等是否符合采购文件要求并作出评价的评审权;(三)对中标、成交候选供应商的推荐权;(四)不受非法干预的独立评审权;(五)成员按照规定获得相应的评审劳务报酬权;(六)法律、法规和规章规定的其他权利。
1.6评审委员会应当履行下列义务:(一)遵纪守法,客观、公正、廉洁地履行职责;(二)按照采购文件规定的评审方法和评审标准独立进行评审,评审委员会成员对评审意见承担个人责任;(三)拒绝参加违法、违规的政府采购评审活动;(四)对评审过程、评审结果和供应商的商业秘密保密;(五)参与评审报告的起草;(六)配合采购执行机构质疑处理;(七)配合财政部门投诉处理;(八)法律、法规和规章规定的其他义务。
1.7评审委员会成员应当遵守下列工作纪律:(一)不得参加与自己有利害关系的政府采购项目的评审活动。
导语:市住房与城乡建设委员会会同市发展与改革委员会制定得《北京市建设工程施工综合定量评标办法(试行)》(京建法〔2012〕27号)(以下简称《办法》)已于2012年门月28日发布,2013年1月1日担实施。
为贯彻落实《办法》得有关规定,明确工作标准,方便实际操作,制定本细则。
市住房与城乡建设委员会会同市发展与改革委员会制定得《北京市建设工程施工综合定量评标办法(试行)》(京建法〔2012〕27号)(以下简称《办法》)已于2012年11月28日发布,2013年1月1日是实施。
为贯彻落实《办法》得有关规定,明确工作标准,方便实际操作,制定本细则。
一、适用范囤(一)适用时点2013年1月1日后发出招标文件得建设工程施工总承包招标项目(把握标准:以首次报送行政监督部门备案得报送日期为准;集中备案项目以扌召标文件得实际发出日期为准),其招标投标活动应当按照《办法》得有关规定执行。
(二)评标方法《办法》适用于综合定量评标得方法。
为保证工程质量与安全,本市房屋建筑与市政工程一般均应釆用综合评估法进行量化评标。
招标人选择采用经评审得就低投标价法评标得,必须同时满足以下三项基本条件,否则,行政监督部门不予备案相应招标文件:(1)招标项目技术简单,施工难度不大;(2)有可操作得与科学合理得投标报价就是否低于投标人成本得评判方法;(3)有可靠得评标组织与保证措施,包括能满足评标要求得评标委员会成员得组成、评标时间、评标程序等。
二、资格预审文件编制(一)招标人接受联合体投标得,应当在资格预审文件或招标文件中要求联合体各方签订联合体协议书,明确约定联合体成员单位得职责分工与各自所承担得合同工作量比例。
(二)联合体投标得,投标申请人应当按照资格预审文件规定,在提交得资格预审申请文件中包括联合体协议书。
(三)资格预审评审后,联合体各方改变联合体成员单位得职责分工与各自所承担得合同工作量比例,应当符合下列规定:1、资格预审采用"合格制”得,改变后得联合体得资格条件应当符合资格预审文件中规定得审查标准,否则其投标作废标处理;2、资格预审釆用“有限数量制”得,改变后得联合体得资格条件应当符合许格预审文件中规定得审查标准,其中以评分方式进行审查得,改变后得资格条件,按照资格预审文件中规定得评分标准评分后,其得分应当保证即便在资格预审阶段仍然能够获得投标资格且没有对未通过资格预审得其她资格预审申请人构成不公平,否则其投标作废标处理。
最新超实用的评标办法实施细则评标办法是指在招标过程中,根据投标人提交的文件和所需评分的标准,对各投标人进行综合评估,确定中标人的规程。
评标办法的实施细则则是对评标过程中的一些具体步骤和操作进行具体说明和规定,以确保评标过程的公正、透明和高效。
以下是最新超实用的评标办法实施细则的详细说明。
一、评标委员会的组建与职责评标委员会由经验丰富的专业人士组成,其中包括相关领域的专家和行业内的从业者。
评标委员会的主要职责包括:审查投标人的资格条件;制定评标标准和权重;对投标人提交的文件进行评审;评定投标人的得分;确定中标人。
二、评标标准的制定与权重的确定评标标准应该明确、具体、客观,并且与招标项目的要求相符。
评标标准可以包括技术方案的可行性、价格合理性、项目进度安排、售后服务等方面。
权重的确定应该根据项目的实际情况和需求来决定,可以采用专家意见征询、成本效益分析、问卷调查等方法。
三、评标文件的准备与递交要求评标文件应该明确规定投标人需要提交的材料和文件,并且规定具体的递交要求。
评标文件应该包括:投标人的资格证明、技术方案、价格报价、商业合同等文件。
递交要求可以包括:文件格式、数量、截止时间等。
四、评标人员的遴选与培训评标人员应该具备专业知识和丰富的经验,能够独立、公正、客观地对投标人的文件进行评审。
评标人员的遴选应该通过公开、公正的方式进行,可以通过简历筛选、面试等方式确定。
评标人员在评标前应该接受相应的培训,了解评标办法和评标标准,熟悉评审流程。
五、评标过程的监督与管理评标过程应该是公开、透明和高效的。
评标委员会应该记录评标过程中的每一个步骤和决策,并制作评标报告。
评标过程中应该加强对投标人的保密措施,防止信息泄露。
评标工作应该受到相关部门和机构的监督和管理,确保评标结果的公正性。
六、评标结果的公布与申诉评标结果应该在规定的时间内公布,公布方式可以采用公示、通知书发放等方式。
投标人对评标结果有异议的,可以在规定的时间内提出申诉,申诉途径应该清晰明确,并且有相应的申诉处理机构。
江苏省房屋建筑和市政基础设施工程施工招标评标办法第一条为进一步规范我省房屋建筑和市政基础设施工程施工招标评标活动,根据招标投标相关法律、法规、规章的规定,结合我省实际,制定本办法.第二条我省行政区域内依法进行施工招标的国有资金项目的评标活动,适用本办法.第三条评标可以采用综合评估法、经评审的最低投标价法、合理低价法、合理区间随机确定中标人法或者法律、法规规定的其他方法。
各地可以根据本办法的有关规定,结合实际情况确定适用于本地区的评标办法.第四条经评审的最低投标价法、合理低价法、合理价随机确定中标人法,适用于具有通用技术、性能标准或者招标人对其技术、性能没有特殊要求的中、小型工程及一般住宅小区工程。
小型工程提倡采用合理价随机确定中标人法。
综合评估法适用于大型及以上工程或技术较为复杂的工程。
第五条本办法所称的大型工程、技术较为复杂的工程含义与附件一第三十九条相同。
小型工程是指施工单项合同估算价在1000万元以下的房屋建筑和市政基础设施总承包工程,单项合同估算价在400万元以下的装饰装修、安装、钢结构、幕墙工程,单项合同估算价在200万元以下的智能化、土石方、桩基、基坑支护、园林绿化等专业工程;介于大型工程和小型工程之间的为中型工程。
各省辖市建设行政主管部门可以根据当地实际,对上述小型和中型工程的规模进行适当调整。
第六条投标文件有下列情况之一的,属于重大偏差,视为未能对招标文件作出实质性响应,应当作为无效投标予以否决:1、投标文件中的投标函未加盖投标人的公章;2、投标文件中的投标函未加盖企业法定代表人(或企业法定代表人委托代理人)印章(或签字)的;3、如投标函加盖企业法定代表人委托代理人印章(或签字)的,企业法定代表人委托代理人没有合法、有效的委托书(原件)的;4、投标人资格条件不符合国家有关规定或招标文件要求的;5、投标人名称或组织结构与资格预审时不一致的;6、除在投标截止时间前经招标人书面同意外,项目负责人与资格预审时不一致的;7、组成联合体投标未提供联合体各方共同投标协议的;8、在同一招标项目中,联合体成员以自己名义单独投标或者参加其他联合体投标的;9、联合体成员与资格预审确定的结果不一致的;10、投标报价低于成本或者高于招标文件设定的最高投标限价的;11、同一投标人提交两个及以上不同的投标文件或者投标报价,但招标文件要求提交备选投标的除外;12、与招标文件规定的暂估价、暂列金额及甲供材料价格不一致的;13、与招标文件明确列出的不可竞争费用项目或费率或计算基础不一致的;14、与招标文件提供的工程量清单中的项目编码、项目名称、项目特征、计量单位、工程量不一致的;15、未按招标文件要求提供投标保证金的;16、投标文件载明的招标项目完成期限超过招标文件规定的期限的;17、明显不符合技术规范、技术标准的要求的;18、投标文件载明的货物包装方式、检验标准和方法等不符合招标文件的要求的;19、投标文件提出了不能满足招标文件要求或招标人不能接受的工程验收、计量、价款结算和支付办法的;20、未按招标文件要求提供电子投标文件,或者投标文件未能解密且按照招标文件明确的投标文件解密失败的补救方案补救不成功的;21、不同投标人的投标文件以及投标文件制作过程出现了评标委员会认为不应当雷同的情况的;22、以他人的名义投标、串通投标、以行贿手段谋取中标或者以其他弄虚作假方式投标的;23、不符合招标文件有关暗标的要求。
评标办法及评标细则1.前言评标办法是在公开招标和采购过程中,根据招标文件中的标评指标和标评要求,制定的一系列评标规则和评分方法的规定。
评标细则则是对评标办法中的各项规则和方法进行具体细化和详细阐述,以确保评标工作的公正、准确和规范。
2.评标办法的目的评标办法的目的是确保招标公司按照公开、公正、公平的原则,对投标方的投标文件进行综合和全面的评审,选择出最具优势和最适宜的中标方,以保证招标采购项目的质量和效益。
3.评标办法的基本原则(1)公开原则:评标过程要公开透明,确保所有投标方在同等的条件下进行竞争。
(2)公正原则:评标工作要做到公正无私,严禁任何形式的行贿、受贿和利益输送。
(3)公平原则:评标工作要平等对待所有投标方,不得歧视或偏袒任何一方。
(4)规范原则:评标工作要按照相关招标法律法规和招标文件的要求进行,确保评标结果的合法性和效力。
4.评标办法的内容(1)评标委员会的组建和职责:评标办法要明确评标委员会的成员组成及职责,确保评标委员会具有专业的知识和经验,能够对投标文件进行客观、全面的评审。
(2)评标过程的安排:评标办法要详细规定评标的时间、地点、程序和流程,确保评标过程的顺利进行。
(3)评标指标和评分方法的规定:评标办法要明确招标文件中的标评指标和标评要求,以及评分方法的计算公式和评分细则。
(5)结果公示和异议处理:评标办法要规定评标结果的公示程序和期限,并明确投标方提出异议的途径和处理程序。
5.评标细则的内容(1)标评指标的具体解释和要求:评标细则要对招标文件中的标评指标进行解释和要求,确保评标工作的准确性和一致性。
(2)评分方法的详细规定和示例:评标细则要具体规定评分方法的计算规则和细则,并提供示例来辅助评标人员的评分工作。
(3)评分标准的制定和解释:评标细则要制定明确的评分标准,并对标准进行解释,以帮助评标人员准确评分。
(4)评标程序的说明和要求:评标细则要详细说明评标的程序和要求,包括评标人员的角色和职责,评审材料的准备和审查等内容。
评标标准及办法评标标准及⽅法⼀、总则第⼀条编制依据招标⼈根据《中华⼈民共和国招标投标法》、《中华⼈民共和国政府采购法》、《政府采购货物和服务招标投标管理办法》(财政部第18号令)、《评标委员会和评标⽅法暂⾏规定》(七部委令第12号)、《⼯程建设项⽬施⼯招标投标办法》(七部委令第30号)、《评标专家和评标专家库管理暂⾏办法》(国家发展计划委员会令第29号)、《房屋建筑和市政基础设施⼯程施⼯招标投标管理办法》(建设部令第89号)等有关法律、法规及规章,结合本招标⼯程实际情况,制定本评标办法(以下简称“本办法”)。
第⼆条评标办法类型本办法属于综合评估法第三条适⽤范围本办法仅适⽤于政府采购货物、服务、⼯程。
第四条评标时间为保证评标⼯作的实施和质量,招标⼈和评标委员会应根据评标⼯作的实际需要安排⾜够的评标时间。
在递交投标⽂件的投标⼈数量多于七家时,评标时间不应少于两天。
第五条与招标⽂件的关系本办法是招标⽂件的组成部分。
第六条评标原则本招标⼯程评标委员会依法按下述原则进⾏评标。
1、公平、公正、科学和择优;2、依法评标、严格保密;3、反对不正当的竞争;4、定性的结论由评标委员会全体成员按少数服从多数的原则,以记名投票⽅式决定。
第七条监督招标⼈接受(有管辖权的政府采购招标投标⾏政监督机构)对本采购活动依法实施的监督。
⼆、评标程序第⼋条评标程序评标委员会按照下⾯的步骤进⾏评标:第⼀步:组建评标委员会,选举评标委员会主任,由评标委员会主任进⾏分⼯。
第⼆步:评标准备⼯作。
第三步:对投标⽂件进⾏基础性分析和整理⼯作。
第四步:投标⼈资格审查第五步:初步评审。
第六步:技术部分评审。
技术部分评审采取量化打分⽅式。
第七步:商务部分评审。
商务部分评审采取量化打分⽅式。
第⼋步:汇总技术部分和商务部分的评分结果,计算综合加权得分并按综合加权得分由⾼⾄低排出名次,推荐前三名作为中标候选⼈。
第九步:整理评审结果,编制评标报告并由评标委员会全体成员签字确认后向招标⼈递交评标报告。
中国人民解放军93605部队招标代理比选原则和标准
一、评标原则
评标委员会在评审时根据报价、各项服务因素对投标人的服务方案进行综合评价,包括但不限于以下各项因素:
(一)服务实施方案的合理性;
(二)服务质量保证措施和方案的合理性;
(三)燃气、热力相应服务经历和部队服务经历;
(四)本项目服务人员配备情况;
(五)财务状况和经营信誉;
(六)投标人提供的其它内容和条件;
(七)评标委员会认为有关本项目的评审因素。
二、评标标准
1
招标代理单位招标比选评分表
参评人员姓名:日期:
2
中国人民解放军93605部队工程招标代理单位评标统计
统计人员:统计时间:
参会人员签字:
3。
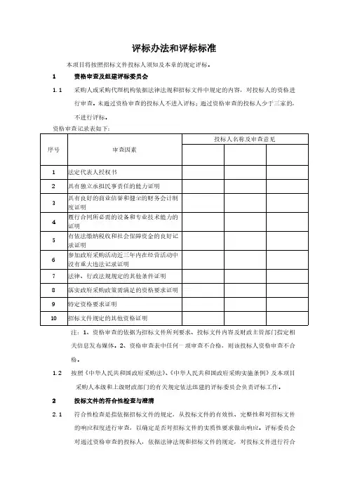
评标办法及实施细则
1.1总说明
1.1.1本次发出的招标文件中,评标办法(除投标人资格条件外)在招标文件正文的“第一部分招标正文”与“第二部分评标办法”中的表述不一致的,以前者中的表述为准。
澄清修改文件中,对评标办法(除投标人资格条件外)的修改在招标文件正文的“第一部分招标正文”与“第二部分评标办法”中的表述不一致的,以前者中的表述为准,前者中无修改内容表述的的即表示未进行修改。
1.1.2、电子投标文件中,以下信息必须选自苏州工业园区建设工程电子招投标平台企业诚信库,否则不作为评审依据。
(1)企业基本信息:营业执照、资质证书;
(2)总监信息:注册监理工程师证书;
(3)企业及总监业绩的中标通知书、监理合同协议书、总监变更备案官方证明、工程竣工验收证书及获奖情况;
特别说明:(1)上述信息的评审以从诚信库中选取的扫描件为准。
资格预审文件中的上述信息为文件生成时刻的诚信库信息,不会随之后诚信库的变化而变化。
请申请人及时更新完善诚信库的信息。
(2)诚信库中业绩信息及业绩获奖信息审核通过后会员无法删除,但可以进行补充,诚信库信息的审核详见《园区规划建设局关于调整园区电子招投标企业诚信库信息核验方式的通知》(苏园规【2015】39号)。
1.1.3电子投标文件中以下资料扫描件可以统一上传在“江苏省投标文件制作工具”中“其他材料”的“其他”分项内:
(1)投标人认为需要提供的其他证明材料。
1.1.4关于监理业绩的资料:
(1)监理业绩必须至少提供以下资料,否则该业绩不作为评审依据。
a中标通知书(招标的项目必须提供),此项为空的在评审时视为直接发包。
b合同协议书,特殊合同无明确协议书部分时必须提供合同中显示项目名称及内容、发承包方名称、合同金额、发承包方合同签定盖章页。
c工程竣工验收证书,指验收各方共同签署的单位工程竣工验收证明或单位工程质量竣工验收记录或专业工程质量验收记录等验收证明文件。
(2)总监在中标后(直接发包项目在合同备案后)变更应至工程所在地有关政府部门备案。
变更至工程所在地有关政府部门备案后该业绩投标时属于变更后的总监。
变更未至工程所在地有关政府部门备案的,该业绩投标时不作为任何项目总监的业绩认定。
未竣工项目,项目总监变更未至工程所在地有关政府部门备案的,视为未变更,原项目总监视为有在监项目。
总监发生变更的业绩必须提供变更已在工程所在地有关政府部门备案的官方证明,否则视为未至工程所在地有关政府部门备案。
1.2详细评审
(一)评审原则
投标人出现无效标条款中规定的情形之一的,其投标作无效标处理,不再进行经济标和技术标的评审。
本次评标采用综合评估法,评标委员会根据评分表中的评分标准对投标文件同时进行经济标和技术标的评审,取经济标和技术标的合计得分为本工程的最终得分。
(二)技术标
投标文件的监理方案得分取所有评委评分中分别去掉一个最高和最低评分后的平均值为最终得分。
除监理方案中缺少相应内容或重大偏差外的评审要点不得分外,投标文件的监理方案各项评审要点得分不应低于该评审要点满分的70%。
条款号最大值最小值评审因素评审标准
140监理方案-质量控制工程质量控制措施得力,有具体处理方法;
240监理方案-进度控制工程进度控制措施到位,能明确响应业主要求;
330监理方案-投资控制工程投资控制措施得力,能对施工中的问题和变更等提出相关的方法;
420监理方案-合同及信息管理
控制
工程合同管理、信息管理、资料管
理措施全面;
530监理方案-安全控制工程安全、文明施工控制措施,工程协调措施全面到位;
640监理方案-难点对本工程的技术难点有明确的处理方法、监理对策。
合计20
(三)经济标
1、监理人员各类证书、企业获奖证书、业绩证明材料均以扫描件为准。
2、相关人员的执业资格证书必须注册在本单位,否则不得分。
3、获奖情况:需提供工程获奖证书或建设网下载的文件等证明材料,时间以获奖证书或正式发文日期为准,当发证时间和发文时间不一致时,以发文时间为准;
4、评标过程中,评分的计算过程和计算结果均保留两位小数,小数点后的第三位四舍五入;
5、省辖市级市优有效期一年;省优有效期二年;国家级优质工程有效期三年,时间从获奖日期至投标截止日期。
6、近五年是指2012年9月1日以来。
(四)评标结果
中标候选人:经评标委员会评审的有效投标文件中,按最终得分由高到低进行排序,最终得分最高的投标人为第一中标候选人,得分第二的为第二中标候选人,得分第三的为第三中标候选人。
如出现最终得分相同影响排序,以投标报价较低的排序在前,如得分相同报价又相同,则以抽签方式确定排序。
如果有效投标文件数小于3家的,应当由评标委员会作出投标是否具有竞争性的判定,具有竞争性的,评标委员会根据评标办法的规定从有效投标人中推荐中标候选人,不具有竞争性的,评标委员会否决全部投标的。
(评标委员会应在评标报告中书面明确是否具有竞争性及原因)
评标委员会完成评标后,应当向招标人提交书面评标报告。