质量与密度实验单元测试卷(解析版)
- 格式:doc
- 大小:751.50 KB
- 文档页数:15
2016级B段质量与密度测试题班级__________ 姓名 __________ 分数____________一、选择题(2×10=20)1. 一瓶矿泉水放入冰箱结冰后,下列物理量不发生改变的是()A.质量 B.温度 C.状态 D.密度2. 在生产生活中,下列情况主要从密度的角度考虑的是()A.用塑料做炒锅的手柄 B.用塑料泡沫表演场景中倒塌的“墙壁”C.用水给发动机冷却 D.用铜丝做导线3.小明做“用托盘天平测物体质量”实验时,用已调节好的天平测量物体质量,发现指针静止时指在分度盘的中央刻度线左侧,要使天平平衡他接着应该()A.把横梁右端螺母向右旋出一些 B.把横梁右端螺母向左旋进一些C.把天平右盘的砝码减少一些 D.向右移动游码4.用托盘天平测物体质量前,调节横梁平衡时,发现指针在分度盘中线的左侧,这时应该()A.将游码向左移动 B.将右端平衡螺母向左旋进一些C.将游码向右移动 D.将右端平衡螺母向右旋出一些5.冬天,常看到室外的自来水管包了一层保温材料,是为了防止水管冻裂,水管被冻裂的主要原因是 ( )A.水管里的水结成冰后,体积变大B.水管里的水结成冰后,质量变大C.水管里的水结成冰后,密度变大D.水管本身耐寒冷程度不够而破裂6.关于密度,下列说法正确的是()A.密度与物体的质量成正比,与物体的体枳成反比B.密度是物质的特性,与物体的质量和体积无关C.密度与物体所处的状态无关D.密度与物体的温度无关=1.29kg•m-3)()7.估测教室空气的质量时,下列结果中最为合理的是(ρ空气A.2.5kg B.25kg C.250kg D.2500kg8.小翔在学习密度时写出了一些交流材料,其中不正确的是 ( )A.不同物质在相同状态下,密度大小一般是不相等的B.把某容器中的物质用去一部分后,剩余物质密度的大小都不会改变C.同种物质组成的实心物体在相同状态时,质量与其体积成正比D.质量相等的实心物体,体积较大的组成物质的密度较小9.晴朗的夜里,当我们仰望天空时,会觉得星光闪烁不定,这主要是因为( ) A.星星在运动 B.地球在绕太阳公转C.地球在自转; D.大气密度分布不均匀,星光经过大气层时,折射光的方向随大气密度的变化而变化10.学习质量和密度的知识后,小轲同学想用天平、烧杯、量筒和水完成下列实验课题:①测量牛奶的密度;②鉴别看上去像是纯金的戒指;③鉴别铜球是空心的还是实心的;④称出一堆大头针数目.你认为能够完成的实验是( )A.①②B.①②④C.①②③D.①②③④二、填空题(1×19=19)11.1cm3的冰熔化成水后,质量将___,体积将___.(两空均选填“变大”、“变小”、“不变”)=13.6×103kg/m3)12.一个瓶子能盛1 kg水,用这个瓶子能盛______kg水银。
质量和密度单元测试题(满分100分, 限时45分钟)一、选择题(每小题3分,共30分)1.下列关于质量的说法正确的是()A.物理课本从济南快递到桓台,质量是一样的B.橡皮泥捏成泥人后,质量变小了C.白糖热化抽丝制成棉花糖后,质量变大了D.1kg的棉花和1kg的铁块,铁块的质量大2.一架天平的砝码被磕掉一个角,若用此砝码测量物体的质量,结果将 ()A.偏大B.相等C.偏小D.无法判断3.以下是某同学测量木塞体积的实验,其中四个步骤中不需要的是 ()A.(1)B.(2)(4)C.(3)D.(1)(3)4.两物块的质量之比为3∶2,密度之比为2∶1,它们的体积之比为 ()A.1∶3B.3∶1C.3∶4D.4∶35.下列与密度有关的说法,正确的是()A.物体的质量越大,物体的密度就越大B.相同体积的不同物质,质量大的密度小C.不同物质的密度一般是不同的,可以利用密度鉴别物质D.同种物质密度一定相同,将一杯水冻成冰,密度保持不变6.把一个实心金属球放入盛满水的杯子中时,从杯中溢出10克水。
若将这个金属球放入盛满酒精的杯子中,则从杯中溢出酒精的质量 ()A.小于10克B.等于10克C.大于10克D.无法确定7.李华同学在实验室测量盐水的密度。
调节天平横梁平衡后开始测量,先用天平测出烧杯和杯内盐水的总质量为90 g,然后将一部分盐水倒入量筒,如图甲所示,接着用天平测量烧杯和剩余盐水的总质量,天平平衡时的情景如图乙所示。
根据实验数据,下列说法正确的是 ()A.量筒内盐水的体积为50 cm3B.烧杯内剩余盐水的质量为27 gC.量筒内盐水的质量为63 gD.盐水的密度为1.1×103 kg/m38.甲、乙两种物质的m-V 图像如图所示,根据图像判断正确的是 ()A.体积为40 cm3的乙物质的质量为10 gB.甲物质的密度是2.5 kg/m3C.质量相同的甲、乙两种物质,乙的体积是甲的2倍D.甲、乙两种物质的密度之比为1∶29.两种不同材料制成的大小相同的实心球甲、乙,在天平右盘中放入5个甲球,在左盘中放入4个乙球,这时天平刚好平衡,且游码在零刻度线处没有移动,则可知 ()A.甲球和乙球质量之比为5∶1B.甲球和乙球密度之比为4∶5C.甲球和乙球质量之比为5∶4D.甲球和乙球密度之比不确定10.如图所示是甲和乙两种液体的质量与体积的关系图像,分析图像可知 ()A.液体甲的密度大于液体乙的密度B.液体甲和液体乙的密度之比为4∶1C.若一个水瓶恰好能装5 kg的液体甲,则该水瓶中也能装5 kg的液体乙D.液体乙的密度和水的密度相同二、填空题(每空2分,共34分)11.把质量为5 kg的铝块压成铝饼,其质量;把它熔化成液态铝,其质量;把它铸成零件送到太空,其质量(前三空均选填“变大”“变小”或“不变”);把它割去一半,其质量为. kg。
密度单元测试题及答案【篇一:《质量与密度》单元测试题】t>时间:45分钟满分:100分一、选择题(每题3分,共45分)1. 一根铁棒,在下列情况下,它的质量会发生变化的是( )a.把铁棒加热到100 ℃b.把铁棒轧成一张铁片c.让宇航员把铁棒带上月球d.用锉刀对铁棒进行加工2. 不漏气的橡皮氢气球由地面上升过程中,体积增大。
下列关于球内气体的质量与密度的说法,正确的是()a.质量不变,密度增加 b.质量不变,密度减小c.质量增加,密度不变 d.质量减小,密度不变3. 在下列的动物中,质量可能是2kg的是()a.一只老母鸡b.一只老鼠c.一匹马d.一只麻雀4. 平时习惯讲铁比棉花重,从物理意义上讲是指铁的()a. 密度比棉花大b. 质量比棉花大c. 体积比棉花大d. 密度、质量都大d.对某种物质而言,物质的质量 m与物质的体积v的比值是定值6. 用天平测出一粒米的质量,可采用的方法是()a.先测出一百粒米的质量,再通过计算求得b.先测出一粒米和一块铁块的质量,再减去铁块的质量c.把一粒米放在天平盘中仔细认真地测量d.把一粒米放在天平盘中,反复多次测量,再求平均值7. 小明做“用托盘天平测物体质量”实验时,用已调节好的天平测量物体质量,发现指针静止时指在分度盘的中央刻度线左侧,要使天平平衡,他接着应该()a.把横梁右端螺母向右旋出一些b.把横梁右端螺母向左旋进一些 c.把天平右盘的砝码减少一些 d.向右移动游码8. 一个瓶子最多能装下500 g水,则这个瓶子能装下500 g的下列哪种物质()a.酱油b.酒精c.煤油d.汽油10. 在“用托盘天平称物体的质量”的实验中,下列操作错误的是()a.使用天平时,应将天平放在水平桌面上b.调节横梁平衡时,应先将游码移至称量标尺左端“0”刻度图1-1 线上c.称量时右盘应放置待称量的物体,左盘放置砝码d.观察到指针在正中刻度线或在做左右幅度相等的摆动,可认为天平横梁已平衡11.关于天平的使用,以下操作中有明显错误的是()图1-2a.水管里的水结成冰以后,密度变大b.水管本身耐寒程度不够而破裂c.水管里的水结成冰以后,质量变大d.由于冰的密度比水小,水管里的水结成冰以后体积变大14.小华同学在探究两种物质的质量跟体积的关系时,作出了如图1-3所示的图象.根据图象提供的信息,以下说法错误的是( )a.物质的质量跟体积的比值与质量有关b.物质的质量跟体积的比值与体积无关c.相同物质的质量跟体积的比值相同d.不同物质的质量跟体积的比值一般不同15.下表给出了在常温常压下一些物质的密度,阅读后请判断下面一些结论,其中正确的是( )图1-3a.固体的密度都比液体的大b.不同的物质,密度一定不同c.同种物质在不同状态下,其密度不同d.质量相等的实心铜块和实心铅块,铜块的体积比铅块小1、一瓶水喝掉一半后,剩下的半瓶水()a.质量减小,密度不变b.体积减小,密度变大c.体积不变,密度减小d.质量不变,密度减小2、图8是在探究甲、乙两种物质质量跟体积关系时作出的图像。
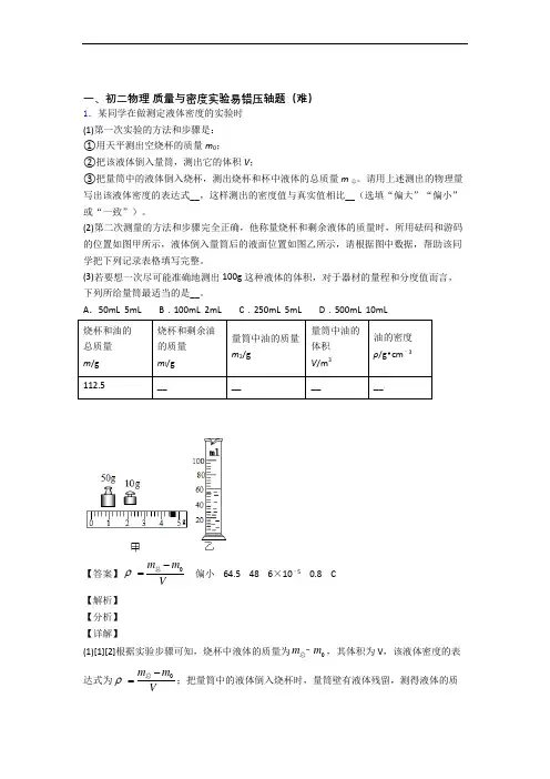
一、初二物理质量与密度实验易错压轴题(难)1.某同学在做测定液体密度的实验时(1)第一次实验的方法和步骤是:①用天平测出空烧杯的质量m0;②把该液体倒入量筒,测出它的体积V;③把量筒中的液体倒入烧杯,测出烧杯和杯中液体的总质量m总。
请用上述测出的物理量写出该液体密度的表达式__,这样测出的密度值与真实值相比__(选填“偏大”“偏小”或“一致”)。
(2)第二次测量的方法和步骤完全正确,他称量烧杯和剩余液体的质量时,所用砝码和游码的位置如图甲所示,液体倒入量筒后的液面位置如图乙所示,请根据图中数据,帮助该同学把下列记录表格填写完整。
(3)若要想一次尽可能准确地测出100g这种液体的体积,对于器材的量程和分度值而言,下列所给量筒最适当的是__。
A.50mL 5mL B.100mL 2mL C.250mL 5mL D.500mL 10mL烧杯和油的总质量m/g烧杯和剩余油的质量m l/g量筒中油的质量m2/g量筒中油的体积V/m3油的密度ρ/g•cm﹣3112.5________【答案】0m mVρ-=总偏小 64.5 48 6×10﹣5 0.8 C【解析】【分析】【详解】(1)[1][2]根据实验步骤可知,烧杯中液体的质量为0m m总﹣,其体积为V,该液体密度的表达式为0m mVρ-=总;把量筒中的液体倒入烧杯时,量筒壁有液体残留,测得液体的质量偏小,由mVρ=可知,这样测出液体的密度与真实值相比偏小。
(2)[3]第二次测量时,由图甲可知,烧杯和剩余液体的质量为150g+10g+4.5g 64.5g m ==量筒中液体的质量为21112.5g 64.5g 48g m m m 总=﹣=﹣=由图乙可知,量筒中液体的体积为35360ml 60cm 610m V -⨯倒===所以,液体的密度32348g ==0.8g/cm 60cm m V ρ=倒 (3)[4][5][6]100g 这种液体的体积''33100g =125cm =125ml 0.8g/cmm V ρ==A 和B 中量筒的量程小于125ml ,故A 、B 量筒不合适;C 和D 中量筒量程都大于125ml ,但是C 量筒的分度值小,准确度高,故应选C 量筒。
2022-2023学年人教版八年级物理第六章质量与密度单元测试(含答案)时间:45 总分:80一、填空题(每空1分,共21分)1.请在下列数字后面填上合适的单位:(1)一个鸡蛋的质量大约是50_ _;(2)中学生的质量大约是50 ;(3)一辆坦克的质量大约是20 ;2.野战部队携带的压缩饼干与普通饼干相比,好处在于质量相等的情况下,它的密度,体积.(选填“较大”、或“较小”)3.小东买了一瓶矿泉水,喝去了一半后,剩余的矿泉水的密度______(选填“变大”“变小”或“不变”)。
水的密度是1.0×103 kg/m3,表示的物理意义是________________。
4、两个同种材料制成的实心球,它们的体积之比为4∶1;则它们的质量之比为,密度之比是。
5.一个钢瓶内装有密度为6kg/m3的氧气,某次电焊中用去了其中质量的1/3,则钢瓶内剩余氧气的密度为kg/m3;一瓶食用油密度为0.8×103kg/m3,用掉了质量的1/3,剩余食用油的密度为kg/m3.有个体积为500cm3铁球,其质量为1500g,这个铁球是的(选填“空心”或“实心”)(ρ铁=7.9×103kg/m3)6.在测量盐水密度的实验中,将烧杯中质量为63g的盐水全部倒入量筒中,如图所示,盐水的体积是cm3,则盐水的密度是g/cm3,采用这种方法测量的盐水密度将(选填“偏大”或“偏小”),原因是。
7.如图所示为水的密度在0℃~10℃范围内随温度变化的曲线,根据图像可知,温度等于______℃时,水的密度最大,此时水分子间的平均距离______(选填“最大”或“最小”),只有当水的温度在______(选填“高于”或“低于”)4℃的范围内,水才像一般物质那样具有热胀冷缩的性质。
6题 7题 8题8、用量筒装某种液体,测得的体积为V,液体与量简的总质量为m。
改变液体的体积,重复上述实验,得到了一系列V与m对应值,在m-V图象上描述如图所示,则量简的质量为______g,液体的密度为______kg/m3,当液体的体积为50cm3时总质量为______g。
一、选择题1.某同学用托盘天平和量筒测量一小石块的密度,图甲是调节天平横梁平衡时的情形,图乙和图丙分别是测量石块质量和体积时的情形,下列说法正确的是的是( )A .图甲应将平衡螺母向左调,使横梁平衡B .图乙中测石块质量时,天平的示数是17.4gC .图丙量筒的示数测得石块的体积是340cmD .利用图中信息,可计算出石块的密度是331.7210kg /m ⨯ D 解析:DA .根据图甲,指针指在分度盘左侧,所以应该向右调节平衡螺母使天平平衡,故A 错误;B .根据乙图可知,石块的质量为15g 2.2g 17.2g m =+=故B 错误;C .图丙量筒的示数测得石块的体积为340mL -30mL 10mL 10cm V ===故C 错误 D .石块的密度为333317.2g 1.72g/cm 1.7210kg/m 10cm m V ρ====⨯ 故D 正确。
故选D 。
2.甲、乙两物体,其质量m 甲、m 乙之比为2∶3,体积V 甲、V 乙之比为4∶3。
则它们的密度之比ρ甲∶ρ乙为( )A .1∶2B .2∶1C .8∶9D .9∶8A解析:Am 甲、m 乙之比为2∶3,体积V 甲、V 乙之比为4∶3,它们的密度之比231=432m m V V ρρ==⨯甲乙甲乙甲乙::故A 符合题意,BCD 不符合题意。
故选A 。
3.一个空瓶装满水时的总质量为350g ,装满酒精时的总质量是300g ,(ρ水=1.0×103kg/ m 3,ρ酒精=0.8×103kg/ m 3),则该瓶的质量是( ) A .50g B .100gC .150gD .200g B解析:B分别装满水与酒精时,水与酒精的体积等于瓶子的容积,可得方程333300g g 1g/050cm .8g/cm m m-=- 解得m =100g ,故ACD 不符合题意,B 符合题意。
故选B 。
4.学习完质量和密度的知识后,小明同学想用天平、量筒(满足实验需求)和水完成下列实验,其中不能够完成的是(已知金、铜的密度)( ) A .辨别金项链的真伪 B .测定一卷铜导线的长度 C .鉴定小铜球是空心还是实心 D .粗略测定一大堆大头针的数目B解析:BA .用天平、量筒可以测出金项链的密度,可以辨别金项链的真伪,故A 不符合题意;B .用天平、量筒无法测量长度,故B 符合题意;C .用天平、量筒可以测出小铜球的密度,鉴定小铜球是空心还是实心,故C 不符合题意;D .用天平测出20枚大头针的质量,再测出全部大头针的质量,可以粗略测定一大堆大头针的数目,故D 不符合题意。
第五章质量与密度单元测试一.选择题1.关于1千克水和1千克冰,下列说法正确的是()A.1千克水的质量大于1千克冰的质量B.1千克水的质量小于1千克冰的质量C.1千克水的质量等于1千克冰的质量D.以上说法都不正确2.一个金属配件被航天员从地球带到太空实验室中,与在球上相比,这个配件的质量()A.不变B.变大C.变小D.不存在了3.在实验室中,常用来测量液体体积的仪器是量筒,如图所示,使用方法正确的是()A.甲B.乙C.丙D.都可以4.用天平称一枚大头针的质量,下列方法中正确的是()A.把一枚大头针放在天平上仔细称量B.先称出200枚大头针的质量,再通过计算求得C.把一枚大头针放在天平上多次称量,再求平均值D.把一枚大头针放在一个杯子里,称出其总质量,再减去杯子的质量5.甲、乙两个实心物体(均为正方体)放在横梁已平衡的天平上,指针刚好指在分度盘的中间位置,如图所示,则()A.甲物体的质量较大B.两物体的质量相等C.乙物体的密度较大D.两物体的密度相等6.只测一次,要求较准确的测出90cm3的酒精,请你在下列四种规格的量筒中,选出适当的量筒()A.量程是100mL,分度值是1mLB.量程是200mL,分度值是2mLC.量程是50mL,分度值是1mLD.量程是50mL,分度值是2mL7.小明家的水龙头因关不紧而滴水不止,小明想要测量每滴水的质量,下列方法简单可行的是()A.用托盘接1滴水,多次测量取平均值B.用托盘接100滴水,测其质量为m,则每滴水的质量为C.用天平测出烧杯的质量m0,再用烧杯接1滴水测总质量m1,则每滴水的质量为(m1﹣m0)D.用天平测出烧杯的质量m0,再用烧杯接100滴水测总质量m1,则每滴水的质量为8.2019年5月12日零时国内油价迎来年内最大幅度的下调,其中92号汽油每吨降低250元,意味着92号汽油每升将下降0.2元,据此测算92号汽油的密度是()A.1.25×103kg/m3B.0.8×103kg/m3C.0.75×103kg/m3D.0.72×103kg/m39.把一金属块浸没在盛满酒精的杯子中,从杯中溢出16g的酒精,若将该金属块浸没在盛满水的杯子中,从杯中溢出水的质量是(ρ酒=0.8×103kg/m3)()A.8g B.16g C.20g D.22g10.由甲、乙两种物质分别制成体积相等的甲、乙两种实心球,按照如图所示方式摆放在已调节平衡的天平左右盘内,天平仍平衡。
2022-2023学年人教版八年物理第六章质量与密度单元测试(含答案)时间:45分钟总分:80分一.选择题(每小题3分,共30分)1.一杯水,喝掉一半,剩余的半杯水( )A.因为质量减半,所以密度减半B.因为体积减半,所以密度减半C.它的质量、体积、密度都减半D.虽然质量和体积减半,但密度不变2.下列情况中,铁块的质量发生变化的是( )A.铁块磨掉一个角18.用托盘天平测量物体的质量时,将被测物体和砝码放反了,若天平平衡时,左盘放着50g一个和10g的砝码一个,游码所在位置读数为2.8g,则物体的质量为()A.57.2g B.62.8g C.60g D.2.8g 3.测量是科学研究的基础和前提,测量的真实性和精确程度直接决定了研究的成败。
在下列关于测量的几种说法中,选出你认为最优的一项()A.测量前要观察测量工具的量程,以选择合适的测量工具B.测量前要观察测量工具的分度值,以满足测量精度的要求C.测量前要观察零刻度,以确定是否有零误差D.测量前上述三种做法都是必要的4.上体育课时,体育老师发现同学们要用的篮球差气,于是他用打气筒给篮球打气,当篮球变圆后,仍继续给它打气,则篮球内气体的质量、体积、密度的变化过程是()A.质量增大,体积增大,密度增大B.质量增大,体积不变,密度增大C.质量增大,体积增大,密度不变D.无法判断5.有三个完全相同的杯子装满了水,将质量相同的实心铜球、铁球和铝球分别放入三个杯子中,使水溢出质量最多的是(已知ρ铜>ρ铁>ρ铝)()A. 铝球B. 铁球C. 铜球D. 不6.由铜、铁、铝制成的质量和体积都相等的三个空心球,空心体积最大的是(已知ρ铜>ρ铁>ρ铝)()A.铜球B.铝球C.铁球D.无法判断7.用托盘天平测量物体的质量时,将被测物体和砝码放反了,若天平平衡时,左盘放着50g 一个和10g的砝码一个,游码所在位置读数为2.8g,则物体的质量为()A.57.2g B.62.8g C.60g D.2.8g8.通过实验,得到了a、b、c三个实心体的m-V图象如图,分析图象可知()A. a物质的密度最小B. b物质的密度是c的两倍C. a物质的密度是c的三倍D. b物质的密度是1.2×103kg/m39、在测量液体密度的实验中,小明利用天平和量杯测量出液体和量杯的总质量m及液体的体积 V,得到几组数据并绘出如图所示的m-V图像,下列说法正确的是( )A. 量杯质量为 40gB. 40cm3的该液体质量为40gC. 该液体密度为 1.25g/cm3D. 该液体密度为 2g/ cm310.为了测一瓶油的质量,某同学采用了如下步骤:(1)移动平衡螺母使横梁平衡;(2)瓶内倒入油后,称得油和瓶的总质量;(3)瓶放左盘,称得瓶的质量;(4)将天平整理好;(5)将天平置于水平台上;(6)将游码置于左端零刻度线处。
《第6章质量和密度》单元测试卷一、填空题1.用实验测定固体物质的密度,必须先测出它的 ,然后再测出它的 ,最后用公式 求出它的密度.2.小明手中有一瓶标示600ml的矿泉水,请你计算这瓶水的质量为 ,若将其放入冰箱内冻成冰,质量 (填“变大”、“变小”或“不变”),体积 (填“变大”、“变小”或“不变”),小明联想到冬天自来水管经常被冻裂的原因是 .3.某瓶氧气的密度是5kg/m3,给人供氧用去了氧气质量的一半,则瓶内剩余氧气的密度是 ;容积是10L的瓶子装满了煤油,已知煤油的密度是0.8×103kg/m3,则瓶内煤油的质量是 ,将煤油倒去4kg后,瓶内剩余煤油的密度是 .4.某研究人员为了探究冰和水的体积与温度的关系,在一定的环境下将1g的冰加热,分别记录其温度和体积,得到了如图所示的图象.请你观察此图象回答下列问题:(1)冰从﹣4℃上升到0℃时体积将 ,密度将 .(2)水从0℃上升到4℃时体积将 ,密度将 .(3)冬天,当河面结冰时,与冰接触的河水温度是 ℃,较深河底的水温是 ℃.5.如图所示,点燃蜡烛会使它上方的扇叶旋转起来.这是因为蜡烛的火焰使附近空气的温度升高,体积膨胀,空气的密度变 ,所以热空气 (填“上升”或“下降”)形成气流,气流流过扇叶时,带动扇叶转起来.6.某同学在探究“物体的质量跟体积的关系”的实验中,(1)他将托盘天平放在水平桌面上,把游码移到标尺左端的“0”刻度线处,观察指针的指示情况如图1所示,此时应进行的操作是 ;(2)天平横梁调平衡后,在称物体的质量时,他在天平右盘中加、减砝码后,指针的指示情况如图2所示这时他应进行的操作是 .7.为了测量玻璃杯中盐水的质量,某同学的实验步骤如下.正确的实验步骤依次为 (写字母).A.用天平测出玻璃杯和盐水的总质量;B.用天平测空的玻璃杯的质量;C.调节天平横梁平衡;D.把天平放在水平桌面上;E.算出杯中盐水的质量;F.把盐水倒入空的玻璃杯中.8.(1)用天平和水测定一个空玻璃瓶容积的实验如下:A、用天平称量装满水的瓶和水的总质量为300g;B、用天平称量空瓶的质量为100g;C、利用水的密度,求出瓶的容积;D、调节天平横梁两端的平衡螺母,使天平平衡;E、把天平放在水平桌面上,并且 .请将步骤E中所缺少的内容补充完整.将以上各项的英文字母代号按实验的合理顺序填写在横线上 .(2)用上面的空玻璃瓶测量某种液体的密度时,在玻璃瓶内装满该液体,用天平称得该液体和瓶总质量为340g.这种液体的密度是 kg/m3.二、选择题9.下列现象中质量发生变化的是( )A.铁水凝固成铁块B.机器从北京运到海南C.正在黑板上写字的粉笔D.将铁丝通过拉伸机拉长10.关于物体的质量,下列说法中不正确的是( )A.登月舱从地球到月球,质量变小B.一杯水结成冰后,体积增大,质量不变C.玻璃杯打碎后,形状发生了变化,质量不变D.1kg铁与1kg棉花质量一样大11.今年3月以来,发源于墨西哥的H1N1流感病毒迅速向全球蔓延.徐闻中学学校食堂为了确保师生健康,坚持把师生用过的餐具进行高温蒸煮消毒.从把餐具放进冷水直至加热到水沸腾的过程中,关于餐具的下列相关物理量肯定没变的是( )A.温度B.体积C.质量D.密度12.一包方便面的质量大约是( )A.100mg B.100g C.1kg D.1g13.下列物体中,质量为0.2kg的可能是( )A.一头大象B.一只苹果C.一台电视机D.一只蚂蚁14.称65g物体的质量,顺次放入盘中的砝码是( )A.60g 5g B.40g 20g 5g C.50g 10g 5g D.30g 30g 5g15.宇宙飞船进入预定轨道并关闭发动机后,在太空运行,在这艘飞船中用天平测物体质量,结果是( )A.和在地球上测得的质量一样大B.测不出物体的质量C.比在地球上测得的小D.比在地球上测得的大16.用托盘天平测量物体的质量,测量过程中向右移动游码的作用相当于( )A.向左调节平衡螺母B.向右调节平衡螺母C.往右盘中增加砝码D.往右盘中减少砝码17.李明同学在用天平称一金属块质量.他在调节天平横梁平衡时,游码位于标尺的O.4g的位置上,这样的测量结果为137.8g,那么这一金属块的真实质量为( )A.137.8g B.137.4g C.138.2g D.无法确定18.我们在古代攻城的影片中经常见到守城的士兵用滚木和石块将攻城的敌人打下城墙,为了保护演员的人身安全,道具师在准备滚木和石块时需要使用的替代材料是( )A.石材B.铝合金C.泡沫塑料D.木材19.下列说法中的物体,质量和密度都不变的是( )A.被“神七”从地面带入太空的照相机B.密闭容器内的冰熔化成水C.一支粉笔被老师用去一半D.矿泉水喝掉一半后放入冰箱冻成冰20.气体是很容易被压缩的,一定质量的气体封存在一个大注射器中,注射器的小孔被橡皮帽堵住,当用手向内压缩活塞时(如图所示),封存在注射器内的气体体积被压缩,它的密度( )A.增大B.减小C.不变D.不确定21.常温下一钢球恰好可以从一圆套通过,将钢球加热后,钢球不能从圆套通过.对此物理现象,下列判断中正确的是( )A.钢球质量变大B.钢球密度变大C.钢球体积变小D.钢球密度变小22.天平是精密的测量仪器,砝码也是十分精密的,如果生锈(质量会增大)或缺损(质量会减小)了就不能再用,会影响测量的准确性,如果砝码生锈或缺损,我们还用它进行测量,那么( )A.如果砝码生锈,砝码质量变大了,因此物体质量的测量值将大于真实值B.如果砝码生锈,砝码质量变大了,因此物体质量的测量值将小于真实值C.如果缺损,砝码质量变小了,因此物体质量的测量值将大于真实值D.如果缺损,砝码质量变小了,因此物体质量的测量值将小于真实值23.实验室有下列四种量筒,分别标有最大刻度值和最小刻度值,要一次较准确量出l00g密度为0.8×103kg/m3的酒精,则选用的量筒应该是( )A.500mL、10mL B.100mL、2mL C.250mL、5mLD.50mL、2mL 24.一支蜡烛燃烧一段时间后剩下半支,则( )A.质量减半,密度减半B.体积减半,密度加倍C.质量减半,密度不变D.质量、体积、密度都减半25.关于密度的概念下列说法正确的是( )A.同一种物质它的密度跟其质量成正比,跟其体积成反比B.把一铁块压成铁片,它们的密度就小了C.质量相等的两种物质,密度大的体积也大D.一种固体和一种液体,它们的质量相等,体积相等,则它们的密度也相等26.小星发现铜制的钥匙比铝制的重,于是他认为“铜和铁这两种材料相比,铜比铝重”.小星所说的“铜比铝重”其实是指( )A.铜的体积比铝大B.铜的密度比铝大C.铜的硬度比铝大D.铜的质量比铝大27.水银温度计中封闭着一定量的水银,在用这种温度计测量温度的过程中,水银发生热胀冷缩,下列说法正确的是( )A.温度计中水银的质量不变B.温度计中水银的体积不变C.温度计中水银的密度不变D.温度计中水银的温度不变28.关于对密度公式的理解,下列说法正确的是( )A.某种物质的密度与质量成正比B.某种物质的密度与体积反比C.单位体积的某种物质的质量越大,密度就越大D.单位质量的某种物质的体积越大,密度就越大29.在平整地面上有一层厚度均匀的积雪,小明用力向下踩,形成了一个下凹的脚印,如图所示.脚印下的雪由于受外力挤压可近似看成冰层,利用冰的密度,只要测量下列哪组物理量,就可以估测出积雪的密度?( )A.积雪的厚度和脚印的深度B.积雪的厚度和脚印的面积C.冰层的厚度和脚印的面积D.脚印的深度和脚印的面积30.(3分)在实验中常借助“悬锤法”测定蜡块的密度,用天平测出蜡块的质量为m,用量筒测定蜡块的体积如图所示,则蜡块的密度表达式为( )A.B.C.D.3、解答题31.在“探究物质的密度”的实验中,如图1所示是我们实验用的天平,砝码盒中配备的砝码有100g、50g、20g、10g、5g等.请填写下列空格:(1)调节天平时应将 移至零刻度处,然后调节 ,使天平横梁平衡.(2)小王同学进行了下列实验操作:A.将烧杯中盐水的一部分倒入量筒,测出这部分盐水的体积V;B.用天平测出烧杯的质量m l;C.将量筒中盐水倒入烧杯中,测出烧杯和盐水的总质量m2;这一方案中,物理量 的测量值误差较大,使得ρ盐水的值偏 (选填“大”或“小”).为了减小误差,在以上操作顺序不变基础上,增加步骤是: .(3)小王测量烧杯和盐水的总质量m l时,估计盐水和烧杯的总质量在150g左右.试加砝码时,应用镊子夹取100g、50g砝码各1个放入右盘中,若指针右偏,则应取下 g砝码,试加上其它砝码,同时调节游码.(4)图2是小李同学在实验操作过程中的情况.他的错误是: .32.泉州盛产花岗岩,小明用天平和量筒测花岗岩的密度,取一小石块作样品.(1)测小石块的质量.将天平放在水平桌面上,调好天平.将小石块放在天平的 盘.天平平衡时砝码的质量、游码在标尺上的位置如图所示,小石块的质量为 g.(2)测小石块的体积.将小石块缓缓地放入装有45cm3水的量筒,水面升高到如图所示,小石块的体积为 cm3.(3)计算花岗岩的密度ρ= g/cm3= kg/m3.(4)若将步骤(1)、(2)顺序对调,则测量的结果将 .(填“偏大”、“不变”或“偏小”)原因是 .33.小明用天平、大杯、小杯和密度为ρ的水测一石块密度.(1)天平平衡时如图1所示,石块的质量m= .(2)小明测量石块体积的操作步骤如下:a.测出空小杯的质量m1b.把装了水的大杯和空的小杯如图2放置c.把石块缓缓放入大杯中,大杯中部分水溢进小杯d.测出承接了溢出水的小杯总质量m2请你指出步骤b的错误之处: .(3)用本题中出现过的物理量符号表示石块体积为 ;石块密度为 __________________(设步骤b中的错误已改正).34.为确定某种未知液体的“身份”,物理老师把这个任务交给了小明的实验小组,他们利用天平和量筒进行了多次测量.某次的操作如下:(1)用天平测量液体的质量.当天平平衡时,放在右盘中的砝码大小和游码的位置如图甲所示,则称得烧杯和液体的质量m为 g.(2)用量筒测量液体的体积.将烧杯中的液体全部倒入量筒中,液面达到的位置如图乙所示,则该液体的体积V mL.尽管体积测量方法正确,但大家在对实验过程及结果进行评估时,发现液体的体积测量值比它的实际值要 (选填“偏大”或“偏小”).(3)他们对测量方法进行修正后,测出了几组实验数据,并根据测量结果作出了“m﹣V”图象,如图丙所示.由图象可知该液体的密度为 g/cm3.35.小明利用两个相同圆筒形玻璃杯、天平(无砝码)、水、刻度尺、胶头滴管等器材测定食用油的密度.(1)请将他的实验步骤补充完整:①如图,将托盘天平放在水平台上,将游码移到标尺的 (选填“A”或“B”)端,调节天平两端的平衡螺母,使天平平衡;②将装有适量食用油和水的玻璃杯分别放在天平的左右盘中,用胶头滴管增、减杯中水的多少,使天平 ;③取下两只玻璃杯,用刻度尺分别测出两杯中水和油的高度h1、h2;则食用油的密度ρ= (水的密度为ρ水).(2)小明认为两个圆筒形玻璃杯质量不完全相同会造成实验误差.请你也提出一项可能引起实验误差的原因: .36.小明用天平、量筒和水(ρ水=1.0g/cm3)等器材测干燥软木塞(具有吸水性)的密度时,进行了下列操作:①用调好的天平测出软木塞的质量m1;②将适量的水倒入量筒中,读出水面对应的示数V1;③用细铁丝将软木塞浸没再装有水的量筒中,过段时间后,读出水面对应的示数V2;④将软木塞从量筒中取出,直接用调好的天平测出其质量m2.(1)指出小明操作中的不规范之处: .(2)如表中是小明实验中没有填写完整的数据记录表格.请根据图中天平和量筒的读数将表格中的数据填写完整.物理量m 1/g V 1/cm 3V 2/cm 3m 2/g干燥软木塞的密度ρ木/g•cm ﹣3测量值6370(3)对具有吸水性物质的体积测量提出一种改进方法. .37.在“探究物质质量与体积的关系”实验中,某小组同学分别用甲、乙两种不同的固态物质做实验,且甲、乙都是长方体形状.实验时,他们用刻度尺和天平分别测出它们的体积和质量,记录数据如表一、表二所示.表一 甲物质(固态)表二 乙物质(固态)(1)分析表中甲乙两种液体的质量与体积的比值关系,可归纳出的结论是 .(2)同种物质,它们的质量与体积成 比,其比值是 的,不同物质的物体质量与体积的比值一般是 的.可见构成物体的物质的质量与它的体积的比值反映了物质的 ,物理学中用 表示物质的这种 .(3)根据这些数据绘出图象,如下四幅图象中,能正确表示甲“质量与体积的关系”的图象是 ,能正确表示甲“密度与质量的关系”的图象是 .38.一个瓶子的质量为20g ,装满水时,用天平测得总质量为120g ,若用这个瓶子装密度为1.8×103kg/m 3的硫酸最多可装多少千克?实验序号质量(克)体积(厘米3)19102182032730实验序号质量(克)体积(厘米3)4 1110522206333039.体积为10cm3的铜球.其质量为44.5g,试判断这个铜球是空心的还是实心的?(铜的密度是8.9×103kg/m3)如果在空心部分注满水后,总质量为多少? 40、一水桶内结满了冰,且冰面正好与桶口相平,此时桶与冰的总质量是22kg,当冰全部熔化为水后,需要向桶内倒入2L水,水面才正好与桶口相平,试求桶的容积及桶的质量。
第6章质量与密度单元测试一.选择题1.一块铜块的质量会发生变化的情况的是()A.将它熔化成铜水B.从地球运到月球C.把它轧成薄铜片D.磨掉铜块一个角2.用托盘天平称量物体质量时,将被称量的物体和砝码放错了位置。
若天平平衡时,左盘放有100g和10g的砝码各一个,游码所对的刻度值是2g,则物体的质量为()A.104g B.112g C.108g D.110g3.小明对托盘天平进行称量前的调节,当他把游码放在零刻度线后,指针状态指向分度盘的左侧,下列做法中合理的是()A.旋转横梁左端,螺母向左移B.旋转横梁左、右端,螺母向右移C.旋转横梁右端,螺母向左移D.往右盘内添加小砝码4.用天平称一枚大头针的质量,下列方法中正确的是()A.把一枚大头针放在天平上仔细称量B.先称出200枚大头针的质量,再通过计算求得C.把一枚大头针放在天平上多次称量,再求平均值D.把一枚大头针放在一个杯子里,称出其总质量,再减去杯子的质量5.将某种液体倒出一半,下列说法正确的是()A.体积减小为原来的一半,密度也减小为原来的一半B.质量减小为原来的一半,密度为减小为原来的一半C.体积、质量均减小为原来的一半,密度不变D.以上说法都不对6.甲、乙两个物体的密度之比是3:5,体积之比是2:3,则甲、乙两物体的质量之比是()A.9:10B.2:5C.10:9D.5:27.下列关于密度的说法中,正确的是()A.物质的密度跟物质的质量成正比B.物质的密度跟物质的体积成反比C.物质的密度跟物质的质量成正比,跟物质的体积成反比D.物质的密度不随物质的质量和体积的改变而改变8.小红同学根据下表所提供的几种物质的密度(常温常压下),得出以下四个结论,其中错误的是()物质密度/kg•m﹣3物质密度/kg•m﹣3水 1.0×103冰0.9×103酒精0.8×103铝 2.7×103水银13.6×103铜8.9×103A.从表格中可以读出铜的密度是8.9×103B.体积相同的实心铝块和冰块,铝块质量是冰块的3倍C.把200g酒精倒掉100g,剩下酒精的密度不变D.同质量铜、铝两种金属的实心立方体,铝的体积较大9.小明想测出家中消毒用的酒精的密度。
第六章质量与密度章末测试卷一、单选题1.下列物体的质量最接近50kg的是()A.一枚硬币B.一个鸡蛋C.一名中学生D.一支铅笔2.下列关于质量的说法,正确的是()A.把铁块轧成薄铁片,质量变小B.冰箱里的一瓶矿泉水结冰,质量变小C.把物理课本放在平邑和放在北京的质量是一样的D.“神舟十三号”载人飞船从地球到空间站升空后,飞船内物资的质量变小3.关于托盘天平的使用方法,下列说法中正确的是()A.调节横梁平衡时,指针指在分度盘左边,应向左调节平衡螺母B.在称物体质量前,应先估测被测物体的质量,以免超过量程C.称量时,被测物体放在右盘,砝码放在左盘D.称量时,向砝码盘中加砝码的顺序是由小到大4.在“用托盘天平称物体的质量”的实验中,下列操作中不正确的是A.调节天平横梁平衡时,应先将游码移至标尺左端的“0”刻度线上B.判断天平横梁是否平衡时,不一定要等指针完全静止下来C.称量时,发现指针偏左,应将左侧的平衡螺母向右调,右侧的平衡螺母向左调D.潮湿物体或化学药品都不能直接放在托盘中5.物理知识与生活联系非常紧密,下列关于密度的一些说法正确的是()A.1kg的水和1kg的冰的密度相同B.可以利用密度来鉴别物质,因为不同物质的密度一定不同C.为减轻质量,航空器材常采用强度高、密度大的合金或新型合成材料D.发生火灾时,受困人员常采取弯腰甚至爬行的姿势撤离,是因为含有有害物质的空气温度较高,密度较小,大量聚集在房间的上方6.关于质量、密度,下列说法正确的是()A.同种物质随着温度降低,密度会增大B.质量是指物体所含物质的多少C.固体的密度一定大于液体、气体的密度D.物体的质量随着它的形状、状态和位置的改变而改变7.如图所示是甲和乙两种物质的质量与体积关系图象,下列说法正确的是()A.甲物质的密度随体积增大而增大B.当甲和乙两物质的质量相同时,乙物质的体积较大C.甲、乙两种物质的密度之比是4:1D.体积为5cm3的乙物质,质量为10g8.李华同学在实验室测量盐水的密度。
2022-2023学年人教版八年物理第六章质量与密度单元测试(含答案)一.选择题1.关于质量和密度,下列说法正确的是( )A.物体质量的大小与地理位置无关B.同种物质组成的物体,体积大的密度小C.冰熔化成水,密度变小D.物质的密度与质量成正比2.小强同学用已调节好的托盘天平测量物体的质量,他将物体放入天平,通过增、减砝码后,发现指针指在分度盘中央刻度线的左边一点,这时他应该()A.把横梁右端平衡螺母向左调B.把横梁右端平衡螺母向右调C.把天平右盘的砝码减少一些D.向右移动游码3.如图甲所示,桌面上放有三个相同的烧杯,分别装有质量相同的三种液体a、b、c,它们的质量与体积的关系如图乙所示,三个杯子从左至右依次装的液体种类是()A.b、c、aB.a、c、bC.a、b 、c、D.c、b、aC3题 4题 5题4.如图所示,甲、乙两支完全相同的试管,分别装有质量相等的液体,两试管液面相平。
已知甲、乙试管中的液体密度分别为ρ甲、ρ乙,下列判断中正确的是()A.ρ甲<ρ乙B.ρ甲=ρ乙C.ρ甲>ρ乙D.无法判断密度5. 甲、乙两种物体的质量和体积的关系图像如图所示,则甲、乙两物体的密度之比是( )A.8∶1B.4∶3C.4∶1D.2∶16. 有空心的铜球、铁球、铝球各一个,体积和质量都相同,这三个球空心部分体积最大的是()A.铜球 B.铁球C.铝球D.无法确定7.关于密度的概念,下列说法中正确的是()A.将一杯水倒掉一半,水的密度变为原先的一半B.同种物质密度一定相同,不同种物质密度一定不同C.密度大的物体,其质量不一定大D.由密度公式mVρ=可知,密度与质量成正比,与体积成反比8.小萱同学在做测量小石块密度实验中,下列操作正确的是()A.水平台上的托盘天平已经调节好,搬到另一地方直接使用B.在称量小石块的质量过程中,发现指针偏左,她向右调节平衡螺母C.先在量筒中倒入适量的水,再直接将小石块投入到量筒内D.她觉得如果先量体积,再称质量,会使测量的密度偏大9.判定一颗行星能不能成为“第二个地球”,不但要弄清楚其大小和轨道与地球像不像,它的密度与地球是否相近也很重要。
人教新版八年级上册《第6章质量与密度》2022年单元测试卷(1)一、单选题(本大题共15小题,共60分)1.(4分)太空授课时,王亚平用冬奥会吉祥物“冰墩墩”做演示,冰墩墩从地面被带到太空,它的质量()A. 比在地面时大B. 和在地面时相同C. 比在地面时小D. 变为零2.(4分)关于密度,下列说法中正确的是()A. 氧气瓶内的氧气用掉一半后氧气的密度不变B. 一瓶纯净水喝掉一半,剩余水的密度也变成原来的一半C. 由密度公式可知,密度与物体的质量成正比,与物体的体积成反比D. 密度是物质的物理特性,与物质的种类、状态和温度有关3.(4分)如图所示,小明利用两个形状不同的玻璃杯甲和乙,制成了测量液体体积的工具,每隔10mL标注了一个刻度线,甲杯最多能装水100mL,乙杯最多能装水200mL,则()A. 甲杯量程大,刻度均匀B. 甲杯量程小,刻度不均匀C. 乙杯量程小,刻度均匀D. 乙杯量程大,刻度不均匀4.(4分)北京2022年冬季奥运会的“飞扬”火炬,其质量大约为600g,下列选项与其质量最接近的是()A. 一枚硬币B. 一个鸡蛋C. 一个篮球D. 一名中学生5.(4分)“玉不琢,不成器”.从物理学的角度来说,在雕刻玉石的过程中,没有发生改变的是()A. 质量B. 体积C. 密度D. 形状6.(4分)分别由不同物质a、b、c组成的三个实心物体,它们的体积和质量的关系如图所示,由图可知下列说法不正确的是()A. a物质的密度最大B. b物质的密度是1.0×103kg/m3C. c物质的密度是a的4倍D. c的密度与它的质量、体积无关7.(4分)下列关于密度的说法中正确的是()A. 空气的密度约为1.3kg/m3,一间教室内空气的质量约2kgB. 同种材料密度一定相同,不同材料密度一定不同C. 氧气瓶中的氧气用掉一半,瓶内氧气密度不变D. 乒乓球不慎被挤瘪但无破损,球内气体密度变大8.(4分)如图是小明“用天平和量筒测鸡蛋密度”的实验过程,小明得出的结论如下,正确的是()A. 鸡蛋质量是57.7gB. 量筒的分度值是0.1mLm3C. 鸡蛋的体积是46c m3D. 鸡蛋密度是1.1gc9.(4分)下列有关托盘天平的使用说法正确的是()A. 称量前,应估计被测物体的质量,以免超过量程B. 称量前,应调节平衡螺母或移动游码使天平平衡C. 称量时,左盘放砝码,右盘放物体D. 称量时,向右移动游码,相当于向左盘加砝码10.(4分)已知空气的密度为1.29kg/m3,一间普通教室内空气的质量与下列哪个物体最接近()A. 一个苹果B. 一名中学生C. 一头牛D. 一辆家用轿车11.(4分)已知空气的密度为1.29kg/m3,那么一间教室内的空气质量与下列动物质量最接近的是(教室容积约150m3)()A. 一只青蛙B. 一只猫C. 一条狗D. 一头大肥猪12.(4分)一支粉笔使用了一段时间后,其密度()A. 变小B. 变小C. 不变D. 不确定13.(4分)为了测量醋的密度,小梦设计了如下实验步骤:①用天平测出空量筒的质量m0;②向量筒中倒入适量的醋,测出醋的体积V;③用天平测出量筒和醋的总质量m总。
人教版八年级上册《第6章质量与密度》2022年单元测试卷一、单选题(本大题共12小题,共36分)1.(3分)关于密度的概念,下列说法中正确的是()A. 同一物质,它的密度跟其质量成正比,跟其体积成反比B. 把铁块压成铁片,它的密度减小了C. 一种固体和一种液体,如果它们的质量相等时体积也相等,则它们的密度也相等D. 质量相等的两种物质,密度大的体积也大2.(3分)如图所示是小华使用吸管喝饮料的情景。
下列分析正确的是()A. 用吸管喝饮料利用了连通器原理B. 饮料被吸入嘴中是因为大气压的作用C. 饮料从瓶中到吸入嘴里的过程中机械能保持不变D. 饮料被喝掉一部分后,杯中剩余饮料的质量和密度均变小3.(3分)水银温度计中封闭着一定量的水银,在用这种温度计测量温度的过程中,水银发生热胀冷缩,下列说法正确的是()A. 温度计中水银的质量不变B. 温度计中水银的体积不变C. 温度计中水银的密度不变D. 温度计中水银的温度不变4.(3分)很多同学知道自己的身高和体重,却不知道自己的体积。
某同学身高为170cm,体重为60kg,他的体积约为()。
A. 0.006m3B. 0.06m3C. 0.6m3D. 6m3的理解,下列说法正确的是()5.(3分)关于对密度公式ρ=mVA. 某种物质的密度与质量成正比B. 单位体积不同物质的质量越大,密度越大C. 某种物质的密度与体积成反比D. 单位质量不同物质的体积越大,密度越大6.(3分)一瓶酱油用掉了一半,剩下的一半与原来的相比()。
A. 密度为原来的一半B. 质量为原来的一半C. 体积和密度都为原来的一半D. 质量、体积和密度都为原来的一半7.(3分)小明玩要时捡到一块会吸水的小石块(吸水后体积不变),回到家想测一下该石块的密度。
先用电子秤测出干石块的质量是120g,又称出一个装满水的瓶子总质量为600g。
然后小明把干石块缓慢放入瓶内,溢出水后,擦干瓶身,置于电子秤上,称得总质量为680g,最后将小石块从水中取出,将表面的水擦干,再测出此时石块的质量是130g,则末吸水时该小石块的密度是()。
质量和密度单元测试一、单选题(共9道,每道9分)1.对于公式的理解,下列说法错误的是( )A.由同种物质组成的物体,物体的质量跟它的体积成正比B.由不同物质组成的物体,在体积相同的情况下,物体的质量跟它的密度成正比C.由不同物质组成的物体,在质量相同的情况下,物体的体积跟它的密度成反比D.物质的密度由质量和体积决定,与其它因素无关答案:D解题思路:A:由同种物质组成的物体,则密度相同;根据可得,密度一定时,体积越大,质量越大,即质量与体积成正比。
该选项正确。
B:由不同种物质组成的物体,则密度不同;根据可得,体积一定时,密度越大,质量越大,即质量与密度成正比。
该选项正确。
C:由不同种物质组成的物体,则密度不同;根据可得,质量一定时,密度越大,体积越小,即体积与密度成反比。
该选项正确。
D:物质的密度由物质的种类和状态决定,并受温度影响,与其它因素无关。
该选项错误。
故选D。
试题难度:三颗星知识点:密度及其特性2.下列液体的密度比纯水密度大的是( )A.蓖麻油B.汽油C.酱油D.白酒答案:C解题思路:A:蓖麻油是植物油,根据生活经验,油花都是漂在水面上的,油类的密度一般都比纯水小。
B:课本上给出,汽油密度是,密度比纯水小。
C:酱油不属于油类,是粮食经过发酵酿造制成的,密度比纯水大。
D:白酒的主要成分是水和酒精,由于酒精的密度是,因此白酒的密度比纯水小。
因此,答案选C。
试题难度:三颗星知识点:密度及其特性3.两支相同的试管装入质量相等的两种不同液体,如图所示,它们液面齐平,甲、乙两液体的密度相比( )A.甲大B.乙大C.一样大D.无法比较答案:A解题思路:由密度公式知,质量相同的情况下,体积越小的物质,其密度越大。
由图可以看出甲的体积小,因此甲的密度大。
试题难度:三颗星知识点:密度公式的应用4.同学们想测量开水瓶软木塞的密度,于是切下一块干软木,进行了实验,实验步骤如下。
小红同学发现有一步骤是多余的,这一步骤是( )A.调整天平横梁平衡:用天平测出软木块的质量,示数如图甲B.在量筒中装入适量的水,如图乙;读出水的体积C.用细线系住软木块和铁块,将铁块浸没在水中,如图丙,读出水和铁块的总体积D.将软木块和铁块同时浸没在水中,如图丁,读出水、铁块和软木块的总体积答案:B解题思路:此题用助沉法测软木塞的体积,只需用丁图中水、铁块和软木块的总体积,减去丙图中水和铁块的总体积,就能算出软木塞的体积。
一、初二物理质量与密度实验易错压轴题(难)1.小明和小亮都很喜欢喝绿茶饮料,学完了密度知识后他们分别用不同的方法测量饮料的密度。
(1)小明的实验操作如下:①把天平放在_____上,将_____拨至标尺左端的零刻度线处,并调节_____使天平平衡;②把饮料倒入烧杯中一部分,用天平测出烧杯和饮料的总质量是93.8g;③把烧杯中的一部分饮料倒入量筒中,如图甲所示,饮料的体积是_____cm3;④用天平测出烧杯和剩余饮料的质量,如图乙所示,量筒内饮料质量是_____g,饮料密度是_____kg/m3;(2)小亮用量筒、小试管、水、记号笔测出了饮料的密度,请将实验步骤补充完整:①在量筒中倒入适量的水,将小试管放入量筒中使其竖直漂浮,读出量筒内水面所对的刻度V1;②在试管内倒入适量的水,先用记号笔记录试管内水面的位置,然后将试管放入量筒内的水中使其竖直漂浮,读出量筒内水面所对应的刻度V2;③将试管中的水倒尽,_____,然后将试管放入量筒内的水中使其竖直漂浮,读出量筒内水面所对的刻度V3;④饮料密度的表达式:ρ饮料=_____。
(用已知量和测量量符号来表示,已知水的密度为ρ水)【答案】水平台游码横梁两端的平衡螺母 60 62.4 1.04×103再向试管中倒入饮料直到标记处3121V VV V--⋅ρ水【解析】【分析】【详解】(1)①[1][2][3]在调平天平时,应把天平放在水平台上,将游码拨至标尺左端的零刻度线处,并调节横梁两端的平衡螺母使天平平衡。
③[4]由图甲知,饮料的体积是60mL=60cm3。
④[5]由图乙知,烧杯及剩余饮料的质量为31.4g,则量筒内饮料的质量m =93.8g-31.4g=62.4g[6]饮料的密度333362.4g 1.04g/cm 1.0410kg/cm 60cm m V ρ====⨯ (2)③[7]小亮是利用浮力来推导物体的密度。
步骤一可求出小试管的质量,结合物体的浮沉条件及阿基米德原理知,当试管漂浮在水中时,试管的重力G 1=F 浮1=ρ水gV 1即试管的质量1111gV G m V g gρρ===水水 步骤二可求出倒入小试管中的水的体积,倒入适量水后,试管漂浮,则小试管和试管中的水的质量2222gV G m V g gρρ===水水 那么小试管中水的质量m 水=m 2-m 1=ρ水V 2-ρ水V 1=ρ水(V 2-V 1)其体积2121()m V V V V V ρρρ-===-水水水水水所以步骤三也应向试管中倒入饮料直到标记处,使倒入的饮料体积与倒入小试管中的水的体积相等,此时饮料的质量m 饮料=ρ水V 3-ρ水V 1=ρ水(V 3-V 1)④饮料的密度313312121()==V V m V V V V V V V ρρρ--=--水饮料水水2.如图甲所示,A 、B 均为正方体,:4:1OM ON =,杠杆在水平位置平衡。
一、初二物理质量与密度实验易错压轴题(难)1.小华同学从网上购置了一盒用于3D打印的条状物,该条状物的外包装盒上注明该材料不溶于水,与水无反应,具有一定的吸水性。
学完力学知识后,小华想利用所学知识测出条状物的密度。
(1)小华将天平放在桌面上,把游码移至称量标尺左端零刻线处,发现指针在分度标尺中线的右侧,他应该将平衡螺母向____________________ (选填“左”或“右”)调节;(2)他取出两根完全相同的条状物,用天平测量它们的质量,天平平衡时右盘砝码和游码对应的位置如图甲所示,这两支条状物的质量是____________________g;(3)将适量的水倒入量筒中,读出水的体积。
然后把这两支条状物轻轻放入量筒中,发现它们先是漂浮并冒出气泡,然后慢慢沉入水底(假设体积不膨胀),稳定后读出水和条状物的总体积。
如果用这种方法测量体积,会直接导致密度的测量值比真实值____________________ (选填“偏大”或“偏小”);(4)为了更加准确地测出两支条状物的体积,他把吸足水的条状物取出擦干,放入装有34mL水的量筒中,水面对应的示数如图乙所示,则条状物的总体积是____________________cm3,密度为ρ=____________________g/cm3。
(5)小华想利用已知密度的条状物和小圆柱形容器,用如图丙所示的步骤测出盐水的密度,请你根据他的实验步骤写出盐水密度的表达式;①在小圆柱形容器中倒入适量盐水,用刻度尺量出了盐水的深度为h1;②将一支干燥的条状物用保鲜膜包好密封,放入容器中,条状物漂浮,用刻度尺量出此时盐水的深度为h2;③用细长针将条状物完全压住浸没在盐水中,用刻度尺量出此时盐水的深度为h3;④盐水密度的表达式为ρ盐水=____________________ (用字母表示,条状物密度用“ρ”表示);(6)小华还想用弹簧测力计和金属圆柱体测量盐水的密度。
于是他找来一只弹簧测力计,但他发现该测力计的刻度盘已经模糊不清,就找来台秤按如图丁所示步骤来完成测量;①将金属圆柱体的一半浸入水中,记下台秤的示数为m1=102g;②将圆柱体全部浸入水中,记下台秤的示数为m2=152g;③将圆柱体全部浸入与水等质量的盐水中,记下台秤的示数m3=182g;④算出盐水的密度ρ盐水=____________________g/cm3。
【答案】左 8.4 偏大 12 0.7 3121()()h hh hρ-- 1.3【解析】 【分析】 【详解】[1]根据天平使用方法,将天平放在水平桌面上,把游码归零后,往右边偏转,则需将平衡螺母向左调节,直到天平平衡。
[2]看图可知这两支条状物的质量是+=5g+3.4g=8.4g m m 砝码示数游码示数[3]把这两支条状物轻轻放入量筒中,发现它们先是漂浮并冒出气泡,然后慢慢沉入水底(假设体积不膨胀),由于物体吸水,稳定后读出水和条状物的总体积就会偏小,计算出的密度就会偏大了。
[4][5] 条状物的体积为333-=46cm -34cm =12cm V V V =装初条状物的密度为338.4g ==0.7g/cm 12cmm V ρ= [6]设小圆柱形容器的横截面积为S ,条状物漂浮时,受到的浮力与重力相等,所以条状物的质量为21()gV F G m S h h g g gρρ====-盐水排浮盐水 完全浸没后,可计算出条状物的体积为31()V S h h =-条则盐水的密度为21213131(-)(-)(-)(-)S h h h h m V S h h h h ρρρ===盐水盐水即3121()()h h h h ρρ-=-盐水[7]金属圆柱体的一半浸入水中时,排开水的质量为152g-102g=50g m =则水的质量为=102g-50g=52g m 水把金属圆柱完全浸没在水中时,排开水的质量为'152g-52g=100g m =排开水的体积即金属块的体积为'33100g =100cm 1g/cm m V ρ==水金属块全部浸入盐水中时排开盐水的质量为''182g-52g=130g m =则盐水的密度为''33130g =1.3g/cm 100cmm V ρ==盐水2.为了测量物块A 和B 的密度,某同学进行了如下实验:(1)将天平放在水平桌面上并将游码归零后,若指针静止时位置如图甲所示,则应将平衡螺母向______(选填“左”或“右”)端调节;(2)如图乙是正确测量A 的质量时使用砝码情况和游码的位置,其质量为______g ;如图丙是用量筒测量物块A 体积时的场景,则它的体积是______cm 3,密度为______kg/m 3; (3)另一物块B 的密度大于酒精而小于水,请将该同学测量其密度的下列实验步骤补充完整:①将物块B 放入装有适量水的烧杯中,然后向烧杯中缓慢注入酒精并充分搅拌,直至物块B______在混合液中;②取出物块B 后,测出烧杯及杯内混合液的总质量为1m ;③将烧杯中的部分混合液倒入空量筒中,测出它的体积为V ,同时测出烧杯及杯内剩余混合液的总质量为2m ;④由测量结果得到物块B 的密度表达式为ρ=______(用步骤中的字母表示)。
【答案】左 39 5 37.810⨯ 悬浮 12m m V- 【解析】 【分析】(1)根据指针偏向分度盘的右侧可知右侧质量大,所以把平衡螺母向左调节,才能使天平平衡。
(2)物体的质量等于砝码的质量加上游码的示数;体积可从量筒中放入物体后,体积变化读出;再由密度公式mVρ=算出物体的密度。
(3)悬浮时物体的密度等于液体的密度;根据12m m Vρ-=算出液体的密度即为物B 的密度。
【详解】(1)[1]在调节天平时,发现指针如图甲所示偏向分度盘的右侧,为了使天平平衡,此时应该把平衡螺母向左调节。
(2)[2]图乙中看出,砝码的质量为20g 、10g 、5g ,游码所对刻度值为4g ,物体的质量为砝码质量加上游码指示的质量,因此石块的质量为A 20g 10g 5g 4g 39g m =+++=[3]图丙量筒中水的体积为10mL ,放入物体A 后水的体积变为15mL ,则物体A 的体积为3A 15mL 10mL 5mL 5cm V =-==[4]则物体A 的密度333A A 3A 39g 7.8g/cm 7.810kg/m 5cm m V ρ====⨯ (3)①[5]物块B 的密度大于酒精而小于水,实验过程采用悬浮法测量液体的密度,即将物体B 悬浮在液体中,然后测量出液体的密度即为物体B 的密度。
④[6]实验过程中倒出部分的液体质量为12m m -,倒出部分液体的体积V ,则液体的密度12m V Vm m ρ-== 即物体B 的密度12m m Vρ-=。
【点睛】重点是测量固体密度的实验,注意实验中的细节问题,如调节天平的平衡、质量的读数,特别是游码读数应以左侧为准、量筒中液面的读数方法等,都是常考到的内容,注意多练习,多总结。
3.小明所在的物理兴趣小组需要密度为1.15g/cm 3的盐水,为检验配制的盐水是否合格. (1)小明设计了如下方案:①将天平放在水平桌面上,将游码移至标尺左端的“0”刻度线上,发现指针的位置如图甲所示,则需将平衡螺母向_____调节;②测量烧杯和盐水的总质量时,砝码和游码的位置如图乙所示,则烧杯和盐水的总质量为_____g ;③将烧杯中的部分盐水倒入量筒中(如图丙所示); ④测出烧杯和剩余盐水的质量为25g ; ⑤计算出盐水的密度为_____g/cm 3.(2)为配制合格的盐水,需要继续向盐水中_____(选填“加盐”或“加水”),但加多少才能刚好使配制的盐水合格,很难控制.小明思考后,想用饮料吸管制作一个简易的密度计来解决这一问题,制作步骤如下:①他找来一根饮料吸管,测得吸管的长度是15cm,用石蜡将其一端密封起来;②在吸管上距密封端11.5cm处画一刻线标上1.0,在吸管上距密封端_____cm处画一刻线标上1.15;③在吸管中放入适量的细砂后将其放入清水中,增减细砂直到水面刚好与1.0刻线相平;④从清水中取出吸管放入配制的盐水中,向盐水中加某物质直到液面与1.15刻线相平,盐水的密度就刚好是1.15g/cm3.(3)完成实验后,小明想在这根吸管上再增加些刻线,制成一个测量范围是0.7g/cm3~1.3g/cm3、分度值是0.05g/cm3的密度计,结果发现不能实现,原因是_____.为了能用这根吸管制成符合要求的密度计,他应_____(填“增加”或“减少”)吸管中的细砂后,并重新标注刻度线.【答案】右 62.4 1.1 加盐 10 吸管长度不够(吸管嫌短)减少【解析】【详解】第一空.由图甲知道,将天平放在水平桌面上,将游码移至标尺左端的“0”刻度线上,发现指针向左偏,则说明天平的左端下沉,右端上翘,所以,平衡螺母向上翘的右端移动;第二空.由图乙知道,烧杯和盐水的总质量是:m1 =50g+10g+2.4g=62.4g;第三空.由图丙知道,量筒中盐水的体积是:V=34mL=34cm3,烧杯和剩余盐水的质量是m2 =25g,量筒中盐水的质量是:m=m1 -m2 =62.4g-25g=37.4g,则盐水的密度是:3337.4g 34c 1.1/m g cmmVρ===;第四空.根据题意知道,需要盐水的密度是1.15g/cm3,而现在盐水的密度是1.1g/cm3,所以,需要再加入盐,才能增大盐水的密度;第五空.根据题意知道,吸管在水中和盐水中都漂浮,受到的浮力相等,即F浮水=F浮盐水,设吸管的底面积是S,在吸管上距密封端h cm处画一刻线标上1.15,则,ρ水gV排水=ρ盐水gV排盐水,代入数据得:1.0×103 kg/m3×10N/kg×S×11.5×10-2 m=1.15×103 kg/m3×10N/kg×Sh,解得,h=0.1m=10cm;第六空.小明不能制成一个测量范围是0.7g/cm3~1.3g/cm3、分度值是0.05g/cm3的密度计;与第五空同理:密度计始终漂浮在液体中,受到的浮力相等,所以密度计在水中和密度为0.7g/cm3的液体中浮力相等,即F浮水 =F浮液,由ρ水gV排水=ρ液gV排液可知,1.0×103 kg/m3×10N/kg×S×11.5×10-2 m =0.7×103 kg/m3×10N/kg×Sh',解得,h'≈0.165m=16.5cm>15cm,由此可知,小明不能制成密度计的原因是吸管长度不够;第七空.根据漂浮条件,减小密度计的重力,可以减小密度计的浮力,当液体密度不变时,密度计排开液体的体积减小,需要的吸管长度可以短一些,所以,需要减小管中的沙子,并重新标注刻度线。