砂浆抗压强度计算表
- 格式:doc
- 大小:74.00 KB
- 文档页数:5
砂浆抗压强度计算表GD2301041 □□ 工程名称B-5厂房砌体砂浆设计强度等级 M5.0结构层数及部位 /养护条件及温度同一验收批内各组试块的平均值(MPa)5.6 5.6 5.7 8.3 5.6 5.7 5.6 5.7 5.9 5.7Rn —= 5.94 R 标 5.0 Rmin=5.60.75R 标3.75验收评定结论:B5厂房砌体M5砂浆共10组,其中, Rn —=5.94≥R 标=5;Rmin=5.6≥0.75R 标=3.75。
统计合格。
年 月 日 评定人:砂浆抗压强度计算表GD2301041 □□工程名称B-5厂房砌体砂浆设计强度等级 M7.5结构层数及部位 /养护条件及温度同一验收批内各组试块的平均值(MPa)8.2 8.4 8.4 8.2 8.1Rn —= 8.26 R 标 7.5 Rmin=8.10.75R 标3.75验收评定结论:B5厂房砌体M7.5砂浆共5组,其中, Rn —=8.26≥R 标=7.5;Rmin=8.1≥0.75R 标=5.63。
统计合格。
GD2301041 □□工程名称B-6厂房砌体砂浆设计强度等级 M5.0结构层数及部位 /养护条件及温度同一验收批内各组试块的平均值(MPa)5.8 5.5 5.5 5.6 5.7 5.5 5.8 5.6 5.7 5.6Rn —= 5.63 R 标 5.0 Rmin=5.50.75R 标3.75验收评定结论:B6厂房砌体M5.0砂浆共10组,其中, Rn —=5.63≥R 标=5.0;Rmin=5.5≥0.75R 标=3.75。
统计合格。
GD2301041 □□工程名称B-6厂房砌体砂浆设计强度等级 M7.5结构层数及部位 /养护条件及温度同一验收批内各组试块的平均值(MPa)8.3 8.4 8.3 8.3 8.4Rn —= 8.4 R 标 7.5 Rmin=8.30.75R 标5.63验收评定结论:B6厂房砌体M7.5砂浆共5组,其中, Rn —=8.4≥R 标=7.5;Rmin=8.3≥0.75R 标=5.63。
m10砂浆强度换算方法
砂浆立方体抗压强度(MPa)=1.35*Nu /A Nu ---立方体破坏压力(N) A ---试件承压面积(mm2)
CA砂浆的强度随着水泥用量和砂用量的增加而增加,随着沥青乳液用量的增加而降低。
在水泥用量为280—315 kg/m3,沥青乳液用量为435—550 kg/m3,砂用量为350—745 kg/m3时可以制备28d抗压强度在1.8—2.5 MPa内的CA砂浆,极差结果表明影响CA砂浆强度的主次因素依次为水泥用量、沥青乳液用量和砂的用量。
随着外加水用量的增加,CA砂浆硬化体的抗压强度下降,外加水掺量为50—125 kg/m3,即单位用水量:水泥=0.81—1.06时,其硬化体28 d抗压强度能满足1.8—2.5 MPa的要求。
砂浆抗压强度统计评定表填写范例1.砂浆抗压强度统计评定表简介砂浆抗压强度统计评定表是用于记录和评定砂浆抗压强度的一种表格,根据相关标准和规范,对砂浆抗压强度进行统计和评定。
通过填写这个表格,可以清晰地了解砂浆抗压强度的分布情况和总体水平。
2.填写范例为了更好地理解砂浆抗压强度统计评定表的填写方法,我们以一个简单的范例来进行说明。
砂浆抗压强度统计评定表填写范例:强度等级样本编号抗压强度(MPa)初步合格 1 12.5合格 2 14.2不合格 3 9.8初步合格 4 11.5合格 5 15.63.范例分析在这个范例中,我们可以看到砂浆抗压强度统计评定表中包含了三个主要的数据项:强度等级、样本编号和抗压强度。
通过填写这些数据项,可以对砂浆样本的抗压强度进行统计和评定。
4.总结和回顾通过以上范例分析,我们可以清晰地掌握砂浆抗压强度统计评定表的填写方法和数据项的含义。
正确填写这个表格可以帮助我们更准确地了解砂浆抗压强度的情况,从而为工程质量的控制提供重要参考。
5.个人观点和理解砂浆抗压强度统计评定表是工程质量控制中非常重要的一个环节,正确填写和评定这个表格对于保障工程质量至关重要。
通过对砂浆抗压强度的统计和评定,可以及时发现和解决砂浆质量存在的问题,从而确保工程的安全和可靠性。
6.结论砂浆抗压强度统计评定表的填写对于工程质量控制至关重要。
正确填写和评定这个表格可以帮助我们全面了解砂浆抗压强度的情况,及时发现问题并加以解决。
希望通过本文的介绍,读者能更好地掌握砂浆抗压强度统计评定表的填写方法和意义。
砂浆抗压强度统计评定表是用于记录和评定砂浆抗压强度的一种工具,它既是质量控制的重要依据,也是工程建设过程中必不可少的一环。
通过填写这个表格,可以更好地了解砂浆抗压强度的分布情况,及时采取有效的措施来保障工程质量。
在填写砂浆抗压强度统计评定表时,首先要填写强度等级。
强度等级可以根据相关标准和规范进行划分,一般包括初步合格、合格和不合格等级。
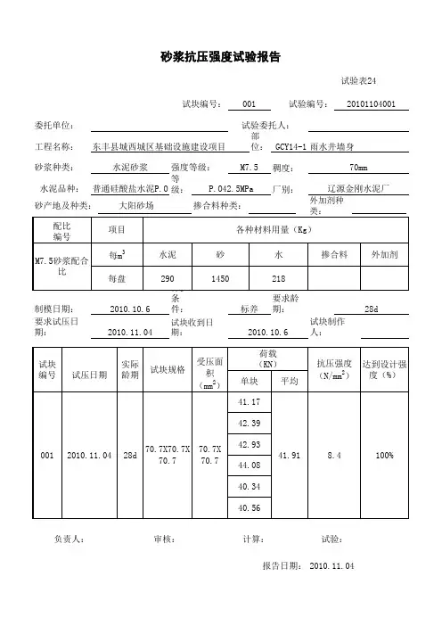
砂浆立方体抗压强度计算
砂浆立方体抗压强度是指在规定的试验条件下,砂浆立方体所能承受的最大压力,通常单位为兆帕(MPa)。
计算公式如下:
压力强度(MPa)= 最大荷载值/ 立方体断面积
其中,最大荷载值是指在实验中,砂浆立方体最大承受的压力值,单位为牛顿(N);立方体断面积为立方体的面积,单位为平方米(m²)。
例如,假设砂浆立方体的最大荷载值为5000牛顿,立方体的边长为10厘米,则立方体的断面积为0.1平方米。
则可计算得出该砂浆立方体的抗压强度为:
抗压强度(MPa)= 5000N / 0.1m²= 50MPa
因此,这个砂浆立方体的抗压强度为50兆帕。
混凝土抗压强度计算表详解1统计方法评定:混凝土(砂浆)试块试验结果汇总表中达到强度%,用混凝土(砂浆)的强度;标准强度X100% (即试压结果:强度等级X100%)n ——代表所有参与评定的混凝土组数(主体按同标号评定,分验阶段)入----- 查(混凝土强度检验评定标准)表 ...... 根据参与评定的组数确定。
MfCu ——同一验收批混凝土强度的平均值Fuc——抗压强度Fcu,min -------- 同一验收批混凝土强度的最小值Fcu,k ——设计混凝土强度标准值(即c20=20兆,c30=30兆)Sfcu ——同一验收批混凝土强度的标准值M2 fcu ——同一验收批混凝土强度平均值的平方fcu,i ——第I组混凝土试件强度值(N/mm2)Sfcn = : Z fcu,i2—nm2fcu / n—1Sfcn=T同一验收批混凝土强度平方数的和一组数x强度平均数的平方组数一1 nZ代表评定的每一组混凝土强度值平方后相加i=1nm2fcn ------- n为组数,m2fcn为评定的所有试件强度的平均值再平方,计算后两数相乘n—1所有组数减1Sfcn为以上各数计算后相除再开平方mfcn一入1Sfcn的计算方法:将前面计算出同代号的值代入计算0.85fcu,k——0.85乘以混凝土强度标准值0.95fcu,k——0.95乘以混凝土强度标准值②砂浆抗压强度计算表R n——为砂浆强度平均值R——为砂浆设计强度等级(即M5=M5pa,M7.5=M7.5pa)R:n——为砂浆强度最小值③混凝土抗压强度计算表说明混凝土强度不低于1.15fcu,k,当单位工程试块数量在2~9组时。
按非统计方法评定;单位工程试块数量在10组及其以上时,按统计方法进行评定。
④判定标准J mfcu-入1Sfcu N0.9fcu,k 7统计方法fcu,min^A 2fcu,k .一’mfcu N i.i5fcu,k 「{L 非统计方法fcu,min N0.9fcu,k 」mfcu——同一验收批混凝土强度的平均值一一(N/mm2)fcu,k—-一设计混凝土强度的标准值一一(N/mm2)同一验收批混凝土强度的最小值-- (N/mm2)fcu,min-------Sfcu --- 同一验收批混凝土强度的标准值 --- (N/mm2)如Sfcu的计算值小于0.06fcu,k时,则取Sfcu=0.06fcu,k混凝土强度合格判定系数砂浆抗压强度计算表说明:1、同品种、同强度等级砂浆各组试块的平均强度不小于R.. .... —. 标2、任意一种试块强度不小于0.75R3、砂浆强度按单位工程为同一验收标批,当单位工程种仅有一组试块时,其强度不低于R 一4、砂浆成块试验里面达到强度计算:试压结果/强度等级=1.16*100=116达到强度2非统计方法评定当试件组小于10组是,采用非评定方法评定需计算的量为:mfcu ------ 评定的所有试件强度平均值fcu,min ------ 评定的所有试件中强度的最小值1.15fcn ------- 1.15乘以混凝土强度标准值0.95fcn——0.95乘以混凝土强度标准值。