2013年中考物理电路故障复习:短路与断路基础练习(带答案)
- 格式:doc
- 大小:64.00 KB
- 文档页数:2
故障电路之巴公井开创作1.在图所示的电路中,电源电压等于6伏,合上开关后电压暗示数为6伏。
经分析得出,电路中可能发生的情况是:_______。
2.在图所示的电路中,电源电压不变。
闭合开关S后,灯L1、L2都发光。
一段时间后,其中一盏灯突然熄灭,而电流表、电压表的示数都不变,则发生这一现象的原因可能是( )。
A.灯L1短路B.灯L2短路 C.灯L1断路 D.灯L2断路3.在图所示的电路中,电源电压不变。
闭合开关S后,灯L1、L2都发光,一段时间后,其中的一盏灯突然变亮,而电压表V1的示数变小,电压表V2的示数变大,则发生这一现象的原因是( )。
A.灯L1断路B.灯L1短路C.灯L2断路D.灯L2短路4.如图所示,当开关S闭合后,两只灯泡均发光,两表均有示数。
过一段时间后,发现电压暗示数变成0,电流暗示数增大。
经检查除小灯泡外其余器材的连接良好,造成这种情况的原因可能是( )。
A.灯L1断路B.灯L2短路C.灯L1短路D.灯L1、L2均断路5.如图是测定小灯泡两端的电压和通过小灯泡的电流的电路图。
如果某同学在操纵的过程中对两只电表的量程选择是正确的,但失慎将两电表的位置对调了,则闭合开关S后( )。
A.电流表、电压表均损坏 B.电流表损坏,电压暗示数为零C.电流表有示数,电压暗示数为零D.电流暗示数为零,电压表有示数6.如图所示,下列说法正确的是( )A.电流表的连接是正确的 B.电压表的连接是正确的C.两表的连接都是错误的 D.电流表将会被烧坏7.在图所示的电路中,电源电压坚持不变。
闭合电键S后,电路正常工作。
过了一会,电压表的示数变大,灯L熄灭,则下列判断中正确的是( )。
A.可能是灯L短路,电流暗示数变小B.可能是灯L断路,电流暗示数变小C.可能是电阻R短路,电流暗示数变大D.可能是电阻R断路,电流暗示数变小8.如图所示电路,电源电压为3伏。
当开关S闭合时,却只有一只灯泡发光,且电压暗示数为3伏。
初三物理短路练习题在这篇文章中,将为您提供一些初三物理短路练习题。
以下是一些针对短路电路的问题,希望能帮助您更好地理解和掌握物理知识。
1. 请解释什么是短路电路?在电路中,当导体之间出现直接连接而绕过负载的情况时,就称为短路电路。
这意味着电流可以通过短路路径直接流过,导致电路中的电流增加,可能引发电路故障或过载。
2. 短路电路可能引发哪些问题?短路电路可能导致以下问题:- 过热:短路电流增加,可能导致电线、电路元件等发热,甚至引发火灾。
- 过载:由于电流过大,电路负载无法承受,可能导致电路或设备损坏。
- 故障:短路可能导致电路中断、设备故障等问题。
- 电源问题:短路电路会消耗更多电能,可能短时内耗尽电源,影响其他设备的正常运行。
3. 如何找到短路?在发现短路时,可以按照以下步骤找到并解决问题:步骤一:检查电路和设备:检查电线、插头、开关和设备的外部部分是否有明显的损坏或异常现象。
步骤二:断电:确保断开电源,以免意外电流引发更严重的问题。
步骤三:排除设备故障:逐一检查已连接到电路上的设备,以确认是否有受损、损坏或失效的设备。
步骤四:检查电线:逐段检查电线,用万用表或电路测试仪测量电线两端的电阻。
如果电阻接近于零,表示可能存在短路。
步骤五:修复或更换:确定短路所在的位置后,修复或更换受损的电线或元件。
4. 如何防止短路?以下是一些防止短路发生的方法:- 定期检查和维护电路和设备,确保电线和电路元件的良好状态。
- 使用合适的插头和插座,避免损坏引发短路。
- 避免在潮湿或有可能引发短路的环境中使用电器设备。
- 在使用电器设备时遵循正确的用电规范和操作步骤。
- 当发现电路故障时,及时断开电源,并请专业人士进行修复。
这些短路练习题将帮助您更好地理解和应用物理知识。
通过深入了解物理原理,并运用到实际问题中,您将能够更好地理解短路电路的工作原理,并能够在实践中解决相关问题。
希望这些练习题对于您的学习和掌握物理知识有所帮助。
一、电路常见的两种故障1、断路:常表现为电路中没有电流、电流表没有示数、电路元件不能工作。
2、短路:常表现为电流过大、导线发热、烧毁电源或者被短路的元件不能工作。
二、一般判定故障的思路1、先根据电路元件的工作情况或电流表是否有无示数区分电路故障属于断路还是短路2、再利用电流表、电压表、导线或者灯泡检查故障的具体位置。
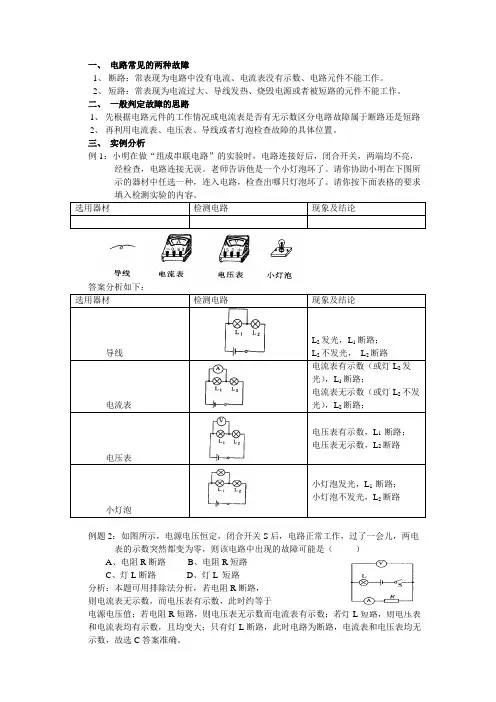
三、实例分析例1:小明在做“组成串联电路”的实验时,电路连接好后,闭合开关,两端均不亮,经检查,电路连接无误。
老师告诉他是一个小灯泡坏了。
请你协助小明在下图所示的器材中任选一种,连入电路,检查出哪只灯泡坏了。
请你按下面表格的要求例题2:如图所示,电源电压恒定,闭合开关S后,电路正常工作,过了一会儿,两电表的示数突然都变为零,则该电路中出现的故障可能是()A、电阻R断路B、电阻R短路C、灯L断路D、灯L 短路分析:本题可用排除法分析,若电阻R断路,则电流表无示数,而电压表有示数,此时约等于电源电压值;若电阻R短路,则电压表无示数而电流表有示数;若灯L短路,则电压表和电流表均有示数,且均变大;只有灯L断路,此时电路为断路,电流表和电压表均无示数,故选C答案准确。
例题3:如图所示是小红同学探究串联电路中电流、电压特点的实物连接图,当开关闭合时,灯L1亮,等L2不亮,电流表和电压表均有读数,则故障原因可能是()A、L1开路B、L1短路C、L2开路D、L2短路分析:L1和L2串联,L1亮,电流表、电压表均有示数,说明电路是通路,所以A、C选项错误,若L1短路,L1不会亮,电压表也无示数,所以是L2短路,故选D答案准确。
四、总结1、电路开路的结果是电路不通,直接现象为:(1)灯泡不亮(2)电流表无示数(3)电压表示数为零(4)电压表示数接近电源电压2、电路短路的结果是电路仍通,直接现象为:(1)灯泡可能仍亮(2)灯泡可能不亮(说明灯泡被短路)(3)电流表有示数或被烧坏(4)电压表可能有示数(和电压表并联的部分无短路)(5)电压表可能示数为零(和电压表并联的部分短路)专题二:实验•一、探究通过导体的电流与导体两端电压和导体的电阻的关系•疑难问题:•1、探究的内容包含几个实验?•2、每个实验至少要实行几次?•3、实验采用什么方法实行?•4、滑动变阻器的作用是什么?•5、怎么设计实验数据记录表格?•6、结论的叙述根据下面的图像能够得出的结论是:二、测量小灯泡的电阻•疑难问题1、实验原理是什么?2、测量的方法是什么?3、滑动变阻器的作用什么?4、调节小灯泡两端的电压需要注意什么?5、怎么设计实验数据记录表格?6、在不同电压下,小灯泡的电阻不同,是不是说明了小灯泡的电阻受电压的影响?电路故障分析综合练习1. 如图所示电路中,闭合开关后所发生的现象是( )A.电流表指针有明显偏转,电压表指针几乎不动B.电压表指针有明显偏转,电流表指针几乎不动C .两表指针均有明显偏转D .两表指针几乎不动2.如图所示的电路中,a 、b 、c 、d 为四个接线柱,闭合开关S 后,灯泡L 1不亮。
判断短路和断路的题
电路故障分为短路和断路两种情况,短路分为局部短路,和电源短路两种情况。
断路则为电路断开的情况。
短路是电流不经过用电器直接构成通路。
02知识储备
1.电路短路
(1)串联电路短路:如图T2-1甲、乙所示,甲图为局部短路,乙图为电源短路。
图甲中由于电阻R1被短路,电路电阻减小,电路电流增大,电阻R2两端电压增大;图乙中电源被短路,容易烧坏电源。
(2)并联电路短路:如图T2-2所示,此时一条支路短路,造成电源短路,容易烧坏电源。
2.电路断路
(1)串联电路断路:如图T2-3甲所示,电阻R1断路,此时电路电流为零,所有用电器停止工作,电阻R1两端有电压(几乎等于电源电压),电阻R2两端电压为零。
(2)并联电路断路:如图乙所示,电阻R1断路,此时本支路电流为零,本支路上的用电器停止工作,但是其他支路不受影响(电流、电压均不变),电路总电流变小。
3.电表接反
如果电流表或电压表的接线柱接反,会造成电流表或电压表指针反偏,容易损坏电表。
4.滑动变阻器错误连接
如图T2-4所示,如将接线柱AB同时接入电路,则小灯泡发光较暗,且移动滑片时灯泡亮度不变;如将接线柱CD同时接入电路,则小灯泡发光较亮,且移动滑片时灯泡亮度不变。
5.家庭电路故障
如图T2-5所示,①若发生短路,则用电器不工作,保险丝熔断;②若进户火线断路,则a、b、c、d点均不能使试电笔氖管发光;若进户零线断路,则a、b、c、d点均能使试电笔氖管发光。
03思路图解
以图T2-6为例,图解串联电路故障判断思路(假如故障只在L1或L2上):。
初三电路故障练习题假设你是一名初中生物理老师,最近正在教授初三学生关于电路原理和故障排除的知识。
为了帮助学生更好地掌握这一知识点,你决定设计一套电路故障练习题。
以下是一些练习题示例及解答,希望能帮助学生们更好地理解电路故障排除的方法。
一、选择题1.在以下选项中,哪个选项可以导致电路出现断路故障?A. 负极与正极直接相连。
B. 电源未连接。
C. 电阻器电值过小。
D. 开关处于关闭状态。
【答案】D2.以下哪种情况会导致电路发生短路故障?A. 负极与正极直接相连。
B. 电源未连接。
C. 电阻器电值过小。
D. 开关处于打开状态。
【答案】A3.当电路中出现故障时,以下哪种行为是不安全的?A. 直接用手触摸电路元件。
B. 将电阻器替换为一个具有更大电阻值的电阻器。
C. 拔掉插头,切断电路。
D. 使用万用表测试电路各个部分的电压和电流。
【答案】A二、填空题根据给出的电路图,回答下列问题。
电路图:(请见下方链接)1.计算电阻R1和R2的等效电阻值。
【答案】等效电阻值为(R1 * R2) / (R1 + R2)2.当电源电压为12V,R1的阻值为4Ω,R2的阻值为6Ω时,计算电路中的总电流。
【答案】总电流为电源电压除以总电阻,即12V / (R1 + R2)。
三、计算题根据给出的电路图,回答下列问题。
电路图:(请见下方链接)1.计算电路中的总电阻。
【答案】总电阻为电阻R1、R2和R3的串联电阻之和。
2.当电源电压为15V,电阻R1的阻值为8Ω,电阻R2的阻值为12Ω,电阻R3的阻值为24Ω时,计算电路中的总电流。
【答案】总电流为电源电压除以总电阻。
四、应用题通过以下应用题,让学生综合运用所学知识解决实际问题。
婷婷买了一盏台灯,但插上电源无法正常亮起。
请根据她的描述,分析可能引起灯没有亮起的故障原因,并提出解决方案。
【答案】根据描述,可能原因如下:1.电源插座出现问题,检查插座并确保电源正常连接。
2.灯泡损坏,更换灯泡。
短路断路通路练习题一、选择题1. 下列哪种情况属于短路?A. 电阻两端电压为零B. 电阻两端电压等于电源电压C. 电流表读数为无穷大D. 电压表读数为零A. 电阻B. 导线C. 开关D. 电源A. 开关B. 电阻C. 导线D. 电容器二、填空题1. 当电路发生______时,电流会急剧增大,可能导致电路损坏。
2. 在电路中,______是指电流无法流通的故障现象。
3. 电路中,______是指电流可以顺畅流通的路径。
三、判断题1. 短路会导致电路中的电流减小。
()2. 断路是指电路中某个部分的电阻突然变为零。
()3. 通路是电路中电流能够正常流通的路径。
()四、简答题1. 请简要说明短路、断路和通路的概念。
2. 举例说明短路现象在日常生活中的应用。
3. 如何判断电路中是否存在断路现象?五、综合题(1)当开关S1闭合,开关S2断开时,电路处于什么状态?(2)当开关S1断开,开关S2闭合时,电路处于什么状态?(3)当开关S1和S2都闭合时,电路处于什么状态?2. 请设计一个简单的电路,包含短路、断路和通路三种状态,并说明如何实现这三种状态。
六、计算题1. 一个电阻器的阻值为10Ω,当它发生短路时,电路中的电流是多少?假设电源电压为12V。
2. 如果一个电路的总电阻为20Ω,电源电压为24V,当电路中某处发生断路时,电路中的电流是多少?七、作图题(1)电源(2)电阻(3)开关(4)短路有一个电源、两个电阻(R1和R2)、一个开关S和一段导线。
R1和R2串联,开关S与R2并联。
当开关S闭合时,电路处于短路状态。
八、实验题1. 设计一个实验,验证短路现象。
请描述实验步骤、所需材料和预期结果。
2. 如何通过实验来判断电路中是否存在断路?请详细说明实验过程。
九、案例分析题1. 某家电维修工在修理一台电视机时,发现电源线内部短路,导致电视机无法正常工作。
请分析可能导致电源线短路的原因,并提出解决方法。
2. 在一个串联电路中,一个电阻突然断路,导致整个电路中的电流变为零。
2013年全国物理中考真题分类汇编-----简单电路(2013·温州)17.下列电表示数为1.4 伏的是答案: C(2013·湖州)20.某种电吹风机可以吹出冷风或热风,使用时闭合“冷风”开关,吹出冷风;再闭合“热风”开关吹出热风。
但只闭合“热风”开关,电吹风机不会工作,以“”表示电热丝,“”表示电动机,该电吹风机内部的电路连接可以是下图的答案:C(2013·北京)11.小云家卫生间安装了换气扇和照明灯,换气扇和照明灯的电路连接如图4所示,下列说法中正确的是A.换气扇和照明灯不能同时工作B.换气扇和照明灯只能同时工作C.换气扇和照明灯工作时,通过它们的电流一定相等D.换气扇和照明灯工作时,它们两端的电压一定相等答案:D(2013·温州)15.如图是小明设计的简易起重机的电路.下列操作中,电动机能工作的是A.只闭合S2B.只闭合S1、S2C.只闭合S3D.只闭合S1、S3答案: D(2013· 北京)1.在国际单位制中,电压的单位是A .安培B .伏特C .焦耳D .瓦特 答案: B(2013· 舟山)18.某取暖器在只闭合开关S 1时送冷风,同时闭合开关S 1、S 2时送热风。
为了安全起见,取暖器一般都要安装一个跌倒开关S ,使取暖器倾倒时整个电路断开。
下列符合该取暖器工作要求的电路是答案:A(2013· 菏泽)4.太阳能路灯设计优美,为城市增添了亮丽的风景。
图2是一款路灯的图片,下列说法错误的是( )A .太阳能电池板把太阳能转化为电能对灯泡供电B .两只灯泡可以用一个开关控制,说明两灯是串联连接的C .灯罩的作用除防尘外,还可以使灯泡发出的光经过反射变得柔和D .漫反射也遵循反射定律 答案:B(2013· 泰州)32.有一种“浴霸”,具有照明、吹风和加热三个功能,其中照明灯和吹风机(用表示)表示)只有在吹风机启动后才可以工作。
初三物理电路图短路练习题在初三学习物理的过程中,电路图是一个重要的概念。
理解电路图的结构和原理,能够帮助我们更好地理解电路的工作原理和计算各种参数。
短路是电路中常见的现象之一,也是我们需要掌握的知识点。
下面是一些初三物理电路图短路练习题,希望能够帮助同学们巩固所学的知识。
1. 图一是一个简单的电路图,请在以下选项中选择正确的描述:a) 电流从正极流向负极b) 电流从负极流向正极c) 电流不流动d) 电流可以上下流动答案:a) 电流从正极流向负极2. 图二是一个电路图,请在以下选项中选择正确的描述:a) A点和B点之间存在短路b) A点和B点之间不存在短路c) A点和B点之间有一个开关d) A点和B点之间有一个电源答案:a) A点和B点之间存在短路3. 图三是一个电路图,请计算AB两点之间的总电阻:R1=10Ω,R2=20Ω,R3=30Ω答案:总电阻Rtotal = R1 + R2 + R3 = 10Ω + 20Ω + 30Ω = 60Ω4. 图四是一个电路图,请计算AB两点之间的总电阻:R1=10Ω,R2=20Ω,R3=30Ω,R4=40Ω答案:先计算R2和R3与R4的并联电阻R23,再与R1串联得到总电阻Rtotal:1/R23 = 1/R2 + 1/R3 = 1/20Ω + 1/30Ω ≈ 0.083R23 ≈ 12Ω1/Rtotal = 1/R23 + 1/R4 = 1/12Ω + 1/40Ω ≈ 0.1Rtotal ≈ 10Ω5. 图五是一个电路图,请计算AB两点之间的总电阻:R1=10Ω,R2=20Ω,R3=30Ω,R4=40Ω,R5=50Ω答案:将R1和R2视为一个整体R12,R3和R4视为一个整体R34,再与R5串联得到总电阻Rtotal:1/R12 = 1/R1 + 1/R2 = 1/10Ω + 1/20Ω = 0.051/R34 = 1/R3 + 1/R4 = 1/30Ω + 1/40Ω ≈ 0.0671/Rtotal = 1/R12 + 1/R34 + 1/R5 = 0.05 + 0.067 + 1/50Ω ≈ 0.132Rtotal ≈ 7.6Ω通过以上练习题,我们可以更好地理解电路图中的短路以及计算总电阻的方法。
中考物理总复习《电路故障分析》专项测试题(附带答案)学校:___________班级:___________姓名:___________考号:___________一、选择题1.如图所示,R1和R2均为定值电阻,闭合开关S,电流表指针明显偏转,电压表几乎无示数,如果只有R1和R2一处发生了故障,则下列判断正确的是()第1题图A. R1短路B. R2短路C. R1断路D. R2断路2.在图示电路中,开关闭合后,无论怎样移动滑片,小灯泡都不亮,电流表示数为零,电压表有示数且不变.图中除标有序号的四根导线外其他元件正常,则出现断路的导线一定是()第2题图A. ①B. ②C. ③D. ④3.如图所示是“测量小灯泡电功率”的实验电路,正确连接电路后闭合开关,发现灯泡不亮,电流表指针稍有偏转,电压表指针几乎不动,产生这一现象的原因可能是()第3题图A. 灯泡断路B. 滑动变阻器接入电路的阻值过大C. 灯丝电阻值过大D. 滑动变阻器短路4.小华在做如图所示的实验时,闭合开关S,两灯均发光,过了一会儿,灯L1突然熄灭,他发现一个电表的示数变大,另一个电表的示数变小;他将灯L1、L2位置互换,再次闭合开关S,观察到两个电表指针均不动,若电路中只有一处故障,则一定是()第4题图A. 灯L1短路B. 灯L1断路C. 灯L2短路D. 灯L2断路5.小明同学按图示连接好电路,闭合开关后发现,甲乙两灯泡均不亮.然后他拿来一根导线直接连在甲灯泡两端,此时甲乙灯泡仍不亮.于是他取下这根导线,直接连在乙灯泡两端,此时发现甲灯亮了起来.根据以上现象可以推断出下列哪个结论是正确的()第5题图A. 甲灯泡断路B. 乙灯泡断路C. 甲乙灯泡都断路D. 电源坏了6.如图所示,当开关S闭合时,小灯泡L不亮,小明同学利用电压表进行电路故障检测,检测结果如下表所示.则电路中的故障是()测试点a、b b、c c、d电压表示数有示数无示数有示数A.B. 小灯泡L断路C. 滑动变阻器R断路D. 滑动变阻器R短路7.在探究串联电路电压特点时,某同学设计的电路如图所示.对于下列实验过程中出现的现象及分析正确的是()第7题图A. 开关闭合后,如果灯泡L2不亮、L1亮,一定是L2灯丝断了B. 如果只有灯泡L1开路,则开关闭合后电压表示数一定为零C. 如果只有灯泡L2开路,则开关闭合后电压表示数一定为零D. 开关闭合后,如果电压表示数为零,灯泡L2一定不发光二、填空题8.如图所示电路,开关S闭合后,两灯均发光,电压表测的是灯________(选填“L1”或“L2”)两端电压.一段时间后,两灯均熄灭,但电压表有读数且示数较大,电流表无读数,则故障可能是________(选填“L1短路”“L1断路”或“L2断路”).第8题图9.小芳用铅笔芯制作如图所示的“模拟调光灯”.闭合开关后,左右移动回形针,小灯泡始终不亮.为检查电路故障,小芳将电压表接到A、B两点,测得电压为3.0 V,则A、B间________(选填“短路”或“断路”),这种故障可能的情况是____________、________________________.第9题图10. (2021上海)在如图所示的电路中,闭合开关S后,至少有一个电表发生偏转,已知电路中只有一处故障,且发生在电阻R1或R2上.请写出两电表的偏转情况及其对应的故障.________________________________________________________________________.第10题图参考答案1.【答案】A2.【答案】B3.【答案】B4.【答案】B5.【答案】B6.【答案】C7.【答案】C8. L1L1断路9.【答案】断路小灯泡灯丝断了A、B间接触不良10.【答案】若电压表示数不变,电流表示数变大,则R1短路;若电流表示数变大,电压表示数变小,则R2短路。
短路测试题及答案
一、选择题
1. 短路是指电路中两个或两个以上的导体之间发生异常连接,以下哪项不是短路的危害?
A. 电路过载
B. 电气设备损坏
C. 电气火灾
D. 节约能源
2. 在家庭电路中,如果发生短路,以下哪种做法是正确的?
A. 立即关闭电源
B. 继续使用电器
C. 用水扑灭可能的火灾
D. 等待电力公司来处理
二、判断题
3. 所有类型的短路都是危险的。
()
4. 短路只发生在高压电路中。
()
三、简答题
5. 请简述短路的三种基本类型。
四、计算题
6. 假设一个电路的电阻为4欧姆,电压为220伏特,如果发生短路,求短路时的电流。
五、案例分析题
7. 某工厂的电动机在运行过程中突然停止工作,同时电路中的保险丝
熔断,分析可能的原因。
答案:
一、
1. D(节约能源)
2. A(立即关闭电源)
二、
3. √(所有类型的短路都是危险的)
4. ×(短路不仅发生在高压电路中,低压电路同样可能发生短路)
三、
5. 短路的三种基本类型包括:电源短路、负载短路和线路短路。
四、
6. 短路时的电流 I = V / R = 220V / 4Ω = 55A
五、
7. 电动机停止工作且保险丝熔断,可能是由于电动机内部发生短路,导致电流过大,超出了保险丝的额定电流,从而触发保险丝熔断保护电路。
短路断路通路练习题(打印版)短路、断路、通路练习题1. 定义题:- 什么是短路?- 断路和通路的区别是什么?2. 选择题:- 在电路中,如果电阻R1和R2并联,且R1短路,那么电路的总电阻将:A. 增加B. 减少C. 不变D. 无法确定3. 判断题:- 如果电路中的电流突然增大,可能是发生了短路。
(对/错)- 断路是指电路中某处断开,导致电流无法流动。
(对/错)4. 填空题:- 当电路中的电阻R1和R2串联时,如果R1发生短路,则电路的总电阻将变为原来的____。
- 如果电路中的电源电压为12V,且电路处于通路状态,那么电路中的电流I可以通过欧姆定律计算,即I = ______。
5. 计算题:- 假设有一个电路,其中包含一个10欧姆的电阻R1和一个20欧姆的电阻R2。
如果R1发生短路,求电路的总电阻。
6. 应用题:- 描述一个实际生活中可能遇到的短路情况,并解释如何安全地处理这种情况。
7. 分析题:- 分析在家庭电路中,如果发生短路,为什么会导致保险丝熔断或断路器跳闸。
8. 实验题:- 设计一个简单的电路实验,用以验证当电路中某个电阻发生短路时,电路的总电阻如何变化。
9. 简答题:- 简述在电路设计中,为什么需要避免短路的发生,并说明短路可能带来的后果。
10. 综合题:- 假设你正在设计一个简单的电子设备,需要确保在任何情况下都不会发生短路。
请描述你会采取哪些措施来预防短路。
答案:1. 短路是指电路中的两个或多个导体在不应该连接的地方直接相连,导致电流绕过负载直接流回电源,造成电流急剧增大的现象。
2. B. 减少3. 对,对4. 20欧姆,U/R(其中U为电源电压,R为电路总电阻)5. 总电阻为20欧姆6. 例如,家中的电线老化导致绝缘层破损,两根导线直接接触,可能会引发短路。
处理时应立即切断电源,避免火灾,并请专业人员检查修复。
7. 短路会导致电流急剧增大,超过电路设计的安全电流,为保护电路和设备,保险丝会熔断或断路器会跳闸。
初三物理电路故障分析习题初三物理电路故障分析习题Ⅰ.常见电路故障:短路或断路。
Ⅱ.简单故障:1.电源发热必然发生电源短路。
2.串联电路中若某部分用电器不能工作,那么这部分必然发生了短路。
3.并联电路中的故障大多直接利用并联电路特点就可分析得出。
Ⅲ.检测其它电路故障方法:一.将完好的用电器与被测电路并联。
(针对串联电路中的断路故障)1.用电器正常工作。
说明:被测电路上发生断路。
2.用电器不能工作。
说明:未测电路上发生断路。
二.用导线与被测电路并联。
(针对串联电路)1.未测电路正常工作。
说明:被测电路上发生断路。
2.未测电路不能工作。
说明:未测电路上发生断路。
解析:如右图1开关s闭合时,①两灯都不发光,当把导线接AB两点时,若L2灯发光,说明可能是L1灯断路,也可能是开关、电源处断路;若L2不发光,说明可能是L2灯断路,也可能是开关电源处断路。
同理导线接BC两点时和这类似,只不过是把L2换成L1。
②两灯有一个发光,说明电路中出现了短路。
三.利用电流表1.对于电路中原有的电流表示数变化情况分析。
(1)示数增大。
说明:电路(或支路)中部分用电器被短路。
(所有用电器都被短路,则电流表烧毁)(2)示数减小。
说明:①电路(或支路)中发生断路。
②电流表坏了。
(3)示数不变。
说明:除电流表所在支路以外的其它支路上发生断路。
(针对并联电路)2.将电流表与被测电路并联分析。
(针对串联电路)(1)有示数。
说明:被测电路上发生断路。
(2)无示数。
说明:未测电路上发生断路。
四.利用电压表。
1.对于电路中原有的电压表示数变化情况分析。
(1)示数增大。
说明:未与电压表并联的用电器被短路。
(2)示数减小。
说明:①与电压表并联的`被测电路上发生短路。
②电压表与电源正负极间发生断路。
③电压表坏了。
(3)示数不变。
说明:除电压表所在支路以外的其它支路上发生断路。
2.将电压表与被测电路并联分析。
(1)有示数。
说明:电压表与电源正负极间是通路的。
电路故障专项练习题(含答案)一.选择题(共27小题)1.(2013•益阳)如图,开关S闭合后,灯L1发光,L2不发光,电压表有示数.该同学将电压表改接到BC两点,发现电压表无示数.产生这种现象的原因是()2.(2012•营口)在如图所示的电路中,电源电压不变.闭合开关后,电路正常工作,一段时间后,发现其中一个电压表示数变大,则()3.(2012•长春)如图闭合开关,灯L1、L2不发光,电压表示数接近电源电压,已知电路中只有一处故障,原因可能会是()4.(2007•常德)如图所示的电路中,电源电压为3V,当开关S1,S2都闭合时,则()5.(2006•南充)某同学在学习家庭电路时,安装了两盏额定电压均为220V的完好的白炽灯(甲和乙)和两个插座如图所示,如果两个插座均未连入家用电器,将电路的开关全部闭合,保险丝未熔断,那么各用电器工作的情况是()6.(2013•塘沽区一模)将两个灯泡L 1、L 2串联后接入电路中,如图所示.接通电路后发现L 1亮L 2不亮.则下列判断正确的是( )7.(2006•松江区模拟)如图所示的电路中,电源电压保持不变.闭合电键S 后,电路正常工作.过了一会儿,电流表示数变大,电压表与电流表的比值变小,则下列判断中正确的为( )8.(2006•六合区二模)在如图所示电路中,电源电压不变.闭合开关S ,电路正常工作.过了一会儿,电压表和电流表示数的比值变小.下列说法中正确的是( )9.如图所示是小宁同学为 LED 多功能充电风扇设计的控制电路图,电路中有两个控制开关,其中开关S 1只控制应急照明LED 灯L ,开关S 2只控制电风扇M ,下列的四个电路图中,符合上述D10.(2008•福州模拟)如图所示,只闭合开关S时,两灯均不亮,同时闭合开关S和S 1时,灯L1亮,L2不亮,电路可能出现的故障是()11.如图所示,当开关S闭合后,两只灯泡都发光,两表均有示数.过一段时间后,发现其中一只灯泡熄灭,两表示数都不变,造成这种情况的原因可能是()12.如图所示,电源电压为6V,开关闭合后,L1、L2都不发光,而伏特表的示数为6伏特,电路的故障可能是()13.某同学在进行实验时,连接好如图所示的电路.当开关S1、S2均闭合时,却发现仅有L2发光.产生这一故障的原因是()14.小明在探究“串联电路中电压的规律”时,电路连好后(如图),闭合开关,两灯均不亮、经检查,电路连接无误,老师告诉他是一个小灯泡坏了.小明仔细想了想后,用下列方法进行了判断,其中判断正确的是()15.如图所示的电路中,已知电源电压为6V,且保持不变,当开关S闭合后,发现一只灯泡发光,电压表的示数为6V,存在这一现象的原因可能是()16.如图所示,闭合开关S时,灯L1和L2都不亮,用一段导线的两端接触a,b两点时,两盏灯都不亮;接触b,c两点时,两盏灯都不亮;接触c,d两点时,两盏灯都亮,故障原因可能是()17.某同学接好如图所示的电路后,合上开关S1S2,发现灯L1不亮,灯L2亮,则下列原因分析中不可能的是()18.如图所示的电路中,开关闭合后,只有乙灯亮甲灯不亮的原因是()19.如图所示电路,闭合开关S后,发现灯L1亮,L2不亮.此电路的故障可能是()20.在图所示的电路中,电源电压为6V,开关闭合后,电灯L1、L2均不发光.用电压表逐段测量,结果是:Uab=0V,Ubc=0V,Ucd=6V.由此可以判断此电路的故障可能是()21.(2013•岳阳)如图,家庭电路中电灯突然熄灭,小明用测电笔分别测两根电源线,发现氖管都发光.据此,请你帮助小明推断该电路故障可能是()22.(2013•黑龙江)如图所示的家庭电路中,正常发光的两盏灯突然全部熄灭,经检查保险丝完好,用试电笔分别插入插座的两孔,氖管均发光,造成这一现象的原因可能是()23.(2012•攀枝花)如图所示,闭合电键S后,发现电灯L不亮,且保险丝没有熔断.某同学用测电笔测试灯头的两根电线C,D,发现这两处都能使测电笔的氖管发光,再用测电笔测试火线A 和零线B时,氖管在测火线A时能发光,在测零线B时不发光.那么可以判定故障是()24.(2013•齐齐哈尔)图所示的电路中,正常发光的三盏灯突然全部熄灭,经检查保险丝完好,用试电笔插进插座的两孔,氖管均发光.造成这一现象的原因是()25.(2012•宜昌)某同学在家中更换台灯的灯泡时,先将一只灯泡插入灯座,灯泡正常发光,再将26.(2011•新疆)右图所示的电路中,电源电压保持不变,闭合开关S后,电路正常工作.过了一会儿,灯L熄灭,两个电表中只有一个电表的示数变大,则下列判断正确的是()27.(2011•湘潭)李明家中有一盏电灯突然不亮,他用试电笔检测灯头内的两个接线柱,试电笔均二.填空题(共3小题)28.(2010•天津模拟)为检查照明电路的故障,电工经常采用的方法是:断开干路开关S,将额定电压为220V的“较验灯”接在开关的两只接线柱上,如图14所示,在检查某盏灯之前,先断开所有支路开关,再闭合该支路开关,“较验灯”将会出现以下三种情况中的其中一种:①不发光,说明该支路_________;②发光较暗,说明该支路_________;③正常发光,说明该支路_________.(填“开路”、“短路”或“正常”)29.图所示的电路中,L1、L2是两只规格不同的小灯泡,当闭合开关S时,(1)若发现L1亮、L2不亮,分析其电路有故障,则故障是_________;(2)若发现电流表A1和A2的示数不相等,分析其原因,则可能是_________.30.在“比较串联电路和并联电路”的实验中,连接电路时,开关必须_________.某实验小组连好如图所示的电路时,闭合开关,发现两灯都不亮,急忙向老师求援.老师走过来,将L1轻轻扭动,L1亮起来了,L2还是不亮.老师微笑着问:“这说明L1处发生了什么故障?”同学们异口同声地回答道:“接触不良.”“那么L2为什么还不亮呢?”同学们又傻眼了…如果L2处有故障,是什么故障呢?你认为L2发生_________.参考答案与试题解析一.选择题(共27小题)1.(2013•益阳)如图,开关S闭合后,灯L1发光,L2不发光,电压表有示数.该同学将电压表改接到BC两点,发现电压表无示数.产生这种现象的原因是()2.(2012•营口)在如图所示的电路中,电源电压不变.闭合开关后,电路正常工作,一段时间后,发现其中一个电压表示数变大,则()3.(2012•长春)如图闭合开关,灯L1、L2不发光,电压表示数接近电源电压,已知电路中只有一处故障,原因可能会是()4.(2007•常德)如图所示的电路中,电源电压为3V,当开关S1,S2都闭合时,则()5.(2006•南充)某同学在学习家庭电路时,安装了两盏额定电压均为220V的完好的白炽灯(甲和乙)和两个插座如图所示,如果两个插座均未连入家用电器,将电路的开关全部闭合,保险丝未熔断,那么各用电器工作的情况是()6.(2013•塘沽区一模)将两个灯泡L1、L2串联后接入电路中,如图所示.接通电路后发现L1亮L2不亮.则下列判断正确的是()7.(2006•松江区模拟)如图所示的电路中,电源电压保持不变.闭合电键S后,电路正常工作.过了一会儿,电流表示数变大,电压表与电流表的比值变小,则下列判断中正确的为()8.(2006•六合区二模)在如图所示电路中,电源电压不变.闭合开关S,电路正常工作.过了一会儿,电压表和电流表示数的比值变小.下列说法中正确的是(),即电压表与电流表的示数的比值应等于定值电阻的阻值,现在比值减小;9.如图所示是小宁同学为LED多功能充电风扇设计的控制电路图,电路中有两个控制开关,其中开关S1只控制应急照明LED灯L,开关S2只控制电风扇M,下列的四个电路图中,符合上述D10.(2008•福州模拟)如图所示,只闭合开关S时,两灯均不亮,同时闭合开关S和S1时,灯L1亮,L2不亮,电路可能出现的故障是()11.如图所示,当开关S闭合后,两只灯泡都发光,两表均有示数.过一段时间后,发现其中一只灯泡熄灭,两表示数都不变,造成这种情况的原因可能是()12.如图所示,电源电压为6V,开关闭合后,L1、L2都不发光,而伏特表的示数为6伏特,电路的故障可能是()13.某同学在进行实验时,连接好如图所示的电路.当开关S1、S2均闭合时,却发现仅有L2发光.产生这一故障的原因是()14.小明在探究“串联电路中电压的规律”时,电路连好后(如图),闭合开关,两灯均不亮、经检查,电路连接无误,老师告诉他是一个小灯泡坏了.小明仔细想了想后,用下列方法进行了判断,其中判断正确的是()15.如图所示的电路中,已知电源电压为6V,且保持不变,当开关S闭合后,发现一只灯泡发光,电压表的示数为6V,存在这一现象的原因可能是()16.如图所示,闭合开关S时,灯L1和L2都不亮,用一段导线的两端接触a,b两点时,两盏灯都不亮;接触b,c两点时,两盏灯都不亮;接触c,d两点时,两盏灯都亮,故障原因可能是()17.某同学接好如图所示的电路后,合上开关S1S2,发现灯L1不亮,灯L2亮,则下列原因分析中不可能的是()18.如图所示的电路中,开关闭合后,只有乙灯亮甲灯不亮的原因是()19.如图所示电路,闭合开关S后,发现灯L1亮,L2不亮.此电路的故障可能是()20.在图所示的电路中,电源电压为6V,开关闭合后,电灯L1、L2均不发光.用电压表逐段测量,结果是:Uab=0V,Ubc=0V,Ucd=6V.由此可以判断此电路的故障可能是()21.(2013•岳阳)如图,家庭电路中电灯突然熄灭,小明用测电笔分别测两根电源线,发现氖管都发光.据此,请你帮助小明推断该电路故障可能是()22.(2013•黑龙江)如图所示的家庭电路中,正常发光的两盏灯突然全部熄灭,经检查保险丝完好,用试电笔分别插入插座的两孔,氖管均发光,造成这一现象的原因可能是()23.(2012•攀枝花)如图所示,闭合电键S后,发现电灯L不亮,且保险丝没有熔断.某同学用测电笔测试灯头的两根电线C,D,发现这两处都能使测电笔的氖管发光,再用测电笔测试火线A 和零线B时,氖管在测火线A时能发光,在测零线B时不发光.那么可以判定故障是()24.(2013•齐齐哈尔)图所示的电路中,正常发光的三盏灯突然全部熄灭,经检查保险丝完好,用试电笔插进插座的两孔,氖管均发光.造成这一现象的原因是()25.(2012•宜昌)某同学在家中更换台灯的灯泡时,先将一只灯泡插入灯座,灯泡正常发光,再将26.(2011•新疆)右图所示的电路中,电源电压保持不变,闭合开关S后,电路正常工作.过了一会儿,灯L熄灭,两个电表中只有一个电表的示数变大,则下列判断正确的是()27.(2011•湘潭)李明家中有一盏电灯突然不亮,他用试电笔检测灯头内的两个接线柱,试电笔均二.填空题(共3小题)28.(2010•天津模拟)为检查照明电路的故障,电工经常采用的方法是:断开干路开关S,将额定电压为220V的“较验灯”接在开关的两只接线柱上,如图14所示,在检查某盏灯之前,先断开所有支路开关,再闭合该支路开关,“较验灯”将会出现以下三种情况中的其中一种:①不发光,说明该支路开路;②发光较暗,说明该支路正常;③正常发光,说明该支路短路.(填“开路”、“短路”或“正常”)29.图所示的电路中,L1、L2是两只规格不同的小灯泡,当闭合开关S时,(1)若发现L1亮、L2不亮,分析其电路有故障,则故障是L2短路;(2)若发现电流表A1和A2的示数不相等,分析其原因,则可能是电流表量程不同.30.在“比较串联电路和并联电路”的实验中,连接电路时,开关必须断开.某实验小组连好如图所示的电路时,闭合开关,发现两灯都不亮,急忙向老师求援.老师走过来,将L1轻轻扭动,L1亮起来了,L2还是不亮.老师微笑着问:“这说明L1处发生了什么故障?”同学们异口同声地回答道:“接触不良.”“那么L2为什么还不亮呢?”同学们又傻眼了…如果L2处有故障,是什么故障呢?你认为L2发生短路.。
短路练习题(菁优网)1.在图的四个电路图中,开关S闭合后,能使小灯泡L1和L2都正常发光的图是()A .B .C .D .2.如图所示,电路元件及导线连接均完好,闭合开关S1、S2,则()A.L1不能发光,L2能发光B.L1能发光,L2不能发光C.L1、L2都能发光D.L1、L2都不能发光3.下列各电路中,闭合开关,两个灯泡不能都发光的电路是()A .B .C .D .4.如图电路中,开关S闭合后,电源被短路的是()A B .C . D .5.如图甲所示,验电器A带负电,B不带电.用带有绝缘手柄的金属棒把验电器A、B两金属球连接起来的瞬间(如图乙所示),金属棒中()A.电流方向由A到B B.电流方向由B到AC.有电流但方向无法确定D.始终无电流6.(2013•广安)如图,电路中,下列操作中能使两盏灯都有电流通过的是()A.只闭合开关S1 B.只闭合开关S2和S3C.只闭合开关S2D.开关S1、S2、S3都闭合7.如图是一种声光报警器的电路图,当开关______时,灯亮、铃不响;当开关______时,灯亮同时铃响.8.如图所示的电路:(1)当开关S l闭合,S2断开时,电灯______会亮;电流的方向是由______极流出,流过______,最后到达电源的______极.(2)当S l和S2都闭合时,电灯______会亮,电灯______不亮,原因是______.9.图所示的2个电路图中,闭合或断开开关后能使两盏灯同时发光和熄灭的是____ __.10.如图是一种声光报警器电路,各元件均能正常工作.下列现象描述正确的是()A.只闭合S1时,灯亮铃不响B.同时闭合S1、S2,铃响灯不亮C.同时闭合S1、S2,灯亮铃不响D.只闭合S2时,铃响灯不亮11.如图所示的电路,下列判断正确的是()A.闭合开关S1、S3,断开开关S2时,灯L1、L2串联B.闭合开关S2,断开开关S l、S3时,灯L1、L2并联C.闭合开关S1、S2,断开开关S3时,灯L1亮、L2不亮D.同时闭合开关S1、S2、S3时,电源短路12.如图所示的电路图中,要使灯泡L1和L2组成并联电路,应该是()A.只闭合S3B.同时闭合S1和S3,断开S2C.同时闭合S1和S2,断开S3D.只闭合S213.关于电源短路及其危害,下列说法中正确的是()A.短路就是连接电路用的导线很短B.短路没有危害,并且节省导线C.短路就是电路中没有开关D.短路时,电源会发热而烧坏14.如图所示的电路中,要使L1、L2两灯串联,应闭合开关______;要使L1、L2两灯并联,应闭合开关______;若同时闭合开关S1、S2、S3,则会发生______现象,若同时闭合开关S1、S2,断开开关S3,则灯______会发光.15.如图所示,要使灯L1与L2串联,应该闭合开关______,断开开关______;如果要使灯L1与L2并联,则应该闭合开关______,断开开关______;如果三只开关全闭合,电路发生______.16.如图所示的电路中,属于两灯串联的电路是______,属于两灯并联的电路是______.A .B .C .D .17.如图所示的电路中,若要使两灯串联,应闭合开关______;若要使两灯并联,就要闭合开关______.参考答案与试题解析1.(2010秋•昆山市期末)在图的四个电路图中,开关S闭合后,能使小灯泡L1和L2都正常发光的图是()A .B .C .D .【解答】解:A、当开关闭合时,形成电源短路,故两个灯泡都不发光;B、该电路中没有电源,因此灯泡均不会发光;C、开关闭合后,为L2的基本电路,L1被短路;D、开关闭合后,两灯泡并联连接,因此两灯泡都能发光.故选D.2.(2013•南京)如图所示,电路元件及导线连接均完好,闭合开关S1、S2,则()A.L1不能发光,L2能发光B.L1能发光,L2不能发光C.L1、L2都能发光D.L1、L2都不能发光【解答】解:闭合开关S1、S2,电路为L1的基本电路,L2被短路,故L1能发光,L2不能发光.故选B.3.(2015•哈尔滨)下列各电路中,闭合开关,两个灯泡不能都发光的电路是()A .B .C .D .【解答】解:A、由图示电路图可知,两灯泡并联,闭合开关,两灯泡都发光,故A错误;B、由图示电路图可知,两灯泡串联,闭合开关,两灯泡都发光,故B错误;C、由图示电路图可知,闭合开关,灯L2发光,灯L1被短路,不能发光,由此可知,两个灯泡不能都发光,故C正确;D、由图示电路图可知,闭合开关,两灯泡并联接入电路,两灯泡都发光,故D错误;故选C.4.(2015•广西)如图电路中,开关S闭合后,电源被短路的是()A .B .C .D .【解答】解:A、闭合开关,两只灯泡并联,灯泡正常发光.不符合题意;B、断开开关,两只灯泡并联正常发光;闭合开关,电源短路.符合题意;C、断开开关,两只灯泡串联能够发光;闭合开关,一只灯泡短路不能发光,另一只灯泡能够发光.不符合题意;D、闭合开关,两只灯泡并联,灯泡正常发光.不符合题意.故选B.5.(2013•贵州)如图甲所示,验电器A带负电,B不带电.用带有绝缘手柄的金属棒把验电器A、B两金属球连接起来的瞬间(如图乙所示),金属棒中()A.电流方向由A到B B.电流方向由B到AC.有电流但方向无法确定 D.始终无电流【解答】解:当金属棒把验电器A、B两金属球相连时,电子会发生定向移动,从A移动到B使验电器B也带上了电.由于电子带的是负电,而电流的方向是正电荷定向移动的方向,所以电流方向与电子移动的方向相反,故电流方向由B到A.故选B.6.(2013•广安)如图,电路中,下列操作中能使两盏灯都有电流通过的是()A.只闭合开关S1B.只闭合开关S2和S3C.只闭合开关S2 D.开关S1、S2、S3都闭合【解答】解:A、根据电路图可知,只闭合开关S1,为L2的基本电路,因此只有L2中有电流通过,不符合题意;B、根据电路图可知,只闭合开关S2和S3,L2被短路,为L1的基本电路,因此只有L1中有电流通过,不符合题意;C、根据电路图可知,只闭合开关S2,两灯泡串联,因此都有电流通过,符合题意;D、根据电路图可知,开关S1、S2、S3都闭合时,形成电源短路,没有电流通过灯泡,不符合题意.故选C.7.(2015•永州)如图是一种声光报警器的电路图,当开关S1、S2闭合时,灯亮、铃不响;当开关S1闭合,S2断开时,灯亮同时铃响.【解答】解:由图知,要使灯泡发光,必须有电流通过灯泡,因此开关S1必须闭合;但此时灯泡发光,电铃发声;要使灯泡发光,电铃不发声,必须再闭合S2,使电铃短路;所以要使灯泡发光并且电铃发声,需要闭合S1、断开S2.故答案为:S1、S2闭合;S1闭合,S2断开.8.(2011秋•富民县校级期中)如图所示的电路:(1)当开关S l闭合,S2断开时,电灯L1、L2会亮;电流的方向是由正极流出,流过L1、L2,最后到达电源的负极.(2)当S l和S2都闭合时,电灯L1会亮,电灯L2不亮,原因是L2被短路.【解答】解:当开关S1闭合,S2都断开时,灯泡L2、L1串联在一起,都会发光;电流从正极流出,电流通过灯泡L1、L2;最后到达电源的负极;当S l、S2都闭合时,L2被短路,不会发光,只有L1发光;电流通过灯泡L1直接回到负极.故答案为:(1)L1、L2;正;L1、L2;负;(2)L1;L2;L2被短路.9.图所示的2个电路图中,闭合或断开开关后能使两盏灯同时发光和熄灭的是乙.【解答】解:由图甲可知,开关断开时,两个灯泡都发光,开关闭合时,左边灯泡被短路熄灭,右边灯泡仍发光,因此闭合开关后不能能使两盏灯同时发光和熄灭;由图乙所示可知,两灯泡并联,开关串联在干路中,闭合或断开开关后能使两盏灯同时发光和熄灭;故答案为:乙.10.(2014•通辽)如图是一种声光报警器电路,各元件均能正常工作.下列现象描述正确的是()A.只闭合S1时,灯亮铃不响B.同时闭合S1、S2,铃响灯不亮C.同时闭合S1、S2,灯亮铃不响D.只闭合S2时,铃响灯不亮【解答】解:A、只闭合S1时,电路为断路,所以灯不亮铃也不响;故A错误;BC、同时闭合S1、S2时,为灯泡的基本电路,电铃短路,所以灯亮铃不响;故B错误,C正确;D、只闭合S2时,灯泡和电铃串联,因此灯亮铃响;故D错误.故选C.11.(2014•遂宁)如图所示的电路,下列判断正确的是()A.闭合开关S1、S3,断开开关S2时,灯L1、L2串联B.闭合开关S2,断开开关S l、S3时,灯L1、L2并联C.闭合开关S1、S2,断开开关S3时,灯L1亮、L2不亮D.同时闭合开关S1、S2、S3时,电源短路【解答】解:A、闭合开关S1、S3,断开开关S2时,灯L1、L2并联,故A错误;B、闭合开关S2,断开开关S l、S3时,灯L1、L2串联,故B错误;C、闭合开关S1、S2,断开开关S3时,灯L1被短路,不亮,L2亮,故C错误;D、同时闭合开关S1、S2、S3时,L1及L2被短路,电源被短路,故D正确.故选:D.12.(2014•巴中)如图所示的电路图中,要使灯泡L1和L2组成并联电路,应该是()A.只闭合S3B.同时闭合S1和S3,断开S2C.同时闭合S1和S2,断开S3D.只闭合S2【解答】解:A、只闭合S3时电流只有一条路径,是L2的简单的电路,不合题意;B、同时闭合S1和S3,断开S2时,电流有两条路径,分别流经灯泡L1和L2,属并联电路,符合题意;C、同时闭合S1和S2时电流会不经用电器直接从电源正极流向负极,属电源短路,是错误的,不合题意;D、只闭合S2时电流只有一条路径,电流依次流过L2、L1和开关S2,属串联电路,不合题意.故选B.13.(2013秋•永春县校级月考)关于电源短路及其危害,下列说法中正确的是()A.短路就是连接电路用的导线很短B.短路没有危害,并且节省导线C.短路就是电路中没有开关D.短路时,电源会发热而烧坏【解答】解:短路是指导线将用电器两端或电源两极直接连接在一起的电路,电路中可以有开关,同时电源将被烧坏,故ABC错误,D正确.故选D.14.(2013•盘锦)如图所示的电路中,要使L1、L2两灯串联,应闭合开关S2;要使L1、L2两灯并联,应闭合开关S1、S3;若同时闭合开关S1、S2、S3,则会发生短路现象,若同时闭合开关S1、S2,断开开关S3,则灯L2会发光.【解答】解:由电路图可知:(1)要使L1、L2两灯串联,电流从正极出发,需经过L2、S2、L1回到电源的负极,因此需闭合S2;(2)要使L1与L2并联,需让电流从电源流出分别流入两灯中再汇合共同流入电源负极,则需闭合开关S1、S3;(3)若同时闭合开关S1、S2、S3,会形成短路现象,造成电流过大,烧坏电源;(4)若同时闭合开关S1、S2,断开开关S3,L1被短路,电路为L2的基本电路,因此灯L2亮.故答案为:S2;S1、S3;短路;L2.15.(2014秋•潮阳区校级月考)如图所示,要使灯L1与L2串联,应该闭合开关S3,断开开关S1、S2;如果要使灯L1与L2并联,则应该闭合开关S1、S2,断开开关S3;如果三只开关全闭合,电路发生短路.【解答】解:(1)由电路图可知,开关S闭合,开关S1、S2都断开,S3闭合时,L1与L2并首尾顺次连接,两灯串联.(2)由电路图可知,开关S1、S2都闭合,S3断开时,L1与L2并首首相连、尾尾相连,两灯是并联的.(3)当开关S1、S2、S3全部闭合时,电源的两极直接用导线连接起来了,造成电源短路,损坏电源.故答案为:S3;S1、S2;S1、S2;S3;短路.16.如图所示的电路中,属于两灯串联的电路是A 、C,属于两灯并联的电路是B、D.A.B.C.D.【解答】解:图A中,电流依次流过两只灯泡,只有一条流通路径,为串联电路;图B中,两只灯泡并列连接,工作时互不影响,为并联电路;图C中,电流依次流过两只灯泡,只有一条流通路径,为串联电路;图D中,两只灯泡并列连接,工作时互不影响,为并联电路.故答案为:A、C;B、D.17.(2015秋•无锡校级期中)如图所示的电路中,若要使两灯串联,应闭合开关S3;若要使两灯并联,就要闭合开关S1和S2.【解答】解:(1)要使两灯串联,则电流只有一条路径:正极→左上的灯泡→中间的灯泡→开关S3→负极,因此需要闭合开关S3,S1S2断开;(2)要使L1、L2并联,则电流只有两条路径:正极→左上的灯泡→S1→负极,正极→S2→中间的灯泡→S1→负极,因此需要闭合开关S1和S2,断开S3.故答案为:S3;S1和S2.。
关于短路短路的初三物理题在初三物理的学习中,短路问题是电学部分的一个重要考点。
理解短路的原理和相关的物理现象,对于同学们掌握电路知识具有重要意义。
下面,我将围绕“短路”的相关知识,为大家出一道典型的初三物理题目。
### 题目:短路现象的理解与应用**问题描述:**假设有一个简单的电路,包括一个电池、一个电阻( R ) 和一个可变电阻( R_x )。
当( R_x ) 的阻值可以调整时,以下哪种情况会形成短路?请解释原因。
A.( R_x ) 的阻值远小于( R ) 的阻值B.( R_x ) 的阻值远大于( R ) 的阻值C.( R_x ) 和( R ) 的阻值相等D.( R_x ) 被移除,电路中只有( R )**解答指南:**首先,我们需要理解什么是短路。
短路是指电路中电流不经负载(如电阻)直接从电源的正极流向负极的情况。
这种情况通常发生在电路中的某个部分的电阻极小,导致电流过大。
A.当( R_x ) 的阻值远小于( R ) 的阻值时,大部分电流会选择通过( R_x ),因为它的电阻小,这会导致( R_x ) 两端的电压降很大,实际上形成了对( R ) 的短路。
在这种情况下,( R ) 上的电流会非常小。
B.当( R_x ) 的阻值远大于( R ) 的阻值时,电流主要通过( R ),( R_x )不会形成短路。
C.当( R_x ) 和( R ) 的阻值相等时,电流会等分到两个电阻上,不形成短路。
D.当( R_x ) 被移除,电路中只有( R ),这是正常的电路状态,没有短路。
因此,正确答案是A。
**深入讨论:**1.短路对电路有什么危害?2.如何避免短路的发生?3.如果在( R_x ) 上发生短路,电路中的电流会怎样变化?通过这样的题目,同学们可以更深入地理解短路的概念,以及它在实际电路中的作用和影响。
专题训练之电路故障:短路与断路的基础与练习。
电路故障一般分为短路和断路两大类。
分析识别电器故障时,一定要根据电路中出现的各种反常现象,如灯泡不亮,电流表和电压表示数反常等,分析其发生的各种可能原因,再根据题目中的其他条件和现象、测试结果等进行综合分析,确定故障。
综观近年全国各地的中考物理试卷,不难发现,判断电路故障题出现的频率还是很高的。
一、断路的判断
1、如果电路中用电器不工作(常是灯不亮),且电路中无电流,则电路断路。
2、具体到那一部分断路,有两种判断方式:
①把电压表分别和各处并联,则有示数且比较大(一般表述为等于电源电压)处断路(电源除外);
②把电流表分别与各部分并联,如其他部分能正常工作,则表明与电流表并联的部分断开了。
二、短路的判断
1、串联电路或者串联部分中一部分用电器不能正常工作,其他部分用电器能正常工作,则不能正常工作的部分短路。
2、把电压表分别和各部分并联,导线部分的电压为零表示导线正常,如某一用电器两端的电压为零,则此用电器短路。
根据近几年中考物理中出现的电路故障,总结几条解决这类问题的常用的主要判断方法:
“症状”1:用电器不工作。
诊断:(1)若题中电路是串联电路,看其它用电器能否工作,如果所有用电器均不能工作,说明可能某处发生了断路;如果其它用电器仍在工作,说明该用电器被短路了。
(2)若题中电路是并联电路,如果所有用电器均不工作,说明干路发生了断路;如果其它用电器仍在工作,说明该用电器所在的支路断路。
“症状”2:电压表示数为零。
诊断:(1)电压表的两接线柱到电源两极之间的电路断路;
(2)电压表的两接线柱间被短路。
“症状”3:电流表示数为零。
诊断:(1)电流表所在的电路与电源两极构成的回路上有断路。
(2)电流表所在电路电阻非常大,导致电流过小,电流表的指针几乎不动(如有电压表串联在电路中)。
(3)电流表被短路。
“症状”4:电流表被烧坏。
诊断:(1)电流表所在的电路与电源两极间直接构成了回路,即发生了短路。
(2)电流表选用的量程不当。
例一、在图12所示的电路中,电源电压不变。
闭合开关S,电路正常工作。
一段时间后,发现其中一个电压表示数变大,则( )
A、L可能变亮
B、L亮度可能不变
C、R可能断路
D、R可能短路
二、短路的判断
例二、在图13中,当开关S闭合后,两只小灯泡发光,电压表示数为4V。
过了2min,电压表示数为0 V,经检查除小灯泡外其余器材的连接良好,请分析造成这种情况的原因可能有:________________________ 。
分析;电压表示数为0,其原因有三:1.电压表没有接好或电压表损坏;2.小灯泡L2短路;3.小灯泡L1断路。
起先,电压表有示数,说明不存在原因1的情况。
那么还有两种情况都是可能的。
答案为:小灯泡L2短路;小灯泡L1断路。
针对练习
(1)、在如图14所示的电路中,电源电压等于6V,合上开关后电压表示数为6V。
经分析得出,电路中可能发生的情况是:__________________________。
(2)、在如图15所示的电路中,电源电压不变。
闭合开关K后,灯L1、L2
都发光。
一段时间后,其中一灯突然熄灭,而电流表、电压表的示数都不变,
则产生这一现象的原因可能是( ) A、灯L1短路B、灯L2短路C、
灯L1断路D、灯L2断路
(3)、在图16所示的电路中,电源电压不变。
闭合开关K后,灯L1、L2都
发光,—段时间后,其中的一盏灯突然变亮,而电压表V1的示数变小,电压
表V2的示数变大,则产生这一现象的原因是( )
A、灯L1断路
B、灯L1短路
C、灯L2断路
D、灯L2短路
拓展练习:
1.如图,当开关S闭合时,灯L1、L2均不亮。
某同学用一根导线去检查故障。
他将导线先并接在灯L1两端时,发现灯L2亮,然后并接在灯L2两端时,发
现两灯均不亮。
由此判断( A )
A.灯L1开路
B.灯L1短路
C.灯L2开路
D.灯L2短路
2.如图,电源电压不变。
闭合电键S ,灯L1、L2都发光。
一段时间后,其
中一灯突然熄灭,而电流表、电压表的示数不变,则产生这一现象的原因是
( D )
A.灯L1短路
B.灯L2短路
C.灯L1开路
D.灯L2开路
3、如图,电源电压不变。
闭合开关S ,电路正常工作。
一段时间后,发现其
中一只电压表示数变大,则(C )
A.灯L可能变亮
B.灯L亮度可能不变
C.电阻可能开路
D.电阻R可能短路
第4题第5题第6题
4.如图所示的电路中电源电压为3V,当闭合S后,发现其中一只灯亮,另一
只灯不亮,用电压表分别测得AB间的电压为0V,BC间的电压为3V,造成
这种现象的原因是_(L1短路);如发现L1、L2均不亮,用电压表测得AB间
的电压为0V,BC间的电压为3V,造成这种现象的原因是(_L1短路,L2开
路)。
5.如图所示的电路。
L1、L2、L3、是完全相同的三只灯,电源电压为9V,闭
合S后发现三只灯中有一只不亮,电压表V1、V2的示数均为4.5V,造成这
种现象的原因是(L2短路)。
6.如图所示,某同学在闭合开关S后发现电路不能正常工作,已知电路每次只
有一个故障。
则下列情况中电路故障可能是:
(1)电流表示数为0,电压表示数为电源电压,则故障原因为(L1断路)。
(2)电流表、电压表的示数均为0,则故障原因是(L2断路)
(3)电流表示数正常,电压表示数为0,只有一只灯亮,则故障原因是(L1
短路)。