房地产策划月报表模板
- 格式:doc
- 大小:489.00 KB
- 文档页数:16
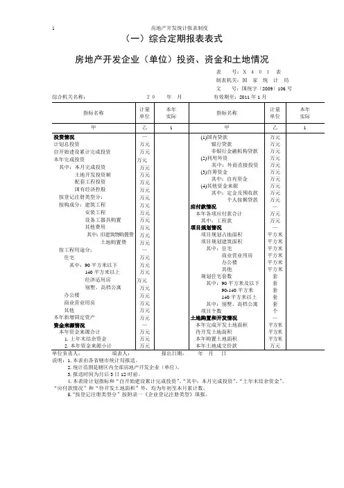
(一)综合定期报表表式房地产开发企业(单位)投资、资金和土地情况表号:X401表制表机关:国家统计局文号:国统字〔2009〕106号综合机关名称:20年月有效期至:2011年1月指标名称计量单位本年实际指标名称计量单位本年实际甲乙 1 甲乙 1投资情况计划总投资自开始建设累计完成投资本年完成投资其中:本月完成投资土地开发投资额配套工程投资国有经济控股按登记注册类型分:按构成分:建筑工程安装工程设备工器具购置其他费用其中:旧建筑物购置费土地购置费按工程用途分:住宅其中:90平方米以下140平方米以上经济适用房别墅、高档公寓办公楼商业营业用房其他本年新增固定资产资金来源情况本年资金来源合计1.上年末结余资金2.本年资金来源小计—万元万元万元万元万元万元万元万元万元万元万元万元万元万元—万元万元万元万元万元万元万元万元万元—万元万元万元(1)国内贷款银行贷款非银行金融机构贷款(2)利用外资其中:外商直接投资(3)自筹资金其中:自有资金(4)其他资金来源其中:定金及预收款个人按揭贷款应付款情况本年各项应付款合计其中:工程款项目规划情况项目规划占地面积项目规划建筑面积其中:住宅商业营业用房办公楼其他规划住宅套数其中:90平方米及以下90-140平方米140平方米以上其中:别墅、高档公寓项目个数土地购置和开发情况本年完成开发土地面积待开发土地面积本年购置土地面积本年土地成交价款万元万元万元万元万元万元万元万元万元万元—万元万元—平方米平方米平方米平方米平方米平方米套套套套套个—平方米平方米平方米万元单位负责人:填表人:报出日期:年月日说明:1.本表由各省辖市统计局报送。
2.统计范围是辖区内全部房地产开发企业(单位)。
3.报送时间为月后3日12时前。
4.本表除计划指标和“自开始建设累计完成投资”、“其中:本月完成投资”、“上年末结余资金”、“应付款情况”和“待开发土地面积”外,均为年初至本月累计数。
5.“按登记注册类型分”按附录一《企业登记注册类型》填报。
【XX项目】4月份工作总结及5月份工作计划【第一部分:市场分析】第一篇宏观政策略第二篇竞品分析一、竞品现阶段销售分析竞品项目月度成交总量汇总表1综上表:本月总体成交套数713套,总成交额3.51亿元。
本月成交量较大的项目分别进行了开盘动作,其中XX都3月份进行了开盘,推出124,成交40;XX林进行了1次开盘,在三月下旬进行,且属于小型加推式开盘,推出136套,成交65套;本月XX庭持续的推出打折、特价房源,并针对部分房源实行91折促销, 164平大三房产品一口价60万,推出后成交效果较好,利用以价走量的方式达到快速去化的作用;XX庭本月4月14日进行了开盘,推出252,成交161,成交效果较好,成交主要集中在80-90㎡之间;XX露进行了公寓开盘,推出102套,成交55套,以中小面积为主,集中在39㎡的面积段上;中海澜庭在清明节前后加推了90多层,共计18套,由于单价较高,成交较差;XX湾及XX里基本以去化库存为主,无加推以及大型营销动作。
二、竞品情况详细分析XX湾占地面积:190000平方米建筑面积:545000平方米建筑形式:高层2面积区间:88-140m²开盘时间:2011-06竣工时间:20XX-10容积率:2.48绿化率:31%销售及价格情况XX湾本月成交量与上月有小幅度的下降,本月成交较少主要原因为现阶段主要以去化库存为主,且本月无加推以及大型的推广及线下活动,成交较少。
成交以中大面积为主。
预计本月将会有新品进行推出,但是无大型推广。
XX庭3占地面积:190000平方米建筑面积:560000平方米产品形式:高层、小高层、多层面积区间:90-164m²容积率:2.95绿化率:40%开盘时间:20XX-06-03竣工时间:20XX-9销售及价格情况XX庭本月成交75套,成交金额0.502亿,本月月初进行了产品加推,推出多层房源一套,共计18套,加推当日成交5套,成交均价5900-6000元之间,均价较高,成交效果较差。
房产销售月度工作计划表随着x月份的结束,也意味着进入下一步的实质性工作阶段,房产销售每月工作计划。
回顾这一个月的工作,非常感谢公司领导和各位同事的顶力支持,使我掌握相关业务知识。
基于本人是第一次接触房产销售行业,面临困难和压力较大,针对行业特点、现状,结合本人这一个多月来对“房产销售”的理解和感悟,特对x月分工作制定以下房产销售工作计划。
本工作计划包括宗旨、目标、工作开展计划和计划评估总结,日计划,等五部分。
一.宗旨本计划是,完成销售指标100万和达到小组增员10人。
制定本计划的宗旨是确保完成指标、实现目标。
二.目标1. 全面、较深入地掌握我们“产品”地段优势并做到应用自如。
2. 根据自己以前所了解的和从其他途径搜索到的信息,搜集客户信息1000个。
3. 锁定有意向客户30家。
4. 力争完成销售指标三.工作开展计划众所周知,现代房产销售的竞争,就是服务的竞争。
服务分为售前服务、售中服务和售后服务,而我们房产销售也是一种“服务“,所以前期工作即就是售前服务更是我们工作的重中之重。
正是因为如此,我的工作开展计划也是围绕“售前服务”来进行。
1.多渠道广泛地收集客户资料,并做初步分析后录入,在持续的信息录入过程中不断地提高自己的业务知识,使自己在对房产销售特点掌握的基础上进一步的深入体会,做到在客户面前应用自如、对答如流。
2.对有意向的客户尽可能多地提供服务(比如根据其需要及时通知房原和价格等信息),目的让客户了解房源和价格,在此基础上,与客户进行互动沟通。
其次给客户一种无形的压力,比如:房源紧张,价格要上涨,等。
挑起其购买欲望.3.在用电话与客户交流的过程中,实时掌握其心理动态,并可根据这些将客户分类。
4.在交流的过程中,锁定有意向的客户,并保持不间断的联系沟通,在客户对我们的“产品”感兴趣或希望进一步了解的情况下,可以安排面谈。
5.在面谈之前要做好各种充分准备,做到对房源,面积,单价等。
了如指掌6..对每次面谈后的结果进行总结分析,并向上级汇报,听取领导的看法。
房地产销售月工作总结与计划表一、工作总结在这个月里,我作为房地产销售员,在上级领导的带领下,以及和同事的共同努力下,取得了一些工作成果,但仍有许多不足之处,需要进一步提高和改进。
1.销售业绩:在这个月里,我成功地完成了公司下达的销售任务,销售出了10套房产,总销售额达到了200万元。
但是,相对于上个月和去年同期,销售业绩有所下滑,需要进一步分析原因并采取措施提高销售业绩。
2.客户维护:我积极与客户保持联系,通过电话、短信、微信等方式与客户建立良好的关系。
同时,我还及时关注客户的需求和反馈,及时解决问题,提高客户满意度。
但是,在客户维护方面,我还需要更加注重细节和客户体验。
3.市场调研:我积极参与市场调研,了解市场动态和竞争对手的策略,及时调整自己的销售策略。
但是,在市场调研方面,我还需要更加深入和细致,以更好地把握市场趋势。
4.团队协作:在这个月里,我与同事保持良好的沟通和合作,共同完成了销售任务。
但是,在团队协作方面,我还需要更加注重沟通和协调,以更好地提高团队效率。
二、工作计划在下个月里,我将继续努力提高自己的销售能力和服务水平,以更好地完成公司的销售任务。
具体计划如下:1.销售业绩提升:我将制定更加科学和有效的销售计划,提高自己的销售技巧和沟通能力,以更好地吸引客户并提高销售业绩。
同时,我还将加强与客户的沟通和联系,提高客户满意度和忠诚度。
2.市场调研深入:我将继续深入市场调研,了解市场动态和竞争对手的策略,及时调整自己的销售策略。
同时,我还将关注行业趋势和发展方向,以更好地把握市场机会。
3.团队协作优化:我将更加注重与同事的沟通和协作,积极参与团队建设活动,提高团队凝聚力和效率。
同时,我还将关注同事的需求和反馈,及时解决问题并提供帮助。
4.服务水平提升:我将不断提高自己的服务水平,注重细节和客户体验,以更好地满足客户的需求和提高客户满意度。
同时,我还将积极参加公司组织的培训和学习活动,提高自己的专业素质和服务能力。
房地产公司项目工程管理月报项目概述本月,房地产公司项目工程管理部门共管理20个项目,其中在建项目16个,已交付项目4个。
在建项目涵盖住宅、商业、写字楼等多种类型,总面积为150万平方米。
已交付项目总面积为60万平方米。
项目进展在建项目在建项目中,共有4个项目实施加速,进度超过预期。
具体情况如下:1.XX小区住宅项目:本月完成外围围挡工程,现正进行内装修工程,计划提前15天完成主体施工,加快项目进度。
2.XX广场商业项目:本月完成建筑主体结构施工,现正进行室内装修工程,计划提前10天开展钢结构安装工程,以加速项目进度。
3.XX写字楼项目:本月正式开始施工,完成了场地围挡工程及基坑开挖工作,进入主体施工阶段。
预计将按计划完成施工工作。
4.XX雅苑住宅项目:本月完成地基桩基础工程,正在进行底板浇筑及柱子、梁的安装工作。
计划加班施工,提高效率。
已交付项目已交付项目中,本月共完成2个项目的维护保养工作,并督促一个项目完善消防设施。
具体情况如下:1.XX国际广场商业项目:本月完成商业区域的定期检查、保养及维修工作,并督促商户按照规定整改消防隐患。
2.XX小区住宅项目:本月完成小区园区区域绿化、设备检修、停车场维修等维护保养工作,并按期提交相关报告。
3.XX写字楼项目:本月督促项目落实完善消防设施,消防安全达标,保障了租户的生命安全。
项目质量本月,所有在建项目都按时完成了日常施工检查工作,无建设质量问题和安全问题。
同时,已交付项目中,也没有接到任何投诉和追溯单据。
项目成本本月所有项目严格执行了成本控制制度,采取了多种措施,如调整物资使用、压缩人工开支等,节约了60万元的工程成本。
项目风险本月未发现任何重大风险,但由于部分项目进度存在压力,需要及时安排人手和物资,保障项目进度和工程质量。
同时,在下个月,还需重点关注天气和施工现场安全问题,以确保项目顺利推进。
经验本月项目进度平稳,项目质量及时控制,成本控制得当,风险监控到位。
项目营销月报年月第一部分:上月销售情况总结1、销售月报表(备注:1、已推——指该项目推盘总和2、库存——指该项目未推和已推未售/已推未租的总和。
3、统计时,按认购口径。
4、有车位销售的项目应随表附上车位全月销售及库存情况。
)2、销售小结1)结合以上表格,总结上月销售数量、均价、所属组团/楼栋/户型、推广活动,和上月销控/广告策略的关系,及相对于前阶段销售情况的变化。
(如有退房现象,分析退房原因。
)本月成交需提供明细(如下表):2)阐述截至上月末项目已推但未售出的住宅按组团/楼栋/楼层/户型分布情况(如下表):3、客户分析来电:主要阐述现场来电数量、客户来源、认知途径、关注重点等,以及相对于前阶段来电情况的变化。
来访:主要阐述来访意向客户数量(批数)、客户特征、认知途径、关注重点等,以及相对于前阶段来访情况的变化。
成交:主要分析月内成交客户特征、认知途径、关注重点、促使其成交的主要因素等,以及相对于前阶段成交情况的变化。
流失客户未成交原因:主要分析月内流失客户主要未成交原因,及因各原因流失客户的批量。
客户对竞品的提及:主要记录客户对项目竞品的描述及提及率。
4、营销工作小结(含营销费用小结)简要总结上月销控、广告、促销、公关/活动、包装等方面的营销工作的执行情况,并简要评估营销工作的执行效果。
简要总结上月营销费用使用情况。
5、销售难点结合上月销控策略、实际销售情况以及意向客户/成交客户情况分析,总结现阶段项目整体和具体组团/楼栋/户型的销售亮点和难点。
第二部分:本月工作计划1.本月工作思路针对以上总结的销售亮点和难点,结合现阶段销售目标,提出本月工作应对思路。
2.本月销控策略与销售计划阐述本月销控方面的策略重点,及相对于前阶段的策略延续或策略调整。
包括主推(或新推)组团/楼栋/户型和相应的价格策略。
阐述本月销售计划。
3.本月广告策略阐述本月广告诉求和媒体组合,诉求方面应阐明相对于前阶段的诉求延续或诉求调整;媒体组合方面应阐明主要媒体和辅助媒体。
2024年房产销售月度工作计划表月度目标:1. 实现全年销售额的增长。
2. 提高客户满意度和忠诚度。
3. 加强市场竞争力。
4. 增加房地产销售渠道。
一月份计划:1. 进行市场分析,了解目标客户需求和市场趋势。
2. 开展产品推广活动,包括展会、发布会等。
3. 建立客户数据库,进行客户分析和挖掘潜在客户。
4. 加强与合作伙伴的合作,共同开展营销活动。
5. 开展促销活动,提供优惠政策以吸引客户。
6. 加强团队培训,提高销售人员的销售技巧和专业水平。
二月份计划:1. 继续进行市场调研,了解客户需求和竞争对手的情况。
2. 制定销售计划,包括销售目标、销售渠道和销售策略。
3. 开展线上推广活动,利用各种社交媒体平台提升品牌知名度。
4. 定期组织客户活动,提高客户满意度和忠诚度。
5. 优化销售流程,提高销售效率和客户体验。
6. 进行销售数据分析,及时调整销售策略。
三月份计划:1. 加强与房地产开发商的合作,扩大产品库存。
2. 开展品牌宣传活动,提升品牌形象和认知度。
3. 加强与金融机构的合作,提供贷款服务,促进购房需求。
4. 推出新产品,满足不同客户的需求。
5. 继续进行客户分析,有针对性地开展营销活动。
6. 加强内部沟通和协作,提高团队合作能力。
四月份计划:1. 深入了解客户需求,进行产品定位和细分市场策略。
2. 开展重点客户拓展活动,寻找高潜力客户。
3. 建立客户关系管理系统,提高客户服务质量。
4. 加强与地产中介的合作,利用其渠道和资源推广销售。
5. 进行市场竞争力分析,调整销售策略。
6. 继续加强团队培训,提高销售人员的专业素质。
五月份计划:1. 组织客户满意度调查,了解客户对产品和服务的评价。
2. 开展客户关系维护活动,加强与客户的沟通和联系。
3. 制定客户回访计划,跟进潜在客户和意向客户。
4. 加强与政府部门的合作,获取最新的政策信息。
5. 加强售后服务,解决客户的问题和投诉。
6. 继续开拓新的销售渠道,扩大销售范围。
房地产销售每月工作计划表第一章: 前期准备工作1.1 确定销售目标1.1.1 根据公司要求和个人能力,确定每月销售目标。
1.1.2 分析市场条件和竞争对手的情况,制定相应的销售策略。
1.1.3 确定个人销售目标,并与团队成员和上级进行沟通确认。
1.2 建立销售网络1.2.1 维护和拓展客户资源,建立客户数据库。
1.2.2 合理利用互联网和社交媒体等渠道,建立个人品牌。
1.2.3 参加行业展览和交流活动,拓展人脉资源。
1.3 提高销售技巧1.3.1 学习并掌握房地产市场的相关知识和法规。
1.3.2 定期参加销售培训和课程,提高销售技巧和谈判能力。
1.3.3 不断总结和分享销售经验,与同事交流学习。
第二章: 月度工作计划2.1 第一周2.1.1 分析市场行情和客户需求,了解最新的市场动态。
2.1.2 跟进潜在客户,进行电话或面谈咨询,了解他们的购房需求。
2.1.3 定期更新个人客户数据库,并跟进客户动态。
2.2 第二周2.2.1 确定优质客户,制定针对性的销售计划。
2.2.2 安排带看时间和地点,与客户一起实地考察房源。
2.2.3 定期与客户进行跟踪回访,解答疑问并提供相应服务。
2.3 第三周2.3.1 组织开展销售活动,如房展、开盘酒会等,吸引客户参与。
2.3.2 制定宣传方案,利用宣传渠道进行推广和宣传。
2.3.3 跟进客户反馈和意见,及时调整销售策略和推广方法。
2.4 第四周2.4.1 梳理阶段性成果,汇总销售数据和销售情况。
2.4.2 与客户进行最后的谈判和协商,促成交易达成。
2.4.3 定期与团队成员和上级进行交流研讨,总结经验教训。
第三章: 确立目标及衡量指标3.1 确立销售目标3.1.1 根据公司要求和个人能力,确定每月销售目标。
3.1.2 将销售目标分解为每周和每日的工作计划,明确分工和时间节点。
3.2 衡量指标及考核3.2.1 根据销售目标和个人实际销售情况,制定考核指标。
3.2.2 考核指标包括销售额、客户数量、成交率等。
房地产公司项目工程管理月报(示例)1. 项目概况1.1 项目名称本月,公司承接了“万科华苑”房地产项目工程管理任务。
1.2 项目进度本月项目进度如下:•前期工作:已完成•设计阶段:已完成•施工准备:正在进行•施工阶段:未开始1.3 项目成本本月项目成本如下:•设计费用:30万元•施工准备费用:10万元2. 工程管理情况2.1 工程管理人员本月,工程管理人员共计10人,分别为:•项目经理:1人•工程师:3人•施工员:6人2.2 工程管理内容本月,工程管理人员主要完成了以下内容:•制定了施工准备计划,明确了施工时间表和施工指导原则。
•进行了场地勘测和环境评估,确定了施工现场的交通、供水、供电等基础设施情况。
•检查了材料配送情况,确保了施工原材料的数量、质量和时效。
•进行了安全监控,建立了安全检查机制,确保施工期间的人员和资产安全。
•开始进行施工前的产品和设备检验,确保设计图纸和实际施工质量符合要求。
2.3 工程管理效果工程管理的效果主要体现在以下方面:•成本控制方面:制定了合理的施工计划和材料采购计划,减少了成本浪费。
•工期进度方面:在一个月的时间内完善了施工准备工作,保证施工工期的准备和周密安排。
•安全方面:建立了安全检查机制,确保施工期间工作人员和资产的安全。
•质量方面:开始进行施工前的产品和设备检验,确保设计图纸和实际施工质量符合要求。
3. 未来任务3.1 施工开展下一个月,我们计划进入施工阶段,按照施工计划和设计图纸推进施工工作,确保施工质量和进度。
3.2 质量控制施工期间,我们将继续进行产品和设备检验,确保施工质量符合要求。
3.3 安全管理施工期间,我们会加强安全监控,确保施工期间的人员和资产安全。
4. 总结本月,公司承接了“万科华苑”房地产项目工程管理任务。
我们制定了合理的施工计划和材料采购计划,减少了成本浪费。
在一个月的时间内完善了施工准备工作,保证施工工期的准备和周密安排。
建立了安全检查机制,确保施工期间工作人员和资产的安全。
2023年房产销售月度工作计划表月度目标:实现房产销售额增长20%,拓展新客户群体,提高客户满意度。
月度工作计划:1月份:- 梳理去年销售数据,分析主销售区域和销售热点,确定2023年的销售重点区域。
- 筹备年度销售策划方案,并向上级报告,确保销售目标的合理性和可行性。
- 针对重点区域,与相关房产开发商进行合作洽谈,并确定合作方式和条款。
2月份:- 了解和学习市场最新动态,关注政策调整和市场变化,及时调整销售策略和方案。
- 开展线上线下推广活动,增加品牌曝光度,吸引潜在客户。
- 组织销售团队进行专业培训,提高销售技巧和产品知识。
3月份:- 根据市场需求,优化现有房产产品线,提供更符合客户需求的产品。
- 组织参加房地产展会和交流活动,展示公司产品实力和专业素质。
- 加强与金融机构的合作,提供优质的贷款服务,促成成交。
4月份:- 制定并执行营销计划,根据市场特点和客户需求,制定精准的推广方案。
- 搭建客户关系管理系统,建立客户档案,进行客户分类和管理。
- 加强对现有客户的维护和跟进,提供个性化的售后服务。
5月份:- 开展开发商会议,了解开发商的产品动态和销售政策,提出合作建议和要求。
- 组织销售团队进行销售技巧和产品知识的培训,不断提高销售实力。
- 与政府相关部门合作,开展公益性销售活动,提升公司形象和口碑。
6月份:- 拓展新客户群体,开展市场调研和客户需求分析,制定目标客户群体和开发策略。
- 开展与其他行业的合作推广活动,寻找更多的销售机会和资源。
- 组织团队进行销售策略分析和调整,根据市场变化及时制定应对方案。
7月份:- 根据销售数据进行业绩评估,分析销售状况和问题所在,制定改进措施。
- 组织销售团队进行销售竞赛,激励团队成员积极性和创造性。
- 提高客户满意度,加强与客户的沟通和反馈,解决问题和提供满意解决方案。
8月份:- 组织销售团队参加专业培训和学习,掌握市场最新动态和销售技巧。
- 深入了解产品竞争对手,分析对手的销售策略和产品优势,制定对策。
项目月份策划月报
制表人:一、本月整体情况
1)综述:
附表
2)分析:
附表
1、来电情况
1)来电总体分析:
附表
2)来电认知渠道分析:附表/图
3)来电需求分析:
附表/图
2、来访分析
1)来访总体分析:
附图
2)来访认知渠道分析:
附表/图
3)来访需求分析:
附表/图
3、成交分析
1)成交综述(附:月销售信息汇总表)
销售信息汇总表.xls
2)成交认知渠道分析:
附表/图
二、成交及未成交客户分析:
1、成交客户分析:
1)成交原因及比率:
2)成交客户语录:
1.——
2.——
3.——
4.——
5.——
3)成交客户地图:
月客户分布地图(例)
月客户成交地图(例)
月成交客户分布地图(例)客户地图分析:
广告投放建议:
2、未成交客户分析
1)数量统计:
注:其他原因包括(无购房意向、路过、首付不够、投资其他地产、资金短缺)
注:其他原因包括(电话暂停服务、外地已有房产、贷款的问题)。
2)原因分析:
附图
3)未成交客户语录:
1.——
2.——
3.——
4.——
5.——
三、本月市场情况
1、竞品最新动态
详情:
项目:
优惠:
剩余房源:
未推房源:
竞品楼盘分析:
2、竞品项目广告监测
竞品项目广告监测
项目名称投放日期媒体版位板
面
分类主题
四、上月工作总结
1、销售工作
1)案场管理:
2)客户方面:
3)现场情况:
2、策划工作
1) 推广工作总结
a)报广(附图稿)
1)
2)
■本月报广投放绩效情况
注:本月报中的绩效值均为每千元推广费用产生的来电或来访个数
b)广播(附文稿)
1)
2)
■本月广播投放绩效情况:
注:本月报中的绩效值均为每千元推广费用产生的来电或来访个数
c)网络(附稿图)
1)
2)
■本月网络投放绩效情况:
注:本月报中的绩效值均为每千元推广费用产生的来电或来访个数d)户外(附稿图)
1)
2)
e)道旗(附稿图)
1)
2)
■本月户外投放绩效情况:
注:本月报中的绩效值均为每千元推广费用产生的来电或来访个数f)短信
2) 物料设计工作(附图稿)
1)
2)
3)
3) 活动及渠道工作总结
A、
■活动简述
活动名称:
活动时间:
活动地点:
活动形式:
参与人群:
参与人数:
■活动效果评估
亮点:
不足:
■今后活动组织的建议
B、派单计划总结
具体安排:
序号时间地点人员份数1
2
3
4
5
合计
派单情况描述:
客户经典语录:
1.——
2.——
3.——
4.——
5.——
调查问卷的结果分析:
1.调查时间:
2.调查地点:(附地图)例
问卷调查区域分布图
3.问卷反馈:
项目在区域的知名度
知道本项目
不知道本项目
问卷小结:
■派单结果分析:
细分原因如下:
■派单的经验总结及今后的借鉴:
五、下月工作计划
1、销售工作计划
1)每日目标分解:
2) 详细工作计划时间表
2、策划工作计划:
1)重点工作:
面临问题:
A、
B、
C、
D、
2)推广策略
主题/范围/活动活动计划:
A、
B、
C、
D、
3) 推广具体执行
A)报广:
B)广播:
C)网络:
D)户外:
E)电梯广告:
F)短信:
G)派单:
3)费用预算。